大学物理实验-拉伸法测钢丝的杨氏模量(已批阅)电子版本
- 格式:doc
- 大小:177.50 KB
- 文档页数:7
拉伸法测量金属丝的杨氏模量实验报告《拉伸法测量金属丝的杨氏模量实验报告》
嘿,朋友们!今天我要来给你们讲讲我做的拉伸法测量金属丝杨氏模量的实验,那可真是一次超级有趣的体验啊!
实验开始前,我就像要去探险一样兴奋!我准备好了各种器材,那根金属丝就静静地躺在那里,好像在等着我去揭开它的秘密。
我心里想着:“这根小小的金属丝里到底藏着怎样的奥秘呢?”
然后我和小伙伴们一起动手啦!我们小心翼翼地把金属丝安装到实验装置上,就像在给一个小宝贝安家一样。
我还打趣地说:“嘿,可得轻点儿对它呀!”大家都笑了。
当我们开始施加拉力的时候,那种感觉就像是在和金属丝拔河一样。
它一开始还有点不情愿呢,不过慢慢地就开始伸长啦!看着它一点点变化,我心里那个激动啊,哎呀,真的很难形容!就好像看着一颗种子慢慢发芽长大。
在测量数据的过程中,我们可真是一丝不苟啊!每一个数值都像是宝贝一样,生怕记错了。
我和小伙伴还互相提醒:“嘿,你可看准了啊,别出差错!”这感觉就像是在完成一项超级重要的任务。
经过一番努力,终于得出了结果!哇,那种满足感简直爆棚!就好像我们征服了一座小山一样。
这次实验让我深刻地体会到了科学的魅力,它就像一个神秘的宝藏,等着我们去挖掘。
总之,这次实验真的是太棒了!你们也快去试试吧,绝对会让你们大开眼界的!。
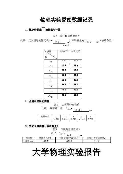
物理实验原始数据记录1、微小伸长量x ∆的测量与计算表1 光杠杆读数数据表仪器: 尺度望远镜标尺∆=尺 0.5 mm, 砝码质量m = 0.1 kg ,(表格单位:mm )2、金属丝直径的测量表2 金属丝的直径d仪器: 螺旋测计计 ∆微器=0.004 mm3、其它长度测量(单次测量)表3 单次测量量数据表 米尺: ∆=米尺大学物理实验报告实验名称拉伸法测金属丝的杨氏模量实验名称: 拉伸法测金属丝的杨氏模量 实验时间:2020.06.08 小组成员:张振勇 实验地点:实验目的:1.学会用拉伸法测金属丝的杨氏模量。
2.掌握用光杠杆法测量微小长度的变化。
3.学会用逐差法处理数据。
仪器、设备和材料:杨氏模量测定仪、光杠杆、尺读望远镜、游标卡尺、螺旋测微计及米尺 实验原理:⑴固体材料的杨氏模量材料力学告诉我们,固体受外力作用时都会发生形变。
外力与形变之间的关系一般情况下是比较复杂的,这里考虑最简单的情况;一根细而长的均匀棒状固体,只受轴向外力的作用,可以认为该物体只产生轴向形变。
设棒状固体的长度为L ,横截面积为S ,轴向力F 作用时,长度伸长量为L ∆,在弹性限度内,应力/F S 和应变/L L ∆成正比(胡克定律),即F L YSL ∆= 式中,比例系数Y 就是固体的杨氏模量。
杨氏模量取决于固体材料本身性质,与所施外力、物体长度、材料截面积的大小无关。
杨氏模量的单位为牛顿每平方米(N/m 2)。
我们对上式整理可以得到//F SY L L =∆ (4-5-1)式(4-5-1)可见,只要测出F 、S 、L 、L ∆,就会得到杨氏模量Y 值。
F 、S 、L 各量可用一般的测量仪器测得,而L ∆通常很小,用一般仪器和方法测量较为困难,本实验采用光杠杆法测量L ∆。
⑵.利用光杠杆法测量微小长度变化量光杠杆由平面全反射镜、主杠支脚和刀口组成,如图4-5-1所示,镜面倾角及主杠尖脚到刀口间距离均可调。
测量微小长度变化量原理如图4-5-2所示。
金属丝杨氏模量的测定实验报告【实验目的】1.学会用拉伸法测量杨氏模量;2.掌握光杠杆法测量微小伸长量的原理;3.学会用逐差法处理实验数据;4.学会不确定度的计算方法,结果的正确表达;【实验仪器】YWC-1杨氏弹性模量测量仪(包括望远镜、测量架、光杠杆、标尺、砝码) 钢卷尺(0-200cm ,0.1 )、游标卡尺(0-150mm,0.02)、螺旋测微器(0-150mm,0.01)【实验原理】在外力作用下,固体所发生的形状变化成为形变。
它可分为弹性形变和塑性形变两种。
本实验中,只研究金属丝弹性形变,为此,应当控制外力的大小,以保证外力去掉后,物体能恢复原状。
最简单的形变是金属丝受到外力后的伸长和缩短。
金属丝长L ,截面积为S ,沿长度方向施力F 后,物体的伸长L ∆,则在金属丝的弹性限度内,有:FS E LL=∆ 我们把E 称为杨氏弹性模量。
如上图:⎪⎪⎭⎪⎪⎬⎫=∆≈=∆ααα2D n tg x L n D x L ∆⋅=∆⇒2 (02n n n -=∆)n x d FLD Ln Dx d FL L S F E ∆⋅=∆=∆=228241ππ 真实测量时放大倍数为4倍,即E=2E【实验内容】<一> 仪器调整1、杨氏弹性模量测定仪底座调节水平;2、平面镜镜面放置与测定仪平面垂直;3、将望远镜放置在平面镜正前方1.5-2.0m 左右位置上;4、粗调望远镜:将镜面中心、标尺零点、望远镜调节等高,望远镜的缺口、准星对准平面镜中心,并能在望远镜外看到尺子的像;5、调节物镜焦距能看到尺子清晰的像,调节目镜焦距能清晰的看到叉丝;6、调节叉丝在标尺cm 2±以内,并使得视差不超过半格。
<二>测量1、 记下无挂物时刻度尺的读数0n ;2、依次挂上100g 的砝码,8次,计下7654321,,,,,,n n n n n n n ;3、依次取下100g 的砝码,8次,计下n 0‘,'7'65'4'3'2'1,,,,,,'n n n n n n n ; 4、用米尺测量出金属丝的长度L (两卡口之间的金属丝)、镜面到尺子的距离D ;5、用游标卡尺测量出光杠杆x 、用螺旋测微器测量出金属丝直径d 。
实验21 用拉伸法测杨氏模量林一仙1 实验目的1)掌握拉伸法测定金属杨氏模量的方法;2)学习用光杠杆放大测量微小长度变化量的方法; 3)学习用作图法处理数据。
2 实验原理相关仪器:杨氏模量仪、光杠杆、尺读望远镜、卡尺、千分尺、砝码。
2.1杨氏模量任何固体在外力使用下都要发生形变,最简单的形变就是物体受外力拉伸(或压缩)时发生的伸长(或缩短)形变。
本实验研究的是棒状物体弹性形变中的伸长形变。
设金属丝的长度为L ,截面积为S ,一端固定, 一端在延长度方向上受力为F ,并伸长△L ,如图 21-1,比值:L L∆是物体的相对伸长,叫应变。
SF是物体单位面积上的作用力,叫应力。
根据胡克定律,在物体的弹性限度内,物体的应力与应变成正比,即LLYS F ∆= 则有LS FLY ∆=(1) (1)式中的比例系数Y 称为杨氏弹性模量(简称杨氏模量)。
实验证明:杨氏模量Y 与外力F 、物体长度L 以及截面积的大小均无关,而只取决定于物体的材料本身的性质。
它是表征固体性质的一个物理量。
根据(1)式,测出等号右边各量,杨氏模量便可求得。
(1)式中的F 、S 、L 三个量都可用一般方法测得。
唯有L ∆是一个微小的变化量,用一般量具难以测准。
本实验采用光杠杆法进行间接测量(具体方法如右图所示)。
2.2光杠杆的放大原理如右图所示,当钢丝的长度发生变化时,光杠杆镜面的竖直度必然要发生改变。
那么改变后的镜面和改变前的镜面必然成有一个角度差,用θ来表示这个角度差。
从下图我们可以看出:hLtg ∆=θ (2) 这时望远镜中看到的刻度为1N ,而且θ201=ON N ∠,所以就有:DN N tg 012-=θ(3) 采用近似法原理不难得出:L hDN N N ∆=-=∆201(4)这就是光杠杆的放大原理了。
将(4)式代入(1)式,并且S=πd 2,即可得下式:Nh d FLD Y ∆∆=π28 这就是本实验所依据的公式。
拉伸法测钢丝杨氏模量实验目的1. 掌握用光杠杆法测量微小量的原理和方法,并用以测定钢丝的杨氏模量;2. 掌握有效数字的读取、运算以及不确定度计算的一般方法.3. 掌握用逐差法处理数据的方法;4. 了解选取合理的实验条件,减小系统误差的重要意义.实验仪器YMC-l 型杨氏模量测定仪,如图所示(包括光杠杆、镜尺装置);量程为3m 或5m 钢卷尺;0-25mm 一级千分尺;分度值0.02mm 游标卡尺;水平仪;lkg 的砝码若干.1.标尺2.锁紧手轮3.俯仰手轮4.调焦手轮5.目镜6.内调焦望远镜7.准星8.钢丝上夹头9.钢丝 10.光杠杆 11.工作平台 12.下夹头 13.砝码 14.砝码盘 15.三角座 16.调整螺丝.实验原理设一粗细均匀的钢丝,长度为L 、横截面积为S ,沿长度方向作用外力F 后,钢丝伸长了ΔL .比值F /S 是钢丝单位横截面积上受到的作用力,称为应力;比值ΔL /L 是钢丝的相对伸长量,称为应变.根据胡克定律,在弹性限度内,钢丝的应力与应变成正比,即F L ES L ∆= 或 //F SE L L=∆ 式中E 称为杨氏模量,单位为N·m -2,在数值上等于产生单位应变的应力.由上式可知,对E 的测量实际上就是对F 、L 、S 、ΔL 的测量.其中F 、L 和S 都容易测量,而钢丝的伸长量ΔL 很小,很难用一般的长度测量仪器直接测量,因此ΔL 的准确测量是本实验的核心问题.本实验采用光杠杆放大法实现对钢丝伸长量ΔL 的间接测量.光杠杆是用光学转换放大的方法来实现微小长度变化的一种装置.它包括杠杆架和反射镜.杠杆架下面有三个支脚,测量时两个前脚放在杨氏模量测定仪的工作平台上,一个后脚放在与钢丝下夹头相连的活动平台上,随着钢丝的伸长(或缩短),活动平台向下(或向上)移动,带动杠杆架以两个前脚的连线为轴转动.设开始时,光杠杆的平面镜竖直,即镜面法线在水平位置,在望远镜中恰能看到标尺刻度s 0.当待测细钢丝受力作用而伸长ΔL 时,光杠杆的后脚下降ΔL ,光杠杆平面镜转过一较小角度θ,法线也转过同一角度θ,反射线转过2θ,此时在望远镜中恰能看到标尺刻度s 1(s 1为标尺某一刻度).由图可知2tan Ld θ∆=,1011tan 2s s s d d θ-∆== 式中,d 2为光杠杆常数(光杠杆后脚尖至前脚尖连线的垂直距离);d 1为光杠杆镜面至标尺的距离. 由于ΔL << d 2,Δs << d 1 ,偏转角度θ很小,所以近似地有θtan ≈θ2d L∆=,θ2tan θ2≈1101d s d s s ∆=-=由此可得 212d L s d ∆=∆ 实验中,外力F 由一定质量的砝码的重力产生,即F =mg ,钢丝横截面积为S =πD 2/4 (D 是钢丝直径),代入可得杨氏模量的计算公式:1228mgLd E D d s=π∆其中2d 1/ d 2为放大倍数,为保证大的放大倍数,实验时应有较大的d 1(一般为2m )和较小的d 2(一般为0.08m 左右). 将待测钢丝直径D 和原长L 、光杠杆镜面至标尺的距离d 1、光杠杆常数d 2、砝码产生的拉力mg 、以及对应的Δs 测出,便可计算出钢丝的杨氏模量E .实验内容1. 用千分尺测量钢丝的直径D ,在不同方位测六次,计算其不确定度;2. 用钢卷尺对钢丝的原长L (从支架上端钢丝上夹头开始到平台夹钢丝的下夹头之间的距离)及平面镜与标尺的距离d 1各测一次;3. 用游标卡尺测量光杠杆常数d 2一次;4. 采用逐个增加砝码和减去砝码的方法测量钢丝的伸长量,用逐差法求Δs 及其不确定度;5. 计算钢丝的杨氏模量E 及其不确定度,表达实验结果.实验步骤1. 杨氏模量测定仪的调整(1) 将待测钢丝固定好,调节杨氏模量仪的底脚螺丝,使两根支柱竖直,工作平台水平,并预加1-2块砝码使钢丝拉直;(2) 将光杠杆的两前脚放在工作平台的沟槽中,后脚放在下夹头的平面上,调整平面镜使镜面铅直.(3) 调节望远镜,使镜筒轴线水平,将其移近至工作平台,调节镜筒高度使其和平面镜等高,调好后将望远镜固定在支架上. 调整到平面镜法线和望远镜轴线等高共轴.(4) 移动望远镜支架距平面镜约2 m 处,调整标尺,使其竖直并与望远镜轴线垂直,且标尺0刻线与轴线等高. (5) 初步寻找标尺的像,从望远镜筒外观察平面镜中是否有标尺或镜筒的像,若没有,则左右移动望远镜、细心调节平面镜倾角,直到在平面镜中看到镜筒或标尺的像.(6) 调节望远镜找标尺的像.先调节目镜,看到清晰的十字叉丝,再调节调焦手轮,左右移动支架或转动方向,直到在望远镜中看到清晰的标尺刻线和十字叉丝.杠杆架反射镜固定平台砝码光杠杆结构图θθ光杠杆望远镜标尺s 0s 1d 1d 2ΔLθθΔs2. 用千分尺在不同方向、位置测量钢丝的直径D ,共测6次,测量前应先记录千分尺的零点读数;3. 用钢卷尺测量镜面到标尺的距离d 1;4. 在砝码钩上放上测量时要加的全部(共加7次)砝码(不包括预加的本底砝码)的一半(3-4块),细心调节平面镜倾角,使望远镜中看到的标尺像在零刻线附近,以保证在轴线附近的范围内测量.4. 去掉刚才所加的砝码,开始测量,记录初始值0s ',逐个增加砝码,记录每一步的读数i s ',再逐个减去砝码,记录每一步同一砝码数对应的读数i s '';5. 测量光杠杆常数d 2.可将光杠杆的三个脚放在数据记录纸上按下三个印,作连接前两脚的连线和后脚到该连线的垂线,用游标卡尺测量这一距离.6. 整理实验数据,交指导老师签字,整理仪器,完成实验.注意事项1. 实验系统调好后,一旦开始正式测量,在实验过程中不能再对系统任一部分进行任何调整,否则,所有数据将重新再测;2. 加减砝码时要轻拿轻放,槽口要相互错开,避免砝码钩晃动,在系统稳定后读数;3. 同一荷重(相同砝码数)下的两个读数要记在一起.增重与减重对应同一荷重下读数的平均值才是对应荷重下的最佳值,它消除了摩擦(圆柱体与圆孔之间的摩擦)与滞后(加减砝码时钢丝伸长与缩短滞后)等引起的系统误差.4. 实验完成后,应将砝码取下,防止钢丝疲劳.数据记录表一 L 、d 1、d 2测量数据表 单位: mm表二 钢丝直径D 的测量数据表千分尺零点读数 =仪ε mm 单位: mm表三 Δs 的测量数据表 单位:mm数据处理1.计算每增加一块砝码(1kg)的钢丝伸长量Δs 的最佳值及不确定度 (1) Δs 的最佳值(用逐差法))(41041s s s -=∆;)(41152s s s -=∆;)(41263s s s -=∆;)(41374s s s -=∆;)(414321s s s s s ∆+∆+∆+∆=∆(2) 计算 的实验标准差: ()Ss ∆= (3) 计算 平均值的实验标准差: ()S s ∆=(4) 标尺的示值极限误差: Δm=0.5mm(5) 合成不确定度:()u s ∆==2.D 的最佳值及不确定度的计算(1) D 的最佳值: ∑==6161i i D D(2) 计算D 的实验标准差: ()S D =(3) 计算 D 平均值的实验标准差: ()S D = (4) 千分尺的的示值极限误差:Δm =0.004mm(5) 计算D 的合成不确定度: ()u D ==3. E 的最佳值的计算和不确定度的计算 (1) E 的最佳值的计算: sd D mgLd E ∆=2218π(2) E 的合成不确定度的计算取u (d 2)=0.02mm ,u (d 1)=5mm , u (L )=5mm ,及2和3中的不确定度得到E S S u D D u L L u d d u d d u E u ⋅⎪⎭⎫⎝⎛∆∆+⎪⎭⎫ ⎝⎛+⎪⎭⎫ ⎝⎛+⎪⎪⎭⎫ ⎝⎛+⎪⎪⎭⎫ ⎝⎛=222222211)()(2)()()()((3) E 的相对不确定度的计算,将实验值与 E 的公认值 E 0=2.05×1011 N ·m -2比较,计算其相对不确定度:()100%EE E E =⨯。
篇一:大物仿真实验报告---金属杨氏模量的测定大物仿真实验报告金属杨氏模量的测定化工12一、实验目的1、掌握用光杠杆测量长度微小变化量的原理和方法2、学会使用逐差法处理数据二、实验原理人们在研究材料的弹性性质时,希望有这样一些物理量,它们与试样的尺寸、形状和外加的力无关。
于是提出了应力F/S(即力与力所作用的面积之比)和应变ΔL/L(即长度或尺寸的变化与原来的长度或尺寸之比)之比的概念。
在胡克定律成立的范围内,应力和应变之比是一个常数,即(1)E被称为材料的杨氏模量,它是表征材料性质的一个物理量,仅与材料的结构、化学成分及其加工制造方法有关。
某种材料发生一定应变所需要的力大,该材料的杨氏模量也就大。
杨氏模量的大小标志了材料的刚性。
通过式(1),在样品截面积S上的作用应力为F,测量引起的相对伸长量ΔL/L,即可计算出材料的杨氏模量E。
因一般伸长量ΔL很小,故常采用光学放大法,将其放大,如用光杠杆测量ΔL。
光杠杆是一个带有可旋转的平面镜的支架,平面镜的镜面与三个足尖决定的平面垂直,其后足即杠杆的支脚与被测物接触,见图1。
当杠杆支脚随被测物上升或下降微小距离ΔL时,镜面法线转过一个θ角,而入射到望远镜的光线转过2θ角,如图2所示。
当θ很小时,(2)式中l为支脚尖到刀口的垂直距离(也叫光杠杆的臂长)。
根据光的反射定律,反射角和入射角相等,故当镜面转动θ角时,反射光线转动2θ角,由图可知(3)式中D为镜面到标尺的距离,b为从望远镜中观察到的标尺移动的距离。
从(2)和(3)两式得到(4)由此得(5)合并(1)和(4)两式得2Y=6)式中2D/l叫做光杠杆的放大倍数。
只要测量出L、D、l和d(一系列的F 与b之后,就可以由式(6)确定金属丝的杨氏模量E。
)及三、实验仪器杨氏模量仪、光杠杆和标尺望远镜、砝码、钢直尺、钢卷尺、螺旋测微计、游标卡尺、白炽灯四、实验过程与步骤1.调节仪器(1)调节放置光杠杆的平台F与望远镜的相对位置,使光杠杆镜面法线与望远镜轴线大体重合。
【最新整理,下载后即可编辑】大学物理仿真实验实验报告姓名:班级:学号:2014年12月10日实验名称:钢丝的杨氏模量测量实验原理任何物体(或材料)在外力作用下都会发生形变。
当形变不超过某一限度时,撤走外力则形变随之消失,为一可逆过程,这种形变称为弹性形变,这一极限称为弹性极限。
超过弹性极限,就会产生永久形变(亦称塑性形变),即撤去外力后形变仍然存在,为不可逆过程。
当外力进一步增大到某一点时,会突然发生很大的形变,该点称为屈服点,在达到屈服点后不久,材料可能发生断裂,在断裂点被拉断。
人们在研究材料的弹性性质时,希望有这样一些物理量,它们与试样的尺寸、形状和外加的力无关。
于是提出了应力F/S(即力与力所作用的面积之比)和应变ΔL/L(即长度或尺寸的变化与原来的长度或尺寸之比)之比的概念。
在胡克定律成立的范围内,应力和应变之比是一个常数,即E=(F/S)/(∆L/L)=FL/S∆L(1)E被称为材料的杨氏模量,它是表征材料性质的一个物理量,仅与材料的结构、化学成分及其加工制造方法有关。
某种材料发生一定应变所需要的力大,该材料的杨氏模量也就大。
杨氏模量的大小标志了材料的刚性。
通过式(1),在样品截面积S上的作用应力为F,测量引起的相对伸长量ΔL/L,即可计算出材料的杨氏模量E。
因一般伸长量ΔL很小,故常采用光学放大法,将其放大,如用光杠杆测量ΔL。
光杠杆是一个带有可旋转的平面镜的支架,平面镜的镜面与三个足尖决定的平面垂直,其后足即杠杆的支脚与被测物接触,见图1。
当杠杆支脚随被测物上升或下降微小距离ΔL时,镜面法线转过一个θ角,而入射到望远镜的光线转过2θ角,如图2所示。
当θ很小时,θ≈tanθ=∆θ/θ(2)式中l为支脚尖到刀口的垂直距离(也叫光杠杆的臂长)。
根据光的反射定律,反射角和入射角相等,故当镜面转动θ角时,反射光线转动2θ角,由图可知tan2θ≈2θ=θ/θ(3)式中D为镜面到标尺的距离,b为从望远镜中观察到的标尺移动的距离。
大学物理实验-拉伸法测钢丝的杨氏模量(已批阅)-CAL-FENGHAI-(2020YEAR-YICAI)_JINGBIAN实验题目:用拉伸法测钢丝的杨氏模量 13+39+33=85实验目的:采用拉伸法测定杨氏模量,掌握利用光杠杆测定微小形变地方法。
在数据处理中,掌握逐差法和作图法两种数据处理的方法实验仪器: 杨氏模量测量仪(包括光杠杆,砝码,望远镜,标尺),米尺,螺旋测微计。
实验原理:在胡克定律成立的范围内,应力F/S 和应变ΔL/L 之比满足 E=(F/S )/(ΔL/L )=FL/(S ΔL )其中E 为一常量,称为杨氏模量,其大小标志了材料的刚性。
根据上式,只要测量出F 、ΔL/L 、S 就可以得到物体的杨氏模量,又因为ΔL 很小,直接测量困难,故采用光杠杆将其放大,从而得到ΔL 。
实验原理图如右图:当θ很小时,l L /tan ∆=≈θθ,其中l 是光杠杆的臂长。
由光的反射定律可以知道,镜面转过θ,反射光线转过2θ,而且有:Db =≈θθ22tan故:)2(D b lL =∆,即是)2(D bl L =∆那么SlbDLFE 2=,最终也就可以用这个表达式来确定杨氏模量E 。
实验内容: 1.调节仪器(1) 调节放置光杠杆的平台F 与望远镜的相对位置,使光杠杆镜面法线与望远镜轴线大体重合。
(2) 调节支架底脚螺丝,确保平台水平,调平台的上下位置,使管制器顶部与平台的上表面共面。
(3) 光杠杆的调节,光杠杆和镜尺组是测量金属丝伸长量ΔL 的关键部件。
光杠杆的镜面(1)和刀口(3)应平行。
使用时刀口放在平台的槽内,支脚放在管制器的槽内,刀口和支脚尖应共面。
(4) 镜尺组的调节,调节望远镜、直尺和光杠杆三者之间的相对位置,使望远镜和反射镜处于同等高度,调节望远镜目镜视度圈(4),使目镜内分划板刻线(叉丝)清晰,用手轮(5)调焦,使标尺像清晰。
2.测量(1) 砝码托的质量为m 0,记录望远镜中标尺的读数r 0作为钢丝的起始长度。
拉伸法测金属丝的杨氏模量实验报告引言:杨氏模量是描述某物质材料在受到拉伸或压缩时,弹性变形程度大小的一个物理量。
在实际应用中,杨氏模量常用于描述金属、合金、非晶态材料等材料的弹性特性。
在本次实验报告中,我们将通过拉伸法测量金属丝的杨氏模量。
实验目的:1. 了解拉伸法测定金属丝杨氏模量的基本原理。
2. 掌握拉伸法测定金属丝杨氏模量的实验方法。
3. 掌握实验数据的处理方法,确定金属丝的杨氏模量。
实验原理:当杆(或丝)在轴向受到拉伸力 F 后,其长度增加ΔL,应变为 E。
定义贯穿力 F、应变 E 和初始长度 L 的比值为一项物理量,称为杨氏模量 Y。
根据杨氏定律可得:$$ Y = \frac {F/A} {\Delta L/L} $$其中 A 为截面面积。
实验步骤:1. 用细钢丝制备试件,长度大于两倍的所需要的长度。
2. 将一个试件端固定,另一端悬挂一重物,使得钢丝呈直线状,测试钢丝的长度L0。
3. 用万能测量仪测试钢丝悬挂重物后的长度 L1。
4. 根据悬挂的重量计算钢丝的拉力 F。
5. 重复以上步骤,重复至少三次,记录不同重量下的拉力及钢丝的长度变化。
6. 计算每个拉力及钢丝长度变化的平均值,并绘制拉力-长度变化曲线。
7. 根据拉力-长度变化曲线计算钢丝杨氏模量 Y。
实验数据及处理:重量(kg)|拉力F(N)|长度变化ΔL(mm)|-|-|-|0.001|0.0098|0.15|0.002|0.0196|0.30|0.003|0.0294|0.45|0.004|0.0392|0.60|0.005|0.0490|0.74|计算钢丝的杨氏模量:平均截面积A = πd^2/4 = π(0.18mm)^2/4 = 2.54×10^(-5)m^2计算平均应变 E 平均长度变化ΔL/L =(0.15mm+0.30mm+0.45mm+0.60mm+0.74mm)/(200mm) = 0.0025E = ΔL/L = 0.0025/5 = 0.0005计算杨氏模量 Y Y = F/A/E =(0.0098N+0.0196N+0.0294N+0.0392N+0.0490N)/(5×2.54×10^(-5)m^2×0.0005) =1.96×10^11 Pa实验结果:经过实验测试,我们得到了金属丝的杨氏模量为 1.96×10^11 Pa。
大学物理仿真实验实验报告姓名:班级:学号:2014年12月10日实验名称:钢丝的杨氏模量测量实验原理任何物体(或材料)在外力作用下都会发生形变。
当形变不超过某一限度时,撤走外力则形变随之消失,为一可逆过程,这种形变称为弹性形变,这一极限称为弹性极限。
超过弹性极限,就会产生永久形变(亦称塑性形变),即撤去外力后形变仍然存在,为不可逆过程。
当外力进一步增大到某一点时,会突然发生很大的形变,该点称为屈服点,在达到屈服点后不久,材料可能发生断裂,在断裂点被拉断。
人们在研究材料的弹性性质时,希望有这样一些物理量,它们与试样的尺寸、形状和外加的力无关。
于是提出了应力F/S(即力与力所作用的面积之比)和应变ΔL/L(即长度或尺寸的变化与原来的长度或尺寸之比)之比的概念。
在胡克定律成立的范围内,应力和应变之比是一个常数,即E=(F/S)/(∆L/L)=FL/S∆L(1)E被称为材料的杨氏模量,它是表征材料性质的一个物理量,仅与材料的结构、化学成分及其加工制造方法有关。
某种材料发生一定应变所需要的力大,该材料的杨氏模量也就大。
杨氏模量的大小标志了材料的刚性。
通过式(1),在样品截面积S上的作用应力为F,测量引起的相对伸长量ΔL/L,即可计算出材料的杨氏模量E。
因一般伸长量ΔL很小,故常采用光学放大法,将其放大,如用光杠杆测量ΔL。
光杠杆是一个带有可旋转的平面镜的支架,平面镜的镜面与三个足尖决定的平面垂直,其后足即杠杆的支脚与被测物接触,见图1。
当杠杆支脚随被测物上升或下降微小距离ΔL时,镜面法线转过一个θ角,而入射到望远镜的光线转过2θ角,如图2所示。
当θ很小时,θ≈tanθ=∆θ/θ(2)式中l为支脚尖到刀口的垂直距离(也叫光杠杆的臂长)。
根据光的反射定律,反射角和入射角相等,故当镜面转动θ角时,反射光线转动2θ角,由图可知tan2θ≈2θ=θ/θ(3)式中D为镜面到标尺的距离,b为从望远镜中观察到的标尺移动的距离。
用拉伸法测定钢丝的杨氏模量將理專验中心一•实验目的实验原理注意事项实验内容数据处理实验目的丄了解杨氏模量的物理概念,掌握其测量原理和方法。
丄学会用光杠杆测量微小伸长量的方法O实验原理一.胡克定律在外力作用下,固体所发生的形状变化称为形变。
形变可分为:弹性形变:外力撤除后,物体能完全恢复原状的形变。
范氏形变:外力较大,撤除后物体不能完全恢复原状,而留下剩余形变。
=1本实验只研究弹性形变。
最简单的弹性形变是棒状物体受外力后的拉长和缩短。
设物体的原长为厶横截面积为S,当在长度方向施加外力耐,其伸长 (或缩短)AL o按照胡克定律,在弹性限度内,物体的协强(F/S)与协变(AL/L)成正比。
二•杨氏模量条形物体(如钢丝)沿纵向的弹性模量叫杨氏模量。
测量杨氏模量的方法有:拉伸法、梁的弯曲法、振动 法、内耗法等等,本实验采用拉伸法测定杨氏模量。
比例系数E == ~~称为杨氏模量。
謎熬楚料性质的一个物理量,仅与材料的结构、化 学成分及其加工制造方法有关。
I=. J <l=. J三•光杠杆装置及放大原理小平面镜泌同直尺、望远镜共同构成光杠杆装置,它可把微小长度变化放大。
说雌线方向水平时,望远镜中看到的直尺上的相应刻度。
①为当钢丝因悬挂重物而下降21乙导致M的法线方向改变么角时,从望远镜中看到的直尺上的相应刻度。
b—平面镜M后一个支点到前两个支点的距离R—镜面到尺面的距离rm 亠小An n. —贝!l 有: -------------------- tg2oc = = -R R因为么角很小,故有:tga =a ;tgla = 2a・& = △</・一山/ b最后得:△乙= ----- A AZ =----------- (/?[—--- )AZ7 ~ b 42yreg)M*2R 2R V 1 07本实验的放大倍数:几十倍,R为1至2米;b为5至8 厘米.由前实验装置分析:厂F・L・FL 2LRF"5*AL"s^(H1-n o)"Z?S^-n o) 又:S = t";F =Mg 令:N = /\n = n i—n Q则:2LRMgb-7rD2N4*MgLR 7i E)2bN1 •调整杨氏弹性模量仪的支架底角螺旋H,使支架铅直(由支架的铅锤或水平气泡来确定),然后加重2千克(不记入作用力F内)将钢丝拉直,测量钢丝长度L。
实验名称:用拉伸法测金属丝的杨氏弹性模量一.实验目的学习用拉伸法测定钢丝的杨氏模量;掌握光杠杆法测量微小变化量的原理;学习用逐差法处理数据。
二.实验原理长为l ,截面积为S 的金属丝,在外力F 的作用下伸长了l ∆,称l l SF Y //∆=为杨氏模量(如图1)。
设钢丝直径为d ,即截面积42/d S π=,则24ld lF Y ∆=π。
伸长量l ∆比较小不易测准,因此,利用光杠杆放大原理,设计装置去测伸长量l ∆(如图2)。
由几何光学的原理可知,n L bn n L b l ∆⋅=-≈∆220)(, nb d FlL Y ∆=∴28π 。
图1 图2三.主要仪器设备杨氏模量测定仪;光杠杆;望远镜及直尺;千分卡;游标卡尺;米尺;待测钢丝;砝码;水准器等。
四.实验步骤1. 调整杨氏模量测定仪 2.测量钢丝直径 3.调整光杠杆光学系统 4.测量钢丝负荷后的伸长量(1) 砝码盘上预加2个砝码。
记录此时望远镜十字叉丝水平线对准标尺的刻度值0n 。
(2) 依次增加1个砝码,记录相应的望远镜读数''',,721n ,n n 。
(3) 再加1个砝码,但不必读数,待稳定后,逐个取下砝码,记录相应的望远镜读数'''''''',,,0167n n ,n n 。
(4) 计算同一负荷下两次标尺读数('i n 和''i n )的平均值2/)('''i i i n n n +=。
(5) 用隔项逐差法计算n ∆。
5. 用钢卷尺单次测量标尺到平面镜距离L 和钢丝长度;用压脚印法单次测量光杠杆后足到两前足尖连线的垂直距离b 。
6.进行数据分析和不确定度评定,报道杨氏模量值。
五.数据记录及处理1.多次测量钢丝直径d表1 用千分卡测量钢丝直径d (仪器误差取0.004mm )测量部位 上中下平均测量方向 纵向横向纵向横向纵向横向)(mm d0.718 0.714 0.705 0.704 0.705 0.711 0.710 )10()(242mm d d i -⨯-.64.16.25.36.25.010.278钢丝直径d 的:A 类不确定度)1(/)(1)()1(1)(22--=--=∑∑n d d nd d n n d u ii A =-⨯=-)16(/10278.040.0024 mmB 类不确定度0023.03004.03)(==∆=d u B mm总不确定度=+=)()()(22d u d u d u B A C 0.0034 mm相对不确定度 ===710.00034.0)()(dd u d u C r 0.48% 测量结果 ⎩⎨⎧=±=%48.0)()004.0710.0(d u mm d r2.单次测量:用米尺单次测量钢丝长l 、平面镜与标尺间距L ,用游标卡尺测量光杠杆长b(都取最小刻度作为仪器误差,单次测量把B 类不确定度当作总不确定度处理)表2 钢丝长l 、平面镜与标尺间距L 、测量光杠杆长b 单位:mm测读值 不确定度相对不确定度l 663.0 0.58 )(l u r 0.087%L 907.5 0.58 )(L u r 0.064% b 75.86 0.012 )(b u r 0.016%(计算方法:不确定度=仪器误差/3)3.光杠杆法测量钢丝微小伸长量砝码重量 (千克力)标尺读数)(cm隔项逐差值)(cm n i ∆加砝码时减砝码时平均2/)('''i i n n +2.00 '0n1.80 ''0n1.88 0n 1.84 4n 0n - 0.753.00 '1n2.01 ''1n2.09 1n2.05 4.00 '2n 2.20 ''2n 2.27 2n 2.23 5n 1n - 0.745.00 '3n 2.38 ''3n2.44 3n 2.41 6.00 '4n 2.56 ''4n 2.61 4n2.59 6n 2n - 0.74 7.00 '5n 2.78 ''5n2.79 5n 2.79 8.00 '6n 2.96 ''6n 2.98 6n 2.97 7n 3n - 0.739.00'7n3.13''7n3.157n3.14所以,在F=4.00千克力作用下,标尺的平均变化量Δn=0.74 cm Δn 的总不确定度 cm n u n u B C 0012.0)()(=∆≈∆Δn 相对不确定度 %16.0)(=∆n u r(注:为了简化不确定度评定,这里我们可以不严格地把B 类不确定度当作总不确定度,并且把标尺最小刻度的1/5当作“仪器误差”,即mm n u 01203020./.)(==∆)4.计算杨氏模量并进行不确定度评定由表1、表2、表3所得数据代入公式nb d FlLY ∆=28π可得钢丝的杨氏模量的: 近真值23233321074.01086.75]10710.0[14.3105.907100.6638.900.488-----⨯⨯⨯⨯⨯⨯⨯⨯⨯⨯⨯⨯=∆=n b d FlL Y π=1110123.2⨯(N/m 2) 相对不确定度 222222)]([)]([)]([)]([)]([)(n u b u d u L u l u Y u r r r r r r ∆++++=222220016.000016.0)0048.02(00064.000087.0++⨯++=%98.0=总不确定度 Y Y u Y u r C ⋅=)()(111021.0⨯=(N/m 2)测量结果⎩⎨⎧=⨯±=%98.0)(/10)21.012.2(211Y u m N Y r知识改变命运。
大学物理实验-拉伸法测钢丝的杨氏模量(已
批阅)
实验题目:用拉伸法测钢丝的杨氏模量 13+39+33=85
实验目的:采用拉伸法测定杨氏模量,掌握利用光杠杆测定微小形变地方法。
在数据处理
中,掌握逐差法和作图法两种数据处理的方法
实验仪器: 杨氏模量测量仪(包括光杠杆,砝码,望远镜,标尺),米尺,螺旋测微计。
实验原理:在胡克定律成立的范围内,应力F/S 和应变ΔL/L 之比满足 E=(F/S )/(ΔL/L )=FL/(S ΔL )
其中E 为一常量,称为杨氏模量,其大小标志了材料的刚性。
根据上式,只要测量出F 、ΔL/L 、S 就可以得到物体的杨氏模量,又因为ΔL 很小,直
接测量困难,故采用光杠杆将其放大,从而得到ΔL 。
实验原理图如右图:
当θ很小时,l L /tan ∆=≈θθ,其中l 是光杠杆的臂
长。
由光的反射定律可以知道,镜面转过θ,反射光
线转过2θ,而且有:
D
b =≈θθ22tan
故:)
2(D b l
L =∆,即是)
2(D bl L =∆
那么Slb
DLF
E 2=
,最终也就可以用这个表达式来确定杨氏模量E 。
实验内容: 1.
调节仪器
(1) 调节放置光杠杆的平台F 与望远镜的相对位置,使光杠杆镜面法线与望远镜轴线大体
重合。
(2) 调节支架底脚螺丝,确保平台水平,调平台的上下位置,使管制器顶部与平台的上表
面共面。
(3) 光杠杆的调节,光杠杆和镜尺组是测量金属丝伸长量ΔL 的关键部件。
光杠杆的镜面
(1)和刀口(3)应平行。
使用时刀口放在平台的槽内,支脚放在管制器的槽内,刀口和支脚尖应共面。
(4) 镜尺组的调节,调节望远镜、直尺和光杠杆三者之间的相对位置,使望远镜和反射镜
处于同等高度,调节望远镜目镜视度圈(4),使目镜内分划板刻线(叉丝)清晰,用手轮(5)调焦,使标尺像清晰。
2.
测量
(1) 砝码托的质量为m 0,记录望远镜中标尺的读数r 0作为钢丝的起始长度。
(2) 在砝码托上逐次加500g 砝码(可加到3500g ),观察每增加500g 时望远镜中标尺上
的读数r i ,然后再将砝码逐次减去,记下对应的读数r ’i ,取两组对应数据的平均值
i r 。
(3) 用米尺测量金属丝的长度L 和平面镜与标尺之间的距离D ,以及光杠杆的臂长l 。
3.
数据处理
(1) 逐差法
用螺旋测微计测金属丝直径d ,上、中、下各测2次,共6次,然后取平均值。
将i r 每隔四项相减,得到相当于每次加2000g 的四次测量数据,如设040r r b -=,151r r b -=,
262r r b -=和373r r b -=并求出平均值和误差。
将测得的各量代入式(5)计算E ,并求出其误差(ΔE/E 和ΔE ),正确表述E 的测量结果。
(2) 作图法
把式(5)改写为
i i i MF SlE DLF r ==)/(2 (6)
其中)/(2SlE DL M =,在一定的实验条件下,M 是一个常量,若以i r 为纵坐标,F i 为横坐标作图应得一直线,其斜率为M 。
由图上得到M 的数据后可由式(7)计算杨氏模量 )/(2SlM DL E = (7) 4.
注意事项
(1) 调整好光杠杆和镜尺组之后,整个实验过程都要防止光杠杆的刀口和望远镜及竖尺的
位置有任何变动,特别在加减砝码时要格外小心,轻放轻取。
(2) 按先粗调后细调的原则,通过望远镜筒上的准星看反射镜,应能看到标尺,然后再细
调望远镜。
调目镜可以看清叉丝,调聚焦旋钮可以看清标尺。
实验数据:
实验中给定的基本数据如下:
一个砝码的质量m=(500±5)g ,Δm=5g ,ΔD=2mm ,ΔL=2mm ,Δl=0.2mm 实验中测量得到的数据如下:
钢丝直径d (六次测量结果): 上部:0.286mm ,0.285mm 中部:0.284mm ,0.285mm 下部:0.286mm ,0.282mm
钢丝原长L=94.10cm ,光杠杆的臂长l=7.20cm ,标尺到平面镜的距离D=126.20cm
表一:增减砝码过程中刻度指示的变化
数据处理:
金属丝直径的平均值0.2860.2850.2840.2850.2860.282
d mm 0.2856
mm +++++=≈
金属丝直径的标准差
mm mm d 0015.01
6)285.0282.0()285.0286.0()285.0285.0()285.0284.0()285.0285.0()285.0286.0(2
22222=--+-+-+-+-+-=
σ
那么它的展伸不确定度为
△B 如何求得?
990.0,005.0)3005.058.2()6
0015.003.4()()(2
222990
.0990.0==⨯+⨯=∆+=P mm mm C k n
t U B P
d
d σ 先考虑逐差法处理刻度:
b 0=r 4-r 0=4.99cm ,b 1=r 5-r 1=5.00cm ,b 2=r 6-r 2=5.07cm ,b 3=r 7-r 3=4.98cm 其平均值cm cm b 01.54
98
.407.500.599.4=+++=
其标准差
cm cm b 041.01
4)01.598.4()01.507.5()01.500.5()01.599.4(2
222=--+-+-+-=σ
那么b 的展伸不确定度为:
△B 如何求得? 不等于0.05
997.0,175.0)305.058.2()4
041.084.5()()(2
222990
.0990.0==⨯+⨯=∆+=P cm cm C k n
t U B P
b
b σ 根据杨氏模量的表达式2
82lbd
DLF
Slb DLF E π==
,那么可以求得
2
72
2
/10024.201.5)0285.0(20.714.38.9210.9420.12688cm N cm
cm cm N cm cm d
b l DLF
E ⨯=⨯⨯⨯⨯⨯⨯⨯=
=
π 那么有最大不确定度
E D L M 2d l b 222020.20.175=++++++++++0.087E D L M d l b 1262.0941.020000.28572.0 5.01
∆∆∆∆∆∆∆⨯0.005== 所以ΔE=0.175×107N/cm 2 最终结果为:
990.0,/10)175.0024.2(27=⨯±=∆±=P cm N E E E
不确定度保留1-2位有效数字
再用图象法处理:
F/N
图一:r-F 图
利用ORIGIN 读出斜率为M=0.25013,那么根据公式计算得
2722/10067.2/25013.02.7)285.0(14.34
1
.9410.12622)/(2cm N cm N SlM DL E ⨯=⨯⨯⨯⨯⨯⨯=
=
逐差法与图像法相对误差:|E E | 2.067 2.024
2.12%E 2.024
--==图像法逐差法逐差法
实验小结:实验过程中最困难的是光学仪器的调整以及在望远镜中找到标尺的像,但是在老师的帮助下,我很快在望远镜中找到了标尺的像,然后比较顺利地完成了实验。
实验中还遇到的一个困难是,在望远镜中标尺的像可能由于采光不足,刻度略显
模糊,但我还是艰难地读取了数据。
从测量所得结果和误差分析结果来看,实验
是比较成功的,两种方法得出结果较为接近,在一定误差范围内测得了钢丝的杨
氏模量。
其中用逐差法和作图法所得到的结果基本一致,可以认为结果是可靠
的。
思考题:
1.利用光杠杆把测微小长度ΔL变成测b,光杠杆的放大率为2D/l,根据此式能否以增加D减小l来提高放大率,这样做有无好处?有无限度?应怎样考虑这个问题?
答:理论上讲,增加D减小l是可以提高放大率的,但是在实际的操作过程中,在大多数情况下,一定的放大率已经能够保证人的观测和实验精确度,况且若增大D,那么在调整仪器过程中找到标尺的像会更加困难,若减小l,那么对l的测量的误差会变得更大,同时,放大率如果过大,刻度变化太大,会造成到砝码加到一定数量后就已经超过标尺量程,实验无法完成。
综合来看,应该使放大率保持在一个合适的数值,过小会造成放大效果不佳,过小会造成实际操作的困难。
标尺量程问题
Ф角度需满足一定的条件赵伟 5.30。