产品标识和可追溯性程序表格格式
- 格式:docx
- 大小:12.17 KB
- 文档页数:8
1.目的:对产品在形成全过程各阶段及其状态进行适当标识,以防止产品混用,保证需要时对产品实现可追溯性要求。
2.适用范围:本程序适用于我司所有产品实现全过程标识与可追溯管理。
3.职责:3.1 生产部:3.1.1 须确保半成品及成品制程中及储存时皆有明确标识,以利掌握制程品质状况。
3.1.2 确保各制程段之品质状况均能被连贯追溯直至前工段。
3.1.3 须确保每一作业人员皆能了解本文件之要求并确实遵循。
3.1.4 确保制程所发现之不合格品被正确标识,以防止误用。
3.1.5 协助异常追溯处理及调查。
3.1.6 执行追溯性数据管理表单的登录填写。
3.1.7 样品张贴样品标识3.2 品质部:3.2.1 确保制程中合格品、不合格品及疑虑品被有效标识、验证。
3.2.2 主导异常追溯处理及调查,以防止不合格品流入生产线或出货。
3.3 仓库部:3.3.1 确保所有的原物料、产品(含半成品、成品)入库时皆有明确标识,必要时可利追溯。
3.3.2 须确保每位仓管人员,均能了解本文件之要求并确实遵循。
3.3.3 确保制程所发现之不合格品及多余物料退回仓库时有正确标识,以防止误用或擅用。
3.3.4 协助异常追溯处理及调查。
3.4 工程部:在设计时考虑产品可追溯性,包括但不限于以下方式:产品上标记模穴号、产品上喷码、镭雕公司代码、委外或外购产品在产品打供应商标识等。
4.定义:4.1批号:一个批号只能标识一天的产品,即当某一产品连续多天生产时,则要求每天的批号必须不同,以便于缩小后续追溯的范围。
4.2标识:分为产品的标识和检验状态的标识。
4.3追溯性:追踪产品在各阶段的制造过程和质量状况。
5.流程图:无6.作业说明:6.1 原则和要求:6.1.1物料/产品标识作业方式应依据生产状态及物料/产品状况予以适当标识。
标识之内容需提供足够信息以追溯物料/产品来源或制程条件,至少应包含。
A:物料标签标识:物料/产品名称,料号,规格,材质/型号,生产或入库日期,材料批号/生产批号,订单号,数量等。
1. 目的:
确定产品的标识方法,建立相应的可追溯性程序,确保不同状态的产品不混淆,并在异常情况下,可对相关产品进行追溯分析。
2. 适用范围:
适用于公司从原物料进仓至最终成品出库交付到客户整个过程的标识控制。
3.职责:
3.1品质管理部
3.1.1负责制定产品检验状态标识的方法,并监督相关执行部门的实施情况。
3.1.2负责不良品和原材料状态的标识。
3.1.3负责成品合格证的制作和发放。
3.2生产部
3.2.1负责张贴产品状态的标识。
3.2.2负责按本程序执行、检验和试验状态标识的作业。
4.定义:(无)
6.0 相关文件
《产品合格证使用操作规范》7.0相关记录
详细见5.0输入输出记录
文件分发部门
文件变更记录。
XXX科技有限公司企业标准程序文件拟制:批准:受控状态:□受控□非受控发放编号:20xx-xx-xx发布 20xx-xx-xx实施XXX科技有限公司发布19、产品标识及可追溯性控制程序序文件编号:IQM19-2017B1 目的为在接收、生产、交付及安装的各阶段以适当方式标识产品和对有可追溯性要求的场合,实现产品的追溯,特制定本程序。
2 范围本程序适用于公司产品实现的全过程的标识和可追溯性控制。
3职责3.1质量组人员:负责对外购来料、产品的检验状态进行标识,并对标识的实施过程进行监督。
3.2 系统事业部/板卡事业部/结构事业部:按文件规定对军品及其它产品实施批次管理,对生产过程中各成品、半成品进行标识。
负责对入库的物料、产品标识清晰的审查,并按物品储存作业及对产品包装进行标识。
3.3各相关部门:负责本部门经手或存放的产品的标识以及对标识的维护管理。
4程序4.1采购产品的标识及追溯4.1.1供方(厂商)来料时,需在物料或包装盒上贴有供方名称、物料名称、物料规格型号、数量等标识。
4.1.2收料员收货时,将物料上的标识与《来料联络单》核对无误后,将物料存放于待检区,并标示为“待检”。
4.1.3检测员检测为合格时,在物料或包装盒上贴上绿色的“IQC合格证”,在合格证上注明品名、编号、检测员、检测日期,将合格品放入检测合格区,并填写《进料检测报告》。
4.1.4若检测员检测为不合格并经最终判定为拒收时,将不合格的物料或包装上盒上贴上红色的“IQC不合格证”,在不合格证上注明品名、编号、检测员、检测日期,并填写《进料检测报告》和《拒收单》交系统事业部/板卡事业部/结构事业部处理。
4.1.5检测员检测为不合格但经最终判定为让步接收时,IQC在该物料或包装盒上贴黄色的“特采标签”,在标签上注明品名、编号、检测员、检测日期,填写《进料检测报告》,并在报告上注明为特采。
4.2在制品的标识及追溯4.2.1首件产品经检验合格后,在实体上贴上“首件检验合格”标识,并作好记录,放置在规定位置。
1.目的规范生产在导入、装配、出货等各阶段的标示要求,确保前工序向后工序提供的产品是唯一正确的产品,同时满足可追溯之要求。
2.适用范围本文件适用于公司所有物料及产品。
3.定义(无)4.职责和权限4.1品控部(主职部门)4.1.1对物料或产品的检测品质状态并进行正确标识;4.1.2满足可追溯性的要求。
4.2仓库4.2.1负责核对及确保库存的物料或成品有正确标识;4.2.2满足可追溯性的要求。
4.3生产部4.3.1负责对生产线上物料或产品进行正确标识;4.3.2满足可追溯性的要求。
4.4销售中心4.4.1负责产品出厂后可追溯资料的收集、建立;4.4.2负责已出货产品整机资料的存档及需要时进行追溯。
5.工作流程图(见附件1)6.工作程序和内容6.1仓库物料标识卡:6.2物料检验状态标识:6.3半成品的标识6.4成品的标识6.5追溯记录6.5.1原材料的追溯记录:(A类物料)1)供货商在交货时需在包装箱或产品上标注产品规格型号、批号、数量等信息,提供出货检验报表;仓库管理员根据收到的实物与《收料通知单/请检单》进行核对,无误后审核《收料通知单/请检单》并组织送检;2)IQC根据《进料检验管理程序》进行检验,根据检验状况,在所检物的包装上后进行标识,检验合格粘贴“合格标签”,不合格粘贴“不合格标签”。
3)仓库管理员根据检验结果,对验合格的物料收料入库,并按不同的批次进行分开摆放管理;不合格的放置在仓库不合格品区,按《不合格品管理程序》处理。
6.5.4成品的追溯记录:1)生产部领料时根据《生产任务单》填写《领料单》到仓库领料,仓库管理员根据《生产任务单》核对《领料单》无误后,按先入先出的原则发料;2)生产部在产品加工过程中把物料批次号填写在《随工单》上,根据成品机身编码规则在《随工单》上编制机身SN编码,并把机身SN编码粘贴在产品指定的位置上,送检时需提供对应的《领料单》和《随工单》供品质检验人员核对,并随同《成品检验报告》一同存档;3)检验人员经核对无误后进行产品检验,并把合格入库的SN号附在《成品检验报告》后面,一份留底存档,一份交物料部办理入库手续;4)仓库管理员根据检验结果对检验合格的成品进行入库作业,按不同的批次进行分开堆放管理;5)发货出库时仓库管理员根据批准的《销售订单》或《产品领用单》,填写《出库单》进行出库作业;发货时注意不要让货物混乱,必须按照单据记录内容一一对应发往指定的用户;6)客户换货、退货、维修时,客服部应核对客户信息和对应的产品SN号是否是与销售《出库单》记录的信息一致,核对无误后根据《不合格品管理程序》办理相关手续;6.6追溯方法1)利用产品机身SN编码追溯到订单号、产品规格、客户、出货数量、出货时间以及《成品检验报告》等信息;2)根据产品机身SN编码可以追查到《随工单》,根据《随工单》可以追溯到生产现况以及产品生产时使用的A类物料的批次号等信息;3)根据物料批次号可以追溯到物料的出入库时间和供应商来料信息及来料检验信息;7.相关文件7.1进料检验管制程序7.2制程检验管制程序7.3成品检验及可靠性试验管理程序7.4不合格品控制程序8.相关记录8.1随工单8.2领料单8.3出库单8.4产品领用单8.5收料通知单/请检单9.附件9.1附件1:产品标识和可追溯性管制工作流程图附件1:产品标识和可追溯性管制工作流程图。
标识和可追溯性控制程序(IATF16949-2016/ISO9001-2015)1.0目的为防止在产品实现过程中产品的混淆和误用,以及实现必要的产品追溯,对产品及其检验状态以及可追溯性要求进行标识和控制,并确保正确使用和管理国家强制性产品认证标志,持续满足国家关于认证标志的相关管理规定,特制定本程序。
2.0适用范围适用于公司产品实现全过程中产品(采购产品、中间产品和成品)的标识和可追溯性控制。
3.0术语及定义3.1 “标识”这里专指与产品有关的标识,分为“产品标识”和“产品检验状态标识”。
a) 产品标识:是用来区别产品的特征、特性及社会属性的,以便识别产品。
它一般采取标志、标记、编号、记录、条形码等方式实现。
b) 产品检验或试验状态标识:是用来表示产品经检验的合格与否的状态,或是否经过检验的状态。
3.2 可追溯性标志:追溯所考虑对象的历史、应用情况或所处场所的能力。
3.3 认证标志:本程序认证标志指“中国强制认证”(英文缩写“CCC”,以下简称“3C”)和节能认证、环境标志认证。
4.0职责4.1 研究院4.1.1 负责编制《汽车零部件永久性标识规定》,确定永久性标识尺寸、位置及标示方式。
4.2 过程质量管理部4.2.1 负责标识和可追溯性控制相关工作的归口管理;4.2.2 负责对生产全过程中除进货检验以外(负责过程和最终检验)的产品检验状态标识作出统一规定及监督实施;4.2.3负责“3C节能、环境标志”认证标志在车辆上的正确粘贴;4.2.4 进货检验的产品检验状态标识见附录1。
4.3 产品技术部4.3.1 负责编制可追溯性要求零部件清单;4.3.2 负责制定已批量生产的汽车产品标识规范;4.3.3 编制有可追溯要求及有批次管理要求的零部件清单;4.3.4 负责接收并组织实施研究院新开发产品有关产品标识规范及可追溯性要求的标准。
4.4 工艺技术部4.4.1 负责“3C、节能、环境标志”等标志的技术要求和粘贴的工艺安排;4.4.2 负责制定可追溯性信息的录入方法。
股份有限公司 QQMS –A版程序文件QG/产品标识和可追溯性控制程序编写日期审核日期批准日期受控状态发放编号年月日发布年月日实施1目的公司对产品的标识进行控制,以防止产品混淆,误用。
确保在需要时对产品质量的形成过程可追溯。
2适用范围本程序适用于本公司采购产品及生产过程中的半成品、成品。
3职责3.1制造部负责产品标识和可追溯性的控制与管理。
3.2科技部负责提出产品标识和可追溯性的控制方法。
3.3采购部负责对采购产品的标识及标识移植。
3.4质量部负责产品的检验和试验状态标识,并对其有效性进行监控。
3.5仓库、车间负责所属区域内产品标识和维护管理,负责产品的分区摆放。
4工作程序4.1采购产品的标识4.1.1采购产品包括原材料、外协件、外构件等。
采购产品进厂后车间负责将其放置于待检区,由采购人员向质量部提出报检并提供相关质量证明,经检验员检验合格后方可办理入库手续。
4.1.2仓库管理员按不同类型的采购产品分别进行标识库存。
4.1.2.1 原材料的标识a)存放于库房的采购产品用挂牌方式标识规格、型号,型材、钢板在醒目位置用油漆注明其型号、规格。
b)所有采购产品应存放于固定货位,以区、排、架、格标识,并在库存卡上注明。
4.1.2.2外协件、外购件用标签标识名称、规格、型号。
4.1.2.3对外协、外购的关键件、重要件按4.5.2.进行标识。
若外协、外购产品有产品铭牌,则可沿用原产品铭牌作为标识。
如各类柴油机、马达等。
4.1.3 检验不合格的采购产品由检验员放置于不合格区域,采购部门按QG/LIFT 04-2008《不合格品控制程序》执行。
4.2 半成品的标识4.2.1 对生产过程的产品(在制品、半成品),生产车间使用“生产卡”进行标识,填写产品代号、零件号、零件名称、批号、生产日期、数量、工号、工序等内容,其每个工序检验状态,可通过“生产卡”上相应的栏目反映出来,必要时,现场放置检验状态标牌进行标识。
标识方法如下:2批第2台年生产生产型号为SQ6.3ZA2.01.014.2.2 加工后的半成品需放置于待检区,或放置待检牌,由检验员进行检验。
标识和可追溯性控制程序(依据GB/T19001-2016 idt ISO9001:2015标准编制)1.0目的保证产品标识摆放明确清楚,以达到识别与可追溯的效果。
适用于本厂生产和生产物资的识别控制与追溯管理。
2.0适用范围原料、过程产品和成品的标识和可追溯性。
3.0职责3.1仓管员负责对所有材料和产品的保存与标识。
3.2采购人员负责对原材料品质追溯。
3.3品质部负责对生产过程半成品、成品标识。
4.0程序4.1原材料标识采购产品有标识,可采用产品本身的标识,如原标识不清或标识不易识别的,仓管员应贴(挂)《物料标识卡》,填写相应的内容。
4.2半成品标识4.2.1检验员对半成品进行检验后,对合格品、不良品及待处理品均应在标识上相应结果。
4.2.2入库半成品应包装好并贴上日期、班次、负责人、品名、检验状态等标识。
4.3.成品鉴别和标识4.3.1成品的标识用标签进行标识,产品状态的标识分为“合格”、“不合格”、“待检”,各部门负责所属区域内各类标识的维护。
4.3.2不合格品与合格品要标识清楚,以防不合格品流入客户。
4.4在生产过程如遇到标识不清时,应报告品质部,组织人员分清后,再进行标识。
在采购、搬运、生产过程,各岗位应注意保护产品标识。
4.5产品的可追溯性4.5.1产品批号的规定,一般以订单号和生产日期为准。
如2018年8月1日生产178订单产品,即标识订单号:178生产日期:2018-08-01以便于产品后期追溯。
4.5.2可根据产品的《产品生产过程记录》,各部门《领料单》《入库单》、《销售出库单》等来进行追溯。
5.0相关文件5.1《文件控制程序》5.2《品质部管理制度》5.3《仓库管理制度》6.0记录表格6.1《产品标签》〈生产过程记录表格〉(仅供生产部门参考,可结合实际需要张贴标识)产品标签汇编.doc6.2《制造通知单》制造通知单.doc6.3《领料单》领料单 (3).doc。
产品标识与可追溯性管理程序(IATF16949-2016/ISO9001-2015)1.0目的建立和实行产品标识和记录制度,根据标识或记录对产品进行追溯,为分析产品质量和采取纠正措施提供依据。
2.0适用范围本程序适用于所有在公司范围内的原材料、半成品和成品的标识。
3.0职责3.1.生产部负责在线产品的标识方法,负责生产过程中原材料、半成品、成品状态的标识。
3.2.品质部负责检验和试验状态的标识。
3.3.仓管部负责库存品的标识4.0程序内容4.1.产品标识4.1.1.来料标识:由供方在外包装上用标签进行标识。
4.1.2.原材料存贮时标识。
4.1.2.1.原材料来料时,由IQC标明检验状态,原材料检验完成后在包装箱贴上检验标识,并注明该原材料的品名、数量、供应商及检验结果,参照《进料检验管理程序》。
4.1.2.2.原材料入库时由仓管员根据品质部检验结果标识状态办理,且在《物料标识卡》记录原材料的入库时间、品名、数量。
4.1.3.成品标识4.1.3.1.单一产品标识:在成品的指定位置贴上该成品的成品条码、QC Passed 标签,成品条码按照《产品条码编码规范》执行。
4.1.3.2.外箱标识:在外箱的指定位置贴上标签,注明产品的型号、生产日期、客户名、检验结果、检验日期、生产批号等。
4.1.4.执行状态标识。
4.1.4.1.生产状态标识为:待处理品、完成品和不良品等,生产中根据各工序的不同情况进行标识。
4.1.4.2.检验状态标识参见《成品检验管理程序》将检验情况进行标识。
4.1.4.3.具有相对独立性的各作业段半成品用“产品流程卡”作为标识,从流程卡上可追溯到生产线别,机型等特性。
4.1.4.3.1.产品流程卡标识4.1.4.3.2.作业员每天将其所用流程卡流水号记录于《条码记录表》上。
4.1.5.不良品标识:用红色的标签标识和带红色标识的防静电周转箱进行隔离,具体参照《不合格品管理程序》。
4.1.6.区域标识:现场区域采用挂牌、斑马线等方法进行标识。
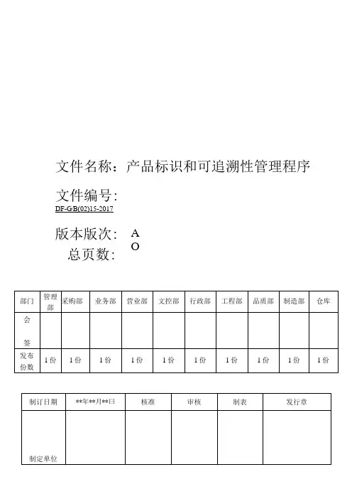
文件名称:产品标识和可追溯性管理程序文件编号:DF-G∕B(02)15-2017总页数:版本版次: AOL目的防止不同类别、不同检验状态的产品混用和误用。
当有规定时,实现产品的可追溯性。
2.范围适用于物料、半成品和成品的产品标识及检验状态标识。
3、定义3.1所有生产物料/在制品、半成品、成品,在此都被定为【产品】。
3.2于公司内各个场所放置之产品,依其本身品质状况、产出日期等,加上适当标识称之为“状态标识”,状态标识可分为:3.2.1进料检验/过程检验/成品检验/出货检验产品合格时,使用绿色、灰色或印有‘检'字的白色塑料箱。
3.2.2进料检验/过程检验/成品检验/出货检验时产品不合格时,使用红色塑料箱。
3.2.3进料检验/过程检验/成品检验/出货检验产品待检时,使用印有‘生’字的白色塑料箱。
3.3于公司内各个场所放置之产品,依其本身品质、类别、规格,放置于适当地线区域内的称之“区域标识”,区域标识可分为:3.3.1合格品区一划线圈定区域,将合格产品放于内,产品包装物上摆放合格品标识。
3.3.2不合格品区一划线圈定区域,将不合格品放于内,产品包装物上摆放不合格品标识。
3.3.3待检区一划线圈定区域,当设备发生故障时,将待检产品或可疑产品放于内,产品包装物摆放品名标识。
3.4品名标识:即将产品的名称/数量/批次/生产单位等信息写在标识卡上,摆放在产品的包装物上。
4.职责3.1生产部负责执行本程序(所有标识的编制、修订和有效性监督等)。
3.2检验人员负责检验状态标签或印章的使用,负责产品或半成品、成品检验状态的标识。
当产品出现质量问题时组织对其进行追溯。
操作者负责自己生产的产品名称、规格、生产者的标识。
5.95.10货物料标识5.10.1料进厂,库管员负责将其放置于检验员指定区域,并填写《物资入厂检验申请单》。
5.10.2检验合格的物料,由检验员填写《入厂检验报告单》,库管员根据物料名称、规格、数量等内容办理入库手续,并将该批物料置于相应合格品区域。
文件制修订记录1.0目的对产品、物料、标识等进行适当的控制,以防止不同类别、规格、批次、状态的产品、物料混淆、误用,并实现可追溯性。
2.0范围适用于本公司从原辅料、过程产品、半成品、成品、包材全过程中的标识控制。
3.0职责3.1生产管理部负责过程产品、半成品、成品的标识管理。
3.2供应链部负责采购、仓储、产品运输环节原辅料、包材、成品的标识管理。
3.3生产车间的操作人员负责生产加工过程中的原辅料、半成品、成品、包材的标识。
3.4质量管理部负责标识的监督管理。
4.0控制程序4.1标识的分类a)产品标识;b)状态(包括待检、合格、不合格)标识。
各类产品标识包括产品本身标识和检验与试验状态标识。
4.2标识的原则a)对每批产品皆需有唯一性标识;b)对不同状态的产品必须标识。
4.3产品标识4.3.1原辅料标识原辅料入厂后,由库管员根据《物料验收入库管理制度》和《批号与生产日期管理规程》《物料编码管理规程》进行验收和标识。
标识包括品名、批号、数量、入库日期等内容。
4.3.2过程产品、半成品标识4.3.2.1车间操作人员根据《批号与生产日期管理规程》《物料编码管理规程》进行过程产品的标识,标识包括品名、批号、数量、生产日期、操作人等内容。
4.3.2.2从原材料领出到产品入库采用可追溯性批号标识。
a)车间领料应由管理人员填写“领料单”,并在单据上写清原辅料名称、生产批号、请领数量。
领料人持“领料单”到库房领料,库管员核对“领料单”无误后发料,并在“领料单”写清实发原辅料名称、数量。
领、发料人在“领料单”上签名。
库管员在库房台帐上登记。
b)领料人把“领料单”同原料一起交生产岗位。
生产岗位依据“领料单”上原料名称、批号填写“批生产原始记录”及“岗位操作记录”。
“批生产记录”上应写明名称、生产批号、生产日期、数量、操作人、复核人(对某些需变更或合并的物料则要求合并人详细记录)等内容。
c)操作工按工艺要求达到产品质量要求时出料,并在周转容器上粘贴标识。
标识和可追溯性控制程序(IATF16949-2016/ISO9001-2015)1.0目的为防止在产品实现过程中产品的混淆和误用,以及实现必要的产品追溯,对产品及其检验状态以及可追溯性要求进行标识和控制,并确保正确使用和管理国家强制性产品认证标志,持续满足国家关于认证标志的相关管理规定,特制定本程序。
2.0适用范围适用于公司产品实现全过程中产品(采购产品、中间产品和成品)的标识和可追溯性控制。
3.0术语及定义3.1 “标识”这里专指与产品有关的标识,分为“产品标识”和“产品检验状态标识”。
a) 产品标识:是用来区别产品的特征、特性及社会属性的,以便识别产品。
它一般采取标志、标记、编号、记录、条形码等方式实现。
b) 产品检验或试验状态标识:是用来表示产品经检验的合格与否的状态,或是否经过检验的状态。
3.2 可追溯性标志:追溯所考虑对象的历史、应用情况或所处场所的能力。
3.3 认证标志:本程序认证标志指“中国强制认证”(英文缩写“CCC”,以下简称“3C”)和节能认证、环境标志认证。
4.0职责4.1 研究院4.1.1 负责编制《汽车零部件永久性标识规定》,确定永久性标识尺寸、位置及标示方式。
4.2 过程质量管理部4.2.1 负责标识和可追溯性控制相关工作的归口管理;4.2.2 负责对生产全过程中除进货检验以外(负责过程和最终检验)的产品检验状态标识作出统一规定及监督实施;4.2.3负责“3C节能、环境标志”认证标志在车辆上的正确粘贴;4.2.4 进货检验的产品检验状态标识见附录1。
4.3 产品技术部4.3.1 负责编制可追溯性要求零部件清单;4.3.2 负责制定已批量生产的汽车产品标识规范;4.3.3 编制有可追溯要求及有批次管理要求的零部件清单;4.3.4 负责接收并组织实施研究院新开发产品有关产品标识规范及可追溯性要求的标准。
4.4 工艺技术部4.4.1 负责“3C、节能、环境标志”等标志的技术要求和粘贴的工艺安排;4.4.2 负责制定可追溯性信息的录入方法。
一何为表示和可追溯性?标识是指对某一个事物使用文字、图案、符号等方式加以注明该事物的名称、数量、所处状态等。
可追溯性指对一项产品从其原材料选择到交货的过程进行追踪的能力。
换句话说就是可以查到已经生产或者已经出了货的产品具体工序是谁做的,所用材料有无问题,生产日期和出厂日期等等基础信息。
二为什么需要标识和可追溯性?首先我们来举几个列子:1 37 环旧版彩卡和新版彩卡因无明确标识,操作员将需要打旧卡的货物打了新卡,导致新卡欠数3000 张;2 员工将不良品分类后,退料员因不良品没有标识而将多种不良品混放,导致料件到仓库后仓管员拒收;3 我们车间有2 个24 格的工具柜,存放了许多种类的生产用条码,假如没有进行标识,谁能在最快的时间找到对应的条码?同样,当工具柜上标明是大封口机,而我们打开却见到的是电批时,请问你下一个会打开哪一个柜子去寻觅大封口机呢?4 一个最贴近生活的列子,假如你在逛街的时候需要上洗手间,而整座商场虽然有大量的洗手间但都无标识指引时,请问你怎么办?5 A8042 -2 单大树漏夹子事件总共有9 人被处罚,但人人都会觉得被冤枉,同时也没有任何一个人敢理直气壮的说我做的绝对没有问题;在生产工作中还有许多的实列可以证明没有完善的标识可能引起诸多的管理问题和质量问题,换句话说就是生产工作中我们需要做好日常的标识工作,有了标识等基础信息,产品自然就有了可追溯性。
产品的可追溯性有以下几个优点:1 在生产过程中一旦发现来料不合格,就可以根据批次信息将同批次的隔离, 包括用了的(成品和半成品)和还没实用的(零部件),等对其全部确认了之后才可以解除其隔离状态;例如:A8042-2 单夹子生锈由于此质量问题不属于操作问题,应该从来料信息开始追溯,核查领料单证实此批大树夹子是兴达供货,领出时间是5 月5 、6 、9 、16 日。
然后采取措施对当时所送回的夹子抽样测试,不合格的整批退回。
2 当下工序操作自检发现上工序操作有质量问题时,可及时反映到上工序的操作员,再结合上工序操作时的质量要求、机台状况、检验报告等来分析质量问题的成因,以便快速、准确地解决质量问题,同时还可针对问题采取有效的防再发措施;例如:当包装发现37 环产品有接近10%的产品打到PVC 条。
编写: _______________________ 审核: _____________________________ 批准: ______________________日期: _______________________ 日期: _____________________________ 日期: ______________________1.目的明确规范本公司产品的标识,以及当有追溯需要时,如何执行追溯的方式。
2.范围适用于从原材料进厂到成品出货整个产供销过程的产品标识和可追溯性作业。
3.定义:无4.职责4.1.标识:各部门42追溯:品管部4.3.检验状态标识:品管部、生产部5.内容5.1.流程图5.2.进货物料标识:5.2.1.物料进厂时,仓管员负责将其放置于待检区或标识待检,于本身未做产品标识或标识不清的物料,需用标签注明物品名称、编号、规格、数量、进货日期等(明显一眼即可辨认的可以不用予以标识,有可能造成工作人员无法辨认的须加以标识)。
5.2.2.由仓管员检查是否有贴标签,看是否有品名、规格等标识,若当时的进货无标识,仓管员应用物料卡进行标识,以避免误用。
5.2.3.经品管部检验合格的物料,可办理入库。
置于合格区,需要时仓管员在物料卡上标明物品的数量、进仓时间等信息,并贴于合格物料上。
5.2.4.检验不合格的物料保持原有产品标识,放置于不合格品区或贴上不合格标签后,按《不合格品控制程序》办理。
5.3.生产过程中的标识:5.3.1.生产过程中的半成品、成品及其各工序的检验状态,在填写生产记录和各项检验、试验记录的相应栏目中反映。
5.3.2.破碎料的标识:由破碎人员在塑料片上写明破碎料成分、来源、破碎时间,放在破碎料上面。
533.对于生产过程中的合格品、废品应划分专门区域存放,并作明确标识,不得混用。
标识应注明品名数量、生产单位、生产日期、订单号码等。
5.3.4.对于合格品,需放置于合格区,或由品管员标识合格后,方可办理入库手续。
产品识别和可追溯性程序(ISO9001-2015)1、目的确保原物料进料、制程半成品及成品完工、成品入库及出货易于标识其作业加工状况与品质状态,使产品皆有可追溯性。
2、范围原物料进料制程半成品及成品、入库、出货至售后服务各阶段的产品识别与追溯。
3、权责3.1制造单位3.1.1负责原材料、零件、半成品及成品在制程中及储存时有明确制品标识,以利掌握制程品质状况。
3.1.1负责制程所发现之不合格品及异常品、机器设备,治具的正确标识,防止误用。
3.1.3执行异常追溯处理。
3.1品保单位3.1.1负责监督相关标识的执行3.1.1主导制程中异常追溯处理及调查,以防止不合格品流入后工段或出货给客户。
3.1.3确保制程合格品、不合格品及嫌疑品被有效标识、验证。
3.3仓库单位3.3.1负责所有入库材料、成品、半成品的标识区隔。
3.3.1负责制程多余物料退回仓库后正确标识,以防止误用。
3.3.3协助异常追溯处理及调查。
4、定义4.1状态标识:用以表明产品/机器设备等所处状态特性的标识。
本办法规定主要标示产品所处的待检、合格、不合格等检验状态及机台、夹具等使用与完好,暂停使用等状态。
4.1产品标识:用以说明产品特性的标识。
本办法规定主要标示产品之名称、数量、生产日期、检验状态,批号等。
4.3可追溯性:根据记载的标识,追踪实体的历史、应用情况和所处场所的能力。
5、作业程序5.1流程说明5.1.1交货/收货供应商交货时须由送货单,且与采购单相符,所交货之包装处需贴标签,应标示有品名、规格、料号、数量、日期、重量、批号等。
仓库人员点收无误后打印《外购入库单》交给IQC,由IQC检验人员实施检验。
5.1.2IQC检验IQC检验人员根据《进料检验作业办法》和SIP中相关规定检验供方提供的产品。
5.1.3来料/产品标识物料入库时,仓管人员检查产品标识及状态标识的完整性、合理性。
根据检验状态标识在库房分区存放产品,并根据《进料搬运、包装、储存、保护程序》对产品标识及状态标识进行妥善保管。
1、目的1.1制定本程序文件,旨在建立产品在各运作地方的明示性及可追溯性。
2、概述2.1产品编号系统(Part Number. Madle No.)用作产品(包括物料及成品)的识别明示。
2.2批次编号系统(DATE CODE或C/NO)用作产品(只适用于成品)的可追溯性。
3、职责3.1工程部负责人负责根据客户提供之产品的编号列入编号系统。
3.2 QA部负责制定批次编号系统。
3.3生产部负责人负责保证材料、生产中及检查阶段产品的明示。
3.4 PC负责人负责采购过程中采用正确编号系统,仓库负责人保证仓内所有物料得到正确明示。
3.5 工程部负责人负责制定[元件分类标准]以使全公司之物料编号统一化。
4、程序4.1物料编号系统(Part Number)4.1.1 工程部在决定采用该物料之前,必须制定该物料的编号,并能符合公司[元件分类标准]编号要求,并保证其独一无二(COP6.1)(包装材料PART NO.由HK市场部制定)。
4.1.2 被登记后的物料,才可纳入任何的物料清单内,只有被工程部确认的物料清单内的物料,才可采购。
4.1.3 原则上,物料的编号在以下文件内,必须保持一致:BOM 标准文件(图纸、规格) P/O 物料包装上仓存记录4.1.4公司内任何地方的物料必须有编号明示。
4.2 成品编号系统(产品编号)4.2.1成品编号基本上由客户制定,其格式为每个客户都不同。
工程部接到产品时须检讨其编号的独特性,若有问题须通知客户更正。
4.2.2原则上,成品的编号须于下列文件中,保持一致:客户P/O 生产计划 BOM 工程流程出仓单(给客户)成品包装或明示牌上工作指导类文件的成品编号,若对于同类系列产品,只需注明其中一种型号即可,同类系列产品编号见[同类系列产品型号编号说明]。
4.3产品的可追溯性(只适用于成品)。
4.3.1 独立的批次编号(DATE CODE或C/NO)于下列文件中,保持一致,确保产品的可追溯性:成品包装或明示牌上 FQC终检报告5记录及表格无。