美卓METSO球阀
- 格式:doc
- 大小:108.50 KB
- 文档页数:10
进入参数设置界面方法
1.按下不松开,再按即可进入主菜单界面(首先显示的是“MODE”);
2.按显示“PAR”,这是参数设置的主菜单名称;
3.按开始进行参数的查看与设置等调试工作。
使用方法
1.当某一参数出现在屏幕上时,稍微用力按下,下面一行可选参数开始闪烁,这时进入编辑状态;
2.用、来进行选择;
3.用来确认操作,同时退出编辑状态。
校验
检验仅工作在AUTO模式下。
进入校验界面方法
1.按下不松开,再按即可进入主菜单界面(首先显示的是“MODE”);
2.按一次或者按两次即显示“CAL”,这是校验菜单;
3.按开始进行调试。
“AUTO CAL”是自动校验;
“MAN CAL”是手动校验;
“TUNE”表示自诊断功能;
“CAL run”表示正在进行校验。
使用方法
1.按下,用、选择“AUTO CAL”或“MAN CAL”或“TUNE”(使用自诊断功能并准备开始校验);
2.前两种情况下,需要进一步选择是否使用自诊断功能;
3.校验自动结束,按返回主菜单“CAL”。
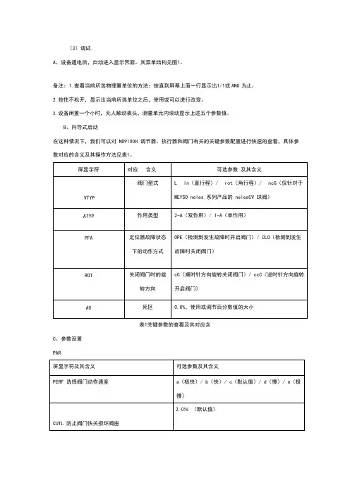
(3)调试A、设备通电后,自动进入显示界面。
其菜单结构见图1。
备注:1.查看当前所选物理量单位的方法:按直到屏幕上面一行显示出1/1或ANG 为止。
2.按住不松开,显示出当前所选单位之后,使用或可以进行改变。
3.设备闲置一个小时,无人触动表头,测量单元内滚动显示上述五个参数值。
B、向导式启动在这种情况下,我们可以对 ND9100H 调节器、执行器和阀门有关的关键参数配置进行快速的查看,具体参数对应的含义及其操作方法见表1。
表1关键参数的查看及其对应含C、参数设置PAR进入参数设置界面方法1.按下不松开,再按即可进入主菜单界面(首先显示的是“MODE”);2.按显示“PAR”,这是参数设置的主菜单名称;3.按开始进行参数的查看与设置等调试工作。
使用方法1.当某一参数出现在屏幕上时,稍微用力按下,下面一行可选参数开始闪烁,这时进入编辑状态;2.用、来进行选择;3.用来确认操作,同时退出编辑状态。
校验检验仅工作在 AUTO 模式下。
进入校验界面方法1.按下不松开,再按即可进入主菜单界面(首先显示的是“MODE”);2.按一次或者按两次即显示“CAL”,这是校验菜单;3.按开始进行调试。
“AUTO CAL”是自动校验;“MAN CAL”是手动校验;“TUNE”表示自诊断功能;“CAL run”表示正在进行校验。
使用方法1.按下,用、选择“AUTO CAL”或“MAN CAL” 或“TUNE”(使用自诊断功能并准备开始校验);2.前两种情况下,需要进一步选择是否使用自诊断功能;3.校验自动结束,按返回主菜单“CAL”。
St l美卓公司Stonel限位开关About StoneLStoneL 是阀门行业公认的三大限位开关品牌之St L一,另外两个品牌为Westlock, Top-Worx.© Metso2Neles Quartz系列–QX2VK02HDNQX2GK02HDN•适用于所有角行程执行机构•适用于绝大部分危险区域-Class I & II Div. 1 and 2 (Includes Group B(palways)-EEx d IIC Zone 1 and 2•多种电气选项-2, 4 or 6 Switches-Mechanical, Reed Proximity or Solid State-Position Transmitter (4 to 20mA with or withoutP iti T itt(4t20A ith ith tswitches)•多个电缆接口可选•铸铝外壳•寿命长© MetsoQUARTZ 特点•铸铝外壳•快速设定凸轮牢固且方便•聚氨酯阳极处理的铸铝防腐蚀反馈杆上部和下部均有型密封圈•O•最多可提供三个电缆口•接线端子标示清楚•所有内部紧固件均为不锈钢材质© MetsoQUARTZ Electrical Options SPDT p•机械开关-Silver Contacts for 120 VAC in SPDT or DPDT Gold Contacts for 24VDC in SPDTDPDT -Gold Contacts for 24 VDC in SPDT •磁接近开关-SPDT for 120VAC or Special 24VDCMechanical Switches SPDT for 120 VAC or Special 24 VDC -SPST for 120 VAC or 24 VDC-Available with or without LEDsSPDT •固化模块-SST Switches-Namur Sensors-Maxx-Guard Reed Switches SPST Communication•位置传感器-2-Wire 4 to 20mAWith or Without Switches-With or Without Switches Dual ModulePosition Transmitter © Metso5Neles Eclipse系列----EN44A02DN •紧凑设计•固化模块,寿命长• E ex ia II CT5•提供Namur (VDI/VDE 3845连接方式)Namur(VDI/VDE3845•超长寿命© MetsoEclipse Features•Red&Green LED’s Clearly Display Red & Green LED s Clearly DisplaySwitch Status•Adjustable Triggering Drum with Bold Visual IndicatorVisual Indicator•Sensors and Electronics are Fully Sealed to Keep out Moisture•Internal Terminal Block for Connecting Solenoid (EN)•Durable and Corrosion Resistant Durable and Corrosion Resistant Lexan Polycarbonate Housing•2 Conduit Entries Standard (EN)© MetsoEclipse Features •Removable Dual Module Allows for Easy Removable Dual Module Allows for EasyAccess to Terminal Strip and Field Replacement•Clear Hinged Cover Enables Quick Access and Viewing of Internal Wiring© MetsoEclipse 开关•Solid State Switches-2 SST Sensors for 120 VAC or 24 VDC2 Namur Sensors for I.S. (DIN 19234)-2Namur Sensors for I S(DIN19234)•Communication Options-AS-Interface-DeviceNet-Modbus-Foundation Fieldbus© MetsoNeles Hawkeye 系列•适用于所有的单点位置探测:-闸阀-刀闸阀-角行程阀门阀杆-风门•Approved for Hazardous (Div 2) and Corrosive Environments•适用于所有金属,包括不锈钢•开和关位置相互无干扰© MetsoHawkeye Features•Lexan Sensing Head Triggers on any Metal •316Stainless Steel Housing is Rugged and Corrosion 316 Stainless Steel Housing is Rugged and CorrosionProof•Solid State Electronics &Sensing Head are Sealed in Solid State Electronics & Sensing Head are Sealed inPotting for Long Life and Corrosion ProtectionLED indication &Coordinated Tip Visually Identify Switch •LED indication & Coordinated Tip Visually Identify SwitchStatusFM/CSA d f Cl 1Di i i 2A li ti •FM/CSA approved for Class 1 Division 2 Applications•Select from Conduit or Quick Connector Options•Use in Both AC and DC Circuits (Operates Same as SPST Switch)© MetsoDATE 11其它----Axiom系列•电磁阀、限位开关集成在一起----总线型限位开关•AS-I•DeviceNet•FF•Modbus更多信息及技术参数见样本。
Metso-neles NDX 系列智能阀门定位器原理和应用李宝华摘要:metso (美卓)旗下的neles (耐莱斯)在阀门定位器领域有着超过五十年的研发和生产经验,智能阀门定位器高端产品方面已有ND9000系列和ND7000系列,而技术研发始终以市场需求为导向,根据工业领域各应用客户的需求和建议来推动新品研发,美卓于2016年新推出一款NDX 系列智能阀门定位器,主要针对应用HART 通信的一般用户,适用于各个工业领域的单作用气动执行机构/控制阀,为不同用户提供通用的解决方案和设备智能管理的技术支持。
关键词:NDX ;智能阀门定位器;原理;结构;应用引言metso (美卓)旗下的neles (耐莱斯)在阀门定位器领域有着超过五十年的研发和生产经验,参见图1,从1961年生产第一台NP 系列气动阀门定位器开始,又先后推出NE 系列电气阀门定位器和ND800系列智能阀门定位器,之后在ND800基础上研发新一代智能阀门定位器,2003年发布ND9000系列智能阀门定位器,2010年推出增强的故障诊断、在线诊断以及具有鲁棒性、控制性能改善的ND9000系列新版本,随后在2013年推出ND9000固件简化后的ND7000系列智能阀门定位器,ND9000系列和ND7000系列均属智能阀门定位器高端产品,得到市场广泛认可。
美卓的技术研发始终以市场需求为导向,根据工业领域各应用客户的需求和建议来推动新品研发,于2016年新推出一款NDX 系列智能阀门定位器,主要针对应用HART 通信的一般用户,具有超群的性能、独特的增强版诊断、高可靠性和高可用性,适用于各个工业领域的单作用气动执行机构/控制阀,易于安装和组态,可为不同应用提供通用的解决方案、可靠服务和设备智能资产管理的技术支持。
NDX 系列与ND9000/7000系列形成产品层级搭配,有利于多品种差异化选择对比营销。
NDX 系列智能阀门定位器图1 metso-neles 阀门定位器的发展历程图2 metso-neles NDX 系列智能阀门定位器NDX系列智能阀门定位器参见图2,结构分解图参见图3。
ITT flygt飞力泵ITT goulds泵ITT Lowara罗瓦拉泵ITT Bell & Gossett泵ITT Robot罗伯特泵SEEPEX西派克泵ALLDOS安度实泵Silverson高剪切混合器Ebara荏原泵Grundfos格兰富泵弗尔德VERDER 泵ABEL 泵易威奇iwaki(イワキ) 泵GSD川源泵WANNER万纳尔Hydra-cell多柱塞高压隔膜泵DAB德宝泵WILO威乐泵CALPEDA科沛达泵CAT高压泵ESPA亚士霸泵TSURUMI鹤见泵walrus华乐士泵Wilden威尔顿泵ARO英格索兰泵Ingersoll-Rand 英格索兰空气压缩机Giant巨人泵胜达因MASO SINE泵米顿罗milton roy泵胜达因sundyne 泵普罗名特Prominent泵seko计量泵普旭BUSCH真空泵固瑞克Graco HUSKY气动隔膜泵马拉松Marathon气动隔膜泵马拉松Marathon气动隔膜泵胜佰德Sandpiper泵日机装NIKKISO 泵德国Lutz插桶泵斯坦德STANDARD桶泵博格BORGER凸轮泵威马Versa-Matic气动隔膜泵阿法拉伐Toftejorg BLABO罐清洗系统帕斯菲达Pulsafeeder计量泵威肯Viking齿轮泵华伦力Warren Rupp气动隔膜泵Johnson凸轮泵可肯Corken滑片泵, 压缩机Bladgon气动隔膜泵LC流量计Magnus齿轮泵Wright圆周柱塞泵BLOVAC ClEANER气动真空吸尘器莫依诺MOYNO泵和顺hoelschertechnic粉碎机LITTLE-GIANT小巨人泵lewa里瓦泵OBL计量泵Masoneilan梅索尼兰调节阀Burkert宝帝阀Nash纳士真空泵压缩机里其乐托玛斯Rietschle Thomas smith-blair管路连接系统瓦诺Vano泵爱德华EDWARDS 泵莱克勒Lechler喷嘴ALCO 阀门SPECK泵CASHCO阀SOR索尔压力开关HOKE仪表阀门及管件Orbit球阀TESCOM阀门AUTOCLAVE阀门Apollo球阀Circle Seal Controls阀O'BRIEN伴热管线CIRCOR阀门COOPER CAMERON VALVES(CCV)阀门Goodwin双板止回阀GRAYLOC管道系统装置贝克BECKER真空泵费亚泰克Friatec阀门泵FELUWA软管隔膜柱塞泵CCI THERMAL西西阿尔电加热费戈斯ferguson泵Bornemann鲍诺曼泵福力德Fluid-o-Tech泵磨锐ensival-moret泵NETZSCH耐驰NEMO奈莫螺杆泵凯士比KSB泵阀福斯flowserve泵阀Richter磁力泵ROTAN内啮合齿轮泵泵泰克尼姆tecnium泵艾格尔argal化工泵DOSEURO道茨计量泵Sulzer苏尔寿工业泵SAVINO BARBERA泵埃理奥特ELLIOTT压缩机威顿vanton泵Durameter计量泵金子KANEKO电磁阀ASCO通用电磁阀罗斯蒙特ROSEMOUNT测量仪表SAAB雷达液位计凯泰克K-TEK测量仪表阿牛巴Annubar流量计阿特拉斯·科普柯ATLAS COPCO压缩机JOHNSON泵马格maag泵斯可金格SCHERZINGER泵ALLWEILER阿尔维勒泵houttuin泵IMO泵warren泵ZENITH泵ZENITH泵Tushaco泵约翰克兰johncrane密封海密梯克hermetic屏蔽泵豪顿howden压缩机BAND-IT紧固产品美卓自动化metsoautomation阀门阿法拉伐Alfa Laval春鼎TRUNDEAN机械弗鲁克FLUKO实验室搅拌机|高剪切分散乳化机|分散机|乳化机|均质机|粉碎机|混合机|捷流分散混合机|固液混合系统莱宝LEYBOLD真空泵埃杜尔edur溶气泵莫诺MONO泵HIHCHINE气液混合泵|气浮泵|溶气泵|混气泵|加气泵|臭氧添加泵|曝气泵威仕VSE流量计百利beinlich齿轮泵/柱塞泵多尔DST永磁联轴器系统罗迪ROTELMANN罗德曼球阀沃森马洛-布雷德尔watson marlow-bredel泵布朗卢比BRAN+LUEBBE泵NOV国民油井Mission砂泵莱宁LIGHTNIN搅拌机DUCHTING浆液泵CERA SYSTEM陶瓷阀PLENTY泵COPES-VULCAN阀威普克液压WEPUKO HYDRAULIK航特阀门HUNT VALVE千世KEMPION计量泵哈莫尔曼HAMMELMANN泵特夫洛tapflo泵凯恩孚KNF泵福禄flow帝国teikoku屏蔽泵百马blackmer泵WOMA沃马高压柱塞泵Mahr测量仪器海捷hijet真空压缩系统kmt-mccartney 泵科尔庭koerting喷射泵PCM泵frymakoruma弗科玛研磨设备|在线均质机|脱气机刮片式热交换机|连续型生产设备wangen王恩泵克隆巴赫KROMBACH阀门伯马Boehmer球阀Dresser Wayne阀门VPS干式螺杆真空泵法尔珂FAK阀门柏勒夫Bellofram阀门盖米GEMUE阀门日立HITACHI泵寿力sullair压缩机爱发科ULVAC真空泵Yoshitake耀希达凯蒸汽减压阀、气体减压阀、水用减压阀、安全阀、过滤器、疏水阀、汽水分离器、背压阀、排空气阀、电磁阀、电动阀格林韦德glynwed管道系统甲南电机konan气动液压诺亚NOACH电动执行机构德恩杰Z&J阀门伯纳德bernard电动执行器松河sonho电机Chemquip泵阀克瑞crane阀门dickow泵femyers泵gormanrupp戈尔曼.鲁普泵gusher泵haywardgordon泵工装koso常压控制阀ruthmann泵smith泵summit泵塔海尔tuthill泰悉尔真空|风机|泵pomac泵康普艾compair压缩机龙铁longtech鼓风机阿尔泰克Alltech计量泵PROCON高压旋转叶片泵神钢kobelco压缩机super塑宝泵MALHATY 丸八泵albany泵斯普瑞SPRAY喷雾奥丽文OLIVER阀门DKLOK阀门SAFELOK阀门STAUBLI快速接头TECSIS仪器仪表TECO-Westinghouse东元西屋电机积水sekisui塑胶管材HACH哈希水质分析仪KAMAT泵OSAWA大泽气动吸尘器RUHRPUMPEN鲁尔泵依爱EXAIRPROTEGO保特高TODO-GAS干式快速接头美国penguin(企鹅泵)KNOLL科诺尔泵Brinkmann泵barmag巴马格泵EVA艾瓦泵SEIM赛姆泵TECOFI阀。
6 B 20 EN • 6/2011PNEUMATIC CYLINDER ACTUATORS, SERIES BThe Neles double acting and spring return B-Series piston type actuators are designed for use in both modulating control and on-off service. The series B1C and B1J are designed to ISO 5211/1 when Metsolinkages are utilized. These actuators offer an extremely long cycle life and are well suited to operate almost any type of rotary valve.When "stay put" is the requirement, the double acting B1C series is the choice. This series is available in several sizes with torque outputs from 40 Nm to 100 000 Nm (29.5lbf ft to 73 756 lbf ft) for maximum supply pressure of 10 bar (145 psi).If a failure mode is required, the spring return B1J series should be selected. This line offers a self-contained spring cartridge to provide failure in either the open or closed position. On butterfly valves, segmented valves and Q-ball valves, the actuator provides failure in the closed position, while a B1JA series is available when failure in the open position is required. The spring return actuators are available with a mid-range spring for 4 bar (58 psi) supply range, a lighter spring for lower supply pressure 3 bar (44 psi) range and a stronger spring for 5.5 bar (80psi) range. These actuators offer torque outputs from 50 Nm to 12 000 Nm (37lbf ft to 8851lbf ft)for maximum supply pressure 8.5 bar (124psi).Adjustable travel stopsAs with any Neles pneumatic/hydraulic actuator ,adjustable travel stops are standard for both the open and closed positions. End of stroke turning angle range is 85° to 95°. Optional travel stops 0° to 90° are also available.Wear resistant bearingsMetal backed acetal bearings provide support on the upper and lower portions of the lever arm to reduce friction and expand the life of both the lever arm and the housing.Corrosion resistanceThe epoxy painted actuators have housings of rugged cast iron, with light-weight aluminium cylinders ano-dized for added corrosion resistance. Travel stops are stainless steel.Self-contained spring cartridgeThe springs in the B1J actuator are contained in a cartridge for added reliability and easy maintenance.Spring to open or close capabilityThe standard spring return actuator on ball valve can provide spring-to-close or spring-to-open operation simply by changing the mounting position 90°. On a high performance butterfly valve, the standard unit offers spring-to-close operation. An optional B1JA model is available for spring-to-open requirements.High-and-low temperature constructionThe standard unit can be used in temperature upto 70°C (158°F). High temperature construction is availa-ble for temperatures up to 120 °C (248 °F). The standard unit can be used down to -20 °C (-4 °F). Low tempera-ture design is available down (37 lbf ft to 8851 lbf ft).High cycle optionFor applications where very fast and high sequency operation is required.ATEX compatibilityStandard construction ATEX approved.Oversized cylinder optionsThe oversized cylinders (B1C 60, 75, 602, 752) are used whenever the supply pressure is limeted, thus the actuators can achieve the required torques with lower supply pressure level.Override optionsAvailable override devices include a manual center-piece handle; a manual handwheel override; and a manual hydraulic override for high torque applications.Emergency shut-downEmergency Shut-Down (ESD) valves utilizing B1J actu-ators are offered to assure operation in the event of a fire or plant malfunction. The ESD device enables valve operational testing without cycling, see bulletin 6B21.M E T S O6 B 20E NACTUATOR, SERIES B1CEXPLODED VIEWS AND PARTS LISTSACTUATORS B1C 6Lock-out deviceMechanical lock-outs are available to lock the actuator in either the open or closed position, when security considera-tions are necessary .Acessories and control devicesA variety of accessories are available including Neles posi-tioners and limit switches, position indicators, solenoid valves, transducers, relays, boosters and volume tanks etc.The B1C-series actuator is designed for quarter-turn action for control as well as for on-off services. The double-acting cylinder actuator is pneumatically operated. The linkage pro-vides an output characteristic that surpasses the nominal torque at the starting point (β = 0°).Applications: E.g. quarter-turn valves. Compressor anti-surge and recirculate control. Damper drivers equipped with rack, shaft and lever arm.Technical dataActuator type Cylider bore mm/inch Swept volume liters/in 3Maximum shaft bore mm/inch Maximum supply pressurebar/psiB1C680/3.150.33/2025/0.988.5/120B1C9100/3.940.60/3735/1.388.5/120B1C11125/4.92 1.10/6740/1.578.5/120B1C13160/6.30 2.30/14055/2.178.5/120B1C17200/7.87 4.30/26255/2.178.5/120B1C20200/7.87 5.40/32970/2.7610/145B1C25250/9.8410.50/64095/3.7410/145B1C32315/12.4021/1280105/4.1310/145B1C40400/15.7543/2620120/4.7210/145B1C50500/19.6984/5130135/5.3110/145B1C60600/23.62121/7380165/6.508.5/120B1C75750/29.53189/11500165/6.505/70B1C502500/19.69195/11900165/6.5010/145B1C602600/23.62282/17200165/6.508.5/120B1C752750/29.53441/26900165/6.505/70P N E U M A T I C C Y L I N D E R A C T U A T O R S , S E R I E S BTECHNICAL BULLETIN 6/1136 B 20E N Item Qty Description Materials1 1 Housing Cast iron2 1 CoverCast iron3 1 Lever armDuctile iron + nickel 3A 1 Antistatic ring Brass 4 2 Connection armDuctile iron 4A 1 Antistatic ring Stainless steel 5 1 Bearing unit Ductile iron + nickel 6 1 Cylinder base Ductile iron 7 1 Pointer cover Aluminium alloy 8 1 Cylinder Aluminium alloy , anodized 9 1 Piston Cast iron10 1 Piston rod Steel, hard chrome plated 16 1 O-ringNitrile rubber 17 2 O-ring Nitrile rubber 18 1 O-ringNitrile rubber 19 2 O-ring Nitrile rubber20 2 Bearing Steel+PTFE, Bronze+PTFE 21 2 Bearing Steel+PTFE, Bronze+PTFE 22 1, 2 Bearing PE-HD 23 2 Bearing PE-HD 24 2,3 Piston sealPE-HD 252BushingStainless steelItem Qty DescriptionMaterials 26 1 Stop screwStainless steel 27 1 Stop screw Stainless steel 281Screw Steel, zinced 29 1 Screw Steel, zinced 30 4 Screw Stainless steel 31 8,12 Screw Stainless steel 32 2 Screw Stainless steel 33 1 Nut Stainless steel 33A 1O-ring Nitrile rubber 34 1 Nut Stainless steel 35 1 Lock nut Steel 36 2 Lock ring Steel 37 2 Support ring Steel 39 1ID plate Polyester41 PlugStainless steel 42 Plug Plastic 44 1 Cylinder end Ductile iron 471Torsion arm Steel 48 2WasherSteel 581Pressure outlet valve EPDM rubber 611Direction arrow Aluminium alloy 621ScrewStainless steelM E T S O 4TECHNICAL BULLETIN 6/116B20E NItem Qty Description Materials1 1 Housing Steel2 1 Cover Steel3 1 Lever arm Ductile iron + nickel3A 1 Antistatic ring Brass4 2 Connection arm Ductile iron4A 1 Antistatic ring Stainless steel5 1 Bearing unit Ductile iron + nickel6 1 Cylinder base Ductile iron7 1 Pointercover Aluminiumalloy8 1 Cylinder Aluminium alloy, anodized9 1 Piston Castiron10 1 Piston rod Steel, hard chrome plated 161O-ring Nitrile rubber17 2 O-ring Nitrile rubber18 1 O-ring Nitrilerubber19 2 O-ring Nitrile rubber20 2 Bearing Bronzenet+PTFE21 2 Bearing Bronze net+PTFE22 2 Bearing PE-HD23 2 Bearing PE-HD24 3,4 Pistonseal PE-HD25 2 Bushing Stainless steel26 1 Stop screw Stainless steelItem Qty Description Materials 27 1 Stop screw Stainless steel281Screw Steel, zinced29 1 Screw Steel,zinced30 6 Screw Stainless steel31 6Stud Steel,zinced32 2 Screw Stainless steel33 1 Nut Stainlesssteel33A 1 O-ring Nitrile rubber34 1 Nut Stainlesssteel35 1 Lock nut Steel36 2 Lockring Steel37 2 Support ring Steel39 1 IDplate Polyester41 Plug Stainless steel42 Plug Plastic44 1 Cylinder end Ductile iron456Nut Steel, zinced466Washer Steel, zinced471Torsion arm Steel482Washer Steel58 1 Pressure outlet valve EPDM Rubber61 1 Direction arrow Aluminium alloy62 1 Screw StainlesssteelP N E U M A T I C C Y L I N D E R A C T U A T O R S , S E R I E S BTECHNICAL BULLETIN 6/1156 B 20E N Item Qty DescriptionMaterials 1 1Housing Steel 2 1 CoverSteel3 1 Lever arm Ductile iron + nickel 3A 1 Antistatic ring Brass4 4 Connection armDuctile iron 4A 1 Antistatic ring Stainless steel 5 2 Bearing unit Ductile iron + nickel 6 2 Cylinder base Ductile iron 7 1 Pointer cover Aluminium alloy8 2 Cylinder Aluminium alloy , anodized 9 2 Piston Cast iron10 2 Piston rod Steel, hard chrome plated 16 2 O-ringNitrile rubber 17 2 O-ring Nitrile rubber 18 2 O-ringNitrile rubber 19 4 O-ring Nitrile rubber 20 4 Bearing Bronze net+PTFE 21 4 Bearing Bronze net+PTFE 22 4 Bearing PE-HD 23 2 Bearing PE-HD 24 8 Piston sealPE-HD 25 2 Bushing Stainless steel 262Stop screwStainless steelItem Qty Description Materials27 2 Stop screw Stainless steel 28 2 Screw Steel, zinced 29 2 Screw Steel, zinced 30 20 Screw Stainless steel 31 12 Stud Steel, zinced 32 2 Screw Stainless steel 33 2 Nut Stainless steel 33A 2 O-ringNitrile rubber 34 2 NutStainless steel 35 2 Lock nut Steel 36 4 Lock ring Steel 37 4 Support ring Steel 39 1 ID plate Polyester 41 4 Plug Stainless steel 42 4 Plug Plastic 44 2 Cylinder end Ductile iron 45 12 NutSteel, zinced 46 12 WasherSteel, zinced 58 1 Pressure outlet valve EPDM rubber 61 1 Direction arrow Aluminium alloy 62 2 Screw Stainless steel 632PinSteel 65 4 PinSteelM E T S O 6TECHNICAL BULLETIN 6/116 B 20E NDOUBLE ACTING ACTUATOR, SERIES B1COPERATIONThe linkage mechanism within the B-series actuator converts linear motion of the piston into a 90° (max. 98°) rotation of the actuator shaft. The line in the figure to the right shows torque characteristics vs. actuator shaft angle.Max. torque is achieved at β = 0° which usually corre-sponds to the closed position of ball and butterfly valves and where max. seat torque normally appears.Another peak is achieved at 60-80° which corresponds to the dynamic torque peak of butterfly valves. The torque’s in the table below show the minimum torque Mn at different supply pressures.SELECTIONT o select the proper actuator for a particular valve and serv-ice, first determine the maximum operating torque that will be required for the valve from the applicable valve torque table,then refer to the appropriate mode of operation of the actua-tor in the torque output tables below and select the actuator that will, at the available air supply pressure, provide a torque output no less than the required operating torque for the valve. If in doubt, select the next larger actuator .ACTUATOR TORQUE M nNote:The actuator can be used at higher supply pressures than shown in the table.Maximum supply pressures are listed in the table on page 2.Example 1.Required torque: 130 Nm / 98 lbf ft.Air supply pressure ps = 4.8 bar /70 psi.On-off service.B1C9 output torque is 140 Nm / 104 lbf ft.Select B1C9B1C attachment according to the ISO 5211.ActuatortypeTorque Output Mn Nm - ft-lbs at Specific Supply Pressure bar - psi3.0 bar43 psi 3.5 bar 50 psi 4 bar 58 psi 5 bar 72 psi 5.5 bar 80 psi 6 bar 87 psi 7 bar 102 psi Nm lbf ft Nm lbf ft Nm lbf ft Nm lbf ft Nm lbf ft Nm lbf ft Nm lbf ft B1C 645305138604575558260906510075B1C 985601007511590145110160120175130205150B1C11160120185137220160270200300220330240375280B1C13330245390290460335565415620460675505790585B1C1762046072053085062510407801160850126093015701085B1C2075056088065010307601290940140010401550114017801320B1C2514501070170012502010146025001830270020003000223034502540B1C3228902140340025004000293050003650550041006000445070005170B1C406100449071005200829061501031076001130084001229091001430010550B1C50117708770139001020016290120002021014900220001630024190178102810020700B1C601733011980203001500023710174602958021770324002390035320260304119030440B1C752718020010317002340037170274204625034060B1C5022654019580310002290036290268304479033330496003660054500398706300046460B1C6023820028140446003290052200385406511048020714005270077710572909049066750B1C75260240444107030051900823406068010271075630P N E U M A T I C C Y L I N D E R A C T U A T O R S , S E R I E S BTECHNICAL BULLETIN 6/1176 B 20E NACTUATOR, SERIES B1JEXPLODED VIEWS AND PARTS LISTSACTUATORS B1J 8-20The B1J-series actuator is designed for quarter turn action for control as well as for on-off services. The spring-return cylinder actuator is pneumatically operated. The linkage pro-vides an output characteristic that surpasses the nominal torque at the starting point (β = 0°).Applications: E.g. quarter-turn valves.Damper drivers equipped with rack, shaft and lever arm.Actuator type Cylider bore mm/inch Swept volume liters/in 3Maximum shaft bore mm/inch Maximum supply pressure bar/psi B1J8125/4.920.9/5535/1.388.5/120B1J10160/6.30 1.80/11140/1.578.5/120BJ12200/7.87 3.60/22555/2.178.5/120B1J16250/9.84 6.70/41555/2.178.5/120B1J20315/12.4013/79570/2.768.5/120B1J25400/15.7527/164295/3.748.5/120B1J32500/19.6953/3231105/4.138.5/120B1J322500/19.69106/6480120/4.728.5/120M E T S O 8TECHNICAL BULLETIN 6/116B20E NItem Qty Description Materials1 1 Housing Castiron2 1 Cover Cast iron3 1 Lever arm Ductile iron + nickel3A 1 Antistatic ring Brass4 2 Connectionarm Ductileiron4A 1 Antistatic ring Stainless steel5 1 Bearing unit Ductile iron + nickel6 1 Cylinder base Ductile iron7 1 Pointercover Aluminiumalloy8 1 Cylinder Aluminium alloy, anodized9 1 Piston Castiron10 1 Piston rod Steel, hard chrome plated 111Spring Steel121Spring plate Steel, zinced131Clamping tube Steel14 2 Lock ring Steel151Hexagon nut Steel16 1 O-ring Nitrile rubber17 2 O-ring Nitrilerubber18 1 O-ring Nitrile rubber19 1 O-ring Nitrilerubber20 2 Bearing Steel+PTFE, Bronze+PTFE 212Bearing Steel+PTFE, Bronze+PTFE22 1, 2 Bearing PE-HD23 2 Bearing PE-HDItem Qty Description Materials 24 3,4Pistonseal PE-HD25 2 Bushing Stainless steel26 1 Stopscrew Stainlesssteel27 1 Stop screw Stainless steel29 1Screw Steel,zinced30 4 Screw Stainless steel31 6 Stud Steel,zinced32 2 Screw Stainless steel33 1Nut Stainlesssteel33A 1O-ring Nitrile rubber34 1Nut Stainlesssteel35 1Lock nut Steel36 2 Lockring Steel37 2 Support ring Steel39 1 IDplate Polyester401Filter Stainless steel41 4 Plug Stainlesssteel42 1 Plug Plastic431Warning plate Aluminium sticker 44 2 Cylinder end Ductile iron456Nut Steel, zinced466Washer Steel, zinced58 1 Pressure outlet valve EPDM rubber61 1 Direction arrow Aluminium plate62 1 Screw StainlesssteelP N E U M A T I C C Y L I N D E R A C T U A T O R S , S E R I E S BTECHNICAL BULLETIN 6/1196 B 20E N Item Qty DescriptionMaterials 1 1 HousingSteel 2 1 CoverSteel3 1 Lever arm Ductile iron + nickel 3A 1 Antistatic ring Brass4 4 Connection armDuctile iron 4A 1 Antistatic ring Stainless steel 5 2 Bearing unit Ductile iron + nickel 6 2 Cylinder base Ductile iron 7 1 Pointer coverAluminium alloy 8 2 Cylinder Aluminium alloy , anodized 9 2 PistonCast iron10 2 Piston rod Steel, hard chrome plated 112Spring Steel 122Spring plate Steel 132Clamping tube Steel 144Lock ring Steel 152Hexagon nut Steel 16 2 O-ring Nitrile rubber 17 2 O-ring Nitrile rubber 18 2 O-ring Nitrile rubber 19 4 O-ringNitrile rubber 20 4 Bearing Bronze net+PTFE 21 4 BearingBronze net+PTFE 22 2 Bearing PE-HD 23 2 Bearing PE-HD 248Piston sealPE-HD 25 2 BushingStainless steelItem Qty DescriptionMaterials26 2 Stop screw Stainless steel 27 2 Stop screw Stainless steel 29 2 Screw Steel, zinced 30 16 Screw Stainless steel 31 12 Stud Steel, zinced 32 2 Screw Stainless steel 33 2 Nut Stainless steel 33A 2 O-ring Nitrile rubbe 34 2 Nut Stainless steel 35 2 Lock nut Steel 36 4 Lock ring Steel 37 4 Support ring Steel 39 1 ID plate Polyester 402Filter Stainless steel 41 4 PlugStainless steel 42 2 PlugPlastic432Warning plate Aluminium sticker 44 2 Cylinder end Ductile iron 45 12Hexagon nut Steel, zinced 46 12 WasherSteel, zinced 58 1 Pressure outlet valve EPDM rubber 61 1 Direction arrow Aluminium alloy 62 2 ScrewStainless steel 632Pin Steel 654PinSteelM E T S O 10TECHNICAL BULLETIN 6/116B20E NItem Qty Description Materials1 1 Housing Castiron2 1 Cover Cast iron3 1 Lever arm Ductile iron + nickel3A 1 Antistatic ring Brass4 2Connection arm Ductile iron4A 1 Antistatic ring Stainless steel5 1Bearing unit Ductile iron + nickel6 1 Cylinder base Ductile iron7 1 Pointercover Aluminiumalloy8 1 Cylinder Aluminium alloy, anodized 91Piston Cast iron101Piston rod Steel, hard chrome plated 111Spring Steel121Spring plate Steel, zinced131Clamping tube Steel14 2 Lock ring Steel151Hexagon nut Steel16 1 O-ring Nitrile rubber17 2 O-ring Nitrilerubber18 1 O-ring Nitrile rubber19 1 O-ring Nitrilerubber20 2 Bearing DU-type, steel+PTFE21 2Bearing DU-type,steel+PTFEItem Qty Description Materials22 1 Bearing PE-HD23 2 Bearing PE-HD24 3 Pistonseal PE-HD25 2 Bushing Stainless steel29 1 Screw Steel,zinced30 4 Screw Stainless steel31 8, 12 Screw Stainless steel32 2 Screw Stainless steel33 1 Nut Stainlesssteel33A 1 O-ring Nitrile rubber34 1 Nut Stainlesssteel35 1 Lock nut Steel36 2 Lockring Steel37 2 Support ring Steel39 1 IDplate Polyester41 4Plug Stainless steel42 1 Plug Plastic431Warning plate Plastic44 1 Cylinderend Ductileiron581Pressure outlet valve EPDM rubber611Direction arrow Aluminium alloy 621Screw Stainless steelP N E U M A T I C C Y L I N D E R A C T U A T O R S , S E R I E S BTECHNICAL BULLETIN 6/11116 B 20E N Item Qty Description Materials1 1Housing Cast iron2 1 Cover Cast iron3 1 Lever arm Ductile iron + nickel 3A 1 Antistatic ring Brass4 2 Connection armDuctile iron 4A 1 Antistatic ring Stainless steel 5 1 Bearing unit Ductile iron + nickel 6 1 Cylinder base Ductile iron 7 1 Pointer coverAluminium alloy 8 1 Cylinder Aluminium alloy , anodized 9 1 PistonCast iron10 1 Piston rod Steel, hard chrome plated 111Spring Steel121Spring plate Steel 131Clamping tube Steel 14 2 Lock ring Steel 151Hexagon nut Steel 16 1 O-ring Nitrile rubber 17 2 O-ring Nitrile rubber 18 1 O-ring Nitrile rubber 19 1O-ring Nitrile rubber20 2 Bearing Steel+PTFE, Bronze net+PTFE 21 2 BearingSteel+PTFE, Bronze net+PTFE 221, 2BearingPE-HD 23 2 BearingPE-HDItem Qty Description Materials24 3, 4 Piston seal PE-HD25 2 Bushing Stainless steel 26 1 Stop screw Stainless steel 27 1 Stop screw Stainless steel 29 1Screw Steel, zinced 30 4 Screw Stainless steel 31 6Stud Steel, zinced 32 2 Screw Stainless steel 33 1 Nut Stainless steel 33A 1 O-ring Nitrile rubber 34 1 Nut Stainless steel 35 1 Lock nut Steel 36 2 Lock ring Steel 37 2 Support ring Steel 39 1 ID plate Polyester 401Filter Stainless steel 41 4Plug Stainless steel 42 1PlugPlastic 431Warning plate Plastic 441Cylinder end Ductile iron 456Nut Steel, zinced 466WasherSteel, zinced 581Pressure outlet valve EPDM rubber 611Direction arrow Aluminium plate 621ScrewStainless steelM E T S O 12TECHNICAL BULLETIN 6/116B20E NItem Qty Description Materials1 1 Housing Steel2 1 Cover Steel3 1 Lever arm Ductile iron+nickel3A 1 Antistatic ring Brass4 4 Connection arm Ductile iron4A 1 Antistatic ring Stainless steel52Bearing unit Ductile iron+nickel6 2 Cylinder base Ductile iron7 1 Pointer cover Aluminium alloy8 1 Cylinder Aluminium alloy, anodized9 2 Piston Castiron10 2 Piston rod Steel, hard chrome plated 112Spring Steel122Spring plate Steel132Clamping tube Steel144Lock ring Steel152Hexagon nut Steel16 2 O-ring Nitrile rubber17 2 O-ring Nitrilerubber18 2 O-ring Nitrile rubber19 4 O-ring Nitrilerubber20 4 Bearing Bronze net+PTFE21 4 Bearing Bronzenet+PTFE22 2 Bearing PE-HD23 2 Bearing PE-HD24 8 Piston seal PE-HD252Bushing Stainless steelItem Qty Description Materials 26 2 Stopscrew Stainlesssteel27 2 Stop screw Stainless steel29 2 Screw Steel,zinced30 16 Screw Stainless steel31 12 Stud Steel,zinced32 2 Screw Stainless steel33 2 Nut Stainlesssteel33A 2 O-ring Nitrile rubber34 2 Nut Stainlesssteel352Lock nut Steel36 4 Lockring Steel37 4 Support ring Steel39 1 IDplate Polyester402Filter Stainless steel414Plug Stainless steel42 2 Plug Plastic432Warning plate Aluminium sticker 44 2 Cylinder end Ductile iron452Hexagon nut Steel, zinced46 2 Washer Steel, zinced58 1 Pressure outlet valve EPDM rubber61 1 Direction arrow Aluminium plate 622Screw Stainless steel632Pin Steel654Pin SteelP N E U M A T I C C Y L I N D E R A C T U A T O R S , S E R I E S BTECHNICAL BULLETIN 6/11136 B 20E N SINGLE ACTING ACTUATOR SERIES B1JOPERATIONThe linkage converts linear motion of the piston into a 90° (max. 98°) rotation of the actuator shaft. As a result of the link-age design, the relationship between output torque and piston force depends on the angle of the actuator shaft. The torque output values in the table below show the minimum spring torque (Ms)and the minimum torque (Mp) produced as a result of a specific supply pressure and spring.ACTUATOR SELECTIONT o select the proper actuator for a par-ticular valve and service, first determine the maximum operating torque that will be required for the valve from the appli-cable valve torque table, then refer to the appropriate mode of operation of the actuator in the torque output tables below and select the actuator that will, at the available air supply pressure, pro-vide a torque output no less than the required operating torque for the valve. If in doubt, select the next larger actuator .ACTUATOR TORQUE, M nB1J attachment according to the ISO 5211.Note: Maximum allowed supply pressure is 120 psi (8.5 bar).B1JK_ has a lighter spring for lower supply pressures.B1J_ for medium supply pressuresB1JV_ has a stronger spring for higher supply pressures.Torque outputs for B1J are identical to those shown for BJ.GENERAL SELECTIONS GROUNDSThe first selection ground for actuator sizing must always be the torque given by the spring.Secondly , it must be checked that the available pressure is sufficient to give at least the same torque as the spring, but in the opposite direction.Note: Max. supply pressure 8.5 bar / 120 psi.Mn =Nominal running torqueM spring =Torque developed by the spring force. Mp =T orque developed by the difference of pressureforce and spring force (eg. M 5 = torque devel-opped with 5 bar). When α = 0° the valve is closed.Example 1.Required torque:130 Nm / 98 lbf ft.Required action:Spring-to-close.Nominal spring torque, Ms B1J10 = 150 Nm / 110 lbf ft.Select B1J10.Note:Min. air supply pressure ps = 4.1 bar /60psi.Example 2.Required torque:500 Nm / 370 lbf ft.Required action:Spring-to-open.Step 1.At the turning angle ß = 90° (valve is fully open), the nominal spring torque B1JA16is 600 Nm / 440 lbf ft.Step 2.When air closes the valve (ß = 0°) the actu-ator torque (B1JA16) is 650Nm / 480 lbf ft at 4.1 bar / 60 psi supply pressure.Select B1JA16.Note:At air supply pressures ps < 4.1bar /60psi, contact factory .Actuator typeSpring min torqueMn Nm lbf ft B1JK8, B1JKA85037B1J8, B1JA87050B1JV8, B1JVA89066B1JK10, B1JKA1010577B1J10, B1JA10150110B1JV10, B1JVA10200150B1JK12, B1JKA12210155B1J12, B1JA12300220B1JV12, B1JVA12390290B1JK16, B1JKA16420310B1J16, B1JA16600440B1JV16, B1JVA16780575B1JK20, B1JKA20850630B1J20, B1JA201200880B1JV20, B1JVA2015001100B1JK25, B1JKA2517001250B1J25, B1JA2524001760B1JV25, B1JVA2530002200B1JK32, B1JKA3234002500B1J32, B1JA3248003500B1JV32, B1JVA3261004500B1JK322, B1JKA32268005000B1J322, B1JA32296007000B1JV322, B1JVA322122009000Spring to close, type B1JSpring to open, type B1JAM E T S O 14TECHNICAL BULLETIN 6/116 B 20E NSPECIAL CONTRUCTIONSLOCKING DEVICE For service assemblyType code: B1C_DD On housing endType code: B1_Q On cylinder endType code: B1_WSHOCK ABSORBER ON HOUSING END Type code: B1C_N AUTOMATIC LATCHING DEVICE FOR CLOSED POSITION Type code: B1C_P MANUAL LATCHINGType code: B1_THANDWHEEL On cylinder endType code: B1C_KType code: B1C_L HYDRAULIC MANUAL OVERRIDEType code: B1CHP N E U M A T I C C Y L I N D E R A C T U A T O R S , S E R I E S B6 B 20E N DIMENSIONAL DRAWINGSACTUATORS B1CSPRING RETURN ACTUATORS B1J, B1JAB1CType Dimensions, mmNPT kg X G F V Y LK1R1B1C690270395364680138801/44,2B1C9110315450435080140811/49,6B1C11135375535515095154893/816B1C1317544564065651201901093/831B1C1721555578578701372221261/254B1C2021559088097801452621471/273B1C2526572510751211101803041661/2131B1C3239592013701531462803792043/4256B1C40505115016701941853204492243/4446B1C50610139020602421953505432681830B1C607251390206024219535054326811080B1C758751390206024219535054326811190Type Dimensions, inch NPT lbs X G F V Y L K1R1B1C6 3.5410.6015.60 1.42 1.81 3.15 5.43 3.151/49B1C9 4.3312.4017.70 1.69 1.97 3.15 5.51 3.191/421B1C11 5.3114.8021.10 2.01 1.97 3.74 6.06 3.503/835B1C13 6.8917.5025.20 2.56 2.56 4.727.48 4.293/868B1C178.4621.9030.90 3.07 2.76 5.398.74 4.961/2119B1C208.4623.2034.70 3.82 3.15 5.7110.31 5.791/2161B1C2510.4328.5042.30 4.76 4.337.0911.97 6.541/2289B1C3215.5536.2053.90 6.02 5.7511.014.928.033/4564B1C4019.8845.3065.707.647.2812.6017.688.823/4983B1C5024.0254.7081.109.537.6813.7821.3810.5511829B1C6028.5454.7081.109.537.6813.7821.3810.5512380B1C7534.4554.7081.109.537.6813.7821.3810.5512620B1J, B1JAType Dimensions, mmNPT kg X G F V Y L K1R1B1J, B1JA8135420555435080140813/817B1J, B1JA10175480640515095154893/830B1J, B1JA1221562081565651201901091/257B1J, B1JA1626576099078701372221261/2100B1J, B1JA20395940123097801452621473/4175B1J, B1JA25505114014901211101803041663/4350B1J, B1JA32540143518851531462803792041671Type Dimensions, inchNPT lbs X G F V Y L K1R1B1J, B1JA8 5.3116.5021.90 1.69 1.97 3.15 5.51 3.193/837B1J, B1JA10 6.8918.9025.20 2.01 1.97 3.74 6.06 3.503/866B1J, B1JA128.4624.4032.10 2.56 2.56 4.727.48 4.291/2126B1J, B1JA1610.4329.9038.00 3.07 2.76 5.398.74 4.961/2220B1J, B1JA2015.5537.0048.40 3.82 3.15 5.7110.31 5.793/4386B1J, B1JA2519.8844.9058.70 4.76 4.337.0911.97 6.543/4771B1J, B1JA3221.2656.5074.206.025.7511.014.928.0311479M E T S O 16TECHNICAL BULLETIN 6/116 B 20E NB1JR/B1JRRB1JAR/B1JARRType Dimensions, mmkg X Z G F H I J V Y L K1R1B1JR8135250570705---4350801408119B1JR10175250695855---5150951548933B1JR122152508051000---656512019010960B1JR1626540010801310---7870137222126106B1JRR203952001455174586848.252309780145262147210B1JRR2550525016652015107448.25280121110180304166380B1JRR3254040018952345130648.25375153146280379204705Type Dimensions, inchlbs X Z GFH I J V Y L K1R1B1JR8 5.39.822.427.8--- 1.7 2.0 3.1 5.5 3.242B1JR10 6.99.827.433.7--- 2.0 2.0 3.7 6.1 3.573B1JR128.59.831.739.4--- 2.6 2.6 4.77.5 4.3132B1JR1610.415.742.551.6--- 3.1 2.8 5.48.7 5.0233B1JRR2015.67.957.368.734.2 1.99.1 3.8 3.1 5.710.3 5.8463B1JRR2519.99.865.679.342.31.911.0 4.8 4.37.112.06.5837B1JRR3221.315.774.692.351.4 1.914.86.05.7511.014.98.01553Type Dimensions, mmNPT kg XZGF H I J V Y L K1R1B1JAR8135250420720---435080140813/820B1JAR10175250480870---515095154893/830B1JAR122152506201030---65651201901091/255B1JAR162654007601345---78701372221261/2100B1JARR20395200940178528548.2517597801452621473/4210B1JARR255052501140202531448.251851211101803041663/4380B1JARR325404001435238538148.252401531462803792041705Type Dimensions, inchNPT lbs X ZGFH I J V Y L K1R1B1JAR8 5.39.816.528.3--- 1.7 2.0 3.1 5.5 3.23/844B1JAR10 6.99.818.934.3--- 2.0 2.0 3.7 6.1 3.53/866B1JAR128.59.824.440.6--- 2.6 2.6 4.77.5 4.31/2121B1JAR1610.415.729.953.0--- 3.1 2.8 5.48.75.01/2220B1JARR2015.67.937.070.311.2 1.9 6.9 3.8 3.1 5.710.3 5.83/4463B1JARR2519.99.844.979.712.4 1.97.3 4.84.37.112.0 6.53/4837B1JARR3221.315.756.593.915.0 1.99.46.0 5.7511.014.98.011553B1JHType Dimensions, mmNPT kg XGFE NVYL K1R1S B1JH813558572051772043508014081803/830B1JH1017563079055274051509515489803/843B1JH1221574594062376565651201901091201/270B1JH16265940117066580078701372221261201/2115B1JH203951075136578588097801452621471453/4190B1JH25505140517559109551211101803041661803/4370B1JH325401635208512458501531462803792042101700Type Dimensions, inchNPT lbs X G F E N V Y L K1R1S B1JH8 5.3123.0328.320.3528.35 1.69 1.97 3.15 5.5 3.2 3.153/866B1JH10 6.8924.8031.121.7329.13 2.01 1.97 3.7461 3.5 3.153/895B1JH128.4629.3337.024.5330.12 2.56 2.56 4.727.5 4.3 4.721/2154B1JH1610.4337.0146.126.1831.50 3.07 2.76 5.398.7 5.0 4.721/2253B1JH2015.5542.3253.730.9134.65 3.82 3.15 5.7110.3 5.8 5.713/4419B1JH2519.8855.3169.135.8337.60 4.76 4.337.0912.0 6.57.093/4815B1JH3221.2664.3782.149.0233.466.025.7511.014.98.08.2711543B1JR/B1JRRB1JAR/B1JARR。
第27卷 第4期2020年4月仪器仪表用户INSTRUMENTATIONVol.272020 No.4PDS高频球阀设计优化崔国彪1,王一民1,张绪文1,周爱辉1,罗元明1,李宏伟2(1.中国石油四川石化有限责任公司,四川 彭州 611930;2.重庆川仪调节阀有限公司,重庆 400707)摘 要:PDS 高频球阀作为聚丙烯生产装置中产品卸料系统的关键设备,要求具有动作频率高、开关时间短、使用寿命长、密封性能好等特点。
但由于PDS 高频球阀的介质工况较为严苛,介质气固双相、压差高并有自聚性,同时阀门动作开关频繁,导致PDS 高频球阀易出现卡、冒、漏等问题。
本文通过以往对国外PDS 高频球阀的使用和维修情况,从产品结构、材料选择等方面对阀门设计提出几点优化建议。
关键词:聚丙烯;高频球阀;耐磨性中图分类号:TH86 文献标志码:APDS High Frequency Ball Valve Design OptimizationCui Guobiao 1,WangYimin 1,Zhang Xuwen 1,Zhou Aihui 1,Luo Yuanming 1,Li Hongwei 2(1. Petro China Sichuan Petro chemical CO.,LTD., Sichuan, Pengzhou, 611930,China;2.Chongqing Chuanyi Control Valve CO.,LTD.,Chongqing,400700,China)Abstract:PDS high frequency ball valve, as the key equipment of product unloading system in polypropylene production plant, is required to have the characteristics of high action frequency, short switching time, long service life and good sealing performance. However, due to the severe service conditions of PDS high frequency ball valve, the medium gas-solid two-phase, high pressure difference and self aggregation, and the valve action switch is frequent, resulting in the high frequency ball valve of PDS easy to jam, burst, leak and other problems. Based on the past use and maintenance of PDS high frequency ball valve abroad, the author puts forward some optimization suggestions for valve design from the aspects of product structure and material selection.Key words:polypropylene;high frequency ball valve;wear resistant收稿日期:2020-02-14作者简介:崔国彪(1966-),男,河北唐山人,学士,高级工程师,从事设备管理与技术工作。
美卓METSO球阀“中国总代理”
联系:郑-工15 260 822 709 Q 72 827 45 85
METSO美卓公司介绍:
METSO美卓集团是全球领先的过程加工及控制行业的供应商。
在全球50多个国家设有经营机构,美卓在全球约有22,000名员工。
主要业务领域为光纤及造纸技术,矿石加工和自动化控制。
公司在赫尔辛基及纽约的股票市场上市。
美卓是一家全球性的工程技术公司,2006年销售额约50亿欧元。
有25, 500名雇员在50 多各国家为用户服务。
应用在造纸、采矿、能源工业、石油、化工等领域。
美卓Metso主要产品:
美卓Metso控制阀,美卓Metso开关阀,美卓Metso球阀,美卓Metso 蝶阀, 美卓Metso执行机构,美卓Metso限位开关,Metso气锁阀,Metso 气动保位阀,Metso锁止阀,Metso气控换向阀,Metso继动器,Metso气动放大器,Metso空气过滤减压器,Metso阀门定位器,Metso电气转换器,Metso气电转换器,Metso调压阀,Metso针型阀。
neles控制阀设计用于能源和石油化工等领域
我们为工厂提供多种解决方案,如有特殊情况也可为用户定做普通控制阀基本参数:
钨铬钴合金阀座,表面硬化处理
阀内件采用高性能合金材料
阀杆防喷溅设计
阀体单片式,管道超压不会影响到阀门性能
气动执行机构
ND9000智能阀门定位器
每台阀都做性能测试
性价比高
产品名称:METSO 产品型号:SN1000002353 产品品牌:metso 产品产地:芬兰简单描述:metso,芬兰metso,metso定位器,metso阀门定位器,metso阀门Metso控制阀,美卓Metso开关阀,美卓Metso 球阀,美卓Metso蝶阀, 美卓Metso执行机构,美卓Metso限位开关,Metso气锁阀,Metso气动保位阀,Metso锁止阀,Metso气控换向阀,Metso继动器,Metso气动放大器,Metso空气过滤减压器,Metso阀门定位器,Metso电气转换器,Metso气电转换器,Metso调压阀,Metso针型阀
美卓Metso主要产品:
美卓Metso控制阀,美卓Metso开关阀,美卓Metso球阀,美卓Metso 蝶阀, 美卓Metso执行机构,美卓Metso限位开关,Metso气锁阀,Metso 气动保位阀,Metso锁止阀,Metso气控换向阀,Metso继动器,Metso气动放大器,Metso空气过滤减压器,Metso阀门定位器,Metso电气转换器,Metso气电转换器,Metso调压阀,Metso针型阀。
neles控制阀设计用于能源和石油化工等领域,我们为工厂提供多种解决方案,如有特殊情况也可为用户定做,普通控制阀基本参数:
1.钨铬钴合金阀座,表面硬化处理
2.阀内件采用高性能合金材料
3.阀杆防喷溅设计
4.阀体单片式,管道超压不会影响到阀门性能
5.气动执行机构
6.ND9000智能阀门定位器
7.每台阀都做性能测试
8.性价比高
美卓公司是可持续性技术服务的全球供应商,业务涵盖矿山、建筑、能源、金属回收、纸浆和造纸等行业。
与球磨机相比,Vertimill可以节约30%-50%能源,以相当小的研磨介质消耗量执行同样的研磨作业。
此外,该磨机具备比球磨机更少的活动部件,相当于降低了所需维护和运行成本。
该磨机的这些特性可以为矿山企业带来巨大的资源和费用节约。
新型Vertimill磨机与其它小型Vertimill磨机的交货时间相当,与传统球磨机相比,其交货时间要短得多。
美卓最近收购的Lachine制造厂可以在极具竞争力的交货时间内生产出新型高产Vertimill立式磨机,使美卓在二段搅拌磨市场中占据重要地位。
美卓矿机是全球性工程技术公司,2007年销售净额超过60忆欧元。
分布在约50个国家的27,000多名员工为制浆造纸、矿岩加工、能源和其他待业的客户提供优质服务。
美卓矿用筛产品系列
美卓充分利用其丰富的产品知识、无与伦比的行业经验和卓越的设计专有技术,为采矿行业创造具有突破性的振动筛产品系列。
将采矿行业标准设备,例如诺德伯格、斯维达拉、Allis Chalmers以及Hewitt Robbins,结合成一个统一的全球性新产品系列,即美卓矿用筛产品系列。
我们的产品系列包含下列机型:
MF (Multi Flo),线性运动曲面筛层
RF (Ripl –Flo),圆周运动曲面筛层
LH (Low –Head),线性运动水平筛层
产品的理想用途:
我们的新矿用筛产品系列专门为采矿业而设计和制造。
主要益处:
可与美卓Trellex筛分介质匹配设计,实现全面工艺保障。
所有组件全球标准化,保证供应链和制造、备品备件及技术支持收益全球产品支持和应用专业知识及本地专用专家
可配备美卓Trellex防尘密封装置
主要特性:
与美卓所有矿物加工设备以及其他品牌相匹配,美卓矿用筛具备独特的工艺保障。
其他特性包括:
自适应技术
新型线性运动齿轮箱和新型圆周运动激振器,且皆配备有冲程调整的可快速调节飞轮。
可采用三角皮带、中间轴和变速驱动装置进行驱动,以最优化所需要的速度。
与用户现场遥控监测装置匹配使用能力
在线筛子性能监测的有效性
新型24小时性能与工况监测系统
模块化筛分系统
利用模块化筛分的优势,您一定可以最佳成本效益方式进行生产。
Trellex LS系统是本公司最新开发模块化筛分系统,可赋予您模块化带来的所有益处,甚至更多。
LS系统可与绝大多数标准配件匹配使用,无需对现有模块化筛板框架进行任何改造。
Trellex TS系统开发于上世纪80年代,当时是唯一的一款模块化机型。
现在,通过采用革命性的阶梯效应,最大限度地提高了阶层作用,并最大限度地逐层筛除细料。
Trellex LS和Trellex TS
模块化筛分的某些益处:
水平筛板——物料分布更加均匀、细料筛除率更高、每个筛层均起到良好的筛分作用
标准规格和更均匀磨损,成本效益更高
安装简便——无需任何螺栓和螺母——快速锁扣固定意味着更短的停车时间
磨损区域的模块化部件,可单独和快捷地立刻更换
标准尺寸库存部件,节约库存资金且部件供应便捷
可用于湿式或干式操作,从细型到中型、粗型均可
美卓链篦机回转窑系统
铁矿石通过选矿富集到一定的铁含量。
铁精进入高炉或直接还原工厂前需要球团。
美卓可以设计提供链篦机回转窑系统。
相比其他形式的球团生产系统,这种系统设备可以以更低的成本生产质量更好的球团。
美卓设计并提供了世界最先进最大的链篦机回转窑系统。
与其他形式的球团生产系统相比,如竖炉或带式焙烧机,链篦机回转窑系统可以以更低的成本生产质量更好的球团。
美卓矿砂加热器的设计经济紧凑、相对较低热能/产出。
矿砂加热器适用于:
矿砂、重质矿砂、金红石
美卓系统的主要优点:
反应快
一个最重要的特征就是尺寸小。
EH120型的尺寸仅为1.000 x 1.350m x 2.600m。
设备可以吊起
此单元的活负载大约为2250kg
此单元可以适用于已有的管道而不会失去任何高度。
实际上,加热器安装后得到的高度是835mm。
多年丰富的焚烧炉和回转窑经验
可以安装在世界的任何地方
对工艺条件的真正了解
厂内设计可以定制适合的设备
流化床电加热器由一个矩形的被空气分散器或分布器隔开的钢制容器构成。
流态化鼓风机将常温空气从较低位置(或风箱)鼓入钢制容器中,然后通过分布器上的进气口到达较高位置(或膨胀室)。
需要加热的物料加到分布器上被浸入到料层的电热元件加热。
加热后的物料通过一个卸料堰从加热器中移出至一个卸料传送器上。
初级收尘设施是一个阻拦腔,这个阻拦腔与加热器的膨胀室是一体的。
热的粉尘被阻拦腔阻拦后返回与其他正在加热的物料混合。
经阻拦腔排出的气体直接进入普通的布袋收尘系统。
加热过程是自动控制的。
置于流化床中的热电偶控制电热元件的供电量,从而控制加热器的供热量。
美卓的电加热器在能了效率方面的优势主要在于其较快的温度反应速度。
电热元件安装在流化床料层内,外面包有不锈钢保护管。
电热
元件与不锈钢管间的距离非常近,因而热阻很小,热量可以快速的穿透到达管外。
在管外,持续流动的料层快速有效的将电热元件产生的热量吸收。
美卓EH120型电加热器的特点是将高密度的电热元件安装在一个相对狭小的空间内(在0.27m3的空间内产生240KW的能量),因此系统的热惯性非常低。
当温度或进料率改变时,加热器的热需求量也会改变。
因为热量从电热元件传导料层的速度非常快,电热元件的发热量可以很快的得到校正,从而较少了温度的波动。
在许多选矿工厂,这种波动时非常常见的。
每当产品的温度高于操作人员设定的温度时,就会有多余的热量被产品带走,也就降低了能量效率。