电子镇流器线路图大全1
- 格式:pdf
- 大小:766.09 KB
- 文档页数:20
40w电子镇流器电路图大全(六款模拟电路设计原理图详解)电子镇流器实物图如图1所示。
图1 电子镇流器实物图根据实物绘制的电路原理图如图2所示。
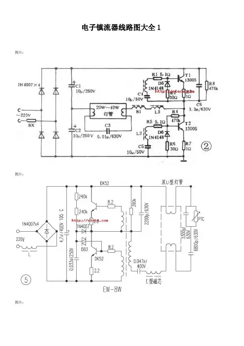
图2 电路原理图本电路由整流滤波电路、功率开关与驱动电路、镇流器与灯丝负载回路三部分组成。
组成电路的各个元件的作用如下:①整流二极管VD1~VD4和滤波电容器C1、C2串联组成桥式整流滤波电路,功能是将220V交流电经整流滤波后在C1、C2两端得到空载310V的直流电压,为后面的高频逆变电路提供工作电源。
②功率三极管VT1、VT2,作为开关管使用,工作于饱和与截止状态,其开关速度要快。
③电阻R1、R6是起振电阻,是为VT2初始导通提供偏置,从而激发VT1、VT2形成自激振荡。
同时电阻R1与电容C3并联组成降压启动电路,可在一定程度上减少过电压所带来的损失。
为保证电容C3可靠工作,其耐压值应选择大于两倍的电源电压,C3耐压值为630V.④二极管D5和D6,其作用是保护三极管VT1、VT2,并联在三极管基极和发射极之间可以大大削弱电荷存储效应,从而提高三极管开关速度。
⑤变压器T起信号互感耦合作用。
它是由单股芯线T1、T2、T3绕在磁环上形成的,由于开关管与其驱动电路部分是紧密联系相互依存,因此它们参数之间的关系在生产过程中比较难确定。
此电路中T1为3圈、T2为3圈、T3为5圈。
⑥电容C4并接于VT2基极和发射极之间,可防止基极和发射极间电位突变,能在一定程度上保护三极管VT2.⑦电阻R2、R3、R4、R5为保护电阻,用来保护三极管的,但是作用有限。
⑧电容C5是启动电容,有隔直流通交流的作用,阻止310V的直流电压直接进入日光灯管,允许20kHz的高频交流电压通过。
⑨扼流圈L、谐振电容C6组成串联谐振电路,其作用是起辉日光灯管和限制灯管工作电流。
电子镇流器的基本功能是将50Hz的工频电源转换成20kHz高频电源,而直接点亮日光灯管。
其工作过程是:接通电源后,经整流滤波后的310V直流电压通过C3、R1并联再与R5串联,给VT2的基极提供一个窄电流脉冲使VT2首先导通。
24W电子镇流器原理及接线图
24W电子镇流器原理图
元件清单:
R1 R2 820K
R3 R4 820K
R5 R8 15Ω
R6 R9 2.2Ω
R7 R10 R11 330K
C1 0.022μf 100v
C2 1500Pf 1000V
C3 4700Pf 1200V
C4 C5 10μf 250v
D1-D4 1N4007
D5 DB3 双向触发二极管
Q1 Q2 13003
L1 L2 L3 套在一个磁环内
镇流器线路图-原理图-日光灯电子整流器电路图
日光灯镇流器接线图
(1)当送出交流电时,因荧光灯属于冷灯,灯管电阻无穷大,大电流就流向阻抗比较小的启动器,因此氖灯会先亮一下子与电容形成崩溃,
此时电流流过灯管两端的钨丝,钨丝因此被加热,这段时间为0至A 的时间。
荧光灯电感镇流器接线图2)当时间在A时即电源电压为零伏,由于日光灯此时已为热灯,使得灯管内电阻相当小,此时启动器部分停止崩溃,接着时间A至时间B荧光灯点灯成功,并且时间B以后萤光灯两端的压降大约只有122伏特左右(20W萤光灯),使启动器不再崩溃,从此之后日光灯正常工作维持一定亮度,直到电源关闭日光灯熄灭。
(3)在时间A至时间B,电感镇流器(电感)两端感应电压为220伏,再加上电源220伏,其萤光灯两端总电压降为440伏,所以萤光灯需要大电压才能启动。
838电子
(4)在时间B之后,电感式镇流器(电感)扮演着恒流的重要角色,所以日光灯一直维持着固定的亮度。
日光灯的接线图
荧光灯电感镇流器接线图。
日光灯为什么必须使用整流器?由于日光灯具有负系数的阻抗特性:电流越大,电阻越小,灯管两端电压逐渐减小。
而电源电压恒定,则多余的电压会损坏灯管。
所以必须在电路上串联一个具有正系数阻抗特性的原件——整流器,来分担多余的电压。
第一种电路简介:D1~D4,整流电路C1~C2/R1,稳压电路R2~R3/C3,充放电电路Q1~Q2/L1~L3,锯齿波振荡发生电路L4,起辉/限流C6,灯管运行中通过微小电流,辅助加热灯丝。
图表 1原理 1. 市电经D1~D4整流后,由C1、C2稳压、滤波后,得到±150V 左右的电源。
2. 电源经R3、R2对C3充电,当C3两端电压达到18V 后,D7导通,Q2正偏导通。
3. 当Q2一旦导通,C3通过Q2、R6放电,为Q2由导通变为截止作准备。
4. L2上部电位迅速降低,由于电感线圈特性——维持电流稳定:所以,L2上产生继续向下流动电流,即产生自感电势:上负下正。
5. 同特芯耦合线圈作用,L1上产生一个上正下负感应电势,R7电位上升,Q1由截止变为导通。
6. C3放电使得R8电位降低,和L2共同作用,使得Q2截止。
7. Q1导通、Q2截止后,C3又恢复充电,为Q2导通作准备。
8. 这样Q1、Q2交替工作形成振荡状态,在L1、L2上形成锯齿波形信号。
9. 振荡信号经L3耦合、并由L4放大升压输出:10. Q2导通、Q1截止时:电流回路:C2上端为正——经过下灯丝——C6——上灯丝——L4——L3——Q2——R6——C2下端。
11. Q1导通、Q2截止时:电流回路:C1上端为正——Q1——R5——L3——L4——经过上灯丝——C6——下灯丝——C1下端。
I12.使L4、C6组成的串联谐振电路谐振,产生较高的脉冲谐振电压使灯管燃亮,灯点燃后,由于大部分电流流经灯管,C6电流很小,串联谐整停止,L4起到限流的作用,Q1、Q2继续交替导通,将300V直流电源逆变为25KHZ左右的锯齿波形电流(灯管正常后,灯管两端约为110V电压,其余电压由整流器承担)。
电子镇流器线路图大全1图片:图片:图片:图片:浅析新型逆变式电子镇流器工作原理与设计方法(组图)发布日期:2005-2005-09-10文章来源:谢勇张纳敏照明工程师社区浏览次数:15387摘要:介绍一种新型逆变式电子镇流器电路结构,该电子镇流器利用电感、电容和二极管构成的辅助电路实现输入电流波形的校正并使功率开关管工作在零电压开关状态,具有高功率因数、高工作效率、低波峰系数和电路结构简单的特点。
分析了电路的工作原理,介绍了电路参数设计方法,给出了实验结果。
1 引言由于电子镇流器具有较高的灯光效、高的功率因数、重量轻、无闪烁、无噪声和使用电压范围较宽(170~270V)等优点,在我国已得到广泛的应用。
电子镇流器功率虽小,但使用量极大。
因而其性能好坏直接影响到节电效果和对电网污染的程度。
本文介绍的电子镇流器不但性能好,而且电路结构简单,成本低,具有较好的应用前景。
2 电路工作原理分析2.1 电路结构新型逆变式电子镇流器主电路如图1所示,图中CS为隔直电容,虚线所包围的部分为实现高功率因数而附加的电路,电感L为一个能量传输者传递着电流,同时也起着提高直流电压和电流波形校正的作用。
两个电容Cx、CY为两个小型能量槽储存一部分能量,这两个能量槽在高频方式下完成充放电功能。
两个二极管VDx、VDy引导电感电流进入电解电容C或负载回路。
由于附加能量处理单元的作用,使整流二极管导通角增大到180°。
电感L中的电流是一个高频振荡波形,其平均值电流跟随输入电压的波形,从而达到功率因数校正的目的。
R1、C1、双向触发二极管VD4为触发启动电路。
2.2 工作过程为了分析方便,输入电压和整流桥被等效成Urec(t)和VDr表示,其中Urec(t)=Uimㄧsinωtㄧ,Uim为输入电压峰值,ω为输入交流电压频率。
灯负载回路等效成一个电流源电路,其电流表达式为io(t)=Iomsinωot(Iom为负载电流幅值,ωo为功率管开关频率)。
电子镇流器原理图详解:目前气体放电灯常用的镇流器有两种:电感式镇流器和高频交流电子镇流器。
由于电感式镇流器工作在工频市电频率,体积大、笨重,还需消耗大量铜和硅钢等金属材料,散热困难、工作效率低、灯发光有频闪,所以现在一些电光源界的科技工作者纷纷寻找新的镇流方法,而高频交流电子镇流器就是一种有效方法。
正在浏览相册:电子镇流器电路图三极管13003电子镇流器电路用三极管13003做开关管组成的常见电子镇流器电路及实物图电子镇流器电路图1图2 图3图4 用的13003开关管图5 电路板本文来自: 原文网址:/sch/gd/0074586.html12V节能灯电路图及原理分析---------------------------------------------------------------------------------12V节能灯电路图如下图所示.该台灯用红外光作读写距离的监测,光敏二极管作环境亮度的监测。
电路(见图1)、红外接收电路(见图1)、环境亮度检测电路(见图4)、报警电路(见图3)、调光及功能选择电路(见图5)等组成。
电路:由V5、V6、R10、C9组成RC选频将直流电转换为具有一定频率交流电信号输出的电路">振荡器,振荡信号经R12送入红外发光频率的红外光信号。
电路:D1接收信号由V1、V2放大,D2、D3、C8倍压检波,V3、V4电子开关组成。
当红外光电二极管接收到红外光信号后,如强度足够,则V3导通,V4截止,A点不“接地”;反之,如强度不足或接收不到红外线信号,则V3截止,V4导通,A与地相接。
使SCR2关断,灯熄;同时报警电流流过的路叫做电路">电路工作。
环境亮度检测电路:当环境亮度低时(不适宜读写),光敏二极管D5阻值变大,V9因b极为低电平而截止,D6发光指示报警。
反之,D6熄灭。
报警电路:该电路是一个声频将直流电转换为具有一定频率交流电信号输出的电路">振荡器,C3为负反馈电容。
日光灯电子整流器电路工作原理及电路图日光灯为什么必须使用整流器?由于日光灯具有负系数的阻抗特性:电流越大,电阻越小,灯管两端电压逐渐减小。
而电源电压恒定,则多余的电压会损坏灯管。
所以必须在电路上串联一个具有正系数阻抗特性的原件一—整流器,来分担多余的电压。
第一种电路简介:D1~D4,整流电路C1~C2/R1,稳压电路R2~R3/C3,充放电电路Q1~Q2/L1~L3,锯齿波振荡发生电路L4,起辉/限流C6,灯管运行中通过微小电流,辅助加热灯丝。
05C5原理1. 市电经D1〜D4整流后,由C1、C2稳压、滤波后,得到土 150V 左右的电源。
2. 电源经R3 R2对C3充电,当C3两端电压达到18V 后,D7导通,Q2正偏导通。
3. 当Q2一旦导通,C3通过Q2、R6放电,为Q2由导通变为截止作准备。
4. L2上部电位迅速降低, 由于电感线圈特性一一维持电流稳定: 所以,L2上产生继续向下流动电流, 即产生自感电势:上负下正。
5. 同特芯耦合线圈作用,L1上产生一个上正下负感应电势, R7电位上升,Q1由截止变为导通。
6. C3放电使得R8电位降低,和L2共同作用,使得 Q2截止。
7. Q1导通、Q2截止后,C3又恢复充电,为 Q2导通作准备。
8. 这样Q1、Q2交替工作形成振荡状态,在 L1、L2上形成锯齿波形信号。
9.振荡信号经L3耦合、 并由L4放大升压输出:10. Q2导通、Q1截止时: 电流回路:—经过下灯丝一- - C6——上灯丝—— L4—— L3—— Q2C2上端为正R6— C2下端。
11. Q1导通、Q2截止时: 电流回路: C1上端为正一—Q1——R5- —L3—— L4——经过上灯丝—— C6——下灯丝一一C1下端。
12. 使L4、C6组成的串联谐振电路谐振, 产生较高的脉冲谐振电压使灯管燃亮, 灯点燃后,由于大部分电流流经灯管,C6电流很小,串联谐整停止, L4起到限流的作用,Q1、Q2继续交替导通,将 300V 直流电源 逆变为25KHZ 左右的锯齿波形电流(灯管正常后,灯管两端约为110V 电压,其余电压由整流器承担)。
日光灯电子整流器电路工作原理及电路图日光灯为什么必须使用整流器?由于日光灯具有负系数的阻抗特性:电流越大,电阻越小,灯管两端电压逐渐减小。
而电源电压恒定,则多余的电压会损坏灯管。
所以必须在电路上串联一个具有正系数阻抗特性的原件——整流器,来分担多余的电压。
第一种电路简介:D1~D4,整流电路 C1~C2/R1,稳压电路 R2~R3/C3,充放电电路Q1~Q2/L1~L3,锯齿波振荡发生电路 L4,起辉/限流C6,灯管运行中通过微小电流,辅助加热灯丝。
图表1I原理1.市电经D1~D4整流后,由C1、C2稳压、滤波后,得到±150V左右的电源。
2.电源经R3、R2对C3充电,当C3两端电压达到18V后,D7导通,Q2正偏导通。
3.当Q2一旦导通,C3通过Q2、R6放电,为Q2由导通变为截止作准备。
4.L2上部电位迅速降低,由于电感线圈特性——维持电流稳定:所以,L2上产生继续向下流动电流,即产生自感电势:上负下正。
5.同特芯耦合线圈作用,L1上产生一个上正下负感应电势,R7电位上升,Q1由截止变为导通。
6.C3放电使得R8电位降低,和L2共同作用,使得Q2截止。
7.Q1导通、Q2截止后,C3又恢复充电,为Q2导通作准备。
8.这样Q1、Q2交替工作形成振荡状态,在L1、L2上形成锯齿波形信号。
9.振荡信号经L3耦合、并由L4放大升压输出:10.Q2导通、Q1截止时:电流回路:C2上端为正——经过下灯丝——C6——上灯丝——L4——L3——Q2——R6——C2下端。
11.Q1导通、Q2截止时:电流回路:C1上端为正——Q1——R5——L3——L4——经过上灯丝——C6——下灯丝——C1下端。
12.使L4、C6组成的串联谐振电路谐振,产生较高的脉冲谐振电压使灯管燃亮,灯点燃后,由于大部分电流流经灯管,C6电流很小,串联谐整停止,L4起到限流的作用,Q1、Q2继续交替导通,将300V直流电源逆变为25KHZ左右的锯齿波形电流(灯管正常后,灯管两端约为110V电压,其余电压由整流器承担)。
常用荧光灯电子镇流器电路与应用1.1采用逐流电路的荧光灯电子镇流器电路1.采用逐流电路的30W荧光灯电子镇流器电路该电路如图1所示,电子镇流器主振荡级选用双向触发二极管组成的半桥逆变自激振荡电路。
为提高电路的功率因数,采用了逐流滤波无源功率因数校正电路,该无源功率因数校正电路由二极管VD5、VD6、VD7及电容C1、C2等元器件组成。
这里,利用逐流滤波无源功率因数校正电路可以使电子镇流器的功率因数由0.6提高到0.95。
图1 采用逐流电路的30W荧光灯电子镇流器电路电容器C3起滤除电磁谐波干扰的作用,使输入电源的总谐波失真减至最小。
电容器C7同样具有滤除谐波干扰的功能,对加至荧光灯负载的射频干扰有很好的衰减作用。
在双向触发二极管DB3回路中串联低值电阻R3,可有效地降低触发电路的浪涌脉冲电流对DB3的冲击,起到了过电流、过电压限幅的作用。
所以,锯齿波发生器的启动电容器C4的容量才可以加大,以延长荧光灯灯管的预热启辉时间。
串联谐振电容器为两个同容量、同耐压值的电容器C8、C9的串联。
这样相应地提高了串联谐振电容器的总耐压值,以确保串联谐振电容器可靠工作。
该电路的主要电气参数如表1所示,电路元件表如表2所示。
2.采用逐流电路的20W荧光灯电子镇流器电路该电子镇流器电路如图2所示。
高频电感L1为射频干扰抑制电感,与高频滤波电容器C9相配合,能有效地滤除半桥功率逆变电路中产生的高次谐波脉冲干扰电流对电网的污染,降低了电子镇流器使用时对其他家用电器的射频干扰。
图2 采用逐流电路的20W荧光灯电子镇流器电路整流二极管VD5、VD6、VD7与电解电容器C1、C2构成无源逐流滤波电路,改善了普通桥式整流、单电容滤波电路使交流输入市电电流波形严重畸变的弊端。
无源逐流滤波电路与L1、C9相配合,可以使电子镇流器的功率因数提高到0.95。
图2中的VT3、VT4构成该电子镇流器的过电压、过电流故障保护电路。
当电子镇流器电路的主振电路正常工作时,并联在直流回路里的电阻R10、R11 起分压作用,在电阻R11上分出的电压给钳位二极管VD11提供一个反偏电压,使二极管VD11截止。
电子镇流器的工作原理图-基础电子电子镇流器的线路形式有很多种,但其电路模式大同小异。
其中串联谐振式是较为典型的一种,如图7-10所示。
它实际上是一种逆变电路,两只晶体管集电极电压波形为矩形波,频率为20-60kH。
.该电路由整流滤波电路(VC、C.)、高频振荡开关电路(R,、C4.VD2、VT1、VT2‘及T)和输出负荷谐振电路(L、C6)等部分组成,C5为抗干扰电容。
工作原理:接通电源,220V交流电经整流桥VC整流、电容C1滤波后,得到310V的直流电压。
该电压经电阻R.向电容C4充电,当C4上的电压超过双向触发二极管VD:的触发电压(16-25V)时,VD2导通,一正向脉冲电流加到晶体管VT:的基极,使其导通。
此时3IOV电压经电容C2、二极管VD3、电容C¨荧光灯下端灯丝、电感L、变压器T绕组W3、VT2及电阻R6所构成的充电回路充电。
电容C6与电感L组成一串联谐振电路,当VT2导通时,因变压器T中绕组W1、W2、W,极性缘故,VT:仍保持导通,VT1反向截止。
当充电过程结束瞬间,W.和W2感应电动势极性突然反向,此时电路翻转,VT1变为导通,VT2变为截止。
于是串联谐振电路中的电容C4上所充之电通过VT1及Rs放电,使串联谐振电路产生振荡,并产生方波(即开关波)电压。
方波馈到电感L和电容C6的串联谐振电路,形成近似正弦波的高频(30-60kHz)振荡电压。
串接在充放电回路中的荧光灯灯丝同时也获得预热。
C6上的高频电压直接加到灯管两端,而使灯管点亮(起动时达300-400V),灯管点亮后,由于电感L的限流作用,电压降为90-100V的工作电压。
电流主要通过灯管,但C6支路仍有一定分流,而对灯丝有辅助加热作用。
图中,电容C2起隔直作用;二极管VD3、VD4起电压峰值阻尼作用,以防止灯管早期端头发黑;谐振电路的频率主要由电感L 和电容C6决定,C5和W3对频率也有一定影响。
电子镇流器线路图大全1图片:图片:图片:图片:浅析新型逆变式电子镇流器工作原理与设计方法(组图)发布日期:2005-2005-09-10文章来源:谢勇张纳敏照明工程师社区浏览次数:15387摘要:介绍一种新型逆变式电子镇流器电路结构,该电子镇流器利用电感、电容和二极管构成的辅助电路实现输入电流波形的校正并使功率开关管工作在零电压开关状态,具有高功率因数、高工作效率、低波峰系数和电路结构简单的特点。
分析了电路的工作原理,介绍了电路参数设计方法,给出了实验结果。
1 引言由于电子镇流器具有较高的灯光效、高的功率因数、重量轻、无闪烁、无噪声和使用电压范围较宽(170~270V)等优点,在我国已得到广泛的应用。
电子镇流器功率虽小,但使用量极大。
因而其性能好坏直接影响到节电效果和对电网污染的程度。
本文介绍的电子镇流器不但性能好,而且电路结构简单,成本低,具有较好的应用前景。
2 电路工作原理分析2.1 电路结构新型逆变式电子镇流器主电路如图1所示,图中CS为隔直电容,虚线所包围的部分为实现高功率因数而附加的电路,电感L为一个能量传输者传递着电流,同时也起着提高直流电压和电流波形校正的作用。
两个电容Cx、CY为两个小型能量槽储存一部分能量,这两个能量槽在高频方式下完成充放电功能。
两个二极管VDx、VDy引导电感电流进入电解电容C或负载回路。
由于附加能量处理单元的作用,使整流二极管导通角增大到180°。
电感L中的电流是一个高频振荡波形,其平均值电流跟随输入电压的波形,从而达到功率因数校正的目的。
R1、C1、双向触发二极管VD4为触发启动电路。
2.2 工作过程为了分析方便,输入电压和整流桥被等效成Urec(t)和VDr表示,其中Urec(t)=Uimㄧsinωtㄧ,Uim为输入电压峰值,ω为输入交流电压频率。
灯负载回路等效成一个电流源电路,其电流表达式为io(t)=Iomsinωot(Iom为负载电流幅值,ωo为功率管开关频率)。
日光灯电子整流器电路工作原理及电路图日光灯为什么必须使用整流器?由于日光灯具有负系数的阻抗特性:电流越大,电阻越小,灯管两端电压逐渐减小。
而电源电压恒定,则多余的电压会损坏灯管。
所以必须在电路上串联一个具有正系数阻抗特性的原件——整流器,来分担多余的电压。
第一种电路简介:D1~D4,整流电路 C1~C2/R1,稳压电路 R2~R3/C3,充放电电路Q1~Q2/L1~L3,锯齿波振荡发生电路 L4,起辉/限流C6,灯管运行中通过微小电流,辅助加热灯丝。
图表 1UI灯管UI灯管整流器原理1.市电经D1~D4整流后,由C1、C2稳压、滤波后,得到±150V左右的电源。
2.电源经R3、R2对C3充电,当C3两端电压达到18V后,D7导通,Q2正偏导通。
3.当Q2一旦导通,C3通过Q2、R6放电,为Q2由导通变为截止作准备。
4.L2上部电位迅速降低,由于电感线圈特性——维持电流稳定:所以,L2上产生继续向下流动电流,即产生自感电势:上负下正。
5.同特芯耦合线圈作用,L1上产生一个上正下负感应电势,R7电位上升,Q1由截止变为导通。
6.C3放电使得R8电位降低,和L2共同作用,使得Q2截止。
7.Q1导通、Q2截止后,C3又恢复充电,为Q2导通作准备。
8.这样Q1、Q2交替工作形成振荡状态,在L1、L2上形成锯齿波形信号。
9.振荡信号经L3耦合、并由L4放大升压输出:10.Q2导通、Q1截止时:电流回路:C2上端为正——经过下灯丝——C6——上灯丝——L4——L3——Q2——R6——C2下端。
11.Q1导通、Q2截止时:电流回路:C1上端为正——Q1——R5——L3——L4——经过上灯丝——C6——下灯丝——C1下端。
12.使L4、C6组成的串联谐振电路谐振,产生较高的脉冲谐振电压使灯管燃亮,灯点燃后,由于大部分电流流经灯管,C6电流很小,串联谐整停止,L4起到限流的作用,Q1、Q2继续交替导通,将300V直流电源逆变为25KHZ左右的锯齿波形电流(灯管正常后,灯管两端约为110V电压,其余电压由整流器承担)。
日光灯电子整流器电路工作原理及电路图日光灯为什么必须使用整流器由于日光灯具有负系数的阻抗特性:电流越大,电阻越小,灯管两端电压逐渐减小。
而电源电压恒定,则多余的电压会损坏灯管。
所以必须在电路上串联一个具有正系数阻抗特性的原件——整流器,来分担多余的电压。
第一种电路简介: D1~D4,整流电路 C1~C2/R1,稳压电路 R2~R3/C3,充放电电路Q1~Q2/L1~L3,锯齿波振荡发生电路 L4,起辉/限流C6,灯管运行中通过微小电流,辅助加热灯丝。
图表 1U灯管UI灯管整流器原理市电经D1~D4整流后,由C1、C2稳压、滤波后,得到±150V左右的电源。
电源经R3、R2对C3充电,当C3两端电压达到18V后,D7导通,Q2正偏导通。
当Q2一旦导通,C3通过Q2、R6放电,为Q2由导通变为截止作准备。
L2上部电位迅速降低,由于电感线圈特性——维持电流稳定:所以,L2上产生继续向下流动电流,即产生自感电势:上负下正。
同特芯耦合线圈作用,L1上产生一个上正下负感应电势,R7电位上升,Q1由截止变为导通。
C3放电使得R8电位降低,和L2共同作用,使得Q2截止。
Q1导通、Q2截止后,C3又恢复充电,为Q2导通作准备。
这样Q1、Q2交替工作形成振荡状态,在L1、L2上形成锯齿波形信号。
振荡信号经L3耦合、并由L4放大升压输出:Q2导通、Q1截止时:电流回路:C2上端为正——经过下灯丝——C6——上灯丝——L4——L3——Q2——R6——C2下端。
Q1导通、Q2截止时:电流回路:C1上端为正——Q1——R5——L3——L4——经过上灯丝——C6——下灯丝——C1下端。
使L4、C6组成的串联谐振电路谐振,产生较高的脉冲谐振电压使灯管燃亮,灯点燃后,由于大部分电流流经灯管,C6电流很小,串联谐整停止,L4起到限流的作用,Q1、Q2继续交替导通,将300V直流电源逆变为25KHZ左右的锯齿波形电流(灯管正常后,灯管两端约为110V电压,其余电压由整流器承担)。
高压钠灯电子镇流器电路图高压钠灯电子镇流器电路图采用PM4020H设计的(HID)或高压钠灯电子镇流器:采用大电流推拉电路,可以驱动半桥和全桥电路。
桥路输出采用低频交流,PM4020H内置分频器将单端驱动的频率到195Hz的低频,因此消除了声共振PM4020H控制器HPM4020H集成了控制和驱动HIDL所有的功能需要,它适用于金属卤素灯(如汽车大灯、放映机灯等)、高压汞灯和高压钠灯等高强度放电灯控制器的驱动和控制。
它包含一个完全的电流模式脉宽调制器、一个灯功率调节器、灯温补偿器和所有采用PM4020H设计的(HID)或高压钠灯电子镇流器:采用大电流推拉电路,可以驱动半桥和全桥电路。
桥路输出采用低频交流,PM4020H内置分频器将单端驱动的频率到195Hz的低频,因此消除了声共振PM4020H控制器HPM4020H集成了控制和驱动HIDL所有的功能需要,它适用于金属卤素灯(如汽车大灯、放映机灯等)、高压汞灯和高压钠灯等高强度放电灯控制器的驱动和控制。
它包含一个完全的电流模式脉宽调制器、一个灯功率调节器、灯温补偿器和所有故障保护。
HPM4020H的结构和功能如图1所示。
采用大电流推拉电路,可以驱动半桥和全桥电路。
桥路输出采用低频交流,PM4020H内置分频器将单端驱动的频率到195Hz的低频,因此消除了声共振。
声共振是HIDL在高频电源供电时出现的放电电弧不稳的现象,其机理是灯管内压力波的脉动从管内壁反射回来,如果与高频电流的脉动成分相位相同,则形成驻波,产生声共振,轻则灯光抖动,重则烧毁灯管和镇流器。
控制器的输出采用全桥逆变器。
逆变器工作在195Hz的低频,灯的平均电压为零。
桥路的驱动由脚QOUT和QOUT输出,它们均以50%的占空比工作,相差180°。
采用IR2112驱动高端和低端的MOSFET管。
这样的方法成本较贵,也可以低端直接驱动,高端采用一个高压晶体管、一个上拉电阻以及正确的相位。
识读电子镇流器原理图电子镇流器是由数种电子元器件构成的,它实际上是大功率晶体管高频开关振荡电路。
晶体管开关振荡电路的形式有单管振荡型、双管串联推挽振荡型、双管并联推挽振荡型、双管互补推挽振荡型。
目前世界上使用的场效应管的电子镇流器大多采用串联推挽振荡型,电路形式如图1所示。
图1 电子镇流器原理图一、电子镇流器结构图2 电子镇流器组成二、电子镇流器单元电路组成1、电子镇流器供电来源电子镇流器在市面上使用最多的电子镇流器都是使用的照明用电220V交流电供电,其主要原因是220V交流电电源供电量充足,使用方便。
该电子镇流器采用单项插头,经过BL、WH与外界的220V交流电插座配合使用,为电子镇流器提供电能。
2、防干扰电路组成防干扰电路由图1中的L1、C1构成EMI电子滤波器。
具备隔离220V交流电和电子镇流器,功能是放止220V交流电上寄生的高频脉冲对电子镇流器元器件进行冲击,也防止电子镇流器内部产生的干扰脉冲电压回馈到电网电压220V交流电上,对其他用户构成影响。
3、整流滤波电路组成整流滤波电路由D1、D2、D3、D4和EC1、EC2构成。
将外界输入的220V交流电转变为约为310V直流电输出。
4、启动控制电路组成R1、R2、R3、C2为积分电路,与D5、DB1构成启动控制电路。
确保在电路通电瞬间促使场效应管Q2导通、Q1关断。
5、振荡逆变电路组成场效应管Q1、Q2以及高频振荡变压器T1(T1A、T1B、T1C)构成变压器反馈串联推挽式开关振荡电路,也称为振荡逆变电路或称为变流器,输出脉动的高频振荡信号,振荡频率为20~60KHz。
6、串联谐振启辉电路T2、C6、C7构成串联谐振启辉电路。
由YEL1、YEL2、BLUE1、BLUE2分别接负载(节能灯)的灯丝,通过串联谐振启辉电路启动负载工作。
7、保护电路图1中的RV、RT为压敏电阻,防止出现过压对电子镇流器的电压冲击,具有过压保护作用。
图1中ZD1、ZD2、ZD3、ZD4在电路中具有钳位作用,防止Q1、Q2两端电压过高,对Q1、Q2起到保护的作用。
三、电子镇流器的特点电子镇流器的工作原理是将工频(50Hz或60Hz)电源变换成20~50KHz左右高频电源,直接点灯,无需其它限流器件。
与电感镇流器相比,电子镇流器具有以下优点:1、节能:1)照明效率提高普通荧光灯的工作频率为50Hz,其照明高效率因所谓的正电(或负电)降落的存在而很低,当电源频率在1000Hz以上时,这种正电(或负电)降落现象消失。
而电子镇流器工作频率一般都在20一50kHz,不产生正电或负电电位跌落,这就是电子镇流器能提高照明效率的原因。
2)电子镇流器自身功率损耗低。
电子镇流器的自身消耗功率较难测量,经间接测量估算,工作点调整较好的电子镇流器,其自身消耗一般都在灯功率的5%以下。
2、其它优点由于应用了高频电感,电子镇流器体积小,重量轻;低电压可启动点燃灯管;无需启辉器;无频闪,无噪声等等。
四、电子镇流器的组成与主流电路分析1、电子镇流器的组成电子镇流器由抗干扰滤波器、整流滤波电路、功率因数调整器、高频变换、谐振电路、异常状态保护电路和荧光灯组成,其方框图如图1所示,各部分作用如下:1)抗干扰滤波器:防止电子镇流器产生的高频干扰信号进入到电网造成幅射;2)整流滤波电路:将220V的工频(50Hz或60Hz)交流电变换成310V的直流电,作为电子镇流器的电源;3)功率因数调整器:对本机的功率因数进行调整和补偿;4)高频变换电路:电子镇流器的心脏电路,将直流电源变换成20K~50KHz左右高频电源,去驱动荧光灯。
本电路通常采用一对功率管(三极管或场效应管)组成的自激振荡器来实现;5)谐振电路:用来取代普通荧光灯的启辉器,它在荧光灯起辉前,可以等效为一个串联谐振电路,其振荡频率与高频变换电路的频率一致,谐振时,在电容C上产生一个很高的电压,确保灯管着火点亮。
灯管点亮其等效电阻减小,此电阻与电容C并联,大大地降低了谐振电路的Q值,该电路又成为了一个RL串联电路,L变成了一个限流器;6)异常状态保护电路:当荧光灯不能正常点亮时,很高的谐振电压会使功率器件烧毁,本电路的作用是保护功率器件在异常状态时不会烧毁;7)荧光灯:作用是将20K~50KHz左右高频电能变换成光能。
电子镇流器线路图大全1图片:图片:图片:图片:浅析新型逆变式电子镇流器工作原理与设计方法(组图)发布日期:2005-2005-09-10文章来源:谢勇张纳敏照明工程师社区浏览次数:15387摘要:介绍一种新型逆变式电子镇流器电路结构,该电子镇流器利用电感、电容和二极管构成的辅助电路实现输入电流波形的校正并使功率开关管工作在零电压开关状态,具有高功率因数、高工作效率、低波峰系数和电路结构简单的特点。
分析了电路的工作原理,介绍了电路参数设计方法,给出了实验结果。
1 引言由于电子镇流器具有较高的灯光效、高的功率因数、重量轻、无闪烁、无噪声和使用电压范围较宽(170~270V)等优点,在我国已得到广泛的应用。
电子镇流器功率虽小,但使用量极大。
因而其性能好坏直接影响到节电效果和对电网污染的程度。
本文介绍的电子镇流器不但性能好,而且电路结构简单,成本低,具有较好的应用前景。
2 电路工作原理分析2.1 电路结构新型逆变式电子镇流器主电路如图1所示,图中CS为隔直电容,虚线所包围的部分为实现高功率因数而附加的电路,电感L为一个能量传输者传递着电流,同时也起着提高直流电压和电流波形校正的作用。
两个电容Cx、CY为两个小型能量槽储存一部分能量,这两个能量槽在高频方式下完成充放电功能。
两个二极管VDx、VDy引导电感电流进入电解电容C或负载回路。
由于附加能量处理单元的作用,使整流二极管导通角增大到180°。
电感L中的电流是一个高频振荡波形,其平均值电流跟随输入电压的波形,从而达到功率因数校正的目的。
R1、C1、双向触发二极管VD4为触发启动电路。
2.2 工作过程ㄧ,为了分析方便,输入电压和整流桥被等效成Urec(t)和VDr表示,其中Urec(t)=UimㄧsinωtUim为输入电压峰值,ω为输入交流电压频率。
灯负载回路等效成一个电流源电路,其电流表达式为io(t)=Iomsinωot(Iom为负载电流幅值,ωo为功率管开关频率)。
由于逆变电路开关频率远比输入交流电压频率高,在分析过程的每一开关周期中可认为输入电压是近似不变的。
又由于该逆变电路在输入电压峰值附近和输入电压瞬时值较低时的工作状态略有不同,分析时按两种情况讨论。
对应的等效电路图及工作波形图分别如图2和图3所示。
第一种工作情况:这种工作情况对应于输入电压瞬时值较低时的工作状态。
整个工作过程分五个阶段,此种情况下Ucx最大值低于电解电容C两端直流电压Udc,而且电感电流iL是断续的。
(1)第Ⅰ阶段功率管VF2导通并同时通过iL及iO电流,Cx被iL充电,而CY电压被箝位于零,在这一阶段结束时,电感电流谐振到零,Cx上电压达到最大值,VDr和VDy关闭。
(2)第Ⅱ阶段负载电流流过功率管VF2,iL保持为零。
在这一阶段结束时,关断VF2。
(3)第Ⅲ阶段VF2关断后,Cx通过负载回路放电,Ucx下降。
(4)第Ⅳ阶段随着Ucx的下降,当整流电压高于Ucx时,VDr导通,入端电流通过电感开始对CX和CY充电。
由于Cx中放电电流大于充电电流,因此Ucx继续下降直到零为止,此时VD1导通。
(5)第V阶段VD1导通后,VD1中流过的电流为负载电流与电感电流之差,随着负载电流的减小和电感电流的上升,在这一阶段结束时,VDl续流结束。
功率管VFl开始导通进入后半周期。
由于后半周期工作与前半周期相似,不再详述。
第二种工作情况:此种工作情况对应于输入电压在峰值附近时的工作状态。
整个工作过程分四个阶段,在这种情况下,Ucx的最大值能达到电解电容C两端直流电压Udc,电感电流是连续的。
(1)第1阶段VF2导通,在此之前Cx上电压已经升高并钳位于Udc。
因为C比Cx大得多,所以电感电流都经C通过,因此VF2仅仅通过负载电流。
在这一阶段结束时,关断VF2。
(2)第Ⅱ阶段VF2关断后,CX中能量向负载放电,电感电流向Cy充电。
由于此阶段为输入电压的峰值附近,所以电感电流也处在峰值附近,对CY的充电速率加大。
在此阶段中Ucx与UCY 之和接近于但小于Udc。
而在本阶段结束时,Ucx与UCY之和达到Udc,使VDy导通。
(3)第Ⅲ阶段VDy导通后,使电感电流通过C形成通路。
而Cx又通过负载回路放电,在这一阶段结束时,Ucx已降为零,UCY升到Udc,使VD1导通。
(4)第Ⅳ阶段VD1开始续流,续流电流为负载电流与电感电流的差值,当VD1续流结束时,功率管VFl导通,进入后半周期。
3 电路工作特点(1)功率管工作在零电压开关状态。
功率管在反并联二极管续流时开通,可以实现零电压开通。
功率管VF2关断时,其电流iVF2瞬间下降为零,原来流过VF2的电流转向对CX放电。
VF2的漏源电压为Udc减去Ucx,使VF2漏源电压以某一斜率上升,这个斜率的大小取决于CX放电速率的大小,这就保证了VF2关断时漏极电流与漏源电压交叠几乎很小,达到了零电压关断的效果。
(2)高功率因数。
在每一开关周期内,电容Cx或CY先是储存能量,然后再把存储的能量传送到负载。
整流二极管导通角可达到半周期。
由于能量处理单元所储存的能量主要对电解电容C和负载放电,因此功率开关管的电流等级与普通电子整流器相同。
(3)与普通泵式电子整流器相比,C两端直流电压偏低,有利于降低对功率管耐压的要求。
(4)灯电流波峰系数较小。
4 电路主要参数计算假设负载电流与电感电流在正半周的两个交点对应的角度分别为:a,π-a。
根据电容上电压电流的关系可得:Cx=[Iomc浅谈电子镇流器的工作原理浅谈电子镇流器的工作原理【摘要】本文主要讨论了高频交流电子镇流技术的发展、应用、典型电路、存在问题及发展方向。
介绍了典型应用集成电路和相关设计软件。
【关键词】高频交流电子镇流半桥逆变buck-boost PFC 单级变换一、高频交流电子镇流由于气体放电灯(如荧光灯、霓虹灯、卤素灯、金卤灯等)是一种负阻性电光源(特性曲线如图1所示)要使其正常稳定工作,需加一个限流装置。
这个限流装置叫做镇流器。
目前气体放电灯使用的镇流器有两种:(1)电感式镇流器;(2)高频交流电子镇流器。
由于电感式镇流器工作在市电频率,体积大、笨重,还需消耗大量铜和硅钢等金属材料,散热困难、效率低、有频闪,所以现在一些电光源界的科技工作者纷纷寻找新的镇流方法,而高频交流电子镇流器就是一种有效方法。
电子镇流采用高频开关变换电子线路的方法实现镇流,具有无频闪、效率高、体积小、重量轻、可调光,不使用大量铜材和硅钢材料的特点,所以自20世纪70年代以来,高频交流电子镇流器一问世,由于它的体积小、发光效率高(发光效率与工作频率关系曲线如图2 所示)无频闪效应,适应供电电压范围宽、节能的一系列优点,受到了用户的欢迎。
据统计,世界上照明用电占了世界上产生的总电量的1/4,如仅将现用的200亿只灯泡中的50亿只换成节能的电子镇流灯泡,就可节省200GW的电能,从而少建几十个电站。
由于高频交流电子镇流器节能和巨大的市场潜力,进入20世纪90年代后,各种气体放电照明灯广泛采用高频电子镇流器,形成一个"绿色照明"的新兴产业。
"绿色照明"是90年代初国际上对节约电能、保护环境照明系统的形象说法。
美、英、法、日等主要发达国家和部分发展中国家先后制定了"绿色照明"的计划,并已经取得明显效果。
事实上,照明的质量和水平已成为衡量社会现代化的一个重要标志,成为人类社会可持续发展的一项重要标志。
目前,我国已成为照明器具的生产大国,现有照明器具生产企业1000家,电光源产品有60多个门类3500多个品种规格,灯具产品30多个门类500多个品种规格。
我国照明节能大有潜力可挖。
目前,荧光灯、稀土三色紧凑型荧光灯已生产出适合家用的H、双H、O、D、双D、SL型等多种产品。
这种灯与照度相同的管型荧光灯相比约节电27%,与白炽灯相比,可节电70%。
2001年,按每户仅用一只节能灯计算,全国4亿只节能灯就可节电2000万千瓦电力,投资只需120亿元,而要生产2000万千瓦的电力,即需投资500亿元。
所以在我国照明节能是一项很重要的课题。
目前,世界上一些著名的大专院校、科研院所、公司都投入了较大的力量进行高频交流电子镇流器的科研开发、生产。
如美国弗吉尼亚大学功率电子研究中心(VPEC),李泽元教授领导的科研中心每年都有相关论文和实验报告在IEEE功率电子学学刊刊出,并提出了如高频能量反馈、采用电荷泵功率因数校正的电子镇流器等概念,美国加州理工大学(UCT)的S.CUK教授关于单级高功率因数电子镇流器,一种用于紧凑型荧光灯的E类电子镇流器,西班牙、巴西、我国台湾和香港地区的一些著名高等院校、科研院所、公司都投入了一些高水平的科研人员进行开发。
同时,国内一些著名科研院所、大学也投入了较大力量进行科研开发。
这点可从国内相关科技文献看出。
勿容置疑的是我国是世界上电子镇流器的一个生产大国,我国有较多的公司、企业从事这种"绿色电光源"产品的生产。
特别是自20世纪80年代末、90年代初,IEC928(1990)、GB15143(1994)《管形荧光灯用交流电子镇流器一般要求和安全要求》及IEC929(1990)、GB/T15144《管形荧光灯用交流电子镇流器的性能要求》等技术标准相继颁布与实施,使交流电子镇流器的研究、开发、生产有了统一技术规范。
由于高频交流电子镇流器要求体积小、造价低,并且对电磁辐射干扰、输入功率因数、波峰因数、可靠性等技术指标严格,所以要做出一个满足高性能、低价格、体积小、低电磁辐射干扰,使用安全可靠的高频交流电子镇流器并非件易事,所以往往让人感到:看似简单的一个电子产品,但是技术含量很高,是一个涉及电路拓扑、高频电子变换、谐振开关(ZVS、ZCS)、LC串并联谐振、功率因数校正、电磁干扰抑制(EMC、EMI)、信号传感、采集和控制、电子元器件、电光源器件等电力电子技术的方方面面。
同时,如何测量高频交流电子镇流器的技术参数,如功率、高频谐波成分、效率、电磁辐射干扰(EMI),也是高频交流电子镇流器的研究热点。
实践证明,要做出一只高性能的高频交流电子镇流器,还需对它的负载--灯的技术特性、灯对电源的技术要求有所了解,否则要做出高性能的高频交流电子镇流器是不现实的。
由于对电网供电质量的要求不断提高,国际电工技术委员会1982年分别制定了IEC555-2《家用设备及类似电器设备对供电系统的干扰》标准,和IEC1000-3-2《电磁兼容性标准》,分别对相关电器设备的功率、谐波成分、电磁辐射干扰等技术指标做出了要求,对高频交流电子镇流器而言也相应增加了电路的设计难度和制造难度。
二、常用高频交流电子镇流器电路与改进(一)单级半桥谐振式由于半桥谐振式逆变电路工作可靠,对开关管耐压要求较低,所以采用半桥谐振式逆变电路为灯负载供电的功率变换电路使用最为广泛。