企业代码的编制规定(Ⅰ、Ⅱ、Ⅲ)
- 格式:doc
- 大小:195.00 KB
- 文档页数:3
我国企业标准的代码我国企业标准的代码是指在我国国家标准化管理委员会颁布的《企业标准制定管理办法》中规定的企业标准的代码编制规则。
企业标准是由企业自行制定并实施的,其目的是为了规范企业内部管理和产品质量,提高企业的竞争力和产品的市场竞争力。
企业标准的代码是企业标准的重要组成部分,它对企业标准的制定、实施和管理起着重要的指导作用。
企业标准的代码包括标准的编号、标准的名称、标准的状态、标准的颁布日期、标准的实施日期、标准的修订日期、标准的废止日期等内容。
其中,标准的编号是企业标准的唯一标识符,它由数字和字母组成,用于标识和检索企业标准。
标准的名称是对企业标准内容的简要描述,它能够清晰地表达标准的范围和要求。
标准的状态包括现行、废止、替代等,它反映了标准的适用情况。
标准的颁布日期是标准正式发布的日期,标准的实施日期是标准开始执行的日期,标准的修订日期是标准进行修订的日期,标准的废止日期是标准正式废止的日期。
企业标准的代码的编制应当遵循一定的规则和原则。
首先,企业标准的代码应当具有唯一性和稳定性,以便于标识和检索企业标准。
其次,企业标准的代码应当具有规范性和统一性,以便于标准的管理和应用。
最后,企业标准的代码应当具有时效性和可追溯性,以便于标准的更新和追溯。
在实际操作中,企业应当严格按照《企业标准制定管理办法》的规定,合理编制企业标准的代码,确保企业标准的有效管理和应用。
同时,企业还应当加强对企业标准代码的维护和更新,及时修订和废止不符合要求的标准,以保证企业标准的有效性和适用性。
总之,企业标准的代码是企业标准的重要组成部分,它对企业标准的管理和应用起着重要的指导作用。
企业应当严格按照规定编制企业标准的代码,确保企业标准的有效管理和应用,提高企业的竞争力和产品的市场竞争力。
文件编码建议按如下规则:1. 文件编码结构:1.1 抬头码:通常是公司简写1.2 文件阶层码:表明文件是哪一层的,比如,属于质量手册的用QM来表示1.3 文件类别码:代表过程,比如:用5来代表与管理职责相关的1.4 文件序列码:比如,在第5部分,用01来表示质量目标,用02来表示管理评审等等1.5 文件版本码:表明文件的版本2. 各部分详细规则:2.1 抬头码:公司简写,用大写英文表示2.2 文件阶层码:用大写英文表示,其中,一级文件质量手册用QM表示,二级文件程序文件用QP表示,三级作业文件等三级文件用QW表示,四级表单用QR表示,外来文件用ED表示。
2.3 文件类别码:代表文件所属过程,为管理规范,用一位阿拉伯数字表示。
特规定为文件类别码与ISO9001各个大点相对应:代码......表示过程......标准4 ...... 与体系策划、文件、记录管理相关的......质量管理体系5 ...... 与管理职责、质量目标、管理评审相关......管理职责6 ...... 与资源管理相关......资源管理7 ...... 与产品实现过程相关......产品实现8 ...... 与产品、过程测量和监视、持续改进有关......测量、分析与改进2.4 文件序列码:为两位阿拉伯数字,本部分,从01开始,直到99,在实际编写中,尽量与标准条文小点对应,比如:比如,在第5部分,用01来表示质量目标,用02来表示管理评审等等2.5 文件版本码:表明文件的版本,用一位大写英文字母和一位阿拉伯数字组成,如:A/0。
比如:ABC/QP/501—A/0阅读者能够很清楚地知道,这个文件是一个关于管理职责部分的A/0版程序文件ABC/QW/501—A/1关于管理职责部分的A/1版本的三级文件ABC/QR/501—A/1关于管理职责部分的A/1版本的记录表单ABC/ED/501—A/1关于管理职责部分的A/1版本的外来文件采用上述编码规则的好处在于:阅读者清楚文件分类和属性编写者清楚,在新编一个文件的时候,如何进行明确准确编码。
企业代码的编制规定(广东国家税务局)-纳税人信息表199信息表的信息表编制说明应根据XXXX年末纳税人的实际情况填写。
1、纳税人识别号(Z1)填写主管税务机关为纳税人确定的税务登记证号代码二、纳税人名称(Z2)纳税人名称以纳税人在工商行政管理局登记的中文名称为准一般来说,要填写的中文字符数不超过40个,即最多80个字符,长姓名的可以适当减少。
三、国民经济行业类别代码(Z3)含4位数字根据《国民经济行业分类和代码》(GB/T4754-XXXX),今年没有加工贸易,1表示今年进行来料加工,2表示今年进行来料加工,3表示今年进行来料加工和来料加工,15。
海关特殊监管区代码(Z15)仅适用于在保税区、出口加工区、综合保税区、保税港区、保税物流园区、保税物流中心B类等各类海关监管区注册的企业。
代码名称代码名称代码名称代码名称北京(2)22 B1 22e 1 23 E1 31 a1 31 B131 B2 31 B3 31 B4 31 b 531 b 631 C1 31 D1 31 E1 31 f1 32 B1 32 b 432b 632 b 732 b 8 32 b 9 32 b32 b32 BC长春兴隆综合保税区黑龙江绥江、吉林珲春出口加工区汾河综合保税区上海(11)上海外高桥保税区上海漕河泾出口加工区上海闵行出口加工区上海金桥出口加工区上海嘉定出口加工区上海松江出口加工区上海青浦出口加工区外高桥保税物流区洋山保税港区上海浦东机场综合保税区江苏省(21) 江苏南京出口加工区江苏无锡出口加工区江苏镇江出口加工区江苏常州出口加工区江苏扬州出口加工区江苏南通出口加工区江苏连云港出口加工区江苏吴江出口加工区江苏常熟出口加工区32BD 32BG 32BH 32BI 32 D1 32E 1 32E 2 32E 3 32E 3 32F 1 32F 2 32F 3 32F 4 32F 4 3333A 1 333B 33B 433 D1 33F1 33F 2 34B 1 34B 2 35A 1江苏淮安出口加工区江苏吴中出口加工区江苏泰州出口加工区江苏张家港保税港区江苏(工业园)综合保税区昆山综合保税区苏州高新技术产业开发区综合保税区江阴保税物流中心(乙类)太仓保税物流中心(乙类)连云港保税物流中心(乙类)浙江省(8)宁波保税区、浙江杭州出口加工区、浙江宁波出口加工区、浙江慈溪出口加工区、浙江嘉兴出口加工区、梅山保税港区、杭州保税物流中心(乙类)宁波丽舍保税物流中心(乙类)安徽省(2)安徽芜湖出口加工区安徽合肥出口加工区福建省(8) 福州保税区35 a2 35 B1 35 B2 35 C2 35 D1 35 D2 35 f1 36 B1 36 B2 36 B3 36 f1 37 B1 37 b 437 b 6 37B 7 37 D1 37 D2 37 E1 37 f1 37 F2 37 F3 41 B1厦门保税区福建福州出口加工区福建泉州出口加工区厦门翔宇保税物流园区厦门海沧保税港区福州保税港区江西省(5) 江西南昌出口加工区江西九江出口加工区江西赣州出口加工区江西井冈山出口加工区南昌保税物流中心(乙类)山东省(十类)山东济南出口加工区山东威海出口加工区山东青岛出口加工区山东青岛西海岸出口加工区青岛前湾保税港区烟台保税港区潍坊综合保税区青岛保税物流中心(乙类)日照保税物流中心(乙类) 淄博保税物流中心(乙类)河南省(3)河南郑州出口加工区11E1天柱综合保税区11F1北京亦庄保税物流中心(乙类)天津(6) 12A1天津港保税区12B 1天津出口加工区12C1天津保税物流园区12D1东江保税港区12E1天津海滨新区综合保税区12F1天津经济技术开发区保税物流中心(乙类)河北省(2) 代码41e 141 f1 42 B1 42 f1 43 f1 44 a1 44 a2 44 a3 44 a4 44 a544 a644b 1 44 B3 44 C1 44 C2 44 D1 44 D2 44 E1 44 f1 44 F2 44 F4 44 G5名称河南新郑综合保税区河南保税物流中心湖北省(2)湖北武汉出口加工区武汉东西湖保税物流中心(2)湖南省(2)湖南郴州出口加工区长沙金霞保税物流中心(2)广东省(17) 广洲保税区深圳沙头角保税区珠海保税区汕头保税区深圳福田保税区深圳盐田港保税区广东广州出口加工区广东深圳出口加工区广州保税物流园区深圳盐田保税物流园区广州南沙保税港区深圳前湾保税港区广州白云机场综合保税区东莞保税物流中心(乙类)中山保税物流中心(乙类)深圳机场保税物流中心(乙类) 珠海跨境工业园区代码45 B1 45 D1 45 e 145 e 146 D1 46 e 150d 1 50 e 151 b 2 51 e 153 B1 61 B1 61 b 2 61 e 165 B1 65 e 165g 190h 0000名称广西省(4)广西北海出口加工区广西钦州保税港区广西经湘综合保税区南宁保税物流中心海南省(2)海南洋浦保税港区海口综合保税区重庆市(2)重庆良路村滩保税港区重庆西永综合保税区四川省(2) 云南昆明出口加工区陕西省(3)山西xi安出口加工区xi安B 区Xi安综合保税区新疆维吾尔自治区(3)乌鲁木齐出口加工区阿拉山口综合保税区霍尔果斯边境合作区其他特殊监管区或场所企业非海关监管区厦门火炬(翔安)保税物流中心(B类)43B1 13B1河北秦皇岛出口加工区13B2河北廊坊出口加工区山西省(1)内蒙古自治区(1) 辽宁省(7) ) 14F1山西战略保税物流中心(B型)15B1内蒙古呼和浩特出口加工区21A1大连保税区21B1辽宁沈阳出口加工区21B2辽宁大连出口加工区21B3辽宁沈阳张世出口加工区21D1大窑湾保税港区21F1营口港保税物流中心(B型)21F2沈阳保税物流中心(B型)吉林省(2)南京龙潭港保税物流中心(B型)36B4上海西北物流园区保税物流中心(B型)33B216消费0表示既不是消费税纳税人也不是征税(预扣税)义务人,1表示消费税纳税人或征税(预扣税)义务人十七、营业税缴纳码(Z17)用1位数字表示0表示非营业税纳税人,1表示按税率征收营业税并独立缴纳营业税的纳税人,2表示已批准征收营业税并独立缴纳营业税的纳税人,3表示由总行作为分支机构征收缴纳营业税的纳税人,4表示以总行作为分支机构缴纳包括营业税在内的营业税的纳税人,18、营业税优惠政策代码(Z18)用2位数字表示根据营业税优惠的类型,如免税、减税、先征后退(返还),从列表中选择适用的政策。
企业代码编写规则(共5页)敬请关注:企业代码的正确编写是“全国普通高校校办产业统计系统”中单位正确录入的前提,望各相关负责人仔细阅读,确保所填代码的正确性。
若有问题,请及时致电咨询。
全国高校企业超过万家,为防止单位代码重复,因此单位代码设计如下:学校代码10位+企业类型(控股K或参股C)1位+一级企业3位+二级企业2位+三级企业2位+四级企业2位+五级企业2位+六级企业2位+学校方股东控制力1位+企业级次1位比如:北京大学代码为:4111010001(学校代码参照附件”附件2.高校代码.xls”)图一如图示:一级企业包含“企业1”、“企业2”、“企业3”三家,其中“企业1”为集团公司,有子公司(集团企业A和单户企业B)和直接参股企业(“参股企业”包),企业2和3为单户企业,无子公司和直接参股企业;二级企业包含“企业A”、“企业B”、“参股企业”(系“企业1”的直接参股企业打包虚拟名词),其上级单位均为“企业1”;三级企业包含“企业a”、“企业b”、“参股1”、“参股2”。
“企业a”及“企业b”的上级单位均为企业A;“参股1”和“参股2”的上级单位均为虚拟包“参股企业”,但是从编码规则上能区分出该企业属于“企业1”的直接参股企业,从而建立起上述树形结构图。
北京大学企业单位代码如下:企业1的代码详解图如下:注:一级企业“001”表示为北京大学所属编码为“001”的一级企业,那么二级企业至六级企业编码标识处均为“00”。
亦即特定企业只能归属于某一个级别,不存在“一级企业至六级企业”其中两个或多个同时出现编码的可能。
虚拟单位“参股企业”的代码详解图如下:企业a的代码详解图如下:注:参股企业单独统计,有参股企业的上级单位需要增加名为“参股企业”的虚拟单位,用来存放该单位的所有参股企业;所有参股企业(如参股1、参股2)的上级单位及上级单位代码需填写,如图一所示。
例如:“北京北医迈劲医药生物科技有限公司”是一家参股企业,隶属于“北京北医投资管理有限公司”,但填写上级代码时需填写“参股企业”的代码。
单位代码编制说明一、单位代码的组成单位代码 = 序列编号 + 主管部门编号 + 基层单位编号共5位数 = 第1位 + 第2-3位 + 第4-5位例如:人事局人才中心的单位代码“20602”第1位“2”,表示“人社局”列在“政府序列”中;第2-3位“06”,表示“人社局”在“政府序列”里排在第6个;第4-5位“02”,表示“人才中心”是“人社局”的第2个下辖单位。
二、序列编号的编制单位代码,纯粹是一种标识,序列编号的编制不涉及现实生活中的单位隶属关系的变更。
在部门编号前加序列编号,目的仅仅是便于查找。
各地的部门归类不尽相同,名称各异,有的地方叫“口子”。
各市、县可以根据本地的习惯自行设计。
1党群序列2政府序列政府的综合部门、财税部门3政法序列公安、检察、法院、司法、安全、民政4工交序列工业、建委、交通5农水序列农林水、国土6文教序列科学、教育、文化、卫生、体委、广电7乡镇8其他三、单位代码的编制主管部门单位代码的编制,先将主管部门按习惯顺序在各个序列中排好,然后给它们加上编号,只有一位数的编号前面加“0”。
基层单位单位代码的编制:先将基层单位按习惯顺序在各个主管部门中排好,然后给它们加上编号,只有一位数的编号前面加“0”。
在开始购买前,务必将所有单位按他们的隶属关系将全部代码编好,并与人社局仔细核对单位代码和单位名称,避免以后“更码”或“更名”。
无论何种情况,只要“更名”、“更码”都必须付费,而且终身只能变更一次。
即,任何单位不得有两次单位代码变更、不得有两次单位名称变更,也不先变更单位代码后变更单位名称或先变更单位名称后变更单位代码。
可在《单位代码范例——全表.xls》基础上修改、增删。
四、单位代码的特殊规定和变通处理只有单位代码的尾数为“0”,才能有下辖单位。
主管局的单位代码,最后两位最好确定为“00”。
有些主管局的下辖单位,还有下辖单位。
如“公路管理站(处)”,就是“交通局”的下辖单位,但“公路管理站(处)”自己也有下辖单位。
浙江铁宝电机有限公司企业标准编码规则1 目的为使铁宝公司企业标准和文件的编码工作有章可循,便于企业标准和文件的识别与查询,保证铁宝企业标准和文件的简化、优化和标准的统一性、协调性。
2 范围本标准规定了铁宝企业标准、技术文件、行政文件和各类表格的编号方法和管理要求。
本标准适用于铁宝公司及下属各部门的企业标准和技术文件、行政文件的编号管理。
3 规范性引用文件下列文件中的条款通过本标准的引用而成为本标准的条款。
凡是注日期的引用文件,其随后所有的修改单(不包括勘误的内容)或修订版本均不适用本标准,然而,鼓励根据本标准达成协议的各方研究是否可使用这些文件的最新版本。
凡是不注日期的引用文件,其最新版本适用于本标准。
4 总则4.1 4.2本标准规定的企业标准和文件代号,公司各部门不得擅自变更。
没有编号和编号重复的企业标准和文件属于无效标准或无效文件,不得发布和使用。
5 企业标准编码5.1企业标准的编码由以下要素组成Q/批准年号(四位数公元年号)标准顺序号标准二级分类号(分别见表2、表3、表4、表5)标准一级分类号(见表1)铁宝公司代码企业标准代码5.2编码要素的规定5.2.1企业标准代码“Q”为企业标准代码,铁宝各类企业标准的标准标识全公司统一使用Q/TB。
5.2.2标准一级分类号Q/TB JC0201—2010标准一级分类号执行表1的规定。
5.2.3标准二级分类号5.2.3.1基础标准二级分类号执行表2的规定。
5.2.3.2技术标准二级分类号执行表3的规定。
表3技术标准二级分类号5.2.3.3管理标准二级分类号执行表4的规定。
5.2.3.4工作标准二级分类号执行表 5 的规定。
5.2.4 5.2.5 5.2.6 标准顺序号由各二级分类号建立,从 01~99 按标准建立时间的先后次序进行编号。
批准年号采用四位数公元年号。
依照企业标准的编码规则和上述表 1、表 2、表 3、表 4、表 5 的规定,示例说明。
示例 1:企业基础标准编码,如企业标准编制规则编号 Q/TB JC0101—2010,其中: Q/TB 系指铁宝 公司企业标准代码,JC 表示基础标准类,01 表示企业标准编制的分类号,01 为顺序号,2010 为批准年 号。
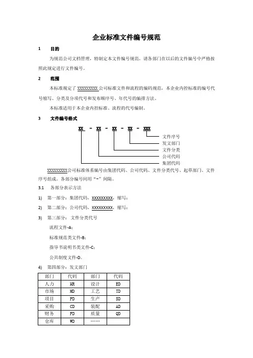
企业标准文件编号规范1目的为规范公司文档管理,特制定本文件编号规范。
请各部门在以后的文件编号中严格按照此规定进行文件编号。
2范围本标准规定了XXXXXXXXX公司标准文件和流程的编码规范,本企业内控标准的编号代号缩写、分类及分项代号和发布顺序号、年代号的编排方法。
本标准适用于本企业内控标准、流程的代号编制。
3文件编号格式文件序号发文部门文件分类公司代码集团代码XXXXXXXXX公司标准体系编号由集团代码、公司代码、文件分类代号、起草部门、文件序号组成。
各部分编号间用“-”间隔。
3.1各部分表示方法1)第一部分:集团代码,XXXXXXXXX,缩写:2)第二部分:公司代码,XXXXXXXXX,缩写:3)第三部分:文件分类代号流程文件-A;标准规范类文件-B;指导书说明书类文件-C;公共制度文件-D。
4)第四部分:发文部门5)第五部分:文件序号采用三位流水码,记录文件顺序号,以发布先后确定,即001、002…..099……999等。
3.2举例:文件编号:含义4文件编号格式4.1文件表头4.2页眉页脚5要求5.1 文件的编号由XXX负责,各部门使用时到XXX申请,不得自行编号及发行。
5.2 以XXX公司名义发布的文件必须由XXX登记编号。
5.3 已发布的标准如需修订并重新发布,其编号不变,只需要更改表头内的版本号。
标准修订及编号的改变应在修改履历中说明。
附件《标准文件模板》特别说明:文件编码编制前,请先对公司文件进行分类规划,根据分类规划情况,进行分级,及选择有代表意义的编码。
选择编码时,可以用分类名称的拼音字母首位表达,可以用其英文单词首位编码表达等。
公 司 资 料 编 码 规 则公司码:o ——汽车公司 部门码:0――总经办,1 ――销售部,2 ――业务部,3――售后服务部,4――行政部,5 ――财务部品牌码 车系码 年份码 车型流水号品牌码:用品牌名称中各字声母取易识别的三位字符来表示。
具体见《编码分类代 码表》。
车系码:用车型名称中各字声母取易识别的两位字符来表示。
具体见《编码分类代 码表》。
年代码:以年份的后两位作为年份码,年份不清楚的以 00替代。
四、 车辆编号: 区 D Z 0 口卫 0Z 0 ⑴ 口口口 < __ J VJ < ___________ ______ >品牌码 年份码 车辆流水号品牌码:用品牌名称中各字声母取易识别的三位字符来表示。
具体见《编码分类代 码表》。
员工编码: □E 0 口 口口□ 0Z0 E3O O单位识别码 单位识别码 流水号G ――供应商,B ――保险公司,S ――税务/车管单位,Z ――制造商车型代码: k __、刃 D~0] MM3部门码流水号往来单位(客户自动编码)编码:年代码:以生产年份的后两位作为年份码大类别码小类别码 品牌码 等级码 流水号大类别码:1 ――大修类,2 --------- 快修类,3――油漆类,4――精品类,5――美容 装饰类品牌码:用品牌名称中各字声母取易识别的三位字符来表示。
品牌不清楚的以000替代。
具体见《编码分类代码表》。
等级码:配件等级 A ――正厂,B ――下线,C ――拆车件,D ――品牌,E ――副厂其他等级从高到低 A 一级,B ――二级,C ――三级,D ――四级,E五级 六、项目大类码:01 ――大修类,02 ------------------------------- 快修类,03 ――美容,04 ――装饰类项目小类码:在各大类中以两位码来表示小类别。
具体见《编码分类代码表》公司码:0——汽车公司 部门码:0――总经办,1 ――销售部,2 ――业务部,3――售后服务部,4――行 政部,5 ――财务部资产总分类:具体见《编码分类代码表》 资产类型:具体见《编码分类代码表》 五、 叩口 o七、□ 023 O公司码部门码 资产总分类 资产类型 流水号配件代码: 寸口 口叵乜QOOD维修项目编码: 叵1卫口 0Z0 0亘口口口 项目大类码项目小类码流水号 固定资产编码:。
浙江铁宝电机有限公司企业标准编码规则1 目旳为使铁宝公司公司原则和文献旳编码工作有章可循, 便于公司原则和文献旳辨认与查询, 保证铁宝公司原则和文献旳简化、优化和原则旳统一性、协调性。
2 范畴本原则规定了铁宝公司原则、技术文献、行政文献和各类表格旳编号措施和管理规定。
本原则合用于铁宝公司及下属各部门旳公司原则和技术文献、行政文献旳编号管理。
3 规范性引用文献下列文献中旳条款通过本原则旳引用而成为本原则旳条款。
但凡注日期旳引用文献, 其随后所有旳修改单(不涉及勘误旳内容)或修订版本均不合用本原则, 然而, 鼓励根据本原则达到合同旳各方研究与否可使用这些文献旳最新版本。
但凡不注日期旳引用文献, 其最新版本合用于本原则。
4 总则4.1 本原则规定旳公司原则和文献代号, 公司各部门不得擅自变更。
4.2 没有编号和编号反复旳公司原则和文献属于无效原则或无效文献, 不得发布和使用。
5 公司原则编码5.1公司原则旳编码由如下要素构成批准年号(四位数公元年号)原则顺序号2.表3.表4.表5)原则一级分类号(见表1)铁宝公司代码公司原则代码5.2 编码要素旳规定5.2.1 公司原则代码“Q”为公司原则代码, 铁宝各类公司原则旳原则标记全公司统一使用Q/TB。
5.2.2 原则一级分类号原则一级分类号执行表1旳规定。
5.2.3 原则二级分类号5.2.3.1 基础原则二级分类号执行表2旳规定。
5.2.3.2 技术原则二级分类号执行表3旳规定。
表3 技术原则二级分类号5.2.3.3 管理原则二级分类号执行表4旳规定。
表4 管理原则二级分类号5.2.3.4工作原则二级分类号执行表5旳规定。
5.2.4 原则顺序号由各二级分类号建立, 从01~99按原则建立时间旳先后顺序进行编号。
5.2.5批准年号采用四位数公元年号。
5.2.6 根据公司原则旳编码规则和上述表1.表2.表3.表4.表5旳规定, 示例阐明。
示例1: 公司基础原则编码, 如公司原则编制规则编号Q/TB JC0101—, 其中: Q/TB系指铁宝公司公司原则代码, JC表达基础原则类, 01表达公司原则编制旳分类号, 01为顺序号, 为批准年号。
企业代码编制规定企业代码共有十六部分,第二、五、十一部分由汉字组成,其余均由数字组成。
*注意:部分代码在程序中可通过下拉列表选择第一部分企业标识代码共15位,分为两个部分。
前六位为第一部分,由企业所在地行政区划代码组成,根据国家技术监督局发布的行政区划代码(GB/T2260-1999)编制;后9位为第二部分,由企业统一标识代码组成,统一标识代码,是根据中华人民共和国国家标准《全国企业、事业和社会团体代码编制规则》(GB11714-89),由政府标准化主管部门给每个企业颁布的在全国范围内唯一的、始终不变的法定代码。
这一代码在全国的银行、税务、计划、统计、财政、物资、公安等部门强制使用。
企业统一标识代码由8位无属性的数字和一位校验码组成,在填写时要按照技术监督部门颁布的《法人单位证书》上的代码填写;尚未领到国家统一代码的企业,可按各级统计部门赋予临时代码填写。
企业标识代码与国家税务部门颁发的企业纳税登记号相同,可从企业纳税登记证上查取。
第二部分企业名称企业名称按该企业在工商行政管理局登记注册的汉字名称为准。
要求与企业公章所使用的名称一致。
企业名称在填写时一般不要超过18个汉字,即最多占36位,企业名称汉字偏长的可适当缩减。
第三部分上一级企业代码共9位,即本企业上一级企业的企业统一标识代码。
非集团性企业不需填列。
第四部分集团企业总部代码共9位,即本企业隶属的集团企业总部的企业统一标识代码。
非集团性企业不需填列。
第五部分法定代表人指在工商行政管理部门登记的法人代表。
凡企业正在更换法人代表,尚未办理登记手续的,以实际负责人为准。
法定代表人在填写时一般不超过4个汉字,即最多占8位。
第六部分企业行政隶属关系共2位。
指企业隶属于哪一级行政管理单位领导。
隶属关系分为:1、中央:包括全国人大常委会、中共中央、国务院直属机构和办事机构、各部委及直属机构等。
2、省:包括自治区、直辖市直属的行政管理单位。
3、地区:包括自治州、盟、省辖市和直辖市辖区直属行政管理单位。
信息表的编制规定纳税人信息表项目,按照纳税人2007年年底基本状况据实填报。
一、纳税人识别号(Z1)指税务机关为纳税人确定的识别号,即:税务登记证号码。
二、纳税人名称(Z2)纳税人名称以该纳税人在工商行政管理局登记注册的汉字名称为准。
填写时一般不要超过40个汉字,即最多占80位,名称汉字偏长的可适当缩减。
三、国民经济行业类别代码(Z3)用4位数字表示。
以《国民经济行业分类和代码》(GB/T4754-2002,可使用NTSS软件的附属帮助软件)为标准,根据企业实际从事的社会经济活动性质进行分类,国民经济行业分类填写到小类。
分类原则如下:(1)以新国民经济核算体系中关于统计单位划分的原则作为划分行业的基本原则,并在分类中注意区分了第一、二、三产业;(2)依据按经济活动性质的同一性进行分类的原则。
即主要按企业、事业单位、机关团体和个体从业人员所从事的生产经营活动或其他社会经济活动性质进行行业分类,而不按其所属行政管理系统分类。
某一行业就其实质来说是指从事一种或主要从事一种活动的所有单位的聚合体。
四、纳税人登记注册类型代码(Z4)用3位数字表示。
纳税人登记注册类型根据下表填列:五、行政隶属关系代码(Z5)用2位数字表示。
指国有或集体企业隶属于哪一级行政管理单位领导。
填报企业的范围仅限于:国有企业(纳税人登记注册类型代码为“110”,下同)、集体企业(120)和国有独资企业(151)。
隶属关系分为:1.中央:包括全国人大常委会、中共中央、国务院直属机构和办事机构、各部委及直属机构等。
2.省:包括自治区、直辖市直属的行政管理单位。
3.计划单列市:包括计划单列市直属的行政管理单位。
4.地区;包括自治州、盟、省辖市和直辖市辖区直属行政管理单位。
5.县:包括地、州、盟辖市、省辖市辖区、自治县、自治旗、县级市直属的行政管理单位。
6.街道、镇和乡:指经国务院批准设置的建制市的市区街道办事处等机构管理的单位;镇指经省、自治区、直辖市人民政府批准设置的建制镇政府所管辖的行政管理机构单位;乡指乡一级人民政府及直属行政管理单位。
企业代码编制规定企业代码编制规定一、企业名称企业名称按该企业在工商行政管理局登记注册的汉字名称为准。
要求与企业公章所使用的名称一致。
企业名称在填写时一般不要超过18个汉字,即最多占36位,企业名称汉字偏长的可适当缩减。
二、法定代表人指在工商行政管理部门登记的法人代表。
凡企业正在更换法人代表,尚未办理登记手续的,以实际负责人为准。
法定代表人在填写时一般不超过4个汉字,即最多占8位。
三、企业所在地地址共32位。
填写经邮政部门认可的单位地址,不填省(自治区、直辖市),从地区(市)、县(市、区)开始填,具体到乡(镇)、村、街名称和门牌号。
门牌号用阿拉伯数字表示,每个数字占一格。
尽量不填写通讯信箱号。
四、企业所在地邮政编码共6位,填写企业所在地通信用邮政编码。
五、企业财务部门电话号码填写企业财务部门的电话号码。
六、企业(单位)统一代码—17 —(1)本企业代码共15位,分为两个部分。
前六位为第一部分,由企业所在地行政区划代码组成,根据国家技术监督局发布的行政区划代码(GB/T2260—1999)编制;后9位为第二部分,由企业统一标识代码组成,统一标识代码,是根据中华人民共和国国家标准《全国企业、事业和社会团体代码编制规则》(GB11714—89),由政府标准化主管部门给每个企业颁布的在全国范围内唯一的、始终不变的法定代码。
这一代码在全国的银行、税务、计划、统计、财政、物资、公安等部门强制使用。
企业统一标识代码由8位无属性的数字和一位校验码组成,在填写时要按照技术监督部门颁布的《法人单位证书》上的代码填写;尚未领到国家统一代码的企业,可按各级统计部门赋予临时代码填写。
企业标识代码与国家税务部门颁发的企业纳税登记号相同,可从企业税纳登记证上查取。
(2)上一级企业(单位)代码共9位,即本企业上一级企业的企业统一标识代码。
非集团性企业不需填列。
(3)集团企业(公司)总部代码共9位,即本企业隶属的集团企业总部的企业统一标识代码。
企业标准编号规则
注译:
1、企业标准代号Q/ 代表企业制定、批准、发布的企业标准。
2、企业隶属行政区域代号是用区、县名称或工业局、总公司名称的二位汉语拼音字头表示,见表1。
3、企业代号由企业定,一般用企业名称的汉语拼音字头或英文缩写的三个字母表示。
4、顺序号是企业自己制定的企业标准的顺序号,用三位阿拉伯数字表示。
5、年号用四位数表示。
6、上述编号规则参照了原国家技术监督局《企业标准化管理办法》的相关规定并结合北京市的具体情况增加了二位企业隶属行政区域代号,企业应到法人注册地所属区县质量技术监督局备案。
(医药集团企业除外)
表1企业隶属行政区域代号。
企业标准编号规范(范本)Q/FLT企业标准编号、格式编写规范开发有限公司发布目次前言 (II)1 范围 (1)2 规范性引用文件 (1)3 标准的格式和编写要素 (1)4 企业标准的编号 (2)5 附则....................... 错误!未定义书签。
企业标准编号编制说明.. (15)前言为进一步加强公司标准化管理,规范企业标准的编写,建立有效的企业标准体系,特制定本标准。
本标准自2006年12月01日起实施。
企业标准编号、格式编写规范1 范围本标准规定了本公司企业标准的格式、编写要求及企业标准的编号规则。
本标准适用于本公司对搜集的国家法律、法规、外来标准的编码和企业标准的编写及编号。
2 规范性引用文件下列文件中的条款通过本标准的引用而成为本标准的条款。
凡是注日期的引用文件,其随后所有的修改单(不包括勘误的内容)或修订版均不适用于本标准,然而,鼓励根据本标准达成协议的各方研究是否可使用这些文件的最新版本。
凡是不注日期的引用文件,其最新版本适用于本标准。
GB/T 1.1-2000 标准化工作导则第1部分:标准的结构和编写规范GB/T 1.2-2002 标准化工作导则第2部分:标准中规范性技术要素内容的确定方法QP-4.2.3-2003《文件控制程序》质量管理体系3 标准的格式和编写要素企业标准的格式和编写要素,按GB/T 1.1-2000 及GB/T 1.2-2002 规定执行。
4 企业标准的编号4.1 本公司企业标准代号为Q/FLT。
4.2 技术标准编号表达形式4.2.1 技术标准编号表达方式Q/FLT JXXXX - XXXX批准年代号(四位阿拉伯数字)顺序号(二位阿拉伯数字)技术标准类别代号(见表1)技术标准代号(大写拼音字母“J”)本公司企业标准代号(大写拼音字母)表 1 技术标准类别代号4.3 管理标准编号表达形式Q/FLT GXXXX – XXXX批准年代号(四位阿拉伯数字)顺序号(两位阿拉伯数字)管理标准类别代号(见表2)管理标准代号(大写拼音字母“G”)本公司企业标准代号(大写拼音字母)表 2 管理标准类别代号说明:本公司销售服务过程中,不涉及任何安装行为,因此特将”安装技术标准”和”安装管理标准”删除!!!4.4 工作标准编号表达形式Q/FLT ZXXXX – XXXX批准年代号(四位阿拉伯数字)顺序号(二位阿拉伯数字)工作标准类别代号(见表3)工作标准代号(大写拼音字母“Z”)本公司企业标准代号(大写拼音字母)表 3 工作标准类别代号4.5 国家法律、法规编号表达形式Q/FLT FXXX – XXXX批准年代号(四位阿拉伯数字)顺序号(三位阿拉伯数字)国家法律、法规代号(大写拼音字母“F”)本公司企业标准代号(大写拼音字母)4.6 本公司所采用的国家标准、行业标准、地方标准,原编号继续有效,根据标准所属类别,按本标准的要求,再赋予该标准一个体系序号。
信息表的编制规定
纳税人信息表项目,按照纳税人2007年年底基本状况据实填报。
一、纳税人识别号(Z1)
指税务机关为纳税人确定的识别号,即:税务登记证号码。
二、纳税人名称(Z2)
纳税人名称以该纳税人在工商行政管理局登记注册的汉字名称为准。
填写时一般不要超过40个汉字,即最多占80位,名称汉字偏长的可适当缩减。
三、国民经济行业类别代码(Z3)
用4位数字表示。
以《国民经济行业分类和代码》(GB/T4754-2002,可使用NTSS软件的附属帮助软件)为标准,根据企业实际从事的社会经济活动性质进行分类,国民经济行业分类填写到小类。
分类原则如下:(1)以新国民经济核算体系中关于统计单位划分的原则作为划分行业的基本原则,并在分类中注意区分了第一、二、三产业;(2)依据按经济活动性质的同一性进行分类的原则。
即主要按企业、事业单位、机关团体和个体从业人员所从事的生产经营活动或其他社会经济活动性质进行行业分类,而不按其所属行政管理系统分类。
某一行业就其实质来说是指从事一种或主要从事一种活动的所有单位的聚合体。
四、纳税人登记注册类型代码(Z4)
用3位数字表示。
纳税人登记注册类型根据下表填列:
五、行政隶属关系代码(Z5)
用2位数字表示。
指国有或集体企业隶属于哪一级行政管理单位领导。
填报企业的范围仅限于:国有企业(纳税人登记注册类型代码为“110”,下同)、集体企业(120)和国有独资企业(151)。
隶属关系分为:
1.中央:包括全国人大常委会、中共中央、国务院直属机构和办事机构、各部委及直属机构等。
2.省:包括自治区、直辖市直属的行政管理单位。
3.计划单列市:包括计划单列市直属的行政管理单位。
4.地区;包括自治州、盟、省辖市和直辖市辖区直属行政管理单位。
5.县:包括地、州、盟辖市、省辖市辖区、自治县、自治旗、县级市直属的行政管理单位。
6.街道、镇和乡:指经国务院批准设置的建制市的市区街道办事处等机构管理的单位;镇指经省、自治区、直辖市人民政府批准设置的建制镇政府所管辖的行政管理机构单位;乡指乡一级人民政府及直属行政管理单位。
纳税人行政隶属关系代码按国家标准《单位隶属关系代码》(GB12404-90)填写,具体规定如下:
六、主管部门代码(Z6)
用4位数字表示。
中央企业(企业行政隶属关系代码为“10”),其企业主管部门代码按以下规定填写(有“※”的为必须填写;其分类大致为:“91”开头表示工业企业,“92”开头表示流通企业,“93”开头表示新闻出版,“94”开头表示邮政通信,“95”开头表示交通企业,“96”开头表示金融保险企业,“98”开头表示建筑安装企业);其他企业(企业行政隶属关系代码不为“10”),其企业主管部门代码由各省、自治区、直辖市、计划单列市国家税务局或地方税务局规定,没有规定的填“0000”。
七、所在地行政区划代码(Z7)
用6位数字表示。
填写登记注册地的行政区划代码,按国家技术监督局发布的最新行政区划代码(GB/T2260-1999)进行填写。
用1位数字表示。
0表示非增值税纳税人,1表示独立缴纳增值税的一般纳税人,2表示增值税小规模纳税人,3表示上报上级公司缴纳增值税的一般纳税人,4表示汇总下级公司缴纳增值税的纳税人,即:作为母公司或总公司及其他上级公司汇总下属企业缴纳增值税的调查企业。
九、增值税优惠政策代码(Z9)
十、增值税出口退税方式代码(Z10)
用1位数字表示。
0表示未实行出口退税的纳税人,1表示实行免抵退税办法的一般纳税人,2表示实行免退税办法的一般纳税人,3表示实行先征后退办法的一般纳税人,4表示实行免税办法的一般纳税人或小规模纳税人。
十一、是否加工贸易企业(Z11)
用1位数字表示。
0表示不是加工贸易企业,1表示海关特殊监管区内加工贸易企业,2表示海关特殊监管区外加工贸易企业。
十二、增值税转型试点企业代码(Z12)
用1位数字表示。
0表示未纳入试点范围的纳税人,1表示纳入试点范围且享受转型退税的纳税人,2表示纳入试点范围但未享受转型退税的纳税人
用1位数字表示。
0表示未使用任何税控装置的纳税人,1表示使用防伪税控系统的纳税人,2表示使用税控加油机的纳税人,3表示使用税控收款机的纳税人,4表示同时使用上述3种税控系统纳税人,5表示使用防伪税控和税控加油机纳税人,6表示使用防伪税控和税控收款机纳税人,7表示使用税控加油机和收款机的纳税人。
十四、消费税缴纳方式代码(Z14)
用1位数字表示。
0表示既非消费税纳税人也非代收(扣)代缴义务人,1表示消费税纳税人或代收(扣)代缴义务人。
十五、营业税缴纳方式代码(Z15)
用1位数字表示。
0表示非营业税纳税人,1表示依率计征、独立缴纳营业税的纳税人,2表示核定征收、独立缴纳营业税的纳税人,3表示上报上级公司或既上报上级公司又汇总下级公司缴纳营业税的纳税人,4表示汇总下级公司缴纳营业税的纳税人,即:作为母公司或总公司及其他上级公司汇总下属企业缴纳营业税的调查企业。
十六、营业税优惠政策代码(Z16)
十七、企业所得税缴纳方式代码(Z17)
用1位数字表示。
0表示非企业所得税纳税人,1表示依率计征、独立缴纳企业所得税的纳税人,2表示核定征收、独立缴纳企业所税的纳税人,3表示上报上级公司缴纳企业所得税的纳税人,4表示汇总下级公司缴纳企业所得税的纳税人。
十八、企业所得税国、地税隶属关系(Z18)
用1位数字表示。
0表示地税部门征收,1表示国税部门征收。
十九、开业(成立)时间(Z19)
用6位数字表示。
填写纳税人营业执照上注明的开业或成立时间。
二十、营业状态(Z20)
用1位数字表示。
1表示处于正常营业状态;2表示因主客观原因暂时处于停业或歇业状态,待今后条件成熟时恢复营业;3表示处于筹建状态;4表示调查年度关闭,今后不再恢复营业;5表示在调查年度按照法律规定宣告破产,9表示不属于前述5种营业状态。
二十一、登记注册地地址(Z21)
以纳税人营业执照所填住所地址为准。
填写时一般不要超过40个汉字,即最多占80位,地址偏长的可适当缩减。
二十二、纳税人财务负责人联系电话(Z22)
用17位数字表示,填写纳税人财务负责人的联系电话,包括区号,电话号码及分机号。
二十三、是否抽样调查企业(Z23)
用1位数字表示。
0表示不是抽样调查的纳税人,1表示是抽样调查的纳税人,2表示既是抽样调查的纳税人,又是重点调查的纳税人。
二十四、自定义代码(Z24)
用4位数字表示。
各地可根据具体情况自行掌握。