办公楼项目方案设计任务书#优选.
- 格式:doc
- 大小:74.00 KB
- 文档页数:14
*******大楼设计任务书1. 工程综合说明:1.1 项目名称*************1.2项目位置位于省**市*******(见附图)。
1.3项目背景近年来,**市经济发展迅猛,但是经济的增长,并******************* 设计依据:与本设计相关的国家各项法律法规;办公楼建筑图纸;现场实际状况。
国家各项强制性设计规:《建筑部装修设计防火规》《地下建筑照明设计规》《玻璃幕墙工程技术规》《建筑幕墙》*****《房屋建筑制图统一标准》GB/****《电子计算机房设计规》《办公建筑设计规》《工程建设强制性条文》(房建部分)《智能建筑设计标准》GB/****《民用建筑工程室环境污染控制规》GB***************总体方案设计原则:严格执行国家、行业、地方有关设计标准、规、规程。
充分体现“以人为本”的原则。
全面解决使用功能要求和声、光、热工等环境控制指标和材料的环保指标,为使用者提供一个舒适、安全、便利、适用和卫生的工作环境。
本工程要求应综合解决好土建、设备安装和结构布线与室装修的关系,处理好各专业的关系。
1.3.1设计基础资料1.3.1.1***项目经批准的***设计图纸;1.3.1.2***项目地质详勘报告;1.3.1.3****项目周边道路标高及雨污水设计图;1.3.1.4甲方提出的本项目施工图设计任务书;1.3.1.5甲方提出的本项目施工图设计指引;1.3.1.6甲方提出的与本项目有关的其它合同、资料。
1.4项目用地规模总用地面积约 ****亩1.5项目建设规模建筑面积***平方米,总投资约****万元。
1.6自然条件***位于省****的南沿,地处东经 ****之间。
东临***,****毗邻;西与***地区接壤。
地貌大体以***,北部为*****,占总面积的***%.平均海拔***米,气候属暖温带和温带半干旱大陆性季风气候,年平均气温****℃。
1.7气候、气象条件地处中温带,半干旱气候区,冬、春受蒙古寒流影响,雨水稀少,气候干燥寒冷,西北季风盛行,是主要风沙期;夏、秋两季雨量集中,气候温和多东南风。
办公楼设计任务书范本一、任务背景随着城市化进程的不断加速,办公楼已经成为了一个城市中必不可少的建筑类型。
而随着人们对于办公环境的要求越来越高,设计师们需要在保证建筑实用性的同时,还要考虑到建筑的艺术性和人性化。
因此,在设计办公楼时,需要充分考虑到建筑功能、美学、舒适度等多方面因素。
二、任务目标本次设计任务旨在设计一座高品质、高效率、绿色环保的现代化办公楼。
具体目标如下:1. 功能:满足企业员工日常工作需求,包括工作区域、会议室、休息区等。
2. 美学:注重建筑外观与内部空间布局,使之美观典雅。
3. 舒适度:提供舒适宜人的室内环境和设施。
4. 绿色环保:采用节能环保材料和技术,达到绿色低碳效果。
5. 安全性:考虑到火灾风险等安全问题,确保建筑物安全可靠。
三、设计要求1. 功能布局合理:根据企业员工的实际需求,合理规划建筑内部布局,使之符合办公楼的功能要求。
2. 建筑造型美观:建筑外观设计要符合现代化、高品质和高效率的特点,同时也要考虑到周围环境和城市风貌。
3. 室内环境舒适:在室内设计中,需要考虑到采光、通风、噪音等多方面因素,使之达到舒适度的标准。
4. 绿色环保:采用绿色低碳材料和技术,并对建筑进行节能设计,以达到绿色环保的目标。
5. 安全可靠:在设计中考虑到火灾等安全问题,并采取相应措施确保建筑物安全可靠。
四、设计内容1. 功能布局:根据企业员工日常工作需求,合理规划建筑内部布局。
包括但不限于办公区、会议室、休息区等功能区域,并根据需要配备相应设施和设备。
2. 建筑造型:在符合功能要求的前提下,注重建筑外观与内部空间布局。
建筑外观应该简洁大方、线条流畅,同时也要考虑到周围环境和城市风貌。
3. 室内环境:在室内设计中,需要考虑到采光、通风、噪音等多方面因素,使之达到舒适度的标准。
同时,需要根据员工的实际需求配置相应设施和设备。
4. 绿色环保:采用绿色低碳材料和技术,并对建筑进行节能设计。
具体措施包括但不限于使用新型隔热材料、安装太阳能电池板、使用节水器等。
办公楼项目方案设计任务书尊敬的客户:感谢大家对我们公司的信任。
我们在此为大家提供详细的办公楼项目方案设计任务书,以帮助大家了解我们的服务内容和质量。
一、项目背景随着经济的不断发展和城市化的加速,越来越多的企业需要宽敞、舒适、现代化的办公环境来提升公司形象和员工工作效率。
我们公司作为专业的建筑方案设计团队,拥有丰富的经验和技术实力,能够为您提供高质量的办公楼项目方案设计服务。
二、设计范围本次设计的范围为一套总面积为5000平方米的办公楼。
该办公楼位于城市核心地带,交通便利,周边配套设施完善。
设计要求充分考虑环保、节能和可持续发展的理念,同时融入企业文化和特色,打造出一个具有品牌识别度的办公环境。
三、设计要求1、建筑风格:现代风格,注重细节和外观的美感。
2、空间规划:合理利用空间,设置开放式办公区、独立办公室、休息区、会议室等多样化空间形态。
3、绿色环保:采用环保材料和节能技术,如太阳能利用、雨水收集等。
4、安全防范:考虑安防系统,包括门禁系统、监控系统等。
5、智能化设计:引入智能化的办公系统和设备,提高办公效率。
四、设计进度1、初期设计:1周内完成概念方案设计。
2、深化设计:2周内完成详细设计方案。
3、施工图设计:3周内完成施工图设计。
4、后期服务:提供施工阶段的技术支持和监理服务。
五、设计费用1、设计费用根据设计方案的不同分为固定总价包干和按面积收费两种方式。
2、固定总价包干方式按照设计方案的不同分为三个价格档位:30万元(普通设计方案)、50万元(中级设计方案)、80万元(高级设计方案)。
3、按面积收费方式按照办公楼建筑面积计算,收费标准为每平方米20元。
六、合同条款1、合同签订后,您需要支付设计费用的50%作为定金,我们开始设计工作。
2、设计方案完成后,您需要支付剩余的设计费用,我们开始施工图设计和后期服务。
3、如果您需要修改设计方案,需要额外支付10%的设计费用。
4、如果我们未能按照进度完成设计工作,将按照合同约定的违约金条款进行赔偿。
建筑方案设计任务书示范一、设计背景XXX公司拟在某地新建一栋办公大楼,用于公司总部办公和部分办公场所的租赁。
本项目位于城市中心地段,交通便利,周围配套设施完善,具有良好的发展潜力和市场需求。
为了更好地满足公司的发展需求和提升办公环境质量,公司决定进行新建办公大楼的设计。
二、设计目标1. 办公环境舒适:通过设计,打造一个舒适、宜人的办公环境,提升员工工作效率和满意度。
2. 功能齐全:确保办公大楼拥有完善的功能设施,满足公司日常办公需求。
3. 设计现代化:力求设计风格现代、简约,体现公司的时尚和科技特色。
4. 环保节能:注重节能环保,提高建筑能效,减少资源浪费。
5. 经济实用:在保证设计质量的前提下,控制建筑成本,实现经济实用。
三、设计要求1. 建筑规模:办公大楼总建筑面积约为10000平方米,地上共10层,地下一层,包括公司总部办公区、租赁办公区、接待大厅、会议室、员工餐厅、健身房等功能区。
2. 建筑功能:根据公司需求,办公大楼应包含公司总部办公区和租赁办公区两部分,各自独立但又相互协调。
3. 设计风格:建筑外观设计应简约时尚,内部装修应以简约现代风格为主。
4. 空间布局:要求合理布局各功能区域,保证通风采光和空间流畅。
5. 设备设施:办公大楼应配备现代办公设备和设施,提供便捷、高效的办公环境。
6. 环保节能:要求建筑结构和材料具有较好的隔热隔音性能,提高建筑能效,注重资源节约和环境保护。
7. 建筑造价:建筑造价应控制在一定范围内,尽量选择合理的建材和施工方式,确保经济实用。
四、设计内容1. 建筑外观设计:包括大楼整体设计风格、外立面材料和颜色、玻璃幕墙设计等。
2. 室内空间设计:包括公司总部办公区和租赁办公区的空间分布、功能划分、内部装修等。
3. 功能区设计:包括接待大厅、会议室、员工餐厅、健身房等功能区的布局和设计。
4. 建筑结构设计:包括建筑结构形式、承重墙柱梁设计、地基基础设计等。
5. 设备设施配置:包括空调、照明、消防等设备设施的配置和布局设计。
1号办公楼施工组织设计任务书施工组织设计课程设计任务书课程名称:施工设计与组织课程设计英文名称:Building Construction and Organization设计周数:1周学分:2适应专业:工程管理专业统招及城市学院12级本科生一、课程设计目的、要求通过本课程的学习,加深课堂理论知识的理解,掌握施工组织方法、内容和工作程序。
通过实际模拟使学生加深对基本原理和方法的理解与运用,培养学生分析问题的能力。
二、课程设计内容(1)前期准备:施工总部署的确定、施工现场布置;(2)施工现场管理:技术准备计划、资源准备计划、文明施工标识、安全网布设;(3)双代号网络图关键路线、关键节点管理:施工总体方案投产控制节点的确定。
三、课程设计进度安排内容日期周一周二周三周四周五周次第一周前期准备工作分解、主要机械施工平面完成总(每天8学识施工图逻辑关系表、图文件时)图、劳动力表、文明施工工作量计算建材需求标示表、安全管理双代号网络标示图四、使用教材王全杰主编~《办公大厦1#楼建筑工程图》~重庆大学出版社五、编制依据1。
参照国家颁布的有关施工规范、规程及行业标准《建筑结构荷载规范》,GB50009-2001,《工程测量规范及条文说明》 ,GB50026-93, 《地下工程防水技术规范》(GB50108—2001)《建筑地基基础工程施工质量验收规范》(GB50202-2002)《混凝土结构工程施工质量验收规范》 (GB50204—2002)《混凝土泵送施工技术规程》(JGJ/T10—95)《屋面工程质量验收规范》 (GB50207-2002)1施工组织设计课程设计任务书《建筑装饰工程施工及验收规范》(JGJ73—91) 《建筑施工高处作业安全技术规范》(JGJ80-91)《建筑机械使用安全技术规程》 (JGJ33—2001) 《施工现场临时用电安全技术规范》(JGJ46-88)《钢筋焊接及验收规程》 (JGJ18—2003) 《钢筋机械连接通用技术规程》(JGJ107—2003)2。
某城市综合办公楼设计任务书
一、建筑地点:
该市高新路旁。
二、工程概况:
本建筑为一个综合办公楼,总建筑面积为2982.36平方米
(以建筑定位轴线为起算边界)。
共5层,首层层高4.2M,其余各层层高均3.3M。
本综合楼设标准办公室40间,每间面积均为21.60平方米;
大办公室4间,每间39.60平方米;
大会议室1间,面积为84.60平方米。
底层设档案资料图书室及阅览室、接待室、值班室、收发
室、备用储藏间等。
二至五层每层各设备用房间3间,面积19.8及21.6平方
米不等。
每层设男女厕所、盥洗室各一间。
该工程为多层混凝土框架结构建筑,建筑分类为丙类,设
计使用年限为50年。
三、结构形式:
钢筋混凝土框架结构,预应力空心楼盖及屋盖,外墙为370
黏土空心砖(底层为标砖),内墙为240黏土空心砖,独立
柱基础。
工程抗震设防烈度为7度。
四、建筑节能:
本建筑建设地段位于寒冷气候地区,外墙为370空心砖填
充墙,外窗为塑钢双层5厚普通白玻璃,外门为彩钢板保
温型自闭式地簧门。
五、建筑装饰:
普通建筑装饰。
外墙面砖,局部底层为挂贴花岗岩;内墙、平顶粉白,走廊局部及厕所卫生间平顶为轻钢龙骨铝合金
板条吊顶;厕所卫生间内墙为内墙面砖饰面;楼地面为铺
地砖楼地面。
内外门厅及内廊为抛光花岗岩楼地面。
双层玻璃塑钢窗,内普通蜂窝板木门,外彩钢板保温外门。
普通日光灯装饰,内廊及门厅为吸顶灯灯饰。
室内上下水管道PVC工程塑料管,卫生洁具为中档陶瓷洁
具。
建筑设计任务书一、项目名称:高层办公楼建筑设计二、项目概况今拟在郑州市文化路与任砦北街交叉口东北角建高层写字楼一幢,业主为某行政事业单位,建筑主要的功能定位是为了本单位办公和对外服务。
三、用地概况1.设计地段详见附图,建设地段有水电设施。
2.地理气候条件:郑州位于东经112°42ˊ-114°14ˊ、北纬34°16ˊ-34°58ˊ区域内,属温带半湿润大陆性季风气候,冬冷夏热、干湿集中、春暖秋凉、四季分明,年平均气温14.4 ℃,7 月最热,平均27.3 ℃;1 月最冷,平均-0.2 ℃。
年平均降雨量640.9 毫米,全年平均日照时间约为2400 小时。
主导风向:夏季东南风为主,冬季西北风为主。
3.水文地质条件:拟建区域内地貌单一,底层沉积连续稳定,地基土承载力设计值为260.5Kpa。
地下水位21.0—22.0左右。
四、设计要求1.场地设计:综合地段的地形条件、规划条件、规范要求、周边城市建筑环境以及交通环境,处理好建筑总体布局、地段内外的人、车流交通布局,主次入口的设置,场地停车、绿化环境设置。
2.建筑设计:准确理解相关规范与指标,组织好各功能空间的组合及主次流线的关系,综合建筑平面、立面的设计,塑造室内外协调统一的空间组合和外观造型3.技术设计:鉴于大型公共建筑构成的综合性、复杂性,应注重结构选型、设备选型对设计构思、空间处理的影响,并结合智能、节能、生态等设计因素。
五、教学目的1.掌握复杂建筑方案设计的方法,理解大型公共建筑设计原理,了解国内外大型公共建筑的发展趋势。
2.学习高层建筑的空间组合方法。
3.学习现行的建筑设计规范。
4.了解有关建筑设备的基本知识及对高层建筑设计的影响。
六、设计内容和使用面积分配总建筑面积为18000㎡(可上下浮动3%),地下一层,建筑高度100米以下,主体建筑结构形式自定。
面积分配表1.公共部分:600㎡对外服务大厅2个,每个300㎡左右2. 办公部分:14500㎡三层及以上,独立办公空间(10㎡/人)若干,开放空间办公(8㎡/人)若干,其中设套间办公室10个(办公+休息,带独立卫生间),计算机房及其管理用房120㎡,档案资料室150㎡,公共卫生间面积自定。
河北万瑞办公楼设计方案任务书提供资料:1.徐水县规划坐标平面图(包含周围高程及周围关系)2.厂区总平面图及标示出进出口位置。
项目介绍:河北万瑞新建厂区坐落在河北省保定市徐水县城内,周围学校、医院相邻,南邻徐水县主路津保公路,东临30米规划道路,地理位置优越,地势较平坦。
主办公楼设设计思路:1.办公楼具体位置见招标方提供总平面图,总体长度80m左右,最大跨度不超于37m左右,办公楼成分散式布局且不失整体性,主体采用框架结构形式(大厅及展厅采用SP板),层数为2层,总体面积2200—2500㎡,高度及各项比例设计进行把握,初步设定室内外高差为0.45m。
2.办公楼采用花园式办公的环境,请设计结合我方提供资料以及周边环境、道路走向、地块形状打造高品位、现代化的办公形象,3.建筑物外立面应错落有致,办公楼南面尽可能放置同一条水平线上,可凸出但不宜过大,控制在3m左右。
4.办公楼分四种功能即展厅、大厅、周边办公室、老板办公区,展厅放至西北角,大厅放中间,老总办公区放至东南部,周围办公室设计方可进行构思。
(1)展厅在建成后用于万瑞医疗器械产品展示,提供参考尺寸15×27m,设计可根据整体办公楼的设计理念及办公楼整体风格进行把握比例及尺寸(但展厅面积应400㎡左右),人员进入展厅须穿越中间大厅,不需与建筑隔离单独设置门口。
(2)接待大厅: 采用中空式大厅,满足企业对外形象展示、人员接待、组织各区域人员活动的功能.大厅内需考虑水系、室内植被等元素,以提高室内环境的舒适性,同时大厅的开窗尽量通透以满足室内外空间的贯穿.大厅设置前台接待及等候室,大厅建议尺寸13×20m,南北长向布置。
(3)公共办公区:考虑分两层设置,主要满足集团下属三家子公司的员工办公要求其中万瑞医疗器械办公设置在一层,房产开发和建设办公设在2层,一层具体包括:大开间敞开式办公两间(技术室)、小开间办公12间,分别为:副总办公室2间、办公室主任1间、书记办1间、后勤办1间、备用办4间、财务室1间、洽谈室2间(一大一小).一层另设会议室一间,须满足15人左右的会议规模.二层办公具体包括:大开间敞开式办公2间(开发和建设各一间),小开间办公7间,分别为:合同评审1间、信息部招标办1间、财务室1间、副总办公室2间(开发和建设各一间)、预留办公2间.二层另需设中型会议室1间,以满足集团业务培训及中层管理人员会议使用,同时考虑可满足多功能厅使用要求,考虑公共卫生间。
本科生毕业论文(设计)任务书院(系) 专业( 科) 级班题目:某综合办公楼设计学生姓名:学号:指导教师:吴晓敏(职称副教授 )论文(设计)起止时间:2013年月日~年月(共周)任务下达日期: 2013 年 1 月 7 日云南农业大学教务处制2007年12 月18 日云南农业大学毕业论文(设计)任务书2.2规定绘制的建筑施工图为:1、底层、标准层及顶层平面图:比例 1:2002、主要立面图:比例 1:2003、屋面排水布置图:比例 1:2004、剖面图:比例 1:2005、墙身大样及节点详图:比例 1:100及1:106、卫生间大样图1:507、总平面图1:5003结构设计任务及要求3.1基本要求:在建筑方案设计的基础上,正确选择合理的结构形式,结构体系和结构布置,掌握建筑结构的计算方法和基本构造要求,绘制施工详图。
3.2结构设计计算书内容:阐述结构选型原理、结构布置原则、材料选择、构件截面尺寸的确定方法,选出一榀框架,列出结构设计计算过程,包括采用的计算方法、计算假定、计算原则、计算简图、内力图及计算结果。
3.3在利用结构计算软件PKPM进行框架计算和绘图。
3.4、绘制的结构施工图为:1、标准层结构平面布置图:比例 1:2002、一榀框架结构配筋图:比例 1:2003、屋面板、楼面板的配筋图:比例 1:2004、屋面梁配筋图1:2005、柱配筋图实施步骤1、查阅资料,每人10篇。
关键词:建筑施工图设计深度、建筑设计规范、结构设计规范。
2、建筑施工图设计;3、设计说明及结构计算书;4、PKPM结构设计及制图;5、建筑结构施工图设计办公楼地形图。
********有限公司办公楼、多功能厅室内及外立面设计任务书********有限公司二〇一〇年九月五日目录第一章项目概况及周边条件第二章项目设计简介第三章室内设计要求第四章室内设计深度要求第五章施工期间现场配合要求第一章、项目概况及周边条件一、基地位置公司位于****开发区,总用地面积****平米,***亩。
建设用地面积****平米,****亩。
总建筑面积****平米,一期建筑面积****平米。
二、项目简介1. 项目性质:室内装饰设计,外立面设计2. 项目规模:****有限公司办公楼。
其中地上建筑面积****平米(含副楼),地下建筑面积****平米;多功能厅****平米。
第二章、项目设计简介一 . 项目理念及愿景:1、设计方案应体现以人为本的原则,要求合理、科学地考虑平面布局与流程,充分满足使用要求。
设计风格以现代、简洁、大气、庄重为主格调,装修项目以简洁为主,装饰配套要突出时代要求,使装修与装饰有机地结合,相得益彰。
2、要求重视对声光环境的设计,包括人造光源设计及自然光源环境设计以及隔声和吸音措施;3、利用自然采光、通风,采用合理有效的措施,尽力降低能源消耗,体现生态思想和节能观念,满足可持续发展的需要。
二.各功能区域需求如下:1.办公楼主楼功能分区为:董事长办公室,总经理办公室,总经办,生产中心营销中心,食品研发检测中心,行政中心,采购中心,财务结算中心。
其中:董事长、总经理办公区设会议室、接待室;各中心设总监办公室、接待室、会议室及部门经理、工作人员办公室;公共区为门厅、卫生间。
2.办公楼副楼功能分区为:厨房,餐厅,包房,培训室及工作人员办公室。
3.多功能厅功能分区为:前厅,多功能厅,舞台,控制室,卫生间。
三,外立面设计要求根据原有效果图,进行设计深化。
主要是对外立面的材料,施工工艺及门头整体效果的把握.根据宾之郎食品科技公司项目的高定位,办公中心应尽可能体现高档、精致,且融入现代时尚的风格内涵。
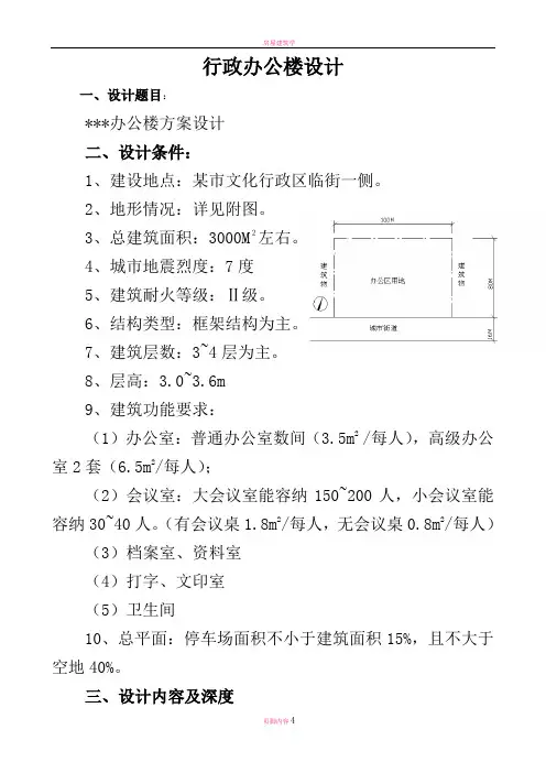
行政办公楼设计一、设计题目:***办公楼方案设计二、设计条件:1、建设地点:某市文化行政区临街一侧。
2、地形情况:详见附图。
3、总建筑面积:3000M2左右。
4、城市地震烈度:7度5、建筑耐火等级:Ⅱ级。
6、结构类型:框架结构为主。
7、建筑层数:3~4层为主。
8、层高:3.0~3.6m9、建筑功能要求:(1)办公室:普通办公室数间(3.5m2/每人),高级办公室2套(6.5m2/每人);(2)会议室:大会议室能容纳150~200人,小会议室能容纳30~40人。
(有会议桌1.8m2/每人,无会议桌0.8m2/每人)(3)档案室、资料室(4)打字、文印室(5)卫生间10、总平面:停车场面积不小于建筑面积15%,且不大于空地40%。
三、设计内容及深度(一)平面图:比例自定1、按制图规范绘制各层平面。
2、纵、横轴线及轴线编号。
3、平面尺寸:(1)总尺寸——外边缘尺寸。
(2)轴线尺寸。
(3)洞间墙段及门窗洞口尺寸——凡洞间墙段为轴线等分者,只需注明洞间的总尺寸,非等分者则应分别标注。
(4)剖切线及剖面编号(在底层平面中标注)(二)剖面图:比例自定,绘1~2个剖面,其中一个必须剖楼梯间。
1、外柱轴线及轴线编号。
2、剖面尺寸。
(1)总高尺寸:从室外地坪到女儿墙顶面或挑檐口的上表面。
(2)层高尺寸:室外地坪到底层地面,底层地面到上一层楼面,楼面到屋顶。
3、标高:楼地面、平台面、室外地坪、檐口上表面、女儿墙压顶上表面、雨蓬底面等。
(三)立面图:比例自定绘制两个以上主要立面图。
1、房屋两端轴线。
2、标出层高、总高、楼地面的标高。
(四)总平面图:1:500要求在给定的地形中布置出所设计的建筑物以及道路和绿化。
(五)设计说明:1、所设计建筑屋的性质、用途及设计意图和依据。
2、技术经济指标:建筑面积、使用面积、K值。
3、装修标准墙面、搂地面、屋面、楼梯、门窗、顶棚等所用材料、色彩和做法。
四、参考资料1、建筑设计资料集;2、中小型建筑设计图集;3、建筑设计规范;4、办公楼建筑设计规范。
办公楼设计任务书一、目的要求(一)通过设计使学生对所学的知识得以做一个总结性复习与提高,也是对学生成果的检验。
(二)通过设计提高学生独立完成设计项目及解决工程设计中实际问题的能力。
提高学生从事专业工作所需的综合素质。
二、设计部分(一)设计目的通过该课题的建筑方案及施工图的设计,进一步掌握办公楼的功能分区,组成关系,了解国家有关的设计规范。
同时,通过该设计,掌握公共建筑立面处理方法和内部空间的组织与安排。
提高建筑设计方案的表现能力及施工图的绘制水平。
(二)设计内容1.总平面设计:基地平面设计见附图要求在拟建的用地红线范围内设计综合办公楼。
总建筑面积控制在3900~4200平方米。
设置停车场,自行车棚,建筑小品,绿地,室外道路及设施。
2.平面设计: 该建筑结构形式可采用框架结构或底框结构,面积参照如下:大会议室200㎡;中会议室2×100㎡;大办公室50㎡×18=900㎡;小办公室25㎡×20=500㎡;总经理办公室(套间,卫生间)75㎡;副总经理办公室(套间,卫生间)50㎡×3=150㎡;多功能厅 400㎡;传达室 25㎡;门厅 60㎡;卫生间,设备间,服务用房及交通面积自定。
3.建筑外观设计:要求造型美观,突出建筑的地域文化特色。
与建筑功能及周边环境相协调,统一。
体现现代感,地方性,生态性,形成明快,大气的绿色建筑个性。
三、设计成果1.设计说明及经济指标2.总平面图1:5003.各层平面图1:2004.立面图(2个)1:2005.剖面图(1个)1:200按以上要求提供标准A3图纸一套。
四、参考资料1.办公建筑设计规范2.民用建筑设计通则3.建筑设计资料集(4)(5)4.民用建筑防火规范。
办公室设计任务书1. 任务目标本文档旨在为办公室设计项目制定明确的任务目标,确保设计师能够根据需求提供高质量的设计方案。
2. 项目概况2.1 项目描述该项目是为某公司的新办公室进行室内设计。
办公室总面积约为XX平方米。
设计重点是在有限的空间内创造舒适、实用、高效的工作环境。
2.2 项目需求- 设计师需要根据公司的形象和需求,设计一个具有专业感的办公室空间。
- 办公室需要包括工作区、会议室、休息区、卫生间等功能区域。
- 设计需考虑员工的舒适度和工作效率,合理布局办公家具和设备。
- 办公室设计需符合相关法律法规和安全标准。
3. 任务要求设计师需按照以下要求完成办公室设计及相关文件:3.1 办公室平面布局设计设计师需制定办公室的平面布局设计图,包括整体布局和各功能区域的位置,确保各区域之间的合理衔接和使用便捷性。
3.2 办公室内部装饰设计设计师需选择合适的室内装饰方案,包括墙面装饰、地面材料、天花板设计等,以创造一个舒适、美观的办公环境。
3.3 办公家具和设备配置方案设计师需提供符合办公室需求的家具和设备配套方案,并考虑功能性、人体工程学和美观性等因素。
3.4 照明设计方案设计师需制定照明设计方案,确保办公室各区域能够获得合适的照明亮度和舒适度。
3.5 色彩和形象设计方案设计师需根据公司形象和氛围,提供符合公司特点的色彩和形象设计方案,以增强整体办公室的品牌感和一致性。
4. 任务交付要求设计师需按以下要求提交项目成果:- 办公室平面布局设计图纸- 办公室内部装饰设计图纸- 办公家具和设备配置方案清单- 照明设计方案图纸- 色彩和形象设计方案说明设计师应以高质量的设计成果交付,确保设计方案的实施可行性和效果。
5. 时间安排本项目的时间安排如下:- 日期1:确定任务书和需求,开始设计准备- 日期2-3:完成办公室的平面布局设计和内部装饰设计- 日期4:完成办公家具和设备配置方案- 日期5:完成照明设计方案和色彩形象设计方案- 日期6:整理和完善设计成果,并提交最终文件6. 付款方式该项目的付款方式为阶段性支付,具体支付方式和金额将在合同中约定。
建筑设计任务书一、设计背景。
随着城市的不断发展,建筑设计在城市规划和发展中起着至关重要的作用。
本次建筑设计任务书旨在为某市区的新建办公楼设计一个现代化、功能完善、环保节能的建筑,以适应城市发展的需求。
二、项目概况。
1. 项目名称,某市区新建办公楼设计。
2. 项目地址,某市区。
3. 项目规模,地上建筑面积约10000平方米。
4. 设计要求,现代化、功能完善、环保节能。
三、设计要求。
1. 建筑设计要求。
(1)建筑风格,现代化、简约大气。
(2)建筑功能,办公楼主要用于政府机关办公,需要满足办公、会议、接待等功能需求。
(3)建筑结构,要求结构稳固、安全可靠。
(4)建筑外观,要求外观设计简洁大方,符合城市规划和环境要求。
2. 设备设施要求。
(1)通风空调系统,要求采用节能环保的通风空调系统。
(2)照明系统,要求采用节能照明设备。
(3)给排水系统,要求设计合理,保证给排水畅通。
3. 绿色环保要求。
(1)建筑材料,要求采用环保材料,尽量减少对环境的污染。
(2)节能设计,要求采用节能设计理念,减少能源消耗。
四、设计内容。
1. 建筑设计方案。
根据项目要求,设计一个现代化、功能完善、环保节能的办公楼建筑方案,包括建筑外观、布局设计、结构设计等内容。
2. 设备设施设计方案。
设计通风空调系统、照明系统、给排水系统等设备设施的设计方案,保证设备设施的正常运行和节能环保。
3. 绿色环保设计方案。
设计绿色环保的建筑材料选取方案、节能设计方案等,保证建筑的环保性能。
五、设计要求。
1. 设计方案应符合城市规划和环境保护要求。
2. 设计方案应满足建筑功能需求,保证办公楼的正常使用。
3. 设计方案应注重节能环保,减少对环境的影响。
六、设计时间。
本次设计任务书的设计时间为3个月,设计完成后需要提交设计方案和相关设计报告。
七、设计报酬。
设计报酬将根据设计方案的质量和实际完成情况进行评定,具体报酬将在设计合同中进行详细约定。
八、设计要求。
办公楼设计任务书题目:中小型办公楼设计一、目的要求运用所学建筑设计原理知识先进行方案设计,再进行施工图的绘制,从中初步掌握建筑设计的基本方法与步骤,提高分析问题和解决问题的能力,进一步训练和提高绘图技巧。
二、设计条件1.建造地点:见基地平面图150m新河航空路宽35m 基地平面图2.建筑面积:自定3.建筑层数:1~6层,耐火等级二级。
4.结构类型:自定5.建筑规模:办公室:拟采用~开间,~进深,以1~2开间为一办公单元,数量自定;会议室:60~80m2,数量自定;多功能展厅:130~150 m2,数量一个。
80m 建筑用地淮河大街宽24m开其它:门厅、门卫、接待室、卫生间、楼梯间等按有关建筑设计一般通则或条例,并--------------------精选公文范文,管理类,工作总结类,工作计划类文档,感谢阅读下载---------------------~ 1 ~根据自己调研的情况,自行考虑设置三、设计内容及深度要求本设计按施工图深度要求进行。
1.底层、标准层平面图1:100 1:100 2.立面图3.剖面图1:100 四、建筑施工图内容提示1.平面图主要表示办公室的位置、楼梯间、厕所、门厅位置及走道等。
其中应包括门窗大小、位置、门厅外的台阶、花台、散水及轴线尺寸与总尺寸,并标明各房间的名称。
2.立面图主要表示建筑物的外形轮廓及立面装修作法。
立面图均可为可见部分,应注明室外地坪、室内地坪、楼层及屋顶的标高及总高度尺寸等。
3.剖面图设计内容:墙体、楼板、屋顶、门窗、过梁、圈梁、窗台、楼梯、室内外地面、台阶、散水、雨蓬等。
标注内容:定位轴线编号及尺寸、屋面、地面、顶棚、散水、踢脚、墙裙等材料及做法。
室外地面至檐口各个洞口间的尺寸,屋--------------------精选公文范文,管理类,工作总结类,工作计划类文档,感谢阅读下载---------------------~ 2 ~面、地面、散水的排水方向及坡度数字,节点详图的索引标志和编号。
综合办公楼项目优化设计、初设和施工图设计任务书编制单位:编制时间:目录1项目概况 (3)2设计依据及设计标准 (3)3设计内容 (3)4设计要求 (4)5设计成果及设计周期要求 (10)1项目概况本项目位于xx市xx区xxx路南侧,xxx街以西约150米,xxx西路以东。
xx小区北区项目的总用地面积2.0844万平方米,其中建设用地1.6822万平方米,待征道路用地0.4022万平方米。
规划总建筑面积约19.00万平方米。
其中地上部分12.75平方米,地下部分6.25平方米。
建设层数:办公楼A:地上16层,地下4层;办公楼B:地上16层,地下4层;裙房:地上5层,地下4层;2设计依据及设计标准2.1国家相关法律、法规、强制性条文、国家及各行业设计规范、规程、行业条例及项目所在地方规定和标准。
2.2设计深度需符合国家建设部〈建筑工程设计文件编制深度的规定〉2016版中有关的要求及以及施工图外审单位,甲方要求的深度和质量。
2.3相关政府主管部门对本项目的批复文件、给定的技术条件和意见要求。
2.4甲方提供的实测地形图、项目用地周边市政管线资料、工程地质勘察报告和水文勘测资料等。
2.5本设计任务书。
2.6在项目设计过程中甲方(或甲方指定委托人)提出的意见、联系函、会议纪要、技术条件、交房条件和建造标准等。
2.7双方签定的设计合同内所包含的服务性条款及要求(详见设计合同)。
2.8国家其他现行有关规范。
3设计内容设计内容包括配合方案设计单位对方案进行落地设计,落实方案的结构、消防、人防、节能等内容的可行性,完成报规等审批内容,完成项目初设和施工图设计,配合完成工规证等内容,完成施工配合,配合完成甲方要求的各类指标及数据的统计。
主要内容如下:3.1项目红线范围内场地竖向设计、市政设计。
3.2方案配合、初设、施工图设计(包含人防设计)。
3.3按甲方要求完成室内管线综合图设计,配合精装设计完成各专业修改图纸(末端除外)。
设计任务书第一部分项目概况第二部分设计条件第三部分概念设计要求第四部分方案设计要求第一部分项目概况项目概况项目区位图第二部分设计条件2.1设计依据(包含不仅限于)国家通用设计规范、标准:《办公建筑设计规范》(JGJ67-2006)《民用建筑设计通则》(GB50352-2005)《高层民用建筑设计防火规范》(GB50045-95)(2005年版)《建筑设计防火规范》(GB50016-2006)(2006年版)《商店建筑设计规范》(JGJ48-88)《汽车库建筑设计规范》(JGJ100-98)《汽车库、修车库、停车场设计防火规范》(GB50067-97)《地下工程防水设计规范》(GB50067-97)《城市道路和建筑物无障碍设计规范》(JGJ50-2001)《人民防空地下室设计规范》(GB50038-2005)《人民防空工程设计防火规范》(GB50098-2009)《建筑工程设计文件编制深度》(2008年版)《屋面工程技术规范》(GB50345-2004)《智能建筑设计标准》(GB/T 50314-2006)《自动喷水灭火系统设计规范》(GB50084-2001)(2005年版)武汉市地方性设计规定:《武汉市城市建筑规划管理技术规定》(2003)《武汉市城市绿化条例》(2002)《市人民政府关于印发武汉市建设工程项目配套绿化用地面积审核办法的通知》(武政〔2005〕35号)《湖北省人民防空工程管理规定》(湖北省人民政府令第358号)甲方提供的设计基础资料:用地红线图、地形图,《设计任务书》、地块照片等2.2设计周期招标方将在招标文件发放后15天左右进行一次中期沟通,投标方应在招标文件发放后第35天向招标人提交概念设计成果并进行汇报。
概念设计方案评审会后,中标单位要根据招标方意见在7天内完成概念设计的修改,获得招标方认可后30天内完成方案设计,并达到本任务书所要求的方案设计深度。
2.3规划设计条件建筑退线:2.4市场定位要求2.5设计要求1、规划设计要求1.1、总体布局(1)、办公塔楼宜沿青年路布置,底层为商业裙房(沿青年路一侧不允许布置“一拖二”商业);(2)、基地机动车出入口:范湖路一侧可根据规范要求开设出入口;(3)、规划布局时应充分考虑与相邻地块项目的关系(如道路系统等);(4)、规划布局时,应仔细研究本项目天际线,保证天际线的合理性;1.2、交通组织(1)、合理安排园区内人流、车流动线,避免办公区动线与商业动线互相干扰;(2)、合理安排办公及商业的后勤(职工、货物及垃圾等)流线,使后勤流线与正常的人流、车流动线互不干扰;后勤出入口应设在隐蔽处,尽量避免正对城市道路;(3)、合理安排地下停车场出入口及地面停车的位置;(5)、园区消防车道、消防通道及消防登高面、消防登高场地的设计应符合相关消防设计规范的要求;1.3、合理处理主体建筑与附属设施之间的关系;2、建筑设计要求2.1、办公楼部分(1)、办公楼标准层面积:1700~2000平米;(2)、办公楼标准层层高为4.2米,底部层高与底层商业统一设计,顶层商务会所层高为:8.4米;(3)、办公楼平面形式宜采用方形,避免采用异形平面(如三角形),以提高平面利用率;(4)、办公楼的办公空间设计为开放型办公空间;(5)、办公楼标准层每层设置男、女公共卫生间,并各设置1个无障碍厕位;(6)、办公楼宜每层设置吸烟室、茶水间、清洁间及垃圾处理间。
(7)、办公楼电梯:按每4500平米配备1部客梯,每栋塔楼配备2部消防电梯(兼货梯),同时考虑其中1部消防电梯可改作“总裁梯”,直达顶层商务会所;(8)、办公楼大堂按双层挑空设计,设置休息区、咖啡吧及便利店等功能;(9)、办公楼机动车位按1车位/100平米建筑面积配备;(10)、精心处理办公楼入口及顶部造型,形成设计亮点;(11)、办公楼外立面按照幕墙形式设计;(12)、办公楼柱网尺寸选择应充分考虑与底层商业裙房及地下车库协调设计;2.2、商业部分(1)、沿青年路一侧办公楼底层裙房按商业设计,进深为24~30米,层数为3层:1、2层为1000~2000平米大铺,业态按银行、金融、高端餐饮等考虑;裙房设置观光梯;(2)、其余部分商业设计为一拖二产品,进深12~16米,单铺建筑面积为200~260平米;(3)、商业层高:首层为5.1米,二层为4.5米,三层为4.2米;(4)、裙房商业屋顶设计时按屋顶花园考虑;(5)、商业设计时预留餐饮条件;(6)、商业立面设计应与办公楼外立面设计风格相协调;(7)、精心处理商业入口,充分考虑店招的位置;(8)、商业机动车位按1车位/100平米建筑面积配备;2.3、其他设计要结合本项目外立面设计,在建筑适当位置考虑预留LED广告屏的位置。
第三部分概念设计要求3.1、设计成果3.1.1、概念方案设计本册(投标方提供纸质A3幅面概念方案设计本册6套),本册内容应包含(不仅限于)下列内容:1、设计说明设计说明的内容包括(不仅限于):(1)、项目概况(2)、主要技术经济指标,包括用地面积、总建筑面积、地上总建筑面积、办公建筑面积、商业建筑面积(含航站业务)、地下总建筑面积、地下车库建筑面积、人防建筑面积、设备机房建筑面积、机动车位数、地上车位数、地下车位数、容积率、建筑占地面积、建筑密度及绿化率等;(3)、设计依据;(4)、规划设计(总体布局)说明;(5)、道路交通系统及停车体系设计说明;(6)、建筑单体设计说明(建筑、幕墙、泛光照明、结构、水、电、空调等各相关专业);(7)、景观及绿化系统设计说明;(8)、建筑节能设计说明。
2、总平面图:标明场地的区域位置;用地和建筑物各角点的坐标或定位尺寸;道路、停车场、广场、绿地及建筑物的布置,并表示出主要建筑物与各类控制线(用地红线、道路红线、建筑控制线等)、相邻建筑物之间的距离及建筑物总尺寸,基地出入口与城市道路交叉口之间的距离;拟建主要建筑物的名称、出入口位置、层数、建筑高度、设计标高,以及地形复杂时主要道路、广场的控制标高;指北针或风玫瑰图、比例等。
3、设计分析图,包括以下内容(不仅限于):(1)、区位分析图:标明本项目的位置以及和周围环境的关系;(2)、基地现状分析图:分析现状建筑、景观、道路等;(3)、功能分析图:标明各种业态的位置;(4)、交通分析图:标明人行与车行流线,明确人车关系;标明各出入口的位置;标明道路与外部市政道路系统的关系等;(5)、景观分析图:表达景观设计概念,绿化、广场之间的关系;标明主、次景观节点及景观轴;分析地块内、外有价值的景观资源;(6)、消防分析图:表达地块周边城市道路系统、消防车道位置及消防登高场地等;(7)、日照分析图:标明日照分析输入条件及分析结果说明等;4、效果图,包括(不仅限于):(1)、总体鸟瞰图;(2)、日景透视图(至少2个主要透视角度);(3)、夜景效果图(至少2个主要透视角度);5、建筑单体设计图,包括:(1)、各单体建筑平面图、立面图、剖面图;(2)、地下室平面布置图;(3)、建筑外立面细部设计图:标明建筑外立面材料的材质和颜色,配以图片说明;3.1.2、方案设计本册电子版文件(光盘2张):电子文件内容应与方案设计本册内容一致,设计图纸(全套建筑设计图纸)为dwg格式(AUTOCAD2007版)并且可编辑,效果图、分析图等为JPEG格式,设计说明等文字描述部分为word2003版。
3.1.3、工程投资估算书:6份。
3.1.4、展板:AO幅面展板不少于5张。
3.1.5、项目整体建筑模型一套(比例为1:300)。
3.2、设计方案汇报稿汇报稿为PPT格式,并应包含以上主要内容。
第四部分方案设计要求4.1基本原则本阶段设计任务主要是为了把设计方在概念设计阶段的成果继续深化,使最终设计成果能够体现招标方对项目的设计要求及设计意图,并可以作为初步设计的指导文件,设计方应对项目最终的整体效果负责。
4.2工作内容1、在符合国家相关法律法规的前提下完成方案设计工作,并提交符合招标方要求的设计文件;2、配合招标方完成方案报批报建工作,设计方需按当地政府相关主管部门对“工程报建要求”提供齐全相关图纸种类及数量;3、配合初步设计及施工图设计工作,方案完成后与施工图设计单位进行技术交底,并对后续的初步设计和施工图设计提供必要的技术指导;4、配合其它专业(景观、精装修、幕墙及泛光设计等)的设计工作,从方案设计角度为招标方委托的其它专业设计单位提供必要的技术指导;5、负责审核施工图阶段对方案设计效果有影响的相关技术图纸、文件,确保项目最终的设计效果;4.3设计深度1.方案设计深度执行《建筑工程设计文件编制深度规定》(2008年版);2.方案设计深度应能满足指导初步设计和施工图设计的要求;3.方案设计深度应达到当地政府相关主管部门对工程报批、报建的要求;4.4、设计成果4.4.1、方案设计本册(投标方提供纸质A3幅面方案设计本册8套),本册内容应包含(不仅限于)下列内容:1、设计说明设计说明的内容包括(不仅限于):(1)、项目概况;(2)、主要技术经济指标,包括用地面积、总建筑面积、地上建筑面积、办公建筑面积、商业建筑面积、、地下建筑面积、地下车库建筑面积、人防建筑面积、设备机房建筑面积、机动车位数、地上车位数、地下车位数、容积率、建筑占地面积、建筑密度及绿化率等;(3)、设计依据;(4)、规划设计(总体布局)说明;(5)、道路交通系统及停车体系设计说明;(6)、建筑单体设计说明(建筑、幕墙、泛光照明、结构、水、电、空调等各相关专业);(7)、景观及绿化系统设计说明;(8)、建筑节能设计说明。
2、总平面图:标明场地的区域位置;用地和建筑物各角点的坐标或定位尺寸;道路、停车场、广场、绿地及建筑物的布置,并表示出主要建筑物与各类控制线(用地红线、道路红线、建筑控制线等)、相邻建筑物之间的距离及建筑物总尺寸,基地出入口与城市道路交叉口之间的距离;拟建主要建筑物的名称、出入口位置、层数、建筑高度、设计标高,以及地形复杂时主要道路、广场的控制标高;指北针或风玫瑰图、比例等。
3、设计分析图,包括以下内容(不仅限于):(1)、区位分析图:标明本项目的位置以及和周围环境的关系;(2)、基地现状分析图:分析现状建筑、景观、道路等;(3)、功能分析图:标明各种业态的位置;(4)、交通分析图:标明人行与车行流线,明确人车关系;标明各出入口的位置;标明道路与外部市政道路系统的关系等;(5)、景观分析图:表达景观设计概念,绿化、广场之间的关系;标明主、次景观节点及景观轴;分析地块内、外有价值的景观资源;(6)、消防分析图:表达地块周边城市道路系统、消防车道位置及消防登高场地等;(7)、日照分析图:标明日照分析输入条件及分析结果说明等;4、效果图,包括(不仅限于):(1)、总体鸟瞰图;(2)、日景透视图(至少2个主要透视角度);(3)、夜景效果图(至少2个主要透视角度);(4)、项目整体sketchup模型(精细版):标明建筑细部设计;5、建筑单体设计图,包括:(1)、各单体建筑平面图、立面图、剖面图;(2)、地下室平面图;(3)、建筑外立面细部设计图:标明建筑外立面材料的材质和颜色,配以图片说明,并提供相应材料样板;(4)、建筑重点部位节点图:标明建筑重点部位的大样;4.4.2、方案设计本册电子版文件(光盘2张):电子文件内容应与方案设计本册内容一致,设计图纸(全套建筑设计图纸)为dwg格式(AUTOCAD2007版)并且可编辑,效果图、分析图等为JPEG格式,设计说明等文字描述部分为word2003版。