CCD CMOS靶面型号尺寸标准
- 格式:pdf
- 大小:339.43 KB
- 文档页数:5
CCD 靶面尺寸划分摄像机摄像器件(CCD)的尺寸分为 1 英寸、 1/2 英寸、 1/3 英寸、 1/4 英寸等。
其中以 1/3英寸和 1/2 英寸最为常见。
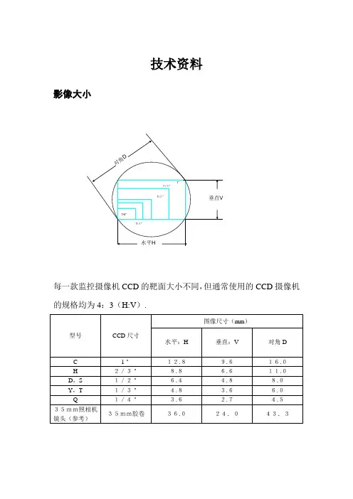
CCD尺寸水平( mm )垂直( mm )对角线( mm ) 1英寸12.79.616 2/3英寸8.8 6.611 1/2英寸 6.4 4.88 1/3英寸 4.8 3.6 6 1/4英寸 3.6 2.44镜头焦距的确定在选择镜头时,有以下五个因素确定镜头标准:(1)监控现场的大小;(2)被摄物体的大小;(3)物距;(4)焦距;(5) CCD 靶面尺寸。
前 4 点可由现场测量并通过计算来确定镜头的焦距标准,其计算方法如下:u 1/3 ″CCD F=4.8 × L/W 或 F=3.6 ×L/HF= CCD垂直高度*物距 /物高)(焦距 F= CCD 水平宽度 * 物距 /物宽)或(焦距u 1/2″ CCD F=6.4 × L/W 或 F=4.8× L/H其中, W为被摄物体的宽度;H 为被摄物体的高度;L 为镜头到被摄物体间的距离; F 为镜头焦距。
那么为何在镜头的选用中考虑CCD 靶面的尺寸呢?为了从 1/3″与 1/2″ CCD 摄像机中获取同样的视角,1/3″ CCD 摄像机镜头焦距必须缩短;相反如果在1/3 ″ CCD 与1/2 ″ CCD摄像机中采用相同焦距的镜头,情况又如何呢?1/3″ CCD 摄像机视角将比1/2″ CCD 摄像机明显地减小,同时1/3″ CCD 摄像机的图像在监视器上将比1/2″ CCD 的图像放大,产生了使用长焦距镜头的效果。
另外我们在选择镜头时还要注意这样一个原则:即小尺寸靶面的CCD可使用大尺寸靶面CCD 摄像机的镜头,反之则不行。
原因是:如1/2″ CCD 摄像机采用1/3″镜头,则进光量会变小,色彩会变差,甚至图像也会缺损;反之,则进光量会变大,色彩会变好,图像效果肯定会变好。
如何确定镜头CCD靶面尺寸?
在组建机器视觉系统时,需要选用适合实际应用的产品。
今天,中国机器视觉商城的培训课堂为您带来的是关于工业镜头CCD靶面尺寸的确定方法。
在选择镜头时,我们通常要注意一个原则:即小尺寸靶面的CCD 可使用对应规格更大的镜头,反之则不行。
如果1/2″CCD摄像机采用对应1/3″镜头,则进光量会变小,不能完全覆盖整个CCD靶面,色彩会变差,甚至图像也会缺损;反之,如果1/3″CCD摄像机采用对应1/2″镜头,进光量会变大,就可以完全覆盖整个CCD靶面,色彩会变好,图像效果肯定会更好。
但是在使用过程中,一般还是选规格相统一的产品,如1/2″CCD摄像机选用对应1/2″镜头,1/3″CCD摄像机选用对应1/3″镜头。
焦距是镜头的关键参数,为了在电荷耦合器件,也就是CCD上完整成像,我们需要为目标的高度和宽度计算焦距,较小的值为镜头焦距。
宽度的焦距=拍摄距离×CCD宽度/目标宽度+CCD宽度
高度的焦距=拍摄距离×CCD高度/目标高度+CCD高度
工业相机CCD传感器尺寸大小:
1/4 inch:(3.2mm×2.4mm);
1/3 inch:(4.8mm×3.6mm);
1/2 inch:(6.4mm×4.8mm);
2/3 inch:(8.8×6.6mm);
1 inch:(12.8mm×9.6mm)。
根据公式计算出焦距,然后再根据CCD传感器的尺寸规格就可以
判断选择合适的工业镜头产品。
CCD靶面尺寸划分摄像机摄像器件(CCD)的尺寸分为1英寸、1/2英寸、1/3英寸、1/4英寸等。
其中以1/3英寸和1/2英寸最为常见。
CCD尺寸水平(mm)垂直(mm)对角线(mm)1英寸 12.7 9.6 162/3英寸8.8 6.6 111/2英寸 6.4 4.8 81/3英寸 4.8 3.6 61/4英寸 3.6 2.4 4镜头焦距的确定在选择镜头时,有以下五个因素确定镜头标准:(1)监控现场的大小;(2)被摄物体的大小;(3)物距;(4)焦距;(5)CCD靶面尺寸。
前4点可由现场测量并通过计算来确定镜头的焦距标准,其计算方法如下:u 1/3″CCD F=4.8×L/W或F=3.6×L/H(焦距F=CCD水平宽度*物距/物宽)或(焦距F=CCD垂直高度*物距/物高)u 1/2″CCD F=6.4×L/W或F=4.8×L/H其中,W为被摄物体的宽度;H为被摄物体的高度;L为镜头到被摄物体间的距离;F为镜头焦距。
那么为何在镜头的选用中考虑CCD靶面的尺寸呢?为了从1/3″与1/2″CCD摄像机中获取同样的视角,1/3″CCD摄像机镜头焦距必须缩短;相反如果在1/3″CCD与1/2″CCD摄像机中采用相同焦距的镜头,情况又如何呢?1/3″CCD摄像机视角将比1/2″CCD摄像机明显地减小,同时1/3″CCD摄像机的图像在监视器上将比1/2″CCD的图像放大,产生了使用长焦距镜头的效果。
另外我们在选择镜头时还要注意这样一个原则:即小尺寸靶面的CCD可使用大尺寸靶面CCD摄像机的镜头,反之则不行。
原因是:如1/2″CCD摄像机采用1/3″镜头,则进光量会变小,色彩会变差,甚至图像也会缺损;反之,则进光量会变大,色彩会变好,图像效果肯定会变好。
当然,综合各种因素,摄像机最好还是选择与其相匹配的镜头。
3、正确选用镜头焦距的理论计算摄取景物的镜头视场角是极为重要的参数,镜头视场角随镜头焦距及摄像机规格大小而变化(其变化关系如前所述),覆盖景物镜头的焦距可用下述公式计算:(1)f=u•D/U(2)f=h•D/Hf:镜头焦距、U:景物实际高度、H:景物实际宽度、D:镜头至景物实测距离、u:图像高度、h:图像宽度举例说明:当选用1/2″镜头时,图像尺寸为u=4.8mm,h=6.4mm。
技术资料影像大小每一款监控摄像机CCD的靶面大小不同,但通常使用的CCD摄像机的规格均为4:3(H:V).接口类型通常的监控摄像机镜头拥有C接口和CS接口两种。
规格互换性*1空气换算长度。
*2在C接口镜头与CS接口的摄像机配合使用的情况下,需使用C-CS 接口接配环(5mm)。
MTF(分解力与调制传递函数)用比值来表示被摄景物(黑白条纹图形)自身的对比度在像面上被忠实的再现的精度就是MTF。
分解力是指镜头对不同间隔的黑白条图形的再现能力。
与之相反,调制传递函数指的是镜头再现黑白条图形的精度。
MTF通常用来表述镜头的性能,被看作是评镜头性能的好办法之一。
HD 高清镜头百万像素镜头与现行镜头有很大区别,镜头设计使其在空间频率数高的频带处也可维持较高的MTF*值。
因而在整个画面中,不仅镜头的中心部位,边缘部位也同样能获取高分辨力的图像。
下图显示了应对HD 镜头与普通镜头的MTF 的不同,TV 线数越多,MTF 数值差距越大。
影像亮度光阑指数(F )是影像亮度的一个表征。
数值越小,亮度越高。
通过焦距和镜头的有效直径之比可以求出光阑指数。
光阑指数是交涉镜头的透射率为100%时确定的,但实际上不同的镜头透射率不同。
这样,光阑指数相同,但影像亮度会有不同。
为了消除这种不便,建立了一个综合考虑光阑指数和光线透射率的系统,即T 制光阑。
光阑指数(F )与T 制光阑的关系如下。
df FNo =.f:焦距 d:镜头有效直径10%100..⨯=)透射率(FNo TNoM.O.D(Minimun Object Dnistance )M.O.D 表示镜头到达被摄影无的最短距离。
它是从前镜片顶点测到的距离。
视角视角是用角度表示在规定的像场中能够摄入的范围。
通常是指镜头处于无限远时的角度。
焦距相同,若像场大小不同,视角则不同。
fY 2'tan 21-=θ θ:视角Y ’:图像尺寸 f :焦距 举例:若使用1/2"摄像机配套12.5mm 聚焦镜头,水平视角为: Y ’:6.4 f :12.5︒=⨯=-72.285.1224.6tan 21θ视野和焦距的计算(1) 视野的计算在物距为有限的情况下,视野便能通过下述公式计算出来。
CCD靶面尺寸划分摄像机摄像器件(CCD)的尺寸分为1英寸、1/2英寸、1/3英寸、1/4英寸等。
其中以1/3英寸与1/2英寸最为常见。
CCD尺寸水平(mm) 垂直(mm) 对角线(mm) 1英寸 12、7 9、6 16 2/3英寸 8、8 6、6 11 1/2英寸 6、4 4、8 8 1/3英寸 4、8 3、6 6 1/4英寸 3、6 2、4 4镜头焦距的确定在选择镜头时,有以下五个因素确定镜头标准:(1) 监控现场的大小;(2) 被摄物体的大小;(3) 物距;(4) 焦距;(5) CCD靶面尺寸。
前4点可由现场测量并通过计算来确定镜头的焦距标准,其计算方法如下:u 1/3″CCD F=4、8×L/W或F=3、6×L/H(焦距F=CCD水平宽度*物距/物宽)或(焦距F=CCD垂直高度*物距/物高)u 1/2″CCD F=6、4×L/W或F=4、8×L/H其中,W为被摄物体的宽度;H为被摄物体的高度;L为镜头到被摄物体间的距离;F为镜头焦距。
那么为何在镜头的选用中考虑CCD靶面的尺寸呢?为了从1/3″与1/2″ CCD摄像机中获取同样的视角,1/3″ CCD摄像机镜头焦距必须缩短;相反如果在1/3″ CCD与1/2″ CCD摄像机中采用相同焦距的镜头,情况又如何呢?1/3″ CCD摄像机视角将比1/2″ CCD摄像机明显地减小,同时1/3″ CCD摄像机的图像在监视器上将比1/2″ CCD的图像放大,产生了使用长焦距镜头的效果。
另外我们在选择镜头时还要注意这样一个原则:即小尺寸靶面的CCD可使用大尺寸靶面CCD摄像机的镜头,反之则不行。
原因就是:如1/2″ CCD摄像机采用1/3″镜头,则进光量会变小,色彩会变差,甚至图像也会缺损;反之,则进光量会变大,色彩会变好,图像效果肯定会变好。
当然,综合各种因素,摄像机最好还就是选择与其相匹配的镜头。
3、正确选用镜头焦距的理论计算摄取景物的镜头视场角就是极为重要的参数,镜头视场角随镜头焦距及摄像机规格大小而变化(其变化关系如前所述),覆盖景物镜头的焦距可用下述公式计算:(1)f=u•D/U(2)f=h•D/Hf:镜头焦距、U:景物实际高度、H:景物实际宽度、D:镜头至景物实测距离、u:图像高度、h:图像宽度举例说明:当选用1/2″镜头时,图像尺寸为u=4、8mm,h=6、4mm。
CCD/CMOS靶面尺寸型号标准—深圳市视清科技有限公司图像传感器的尺寸是影响成像表现力的硬指标之一,但许多人对图像传感器(CCD/CMOS)尺寸的表示方法大惑不解,因为像1/1.8英寸、2/3英寸之类的尺寸,既不是任何一条边的尺寸,也不是其对角线尺寸,看着这样的尺寸,往往难以形成具体尺寸大小的概念。
那么,这个尺寸到底是怎么来的呢,事实上,这种表示方法来源于早期的摄像机成像器件——光导摄像管。
一、CCD/CMOS靶面尺寸型号标准在CCD出现之前,摄像机是利用一种叫作“光导摄像管(Vidicon Tube)”的成像器件感光成像的,这是一种特殊设计的电子管,其直径的大小,决定了其成像面积的大小。
因此,人们就用光导摄像管的直径尺寸来表示不同感光面积的产品型号。
CCD出现之后,最早被大量应用在摄像机上,也就自然而然沿用了光导摄像管的尺寸表示方法,进而扩展到所有类型的图像传感器的尺寸表示方法上。
例如,型号为“1/1.8”的CCD或CMOS,就表示其成像面积与一根直径为1 /1.8英寸的光导摄像管的成像靶面面积近似。
光导摄像管的直径与CCD/CMOS成像靶面面积之间没有固定的换算公式,从实际情况来说,CCD /CMOS成像靶面的对角线长度大约相当于光导摄像管直径长度的2/3。
如下图所示,白圈表示光导摄像管成像区域,绿色部分表示CCD/CMOS靶面区域:摄像管与CCD/CMOS成像区域对比二、CCD/CMOS典型靶面尺寸靶面尺寸类型:几种典型的图像传感器靶面尺寸几种典型的传统胶片尺寸三、CCD/CMOS各型号一览【表1】CCD/CMOS靶面尺寸各型号一览*转换系数(Crop Factor)是以35mm电影胶片尺寸(36×24mm)为标准设定的参考系数。
深圳市视清科技有限公司-以自主产品为支撑的机器视觉方案供应商!。
cmos成像技术指标靶面尺寸1.引言1.1 概述概述部分的内容:引言部分旨在对CMOS成像技术以及靶面尺寸问题进行概述。
CMOS 成像技术是一种现代数字成像技术,它通过利用互补金属氧化物半导体(CMOS)技术制造出的图像传感器,在光信号的作用下将图像转化为电信号。
相比于传统的CCD(电荷耦合器件)技术,CMOS成像技术具有功耗低、集成度高以及成本较低等优势,因此在各个领域的图像采集中得到了广泛应用。
本文首先介绍CMOS成像技术的基本概念、原理和构造,然后重点讨论了CMOS成像技术的两个关键指标,即像素尺寸和噪声特性。
像素尺寸是衡量CMOS成像器件图像细节清晰度的重要参数,而噪声特性则直接影响到图像的质量。
通过详细探讨这两个指标,我们可以更好地理解CMOS成像技术的性能和应用。
此外,我们还将深入研究靶面尺寸问题。
靶面尺寸是指图像传感器所能够接收到的有效图像区域的大小。
文章将从靶面尺寸的定义与意义出发,探讨靶面尺寸的影响因素以及对成像质量的影响。
通过对靶面尺寸问题的研究,我们可以更好地理解CMOS成像技术在实际应用中的限制和优化方向。
通过本文的阅读,读者将会深入了解CMOS成像技术以及其关键指标,同时也能够理解靶面尺寸对成像质量的重要性。
这将为进一步的研究和应用提供有价值的参考和借鉴。
接下来我们将详细介绍文章的结构和各个部分的内容。
1.2 文章结构文章结构部分是指对整篇文章的组织和框架进行介绍,以便读者能够清晰地了解文章的结构和内容安排。
以下是文章结构部分的内容:文章结构部分的主要目的是为读者提供一个清晰的框架,帮助读者更好地理解本文的内容和论点。
本文将分为以下几个部分进行介绍。
第一部分是引言部分。
在引言部分,我们将概述CMOS成像技术指标和靶面尺寸的重要性,并说明本文的目的和结构。
第二部分是正文部分。
在正文部分,我们将详细介绍CMOS成像技术指标和靶面尺寸的相关内容。
首先,我们将讨论像素尺寸的定义和意义,以及它对成像质量的影响。
镜头的参数选型方法CCD靶面的大小划分linch 靶面尺寸为宽12.7mmX高9.6mm,对角线16mm2/3inch靶面尺寸为宽8.8mmX高6.6mm,对角线11mm1/2inch靶面尺寸为宽6.4mmX高4.8mm,对角线8mm1/3inch靶面尺寸为宽4.8mmX高3.6mm,对角线6mm1/4inch靶面尺寸为宽3.2mmX高2.4mm,对角线4mm如果把摄像机比喻为人的眼睛,镜头就好比是眼球,它直接关系到监看物体的远近、范围和效果。
镜头的选用应考虑一下几点:1)镜头尺寸应等于或大于摄像机成像面尺寸。
例如:1/3″摄像机可选1/3″~1″整个范围内的镜头,但水平视角的大小都是一样的。
只是使用大于1/3″的镜头能够更多地利用成形,更精确了镜头中心光路,所以可提高图像质量和分辨率。
2)选用合适的镜头焦距。
焦距越大,监看距离越远,水平视角越小,监视范围越窄;焦距越小,监看距离越近,水平视角越大,监视范围越宽。
镜头焦距可按照以下公式估算。
f=A×L/H(f--镜头焦距;A--摄像机CCD垂向尺寸;L--被摄物体到镜头距离;H--被摄物体高度)格式1英寸2/3英寸1/2英寸1/3英寸 1/4英寸CCD垂向尺寸9.6㎜ 6.6㎜ 4.8㎜ 3.6㎜2.7㎜3)考虑环境光线的变化。
光线对图像的采集效果起着十分重要的作用。
一般来说,对于光线变化不明显的环境,我们常选用手动光圈镜头,将光圈手调到一个比较理想的数值后就可不动了;如果光线变化较大,如室外24小时监看,应选用自动光圈,能够根据光线的明暗变化自动调节光圈值的大小,保证图像质量。
但需注意的是,如果光线照度不均匀,特别是监视目标与背景光反差较大时,采用自动光圈镜头效果不理想。
4)考虑最佳监看范围。
因为镜头焦距和水平视角成反比,因此既想看得远,又想看得宽阔和清晰,这是无法同时实现的。
每个焦距的镜头都只能在一定范围内达到最佳的监看效果,所以如果监看的距离较远且范围较大,最好是增加摄像机的数量,或采用电动变焦镜头配合云台安装。
如何区别监控摄像机镜头CCD13和14
如何区别监控摄像机镜头CCD1/3和1/4
镜头CCD1/3
镜头CCD1/4
区别一:
CCD芯片已经开发出多种尺寸:
目前采用的芯片大多数为1/3”和1/4”。
在购买时,特别是对摄像角度有比较严格要求的时候,CCD靶面的大小,CCD与镜头的配合情况将直接影响视场角的大小和图像的'清晰度。
1英寸——靶面尺寸为宽12.7mm*高9.6mm,对角线16mm。
2/3英寸——靶面尺寸为宽8.8mm*高6.6mm,对角线11mm。
1/2英寸——靶面尺寸为宽6.4mm*高4.8mm,对角线8mm。
1/3英寸——靶面尺寸为宽4.8mm*高3.6mm,对角线6mm。
1/4英寸——靶面尺寸为宽3.2mm*高2.4mm,对角线4mm。
区别二:
CCD越大越好。
现在有 1英寸、2/3英寸、1/2英寸、1/3英寸、1/4英寸。
3.6MM镜头距离约8米 6MM镜头距离约15米 8MM镜头距离约25米12MM镜头距离约35米也就是镜头越大,可以看到更远的东西,但看到的面很少:
区别就是1/3的镜头的通光孔径小,只有1/3英寸,2/3的镜头的通光孔径有2/3英寸,所以在同等光照条件下,2/3的镜头能让更多的光线通过,从而间接提升摄像机的照度。
16MM的视角小,照得远,8MM的镜头视角大,照得近,相对而言。
记往原则:数字越大,照得越远,视角越小;数字越小,照得越近,视角越广。
CCD摄像机的参数及分类安全防范系统中,高清摄像机图像的生成主要来源于CCD摄像机。
CCD是电荷耦合器件(charge coupled device)的简称,CCD主要功能是完成光电转换功能,能够将镜头接受到的光线变为电荷并将电荷存储及转移,也可将存储的电荷取出使电压发生变化,是理想的摄像机元件。
以CCD作为摄像机的图像传感器因其具有体积小、部受磁场影响、图像清晰、灵敏度高、抗强光、畸变小、体积小、寿命长、抗震动等优点而被广泛应用。
一、CCD摄像机的主要参数1分辨率的选择评估摄像机分辨率的指标是水平分辨率,其单位为线对,即成像后可以分辨的黑白线对的数目。
常用的黑白摄像机的分辨率一般为380-600,彩色为380-480,其数值越大成像越清晰。
对于医疗、图像处理等特殊场合,用600线的摄像机能得到更清晰的图像。
一般的监视场合,用400线左右的黑白摄像机就可以满足要求。
2成像灵敏度通常用最低环境照度要求来表明摄像机灵敏度,黑白摄像机的灵敏度大约是0.02-0.5Lux(勒克斯),彩色摄像机多在1Lux以上。
0.1Lux的摄像机用于普通的监视场合;在夜间使用或环境光线较弱时,推荐使用0.02Lux的摄像机。
与近红外灯配合使用时,也必须使用低照度的摄像机。
另外摄像的灵敏度还与镜头有关,0.97Lux/F0.75相当于2.5Lux/F1.2相当于3.4Lux/F1.3参考环境照度:夏日阳光下100000Lux 阴天室外10000Lux电视台演播室1000Lux 距60W台灯60cm桌面300Lux室内日光灯100Lux 黄昏室内10Lux20cm处烛光10-15Lux 夜间路灯0.1Lux4外同步与外触发外同步是指不同的视频设备之间用同一同步信号来保证视频信号的同步,它可保证不同的设备输出的视频信号具有相同的帧、行的起止时间。
为了实现外同步,需要给摄像机输入一个复合同步信号(C-sync)或复合视频信号。
CCD靶面尺寸划分摄像机摄像器件(CCD)的尺寸分为1英寸、1/2英寸、1/3英寸、1/4英寸等。
其中以1/3英寸和1/2英寸最为常见。
CCD尺寸水平(mm)垂直(mm)对角线(mm) 1英寸 12.7 9.6 16 2/3英寸 8.8 6.6 11 1/2英寸 6.4 4.8 8 1/3英寸 4.8 3.6 6 1/4英寸 3.6 2.4 4镜头焦距的确定在选择镜头时,有以下五个因素确定镜头标准:(1)监控现场的大小;(2)被摄物体的大小;(3)物距;(4)焦距;(5) CCD靶面尺寸。
前4点可由现场测量并通过计算来确定镜头的焦距标准,其计算方法如下:u 1/3″CCD F=4.8×L/W或F=3.6×L/H(焦距F=CCD水平宽度*物距/物宽)或(焦距F=CCD垂直高度*物距/物高)u 1/2″CCD F=6.4×L/W或F=4.8×L/H其中,W为被摄物体的宽度;H为被摄物体的高度;L为镜头到被摄物体间的距离;F为镜头焦距。
那么为何在镜头的选用中考虑CCD靶面的尺寸呢?为了从1/3″与1/2″ CCD摄像机中获取同样的视角,1/3″ CCD摄像机镜头焦距必须缩短;相反如果在1/3″ CCD与1/2″ CCD摄像机中采用相同焦距的镜头,情况又如何呢?1/3″ CCD摄像机视角将比1/2″ CCD摄像机明显地减小,同时1/3″ CCD摄像机的图像在监视器上将比1/2″ CCD的图像放大,产生了使用长焦距镜头的效果。
另外我们在选择镜头时还要注意这样一个原则:即小尺寸靶面的CCD可使用大尺寸靶面CCD摄像机的镜头,反之则不行。
原因是:如1/2″ CCD摄像机采用1/3″镜头,则进光量会变小,色彩会变差,甚至图像也会缺损;反之,则进光量会变大,色彩会变好,图像效果肯定会变好。
当然,综合各种因素,摄像机最好还是选择与其相匹配的镜头。
3、正确选用镜头焦距的理论计算摄取景物的镜头视场角是极为重要的参数,镜头视场角随镜头焦距及摄像机规格大小而变化(其变化关系如前所述),覆盖景物镜头的焦距可用下述公式计算:(1)f=u•D/U(2)f=h•D/Hf:镜头焦距、U:景物实际高度、H:景物实际宽度、D:镜头至景物实测距离、u:图像高度、h:图像宽度举例说明:当选用1/2″镜头时,图像尺寸为u=4.8mm,h=6.4mm。
首先应了解CCD或COMS的靶面尺寸:常用的CCD或COMS有1、2/3、1/2、1/3、1/4英寸这5个尺寸。
一般常规的数码显微镜都是使用第三目再加CCD或CMOS来实现的,如果已购买了传统的二目的体视、生物或金相等显微镜,有应如何实现呢?这要求既不淘汰原来购买的产品,又要节省成本以实现数码,同时可以直接采用电脑屏幕观测产品,也更好的保护了我们的眼睛,这就要通过一些改造来实现。
我们应该知道,与放大倍率息息相关的就是CCD或者COMS的靶面尺寸,它的尺寸会直接关系到数码显微镜的放大倍数。
那下面我们来看看靶面尺寸究竟是什么?通常意义上的靶面尺寸就是CCD或COMS的对角线尺寸,我们常用的CCD或者COMS有1、2/3、1/2、1/3、1/4英寸,实际尺寸如下:1英寸—靶面尺寸为宽12.7mm×高9.6mm,对角线长16mm;2/3英寸—靶面尺寸为宽8.8mm×高6.6mm,对角线长11mm;1/2英寸—靶面尺寸为宽6.4mm×高4.8mm,对角线长8mm;1/3英寸—靶面尺寸为宽4.8mm×高3.6mm,对角线长6mm;1/4英寸—靶面尺寸为宽3.2mm×高2.4mm,对角线长4mm。
现在我们知道了CCD或CMOS的靶面尺寸,也就很容易知道拥有的数码显微镜放大倍率具体是多少了。
我们通常根据数码放大倍率的公式来计算,具体公式如下:物镜的放大倍数×(电脑屏幕的对角线/ccd或cmos的靶面尺寸)=总放大倍数。
举个例子:10×物镜加1/3英寸的CCD或CMOS的数码显微镜总放大倍数=物镜10倍×(15英寸×25.4/靶面尺寸6mm)=635倍。
CCD芯片尺寸1英寸——靶面尺寸为宽12.7mm*高9.6mm,对角线16mm。
2/3英寸——靶面尺寸为宽8.8mm*高6.6mm,对角线11mm。
1/2英寸——靶面尺寸为宽6.4mm*高4.8mm,对角线8mm。
1/3英寸——靶面尺寸为宽4.8mm*高3.6mm,对角线6mm。
1/4英寸——靶面尺寸为宽3.2mm*高2.4mm,对角线4mm。
监控摄像头镜头焦距计算方法。
一、公式计算法:视场和焦距的计算视场系指被摄取物体的大小,视场的大小是以镜头至被摄取物体距离,镜头焦头及所要求的成像大小确定的。
1、镜头的焦距,视场大小及镜头到被摄取物体的距离的计算如下;f=wL/Wf=hL/hf:镜头焦距w:图象的宽度(被摄物体在ccd靶面上成象宽度)W:被摄物体宽度L:被摄物体至镜头的距离h:图象高度(被摄物体在ccd靶面上成像高度)视场(摄取场景)高度H:被摄物体的高度ccd靶面规格尺寸:单位mm规格W H1/3" 4.8 3.61/2" 6.4 4.82/3"8.8 6.61"12.79.6由于摄像机画面宽度和高度与电视接收机画面宽度和高度一样,其比例均为4:3,当L不变,H或W增大时,f变小,当H或W不变,L增大时,f增大。
2、视场角的计算如果知道了水平或垂直视场角便可按公式计算出现场宽度和高度。
水平视场角β(水平观看的角度)β=2tg-1= 垂直视场角q(垂直观看的角度)q=2tg-1= 式中w、H、f同上水平视场角与垂直视场角的关系如下:q=或=q 表2中列出了不同尺寸摄像层和不同焦距f时的水平视场角b的值,如果知道了水平或垂直场角便可按下式计算出视场角便可按下式计算出视场高度H和视场宽度W. H=2Ltg、W=2Ltg 例如;摄像机的摄像管为17mm(2/3in),镜头焦距f为12mm,从表2中查得水平视场角为40℃而镜头与被摄取物体的距离为2m,试求视场的宽度w。
为什么CCD的尺寸单位英寸和一般的长度单位英寸不一样
为什么CCD的尺寸单位英寸和一般的长度单位英寸不一样
1英寸——靶面尺寸为宽12.7mm*高9.6mm,对角线16mm。
2/3英寸——靶面尺寸为宽8.8mm*高6.6mm,对角线11mm。
1/2英寸——靶面尺寸为宽6.4mm*高4.8mm,对角线8mm。
1/3英寸——靶面尺寸为宽4.8mm*高3.6mm,对角线6mm。
1/4英寸——靶面尺寸为宽3.2mm*高2.4mm,对角线4mm。
回答这个问题必须回到1950年第一代电视机的出现,当时使用CRT作为显示屏。
由于从CRT 显像管发射出的电子轨迹是圆形的,它能在屏上成的像自然也是圆的,但是圆形显示屏使用不方便,最终要被裁成方屏。
如果尽着整个圆来剪裁会发现屏幕的四个角发暗,实际中为了避免这个问题,会在比圆小的区域中裁出一个方形。
实际上由于人的视觉的问题,不是这样简单的算术计算就能得到最佳形状的。
最后得到的结论是屏的比例维持在1.5,一英寸的圆上猜出16mm 的长方形屏是最好的。
所以后来对对角线为16的屏仍然称作1英寸,CCD也沿用了这个惯例。