成套配电柜及动力开关柜安装质量管理
- 格式:doc
- 大小:47.00 KB
- 文档页数:9
成套配电柜、控制柜、开关柜安装施工工艺及施工方法一、柜安装施工工艺定位放线→基础型钢安装→设备检查→立柜就位→内部清扫→检查接线→试验→送电试运行。
二、安装施工方法1、设备安装条件(1)屋顶、楼板施工完工。
(2)室内地面的基层施工完工,并在墙上标出地面标高。
(3)混凝土基础及构架达到允许的强度,焊接的构件质量符合设计要求。
(4)预埋件及预埋留孔符合设计要求。
2、基础制作和安装(1)设备安装前条件沟槽尺寸及预埋件的位置、标高等进行检查和验收。
施工中根据设计的材质及安装方式,制定其安装程序及安装方法。
(2)基础型钢预制预制前首先将槽钢调直调平,然后除锈防腐,槽钢搭接采用45度角搭接焊下料,若设备与基础采用螺栓连接,则根据设计尺寸,切割钻孔,孔为Φ14×25的长孔。
(3)组焊槽钢焊接时容易变形,故在两长边每隔1米左右点焊钢撑,控制槽钢焊接受热变形。
焊好后,用磨光机将槽钢外侧焊缝磨光。
(4)安装土建浇面层前安装,基础型钢安装前应调平放正,用经纬仪检查预埋件的水平度,根据标高控制点确定基础槽钢的落点,找准落点后依次由高到低用垫铁找平,基础找平找正后将基础预埋件、垫铁、基础槽钢焊接成一体,注意槽钢用-40×4镀锌扁钢与接地网相连(设计另有要求除外)。
接地不少于两处,其中基础两端各一处。
安装允许偏差应符合下列要求:不直度偏差每米不大于1mm,全长不大于5mm。
水平度偏差每米不大于1mm,全长不大于5mm,基础型钢应可靠接地,柜箱本体及内部设备与各构件连接应牢固,柜箱本体与基础型钢应用螺栓连接,基础型钢应涂防锈漆。
3、设备运输(1)设备运输过程中,采取防振、防潮、防止柜架变形和漆面受损的安装措施。
(2)设备倒运采用叉车及手动液压叉车依次运到对应变配电室。
4、立柜立柜前首先按设计图纸在配电柜上做好标记,并按设计位置依次排好,然后在距柜顶和底各200毫米处,按规定位置拉两根基准线,将开关柜按图纸规定的顺序比照基准就位;设备安放好后,对成排安装的柜、箱,以中心单柜的垂直度、水平度为准,再分别向两侧拼装逐柜调整,少许误差可在框底部加钢垫片找平找正。
配电箱(柜)安装质量问题及解决措施摘要:配电柜及配电箱安装工作是一项综合性的安装工作,在开展过程中涉及的项目和环节众多,并且安装工作开展需要一定的专业技能。
在配电柜及配电箱安装工作开展过程中由于多方面因素的影响,导致其安装容易存在质量问题与安全风险,因此,相关施工人员要对配电箱安装过程中存在的质量隐患进行及时处理,以保障工程整体质量。
鉴于此,文行对配电箱(柜)安装环节存在的质量问题及解决措施进行了研究,以供参考。
关键词:配电箱(柜)安装;质量问题;处理措施1配电箱(柜)安装质量问题及解决措施研究1.1配电箱壳体的安装(1)问题描述:房间隔墙厚度240mm的砖墙内暗装配电箱,箱体背面墙体抹灰处产生裂缝。
应对措施:配电箱的厚度要求小于220mm,保持背面缩在墙内20~40mm,在箱体背面两侧固定箱体的木条上钉钢板网,来解决抹灰层不黏结的问题,避免了墙面出现裂缝。
(2)问题描述:照明配电箱箱体开孔与导管管径不适配,电管进入箱体不到位。
应对措施:箱体开孔应与导管管径适配,开孔时采用专用工具开孔,管口入箱体处应采用锁母或成品接头,开孔处应密封,且不高出箱底50mm,进入箱体的导管不应采用软管过度。
(3)问题描述:挂(嵌)墙式配电箱安装高度不符合要求。
应对措施:配电箱的安装高度应以内装完成后室内地面标高算起,距箱底高度为1.5m,所以在配电箱壳体安装过程中,应参照总包单位提供的室内装修50线进行。
(4)问题描述:开关柜并列安装时,拼缝不平不正。
应对措施:安装开关柜时应做槽钢基础,底座开螺栓孔应钻孔,避免气割开孔造成槽钢受热而变形;槽钢基座应用水平尺找平整,然后在槽钢基础上钻孔,用螺栓固定牢靠,并列开关柜出现不平整时,应用薄钢板片垫整齐,水平尺找平。
(5)问题描述:墙体内预埋电管与箱孔的中心线错位。
应对措施:重新整改预埋电管或箱壳重新钻孔后安装,不准用气焊割孔或电焊冲孔。
(6)问题描述:配电柜进入施工现场后,存放、保管不善,过早拆去包装,造成人为或自然的侵蚀、损伤。
一、建筑电气工程施工质量保证措施(一)成套配电柜、控制柜(屏、台)和动力、照明配电箱(盘)安装1、基本规定(1)建筑电气工程施工现场的质量管理,除应符合现行国家标准《建筑工程施工质量验收统一标准》(GB50300—2001)的3.0.1规定外,尚应符保下列规定:1)安装电工,焊工,起重吊装工和电气调试人员等,按有关要求持证上岗;2)安装和调试用各类计量器具,应检定合格,使用时应在有效期内。
(2)动力和照明工程的漏电保护装置应做模拟动作实验。
(3)接地(PE)或接零(PEN)支线必须单独与接地(PE)或接零(PEN)干线相连接,不得串联连接。
(4)高压电气设备和布线系统及继电保护系统的交接试验,必须符合现行国家标准《电气装置安装工程电气设备交接试验标准》(GB50150—91)的规定。
(5)高低压成套配电柜、蓄电池、不间断电源柜、控制柜(屏、台)及动力、照明配电箱(盘)应符合下列规定:1)查验合格证和随带技术文件,实行生产许可证和安全认可证制度的产品,有许可证编号和安全认证证标志,不间断电源挂有出厂实验记录;2)外观检查:有铭牌,柜内元器件无损坏丢失,接线无脱焊或松动,蓄电池壳体无碎裂、漏液,充油、充气设备无泄漏,涂层完整,无明显碰撞凹陷。
(6)成套配电柜,控制柜(屏、台)和动力,照明配电箱(盘)安装应接下列程序进行:1)埋设的基础型钢和柜、屏、台下的电缆沟等相关建筑物,检查合格,才能安装柜、屏、台。
2)室内外的落地动力配电箱的基础验收合格,且对埋入基础的电线导管电缆导管进行检查,才能安装箱体。
3)墙上明装的动力、照明配电箱(盘)的预埋件(金属埋件、螺栓),抹灰前预留、预埋;暗装的动力、照明配电箱的预留孔和动力、照明配线的线盒及电线导管等,经检查确认到位,才能安装配电箱(盘)。
4)接地(PE)或接零(PEN)连接完成后,核对柜、屏、台、箱、盘内的元件规格、型号,且交接试验合格,才能投入运行。
(7)不间断电源按产品技术要求试验调整,应检查确认,才能接至馈电网路。
低压成套配电柜及动力开关柜(盘)施工工艺标准目次1适用范围2 引用标准3 施工准备4操作工艺5 质量控制6 质量标准7 成品保护低压成套配电柜及动力开关柜(盘)施工工艺标准1适用范围本工艺标准适用于我总公司所有在施的公共与民用建筑施工。
引用标准GB50303-2002 (2002.4)建筑电气施工质量验收规范GB50300-2001 建筑工程施工质量验收统一标准GB50150 电气装置安装工程电气设备交接试验标准GB50254-96 (1996.12) 电气装置安装工程施工及验收规范GB50255-96 (1996.12) 电气装置安装工程施工及验收规范GB50256-96 (1996.12) 电气装置安装工程施工及验收规范GB50257-96 (1996.12) 电气装置安装工程施工及验收规范DBJ 01-26-96 (1996.8) 建筑安装分项工程施工工艺规范电气装置安装工程施工及验收规范汇编 (1996)1施工准备:1.1 设备及材料要求1.1.1 设备及材料均符合国标或部颁发的现行的技术标准,符合设计要求;并有3C认证和产品合格证及随带安装、使用、维修和试验要求等技术文件;有生产许可证和安全认证标志,进口产品应提供商检证明和中文的质量证明文件、规格、型号、性能检测报告及中文的安装、使用、维修和试验要求等技术文件。
设备有铭牌,并注明厂家名称,附件、备件完好、齐全,接线无脱落脱焊,涂层完整,无明显碰撞凹陷。
1.1.2 铁制配电箱、柜体为镀锌板,并应具有一定的机械强度,配电箱体二层板厚度不小于1.5毫米镀锌铁板。
塑料配电箱体有一定的机械强度,周边平整无损伤,二层板厚度不小于8毫米。
木制配电箱体应刷防腐、防火涂料,木制板面厚度不小于20毫米。
1.1.3 柜、箱内的保护导体应有裸露的连接外部保护导体的端子,当设计无要求时,柜箱内保护导体的最小截面积S P 不应小于表1规定。
1.1.4 柜、箱内低压电器组合应符合下列规定:1.1.4.1 发热元件安装在散热良好的位置;1.1.4.2 熔断器的熔体规格、自动开关的整定值符合设计要求;1.1.4.3 切换压板接触良好,相邻压板间有安全距离,切换时不触及相邻的压板;1.1.4.4 信号回路的信号灯、按钮、光字牌、电铃、电笛、事故电钟等动作和信号显示准确;1.1.4.5 外壳需接地(PE)和接零(PEN)的,连接可靠;1.1.4.6 端子排安装牢固,端子有序号,强、弱电端子隔离布置,端子规格与芯线截面积大小适配。
成套配电柜、控制柜(屏、台)和动力配电箱(盘)安装1 适用范围适用于电压为lOkV以下及一般工业与民用建筑,石化装置,工业生产线等电气安装工程成套配电柜及动力开关柜、控制柜、电源柜、动力配电箱的安装。
2 施工准备2.1技术准备2.1.1施工图纸、设备产品合格证等技术资料齐全。
2.1.2施工前明确设计要求,熟悉现行规范、技术标准。
2.1.3施工方案明确:对基础型钢制作安装,设备开箱检查,设备搬运吊装,盘柜稳装,电缆、母线压接、配线、校线各主要工艺过程都要有具体要求并在施工中严格执行。
2.1.4新型、引进、合资成套设备及UPS系统等柜、屏、台安装必须符合产品技术文件和设计要求。
2.2设备及材料要求2.2.1设备及材料均应符合国家或部颁的现行技术标准,符合设计要求。
实行生产许可证和安全认证制度的产品,有许可证编号和安全认证标志,相关材证资料齐全。
2.2.2配电箱、柜内主要元器件应为"CCC"认证产品,规格、型号符合设计要求。
2.2.3柜内配线、线槽等附件应与主要元器件相匹配。
2.2.4手动式开关机械性能要求有足够的强度和刚度。
2.2.5安装使用材料(1)型钢表面无严重锈斑,无过度扭曲、弯折变形,焊条无锈蚀,有合格证和材质证明书。
(2)镀锌制品螺栓、垫圈、支架、横担表面无锈斑,有合格证和质量证明书。
(3)其他材料,铅丝、酚醛板、油漆、绝缘胶垫等均应符合质量要求。
(4)配电箱体应有一定的机械强度,周边平整无损伤。
铁制箱体二层底板厚度不小于 1.5mm。
阻燃型塑料箱体二层底板厚度不小于8mm,木制板盘的厚度不应小于20mm,并应刷漆做好防腐处理。
(5)导线电缆的规格型号必须符合设计要求,有产品合格证。
2.3作业条件2.3.1施工图纸及技术资料齐全无误。
按已审批的施工组织设计和施工方案,做好技术交底(技术、质量、安全和消防等措施落实)。
2.3.2柜、屏、台所在房间土建施工完毕,门窗封闭,墙面、屋顶油漆喷刷完毕,地面工程完毕。
成套配电柜及动力开关柜安装工程监理细则一、引言配电柜及动力开关柜安装工程是电气工程中的重要组成部分,它直接关系到电力系统的稳定性和安全性。
为了确保配电柜及动力开关柜安装工程的质量,保证工程按照设计要求完成,需要进行有效的监理工作。
本细则旨在规范和指导配电柜及动力开关柜安装工程的监理工作,保证施工质量,确保工程的顺利进行。
二、监理准备1.监理人员应具备相关电气工程专业知识和工作经验,并熟悉法律法规和标准规范。
2.监理人员应熟悉设备配置和技术要求,对工程图纸和技术文件进行仔细研究。
3.监理人员应与施工单位进行充分沟通和协调,了解施工计划和进度安排。
三、监理要求1.监理人员应参与工程的施工组织设计,对施工方案进行审核和评审,并提出必要的修改和建议。
2.监理人员应对施工单位的施工人员进行技术培训,并检查其资质和证书。
3.监理人员应按照设计要求对材料进行审核,确保材料的质量和符合标准规范。
4.监理人员应对施工现场进行巡视和检查,确保施工安全和质量。
5.监理人员应定期组织会议,与施工单位沟通和交流工作进展情况,并解决工程中存在的问题。
6.监理人员应参与设备的验收工作,对设备的外观和技术指标进行检查,确保设备的质量和性能。
四、监理程序1.施工前,监理人员应对施工方案进行评审和审核,并在施工前组织召开会议,对施工实施进行讨论和确认。
2.施工中,监理人员应按照施工计划进行巡视和检查,及时发现和解决问题,并与施工单位进行沟通和协调。
3.施工后,监理人员应对施工质量进行检查和评估,编制监理报告,并提出改进措施和意见。
4.监理人员应对设备进行验收工作,包括对设备外观、接线端子、接地等进行检查,对设备的测试数据进行比对和分析。
五、监理报告和结算1.监理人员应按照监理工作的进展情况和要求,编制监理报告。
监理报告应包括工程的施工情况、风险和问题,以及解决方案和改进意见等内容。
2.监理报告应及时提交给建设单位,并与建设单位进行沟通和讨论。
成套配电柜控制柜开关柜安装施工工艺及施工方法一、成套配电柜、控制柜、开关柜的安装施工工艺1.施工前准备:(1)确认施工图纸,了解相关设计要求和技术规范;(2)检查设备材料,确保质量合格;(3)准备施工所需的工具和设备。
2.安装基座:(1)根据设备的安装尺寸,在地面或者基座上进行基础的固定和安装;(2)使用水平仪进行调整,确保设备安装平整。
3.安装配电柜、控制柜、开关柜:(1)根据设计图纸和设备要求,对柜体进行组装和拼接,确保结构稳固可靠;(2)将组装好的柜体与基座固定连接。
4.安装电气元器件:(1)根据设计要求和设备列表,选择合适的电气元器件;(2)进行连接线路的接线,确保连接牢固并符合电气原理图。
5.接地连接:(1)检查柜体和电气设备的接地装置,确保其良好接地;(2)进行接地线的连接,并使用万用表检测接地电阻是否符合要求。
6.装配门锁、闭门器:(1)根据设计要求,在柜体门上安装锁具和闭门器,确保柜体门的正常打开和关闭。
7.安装配电柜、控制柜、开关柜的配套设备:(1)根据设备要求,安装配套的仪表、按钮、指示灯等设备;(2)进行连接线路和调试,确保设备的正常运行。
8.安全检查:(1)对已安装的配电柜、控制柜、开关柜进行安全检查,确保各项安全措施符合要求;(2)进行电气设备的绝缘测试,确保设备安全可靠。
二、成套配电柜、控制柜、开关柜的施工方法1.工具准备:(1)手动工具:电钻、螺丝刀、扳手等;(2)电动工具:角磨机、焊接机等;(3)测试工具:万用表、电压表等。
2.操作步骤:(1)根据设计图纸,确定配电柜、控制柜、开关柜的位置和布置;(2)在地面或基座上固定设备基座并调整平整;(3)根据设计要求和技术规范,进行配电柜、控制柜、开关柜的组装和安装;(4)进行电气元器件的接线,确保连接牢固可靠;(5)进行接地装置的连接,并进行接地电阻测试;(6)安装配套设备,并进行连接和调试;(7)安全检查,确保设备安装正确、接地可靠、各项安全措施到位。
成套配电板、控制柜(屏、台)和动力、照明配电箱(盘)安装工艺标准一、适用范围本工艺标准适用于电压为10KV以下及一般工业民用建筑、石化装置、工业生产线等电气安装工程成套配电柜及动力开关柜、控制柜、电源柜、动力配电箱的安装。
二、编制依据1、《建筑电气工程施工质量验收规范》(GB50303-2002);2、《电气装置安装工程盘、柜及二次回路线施工及验收规范》(GB50171-92);3、《建筑工程施工质量验收统一标准》(GB50300-2001);4、《电气装置安装工程电气设备交接试验标准》(GB50150-91);三、基本规定1、建筑电气工程施工现场的质量管理,除应符合现行国家标准《建筑工程施工质量验收统一标准》(GB50300-2001)的3.0.1规定餐具,尚应符合下列规定:1.1安装电工、焊工、起重吊装工和电气调试人员等,按有关要求持证上岗。
1.2安装和调试用各类计量器具,应检定合格,使用时应在有效期内。
2、动力和照明工程的漏电保护装置应做模拟动作实验。
3、接地(PE)或接零(PEN)支线必须单独与接地(PE)或接零(PEN)干线相连接,不得串联连接。
4、高压电气设备和布线系统及继电保护系统的交接试验,必须符合现行国家标准《电气装置安装工程电气设备交接试验标准》(GB50150-91)的规定。
5、高低压成套配电柜、蓄电池、不间断电源柜、控制柜(屏、台)用动力、照明配电箱(盘)应符合下列规定:5.1查验合格证和随带技术文件,实行生产许可证和安全认可证制度的产品,有许可证编号的安全认证标志,不间断电源有出厂实验记录。
1.3外观检查:有铭牌,柜内元器件无损坏丢失,接线无脱焊或松动,蓄电池内电池壳体无碎裂、漏液,充油、充气设备无泄漏,涂层完整,无明显碰撞凹陷。
6、成套配电柜、控制柜(屏、台)和动力、照明配电箱(盘)安装应按下列程序进行:5.2埋设的基础型钢和柜、屏、台下的电缆沟等相关建筑物,检查合格,才能安装柜、屏、台。
电气工程施工质量检验要点1、成套配电柜及动力开关柜安装检查要点:(1)安装前:规格型号和合格证进场前做耐压试验,并有试验记录漆面外观等(2)安装过程中:基础型钢的埋设:两处接地、三面施焊、刷防锈漆搬运方法:不能受潮、侧放或倾倒开箱检查箱内设备及接线:线色正确、绝缘接地良好与外部的母线或电缆连接:相序一致、固定牢靠、开关动作灵活(3)安装后功能检查:符合设计上的要求,试验记录数据在额定范围内。
成品保护检查数量:单独安装的检查1~5台,成排安装的抽查1~3排检查方法:观察和试操作检查2、电机安装检查检查要点:(1)安装前:产品合格证盘动转子无磁卡声、润滑脂正常引出线鼻子的焊接或压接良好,绝缘良好,接零、接地端子齐全。
如有基础,基础固定及接地良好。
(2)安装过程中:电机接线:绝缘性良好,接线端子与导线端子连接不受外力,连接的固件和锁紧装置齐全。
接线处涮锌。
无裸露导线。
接线相序正确。
安装固定:检查安装位置和牢靠性(3)安装后运行状况:检查电动机的起动情况、运转时的声音、振动情况、温升情况,转动方向等接地、接零齐全。
检查数量:低压电机检查30%,但不少于5台,重点检查大容量电机,检查方法:观察、实测或试运行并检查调整记录3、预埋、预留检查要点:(1)管路预留预埋、接线盒预留预埋位置与图纸吻合。
(2)管口及管子连接处作密封处理,预保证留管路畅通(3)管路保护:穿过变形缝处有补偿装置。
(4)金属电线保护管、箱敷设地线。
(5)检查焊口:镀锌完好、无毛刺。
检查数量:全数检查检查方法:观察和检查隐蔽工程记录4、防雷接地和工作接地检查要点:(1)避雷网:与引下线焊接连接,固定牢固,防腐良好,弯曲半径符合要求。
(2)引下线:焊接的连接长度符合要求,焊缝饱满;断接卡子或摇测点便于检测;与金属门窗、金属栏杆的连接良好。
(3)接地体:位置正确,埋设深度距地不小于0.6m的引出线的防腐处理。
(4)接地线敷设:观感质量好、三面施焊、焊缝饱满(5)接地电阻值符合设计要求。
成套配电柜及动力开关柜(盘)安装质量管理依据标准:《建筑工程施工质量验收统一标准》GB50300-2001《建筑电气工程施工质量验收规范》GB50303-20021、范围本工艺标准适用于10kV及其以下的一般工业与民用建筑电气安装工程成套配电柜、动力开关柜(盘)安装及二次回路结线。
2、施工准备设备及材料要求:设备及材料均符合国家或部颁发现行技术标准,符合设计要求,并有出厂合格证。
设备应有铭牌,并注明厂家名称,附件、备件齐全。
安装使用的材料:型钢应无明显锈蚀,并有材质证明,二次结线导线应有带“长城”标志的合格证。
镀锌螺丝、螺母、垫圈、弹簧垫、地脚螺栓。
其它材料:铅丝、酚醛板、相色漆、防锈漆、调和漆、塑料软管、异型塑料管、尼龙卡带、小白线、绝缘胶垫、标志牌、电焊条、锯条、氧气、乙炔气等均应符合质量要求。
主要机具:吊装搬运机具:汽车、汽车吊、手推车、卷扬机、倒链、钢丝绳、麻绳索具等。
安装工具:台钻、手电钻、电锤、砂轮、电焊机、气焊工具、台虎钳、锉刀、搬手、钢锯、鎯头、克丝钳、改锥、电工刀等。
测试检验工具:水准仪、兆欧表、万用表、水平尺、试电笔、高压侧试仪器、钢直尺、钢卷尺、吸尘器、塞尺、线坠等。
送电运行安全用具:高压验电器、高压绝缘靴、绝缘手套、编织接地线粉沫灭火器。
作业条件:土建施工条件:土建工程施工标高、尺寸、结构及埋件均符合设计要求。
墙面、屋顶喷浆完毕、无漏水、门窗玻璃安装完、门上锁。
室内地面工程完、场地干净、道路畅通。
施工图纸、技术资料齐全。
技术、安全、消防措施落实。
设备、材料齐全,并运至现场库。
3、操作工艺工艺流程:设备开箱检查→设备搬运→柜(盘)稳装→柜(盘)上方母带配制→柜(盘)二次回路结线→柜(盘)试验调整送电运行验收设备开箱检查:安装单位、供货单位或建设单位共同进行,并做好检查记录。
按照设备清单、施工图纸及设备技术资料,核对设备本体及附件、备件的规格型号应符合设计图纸要求;附件、备件齐全;产品合格证件、技术资料、说明书齐全。
柜(盘)本体外观检查应无损伤及变形,油漆完整无损。
柜(盘)内部检查:电器装置及元件、绝缘瓷件齐全、无损伤、裂纹等缺陷。
设备搬运设备运输:由起重工作业,电工配合。
根据设备重量、距离长短可采用汽车、汽车吊配合运输、人力推车运输或卷扬机滚杠运输。
设备运输、吊装时注意事项:道路要事先清理,保证平整畅通。
设备吊点。
柜(盘)顶部有吊环者,吊索应穿在吊环内,无吊环者吊索应挂在四角主要承力结构处,不得将吊索吊在设备部件上。
吊索的绳长应一致,以防柜体变形或损坏部件。
汽车运输时,必须用麻绳将设备与车身固定牢,开车要平稳。
柜(盘)安装:基础型钢安装:调直型钢。
将有弯的型钢调直,然后,按图纸要求预制加工基础型钢架,并刷好防锈漆。
按施工图纸所标位置,将预制好的基础型钢架放在预留铁件上,用水准仪或水平尺找平、找正。
找平过程中,需用垫片的地方最多不能超过三片。
然后,将基础型钢架、预埋铁件、垫片用电焊焊牢。
最终基础型钢顶部宜高出抹平地面10mm,手车柜按产品技术要求执行。
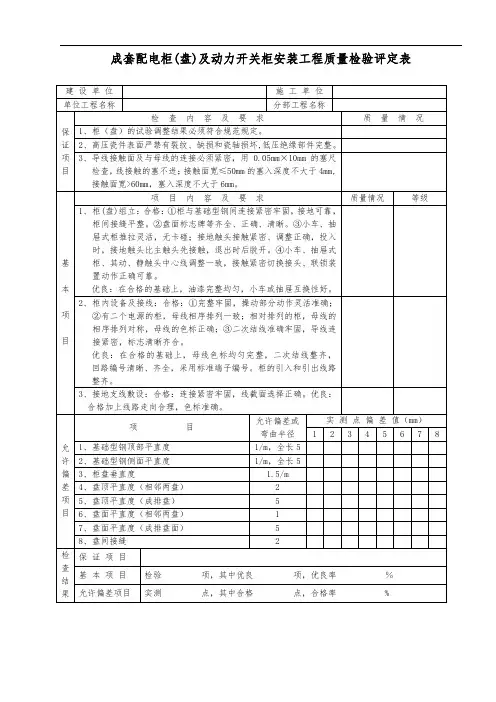
基础型钢安装允许偏差见表。
基础型钢安装的允许偏差表基础型钢与地线连接:基础型钢安装完毕后,将室外地线扁钢分别引入室内(与变压器安装地线配合)与基础型钢的两端焊牢,焊接面为扁钢宽度的二倍。
然后将基础型钢刷两遍灰漆。
柜(盘)稳装:柜(盘)安装。
应扫施工图纸的布置,按顺序将柜放在基础型钢上。
单独柜(盘)只找柜面和侧面的垂直度。
成列柜(盘)各台就位后,先找正两端的柜,在从柜下至上三分之二高的位置绷上小线,逐台找正,柜不标准以柜面为准。
找正时采用铁片进行调整,每处垫片最多不能超过三片。
然后按柜固定螺孔尺寸,在基础型钢架上用手电钻钻孔。
一般无要求时,低压柜钻φ孔,高压柜钻φ孔,分别用M12、M16镀锌螺丝固定。
允许偏差见表。
盘、柜安装的允许偏差表锌螺丝连接。
柜(盘)接地:每台柜(盘)单独与基础型钢连接。
每台柜从后面左下部的基础型钢侧面上焊上鼻子,用6mm2铜线与柜上的接地端子连接牢固。
柜(盘)顶上母线配制见“母带安装”要求。
柜(盘)二次小线连结:按原理图逐台检查柜(盘)上的全部电器元件是否相符,其额定电压和控制、操作电源电压必须一致。
按图敷设柜与柜之间的控制电缆连接线。
敷设电缆要求见“电缆敷设”。
控制线校线后,将每根芯线煨成圆圈,用镀锌螺丝、眼圈、弹簧垫连接在每个端子板上。
端子板每侧一般一个端子压一根线,最多不能超过两根,并且两根线间加眼圈。
多股线应涮锡,不准有断股。
柜(盘)试验调整:高压试验应由当地供电部门许可的试验单位进行。
试验标准符合国家规范、当地供电部门的规定及产品技术资料要求。
试验内容:高压柜框架、母线、避雷器、高压瓷瓶、电压互感器、电流互感器、高压开关等。
调整内容:过流继电器调整,时间继电器、信号继电器调整以及机械连锁调整。
二次控制小线调整及模拟试验。
将所有的接线端子螺丝再紧一次。
绝缘摇测:用500V摇表在端子板处测试每条回路的电阻,电阻必须大小Ω。
二次小线回路如有晶体管,集成电路、电子元件时,该部位的检查不准使用摇表和试铃测试,使用万用表测试回路是否接通。
接通临时的控制电源和操作电源;将柜(盘)内的控制、操作电源回路熔断器上端相线拆掉,接上临时电源。
模拟试验:按图纸要求,分别模拟试验控制、连锁、操作继电保护和信号动作,正确无误,灵敏可靠。
拆除临时电源,将被拆除的电源线复位。
送电运行验收:送电前的准备工作一般应由建设单位备齐试验合格的验电器、绝缘靴、绝缘手套、临时接地编织铜线、绝缘胶垫、粉沫灭火器等。
彻底清扫全部设备及变配电室、控制室的灰尘。
用吸尘器清扫电器、仪表元件,另外,室内除送电需用的设备用具外,其它物品不得堆放。
检查母线上、设备上有无遗留下的工具、金属材料及其它物件。
试运行的组织工作、明确试运行指挥者,操作者和监护人。
安装作业全部完毕、质量检查部门检查全部合格。
试验项目全部合格,并有试验报告单。
继电保护动作灵敏可靠,控制、连锁、信号等动作准确无误。
送电:由供电部门检查合格后,将电源送进室内,经过验电、校相无误。
由安装单位合进线柜开关,检查PT柜上电压表三相是否电压正常。
合变压器柜子开关,检查变压器是否有电。
合低压柜进线开关,查看电压表三相是否电压正常。
按上述2~4项,送其它柜的电。
在低压联络柜内,在开关的上下侧(开关未合状态)进行同相校核。
用电压表或万用表电压档500V,用表的两个测针,分别接触两路的同相,此时电压表无读数,表示两路电同一相。
用同样方法,检查其它两相。
验收。
送电空载运行24h,无异常现象、办理验收手续,交建设单位使用。
同时提交变更洽商记录、产品合格证、说明书、试验报告单等技术资料。
4、质量标准基本规定一般规定建筑电气工程施工现场的质量管理,除应符合现行国家标准《建筑工程施工质量验收统一标准》GB50300—2001的规定外,尚应符合下列规定:安装电工、焊工、起重吊装工和电气调试人员等,按有关要求持证上岗:安装和调试用各类计量器具,应检定合格,使用时在有效期内。
主要设备、材料、成品和半成品进场验收主要设备、材料、成品和半成品进场检验结论应有记录,确认符合本规范规定,才能在施工中应用。
因有异议送有资质试验室进行抽样检测,试验室应出具检测报告,确认符合本规范和相关技术标准规定,才能在施工中应用。
依法定程序批准进入市场的新电气设备、器具和材料进场验收,除符合本规范规定外,尚应提供安装、使用、维修和试验要求等技术文件。
进口电气设备、器具和材料进场验收,除符合本规范规定外,尚应提供商检证明和中文的质量合格证明文件、规格、型号、性能检测报告以及中文的安装、使用、维修和试验要求等技术文件。
经批准的免检产品或认定的名牌产品,当进场验收时,宜不做抽样检测。
高低压成套配电柜、蓄电池柜、不间断电源柜、控制柜(屏、台)及动力、照明配电箱(盘)应符合下列规定:查验合格证和随带技术文件,实行生产许可证和安全认证制度的产品,有许可证编号和安全认证标志。
不间断电源柜有出厂试验记录;外观检查:有铭牌,柜内元器件无损坏丢失、接线无脱落脱焊,蓄电池柜内电池壳体无碎裂、漏液,充油、充气设备无泄漏,涂层完整,无明显碰撞凹陷。
工序交接确认成套配电柜、控制柜(屏、台)和动力、照明配电箱(盘)安装应按以下程序进行:埋设的基础型钢和柜、屏、台下的电缆沟等相关建筑物检查合格,才能安装柜、屏、台;室内外落地动力配电箱的基础验收合格,且对埋入基础的电线导管、电缆导管进行检查,才能安装箱体;墙上明装的动力、照明配电箱(盘)的预埋件(金属埋件、螺栓),在抹灰前预留和预埋;暗装的动力、照明配电箱的预留孔和动力、照明配线的线盒及电线导管等,经检查确认到位,才能安装配电箱(盘);接地(PE)或接零(PEN)连接完成后,核对柜、屏、台、箱、盘内的元件规格、型号,且交接试验合格,才能投入试运行。
主控项目柜、屏、台、箱、盘的金属框架及基础型钢必须接地(PE)或接零(PEN)可靠;装有电器的可开启门,门和框架的接地端子间应用裸编织铜线连接,且有标识。
低压成套配电柜、控制柜(屏、台)和动力、照明配电箱(盘)应有可靠的电击保护。
柜(屏、台、箱、盘)内保护导体应有裸露的连接外部保护导体的端子,当设计无要求时,柜(屏、台、箱、盘)内保护导体最小截面积S P不应小于表的规定。
表保护导管的截面积手车、抽出式成套配电柜推拉应灵活,无卡阻碰撞现象。
动触头与静触头的中心线应一致,且触头接触紧密,投入时,接地触头先于主触头接触;退出时,接地触头后于主触头脱开。
高压成套配电柜必须按本规范第条的规定交接试验合格,且应符合下列规定:继电保护元器件、逻辑元件、变送器和控制用计算机等单体校验合格,整组试验动作正确,整定参数符合设计要求;凡经法定程序批准,进入市场投入使用的新高压电气设备和继电保护装置,按产品技术文件要求交接试验。
低压成套配电柜交接试验,必须符合本规范第条的规定。
柜、屏、台、箱、盘问线路的线间和线对地间绝缘电阻值,馈电线路必须大于;二次回路必须大于1MQ。
柜、屏、台、箱、盘间二次回路交流工频耐压试验,当绝缘电阻值大于10MQ时,用2500V 兆欧表摇测1min,应无闪络击穿现象;当绝缘电阻值在1~10MQ时,做1000V交流工频耐压试验,时间1min,应无闪络击穿现象。
直流屏试验,应将屏内电子器件从线路上退出,检测主回路线间和线对地间绝缘电阻值应大于,直流屏所附蓄电池组的充、放电应符合产品技术文件要求:整流器的控制调整和输出特性试验应符合产品技术文件要求。
照明配电箱(盘)安装应符合下列规定:箱(盘)内配线整齐,无绞接现象。
导线连接紧密,不伤芯线,不断股。
垫圈下螺丝两侧压的导线截面积相同,同一端子上导线连接不多于2根,防松垫圈等零件齐全;箱(盘)内开关动作灵活可靠,带有漏电保护的回路,漏电保护装置动作电流不大于30mA,动作时间不大于。