51单片机数码管程序演示教学
- 格式:doc
- 大小:14.00 KB
- 文档页数:3
期中大作业学院:物理与电子信息工程学院课题:【利用8255和51单片机实现数码管显示按键数值的程序】要求:【4*4矩阵键盘,按0到15,数码管上分别显示0~9,A~F】芯片资料:8255:8255是Intel公司生产的可编程并行I/O接口芯片,有3个8位并行I/O口。
具有3个通道3种工作方式的可编程并行接口芯片(40引脚)。
其各口功能可由软件选择,使用灵活,通用性强。
8255可作为单片机与多种外设连接时的中间接口电路。
8255作为主机与外设的连接芯片,必须提供与主机相连的3个总线接口,即数据线、地址线、控制线接口。
同时必须具有与外设连接的接口A、B、C口。
由于8255可编程,所以必须具有逻辑控制部分,因而8255内部结构分为3个部分:与CPU连接部分、与外设连接部分、控制部分。
8255特性:1.一个并行输入/输出的LSI芯片,多功能的I/O器件,可作为CPU总线与外围的接口。
2.具有24个可编程设置的I/O口,即3组8位的I/O口,分别为PA口、PB口和PC 口。
它们又可分为两组12位的I/O口:A组包括A口及C口(高4位,PC4~PC7),B组包括B口及C口(低4位,PC0~PC3)。
A组可设置为基本的I/O口,闪控(STROBE)的I/O闪控式,双向I/O三种模式;B组只能设置为基本I/O或闪控式I/O两种模式,而这些操作模式完全由控制寄存器的控制字决定.引脚说明RESET:复位输入线,当该输入端处于高电平时,所有内部寄存器(包括控制寄存器)均被清除,所有I/O口均被置成输入方式。
CS:芯片选择信号线,当这个输入引脚为低电平时,即CS=0时,表示芯片被选中,允许8255与CPU进行通讯;CS=1时,8255无法与CPU做数据传输。
RD:读信号线,当这个输入引脚为低电平时,即CS=0且RD=0时,允许8255通过数据总线向CPU发送数据或状态信息,即CPU从8255读取信息或数据。
WR:写入信号,当这个输入引脚为低电平时,即CS=0且WR=0时,允许CPU将数据或控制字写入8255。
51单片机(四位数码管的显示)程序基于单片机V1或V2实验系统,编写一个程序,实现以下功能:1)首先在数码管上显示“P_ _ _”4个字符;2)等待按键,如按了任何一个键,则将这4个字符清除,改为显示“0000”4个字符(为数字的0)。
最佳答案下面这个程序是4x4距阵键盘,LED数码管显示,一共可以到0-F显示,你可以稍微改一下就可以实现你的功能了,如还有问题请发信息,希望能帮上你!#include<at89x52.h>unsigned char codeDig[]={0xc0,0xf9,0xa4,0xb0,0x99,0x92,0x82,0xf8,0x80,0x90,0x88,0x83,0xc6,0xa1 ,0x86,0x8e}; //gongyang数码管0-F 代码unsigned char k; //设置全局变量k 为键盘的键值/************************************键盘延时函数****************************/void key_delay(void) //延时函数{int t;for(t=0;t<500;t++);}/************************************键盘扫描函数******************************/void keyscan(void) //键盘扫描函数{unsigned char a;P2 = 0xf0; //键盘初始化if(P2!=0xf0) //有键按下?{key_delay(); //延时if(P2!=0xf0) //确认真的有键按下?{P2 = 0xfe; //使行线P2.4为低电平,其余行为高电平key_delay();a = P2; //a作为缓存switch (a) //开始执行行列扫描{case 0xee:k=15;break;case 0xde:k=11;break;case 0xbe:k=7;break;case 0x7e:k=3;break;default:P2 = 0xfd; //使行线P2.5为低电平,其余行为高电平a = P2;switch (a){case 0xed:k=14;break;case 0xdd:k=10;break;case 0xbd:k=6;break;case 0x7d:k=2;break;default:P2 = 0xfb; //使行线P2.6为低电平,其余行为高电平a = P2;switch (a){case 0xeb:k=13;break;case 0xdb:k=9;break;case 0xbb:k=5;break;case 0x7b:k=1;break;default:P2 = 0xf7; //使行线P2.7为低电平,其余行为高电平a = P2;switch (a){case 0xe7:k=12;break;case 0xd7:k=8;break;case 0xb7:k=4;break;case 0x77:k=0;break;default:break;}}}break;}}}}/****************************** ***主函数*************************************/ void main(void){while(1){keyscan(); //调用键盘扫描函数switch(k) //查找按键对应的数码管显示代码{case 0:P0=Dig[0];break;case 1:P0=Dig[1];break;case 2:P0=Dig[2];break;case 3:P0=Dig[3];break;case 4:P0=Dig[4];break;case 5:P0=Dig[5];break;case 6:P0=Dig[6];break;case 7:P0=Dig[7];break;case 8:P0=Dig[8];break;case 9:P0=Dig[9];break;case 10:P0=Dig[10];break;case 11:P0=Dig[11];break;case 12:P0=Dig[12];break;case 13:P0=Dig[13];break;case 14:P0=Dig[14];break;case 15:P0=Dig[15];break;default:break; //退出}}}/**********************************end***************************************/。
51单片机数码管显示及矩阵键盘扫描程序硬件实验十一八段数码管实验一、实验任务1、在静态数码管上轮流显示数字0-9。
2、在两个4位数码管上动态显示数字0-9二、流程图及程序静态显示:流程图:程序代码:#include#define uchar unsigned chucharcodevalue[10]={0xC0,0xF9,0xA4,0xB0,0X99,0x92,0x82,0xF8,0 x80,0x90};//0 -9数码管显示段码void delay(char x) //延时子程序{uchar i;for(i=0;i<200;i++);}main() //主函数{int i;while(1){for(i=0;i<10;i++) //显示0-9{P0=codevalue[i];delay(500); //延时1秒}}}动态显示:#include#includetab1[]={0x3f,0x06,0x5b,0x4f,0x66,0x6D,0x7D,0x07,0x7f,0x6f}; //数码管显示数字字段unsigned char tab2[]={0xfe,0xfd,0xfb,0xf7,0xef,0xdf,0xbf,0x7f};//片选字段unsigned char i,k,j,x;void delay(x); //声明延时子函数void main() //主函数{while(1){for(i=0;i<8;i++) //显示0-7{ P1=tab1[i];P0=tab2[i];delay(5); //延时}P1=tab1[8]; P0=tab2[0]; delay(5); //显示8-9P1=tab1[9]; P0=tab2[1]; delay(5);}}void delay(x) //延时函数定义{do{for(j=0;j<250;j++)for(k=0;k<250;k++);}}硬件实验十二矩阵键盘扫描显示一、实验任务1、把矩阵键盘上的按键输入的键码在静态数码管上显示出来。
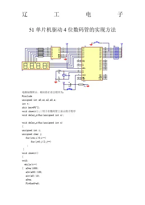
51单片机驱动4位数码管的实现方法EA /VP 31X119X218RE SET 9RD 17W R 16INT 012INT 113T014T115P101P112P123P134P145P156P167P178P0039P0138P0237P0336P0435P0534P0633P0732P2021P2122P2223P2324P2425P2526P2627P2728PSE N29AL E/P 30TX D 11RX D 10U18051AB C D abcd efg d pL1A 7B 1C 2D 6LT 3BI 4LE5A 13B 12C 11D 10E 9F 15G14U24511VCCY1CRYSTA LC133pC233pR110kC310uFS1VCCR21k R31k R41k R51k R61k R71k R81k12345678161514131211109RP 1VCCS2电路如图所示。
相应的C 语言程序为: #includeunsigned int a0,a1,a2,a3,a; int t;sbit key=P0^2;void showit();//用于在数码管上显示的子程序 void delay_n40us(unsigned int n);void delay_n40us(unsigned int n) {unsigned int i; unsigned char j; for(i=n;i>0;i--) for(j=0;j<2;j++) ; }void showit() { t=10;while(t--) { a3=a/1000; a2=(a00)/100; a1=(a0)/10; a0=a;P1=0xe0+a0;delay_n40us(200);P1=0xd0+a1;delay_n40us(200);P1=0xb0+a2;delay_n40us(200);P1=0x70+a3;delay_n40us(200);}}void main(){a=6999;while(1){if(key==1){a=a-1;showit();}else showit();}}最后说说这个电路都实现了什么功能:即整机供电后,数码管从“6999”开始倒计数,此过程中如果开关S2被按下,则会停止倒计时,松开开关后倒计时继续。
这是关于51单片机数码管显示的简单实验,数码管依次从0计数显示至9,然后再跳回至0重新开始计数,如此反复。
电路中的数码管选用共阳型的,公共端直接接电源,数据端连至89S52的P0口。
电路图和汇编程序详解如下,供初学者参考:
(点击放大)
ORG 0000H ;程序从0开始
START: MOV R3,#0 ;使R3寄存器加载0
LJMP LOOP1 ;跳到LOOP1处执行
LOOP: CJNE R3,#10,LOOP1 ;如果R3不等于10,则跳至LOOP1处执行
LJMP START ;否则跳至START处执行
LOOP1: MOV A,R3 ;将寄存器R3的内容复制到ACC
MOV DPTR,#TABLE ;将DPTR指向编码表位置
MOVC A,@A+DPTR ;根据ACC的值取出编码表中的编码
MOV P0,A;P0口输出ACC的内容
CALL DELAY;调用延时子程序
INC R3 ;将R3寄存器的内容加1
LJMP LOOP ;跳至LOOP处执行
DELAY: ;0.2S延时子程序(12MHz晶振下)
MOV R7,#2 ;R7寄存器加载2次数
D1: MOV R6,#200 ;R6寄存器加载200次数
D2: MOV R5,#250 ;R5寄存器加载250次数
DJNZ R5,$ ;本行执行R5次
DJNZ R6,D2 ;D2执行R6次
DJNZ R7,D1 ;D1执行R7次
RET ;返回主程序
TABLE: ;编码表
DB 0C0H,0F9H,0A4H,0B0H,99H,92H,82H,0F8H,80H,90H ;共阳数码管0~9字形编码END ;程序结束。
数码管循环显示0~9程序说明功能说明:用一位数码管循环显示数字0~9,数字间隔时间为0.2秒。
一、电路图数码管循环显示0~9电路图二、所用电子元器件A T89C51:单片机;7SEG—COM—AN—GRN:带公共端共阳七段绿色数码管;CAP、CAP—ELEC:电容、电解电容;CRYSTAL:晶振。
三、程序汇编语言编写的数码管循环显示0~9源程序代码如下:START:MOV DPTR,#TABLEMOV R0,#00HLOOP: MOV A,R0MOVC A,@A+DPTRMOV P0,AACALL DLY1SINC R0CJNE R0,#10,LOOPJMP STARTDLY1S:MOV R5,#10HD1: MOV R6,#100HD2: MOV R7,#100HDJNZ R7,$DJNZ R6,D2DJNZ R5,D1RETTABLE:DB 0C0H,0F9H,0A4H,0B0HDB 99H, 92H, 82H, 0F8HDB 80H, 90H, 88H, 83HDB 0C6H,0A1H,86H, 8EHENDProtetus 安装说明使用说明1.先安装Setup71.exe,提示选择Setup Type时默认选择即可;若提示No LICENCE 选择安装文件中"crack"-->MAXIM_LICENCE.lxk,打开安装。
2.安装完成后将crack-->文件夹BIN 和文件夹MODELS 下的文件复制到安装目录相应的文件夹内覆盖。
3.安装proteus.7.x-patch,选择patch,提示can not find the file. search the file,选择yes即可;然后选择bin文件中的ares.exe ;在选择models 中的avr.dll安装完毕退出即可。
注:***"Keil驱动"中的程序为Proteus与Keil联调的驱动。
说明:本程序配合电路为:使用STC89C52、2个74hc138和1个74hc164完成16位数码管的检测任务。
其中74HC164完成数码管段码的输出,2个74HC138完成16个数码管位码的选择。
/*********************************接线关系:P0.0---164(P1、P2) DATP0.1---164(P8) CLKP0.2---138a(P6)GP2.3---138b(P6)G特别说明:本程序位码表所对应74hc138(a、b、c)接线为:P2.2---138(P1) aP2.1---138(P2) bP2.0---138(P3) C*****************************************************/c语言程序如下:#include <reg52.h>#include <absacc.h>#include <intrins.h>#define uchar unsigned char#define uint unsigned int#define ON 0#define OFF 1sbit DAT_164=P0^0;sbit CLK_164=P0^1;sbit G_138a=P0^2;sbit G_138b=P2^3; //数码管显示开关uchar code seg[]={ //七段码表0x3f,0x06,0x5b,0x4f,0x66,0x6d, //0-5 00H-05H0x7d,0x07,0x7f,0x6f,0x77,0x7c, //6-b 06H-0BH0x39,0x5e,0x79,0x71,0x40,0x46, //c- -1 0CH-11H0x76,0x00,0x80,}; //H 全灭 . 12H-16Hunsigned char code wma3[]={0x00,0x04,0x02,0x06,0x01,0x05,0x03,0x07}; //此为位码表对应于138a-P2.2;138b-P2.1;138c-P2.0。
51单片机(四位数码管的显示)程序基于单片机V1或V2实验系统,编写一个程序,实现以下功能:1)首先在数码管上显示“P_ _ _”4个字符;2)等待按键,如按了任何一个键,则将这4个字符清除,改为显示“0000”4个字符(为数字的0)。
最佳答案下面这个程序是4x4距阵键盘,LED数码管显示,一共可以到0-F显示,你可以稍微改一下就可以实现你的功能了,如还有问题请发信息,希望能帮上你!#include<at89x52.h>unsigned char codeDig[]={0xc0,0xf9,0xa4,0xb0,0x99,0x92,0x82,0xf8,0x80,0x90,0x88,0x83,0xc6,0xa1 ,0x86,0x8e}; //gongyang数码管0-F 代码unsigned char k; //设置全局变量k 为键盘的键值/************************************键盘延时函数****************************/void key_delay(void) //延时函数{int t;for(t=0;t<500;t++);}/************************************键盘扫描函数******************************/void keyscan(void) //键盘扫描函数{unsigned char a;P2 = 0xf0; //键盘初始化if(P2!=0xf0) //有键按下?{key_delay(); //延时if(P2!=0xf0) //确认真的有键按下?{P2 = 0xfe; //使行线P2.4为低电平,其余行为高电平key_delay();a = P2; //a作为缓存switch (a) //开始执行行列扫描{case 0xee:k=15;break;case 0xde:k=11;break;case 0xbe:k=7;break;case 0x7e:k=3;break;default:P2 = 0xfd; //使行线P2.5为低电平,其余行为高电平a = P2;switch (a){case 0xed:k=14;break;case 0xdd:k=10;break;case 0xbd:k=6;break;case 0x7d:k=2;break;default:P2 = 0xfb; //使行线P2.6为低电平,其余行为高电平a = P2;switch (a){case 0xeb:k=13;break;case 0xdb:k=9;break;case 0xbb:k=5;break;case 0x7b:k=1;break;default:P2 = 0xf7; //使行线P2.7为低电平,其余行为高电平a = P2;switch (a){case 0xe7:k=12;break;case 0xd7:k=8;break;case 0xb7:k=4;break;case 0x77:k=0;break;default:break;}}}break;}}}}/****************************** ***主函数*************************************/ void main(void){while(1){keyscan(); //调用键盘扫描函数switch(k) //查找按键对应的数码管显示代码{case 0:P0=Dig[0];break;case 1:P0=Dig[1];break;case 2:P0=Dig[2];break;case 3:P0=Dig[3];break;case 4:P0=Dig[4];break;case 5:P0=Dig[5];break;case 6:P0=Dig[6];break;case 7:P0=Dig[7];break;case 8:P0=Dig[8];break;case 9:P0=Dig[9];break;case 10:P0=Dig[10];break;case 11:P0=Dig[11];break;case 12:P0=Dig[12];break;case 13:P0=Dig[13];break;case 14:P0=Dig[14];break;case 15:P0=Dig[15];break;default:break; //退出}}}/**********************************end***************************************/。