超声波探伤仪期间核查记录
- 格式:doc
- 大小:37.50 KB
- 文档页数:2
.
供参考
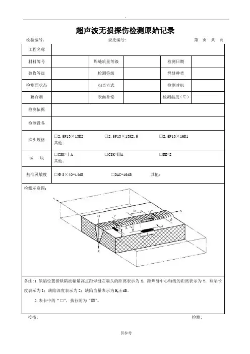
超声波无损探伤检测原始记录
检验编号: 委托编号: 第 页 共 页
校核: 检测:
工程名称 材料牌号 焊缝质量等级 检测日期 验收等级 检测等级 焊缝种类 检测面状态 扫查方式 检测时机 藕合剂
表面补偿
检测温度(℃)
检测依据 检测设备
探头规格
□2.5P13×13K2 □2.5P13×13K2.5 □2.5P10×16K1 其他:
试 块
□CSK-ⅠA □CSK-ⅢA □RB-2 其他:
基准灵敏度 □Φ3×40-14dB □DAC-16dB 其他:
检测示意图:
备注:1.缺陷位置指缺陷波幅最高点距焊缝左端头的距离表示为X ;距焊缝中心轴线的距离表示为Y ;缺陷长度表示为l ;缺陷深度表示为Z ;缺陷当量表示为H 0±dB。
2.表卡中的“□”,执行的为“ ”。
.
精选word范本!超声波无损探伤检测原始记录
检验编号:委托编号: 第页共页
工件编号工件部位
焊缝
编号
检测
长度
(mm)
母材
厚度(
mm)
缺 陷 检 出 情 况
验收
级别
检测
结果
返修
情况
纵向位
置X(mm)
横向位
置Y(mm)
深度位
置Z(mm)
显示
长度l(
mm)
最大回
波幅度
H0±dB
检测
情况
说明
结论
备注
校核:检测:。
试验仪器校验、期间核查记录(全套表格)检 (校) 验证书字第号仪器名称型号制造厂出厂编号送校(检)单位校(检)验结论校(检)验日期: 年月日校(检)验周期: 个月有效日期: 年月日至年月日校(检)验员校核员技术负责人校(检)验单位(章)水泥负压筛析仪期间核查记录规格型号:仪器编号:检测环境:温度℃,湿度 %RH项目校验数据结果一、数显时间控制器误差2min± S 二、筛析仪 1、密封程度 2、负压可调范围 KPa~ KPa 1、是否有堵塞破洞现象 2、修正系数测定结果标准样质量 mn=25g 三、水泥细度筛标准样筛余质量mi= g 标准样给定筛余百分率Fn= % 标准样实际筛余百分率Fi=mi/ mn = % 水泥细度筛修正系数C=Fn/Fi= % 期间核查结论:依据TGX001~060-2021《工程试验专用仪器期间核查检验方法》检定,该水泥负压筛。
校验员核验员期间核查日期年月日维卡仪期间核查记录规格型号:仪器编号:检测环境:温度℃,湿度 %RH项目一、外观校验数据有无铭牌、合格证试杆长度mm,试杆直径 mm 初凝针长度 mm,初凝针直径 mm 终凝针长度 mm,终凝针直径 mm 结果二、试杆与试杆尺寸环形附件高度顶部外径 mm 底部外径 mm 终凝针端部露出环形附件长度 mm 滑动杆加试杆总质量 g 三、滑动部分总质量滑动杆加初凝针总质量 g 滑动杆加终凝针总质量 g 上口内径 mm 四、截顶圆锥体试模尺寸下口内径mm 高 mm 期间核查结论:依据TGX001~060-2021《工程试验专用仪器期间核查检验方法》检定,该维卡仪。
校验员核验员期间核查日期年月日沸煮箱期间核查记录规格型号:仪器编号:检测环境:温度℃,湿度 %RH项目一、外观 2、外观有无锈蚀、漏水现象 1、仪器有无接地二、仪器漏电测试 2、沸煮箱、控制器有无漏电 1、加热至沸腾时间 min 三、程序控制器控制时间 2、维持沸腾时间 min 期间核查结论:依据TGX001~060-2021《工程试验专用仪器期间核查检验方法》检定,该沸煮箱。
仪器设备期间核查记录表
校验:核查:
仪器设备运行检查校核结果分析
批准:审核:分析:
日期:年月日
仪器设备期间核查记录表
校验:核查:
仪器设备运行检查校核结果分析
批准:审核:分析:
日期:年月日
仪器设备期间核查记录表
DYQJCC4044.5-2012
校验:核查:
仪器设备运行检查校核结果分析
DYQJCC4085.5-2012
批准:审核:分析:
日期:年月日
仪器设备期间核查记录表
DYQJCC4044.6-2012
校验:核查:
仪器设备运行检查校核结果分析
DYQJCC4085.6-2012
批准:审核:分析:
日期:年月日
DYQJCC4044.7-2012
校验:核查:
DYQJCC4044.8-2012
校验:核查:
仪器设备期间核查记录表
DYQJCC4044.9-2012
校验:核查:
仪器设备期间核查记录表
DYQJCC4044.10-2012
仪器设备期间核查记录表
DYQJCC4044.12-2012
校验:核查:
仪器设备期间核查记录表
DYQJCC4044.13-2012
校验:核查:
DYQJCC4044.14-2012
DYQJCC4044.15-2012
校验:核查
DYQJCC4044.18-2012
校验:核查:。
(文件编号:****-012)共4页 第1页版本/版次:D/ 0 生效日期:2016-01-01 1.总则本规程适用于超声波探伤仪定期进行的性能校验,以查明该设备是否达到足够的精度要求,从而保证所用仪器处于合格状态。
2.校验步骤2.1 水平线性的校验方法:2.1.1 采用CSK-ⅠA 型(或ⅡW 型)试块和一任意合格直探头,探伤仪的抑制置于“0”或“断”,其它调整取适当值(见图2.1)。
2.1.2 将探头压在试块上,中间加适当的耦合剂(如机油等),以保持稳定的声耦合。
调节探伤仪的水平和增益旋钮,使屏幕上显示出第6次底波。
2.1.3 当底波B1和B6的幅度分别为50%满刻度时,将它们的前沿分别对准刻度0和100(设水平全刻度为100格)。
2.1.4 在依次分别将底波B2、B3、B4、B5调到50%满刻度,并分别读出底波B2、B3、B4、B5的前沿与刻度20、40、60、80的偏差(以格数计),取其中最大的偏差值则为仪器的水平线性误差。
2.2 垂直线性的校验方法。
2.2.1 采用CSK-ⅠA 型(或ⅡW 型)试块和一任意直探头,探伤仪的抑制置于“0” 或“断”,其它调整取适当值(见图2.2)。
2.2.2 将探头压在试块上,中间加适当的耦合剂(如机油等),以保持稳定的声耦合,并将某一次回波调至屏幕上时基线的近中央处。
2.2.3 调节衰减器和增益值,使回波高度恰为100%满刻度。
2.2.4 以每次2dB 的增量调节衰减器,每次调节后用满刻度的百分值记下回波幅度,一直继续到衰减值为26dB ,测量精度为0.1%。
波高测试值与理论值之差为偏差值,其最大正偏差与最大负偏差的绝对值之和即为仪器的垂直线性误差。
2.3 直探头分辨力的校验方法。
2.3.1 采用CSK-ⅠA 型(或ⅡW 型)试块和一任意直探头,探伤仪的抑制置于“0”或“断”,其它调整取适当值(见图2.3)。
2.3.2 将探头压在试块上如图2.3所示,中间加适当的耦合剂,以保持稳定的声耦合,调整仪器的增益并左右移动探头,使来自A 、B 两个方面的回波幅度相等并约为20%~30%满刻度,如图2.3中的h 1。
(文件编号:****-012)共4页 第1页版本/版次:D/ 0 生效日期:2016-01-01 1.总则本规程适用于超声波探伤仪定期进行的性能校验,以查明该设备是否达到足够的精度要求,从而保证所用仪器处于合格状态。
2.校验步骤2.1 水平线性的校验方法:2.1.1 采用CSK-ⅠA 型(或ⅡW 型)试块和一任意合格直探头,探伤仪的抑制置于“0”或“断”,其它调整取适当值(见图2.1)。
2.1.2 将探头压在试块上,中间加适当的耦合剂(如机油等),以保持稳定的声耦合。
调节探伤仪的水平和增益旋钮,使屏幕上显示出第6次底波。
2.1.3 当底波B1和B6的幅度分别为50%满刻度时,将它们的前沿分别对准刻度0和100(设水平全刻度为100格)。
2.1.4 在依次分别将底波B2、B3、B4、B5调到50%满刻度,并分别读出底波B2、B3、B4、B5的前沿与刻度20、40、60、80的偏差(以格数计),取其中最大的偏差值则为仪器的水平线性误差。
2.2 垂直线性的校验方法。
2.2.1 采用CSK-ⅠA 型(或ⅡW 型)试块和一任意直探头,探伤仪的抑制置于“0” 或“断”,其它调整取适当值(见图2.2)。
2.2.2 将探头压在试块上,中间加适当的耦合剂(如机油等),以保持稳定的声耦合,并将某一次回波调至屏幕上时基线的近中央处。
2.2.3 调节衰减器和增益值,使回波高度恰为100%满刻度。
2.2.4 以每次2dB 的增量调节衰减器,每次调节后用满刻度的百分值记下回波幅度,一直继续到衰减值为26dB ,测量精度为0.1%。
波高测试值与理论值之差为偏差值,其最大正偏差与最大负偏差的绝对值之和即为仪器的垂直线性误差。
2.3 直探头分辨力的校验方法。
2.3.1 采用CSK-ⅠA 型(或ⅡW 型)试块和一任意直探头,探伤仪的抑制置于“0”或“断”,其它调整取适当值(见图2.3)。
2.3.2 将探头压在试块上如图2.3所示,中间加适当的耦合剂,以保持稳定的声耦合,调整仪器的增益并左右移动探头,使来自A 、B 两个方面的回波幅度相等并约为20%~30%满刻度,如图2.3中的h 1。
非金属超声波检测仪桩基检测期间核查报告
核查计划年度:2016年
1、核查依据:JGJ 106-2014
2、核查对象:非金属超声波检测仪
3、核查所用仪器机材料:
型号:NM-4A 设备编号:
型号:ZBL-U520A 设备编号:
核查方式:设备间的对比
4、核查结果判定:同一评判类型
5、核查结果:
6、
上述数据是由非金属超声波检测仪(ZBL-U520A)采集而得,结合规
范对数据分析得出该桩为Ⅰ类。
上述数据是由非金属超声波检测仪(NM-4A)采集而得,结合规范对数据分析得出该桩为Ⅰ类。
结论:
通过两组数据的对比得出:两台不同型号的非金属超声波检测仪对同一根基桩进行超声波检测,所得出的结果一致,非金属超声波检测仪期间核查符合要求。
核查:审核:核查日期:2016年4月20日。
管电压(KV)无损检测仪器设备的期间核查方法一、射线检测1、曝光曲线的核查方法1.1核查周期射线设备均应制作曝光曲线,曝光曲线每年至少核查一次;射线设备更换重要部件或经较大修理后,应及时对曝光曲线进行核查。
1.2准备准备一块阶梯试块(图1)和2块补充试块,材料与被透照工件相同或相近。
其中补充试块尺寸长*宽*高为210*100*10(mm)。
胶片、增感屏等材料与制作曝光曲线时一致。
图1 制作曝光曲线的阶梯试块1.3 透照各机型按表一选择低、中、高三个管电压进行曝光三次,曝光时其他参数(曝光时间、焦距)与制作曝光曲线时一致。
得到一组胶片。
表一机型低中高1605 60 100 1402005 80 130 1802505 120 180 2303005 140 210 2801.4 暗室处理:按照制作曝光曲线时的暗室处理条件进行冲洗胶片。
1.5 测定:分别测定底片黑度为3.0(该黑度值与曝光曲线一致)时,对应的阶梯试块厚度。
1.6 核查结果判定:当上述测定的三个厚度值,与低、中、高管电压查原曝光曲线的厚度值之差在±2mm范围内,曝光曲线合格。
否则为不合格,应重新制作。
1.7 曝光曲线核查记录,按“文件编号:YTHNDT/QM04–C-JL120”的表格进行记录。
2、黑度计(光学密度计)的核查方法2.1. 适用范围本规程用于对射线照相底片的黑度测量的黑度计的校验,使黑度计能够对射线底片黑度作出可靠的测定。
黑度计应每6个月校验一次,标准黑度片应每2年送计量单位检定一次。
2.2. 校验需用标准器具检定合格的标准黑度片一个。
2.3 操作步骤2.3.1 接通黑度计电源和测量开关,预热10min 左右。
2.3.2 用标准黑度片的零黑度点校准黑度计零点。
校准后顺序测量黑度片上不同黑度的各点的黑度,记录测量值。
2.3.3 按3.2的规定反复测量三次。
2.3.3 计算出各点测量值的平均值,以平均值与黑度片该点的黑度值之差作为黑度计的测量误差。
超声波测厚仪期间核查方法之答禄夫天创作检检验证超声波测厚仪在检定周期内的仪器示值误差和重复性是否符合相关尺度要求。
本方法适用于HCH-2000型超声波测厚仪,其它超声波测厚仪亦可参照此规程进行期间核查。
示值误差:1%*厚度±。
4.1尺度厚度块: 0.80mm,1.50mm,3.3mm,10mm,25mm,50mm,150mm。
4.2 环境条件:温度:-10℃~50℃,相对湿度:小于90%;被测物概况和反面应进行概况处理和内部清理,以包管探头与被测物通过耦合剂能达到很好的耦合效果。
5.1 外观检查确认超声波测厚仪外观完好,探头及其周围应干净无污物。
超声波测厚仪设置超声波测厚仪用仪器自己自带的尺度试块进行校准;5.2.2 将声速调节至钢的声速5900m/s,即显示为5900;5.3 示值误差核查将尺度试块上涂上藕合计,将探头轻按在尺度厚度块上,待屏幕上显示出藕合良好的标记时,分散测试十次,记下每次测试的厚度值A i。
按下列公式计算平均厚度值。
5.3.3示值误差的平均值(mm)A i----第 i次丈量的厚度值(mm)A0----尺度厚度块的厚度值(mm)n----丈量次数5.3.4示值误差为在1%*厚度±0.1mm范围内为合格。
5.4.1在测试的十个厚度值中,找出其中的最大值A max和最小值A min。
重A重=A max-A min式中:A重-测试值的重复性A max-测试的最大值A min-测试的最小值5.4.3 重复性为0.1mm即为合格。
6.1将核查结果记录到期间核查记录表中。
6.2期间核查分歧格的仪器提交校准或维修。
周期为一季度,时间应在计量检定后5~8月期间。
超声波测厚仪期间核查记录表超声波测厚仪期间核查记录表。