线性光耦原理与电路设计,4-20mA模拟量隔离模块,PLC采集应用
- 格式:doc
- 大小:588.50 KB
- 文档页数:7
线性光耦原理与电路设计1. 线形光耦介绍光隔离是一种很常用的信号隔离形式。
常用光耦器件及其外围电路组成。
由于光耦电路简单,在数字隔离电路或数据传输电路中常常用到,如UART协议的20mA电流环。
对于模拟信号,光耦因为输入输出的线形较差,并且随温度变化较大,限制了其在模拟信号隔离的应用。
对于高频交流模拟信号,变压器隔离是最常见的选择,但对于支流信号却不适用。
一些厂家提供隔离放大器作为模拟信号隔离的解决方案,如ADI的AD202,能够提供从直流到几K的频率内提供0.025%的线性度,但这种隔离器件内部先进行电压-频率转换,对产生的交流信号进行变压器隔离,然后进行频率-电压转换得到隔离效果。
集成的隔离放大器内部电路复杂,体积大,成本高,不适合大规模应用。
模拟信号隔离的一个比较好的选择是使用线形光耦。
线性光耦的隔离原理与普通光耦没有差别,只是将普通光耦的单发单收模式稍加改变,增加一个用于反馈的光接受电路用于反馈。
这样,虽然两个光接受电路都是非线性的,但两个光接受电路的非线性特性都是一样的,这样,就可以通过反馈通路的非线性来抵消直通通路的非线性,从而达到实现线性隔离的目的。
市场上的线性光耦有几中可选择的芯片,如Agilent公司的HCNR200/201,TI子公司TOAS的TIL300,C LARE的LOC111等。
这里以HCNR200/201为例介绍2. 芯片介绍与原理说明HCNR200/201的内部框图如下所示其中1、2引作为隔离信号的输入,3、4引脚用于反馈,5、6引脚用于输出。
1、2引脚之间的电流记作IF,3、4引脚之间和5、6引脚之间的电流分别记作IPD1和IPD 2。
输入信号经过电压-电流转化,电压的变化体现在电流IF上,IPD1和IPD2基本与IF成线性关系,线性系数分别记为K1和K2,即K1与K2一般很小(HCNR200是0.50%),并且随温度变化较大(HCNR200的变化范围在0.25%到0.75%之间),但芯片的设计使得K1和K2相等。
线性光耦原理与电路设计1. 线形光耦介绍光隔离是一种很常用的信号隔离形式。
常用光耦器件及其外围电路组成。
由于光耦电路简单,在数字隔离电路或数据传输电路中常常用到,如UART协议的20mA电流环。
对于模拟信号,光耦因为输入输出的线形较差,并且随温度变化较大,限制了其在模拟信号隔离的应用。
对于高频交流模拟信号,变压器隔离是最常见的选择,但对于支流信号却不适用。
一些厂家提供隔离放大器作为模拟信号隔离的解决方案,如ADI的AD202,能够提供从直流到几K的频率内提供0.025%的线性度,但这种隔离器件内部先进行电压-频率转换,对产生的交流信号进行变压器隔离,然后进行频率-电压转换得到隔离效果。
集成的隔离放大器内部电路复杂,体积大,成本高,不适合大规模应用。
模拟信号隔离的一个比较好的选择是使用线形光耦。
线性光耦的隔离原理与普通光耦没有差别,只是将普通光耦的单发单收模式稍加改变,增加一个用于反馈的光接受电路用于反馈。
这样,虽然两个光接受电路都是非线性的,但两个光接受电路的非线性特性都是一样的,这样,就可以通过反馈通路的非线性来抵消直通通路的非线性,从而达到实现线性隔离的目的。
市场上的线性光耦有几中可选择的芯片,如Agilent公司的HCNR200/201,TI子公司TOAS的TIL300,C LARE的LOC111等。
这里以HCNR200/201为例介绍2. 芯片介绍与原理说明HCNR200/201的内部框图如下所示其中1、2引作为隔离信号的输入,3、4引脚用于反馈,5、6引脚用于输出。
1、2引脚之间的电流记作IF,3、4引脚之间和5、6引脚之间的电流分别记作IPD1和IPD2。
输入信号经过电压-电流转化,电压的变化体现在电流IF上,IPD1和IPD2基本与IF成线性关系,线性系数分别记为K1和K2,即K1与K2一般很小(HCNR200是0.50%),并且随温度变化较大(HCNR200的变化范围在0.25%到0.75%之间),但芯片的设计使得K1和K2相等。
1.线形光耦的研究设计1. 线形光耦介绍光隔离是一种很常用的信号隔离形式。
常用光耦器件及其外围电路组成。
由于光耦电路简单,在数字隔离电路或数据传输电路中常常用到,如UART协议的20mA电流环。
对于模拟信号,光耦因为输入输出的线形较差,并且随温度变化较大,限制了其在模拟信号隔离的应用。
对于高频交流模拟信号,变压器隔离是最常见的选择,但对于支流信号却不适用。
一些厂家提供隔离放大器作为模拟信号隔离的解决方案,如ADI的AD202能够提供从直流到几K的频率内提供0.025%的线性度,但这种隔离器件内部先进行电压-频率转换,对产生的交流信号进行变压器隔离,然后进行频率-电压转换得到隔离效果。
集成的隔离放大器内部电路复杂,体积大,成本高,不适合大规模应用。
模拟信号隔离的一个比较好的选择是使用线形光耦。
线性光耦的隔离原理与普通光耦没有差别,只是将普通光耦的单发单收模式稍加改变,增加一个用于反馈的光接受电路用于反馈。
这样,虽然两个光接受电路都是非线性的,但两个光接受电路的非线性特性都是一样的,这样,就可以通过反馈通路的非线性来抵消直通通路的非线性,从而达到实现线性隔离的目的。
市场上的线性光耦有几中可选择的芯片,如Agile nt公司的HCNR200/201TI子公司TOAS勺TIL300,CLARE勺LOC111等。
这里以HCNR200/20伪例介绍2. 芯片介绍与原理说明HCNR200/20的内部框图如下所示其中1、2引作为隔离信号的输入,3、4引脚用于反馈,5、6引脚用于输出。
1、2引脚之间的电流记作IF , 3、4引脚之间和5、6引脚之间的电流分别记作IPD1和IPD2。
输入信号经过电压-电流转化,电压的变化体现在电流IF上,IPD1 和IPD2基本与IF成线性关系,线性系数分别记为K1和K2,即K —―皿K—‘皿工K1与K2 一般很小(HCNR20是0.50%),并且随温度变化较大(HCNR20的变化范围在0.25%到0.75%之间),但芯片的设计使得K1和K2相等。
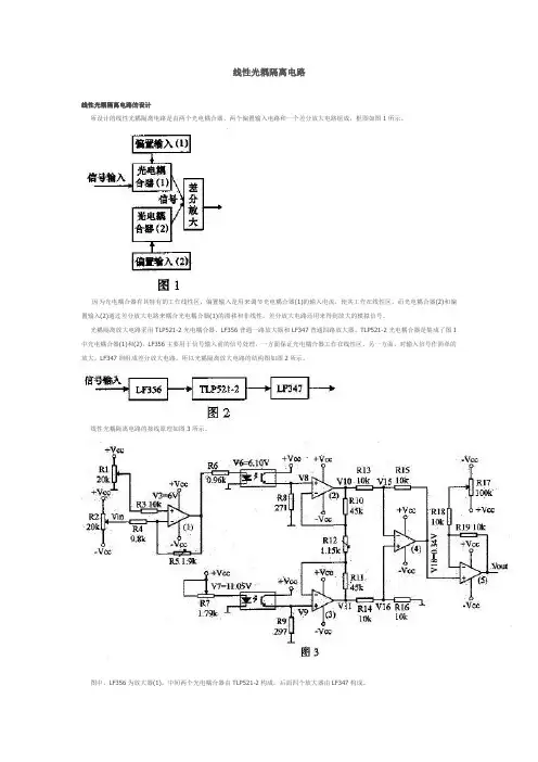
线性光耦隔离电路线性光耦隔离电路的设计所设计的线性光耦隔离电路是由两个光电耦合器、两个偏置输入电路和一个差分放大电路组成,框图如图1所示。
因为光电耦合器有其特有的工作线性区,偏置输入是用来调节光电耦合器(1)的输入电流,使其工作在线性区。
而光电耦合器(2)和偏置输入(2)通过差分放大电路来耦合光电耦合器(1)的漂移和非线性。
差分放大电路还用来得到放大的模拟信号。
光耦隔离放大电路采用TLP521-2光电耦合器、LF356普通一路放大器和LF347普通四路放大器。
TLP521-2光电耦合器是集成了图1中光电耦合器(1)和(2),LF356主要用于信号输入前的信号处理,一方面保证光电耦合器工作在线性区,另一方面,对输入信号作简单的放大。
LF347则组成差分放大电路。
所以光耦隔离放大电路的结构图如图2所示。
线性光耦隔离电路的接线原理如图3所示。
图中,LF356为放大器(1),中间两个光电耦合器由TLP521-2构成,后面四个放大器由LF347构成。
线性光耦隔离电路的工作原理光电耦合器的工作特性TLP521-2光电耦合器是由两个单独的光电耦合器组成。
一般来讲,光电耦合器由一个发光二极管和一个光敏器件构成。
发光二极管的发光亮度L与电流成正比,当电流增大到引起结温升高时,发光二极管呈饱和状态,不再在线性工作区。
光电二极管的光电流与光照度的关系可用IL∝Eu表述。
其中,E为光照度,u=1±0.05,因此,光电流基本上随照度而线性增大。
但一般硅光电二极管的光电流是几十微安,对于光敏三极管,由于其放大系数与集电极电流大小有关,小电流时,放大系数小,所以光敏三极管在低照度时灵敏度低,而在照度高时,光电流又呈饱和趋势。
达不到线性效果。
因为不同的光电耦合器有不同的工作线性区,所以,在试验过程中,应该首先找到光电耦合器的线性区。
光电耦合器TLP521-2的电流线性区大约为1~10mA。
光电耦合器的偏置输入电路可以决定输入它的电流的范围,偏置电路设计的好,可以使得输入电流在很大范围内变化时,光电耦合器依然工作在线性区。
关于模拟量与隔离器的实际应用11/4/2015 1,关于4-20mA.DC电流信号的传输距离看了标题有的人可能会说:发送4-20mA.DC电流信号的仪表都具有恒流特性,采用电流源传送,其精度与导线的电阻不是无关吗?既然这样还用讨论4-20mA.DC信号的传送距离吗?但以上的说法是针对特定条件而言的,应看到当仪表供电电源电压低至一定程度或导线电阻大到一定程度时,4-20mA.DC电流传送信号将产生误差。
因此我们讨论的是4-20mA.DC 信号在保证规定的精度下的传送距离,讨论传送距离实质就是确定电流源仪表连接导线的最大长度。
决定电流源仪表导线长度的参数有:负载电阻RL及连接导线的电阻r;供电电压Vo及其波动范围△V;仪表的最大输出电流Imax;仪表能维持最大工作电流时的最低供电电压Vmin。
已知:RL=250Ω,Vo=24V.DC 其允许误差为24V +10% -5%,电源允许波动△V=24V*5%=1.2V,Imax=20mA=0.02A,最低供电电压Vmin各种型号仪表的此值是不相同的,因为这个参数还与电子元件的特性有关系,从产品样本来看,有的仪表最低的可达12V(但是指无负载时),大多仪表在15--17V 之间的居多;在此取16.28V。
即Vmin=16.28≤24-1.2-0.02(250+r)则连接导线的电阻r=24-1.2-16.28/0.02-250=76Ω仪表连接电线用的是铜线,其截面大多选择S=1.5和0.8mm2的居多,在《电工手册》上有铜电线在20℃和75℃时的电阻系数,在选择铜导线时应考虑到使用现场的环境情况,因此最好选择75℃时的电阻系数来计算较妥。
已知t=75℃时铜的电阻系数ρ=0.0217Ω.mm2/m。
根据L=Sr/ρ 就可计算出铜导线的最大长度。
用标称截面1.5mm2导线时L=1.5*76/0.0217=5253m用标称截面0.8mm2导线时L=0.8*76/0.0217=2801m因为仪表的接线往返是两根线,所以计算结果应除2即:用标称截面1.5mm2导线时L1=5253.5/2=2626m用标称截面0.8mm2导线时L2=2801.8/2=1400m在实际应用中决定导线的真实长度要比计算值略低才行,因为电线的标称截面几乎都是偏高的。
4-20ma一般仪器仪表的信号电流都为4-20mA,指最小电流为4mA,最大电流为20mA 。
传输信号时候,要考虑到导线上也有电阻,如果用电压传输则会在导线的产生一定的压降,那接收端的信号就会产生一定的误差了!所以使用电流信号作为变送器的标准传输!中文名4-20ma最小电流4mA最大电流20mA特点具有传感器的线性化电路概述一般仪器仪表的信号电流都为4-20mA,指最小电流为4mA,最大电流为20mA 。
传输信号时候,要考虑到导线上也有电阻,如果用电压传输则会在导线的产生一定的压降,那接收端的信号就会产生一定的误差了!所以使用电流信号作为变送器的标准传输!那么为什么选择4-20mA而不是0-20mA呢?为了减少接线的复杂性,传感器选择2线要比多线简单的多,2线既要传输信号,又要给传感器供电,所以设计者从中盗窃4mA 电流给传感器放大电路供电,这样4-20mA的标准就确定了。
4~20mA电流环工作原理在工业现场,用一个仪表放大器来完成信号的调理并进行长线传输,会产生以下问题:第一,由于传输的信号是电压信号,传输线会受到噪声的干扰;第二,传输线的分布电阻会产生电压降;第三,在现场如何提供仪表放大器的工作电压也是个问题。
为了解决上述问题和避开相关噪声的影响,我们用电流来传输信号,因为电流对噪声并不敏感。
4~20mA的电流环便是用4mA表示零信号,用20mA表示信号的满刻度,而低于4mA高于20mA的信号用于各种故障的报警。
4~20mA电流环有两种类型:二线制和三线制。
当监控系统需要通过长线驱动现场的驱动器件如阀门等时,一般采用三线制变送器,这里XTR位于监控的系统端,由系统直接向XTR供电,供电电源是二根电流传输线以外的第三根线。
二线系统是XTR和传感器位于现场端,由于现场供电问题的存在,一般是接收端利用4~20mA的电流环向远端的XTR供电,通过4~20mA来反映信号的大小。
4~20mA产品的典型应用是传感和测量应用。
4~20mA电流变送器的工业控制应用4~20mA电流环工作原理在工业现场,用一个仪表放大器来完成信号的调理并进行长线传输,会产生以下问题:第一,由于传输的信号是电压信号,传输信号就会受到噪声的干扰而不纯洁;第二,传输线的电阻会产生电压降,那么接收端的信号就会产生误差;第三,在现场如何提供仪表放大器的不同的工作电压也是个问题。
为了解决上述问题和避开相关噪声的影响,我们用电流来传输信号,因为电流对噪声并不敏感。
4~20mA的电流环便是用4mA表示零信号,用20mA表示信号的满刻度,而低于4mA 高于20mA的信号用于各种故障的报警。
4~20mA电流环有两种类型:二线制和三线制。
当监控系统需要通过长线驱动现场的驱动器件如阀门等时,一般采用三线制变送器,这里XTR位于监控的系统端,由系统直接向XTR供电,供电电源是二根电流传输线以外的第三根线。
二线系统是XTR和传感器位于现场端,由于现场供电问题的存在,一般是接收端利用4~20mA的电流环向远端的XTR供电,通过4~20mA来反映信号的大小。
4~20mA产品的典型应用是传感和测量应用,在工业现场有许多种类的传感器可以被转换成4~20mA的电流信号,TI拥有一些很方便的用于RTD和电桥的变送器芯片。
由于TI的变送器芯片含有通用的功能电路比如电压激励源、电流激励流、稳压电路、仪表放大器等,所以可以很方便地把许多传感器的信号转化为4~20mA的信号。
4~20mA的校正传统的4~20mA校正,要求特殊的夹具固定,需要特别的激光或手动电阻器调整,而调整是相互影响的,需要一个测试、调整,再测试、再调整的过程,调整次数和范围有限。
电子器件和传感器调整起来不够方便。
现代的数字化4~20mA校正,它允许电子器件和传感器在封装之后进行调整;可通过计算机计算出校正系数来简化数值调整;可以有无限的调整次数,并且有很好的分辨率和较宽的调整范围;调整过程中不存在相互影响;电子器件和传感器可以很方便地调整。
4~20mA电流变送器的工业控制应用4~20mA电流环工作原理在工业现场,用一个仪表放大器来完成信号的调理并进行长线传输,会产生以下问题:第一,由于传输的信号是电压信号,传输信号就会受到噪声的干扰而不纯洁;第二,传输线的电阻会产生电压降,那么接收端的信号就会产生误差;第三,在现场如何提供仪表放大器的不同的工作电压也是个问题。
为了解决上述问题和避开相关噪声的影响,我们用电流来传输信号,因为电流对噪声并不敏感。
4~20mA的电流环便是用4mA表示零信号,用20mA表示信号的满刻度,而低于4mA高于20mA的信号用于各种故障的报警。
4~20mA电流环有两种类型:二线制和三线制。
当监控系统需要通过长线驱动现场的驱动器件如阀门等时,一般采用三线制变送器,这里XTR位于监控的系统端,由系统直接向XTR供电,供电电源是二根电流传输线以外的第三根线。
二线系统是XTR和传感器位于现场端,由于现场供电问题的存在,一般是接收端利用4~20mA的电流环向远端的XTR供电,通过4~20mA来反映信号的大小。
4~20mA产品的典型应用是传感和测量应用,在工业现场有许多种类的传感器可以被转换成4~20mA的电流信号,TI 拥有一些很方便的用于RTD和电桥的变送器芯片。
由于TI的变送器芯片含有通用的功能电路比如电压激励源、电流激励流、稳压电路、仪表放大器等,所以可以很方便地把许多传感器的信号转化为4~20mA的信号。
4~20mA的校正传统的4~20mA校正,要求特殊的夹具固定,需要特别的激光或手动电阻器调整,而调整是相互影响的,需要一个测试、调整,再测试、再调整的过程,调整次数和范围有限。
电子器件和传感器调整起来不够方便。
现代的数字化4~20mA校正,它允许电子器件和传感器在封装之后进行调整;可通过计算机计算出校正系数来简化数值调整;可以有无限的调整次数,并且有很好的分辨率和较宽的调整范围;调整过程中不存在相互影响;电子器件和传感器可以很方便地调整。
线性光耦隔离原理
光耦隔离技术是一种利用光电效应将输入和输出电路隔离开来的方法。
其中,线性光耦隔离原理基于发光二极管和光电二极管之间的光束传输。
在线性光耦隔离器中,输入端的信号通过电流转换成光信号。
发光二极管接收到电流后,将电流转换成等量的光能量,并将光信号传输到隔离区域。
隔离区域是通过光束传输的介质(一般是空气或光纤)来完成的。
光束经过隔离区域后,被光电二极管接收,并将光能量转换回电信号。
这个电信号将成为输出端的信号,与输入端的信号相对应。
通过光束的传输,线性光耦隔离器实现了输入和输出电路之间的电隔离。
这种隔离技术可以避免输入信号对输出信号产生干扰,并且可以保护输出端的电路免受输入端的高电压或高电流影响。
此外,光信号的传输还能够提供高速和宽带的传输性能,使得线性光耦隔离器在工业和通信领域得到广泛应用。
总之,线性光耦隔离器通过利用光电效应将电能转换成光能并进行传输,实现了输入和输出电路的隔离。
这种隔离技术具有抗干扰能力强、高速传输等优点,并且在多个领域中都有重要的应用价值。
光耦的工作原理及应用
光耦是一种常用于隔离和传输电信号的光电器件,它由发光二极管(LED)和光敏晶体管(光电二极管)组成。
光耦通过光学和电学相互作用来实现输入和输出信号之间的电气隔离,从而提高电路系统的安全性和稳定性。
光耦的工作原理基于发光二极管发射光信号,并被光敏晶体管转换成相应的电信号。
当输入端施加电压,LED发光,发射的光穿过内部隔离层作用于光敏晶体管,使其导通并输出电信号。
这种光学隔离的设计使得输入端和输出端完全电气隔离,有效防止了干扰和噪声的传播,提高了电路的抗干扰能力。
在实际应用中,光耦有着广泛的用途。
一方面,光耦常用于电力电子设备中,如开关电源、逆变器等,用于隔离控制信号和功率信号,防止电流反馈和高压击穿等问题。
另一方面,光耦也被广泛应用于通信领域,如串口通信、光纤通信等,用于隔离不同系统之间的信号传输,提高通信稳定性和安全性。
此外,光耦还常用于医疗设备、汽车电子、工业控制等领域。
在医疗设备上,光耦可以用于隔离敏感信号,防止电气噪声对患者造成影响;在汽车电子上,光耦可以实现车内控制系统和驱动系统之间的隔离,提高汽车电子系统的可靠性;在工业控制方面,光耦可以用于PLC控制、传感器信号隔离等,确保工业自动化系统的稳定性和安全性。
总的来说,光耦作为一种重要的光电器件,在电子领域有着广泛的应用前景。
它通过光学隔离的方式,实现了电路系统的信号隔离和传输,在提高系统稳定性、可靠性和安全性方面发挥着关键作用。
随着科技的不断进步,相信光耦将在更多领域展现其价值,为电子设备的发展和应用带来更多新的可能性。
1。
4~20mA电流变送器的工业控制应用4~20mA电流环工作原理在工业现场,用一个仪表放大器来完成信号的调理并进行长线传输,会产生以下问题:第一,由于传输的信号是电压信号,传输信号就会受到噪声的干扰而不纯洁;第二,传输线的电阻会产生电压降,那么接收端的信号就会产生误差;第三,在现场如何提供仪表放大器的不同的工作电压也是个问题。
为了解决上述问题和避开相关噪声的影响,我们用电流来传输信号,因为电流对噪声并不敏感。
4~20mA的电流环便是用4mA表示零信号,用20mA表示信号的满刻度,而低于4mA高于20mA的信号用于各种故障的报警。
4~20mA电流环有两种类型:二线制和三线制。
当监控系统需要通过长线驱动现场的驱动器件如阀门等时,一般采用三线制变送器,这里XTR位于监控的系统端,由系统直接向XTR供电,供电电源是二根电流传输线以外的第三根线。
二线系统是XTR和传感器位于现场端,由于现场供电问题的存在,一般是接收端利用4~20mA的电流环向远端的XTR供电,通过4~20mA来反映信号的大小。
4~20mA产品的典型应用是传感和测量应用,在工业现场有许多种类的传感器可以被转换成4~20mA的电流信号,TI 拥有一些很方便的用于RTD和电桥的变送器芯片。
由于TI的变送器芯片含有通用的功能电路比如电压激励源、电流激励流、稳压电路、仪表放大器等,所以可以很方便地把许多传感器的信号转化为4~20mA的信号。
4~20mA的校正传统的4~20mA校正,要求特殊的夹具固定,需要特别的激光或手动电阻器调整,而调整是相互影响的,需要一个测试、调整,再测试、再调整的过程,调整次数和范围有限。
电子器件和传感器调整起来不够方便。
现代的数字化4~20mA校正,它允许电子器件和传感器在封装之后进行调整;可通过计算机计算出校正系数来简化数值调整;可以有无限的调整次数,并且有很好的分辨率和较宽的调整范围;调整过程中不存在相互影响;电子器件和传感器可以很方便地调整。
使用HCNR200线性光耦的原理与电路设计1. 线形光耦的研究设计1. 线形光耦介绍光隔离是一种很常用的信号隔离形式。
常用光耦器件及其外围电路组成。
由于光耦电路简单,在数字隔离电路或数据传输电路中常常用到,如UART协议的20mA 电流环。
对于模拟信号,光耦因为输入输出的线形较差,并且随温度变化较大,限制了其在模拟信号隔离的应用。
对于高频交流模拟信号,变压器隔离是最常见的选择,但对于支流信号却不适用。
一些厂家提供隔离放大器作为模拟信号隔离的解决方案,如ADI的AD202,能够提供从直流到几K的频率内提供0.025%的线性度,但这种隔离器件内部先进行电压-频率转换,对产生的交流信号进行变压器隔离,然后进行频率-电压转换得到隔离效果。
集成的隔离放大器内部电路复杂,体积大,成本高,不适合大规模应用。
模拟信号隔离的一个比较好的选择是使用线形光耦。
线性光耦的隔离原理与普通光耦没有差别,只是将普通光耦的单发单收模式稍加改变,增加一个用于反馈的光接受电路用于反馈。
这样,虽然两个光接受电路都是非线性的,但两个光接受电路的非线性特性都是一样的,这样,就可以通过反馈通路的非线性来抵消直通通路的非线性,从而达到实现线性隔离的目的。
市场上的线性光耦有几中可选择的芯片,如Agilent公司的HCNR200/201,TI 子公司TOAS的TIL300,CLARE的LOC111等。
这里以HCNR200/201为例介绍 2. 芯片介绍与原理说明HCNR200/201的内部框图如下所示其中1、2引作为隔离信号的输入,3、4引脚用于反馈,5、6引脚用于输出。
1、2引脚之间的电流记作IF,3、4引脚之间和5、6引脚之间的电流分别记作IPD1和IPD2。
输入信号经过电压-电流转化,电压的变化体现在电流IF上,IPD1和IPD2基本与IF成线性关系,线性系数分别记为K1和 K2,即K1与K2一般很小(HCNR200是0.50%),并且随温度变化较大(HCNR200的变化范围在0.25%到0.75%之间),但芯片的设计使得 K1和K2相等。
使用HCNR200线性光耦的原理与电路设计1. 线形光耦的研究设计1. 线形光耦介绍光隔离是一种很常用的信号隔离形式。
常用光耦器件及其外围电路组成。
由于光耦电路简单,在数字隔离电路或数据传输电路中常常用到,如UART协议的20mA 电流环。
对于模拟信号,光耦因为输入输出的线形较差,并且随温度变化较大,限制了其在模拟信号隔离的应用。
对于高频交流模拟信号,变压器隔离是最常见的选择,但对于支流信号却不适用。
一些厂家提供隔离放大器作为模拟信号隔离的解决方案,如ADI的AD202,能够提供从直流到几K的频率内提供0.025%的线性度,但这种隔离器件内部先进行电压-频率转换,对产生的交流信号进行变压器隔离,然后进行频率-电压转换得到隔离效果。
集成的隔离放大器内部电路复杂,体积大,成本高,不适合大规模应用。
模拟信号隔离的一个比较好的选择是使用线形光耦。
线性光耦的隔离原理与普通光耦没有差别,只是将普通光耦的单发单收模式稍加改变,增加一个用于反馈的光接受电路用于反馈。
这样,虽然两个光接受电路都是非线性的,但两个光接受电路的非线性特性都是一样的,这样,就可以通过反馈通路的非线性来抵消直通通路的非线性,从而达到实现线性隔离的目的。
市场上的线性光耦有几中可选择的芯片,如Agilent公司的HCNR200/201,TI 子公司TOAS的TIL300,CLARE的LOC111等。
这里以HCNR200/201为例介绍 2. 芯片介绍与原理说明HCNR200/201的内部框图如下所示其中1、2引作为隔离信号的输入,3、4引脚用于反馈,5、6引脚用于输出。
1、2引脚之间的电流记作IF,3、4引脚之间和5、6引脚之间的电流分别记作IPD1和IPD2。
输入信号经过电压-电流转化,电压的变化体现在电流IF上,IPD1和IPD2基本与IF成线性关系,线性系数分别记为K1和 K2,即K1与K2一般很小(HCNR200是0.50%),并且随温度变化较大(HCNR200的变化范围在0.25%到0.75%之间),但芯片的设计使得 K1和K2相等。
使用HCNR200线性光耦的原理与电路设计1. 线形光耦的研究设计1. 线形光耦介绍光隔离是一种很常用的信号隔离形式。
常用光耦器件及其外围电路组成。
由于光耦电路简单,在数字隔离电路或数据传输电路中常常用到,如UART协议的20mA 电流环。
对于模拟信号,光耦因为输入输出的线形较差,并且随温度变化较大,限制了其在模拟信号隔离的应用。
对于高频交流模拟信号,变压器隔离是最常见的选择,但对于支流信号却不适用。
一些厂家提供隔离放大器作为模拟信号隔离的解决方案,如ADI的AD202,能够提供从直流到几K的频率内提供0.025%的线性度,但这种隔离器件内部先进行电压-频率转换,对产生的交流信号进行变压器隔离,然后进行频率-电压转换得到隔离效果。
集成的隔离放大器内部电路复杂,体积大,成本高,不适合大规模应用。
模拟信号隔离的一个比较好的选择是使用线形光耦。
线性光耦的隔离原理与普通光耦没有差别,只是将普通光耦的单发单收模式稍加改变,增加一个用于反馈的光接受电路用于反馈。
这样,虽然两个光接受电路都是非线性的,但两个光接受电路的非线性特性都是一样的,这样,就可以通过反馈通路的非线性来抵消直通通路的非线性,从而达到实现线性隔离的目的。
市场上的线性光耦有几中可选择的芯片,如Agilent公司的HCNR200/201,TI 子公司TOAS的TIL300,CLARE的LOC111等。
这里以HCNR200/201为例介绍 2. 芯片介绍与原理说明HCNR200/201的内部框图如下所示其中1、2引作为隔离信号的输入,3、4引脚用于反馈,5、6引脚用于输出。
1、2引脚之间的电流记作IF,3、4引脚之间和5、6引脚之间的电流分别记作IPD1和IPD2。
输入信号经过电压-电流转化,电压的变化体现在电流IF上,IPD1和IPD2基本与IF成线性关系,线性系数分别记为K1和 K2,即K1与K2一般很小(HCNR200是0.50%),并且随温度变化较大(HCNR200的变化范围在0.25%到0.75%之间),但芯片的设计使得 K1和K2相等。
1. 线形光耦介绍 光隔离是一种很常用的信号隔离形式。
常用光耦器件及其外围电路组成。
由 于光耦电路简单,在数字隔离电路或数据传输电路中常常用到,如 UART 协议的 20mA 电流环。
对于模拟信号,光耦因为输入输出的线形较差,并且随温度变化 较大,限制了其在模拟信号隔离的应用。
对于高频交流模拟信号,变压器隔离是最常见的选择,但对于支流信号却不 适用。
一些厂家提供隔离放大器作为模拟信号隔离的解决方案, 如ADI 的AD202 能够提供从直流到几K 的频率内提供0.025%的线性度,但这种隔离器件内部先 进行电压-频率转换,对产生的交流信号进行变压器隔离,然后进行频率-电压 转 换得到隔离效果。
集成的隔离放大器内部电路复杂,体积大,成本高,不适合大 规模应用。
模拟信号隔离的一个比较好的选择是使用线形光耦。
线性光耦的隔离原理与 普通光耦没有差别,只是将普通光耦的单发单收模式稍加改变, 增加一个用于反 馈的光接 受电路用于反馈。
这样,虽然两个光接受电路都是非线性的,但两个 光接受电路的非线性特性都是一样的, 这样,就可以通过反馈通路的非线性来抵 消直通通路的非 线性,从而达到实现线性隔离的目的。
市场上的线性光耦有几中可选择的芯片,如 Agile nt 公司的HCNR200/201 TI 子公司TOAS 勺TIL300,CLARE 勺LOC111等。
这里以HCNR200/20伪例介绍 2. 芯片介绍与原理说明HCNR200/20的内部框图如下所示图表T HCNR2Q0/201内部结构其中1、2引作为隔离信号的输入,3、4引脚用于反馈,5、6引脚用于输出。
1、2引脚之间的电流记作IF ,3、4引脚之间和5、6引脚之间的电流分别记 作 IPD1和IPD2。
输入信号经过电压-电流转化,电压的变化体现在电流IF 上, IPD1 和IPD2基本与IF 成线性关系,线性系数分别记为 K1和K2,即K — —4 K — 'FDt厂 77’K1与K2 一般很小(HCNR20是0.50%),并且随温度变化较大(HCNR20的 变化范围在0.25%到0.75%之间),但芯片的设计使得 K1和K2相等。
1. 线形光耦介绍
光隔离是一种很常用的信号隔离形式。
常用光耦器件及其外围电路组成。
由于光耦电路简单,在数字隔离电路或数据传输电路中常常用到,如UART协议的20mA电流环。
对于模拟信号,光耦因为输入输出的线形较差,并且随温度变化较大,限制了其在模拟信号隔离的应用。
对于高频交流模拟信号,变压器隔离是最常见的选择,但对于支流信号却不适用。
一些厂家提供隔离放大器作为模拟信号隔离的解决方案,如ADI的AD202,能够提供从直流到几K的频率内提供0.025%的线性度,但这种隔离器件内部先进行电压-频率转换,对产生的交流信号进行变压器隔离,然后进行频率-电压转换得到隔离效果。
集成的隔离放大器内部电路复杂,体积大,成本高,不适合大规模应用。
模拟信号隔离的一个比较好的选择是使用线形光耦。
线性光耦的隔离原理与普通光耦没有差别,只是将普通光耦的单发单收模式稍加改变,增加一个用于反馈的光接受电路用于反馈。
这样,虽然两个光接受电路都是非线性的,但两个光接受电路的非线性特性都是一样的,这样,就可以通过反馈通路的非线性来抵消直通通路的非线性,从而达到实现线性隔离的目的。
市场上的线性光耦有几中可选择的芯片,如Agilent公司的HCNR200/201,TI子公司TOAS的TIL300,CLARE的LOC111等。
这里以HCNR200/201为例介绍2. 芯片介绍与原理说明
HCNR200/201的内部框图如下所示
其中1、2引作为隔离信号的输入,3、4引脚用于反馈,5、6引脚用于输出。
1、2引脚之间的电流记作IF,3、4引脚之间和5、6引脚之间的电流分别记作IPD1和IPD2。
输入信号经过电压-电流转化,电压的变化体现在电流IF上,IPD1和IPD2基本与IF成线性关系,线性系数分别记为K1和 K2,即
K1与K2一般很小(HCNR200是0.50%),并且随温度变化较大(HCNR200的变化范围在0.25%到0.75%之间),但芯片的设计使得 K1和K2相等。
在后面可以看到,在合理的外围电路设计中,真正影响输出/输入比值的是二者的比值K3,线性光耦正利用这种特性才能达到满意的线性度的。
HCNR200和HCNR201的内部结构完全相同,差别在于一些指标上。
相对于
采用HCNR200/201进行隔离的一些指标如下所示:
* 线性度:HCNR200:0.25%,HCNR201:0.05%;
* 线性系数K3:HCNR200:15%,HCNR201:5%;
* 温度系数: -65ppm/oC;
* 隔离电压:1414V;
* 信号带宽:直流到大于1MHz。
从上面可以看出,和普通光耦一样,线性光耦真正隔离的是电流,要想真正隔离电压,需要在输出和输出处增加运算放大器等辅助电路。
下面对
HCNR200/201的典型电路进行分析,对电路中如何实现反馈以及电流-电压、电压-电流转换进行推导与说明。
3. 典型电路分析
Agilent公司的HCNR200/201的手册上给出了多种实用电路,其中较为典型的一种如下图
设输入端电压为Vin,输出端电压为Vout,光耦保证的两个电流传递系数分别为K1、K2,显然,,和之间的关系取决于和之间的关系。
将前级运放的电路提出来看,如下图所示:
设运放负端的电压为,运放输出端的电压为,在运放不饱和的情况下二者满足下面的关系:
Vo=Voo-GVi (1)
其中是在运放输入差模为0时的输出电压,G为运放的增益,一般比较大。
忽略运放负端的输入电流,可以认为通过R1的电流为IP1,根据R1的欧姆定律得:
通过R3两端的电流为IF,根据欧姆定律得:
其中,为光耦2脚的电压,考虑到LED导通时的电压()基本不变,这里的作为常数对待。
根据光耦的特性,即
K1=IP1/IF (4)
将和的表达式代入上式,可得:
上式经变形可得到:
将的表达式代入(3)式可得:
考虑到G特别大,则可以做以下近似:
这样,输出与输入电压的关系如下:
可见,在上述电路中,输出和输入成正比,并且比例系数只由K3和R1、R2确定。
一般选R1=R2,达到只隔离不放大的目的。
4. 辅助电路与参数确定
上面的推导都是假定所有电路都是工作在线性范围内的,要想做到这一点需要对运放进行合理选型,并且确定电阻的阻值。
4.1 运放选型
运放可以是单电源供电或正负电源供电,上面给出的是单电源供电的例子。
为了能使输入范围能够从0到VCC,需要运放能够满摆幅工作,另外,运放的工作速度、压摆率不会影响整个电路的性能。
TI公司的LMV321单运放电路能够满足以上要求,可以作为HCNR200/201的外围电路。
4.2 阻值确定
电阻的选型需要考虑运放的线性范围和线性光耦的最大工作电流IFmax。
K1已知的情况下,IFmax又确定了IPD1的最大值IPD1max,这样,由于Vo的范围最小可以为0,这样,由于
考虑到IFmax大有利于能量的传输,这样,一般取
另外,由于工作在深度负反馈状态的运放满足虚短特性,因此,考虑IPD1的限制,
这样,
R2的确定可以根据所需要的放大倍数确定,例如如果不需要方法,只需将R2=R1即可。
另外由于光耦会产生一些高频的噪声,通常在R2处并联电容,构成低通滤波器,具体电容的值由输入频率以及噪声频率确定。
4.3 参数确定实例
假设确定Vcc=5V,输入在0-4V之间,输出等于输入,采用LMV321运放芯片以及上面电路,下面给出参数确定的过程。
* 确定IFmax:HCNR200/201的手册上推荐器件工作的25mA左右;
* 确定R3:R3=5V/25mA=200;
* 确定R1:;
* 确定R2:R2=R1=32K。
光耦隔离PLC应用。