电动操作隔离开关控制回路设计分析与应用_孙亚辉
- 格式:pdf
- 大小:1.09 MB
- 文档页数:5
目录1绪论 (1)1.1高压隔离开关的结构 (1)1.2高压隔离开关种类 (1)1.3隔离开关的作用 (2)2高压隔离开关发展和研究状况 (3)2.1我国高压隔离开关的发展和研究现状 (3)2.2国外高压隔离开关发展和研究水平 (3)2.31000K V特高压隔离开关 (3)3隔离开关操作回路和操作机构 (5)3.1隔离开关操作回路 (5)3.2隔离开关操作机构 (5)4隔离开关防误操作逻辑闭锁 (7)4.1“五防”内容 (7)4.2“五防”实现形式 (7)4.3隔离开关防误闭锁逻辑关系 (7)4.4隔离开关闭锁逻辑实例 (9)5隔离开关的异常运行及事故处理 (11)5.1隔离开关出现过热现象及处理 (11)5.2隔离开关拒合、拒分故障 (11)5.3隔离开关合闸不到位或三相不同期故障 (12)5.4隔离开关误操作故障 (12)6结论 (13)参考文献 (14)1绪论隔离开关是一种没有专门灭弧装置的开关设备,在分闸状态有明显可见的断口,在合闸状态能可靠地通过正常工作电流,并能在规定的时间内承载故障短路电流和承受相应电动力的冲击。
当回路的电流很小时,或者当隔离开关每极的两接线端之间的电压在关合和开断前后无显著变化时,隔离开关具有关合和开断回路电流的能力。
1.1高压隔离开关的结构高压隔离开关主要由以下部分组成:1.导电系统高压隔离开关的导电系统又分为几个部分:1)触头;2)导电杆;3)接线座;4)接地开关。
2.绝缘部分绝缘部分可分为两个部分:1)对地绝缘;2)断开绝缘。
3.操作机构和传动部分操作机构有手动操作机构、电动操作机构和气动操作机构,电动操作机构又保留有手动操作功能。
传动机构有主轴,拐臂,拉杆绝缘子等。
4.底座部分由钢架组成。
支持瓷瓶或套管瓷瓶以及传动主轴都固定在底座上,底座应可靠接地。
1.2高压隔离开关种类隔离开关的分类有多种方式,主要分类有:1.按装设地点分类,有户外式和户内式。
2.按支柱绝缘子数目分,有单柱式、双柱式和三柱式。
第4章隔离开关的控制和闭锁电路本章内容⏹隔离开关的控制电路⏹隔离开关的电气闭锁电路隔离开关的控制分就地和远方控制两种控制方式,110kV及以上倒闸操作用的隔离开关一般采用远方和就地操作;检修用的隔离开关,接地刀闸和母线接地器为就地操作。
目前国产隔离开关一般都配有气动或电动机构,35KV以下的隔离开关,其控制按钮装设在操作机构箱上。
构成原则(1) 隔离开关控制回路必须受相应断路器的闭锁,以保证断路器在合闸状态下,不能操作隔离开关,即避免带电操作隔离开关。
(2) 隔离开关控制回路须受接地刀闸的闭锁,以保证接地刀闸在合闸状态下,不能操作隔离开关。
(3) 操作脉冲应是短时的,完成操作后,应能自动解除。
(4) 隔离开关应有所处状态的位置信号。
按操作机构气动操作控制电路电动操作控制电路电动液压操作控制电路合闸控制合闸条件合闸控制QF在跳闸位置;QSE在断开位置;QS在跳闸终端位置。
按下合闸按钮合闸线圈YC带电,隔离开关进行合闸,并通过YC常开触点自保持,使隔离开关合闸到位。
合闸后,S2断开,切除合闸脉冲,S1合上。
跳闸控制跳闸条件跳闸控制按下跳闸按钮QF在跳闸位置;QSE在断开位置;QS在合闸终端位置。
跳闸线圈YT带电,隔离开关进行跳闸,并通过YT常开触点自保持,使隔离开关跳闸到位。
跳闸后,S1断开,切除跳闸脉冲,S2合上。
电路组成电动机M合闸接触器KM1 跳闸接触器KM2 热继电器K合闸按钮SB1跳闸按钮SB1紧急解除按钮SB 隔离开关终端开关触点S1、S2合闸控制合闸条件合闸控制QF在跳闸位置;QSE在断开位置;QS在跳闸终端位置;无跳闸操作。
按下合闸按钮启动合闸接触器KM1,使M正向转动,进行合闸,并通过KM1的常开触点自保持,使隔离开关合闸到位。
合闸后,S2断开,S1合上,KM1失电返回,M停转。
跳闸控制自行分析与合闸控制过程类似电动液压操作隔离开关的控制电路通过对电动机的正反转实现对隔离开关的合、跳控制基本控制原理与电动操作类似4-2 隔离开关的电气闭锁电路问题隔离开关误操作,如带负载拉、合隔离开关等五防防止带负荷拉、合隔离开关;防止误分、合断路器;防止带电挂地线;防止带地线合隔离开关;防止误入带电间隔。
隔离开关控制回路常见问题及处理措施摘要:为保证电力系统安全稳定运行,避免不必要的经济损失,需要对隔离开关控制回路进行有效的故障处理和定期维护,保证其功能完好。
分析隔离开关控制回路常见问题,分析产生原因并完善处理措施。
关键词:隔离开关;控制回路;常见问题;处理措施在电力系统中,隔离开关是电网的重要组成元件,其日常操作和安全性能,对电力系统的运行有着重要意义。
隔离开关作为一种特殊开关,具备电源隔离作用,可以保证检修工作中的人身安全和设备安全,通过与断路器的配合,可以使供电回路实现稳定运行。
为确保电力系统安全稳定运行,就要对控制回路进行有效的故障分析和处理,降低电网安全隐患,保障电网设备的正常运行。
1.隔离开关控制回路原理分析以变电站隔离开关为例,隔离开关的回路主要由两部分组成,电机控制回路和电机电源回路。
控制回路主要分为就地手动分合闸、就地电动分合闸和远方遥控分合闸,通过该间隔端子箱的刀闸操作把手“远方/就地”切换。
主要由隔离开关闭锁回路,端子箱操作把手、五防装置,测控接点,分合按钮,接触器等部分组成。
闭锁回路主要是断路器闭锁隔离开关,隔离开关于地刀相互闭锁,通过在控制回路中串接断路器、隔离开关、地刀的常开常闭接点实现闭锁。
另外还有母联的GBM和旁路的PBM。
电机电源回路是主回路,其组成包括电机、控制回路中的接触器开出的接点和电源空开,行程开关等。
在实际运行中,电机受控制回路的控制进行正转和反转,操作隔离开关的分合闸。
将分合闸接触器的各一对接点串接在电源回路中,合闸接点用正序的ABC,分闸回路则将其反序ACB将回路接通,利用电机正转和反转分合刀闸。
后台监控机利用线路测控装置,对隔离开关遥控分闸、合闸进行控制。
隔离开关分合闸到位后,电源回路必须断开,否则电机将一直运转直至烧毁,为了防止上述情况的发生,在电源回路中串接隔离开关行程开关,隔离开关分合闸到位,则行程开关断开,电机停止运转。
在隔离开关操作中,为防止隔离开关带负荷拉合刀闸,或者出现带电合地刀等错误操作,将电气闭锁环节加入其中的控制回路,只有五防条件满足的情况下,才通过该环节实现电动操作刀闸。
常规站电压切换、并列回路分析摘要:多段式母线上所连接的电气设备,其保护装置的电压取自母线PT,所接的母线电压通过电压切换回路随该间隔一次回路一起进行切换。
在某段母线PT单独停役时,设置母线电压并列回路,保证其PT二次电压小母线上电压不间断,该段母线所接的保护和计量元件可正常运行。
但在电压切换或并列操作过程中,由于各种原因可能发生PT反充电的情况,造成事故的发生。
本文以常规站220kV电压等级间隔为例,深入分析电压切换回路与电压并列回路,并探究PT反充电的原因,提出几点倒闸操作过程中防止PT反充电的措施。
关键词:电压切换回路、电压并列回路、PT反充电、倒闸操作1 引言“PT反充电”是指通过电压互感器二次侧向不带电的母线充电。
电压互感器类似一台小容量的变压器,变电站二次回路严禁将二次电压反送电至停止运行的电压互感器,一旦出现因为电压切换回路故障造成反送电,会直接影响检修人员的人身安全和设备安全,而且反送电瞬间的励磁涌流造成二次电压空开跳闸,造成保护及自动装置失去母线电压采集,引起保护误动或拒动。
掌握电压切换回路与电压并列回路的原理,有助于运维人员在倒闸操作过程中防止PT反充电事故的发生。
2 电压切换回路2.1电压切换继电器与电压切换回路220kV线路保护装置所需的电压,通过电压切换继电器及该间隔的隔离开关辅助节点进行切换,本节以双位置继电器为例进行介绍。
如图1所示,1YQJ4-1YQJ7、2YQJ4-2YQJ7为双位置继电器,刀闸辅助常开节点使其动作,常闭节点使其返回。
图1 电压切换回路原理图如果220kV线路母线侧两把刀闸均处于合闸位置,则1YQJ4-1YQJ7、2YQJ4-2YQJ7继电器均动作,其常开节点闭合,两段母线电压均进入线路保护装置,在线路保护装置的操作箱中两段母线电压实现二次并列。
此时监控后台220kV线路间隔会报出“切换继电器同时动作”信号,如图2所示,此信号是用于监视PT二次回路是否存在并列现象。
隔离开关操作机构控制及闭锁回路隔离开关是电力系统中用于切断或接通电路的一种重要设备。
隔离开关操作机构控制及闭锁回路是指对隔离开关的操作机构进行控制和闭锁的一套电气装置和回路。
本文将以1200字以上进行详细介绍。
隔离开关操作机构控制及闭锁回路的设计和实施是为了确保隔离开关在操作过程中的安全性和可靠性。
操作机构控制部分包括控制按钮、控制信号传输装置、操作机构控制元件等。
闭锁回路部分包括闭锁开关、闭锁开关对应的信号线路、闭锁信号传输装置等。
下面将分别详细介绍这些组成部分的功能和作用。
首先是隔离开关操作机构的控制部分。
控制按钮是操作人员用来控制隔离开关的装置,包括使开关合闸和刀片实现旋转的按钮。
这些按钮通常安装在控制室或操作台上,操作人员通过按下按钮,产生相应的控制信号,来控制开关的操作。
控制信号传输装置是将控制信号从控制按钮传递到操作机构控制元件的装置。
常用的控制信号传输装置有导线、光电传感器等。
导线是最常用的一种传输装置,通过导线将控制信号从控制按钮传递到操作机构。
光电传感器则是通过光电信号的发射和接收,将控制信号传递到操作机构。
这些控制信号传输装置都具有传输速度快、抗干扰能力强等特点。
操作机构控制元件是接收控制信号,并实现对隔离开关操作的元件。
常用的操作机构控制元件有电磁线圈、电动机等。
电磁线圈是通过电磁感应的原理,将控制信号转化为磁场,从而实现对隔离开关的操作。
电动机则是通过电能转化为机械能的原理,驱动隔离开关进行操作。
这些操作机构控制元件都具有运行平稳、噪音小等特点。
其次是隔离开关闭锁回路的设计。
闭锁开关是用来保护隔离开关不被误操作的装置,通过控制开关的闭合和断开,实现对隔离开关操作的限制。
闭锁开关通常由继电器、控制电路等组成。
闭锁开关对应的信号线路用来传输闭锁信号,以控制闭锁开关的闭合和断开。
这些闭锁信号线路通常由导线和光电传感器等组成。
闭锁信号传输装置是将闭锁信号从闭锁开关传递到控制室或操作台的装置,其作用是实时地反馈闭锁状态。
具备故障定位功能防反充电PT并列装置的研制李鹏;钟著辉;陈力;陈健;贺斌;王蕾;张巍【摘要】为杜绝电压互感器(PT)并列反充电导致并列装置损坏、空开跳闸等故障发生,研制出一种基于ARM的具备故障定位功能防反充电PT并列装置.详细介绍了该装置工作原理及总体构成、软硬件设计.该装置通过采集、计算同相电压差值作为并列必要条件,具有传统PT并列装置没有的防异常并列、防反充电功能.且并列电路中设计有由新型电子元件自恢复保险丝(PPTC)构成的过流阻断电路,可瞬时隔离故障并能自动恢复.通过电压比较、判别,能自动定位、识别高压保险熔断、二次空开跳闸、母线接地等故障,并实时显示各相电压值及故障信息,大大缩短检修人员故障查找处理时间,提高了供电可靠性.【期刊名称】《电力系统保护与控制》【年(卷),期】2016(044)001【总页数】5页(P117-121)【关键词】并列;防反充电;同相电压差;自恢复;故障定位【作者】李鹏;钟著辉;陈力;陈健;贺斌;王蕾;张巍【作者单位】湖南常德供电公司,湖南常德415000;湖南常德供电公司,湖南常德415000;湖南常德供电公司,湖南常德415000;湖南常德供电公司,湖南常德415000;湖南常德供电公司,湖南常德415000;湖南常德供电公司,湖南常德415000;湖南常德供电公司,湖南常德415000【正文语种】中文【中图分类】TM774变电站二次电压经二次回路、元件,通过电压互感器(PT)向一次母线输出电压称为反充电,电压反充电会导致严重后果,轻则空开跳闸、二次失压,重则损坏装置、设备,甚至引发人身触电事故[1]。
传统的PT二次并列装置是通过判断隔离开关、母联断路器等的位置来实现电压切换、并列[2],不能杜绝反充电发生,回路无过流保护,仅依靠空开脱扣切断故障;无电压采集、显示功能,无故障判别功能。
实际运行中存在发生反充电的可能[3]。
如在PT一、二次并列运行时,PT高压保险熔断[4]、或操作不当(在一组PT电压异常时,将二次电压并列)都会引发二次反充电。
隔离开关电动操作回路的分析及缺陷处理发布时间:2022-05-09T03:32:56.553Z 来源:《福光技术》2022年9期作者:邢媛媛[导读] 隔离开关在电力系统中广泛使用,在倒闸操作中操作频繁,其是否能正常操作则会直接影响到电力系统的可靠性和安全性。
然而隔离开关操作出现问题的情况经常发生,其中以隔离开关电动操作回路存在故障所致居多。
隔离开关的电动操作回路包括控制回路和电机回路,以及防止电气误操作的闭锁回路。
本文根据北京ABB隔离开关电动操作回路为例,从隔离开关的闭锁回路、控制回路、电机回路各方面进行分析和介绍,并且结合现场实际验收过程中出现的问题,提出相应的改进措施。
邢媛媛佛山供电局广东佛山 528000摘要:隔离开关在电力系统中广泛使用,在倒闸操作中操作频繁,其是否能正常操作则会直接影响到电力系统的可靠性和安全性。
然而隔离开关操作出现问题的情况经常发生,其中以隔离开关电动操作回路存在故障所致居多。
隔离开关的电动操作回路包括控制回路和电机回路,以及防止电气误操作的闭锁回路。
本文根据北京ABB隔离开关电动操作回路为例,从隔离开关的闭锁回路、控制回路、电机回路各方面进行分析和介绍,并且结合现场实际验收过程中出现的问题,提出相应的改进措施。
关键字:隔离开关、电动操作回路、缺陷、改进措施0 引言隔离开关是一种没有专门灭弧装置的开关设备,在分闸状态有明显可见的断口,在合闸状态能可靠地通过正常工作电流,并能在规定时间内承载故障短路电流和承受相应电动力的冲击。
由于隔离开关电动操作回路不存在监视回路,因此无法在运行时判断电动操作回路是否正常。
为此,通过对隔离开关电动操作回路验收时的检查和分析,对所检查出的缺陷进行整改处理,提高设备的可靠性,确保电网安全稳定的运行。
1 隔离开关的电气闭锁回路隔离开关电气闭锁回路,就是利用断路器、隔离开关、接地刀闸等设备的辅助接点,在二次电气控制回路中有条件的连接,形成“与”和“或”的逻辑关系,控制电源回路的接通与断开,从而达到控制一次设备的目的。
108研究与探索Research and Exploration ·监测与诊断中国设备工程 2019.02 (上)在电梯运行过程中,制动失效问题是影响电梯运行安全的关键因素。
如果在电梯中有乘客的状况之下出现制动失效问题,且造成伤亡等严重后果。
基于此,对电梯制动失效的产生的因素进行分析,综合实际状况探究有效的对策与手段可以提升电梯运行的安全性,保障人们的生命安全,降低经济损失。
1 电梯制动概述电梯制动器是电梯系统运行中的重要设备与装置,其主要任务就是保障电梯的安全、稳定运行。
双向推动的电梯制动器主要就是在通电过程中产生双向的电磁推理,保障刹车机构与电机旋转部分相脱离,在断电的时候电磁力则会消失,在外加制动弹簧压力的影响之下,就会形成失电制动类型的摩擦式制动器。
此种类型的制动器具有结构紧凑、安装便捷、噪声低且振动小、电磁推力较大,动作灵敏的特征。
在电梯处于静止状态的时候,曳引电动机以及电磁电梯制动器中的线圈中并没有电流通过,主要就是因为在电磁铁芯之间并没有吸引力,而在制动弹簧压力作用之下制动瓦块则就会抱紧制动轮,进而保证电机不旋转;在曳引电动机通电进行旋转的时候,制动电磁铁中的线圈则就会同时通上电流,这样电磁铁芯则就会迅速的磁化吸合,带动制动臂,在制动弹簧受作用力的影响之下,制动瓦块则就会张开,这样其就会与制动轮呈现完全脱离的状态,这样电梯就会运行;试论电梯制动失效分析原因及检验对策肖玉彤(山东省特种设备检验研究院日照分院,山东 日照 276800)摘要:电梯作为人们日常生活中的特种设备,其自身的质量直接关系到人们的出行安全。
而电梯制动失效是影响电梯安全性的关键因素。
加强对电梯制动失效因素分析,了解其主要问题,综合实际状况探究有效的解决对策与手段具有一定的实践价值与意义。
基于此,文章主要对电梯制动失效的原因进行了简单的分析,综合实际状况提出了检验的对策与手段。
关键词:电梯制动;失效原因;检验对策中图分类号:TU857 文献标识码:A 文章编号:1671-0711(2019)02(上)-0108-03排从A11′顺序测量(通常因为机构卡死,重新分合一次,或者辅助接点损坏、接线松),直至A15,逐个排除。
专利名称:一种电动驱动的低压隔离开关专利类型:发明专利
发明人:朱佳,陈晨,陈超
申请号:CN201710998633.X
申请日:20171024
公开号:CN107610952A
公开日:
20180119
专利内容由知识产权出版社提供
摘要:作为市售产品的低压隔离开关,本身都具备一个接受动力输入的机械轴。
通过驱动这个轴的转动就可以实现低压隔离开关的分合闸,实现隔离开关在实际应用中的功能。
但市场上所提供的让隔离开关实现分合闸的机构都是手动操作的。
本发明设置了电动机、齿轮、曲柄和连杆的动力传动机构,实现电动机驱动隔离开关的分合闸。
它的优点在于:克服了近距离带电操作可能对操作者由于误操作带来的伤害以及对电气设备带来的伤害。
申请人:沈阳安瑞信科技有限公司
地址:110122 辽宁省沈阳市沈北新区蒲河路8323号
国籍:CN
代理机构:沈阳利泰专利商标代理有限公司
代理人:张玉甫
更多信息请下载全文后查看。
GW16型隔离开关的改造
孙亚辉
【期刊名称】《华中电力》
【年(卷),期】2011(24)6
【摘要】针对220kV GW16型隔离开关在运行过程中存在的一些问题进行了要因分析,提出了有关技术改造方案;根据在具体改造过程中遇到的新问题,提出了有关建议;认为对GW16型隔离开关的改造,重在把握住改造工艺,避免造成新的损害.【总页数】3页(P21-22,25)
【作者】孙亚辉
【作者单位】福建省厦门超高压输变电局,福建厦门361004
【正文语种】中文
【中图分类】TM56
【相关文献】
1.220kV GW16/17系列隔离开关完善化改造 [J], 池善活;张永记;郑国顺;蒋云平
2.GW16型隔离开关的改造 [J], 孙亚辉
3.GW16/17型隔离开关的完善化改造及操作问题处理 [J], 陈兵;刘元生
4.GW16(17)—220型高压隔离开关的改造 [J], 徐亮
5.GW16(17)-252型高压隔离开关完善化改造情况与分析 [J], 董修峰; 刘荣才因版权原因,仅展示原文概要,查看原文内容请购买。
一种隔离开关驱动模块的设计
刘明华
【期刊名称】《低压电器》
【年(卷),期】2013(000)016
【摘要】提出了一种隔离开关驱动模块的结构原理,由储能系统和力学传递系统组成,适用于正面和侧面操作方式.利用Pro/E建立力学模型,模拟分/合闸动作,分析各受力件的机械强度.通过公差分析,对关键尺寸公差进行控制,使实际产品性能与设计概念相符,并通过试验验证.
【总页数】5页(P16-19,52)
【作者】刘明华
【作者单位】苏州西门子电器有限公司研发部,江苏苏州215129
【正文语种】中文
【中图分类】TM564.1
【相关文献】
1.一种高速开关电磁阀智能驱动模块的设计 [J], 耿守本;韩国华
2.一种新型快速隔离开关的设计 [J], 纪江辉;孙广涛;李树昆;郅娇娇;李燕燕
3.一种新型快速隔离开关的设计 [J], 纪江辉;孙广涛;李树昆;郅娇娇;李燕燕
4.一种直流小型转换隔离开关的灭弧结构设计与验证试验 [J], 钱晓鹏;池南阳;朱晓熔
5.一种隔离型反激式开关电源的设计 [J], 薛鹏
因版权原因,仅展示原文概要,查看原文内容请购买。
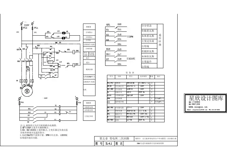
技术与应用2010年第9期66电动操作隔离开关控制回路设计分析与应用孙亚辉(福建省厦门超高压输变电局,福建 厦门 361004)摘要 对电动操作隔离开关控制回路的典型设计方法进行了详细分析,包括单相操作方式和三相电气联动操作方式。
指出,隔离开关控制回路辅助功能的设计主要是手动操作与电气操作之间的相互闭锁以及防误控制的设计,电机缺相运行控制可以不用过多考虑。
遥控操作已是不可少缺的一种操作方式,控制电源不必单独设置,防误闭锁装置位置要设置恰当。
对现场的应用情况进行了论述,并提出了有关改进建议。
关键词:隔离开关;控制回路;防误闭锁装置;应用Control Circuit Analysis and ItsApplication of Motor Driven Isolating SwitchSun Yahui(Xiamen Extra High Voltage Power Transmission and Substation Bureau of Fujian Province, Xiamen, Fujian 361004)Abstract This paper detail analysis typical design method of motor driven isolating switch control circuit ,including single-phase and three-phase operation mode. It points auxiliary functions design is mainly interaction blocking and anti-misoperation control between manual and electrical operation. It is not necessary that details consider motor open-phase running. Remote control operation is one of must operation mode. It is also not necessary that sets separate control power. But ,location of anti-misoperation device is proper. The field application is discussed and the improving advice is put forward.Key words :isolating switch ; control circuit ;anti-misoperation device ;application1 引言随着变电站综合自动化水平的提高,电动隔离开关得到了广泛的应用。
在超高压变电站中,220~500kV 倒闸操作用的隔离开关中大都配置电动及手动操动机构,既能远方操作,又能在紧急情况下进行就地操作。
在这种情况下,为了有效防止电气误操作事故的发生,保障电力系统的安全运行,对其控制回路进行分析研究具有重要意义。
2 典型回路设计隔离开关控制回路大体上分为主控制回路和辅助控制回路两个部分,并且彼此独立设计。
其中,前者为动力操作回路,后者包括位置指示、加热祛潮等,其原理及接线简单,这里就不再赘述。
2.1 单相操作方式如图1(除虚线框外的回路部分),三相共用一个操作机构箱,通常装在B 相,所有的控制回路都集中在该操作机构箱内,其他两相的操作由B 相电机通过机械拉杆的带动来完成。
隔离开关在分闸位置时,按合闸按钮接通合闸回路,并通过其自保持触点保持接通状态,直到行程开关将合闸回路断开,合闸接触器失磁,断开其自保持触点,合闸过程完成。
分闸过程与之相同。
2.2 三相电气联动操作方式 在以往的设计中,三相操作回路分别独立设计,即每一相都设计一个独立的操作机构箱,且在每相操作机构箱内均设有分闸、合闸和停止操作控制回路,这种操作方式有以下几个缺点:技术与应用2010年第9期 67图1 单项操作方式Q—辅助开关;SP3、SP4—行程开关;SP1—门控;SB1—分闸按钮;SB2—合闸按钮;SB3—停止按钮;SBT2—远方/近控选择开关;M—交流电机;KM1—分闸接触器;KM2—合闸接触器;QF1—电动机保护开关;QF2—微型断路器;R1、R2、R3—相位继电器;DCS—电磁锁(1)操作结构需要更多的控制元件。
(2)电缆布线较多。
(3)单独操作时,需要在三相之间来回走动,操作不方便。
因此,目前,典型的三相电气联动操作采用图2(除虚线框外的回路部分)的设计方式,每相同样设计一个独立的操作机构箱,并有相应的控制元件,但总的分闸(SB1按钮)、合闸(SB2按钮)和停止(SB3按钮)控制回路集中在某一相(比如,图2集中在B 相)。
为了实现三相独立操作的功能,在该相(B 相)中增加一个三相联动转换开关SBT3即可完成。
SBT3有四个位置,如图3所示。
2.3 共性设计(1)联锁回路在分闸回路中串入合闸接触器的常闭触点KM2,合闸操作时,合闸接触器的常闭触点KM2打开,闭锁分闸回路。
同理,在合闸回路中串入分闸接触器的常闭触点KM1,分闸操作时,分闸接触器的常闭触点KM1打开,闭锁合闸回路。
这样就实现了分、合闸回路的相互联锁,以防止分、合闸接触器同时动作,造成交流电源短路故障。
(2)自保持回路在正常情况下,唯有分(合)闸按钮或分(合)闸接触器的自保持触点在接通位置,才能使隔离开关完成分(合)闸过程,这是惟一必要条件。
因而,电动操作中的分(合)必然是ab (ac)间短接[1]。
若不设置该回路,必须始终按住分(合)闸按钮,一旦松开,必然会造成分(合)闸过程的中断,这显然是不合理的。
图2 三相电气联动操作方式KT1—热继电器;Q—辅助开关;SP3、SP4—行程开关;SP1—门控;SB1—分闸按钮;SB2—合闸按钮;SB3—停止按钮;SBT2—远方/近控选择开关;SBT3—三相联动转换开关;M—交流电机;KM1—分闸接触器;KM2—合闸接触器;QF1—电动机保护开关;QF2—微型断路器(a )结构示意图 (b )触点位置关系图3 三相联动转换开关位置关系3 辅助功能的设计3.1 手动操作闭锁电动操作回路,由于某种原因不能电动操作时,在紧急情况下需要手动操作。
因此,控制回路的设计中应当考虑这种情况的发生。
为了保证手动操作时,不误引起电动操作回路的启动,造成人员的伤害和设备的损害,必须采取有效的防误措施。
技术与应用2010年第9期68(1)电磁闭锁电磁闭锁是在操动机构中设置专门的电磁继电器,如图1,当切换开关SBT2切换到手动位置(图中未画出)时,电磁继电器带电励磁,其常闭触点DCS 断开,解除电气操作回路,允许隔离开关进行手动操作动作。
国内在电动操动机构中很少使用。
(2)限位开关闭锁图4中,当操作把手9插入旋转轴后,把限位开关1的常闭触点8打开,从而断开了控制回路,允许隔离开关进行手动操作动作。
(a )操作把手插入旋转轴前(b )操作把手插入旋转轴后图4 常闭触点控制图5中,当打开操作机构的门后,门控(限位开关)1的常开触点打开,从而断开了控制回路,允许隔离开关进行手动操作动作。
这样就保证了只有关上该门,才能进行电动操作。
图5 常开触点控制图4、图5中:1—门控(限位开关);2—门;3—电动机;4—旋转轴;5—控制回路;6—控制电源;7—门控常开触点;8—常闭触点;9—手动操作把手3.2 电机缺相运行控制380V 的三相电机在只有2相的情况下是,启动困难或不能启动,发出嗡嗡的声响。
在运转中电机缺相是可以运行的,但电动机振动增大,声音异常,且另外两项要承担缺项的电流,所以极易因过流烧毁电机。
为避免缺相运行情况的发生,可以在控制回路中增加缺相控制继电器(图1虚框中的R1、R2、R3)。
但是,增加缺相控制后,若缺相情况若发生在操作过程中,会造成操作一半的时候,电机停止运转,从而引起电弧对隔离开关的持续放电。
这是不利的。
所以,通常不采用这种方式。
3.3 防误控制电动操动机构中,隔离开关的操动闭锁机构多采用电气闭锁或程序闭锁(软件锁)。
电气闭锁(图1、图2中的外部联锁)是在隔离开关的电气控制回路中,直接接入断路器、接地刀闸和隔离开关的辅助触点以达到闭锁的目的。
程序闭锁是按照防误操作规则,将断路器、接地刀闸和隔离开关的辅助触点所传送的信息,经过计算机程序软件进行逻辑判断,传送给电脑钥匙,再把电脑钥匙插入电编码锁(DBS )(见图6)实现电气设备闭锁的功能,或经过计算机程序软件进行逻辑判断后,直接发出遥控闭锁信号,使得遥控闭锁继电器的常开触点(YBJ )(见图6)闭合,来实现电气设备闭锁的功能。
在控制回路中,应以电气闭锁为主,辅以程序闭锁,两者结合起来,才能更好地实现防误操作,达到“五防”的目的。
4 问题探讨4.1 遥控分、合闸和停止按钮的设置当操作隔离开关时,操作人员站在隔离开关的下方进行操作,同时按照运行规程规定抬头注视动、静触头的运作过程并目测其是否到位,此时若发生支持绝缘子断裂,操作人员即使反应敏捷也难以逃出绝缘子的影响范围[2]。
因此,需要在就地分、合闸和停止按钮旁并接遥控分、合闸按钮,以实现对隔离开关的远方控制。
4.2 隔离开关辅助触点的控制因为在典型的控制回路设计中,通常依靠行程开关(图1中SP1、SP2,图2中SP3、SP4)来控制分、合闸回路的完成。
但为了保险起见,分、合闸回路2010年第9期 69分别引入隔离开关的常开、常闭辅助触点,来实现二级闭锁。
这样能有效地防止因电机无法停止运转,造成支柱绝缘子断裂事故的发生。
4.3 外部联锁外部联锁即是通常所说的电气闭锁。
4.4 控制电源控制电源不必单独设置,可以直接利用电机电源中的某一相来实现,例如把L1与W1直接相连即可。
单独设置控制电源和电机电源时,除了接线复杂一些,并无多大的意义。
这是因为,若二者中有一路发生问题,即使另一路是可靠的,也不能对隔离开关进行操作。
4.5 防误闭锁装置位置的确定如图6(a )把防误闭锁装置(电编码锁DBS 和五防遥控闭锁继电器YBJ )直接接在电源回路中,实现对电源的防误控制,从而达到防误的目的。
这种接线方式简单、直观。
对于五防遥控闭锁继电器YBJ ,由于它在进行正确的逻辑判断发出信号后,其常开触点会一直闭合,直到操作结束或人为干预接除。
而对于电编码锁DBS ,由于要人为的把电脑钥匙插入其中才能进行操作,且要用手不停的紧握电脑钥匙,否则,在电机运转的过程中,一旦电脑钥匙松动,就会造成控制回路的断电而使得电机停止运转,需要操作人员及时做出正确的反应,否则会引起电弧对隔离开关的持续放电。