联络通道注浆技术交底
- 格式:doc
- 大小:273.50 KB
- 文档页数:5
联络通道施工安全技术交底项目概述本次工程为联络通道的施工,旨在为不同取水口及其它设备之间提供交通联络通道。
为了保证工程建设的顺利进行,必须对施工中可能存在的安全风险进行详细的分析和防范措施的制定。
安全风险分析1. 施工环境1.工程建设地点为山区,地势险峻,环境复杂,施工作业面狭窄,交通不便。
2.工程施工场所内有设备、材料等物品,操作不当可能会损伤施工人员。
3.气候变化不确定,易发生天气突变事件。
2. 作业风险1.操作人员未受过严格安全教育,不了解工作危险及其防范措施2.机械设备未经检修,可能出现异常操作及构件故障。
3.施工工作常规操作,如爆破、起重等,容易造成安全事故。
安全措施综合以上安全风险,制定以下安全措施。
1. 施工准备1.在进行施工前,对工作人员进行安全教育,使其了解工作的危险性及其防范措施。
2.严格执行工地管理制度,宣传安全意识,要求每位工人配备相关安全装置,工作时佩戴相关作业证照。
2. 施工设备1.做好施工设备的检修工作,严格按照操作步骤操作,防范机械故障。
2.籍由专业技术人员进行现场要求检查机械的操作情况和设备细节,确保机械使用安全。
3. 施工操作1.制定工作安全流程及相应的标准操作规程。
2.严格要求实施当日的施工建议表、施工巡更表等相关记录表,为日后工程和监测提供保障。
3.优先考虑人员安全,力争选用安全可靠的施工操作方案和设备。
4.按照任务进度和操作要求,制定安全监督计划,随时进行现场监督和指导,防范事故发生。
本次联络通道施工是一项危险性以及挑战性极高的工作。
为了保证施工工作的安全进行,需要从从施工准备入手,防范施工环境造成的风险,保证机械设备无故障准备和正确操作、采用严格的工作流程和规程为保证施工和周边基础设施安全性。
最终,必须严格按照安全操作规范进行施工,采取安全监督和指导的措施,及时排除隐患,以保证我们艰辛劳动的成果的实现。
联络通道加固技术交底1、交底范围:本交底适用于在砾砂层中进行联络通道的冻结加固。
2、质量要求及标准:2.1质量要求(1)冻结孔的开孔位置误差不宜大于100mm,应避开管片接缝、螺栓、主筋。
冻结孔开孔间距最大允许偏斜误差不得大于150mm。
(2)冻结孔有效深度不小于冻结孔设计深度。
冻结管管头碰到冻结站对侧管片的冻结孔,不能循环盐水的管头长度不得大于150mm。
(3)施工冻结孔时的土体流失量不得大于冻结孔体积,否则应及时注浆控制地层沉降。
(4)首先施工透孔以复核对侧隧道预留口位置的偏差及钻孔施工质量,如大于100mm应按保证冻结壁设计的厚度的原则对冻结孔布置进行调整。
(5)开挖区外围冻结孔布置圈上冻结壁与隧道管片交界面处温度不高于-5℃,其它部位设计平均温度不小于-10℃;(6)冻结管耐压不低于0.8MPa,并且不低于冻结工作面盐水压力的1.5倍。
(7)土体冻结期间各项指标如下表所示:表1 土体冻结指标项目数值备注冻结帷幕平均温度 -10℃(冻结壁与管片交界面平均温度≤-5℃)用测温仪监测 积极期 -28℃~-30℃用测温仪监测 盐水温度维护期 ≤-25℃盐水去、回积极期 2℃以内 温度计 路温差(包括各支路) 维护期 1.0℃以内 温度计交圈前 静水压力通过压力表观测 卸压孔交圈后 剧增0.15~0.3MPa(8)停止冻结后3~7天内进行衬砌壁后注浆和二衬壁后充填注浆。
注浆时要求完成冻结封孔且二次衬砌混凝土强度达到设计强度的60%以上。
(9)充填注浆结束后根据地层监测情况进行冻结壁融沉补偿注浆。
融沉补偿注浆应遵循多次少量均匀的原则。
(10)当连续半个月地面日沉降量保持在0.3mm以内,累计沉降量小于1mm,可以结束融沉注浆。
2.2施工标准:(1)根据施工图纸的设计要求和地方规范标准。
(2)根据《旁通道冻结法技术规程》要求。
(3)根据《人工冻结法的理论与施工技术》丛书。
3、施工准备:(1)首先要充分掌握地质水文情况。
联络通道安全技术交
底
精品管理制度、管理方案、合同、协议、一起学习进步
南京地铁工程
承包单位:中铁三局集团有限公司合同号:D3-TA14-0000-1007 监理单位:上海同济工程项目管理咨询有限公司编号:A3.12-(2013)-
安全技术交底记录A3.12
南京地铁工程
承包单位:中铁三局集团有限公司合同号:D3-TA14-0000-1007 监理单位:上海同济工程项目管理咨询有限公司编号:A3.12-(2013)-
安全技术交底记录A3.12
南京地铁工程
承包单位:中铁三局集团有限公司合同号:D3-TA14-0000-1007 监理单位:上海同济工程项目管理咨询有限公司编号:A3.12-(2013)-
安全技术交底记录A3.12
南京地铁工程
承包单位:中铁三局集团有限公司合同号:D3-TA14-0000-1007 监理单位:上海同济工程项目管理咨询有限公司编号:A3.12-(2013)-
安全技术交底记录A3.12
南京地铁工程
承包单位:中铁三局集团有限公司合同号:D3-TA14-0000-1007 监理单位:上海同济工程项目管理咨询有限公司编号:A3.12-(2013)-
安全技术交底记录A3.12
d11。
联络通道施工三级技术交底
GDAQ330401
注:本交底一式三份,班组、交底人、资料保管员各一份
3.4.4初期支护背后回填注浆
采用合适的降尘措施,控制施工现场空气中粉尘含量;对从事喷射作业的人员,定期进行健康检查;
12、进行喷射作业时,必须佩戴防护用具。
13、在喷射砼施工时,为避免供料、拌和、运输、喷射作业之间的干扰,应有统一的联络
信号和联络方法;喷射作业由班组长按规定的联络信号和方法进行指挥,防止因喷射手和机械
操作人员之间联络不佳造成事故等。
14、特种作业人员必须经专业安全技术培训、持证上岗。
15、严格按照龙门吊操作规程进行操作龙门吊,司机及司索必须持证上岗。
16、严禁酒后上岗。
17、严禁在宿舍抽烟,严禁在宿舍使用大功率电器。
18、吊装作业施工前,申请签署“吊装令”,并安排专人进行现场监护。
19、电瓶车快进入联络通道施工范围时,需提前鸣笛警示联络通道施工人员。
附
图:
图3.1-1 小导管布置图
图3.2-1 开挖掌子面示意图
图3.2-2 开挖纵剖面示意图4HH
图3.4-1格栅钢架配筋图。
施工技术交底记录3三、下台阶开挖支护(包括仰拱部分)1、开挖下台阶土体;2、架立下台阶钢格栅;3、挂网喷混凝土。
4四、底板施工1、铺设防水层;2、施做防水保护层;3、绑扎钢筋;4、浇注联络通道底板混凝土(泵房位置预留洞口)。
5五、施做拱墙与顶板衬砌1、绑扎侧墙与顶板钢筋;2、支立侧墙与顶板的模板;3、浇注侧墙与顶板混凝土。
6六、废水泵房施工1、凿除联络通道底部初支;2、挂网,架立废水泵房钢格栅;3、喷射早强砼;4、浇筑废水泵房底板混凝土、侧墙混凝土。
三、开挖及初期支护1)开挖要点和技术措施(1)联络通道开挖轮廓线比洞门高1.07m,进洞采用反挑进洞开挖方式。
(2)联络通道的断面尺寸为3.3m×4.47m(见附图),采用台阶法施工,预留核心土,开挖施工时,进口处2m范围内格栅钢架密排连立(全环设置),加强支护,其余各部每次开挖进尺为一个格栅间距0.5m,严禁多榀一次开挖。
在各开挖分部内,按台阶法分上下两台阶开挖支护,上台阶开挖高度2.2m,宽度不小于施工断面宽度的1/3,台阶长度2~3m。
同时开挖过程中注意观察掌子面土体稳定情况,留置核心土。
(3)注意控制开挖中线和高程,确保开挖断面圆顺,尽量避免超挖,钢格栅安装位置正确。
(4)加强测量监控,做好信息反馈,及时调整施工方法。
(5)尽可能缩短开挖台阶和各开挖分部的施工间隔,使初期支护尽快闭合,以控制拱顶沉降。
(6)联络通道开挖前,必须打设超前地质探孔,探明开挖面前方的地质情况,超前地质探孔深度不少于3m,在条件允许的情况下,在盾构隧道的左右线间贯通打设。
2)进洞反挑开挖施工预留洞门轮廓线比实际暗挖通道开挖轮廓线小,其中拱顶位置需要抬高1.07m,洞门切割后,对盾构管片位置的土体采用反挑施工,反挑施工前先架设临时过渡钢架(不喷混),安装4榀钢格栅,角度45°逐步挑高过渡到暗挖通道设计轮廓线,待通道开挖支护完成后,在临时过渡钢架上方反方向打设小导管注浆,由内而外对过渡段起拱线以上初期支护逐榀换拱并及时喷射混凝土,过渡段4榀格栅拱部需按实际架设位置另外加工,具体施工方式见下图。
一、交底目的为确保管廊注浆堵漏施工过程中的安全,提高施工质量,防止事故发生,特制定本安全技术交底。
二、施工范围及内容1. 施工范围:本次注浆堵漏施工范围为管廊内部及周边环境。
2. 施工内容:包括管廊内部裂缝、渗漏点、孔洞等部位的注浆堵漏处理。
三、施工人员要求1. 施工人员必须具备相应的施工技能和安全意识。
2. 进入施工现场的人员必须按要求正确佩戴、使用劳动保护用品。
3. 严禁酒后作业,施工期间应保持良好的精神状态。
四、安全技术措施1. 施工现场布置(1)施工现场应有明显的警示标志,并设置安全通道。
(2)施工区域应进行围挡,防止无关人员进入。
(3)施工现场应保持整洁,施工材料、工具应摆放整齐。
2. 施工用电安全(1)临时用电必须按照“一机、一闸、一漏、一箱”规范要求,电缆、电线必须挂设整齐,严禁拖地、浸水。
(2)电线电缆有破皮等缺陷必须进行包扎处理。
拆接线路(用电器)必须由专职电工操作,严禁非操作人员操作。
3. 施工设备安全(1)经常性检查施工中所有设备,保持设备的完好和安全。
(2)高压水管管路/接头等要保持完好,防止滑脱或破裂伤人。
4. 施工操作安全(1)注浆后先卸压才能拆卸管路/接头,严禁在注浆过程中或没有卸压的情况下进行拆卸管路/接头等作业。
(2)拆卸时注意防止浆液溅入眼睛或口中,一旦溅入,应立即用清水冲洗。
(3)倒水泥的作业人员要佩戴防尘口罩和浸塑手套。
(4)施工现场有积水和淤泥等,作业时注意防滑跌。
5. 环境保护(1)做好现场的文明施工,物品摆放应整齐有序。
(2)泥浆、污水等必须按施工技术交底处理,严禁随意排放污染环境。
五、应急预案1. 人员伤害事故(1)发生人员伤害事故时,立即停止作业,及时拨打急救电话。
(2)对受伤人员进行现场急救,同时保护现场,等待专业救援。
2. 设备故障事故(1)发现设备故障时,立即切断电源,防止事故扩大。
(2)通知相关部门进行维修,确保设备安全运行。
六、交底人、旁站监理、日期、接受人签字1. 交底人:____________________2. 旁站监理:____________________3. 日期:____________________4. 接受人(全员)签字:____________________注:以上模板仅供参考,具体施工情况可根据实际情况进行调整。
技术交底书
单位:中铁小X X局集团有限公司编号: 施工单位盾构施工队单位工程XX区间
部位联络通道处掘进施工日期20XX.4.26
1、施工准备
>在左右线快到达联络通道时各需准备好两环密封橡胶框外贴有遇水膨胀橡胶止水条的管片;
>需准备好二次注浆材料和队伍;
>调整好盾构姿态,在联络通道处需通缝拼装管片,对盾构机掘进姿态有一定影响,应根据拼装点位提前考虑。
2、施工要求
>联络通道处特殊管片安装环数:
联络通道处左右线各需安装2环特殊管片(本标段为普通钢筋混凝土管片),右线为第39和39环。
左线待盾构机快到达联络通道处时由测量队根据右线特殊管片拼装里程确定环号。
>联络通道处特殊管片安装:
1)联络通道处2环管片采用通缝拼装;
2)右线拼装后封顶块位于9号油缸,即拼装后A3块正对左线,用于管片切割;
3)左线拼装后封顶块位于1号油缸,即拼装后A3块正对右线,便于管片切割。
封顶块
联络通道侧切
.割管片,A3块编制:J
复核交底人: 被交底人: 日期:
联络通道处防水要求:
1)联络通道处于联络通道相连的两环管片采用密封橡胶框外加贴了遇水膨胀橡胶止水条的管片;
编制: 复核: 交底人: 被交底人:
日期:。
联络通道技术交底一、工程概述联络通道是指在地铁隧道区间内,为了连接两条并行的隧道而设置的通道。
它的主要作用包括人员疏散、设备运输、通风排烟等。
本联络通道位于_____区间,长度为_____米,宽度为_____米,高度为_____米。
通道采用_____施工方法,预计施工周期为_____天。
二、施工准备(一)技术准备1、熟悉施工图纸和相关规范,进行技术交底,确保施工人员了解施工工艺和质量要求。
2、对施工现场进行勘察,收集地质、水文等资料,为施工方案的制定提供依据。
(二)材料准备1、准备好所需的钢材、混凝土、防水材料等,确保材料质量符合设计要求。
2、对进场材料进行检验和试验,不合格的材料严禁使用。
(三)设备准备1、配备钻孔机、挖掘机、装载机、混凝土输送泵等施工设备,并进行调试和维护,确保设备性能良好。
2、准备好测量仪器、通风设备、排水设备等辅助设备。
(四)现场准备1、清理施工现场的障碍物,平整场地,设置临时排水设施。
2、搭建临时办公、生活设施,为施工人员提供良好的工作和生活条件。
三、施工工艺流程(一)超前支护1、采用_____方法进行超前支护,如超前小导管注浆、管棚支护等。
2、严格控制支护参数,如导管长度、间距、注浆压力等,确保支护效果。
(二)开挖1、根据地质条件和设计要求,选择合适的开挖方法,如人工开挖、机械开挖或爆破开挖。
2、遵循“短进尺、弱爆破、强支护、勤量测”的原则,控制开挖进度和每次开挖的尺寸。
(三)初期支护1、及时进行初期支护,包括喷射混凝土、安装锚杆、挂钢筋网等。
2、确保初期支护的质量,如混凝土强度、锚杆长度和间距、钢筋网的铺设质量等。
(四)防水施工1、做好联络通道的防水处理,包括铺设防水层、设置止水带等。
2、严格按照防水施工工艺进行操作,确保防水效果。
(五)二次衬砌1、在初期支护稳定后,进行二次衬砌施工,采用模板台车浇筑混凝土。
2、控制二次衬砌的混凝土质量和外观质量。
(六)附属工程1、完成联络通道内的照明、通风、排水等附属设施的安装。
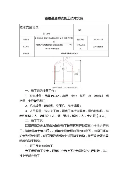
联络通道初支施工技术交底一、施工前的准备工作:1、材料准备:足量P.O42.5水泥、中砂、碎石、水、速凝剂、钢格栅、小导管已到位;2、机械设备:喷射机、空压机、搅拌机等;3、人员配置:按初支工序,要求工序衔接紧凑,操作搅拌机,接电和维修2人、喷射砼1人、装、运料,卸料2人,土方开挖4人。
二、施工工艺联络通道及废水泵房的暗挖施工按照环形开挖留核心土法进行施工,破除混凝土管片后,在超前小导管预加固的前提下,由洞口逐渐扩大到设计断面,然后再逐架拆除小断面初支结构,按照设计要求重新施作初支结构。
1、开口及渐变段施工为了保证施工安全,把管片分为上下分为两部分进行破除,先进行上半部分施工打开管片后,在拱部的开挖轮廓线上方进行超前小导管支护体系施工(? 32环向间距300mm,倾角为30度,3m长),在洞门顶部打设超前小导管进行开挖面前方的土体注浆加固,切割下半部洞门,施作洞门钢格栅承载环框梁,待加固体强度形成后进行过渡段(1.08m 长)的开挖和临时支护,到设计高度后按预留核心土法进行弧形导坑1部分初支结构施工。
如图过渡段土方开挖及临时支护图。
此渐变段开挖为临时工程(拱部钢格栅,边墙临时型钢),具体参数根据现场放样,地质情况及人员施工方便等因素综合考虑,现场确定。
废水泵房暗挖施工流程图2、完成渐变段施工后,继续开挖1部分弧形导坑,预留核心土,循环进尺为0.5m, 小导管长度为3.0m,每1m打一次,环向间距0.3m,并进行初支结构施工。
3、滞后1部分导坑3.0m开挖核心土体,施做锁脚锚管,锁脚锚管长度为2m,每一榀钢隔栅都打,并进行初支结构施工4、过渡段整修施工:待1部分弧形导坑及核心土开挖贯通后,将洞门开口斜坡段的临时初支结构逐榀拆除后,开挖土体扩大断面至设计大小,施工初支,在拆除临时初支的过程中,采用? 32密排L=3.0m 的小导管进行反掏段的上部土体的加固。
具体如图反掏法示意图。
5、泵房通道二衬施工:待初支结构稳定后,分别进行底板、侧墙、拱顶防水施工,并施作二次衬砌底板圈梁并预留废水池开挖条件,之后施作泵房通道侧墙及拱部二次衬砌。
1#联络通道防水施工技术交底一.编制依据(1)区间防水施工图纸。
(2)《联络通道防水、二衬施工方案》。
(3)《地下防水工程质量验收规范》(GB50208-2011)二.工程概况1#联络通道净空设计为7m长,2.3m宽,2.95m高的半圆直墙拱形断面,洞口尺寸1.2m×2.05m,设置两扇双向开启甲级防火门,防火门尺寸为0.9m宽×2.1m高,分别在距两侧洞门500mm处各设置一道变形缝。
支护体系为复合式衬砌。
隧道底部位于地下水位以上2m,在隧道初支施工时,初支表面部分存在湿渍,无渗水、滴水现象。
图3-3 1#联络通道结构平面图三、防水设计原则(1)地下结构的防水设计应遵循“以防为主、刚柔结合、多道防线、因地制宜、综合治理”的原则。
(2)确立钢筋混凝土结构自防水体系,即以结构自防水为根本,采取措施控制结构混凝土裂缝的开展,增加混凝土的抗渗性能;以变形缝、施工缝等接缝防水为重点,辅以柔性外包防水层加强防水。
四、各部位防水构造(1)底板防水标准段底板:从外侧到内侧依次为C25喷射混凝土→土工布缓冲层→EV A防水板→C20细石混凝土保护层→C45/P10防水回填混凝土→C45/P10防水钢筋混凝土。
(2)侧墙和拱部防水标准段拱部侧墙:从外侧到内依次为C25喷射混凝土→土工布缓冲层→EV A防水板→C45/P10钢筋混凝土。
(3)两侧洞门和管片接缝处防水上部与管片接缝处:盾构隧道管片与联络通道上部接缝处从外侧到内侧依次为:C25喷射混凝土→土工布缓冲层→EV A防水板→外贴式止水带→双组份聚硫密封胶→缓膨性遇水膨胀止水胶条→可多次注浆的注浆管→缓膨性遇水膨胀止水胶条。
图6-2 盾构隧道与联络通道上部接口防水施工示意图下部与管片接缝处:盾构隧道管片与联络通道底部接缝处从外侧到内侧依次为:C25喷射混凝土→土工布缓冲层→EV A防水板→外贴式止水带→双组份聚硫密封胶→缓膨胀性遇水膨胀止水胶条→可多次注浆的注浆管→缓膨胀性遇水膨胀止水胶条。
联络通道技术交底联络通道:打通地下的“神秘通道”在城市的地下世界,有这样一种特殊的存在——联络通道。
它就像是隐藏在黑暗中的神秘纽带,将地铁隧道、地下管廊等各个部分紧密相连。
今天,咱们就来好好聊聊这联络通道的技术交底那些事儿。
先来说说我曾经遇到的一件事儿。
有一次,我跟着施工团队去一个地下工程的现场。
那是一个炎热的夏天,地下的闷热更是让人透不过气。
我们走到了即将修建联络通道的地方,周围是错综复杂的管道和线缆。
当时,负责的工程师拿着图纸,满脸严肃地跟大家说:“这联络通道可不好搞,咱们得万分小心!”联络通道的施工可不是一件简单的事儿。
首先,地质勘察就特别重要。
就像医生给病人做全面检查一样,我们得把地下的情况摸得透透的。
要是碰到松软的土层或者地下水丰富的区域,那可就得格外小心了。
比如说,如果发现是流沙层,那施工方案就得马上调整,可能要采用特殊的加固措施,像注浆啊、冷冻法啊等等,不然这通道可就容易出问题。
再说这开挖的方法,那也是有讲究的。
是用人工开挖还是机械开挖,得根据具体情况来。
如果空间狭小,人工开挖可能更灵活,但效率低;要是场地条件允许,机械开挖那速度可就快多了。
但不管哪种方式,都得注意开挖的顺序和进度,不能一股脑地乱挖一通。
还有支护结构,这可是保障施工安全的关键。
就好比给通道穿上一层坚固的“铠甲”。
常用的有钢拱架、锚杆、喷射混凝土等等。
这些支护措施得及时跟上开挖的进度,不能有丝毫的马虎。
我记得有一次,在一个施工现场,因为支护没有及时做好,结果顶部的一小块土石掉了下来,还好没有砸到人,可把大家吓得不轻。
从那以后,大家对支护工作更是不敢有半点懈怠。
防水处理也是重中之重。
想象一下,如果联络通道里老是渗水,那得多糟糕啊!所以在施工过程中,要选用高质量的防水材料,施工工艺也得严格把关。
每一个缝隙、每一个节点都要处理好,不能给水流一点儿可乘之机。
通风和照明也是不能忽视的环节。
地下本来就空气不流通,要是通风不好,施工人员在里面工作那得多难受啊,而且还存在安全隐患。
联络通道施工安全交底施工单位:2、为保护注浆缸筒及密封,水泥浆液进吸浆筒前应先进行过滤,并在吸浆龙头上包钢丝滤网进行再次过滤。
3、注浆作业时,要注意防止堵管发生,特别是注双液浆时。
三、作业后,必须对注浆泵进行全面清洗并作好场地清洁工作。
1、注浆完成后,立即将吸浆龙头放入清水中,注清水3分钟以上,清洗泵内及管道内残存浆液,防止残存浆液凝固;2、拆开吸、排液阀室及混合器,对其内部进行彻底清洗,特别是单向阀钢球及其结合面。
在对混合器检查时,若发现浆液压力表橡胶鼓膜破损的,要立即更换鼓膜,更换鼓膜后空腔内必须加满机油,然后拧紧压力表。
四、其他注意事项:1、电控箱、行程开关、电液阀等电器一定要保持干燥不得淋水,经常检查导线外套不得破损,防止漏电;严禁湿手操作任何钻注设备及其它带电机具。
2、注浆泵应水平放置,注浆管接头要牢固,无泄漏;3、机械搬运时不要有大的颠簸,不得随意敲打机器的各部件。
4、注浆完成后,确认无浆液凝固后,方可将孔口阀取下,并应将空孔部分用水泥砂浆封填密实。
5、认真遵守钻注机械设备的操作规则,所有注浆人员必须严格执和专项作业的防护要求,尽可能减少或免除浆液和粉尘对人身及机械设备的侵害其他注意事项1、起吊材料、设备,必须检查索具,严格使用不合格的、断丝、打结的吊具。
2、吊物下方严禁有人作业、停留、穿行。
3、马头门破除过程中临时支撑拆除不得一次拆除,必须分次拆除,每一次仅拆除破除面内的支撑,确保施工安全。
4、夜间施工必须有充足的照明,洞室照明应选用不超过36V的低压照明;遇有暴雨、大风、地面下沉等情况时,应停止施工5、操作机械时,非专业人员不得操作机械。
专业操作人员在加工前,应检查机械性能,经检查无误后方可操作机械,操作过程中应严格按照操作规程进行。
6、喷射机司机与喷射手,如不能直接联络,必须配备联络装置7、喷混凝土时喷混凝土工必须戴口罩作业,双手紧握喷头与施喷面保持垂直,喷头前方及两侧不得站人。
联络通道技术交底一、工程概述联络通道是指在两条隧道之间设置的连接通道,通常用于人员疏散、设备运输以及在紧急情况下保证隧道的通风和救援。
本次联络通道工程位于_____隧道区间,通道长度为_____米,宽度为_____米,高度为_____米。
二、地质情况在施工前,对联络通道所处的地质情况进行了详细的勘察。
该区域主要地质为_____,存在_____等不良地质条件。
针对这些地质情况,施工过程中需要采取相应的措施,如加强支护、超前注浆等。
三、施工方法(一)冻结法1、冻结孔布置根据联络通道的尺寸和地质条件,合理布置冻结孔。
冻结孔间距一般为_____米,深度为_____米。
2、冻结系统安装安装冻结设备,包括冷冻机组、盐水箱、盐水泵等,并确保系统正常运行。
3、冻结过程监测在冻结过程中,密切监测冻结壁的温度、厚度和发展情况,及时调整冻结参数。
(二)矿山法1、开挖采用短台阶法或全断面法进行开挖,每次开挖进尺控制在_____米以内。
2、支护及时进行初期支护,包括锚杆、喷射混凝土、钢架等。
3、二次衬砌在初期支护稳定后,进行二次衬砌施工,采用钢筋混凝土结构。
四、施工流程1、施工准备(1)技术准备:熟悉施工图纸,编制施工方案和技术交底。
(2)现场准备:平整场地,搭建临时设施,安装施工设备。
(3)材料准备:提前采购所需的材料,如钢材、水泥、砂石等,并确保材料质量合格。
2、冻结施工(1)钻孔:按照设计要求钻孔,并进行孔口密封。
(2)安装冻结管:将冻结管下入钻孔内,并进行打压试验。
(3)冻结系统运行:启动冻结系统,开始冻结。
3、开挖与支护(1)按照施工方法进行开挖。
(2)及时进行初期支护,确保施工安全。
4、防水施工在二次衬砌施工前,进行防水处理,包括铺设防水卷材、涂抹防水涂料等。
5、二次衬砌施工(1)绑扎钢筋:按照设计要求绑扎钢筋。
(2)浇筑混凝土:采用泵送混凝土,分层浇筑,振捣密实。
6、监控量测在施工过程中,对地表沉降、隧道收敛、冻结壁温度等进行监测,根据监测数据及时调整施工参数。
联络通道施工安全技术交底一、危险源辨识联络通道施工危险因素辨识及控制要点如下:二、一般安全要求及控制措施土方开挖1、挖土中发现管道、电缆及其他埋设物应及时报告,不得擅自处理;2、挖土时要注意土壁和开挖面的稳定性,发现有裂缝及坍塌可能时,人员应立即离开并及时处理;3、人工挖土,前后操作人员间距离不应小于2~3米,堆土要在1米以外,并且高度不得超高;4、每日或雨后必须检查土壁及支撑稳定情况,在确保安全的情况下继续工作,并且不得将土和其他物件堆在支撑上,不得在支撑下行走或站立;5、装载运土渣斗时,保证渣斗放置平稳,周围无牵挂物;6、机械设备应停在坚实的物体上,如基础过差,应采取走道板等加固措施,运土电瓶车不行驶不准过快,防止翻车;7、配合拉铲的清坡、清底工人,周围必须设立看护人员;8、向渣斗内卸土应在电瓶车停稳定后进行。
9、隧道内轨道应及时巡视加固,确保电瓶车安全通畅,电瓶车有专人负责指挥引导进入车站,由井口思索负责吊装作业;10、挖泵房时,必须设有切实可行的排水设施,以免联络通道积水,影响周围土体土壤结构,造成重大影响;11、联络通道开挖前,必须摸清通道内的有无管线排列和地质资料,以利考虑开挖过程中的意外应急措施(流砂等特殊情况);12、清底人员必须根据设计标高作好清底工作,不得超挖。
如果超挖后将松土回填,必须夯实;13、开挖出的土方,要及时运出隧道,堆放在渣池里面,不得堆于隧道内;14、挖土在施工中严禁机械设备碰撞钢支撑,以免引起顶部支撑破坏和拉损;15、超过2米基坑四周必须设置1.2米高的护栏,并设置一定数量临时上下施工楼梯;16、现场施工区域应有安全标志和围护设施;17、坑壁渗水、漏水应及时排除,防止因长期渗漏而使土体破坏,造成挡土结构受损;18、挖土期间,应注意保护结构的完整性和有效性,不允许因土方的开挖遭受破坏;19、照明用电电压为12-36伏以下,以防触电。
20、随时注意基坑护坡情况,防止发生意外。
3#联络通道注浆技术交底
一、工程概况
1.1通道地理位置及地面环境
联络通道中心里程为YDK17+,位于桥北侧,距离桥约125m处,其正上方为主干道。
图1.1联络通道地面环境图
1.2 地质概况
根据地质详勘及补勘结果,联络通道位置地层从上往下依次主要为<1-1>人工填土层、<6-5>残积可塑状砂质粘性土、<6-6>残积硬塑状砂质粘性土、<10-1>全风化混合片麻岩、<10-2>强风化混合片麻岩。
联络通道洞顶及洞身均处在<6-6>及<10-1>地层,详见图1.2-1所示。
图1.2-1 联络通道加固地质剖面图
二、施工工艺
为避免因通道施工造成地下水流失,地表下沉等影响地面建筑物及道路的安危,同时加固地层,确保施工安全,顺利开挖通道,根据设计要求采用深孔注浆的方式,加固通道部位。
图2-1 联络通道洞门深孔预注浆加固图
(1)注浆孔位编号
钢管片预留孔用于联络通道开挖前对该段地层进行预注浆,预留孔共设26个,直径为60mm。
周边孔略向外倾斜,倾斜角控制在5-10度,以便于合理布设注浆管。
孔位具体布置见图2-1。
(2)平台搭设
为保证全断面钻孔和注浆,在洞口采用保圆器(保圆器见附件)配合钢管脚手架搭设作业平台,平台满足钻机和施工人员承重及高度要求,上面铺设走道板及木板。
(3)注浆管打设
注浆管采用直径32mm,长度4m的无缝钢管,按钢管片预留孔布置。
使用钻机将注浆管顶进预留孔,按预留孔角度进行施工。
(4)注浆
1)注浆前的准备工作
①对预留孔漏水部位进行注浆堵漏;
②检修和调试注浆设备;
③配置浆液及注浆材料的准备;
2)注浆参数
①浆液浓度:注浆材料为水泥、水玻璃混合液,42.5普通硅酸水泥,水玻璃模数m=2.4~3.4,波美度35。
水灰质量比=0.6:1~1:1,水泥浆:水玻璃体积比=1:1。
②扩散距离:顶部、底部及两侧水平方向,水平两侧扩散3m,底部2m,顶部3m;
③注浆压力:1~1.5MPa,注浆终压:P=2MPa;
④注浆结束标准:注浆量越来越少,达到设计终压并持续10min以上,即可结束注浆;
(5)监测
全断面注浆开始前,在隧道洞门上部和下部各留一个安装阀门的监测孔,第一轮注浆完成之后,再对出水量进行测量,通过预留孔检查出水量注浆效果进行判定,确认注浆已经达到加固和止水预期效果后方可以拆除钢管片进行开挖作业,进行通道的开挖施工。
三、监测措施
联络通道注浆施工过程中,要在地面设置沉降监测点,对联络通道地面沉降进行监测,监测频率为2小时一次。
测量室要在施工过程中注意沉降变化情况,并及时将结果向工程部及相关领导报告。
四、质量标准
1)所有注浆均已符合单孔结束条件,无漏注现象。
2)浆液有效注入范围大于设计值。
五、质量控制
(1)严格要求按设计图及技术交底施工;
(2)精确定位、调整钻机立轴,确保打设角度及方位的精度;
(3)下管要及时、准确、快速, 注浆时时刻关注注浆压力,确保达到注浆效果;
(4)保证施工钻机的正常运转,配备足够的维修技术人员和零配件;
(5)材料严格按试验规程进行抽检复试,确保原材料符合设计要求;
(6)注浆中注意的事项
①严格按注浆参数进行注浆,确保注浆效果;
②每次注浆前检修好设备,确保管路连接牢固和压力表正常,防止注浆过程中爆管事故;
③及时观察注浆压力表,并做好注浆压力及浆液记录,以便注浆结束时分析毎孔注浆情况;。
④注浆结束后要高档位冲洗注浆管路,防止注浆管路堵塞。
六、安全、文明施工
(1)施工中必须采取加强通风、喷雾洒水、控制砂石含水率、使用适宜的工作风压、掌握恰当的水灰比等综合措施,尽量降低粉尘浓度。
(2)机械上配备的压力表、安全阀,使用前应进行耐压试验,合格后方可使用。
(3)排除故障时,应指定专人按紧喷头,前方严禁站人。
(4)工程材料、制品构件分门别类、有条理地堆放整齐;机具设备定机定人保养,保持运行整洁,机容正常。
(5)施工现场坚持日做日清,工完场清,严禁乱堆乱放建筑垃圾。