申报广西自治区质检中心基本情况表
- 格式:doc
- 大小:15.84 KB
- 文档页数:2
国家质检中心申请要求汇总一、国家质检中心规划管理相关文件国家质检中心规划;二、申请筹建流程申请筹建流程筹建符合国家质检总局;-1-;国家质检总局主管部门对申报材料进行审查(必要时组;三、申请验收流程省级质监部门负责筹建期间的能力建;-2-;门组织开展筹建验收工作;四、设立基本原则、基本条件设立基本原则、原则(一;-3-;关产品市场占国家质检中心申请要求汇总国家质检中心申请要求汇总申请要求一、国家质检中心规划管理相关文件国家质检中心规划管理相关文件规划管理相关 1.国家质检总局先后制定了《国家质检中心能力建设与评估指南》(国质检科[2006] 618 号)《国家质检中心能力、建设验收实施细则》(质检科函[2007]56 号)《加强质检系、统国家质检中心规划与能力建设管理工作的意见》(国质检科[2008] 54 号)《国家质检中心能力建设评价指标》、,共同组成了指导国家质检中心能力建设的管理体系。
2.广东省质监局于 2010 年 3 月 19 日发布了《关于规范国家质检中心筹建与能力建设管理的通知》(粤质监科函 [2010]130 号)二、申请筹建流程申请筹建流程筹建符合国家质检总局规划设立条件的技术机构,可以向当地省级质监部门提出筹建申请,提交可行性报告(主要包括申报单位现有能力与条件、相关产业状况及检验检测需求、国内外同类技术机构的状况、规划建设目标、筹建的方案等)和《申报国家质检中心基本情况表》。
省级质监部门负责对可行性报告进行初审,通过审查的,组织有关专家论证并提出意见。
申请单位根据论证意见完善可行性报告。
通过论证的,由省级质监部门签署意见后上报国家质检总局。
-1-国家质检总局主管部门对申报材料进行审查(必要时组织专家进行实地考察、论证),符合条件的,国家质检总局批准筹建。
批准筹建后,省级质监部门应协调成立以地方政府主管领导为组长、省级质监部门主管领导为副组长的筹建工作领导小组,并且应由 5 人以上国内享有盛誉的专家、学者组成专家组,其中应当聘请院士、教授级或特殊津贴的专家担任顾问,由承担筹建国家质检中心的单位(以下简称承建单位)等部门组成筹建办公室。
注册申请人基本情况表
注册申请人: (盖章)
住所:
生产地址:
填写日期: 年月日
填写说明
1.注册申请人必须按照要求如实填写,并对所填写内容的真实性负责。
2.注册申请人应当在封面加盖公章。
3.“质量管理文件目录”是指与所申请检查的产品适用的质量管理体系程序文件及质量控制记录.
4.“申请检查产品基本情况"按照每一个产品或者每一个注册申请单元单独填写.
ﻬ一、内容真实性承诺书
本企业按照相关要求建立了质量管理体系并通过管理审评证实,随时可以接受质量管理体系的检查.
本企业承诺:保证所有资料都是真实的,并承担任何因失实引起的法律后果.
(注册申请人名称)
(法定代表
人签字)
年月日(注册申请
人盖章)
ﻬ二、注册申请人基本情况
ﻬ三、产品基本情况
四、企业质量管理文件目录
ﻬ五、企业自查情况。
自治区质检中心能力建设评价表
检查日期:年月日
实验室名称:验收/授权证书编号:
有效期:年月曰至年月曰
(1)A级。
总体水平已经达到国内先
进水平,验收综合得分为86分以上。
(2)B级。
总体水平在相关专业领域处于区内领先水平,验收综合得分为71〜85分以上。
(3)C级。
检验能力和检测技术水平居于区内同类机构的先进水平,自我发展能力薄
弱,后续投入保障需要加强。
验收综合得分为60〜70分的。
附件6
现场验收专家意见书
以上内容是经充分核实相关材料、在本小组内充分讨论后给予的评价。
验收专家组(签名):__________________________________________________
______ 年—月—日(以上内容可另外附页)。
建设工程质量监督申报资料(2016版)工程名称建设单位工程地址盱眙县建筑工程质量监督站目录打“★”的资料要求在工程开工前,质量监督员第一次现场监督检查时提供齐全(或15个工作日内)。
1、建设工程质量监督申报表建设单位工程名称工程地址项目编码江苏省建设工程质量监督总站监制工程质量监督站:我单位建设的工程按照国务院《建设工程质量管理条例》和《江苏省房屋建筑和市政基础设施工程质量监督管理办法》等有关规定,现到你站申请办理工程质量监督手续,请予注册登记。
附:(一)、工程概况及申报资料表(二)、建设各方责任主体基本情况登记表建设单位(盖章):年月日联系人:联系电话:(一)、工程概况及申报资料表项目编码:(二)、建设各方责任主体基本情况登记表申报须知一、申报程序1、建设单位到当地工程质量监督机构领取本表,按单位工程一式三份填报。
在领取施工许可证前办理工程质量监督注册手续。
2、办理工程质量监督注册时,申报资料应提供原件审查。
3、办理工程质量监督注册后,工程质量监督机构发出《建设工程质量监督通知书》。
二、填报说明1、建设单位按本表的要求,逐项填写,内容应真实、齐全(非房地产开发企业“资质等级”、“资质证书号”栏目无需填写)。
2、建设单位须加盖法人章,各质量责任主体单位名称应填写全称。
3、工程分类应符合国家标准《建设工程分类标准》GB/T50841-2013的规定。
4、结构类型:房屋建筑工程:框架、框架—抗震墙、抗震墙、部分框支抗震墙、框架核心筒、筒中筒、板柱-抗震墙、砌体结构、排架、钢结构、木结构、装配式结构等;市政基础设施工程:梁式桥、拱式桥、斜拉桥、钢构桥、悬索桥、组合体系桥、沥青混凝土+二灰结石、沥青混凝土+水稳碎石、水泥混凝土+二灰结石、水泥混凝土+水稳碎石、钢筋混凝土挡墙、块石挡墙等。
5、地基基础类型:天然地基、复合地基(深层搅拌桩、挤密桩、碎石桩、石灰桩)等、桩基础、条基、整板基础、独立基础、箱型基础等。
新疆维吾尔自治区质量技术监督自治区级检验检测中心建设管理办法(试行)第一章总则第一条为规范新疆维吾尔自治区质量技术监督局(以下简称自治区局)授权的自治区级检验检测中心的规划,加强其能力建设,构建适应新疆经济社会跨越式发展的检测技术机构新体系,根据《中华人民共和国产品质量法》、《中华人民共和国计量法》等法律法规的有关规定,参照国家质检总局《加强质检系统国家质检中心规划与能力建设管理工作的意见》,制定本办法。
第二条本办法所称自治区级检验检测中心,是指具备独立法人资格,能够承担法律责任,具有第三方公正性,由自治区局授权承担全区产品质量、计量、特种设备等检验检测任务的检验机构。
地、州、市质量技术监督局直属检测机构、自治区局直属检验检测机构(含下属分支机构)、质监系统外检验检测机构具备本办法第二条第款规定的均可承建自治区级检验检测中心。
满足在当地行政区划内能够完成单一产业集中度较高的某一行业产品的全项目检测,同时在地、州、市乃至全区范围内处于领先的县(市、园区、口岸)质监局(分局)下属检验检测机构,在报经上级主管部门同意后,可以承建自治区级检验检测中心。
第三条自治区局统一负责管理自治区级检验检测中心的规划、申报、筹建、验收、考核、等级评定、撤销等工作。
由自治区局计划财务科技处牵头,协调相关业务处室,并负责组织实施。
第四条地、州、市局、自治区局直属检验检测机构和有关业务主管部门(以下统称主管部门)按照本办法的规定负责提出本地区、本单位建设自治区级检验检测中心的发展计划,负责协调、落实中心的建设和日常监管。
第二章规划和建设原则第五条自治区局按照“全区统一规划布局、地方政府重视支持、具备筹建技术基础、拥有产业集群优势、避免同类重复建设、注重能力提升和可持续发展”的原则,对全区自治区级检验检测中心建设进行规划。
第六条自治区级检验检测中心的建设原则是“区内领先,国内争创一流”。
重点在与人民群众生命健康密切相关的安全、节能降耗领域;关系国计民生的重点产业领域;以及新兴产业、高新技术产业等领域建设。
质检报告去哪里办理
质检报告是指对产品或者服务进行质量检验后所形成的书面报告,它是对产品
或服务质量的一种权威性证明。
那么,当我们需要办理质检报告的时候,应该去哪里办理呢?
首先,我们需要明确一点,质检报告的办理地点是根据具体的产品或服务而定的。
一般来说,对于日常生活中的消费品,比如食品、化妆品、电子产品等,我们可以前往当地的质检部门或者相关的质检机构进行办理。
这些机构通常会对产品进行抽样检验,然后出具相应的质检报告。
而对于一些特殊的产品,比如医疗器械、建筑材料等,可能需要到专门的质检中心或者实验室去办理。
其次,办理质检报告需要提供一定的材料和信息。
在前往办理的时候,我们需
要携带相关的产品样品或者相关的证明材料,比如购买凭证、产品说明书等。
同时,我们还需要填写一些申请表格,提供产品的基本信息、生产商信息等。
这些材料和信息将会成为质检报告的依据,所以提供的信息要尽可能准确和完整。
最后,办理质检报告需要一定的时间。
一般来说,质检机构会对产品进行一定
的检验周期,这个周期可能会因产品的特殊性而有所不同。
在等待的过程中,我们需要保持耐心,同时可以向质检机构咨询办理进度,以便及时了解报告的办理情况。
综上所述,办理质检报告需要根据具体的产品或服务而定,需要提供相关的材
料和信息,并且需要一定的等待时间。
希望大家在办理质检报告的过程中能够顺利办理,保障自己的权益。
附3:申报企业基本情况表填表说明指标中涉及的资产、收入、利润、税费、财政扶持资金等数据,应与企业财务会计报表一致(即根据财务会计报表的数据填写或计算)。
所有数据应为统计期间内的数据,不同统计期间内的数据不得进行累加,数据保留小数点后二位数。
1.企业名称(代号1)。
应与企业营业执照复印件及企业公章一致。
2.所有权性质(代号2)。
企业属于国家完全所有或控股的,填写“国有”;属于集体经济组织完全所有或控股的,填写“集体”;属于港澳台资完全所有或控股的,填写“港澳台资”;属于外资完全所有或控股的,填写“外资”;其他的均填写“民营”。
3.企业类型(代号10)。
分为生产加工型、市场流通型。
生产加工型龙头企业主要从事农产品生产和农产品加工,最终产品是农产品及其加工制品。
市场流通型企业主要指农产品专业批发市场和专门从事农产品流通的其他企业。
市场流通型企业在表2、表4中涉及的带动农户、科研、质检、广告、品牌等应包含专业批发市场内经销商的情况,代号18、19、35不填。
4.信用等级(代号12)。
指企业办理贷款业务所在银行为企业评定的信用等级,如A,AA,AAA。
如果企业没有贷款或没有银行为企业评定类似的信用等级,可以不填,但应加以说明。
5.销售收入(代号17)。
生产加工型企业填写企业销售农产品及其加工制品获得的收入。
市场流通型企业填写农产品及其加工制品的交易总额。
6.获得财政扶持资金总额(代号27)。
指企业获得政府给予的补贴、补助、奖励、贷款贴息等各类扶持资金总额。
7.企业职工人数(代号28)。
指企业用工人数的总和,包括企业正式职工、长期聘用的临时工、季节性用工等。
8.季节性用工(代号29)。
指企业根据生产需要季节性使用的工人(农民工)总数。
9.主营产品名称(代号32)。
生产加工型企业填写销售收入在前三位的农产品及其加工制品具体名称,如生猪、鸡蛋、蔬菜、冷鲜肉、果汁、酒精、方便面、饲料、液态奶、奶粉、种子等。
市场流通型企业填写交易额在前三位的农产品大类,如粮油、果蔬、水产品、肉类、蛋类等。
国家质量监督检验检疫总局关于印发《加强质检系统国家质检中心规划与能力建设管理工作的意见》的通知文章属性•【制定机关】国家质量监督检验检疫总局(已撤销)•【公布日期】2008.01.28•【文号】国质检科[2008]54号•【施行日期】2008.01.28•【效力等级】部门规范性文件•【时效性】现行有效•【主题分类】质量监督检验检疫综合规定正文国家质量监督检验检疫总局关于印发《加强质检系统国家质检中心规划与能力建设管理工作的意见》的通知(2008年1月28日国质检科[2008] 54号)各省、自治区、直辖市及计划单列市、副省级城市质量技术监督局,有关直属单位:为加强国家质检中心的规划与能力建设管理,提高国家质检中心的技术把关能力、科技创新和自我发展能力,确保国家质检中心技术装备和科研能力达到国际水平,总局制定了《加强质检系统国家质检中心规划与能力建设管理工作的意见》,与已经发布的《国家质检中心能力建设与评估指南》(国质检科[2006] 618号)和《国家质检中心能力建设验收实施细则》(质检科函[2007]56号)两个指导文件,共同构成了指导国家质检中心能力建设的有机整体,基本形成了质检系统国家质检中心能力建设管理体系,现印发给你们,请遵照执行。
附件:加强质检系统国家质检中心规划与能力建设管理工作的意见附件:加强质检系统国家质检中心规划与能力建设管理工作的意见为加强国家产品质量监督检验中心(以下简称国家质检中心)的规划与能力建设管理,科学规划国家质检中心布局,提高国家质检中心的技术把关能力、科技创新和自我发展能力,确保国家质检中心技术装备和科研能力达到国际水平,根据《中华人民共和国产品质量法》、《中华人民共和国标准化法》、《中华人民共和国计量法》等有关规定,制定本意见。
一、进一步明确国家质检中心的性质、地位和基本职责(一)由质量技术监督系统各级技术机构承建、其他科研事业单位划归质量技术监督部门管理以及质量技术监督部门通过资源整合或联合社会力量建立的国家质检中心,是社会公益性检测机构,具有独立法人地位,能够承担法律责任,由国家授权、具有第三方公正性地位,承担国家各类产品质量检验任务,向社会提供公正检验测试服务,开展检测技术研究开发,承担有关标准(规程)的试验验证及制(修)订等工作。
工程项目基本情况表
建设项目负责人:
总监理工程师: 项目经理:
附件2
建筑施工危大工程、预防高处坠落检查表
建设项目负责人:项目经理:
总监理工程师:口期:
附件3
建筑施工起重机械检查表
检查人员签字:
项目经理:
建设项目负责人:
总监理工程师:
建筑市场情况检查表
检查人员签字:
建设项目负责人:项目经理:
施工扬尘、消防检查表
建设项目负责人:项目经理:
建筑施工质量核查表
建设项目负责人: 总监理工程师:项目经理: 日期:
各方主体须提供材料清单
注:1、上述材料除注明复印件外,均需提供原件。
2、不提供有关材料的参建各方主体,按《建筑工程施工发承包违法行为查处认定办法》
(建市规(2019)1号)文有关规定处理。
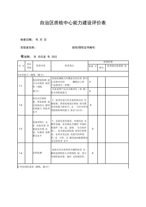
自治区级质检中心验收申请书质检中心名称:申请日期:年月日自治区市场监督管理局编制填表须知1. 本《申请书》用墨笔填写或计算机打印,要字迹清楚。
2.本《申请书》有关项目填写页数不够时可用A4纸附页,但须连同正页编第页,共页。
3.本《申请书》所选“□”内打“√”。
4.本《申请书》须经实验室法定代表人签名并加盖公章有效。
实验室声明1. 本实验室自愿申请自治区市场监督管理局进行自治区质检中心评定验收。
2. 本实验室已经经过自查自审,认为符合自治区质检中心评定验收条件。
3. 本实验室愿意向自治区市场监督管理局提供评定验收所需的任何信息和资料,并为现场评定验收工作提供方便。
4. 本实验室保证不论评定验收结果如何,均服从自治区市场监督管理局的决定。
实验室法定代表人:实验室盖章:年月日自治区质检中心验收申请表依托法人单位:(公章)填表说明一、目前已具备的检验能力范围应按目前已具备检验能力的产品或检验项目填写。
同时应写清自治区质检中心名称对应的产品范围中尚不具备检验能力的产品或项目,并统计自治区质检中心名称对应领域内包括的产品数量(或对应的检验项目数量)、目前已具备检验能力的产品数量(或能开展的检验项目数量),并计算已具备检验能力的产品(或检验项目)占名称对应的全部产品(或检验项目)占名称对应的全部产品(或检验项目)的比例。
二、按国家标准、国际标准进行检验的关键项目情况:按国家标准、国际标准进行检验的项目应能是体现技术实力和水平、对衡量产品质量具有重要作用、且能体现自治区质检中心能力和技术水平的检验项目,并统计数量,必要时后附材料。
三、现有大型、关键仪器配置情况原则上填写10万元以上的设备,写明设备名称、规格型号、生产厂家、原值、数量、购置日期。
四、科研、标准及规程制(修)订情况原则上应填写近二年来与自治区质检中心专业领域密切相关的内容。
五、信息化建设情况应填写自治区质检中心业务信息管理信息系统的运行情况、国内外相关领域信息的搜集及整理等。
质检系统国家质检中心规划与能力建设分级管理实施细则(才干树立分级管理实施细那么〔试行〕为增强国度质检中心一致管理,促进国度质检中心可继续安康开展,依据«质检系统国度质检中心规划与才干树立分级管理实施意见»〔以下简称«实施意见»〕,制定本细那么。
本细那么适用于国度质量监视检验检疫总局〔以下简称总局〕对质检系统国度质检中心实行分级管理。
一、分级申报筹建的基本条件承建单位在预备国度质检中心的筹建资料时,应结合自身条件及才干水平,按监视检验〔包括A、B两个级别〕和检验〔C级〕两个类别停止申报,所报级别须满足表1中对相应级别的要求。
表1 分级申报筹建的基本条件二、分级与验收要求总局主管部门将依据«国度质检中心才干树立验收实施细那么»〔质检科函[2007]56号〕和附件1〝质检系统国度质检中心分级评价目的及评分方法〞组织分级与验收,80分以上合格。
1、本细那么发布之前已成立的国度质检中心,依据总局主管部门的一致部署和布置,按相应的文件停止分级。
2、本细那么发布之前已批筹的国度质检中心,应依据附件1停止自评价,确定依照B级或C级停止验收,验收合格者,依照相应级别同意正式成立;本细那么发布之后批筹的国度质检中心依照筹建义务书确定的级别停止验收,验收合格者,依照相应级别同意正式成立。
现场按央求级别验收未经过的,承建单位可在6个月时间内停止整改,整改后仍未能经过验收的,直接取消筹建资历,且2年内不得再提出筹建央求。
三、晋级管理依照附件1中的分级评定目的和评分方法停止年度考核与评定,原那么上延续2年年度考核与评定均超越85分的国度质检中心才允许央求晋级评定。
原那么上每3年举行一次晋级评定。
关于成立1年以上,开展状况特别好、效果特别清楚的国度质检中心〔年度考核与评定到达90分以上〕,可允许其提早提出晋级评定央求。
B级国度质检中心可以央求提升A级;C级国度质检中心只能央求提升B级,不允许直接央求提升A级。
申报自治区质检中心基本情况表
申报单位名称(盖章)
申报自治区质检中心名称
邮编地址
传真电话
联系人电子信箱是否已承担过承担国家(自治区)中国家(自治区)心名称中心
固定资产原值设备原值一、现有人数)万元((万元)申报
单位其中实验室总面积房屋总面积基本) 平方米) ( (平方米情况申请单位近三年总检验批次及总检验收入) (分年度填写该项目现有技初级职称高级职称中级职称术人员博士硕士大学专科大学本科
设备原值实验室面积设备总数进口设备(万元) 平方米()
(台套) (台套)
(简述基本情况,在报告正文中全面论述并提供项目明细和设备清单)
何时通过何级二计量认审申认实验室项可通过的该相产品检测项情
目前区内所领先2先进3中等4中等以技术水该项目近三检验批次及)
分年验收入.
申请领域产品涉及的检测项要室实验目和求条件目前具备的检测项目和实验室条件实验室建设主三、要内容(拟新增实验检验项目、实验室建室基本建设内设规容及投入、购置划仪器设备及预算)
资金总额:万元;
其中市地政府万元;
市局万元;资金筹措方式自筹万元;及来源其他万元(请说明来源)
(另请提供地方政府、其他部门给予支持、筹资建设的文件、方等
预期目标及设进近年来发表相关论文(四著、译著、科与标准(法规情制修订规章况、相关专利.
承担的相关科研课题科研获奖情况五、人才队伍才人现状伍队况状人及队才引进人才培养、建伍计划及措施的设体具措施相关产业状况(该类产品企业数量、总产占总产值、量、当地工业总产六、产品值的比重、地方占全区份额等)产业相关名牌产品状况优势企业申报单位是在中心城市交通区位优及辐射能
七其他需要说明问题.
八、申报单位意见(盖章)
年月日
专家论证意见:
九、专家论证意见
与论证专家:
姓名工作单位职务/职称签名
十、主管单位意见(盖章)
年月日
注:自治区级技术机构的主管单位为自治区行政主管部门;市县级技术机构为市级市场监管部门。