2020一级建造师《公路工程管理与实务》案例题综合解析(四)
- 格式:pdf
- 大小:386.14 KB
- 文档页数:3
一、案例分析题1、背景资料:某10联现浇预应力混凝土连续箱梁桥地处山岭重丘区,跨越河谷,起点与另一特大桥相连,终点与一隧道相连,部分桥跨布置示意图如图4-1所示。
该项目在招投标和施工过程中发生如下事件:事件一:招标文件中的设计文件推荐连续箱梁采用移动模架法施工,因现场场地受限,模架在该桥梁终点处的隧道内拼装,然后前移逐孔施工,但某施工单位进场后,发现隧道标未开工(另一施工单位承担该隧道施工),无法按时提供移动模架拼装场地。
经桥梁施工单位提出,建设单位、设计单位和监理单位确认,暂缓第十联施工,而从第九联开始施工。
因第九联桥墩墩身较高,移动模架采用桥下组拼、整体垂直提升安装方案,第十联箱梁待隧道贯通后采用桩柱梁式支架(第十联支架布置示意图见图4-2)施工,由此造成工期推迟一个月。
上述方案上报相关单位并经批复后开始施工,根据相关规定,施工单位提出了以下索赔要求:①移动模架桥下组拼场地处理费用;②工期延长一个月按天索赔增加的现场管理费;③移动模架垂直提升安装费用;④第十联支架摊销费用;⑤因第十联改为支架而损失的模架摊销费。
事件二:图4-2所示的桩柱梁式支架由桩基础、钢管柱、卸落装置、贝雷片、型钢、联接件等组成,支架按设计计算设置了施工预拱度。
组拼完成后,按相关要求进行检验及加载预压试验,满足要求后投入使用。
事件三:施工单位按照《公路工程施工安全技术规范》要求,编制了支架施工专项方案,该方案经施工单位审核,由技术负责人签字后,报监理工程师审查批准后实施。
<1> 、事件一中,逐条判断施工单位提出的索赔要求是否成立?【正确答案】①索赔成立,因为建设单位未按时提供施工场地,造成额外费用的增加;②索赔不成立,现场管理费应以新直接费的对应费率计算,不应按天索赔;③索赔成立,因为建设单位未按时提供施工场地,造成模架垂直提升安装费用的增加;④索赔成立,因为建设单位未按时提供施工场地,造成第十联支架费用的增加;⑤索赔不成立,方案变更后并未造成额外的模架摊销费用增加。
一、案例分析题1、背景资料:某施工单位承接了一级公路某标段施工任务,标段内有5座多跨简支梁桥,桥梁上部结构均采用20m先张预应力空心板,5座桥梁共计35跨,每跨空心板数量均为20片。
施工单位在路基上设置了如下图所示的预制场,所有空心板集中预制,为节省费用,编制的施工组织设计中要求张拉端钢绞线用连接器连接并重复使用。
施工中还有如下事件发生:事件1:施工单位定制了8套模板(外模8套、充气式胶囊内模8套)循环重复用,设定每片空心板预制周期为7天,整个预制施工采取平行流水作业,前20片空心板预制施工横道图如下图:事件2:施工单位制定的空心板预应力施工操作要点如下:(1)预应力张拉采用两套千斤顶、油泵施工,张拉前只需分别对千斤顶、油泵进行检查,即可用于预应力张拉。
(2)预应力张拉采用双控,以张拉力控制为主,以钢绞线的计算伸长量进行校核。
(3)混凝土浇筑完成后,按要求及时拆除外模与内模胶囊,采用与空心板同条件养护的试块进行强度评定。
(4)混凝土试块达到设计强度的70%时,使用砂轮锯切断钢绞线放张。
事件3:空心板预制中,发现有5片空心板顶板厚度只有7cm,设计厚度为10cm,施工单位立即组织技术人员召开现场会,排除了外模板制作与安装、混凝土施工、台座变形等因素,查找到事故原因后,及时解决了问题。
<1> 、写出图1中设施A的名称,并计算单根钢绞线理论下料长度。
【正确答案】设施A的名称为:张拉反力梁(横梁);单根钢绞线理论下料长度为:20×4+1×3+0.5×2=84m<2> 、事件1中,计算所有空心板预制完成的工期。
【正确答案】梁片总数:35×20=700片,每一批20片,共分35批。
批与批之间间隔7天,因此工期=34×7+9=247天。
<3> 、逐条判断事件2中空心板预应力施工操作要点的正误,并改正错误之处。
【正确答案】(1)错误,改正:张拉前对千斤顶、油泵进行配套标定,才能使用。
2023年一级建造师《市政公用工程管理与实务》考试真题及答案解析(案例题)案例(一)【背景资料】某公司承建了城市主干路改扩建项目,全长5km,宽60m,现状道路机动车道为22cm 水泥混凝土路面+36cm水泥稳定碎石基层+15cm级配碎石垫层,在土基及基层承载状况良好路段,保留现有路面结构直接在上面加铺6cmAC-20C+4cmSMA-13,拓宽部分结构层与既有道路结构层保持一致。
拓宽段施工过程中,项目部重点对新旧搭接处进行了处理,以减少新旧路面差异沉降。
浇筑混凝土前,对新旧路面接缝处凿毛、清洁、涂刷界面剂,并做了控制不均匀沉降变形的构造措施如图1所示。
根据旧水泥混凝土路面评定结果,项目部对现状道路面层及基础病害进行了修复处理。
沥青摊铺前,项目部对全线路缘石、检查井、雨水口标高进行了调整,完成路面清洁及整平工作,随后对新旧缝及原水泥混凝土路面做了裂缝控制处治措施,随即封闭交通开展全线沥青摊铺施工。
沥青摊铺施工正值雨季,将全线分为两段施工,并对沥青混合料运输车增加防雨措施,保证雨期沥青摊铺的施工质量。
【问题】1.指出图中A、B的名称。
2.根据水泥混凝土路面板不同的弯沉值范围,分别给出0.2mm~1.0mm及1.0mm以上的维修方案;基础脱空处理后,相邻板间弯沉差宜控制在多少以内?3补充沥青下面层摊铺前应完成的裂缝控制处治措施具体工作内容。
4.补充雨期沥青摊铺施工质量控制措施。
【参考答案】1.A-填缝材料,B-拉杆(螺纹钢筋)。
2.(1)当弯沉值在0.2mm~1.0mm时,应钻孔注浆处理;当弯沉值大于1.0mm时,应拆除后铺筑混凝土面板。
(2)脱空处理后,两相邻板间弯沉差宜控制在0.06mm以内。
【参考】城镇道路养护技术规范CJJ36-20163.(1)新旧连接处应贴土工合成材料,以减少、延缓或抑制反射裂缝的发生;(2)旧路板缝破损处应剔凿酥空、空鼓、破损的部分,清理后涂刷界面剂,并采用不低于原道路混凝土强度的早强补偿收缩混凝土进行灌注;(3)旧路细微裂缝灌浆处理,较为严重的裂缝应扩缝补块或挖补处理;(4)旧路板缝与裂缝处理后应贴土工合成材料;(5)在旧路与加铺层之间设置应力消减层,也可采用洒布沥青粘层油、摊铺土工布4.(1)沥青面层不允许下雨时或下层潮湿时施工,加强现场与拌合站、气象部门的联系,安排在不下雨时施工。
2020年一级建造师《公路工程管理与实务》案例特训与实务操作路基工程背景案例题解析【知识点】(三)材料进场验收与加工1.钢筋应具有出厂质量证明书和试验报告单,进场时应检查其外观、标志、钢种、等级、牌号、规格及生产厂家。
2.预应力筋的下料长度应通过计算确定,计算时应考虑结构的孔道长度或台座长度、锚夹具厚度、千斤顶长度、镦头预留量、冷拉伸长值、弹性回缩值、张拉伸长值和张拉工作长度等因素。
【知识点】(四)墙背回填与压实(1)二级及二级以上公路应按设计做好过渡段,过渡段路堤压实度应不小于96% ;二级以下公路的路堤与回填的联结部,应预留台阶。
(2)台背和锥坡的回填宜同步进行。
(3)台背与墙背1.0m范围内回填宜采用小型夯实机具压实。
【知识点】(四)墙背回填与压实(4)分层压实厚度宜不大于 150mm,填料粒径宜小于100mm,涵洞两侧回填填料粒径宜小于50mm,压实度应不小于96%。
(5)部位狭窄时,可采用低强度等级混凝土、浆砌片石等材料回填。
【知识点】(四)墙背回填与压实(6)回填部分的路床宜与路堤路床同步填筑。
(7)台背与墙背回填,应在结构物强度达到设计强度的75%以上时进行。
【解析】三、答案【问题】1.按照挡土墙设置的位置和结构型式划分,分别写出该挡土墙的名称。
【背景】【参考答案】位置:路堤墙;结构:加筋土挡土墙【问题】2.写出挡土墙施工流程中工序A,工序B与图中构件C的名称,写出挡土墙施工流程中必须交叉进行的工。
【背景】挡土墙施工流程为:施工准备(含构件C预制)→测量放线→工序A→地基处理→排水沟施工→基础浇筑→构件C安装→工序B→填料填筑与压实→墙顶封闭。
【参考答案】挡土墙施工流程为:施工准备(含构件C预制)→测量放线→工序A(基槽开挖)→地基处理→排水沟施工→基础浇筑→构件C(墙面板)安装→工序B(筋带铺设)→填料填筑与压实→墙顶封闭。
【问题】3.项目部组织技术交底的方式是否正确?说明理由。
一、背景资料
某公司承建一座高速公路环形立交桥,工程主要内容为:主线高架桥梁、匝道桥梁、挡土墙及引道。
桥梁基础采用钻孔灌注桩:上部结构为钢—混凝土结合梁结构;下部结构为盖梁及Φ1000mm圆柱式墩,U形桥台,桥墩基础均采用Φ1200mm钢筋混凝土钻孔灌注桩。
挡土墙为现浇钢筋混凝土结构。
项目部编制的施工方案如下:
1.采用支架架设法,大吨位自行式吊机吊装,安装前对临时支架和钢梁进行了强度、刚度和稳定性验算。
2.钢梁采用高强螺栓拼接,拼接前,复验了J,确定了施拧顺序。
工程完工后,项目部立即向当地工程质量监督机构申请工程交工验收,该申请未被受理。
此后,项目部按照工程竣工验收规定对工程进行全面检查和整修,确认工程符合竣工验收条件后,重新申请工程竣工验收。
二、问题
1.施工方案1中验算内容不全,请补充。
2.写出方案2中J的名称,指出钢梁施拧顺序内容。
3.质量监督机构为什么不受理该项目的竣工验收工作?
三、参考答案与解析
1.支承、吊机。
2.J——摩擦面抗滑移系数。
施拧顺序从板束刚度大、缝隙大处开始,由中央向外拧紧,并在当天终拧完毕。
3.施工单位应向建设单位申请交工验收工作。
2020年一级建造师《公路工程管理与实务》答案及解析一、单项选择题(共20题,每题1分,每题的备选项中,只有一个最正确或最符合题意。
选对每题得1分,没选或错选均不得分)。
1.【答案】B【解析】施工期间,路堤中心线地面沉降速率24h应不大于10-15mm,坡脚水平位移速率24h应不大于5mm。
应结合沉降和位移观测结果综合分析地基稳定性。
填筑速率应以水平位移控制为主,超过标准应立即停止填筑。
2.【答案】A【解析】截水沟应先行施工,与其他排水设施衔接时应平顺,纵坡宜不小于0.3%3.【答案】C【解析】蒸发池的施工应符合下列规定:1.蒸发池与路基之间的距离应满足路基稳定要求。
2.底面与侧面应采取防渗措施。
3.池底宜设0.5%的横坡,人口处应与排水沟平顺连接。
4.蒸发池应远离村镇等人口密集区,四周应采用隔离栅进行围护,高度应不低于1.8m,并设置警示牌。
4.【答案】B【解析】见施工工艺选择表。
二级以及二级以上的底基层宜采用集中厂拌,摊铺机摊铺5.【答案】A【解析】开级配沥青混合料:矿料级配主要由粗集料组成,细集料和填料较少,采用高黏度沥青结合料粘结形成,压实后空隙率大于15%的开式沥青混合料。
代表类型有排水式沥青磨耗层混合料,以OGFC表示;另有排水式沥青稳定碎石基层,以ATPCZB表示。
6.【答案】B【解析】施工工艺图7.【答案】A【解析】自高处向模板内倾卸混凝土时,为防止混凝土离析,应符合下列规定:(1)从高处直接倾卸时,其自由倾落高度不宜超过2m,以不发生离析为度。
(2)当倾落高度超过2m时,应通过串筒、溜管或振动溜管等设施下落;倾落高度超过10m时,应设置减速装置8.【答案】D【解析】切割后预应力筋的外露长度不应小于30mm,且不应小于1.5倍预应力筋直径。
锚具应采用封端混凝土保护,当需长期外露时,应采取防止锈蚀的措施。
9.【答案】D【解析】猫道是供主缆架设、紧缆、索夹安装、吊索安装以及主缆防护用的空中作业脚手架。
一、案例分析题
1、背景资料:
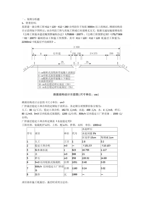
某新建一级公路工程K11+120~K12+260合同段位于海拔3000m以上的地区,路面结构设计示意图如下图所示。
该合同段工程与其他工程或已有道路无交叉,依据交通运输部颁布的《公路工程基本建设概预算编制办法》(JTGB06-2007)、《公路工程预算定额》(JTG/T B06-02-2007)编制的该工程施工图预算,其中K11+120~K12+120底基层工程量为:22300m2(底基层平均面积)。
路面结构设计示意图(尺寸单位:cm)
厂拌基层稳定土混合料的定额如下表所示,各定额分项预算价格分别为:
人工:80元/工日;稳定土混合料:162.72元/m3;水泥:400元/t;水:4元/m3;碎石:80元/m3;3m3以内轮胎式装载机:1200元/台班;300t/h以内稳定土厂拌设备:1500元/台班。
厂拌基层稳定土混合料定额表(水泥稳定类)
工程内容:装载机铲运料,上料,配运料,拌和,出料 单位:1000m2
项目部在施工底基层、基层时采用方法有:。
案例题案例(四)背景资料南方平原地区某一快速通道公路位于滨海区域,气候多雨,公路起讫桩号为K0+000〜K30+000,线形平顺,双向六车道,无中央分隔带。
行车道总宽度为B,每个车道宽度为3.75m。
该公路为旧路改建,设计标高为公路中线位置。
该工程采用柔性路面面层,基层采用半刚性基层,路面结构设计示意图如图4-1所示。
图4-1路面结构设计示意图为加强路面横向排水,路面横坡采用改进的三次抛物线型路拱,平均路拱横坡i=2%,路拱大样示意图及其计算公式如图4-2所示:图4-2改进的三次抛物线行路拱的计算公式为:Y=式中:B——行车道总宽度(m)h——行车道路拱的竖向高度,h=B×i/2(m)X——距离行车道中心的横向距离(m)Y——对应X值的纵坐标(m)施工过程中发生了如下事件:事件一:施工单位按公路施工标准化的要求,修建了沥青混合料拌合站,配置了1台拌和机、3个沥青罐、冷热集料仓各5个。
按施工标准化要求设置了下列标识标牌:拌合站简介牌、混合料配合比牌、材料标识牌、操作规程牌、消防保卫牌、安全警告警示牌。
拌合站简介牌应标识的主要内容有:供应主要构造物情况及质量保证体系。
拌合站采用封闭式管理,四周设置围墙及排水沟,入口处设置彩门及值班室。
事件二:施工单位依托母体试验室组建了工地试验室。
母体试验室具有交通运输部公路水运工程试验检测机构等级证书中的综合乙级资质证书,为加强工地试验室外委管理,要求外委试验的检测机构应具备相应的资质和条件,工地试验室应将其有关证书复印件存档备案,施工单位还制定了如下管理要求:①工地试验室超出母体检测机构授权范围的试验检测项目和参数,必须进行外委,外委试验应向监理单位报备;②外委试验取样、送样过程应进行见证,工地试验室应对外委试验结果进行确认;③工程建设项目的同一合同段中的施工、监理单位和检测机构应该将外委试验委托给同一家检测机构。
【问题】1.写出图4-1中上面层结构的中文名称;图4-1中下面层沥青混凝土的级配有何特点?该层压实后,其剩余空隙率要求满足什么范围?【参考答案】SMA:沥青玛蹄脂碎石混合料。
2020年一级建造师《公路工程管理与实务》专题四:桥梁基础工程施工技术【考点汇总】【例题1】关于明挖扩大基础施工的说法,错误的是()。
A.一般基底应比基础的平面尺寸增宽0.5~1.0m。
B.基坑坑壁坡度应按地质条件、基坑深度、施工方法等情况确定C.基坑开挖遇到严重流砂现象可以采用集水坑排水法排水D.在基坑顶缘四周适当距离处设置截水沟,并防止水沟渗水【答案】C【解析】基坑排水:(1)集水坑排水法。
除严重流砂外,一般情况下均可适用。
(2)井点排水法。
井点降水法适用于粉、细砂、地下水位较高、有承压水、挖基较深、坑壁不易稳定的土质基坑,在无砂的粘质土中不宜使用。
(3)其他排水法。
对于土质渗透性较大、挖掘较深的基坑.可采用板桩法或沉井法、帐幕法。
【例题2】关于钻孔灌注桩水下混凝土灌注的说法,正确的有()。
A.灌注必须连续进行,避免将导管提出混凝土灌注面B.灌注首盘混凝土时可使用隔水球C.开始灌注混凝土时,导管底部应与孔底保持密贴D.混凝土混合料须具有良好的和易性,坍落度可为200mmE.导管安装固定后开始吊装钢筋笼【答案】ABD【解析】选项C,开始灌注混凝土时,导管底部至孔底的距离宜为250~400mm;选项E,桩检验合格,吊装钢筋笼完毕后,安置导管浇筑混凝土。
【例题3】钻孔灌注桩灌注水下混凝土,在桩顶设计标高以上加灌一定高度,其作用是()。
A.避免导管漏浆B.保证桩顶混凝土质量C.桩身夹泥断桩D.放慢混凝土灌注速度【答案】B【解析】钻孔灌注桩灌注水下混凝土,在桩顶设计标高以上加灌一定高度,其作用是保证桩顶混凝土质量。
【例题4】实务操作与案例分析背景资料:某桥梁工程,上部结构为预应力混凝土连续梁,基础为直径1200mm钻孔灌注桩,桩基地质结构为中风化岩,设计规定钻孔灌注桩应该深入中风化岩层以下3m。
该施工单位现有的钻孔机械为回旋钻机、冲击钻机、长螺旋杆钻机各若干台提供本工程选用。
施工过程中,发生如下事件:事件一:施工准备工作完成后,经验收合格开始钻孔,钻进成孔时,直接钻进至桩底,钻进完成后,请监理单位验收终孔。
题型分析一、目的二、考试题型三、分值分布情况14~18年度考题分布一览表四、命题特点(一)选择题1.填空题——把教材上的某一句话拿出来,进行考核,主要以死记硬背为主。
2.概念题——主要考核对涉及到的基本概念、基本方法的掌握程度。
做题时采用逻辑推理法,注意一些隐性的限制词,这往往是解题的关键。
3.条件选择题——在掌握概念的基础上,稍加分析,对适用条件、适用方法进行选择,请注意,每个备选项都可能符合题意,但只有一项最符合,选最佳、最佳、最佳!4.正误判断题—主要考核对涉及到的施工技术的理解程度。
特别注意否定词(不是、不正确、不包括等)近两年难度有所增加,但必须在理解的基础之上进行记忆。
做题方法有:排除法;推理法;直选法。
5.因果分析题——解题时注意:一要正确理解有关概念的含义;二要注意相互之间的逻辑关系;三在做题时准确把握题干与备选项之间的逻辑关系。
6.综合比较题——把具有可比性的内容放在一起,通过分析、比较,归纳出相同点或不同点。
是对教材的重新整合,选项中的表述基本上是教材没有的,要求做题时善于运用理论进行分析,常用排除法。
7.计算题——一般计算量都不大,可以采取下列方法解题:估算法;代入法;比例法;极端法。
(二)案例题(要注重读题)1.简答型:要求凭自己的记忆将书本的内容再现,主要考察考生掌握基本知识的能力,只需问什么答什么,不必展开论述。
重点体现在第一章施工工艺的理解上。
2.判断型:判断题往往是第一问,然后再在判断的基础上提出其他更为复杂的问题。
3.分析型:最常见的一种题型,提问方式主要有三种:一是在判断题的基础上加上“为什么”,二是在判断题的基础上加上“请说明理由”,三是以“请分析”来引导问题。
情节较为复杂,内容涉及面广,要求回答的问题具有一定的难度,涉及的内容不单一。
答题时要针对问题作答,并适当展开。
重点放在第二章施工管理的理解上。
4.计算型:有一定难度,要求考生掌握计算方法,还要提高计算速度和准确性。
案例题综合解析【案例】背景资料:某公路沿线代表性土为粉质中液限黏土,压实度重型标准击实平均要求为93.5%,取天然土测得天然密实度为1.95g/cm3,含水率为22.5%,按重型击实试验得到最大干密度为1.86g/cm3.试求压实方与天然方之间的换算系数;如果要求填筑1000m3路基实体,需要多少方天然土?『参考答案』天然土的干密度ρ=1.95÷(1+22.5%)=1.59g/cm3天然土的压实度=天然土的干密度÷试验室的干密度=1.59÷1.86=0.855压实方与天然方之间的换算系数=填方设计压实度÷天然土的压实度=0.935÷0.855=1.094如果要求填筑1000m3路基实体,需要1094方天然密实土。
【案例】背景资料:某高速公路进行路基土石方调配,利用方采用挖掘机自卸汽车远运调配,平均运距3km,工程数量如表所示(表中挖方和利用方均为天然密实方,填方为压实方)。
填方共计4000000m3。
土石方天然密实方和压实方的换算系数如下表,其中土方运输损耗为0.03。
【问题】试计算利用方压实数量、借方数量。
『参考答案』①将利用方的天然密实方数量,换算为压实方的数量松土:300000÷(1.23+0.03)=238095m3普通土:1000000÷(1.16+0.03)=840336m3硬土:500000÷(1.09+0.03)=446429m3石方:300000÷0.92=326087m3利用方(压实方)数量合计:238095+840336+446429+326087=1850947m3②借方数量:4000000-1850947=2149053m3③当计算借方的开挖费用时,其工程数量为:如果是普通土:2149053×1.16=2492901m3③当计算借方的运输费用时,其工程数量为:2149053×(1.16+0.03)=2557373m3【案例】背景资料:某施工单位承建了一段二级公路沥青混凝土路面工程,路基宽度12m。
一、阅读理解1、背景资料:某二级公路,全长9.32km,全路段的均为石质路堑,K2+300~K2+420有居民居住,爆破主要集中在K3+240~K3+480、K6+450~K6+490、K8+590~K8+810,爆破路段附近无重要建筑物。
施工单位编制了“公路路堑石方爆破工程专项施工方案”。
专项施工方案编制的主要内容包括工程概况、编制依据、施工计划、施工工艺技术、劳动力计划等。
施工单位编制的爆破施工流程为:施爆区现场勘察→爆破设计及设计审批→配备专业施爆人员→施爆区施工放样→用机械清除施爆区强风化岩石→A→爆破器材检查与试验炮→炮孔检查与废碴清除→装药并安装引爆器材→布置安全岗和施爆区安全员→炮孔堵塞→撤离施爆区人员→起爆→B→解除警戒→测定爆破效果(包括飞石、震动波对施爆区内、外构造物造成的破坏及损失)。
施工单位编制的爆破施工方案为:根据爆破工程量要求,综合考虑爆区地形、地质、环境条件、设备和技术条件等,石方爆破自上而下分台阶逐层进行,采用电力起爆。
爆破高度小于5m时,用浅眼爆破法分层爆破,分层高度2~3m;爆破高度5~10m时,用深孔爆破法一次爆破到设计标高;爆破高度超过10m时,分台阶进行深孔爆破,工作台阶分层高度定为5~10m。
永久边坡采用光面爆破的方法进行处理。
台阶爆破参数示意图如下:施工单位根据爆破施工方案、工程量、施工进度计划、施工质量要求、现有机械技术状况等配置了机械设备,石方爆破主要机械设备如下表:【加入题库收藏夹】【本题 2 分,建议 2 分钟内完成本题】【隐藏答案】【正确答案】对不能满足安全距离的石方宜采用化学静态爆破或机械开挖。
<6> 、开挖过程中,应进行哪些指标的测量? CutCopyPastePastetextBlocktagFontfaceFontSizeBoldItalicUnderlineStrikethroughFontColorBackColorRemoveformat下标上标AlignListOutdentIndentLinkUnlinkTableAbout【本题 2 分,建议 2 分钟内完成本题】【隐藏答案】【正确答案】每挖深3~5m,应进行边坡边线和坡率的复测。
2023年一级建造师《公路工程管理与实务》考试真题答案及解析(案例题)案例(一)背景资料:某施工单位承建20km高速公路扩建工程,其中桥梁扩建方式为在原桥位两侧各增建独立桥梁,路基扩建方式为在旧路基两侧分别拓宽7.5m,小型构造物如涵洞,通道则随路基扩建衔接到位。
拓宽路基工程主要包括填挖方、软基处理及防护工程。
经调查,全线既有路堤护脚挡土墙稳定、外观完好,软基处理方式采用与原设计一致的袋装砂井。
路基拓宽代表性横断面示意图如图1所示。
图1 路基拓宽代表性横断面示意图施工过程中发生以下事件:事件一:施工单位向监理单位提交的施工方案部分内容如下:①采用原路基施工试验段相关参数直接进行路基拓宽施工;②上边坡的既有防护工程一次性拆除后,再逐段进行路基开挖;③从旧路堤坡脚向上开挖台阶时,应随挖随填,图1中台阶高度应不大于A米,宽度应不小于B米;④拓宽路基应进行C观测,观测点应按设计要求设置。
高路堤与陡坡路堤段尚应进行稳定性监测。
事件二:施工单位在袋装砂井施工过程中存在下列做法:①施工单位采用细砂制作袋装砂井;②施工工艺程序为:整平原地面→摊铺下层砂垫层→机具定位→打入套管→D→E→机具移位→埋砂袋头→摊铺上层砂垫层;③袋装砂井完工后,施工单位按照袋装砂井施工质量标准要求,检查了井长等重点项目。
【问题】1.在拓宽路基施工时,图1中“既有路堤护脚挡土墙”是否可保留?2.事件一中①、②有明显错误,分别写出正确做法。
3.写出事件一中③、④涉及的A、B、C具体内容。
4.写出事件二中①的正确做法,补充②中D、E的工序名称。
5.补充事件二中袋装砂井施工质量的其他检测项目。
【参考答案】1.既有路堤护脚挡土墙可以保留。
(3分)2.①改正:不能采用原路基施工试验段相关参数直接进行路基拓宽施工,需要重新进行试验段施工获取相关施工参数。
(2分)②改正:上边坡的既有防护工程宜与路基开挖同步拆除。
(2分)3.A—1.0米;B—1.0米;C—沉降观测。
2020年一级建造师公路工程管理与实务真题及答案节选:案例三背景资料某施工单位在北方平原地区承建了一段长22km的双向四车道高速公路的路基、路面工程,该工程路面结构设计示意图如图3-1所示。
施工中发生如下事件:事件二:施工单位在基层施工前,进行了各项标准试验,包括标准击实试验、B试验验、混合料的配比试验、结构强度试验等,其中路面基层无机结合料稳定材料配合比设计流程图如图3-2所示。
(1)工地试验室对试验、检测的原始记录和报告应印成一定格式的表格,原始记录和报告要实事求是,字迹清楚,数据可靠,结论明确。
同时应有试验、计算、复核、负责人签字及试验日期,并加盖项目公章。
(2)工程试验、检测记录应使用签字笔填写,内容应填写完整,没有填写的地方应划“—”不能留空。
(3)原始记录如果需要更改,作废数据应采用涂改液涂改,并将正确数据填在上方,同时加盖更改人印章。
问题:1、写出图3-1中A的名称及图3-2中检测参数3可采用的试验方法。
2、补充事件一中驻地办公用房面积考虑时缺少的部(或室)。
3、写出事件二中B试验的名称以及图3-2步骤三种C设计、步骤四中D参数的名称。
4、判断事件三中监理工程师做法是否正确,如果正确,说明理由;如果错误,改正错误之处。
5、逐条判断事件四中《试验、检测记录管理办法》摘录内容是否正确,并改正错误。
参考答案:1、A是中央分隔带,最大干密度用重型击实方法或者振动压实方法。
2、会议室、试验室、项目总工程师办公室、物资部、计划部。
3、B是集料的级配试验,C是生配合比设计,D是结合料剂量。
4、不正确。
正确做法:监理工程师中心试验室应在承包人进行标准试验的同时或以后,平行进行复核试验,以肯定、否定或调整承包人标准试验的参数或指标。
5、(1)错误,正确说法:应该加盖试验专用公章。
(2)正确(3)错误。
正确说法:原始记录如果需要更改,作废废数据应划两条水平线;并将正确数据填在上方,同时加盖更改人印章。
一、案例分析题1、背景资料:某双向四车道一级公路运营10年后,水泥混凝土面板破损严重,拟进行改建。
设计方案:对旧水泥混凝土路面采用碎石化法处理,然后加铺沥青混凝土面层,同时在公路右侧土质不稳定的挖方路段增设重力式挡土墙及碎落石(如图4所示)。
某施工单位通过投标承接了该工程。
事件一:旧水泥混凝土面板破碎前,施工单位对全线的排水系统进行设置和修复,并将公路两侧的路肩挖除至旧路面基层顶面同一高度,对全线存在的严重病害软弱路段进行处治。
事件二:路面碎石化施工的部分要点摘录如下:①路面破碎时,先破碎行车道2和行车道3,再破碎行车道1和行车道4;②两幅破碎一般保证10cm左右的搭接破碎宽度;③为尽量达到破碎均匀效果,破碎过程应保持破碎机行进速度、落锤高度、频率不变;④对暴露的加强钢筋尽量留在碎石化后的路面中。
事件三:铺筑沥青混凝土时,上、中、下面层的铺筑拟采用线性流水作业方式组织施工,各面层铺筑的速度如表4:事件四:建设单位要求将上面层的粗集料由石灰岩碎石变更为花岗岩碎石,并要求施工单位调查、上报花岗岩碎石的预算单价。
施工单位对花岗岩碎石调查如下:出厂时碎石原价为91元/m3,每m3碎石的运杂费为4.5元/km,花岗岩碎石厂到工地的平均运距为22km,场外运输损耗率为4%,采购及保管费率为2.5%。
<1> 、事件一中挖除路肩的主要目的是什么?【正确答案】目的是使水能从路面区域及时排出。
<2> 、对事件一中存在严重病害的软弱路段应如何处治?【正确答案】首先清除混凝土路面并挖至稳定层,然后换填监理工程师认可的材料。
<3> 、逐条判断事件二中各施工要点的对错,并改正错误之处。
【正确答案】①错误,改为:路面破碎时,应先两边再中间(或先破碎行车道1和行车道4,再破碎行车道2和行车道3);②正确;③错误,改为:为达到破碎均匀效果,破碎过程中应灵活调整进行速度、落锤高度、频率;④错误,改为:对暴露的加强钢筋应切割移除。
一、案例分析题1、背景资料:某施工单位承接了K0+000~K48+000段二级公路路面施工,路面结构示意图如下图所示,该公路靠近三峡某风景旅游区,沿线居民较多。
施工中发生了如下事件:事件1:施工单位组建了工地试验室,采购了马歇尔试验仪、恒温水槽、真空保水容器、烘箱、天平、温度计、卡尺等设备。
试验室人员通过马歇尔稳定度试验,测试得到了标准试件在标准马歇尔稳定度试验条件下的稳定度为X;另外,将标准试件在60±1℃恒温水槽中保温48h,然后测试得到了其稳定度为Y,计算得到Z=Y/X×100%。
事件2:施工单位在K25+100右侧设置了沥青混凝土集中拌和站。
在沥青混凝土面层施工过程中,环保部门接到当地居民举报,称施工单位造成了较严重的大气污染。
环保部门工作人员到施工现场实测了PM2.5和S02等大气质量指标,多项指标严重超标。
环保部门工作人员指出施工单位存在的主要问题有:(1)施工便道为简易土路,雨天泥泞、晴天扬尘;(2)运输砂石、矿粉的车辆未加盖,沿途遗洒、粉尘飞扬;(3)沥青混凝土集中拌和站的烟尘敞口排放、严重超标。
环保部门工作人员根据《中华人民共和国环境保护法》相关规定,责令施工单位进行整改并处以罚款。
<1> 、本工程中基层混合料的拌和方法有哪两种?从环保的角度考虑,本工程宜采用哪一种?【正确答案】两种施工方法:路拌法和中心站集中拌和法(或厂拌法)。
本工程宜采用中心站集中拌和法(或厂拌法)。
<2> 、本工程路面结构的上面层和底基层在粒料级配方面分别有何要求?【正确答案】上面层(SMA)的矿料级配组成中应缺少1个或几个档次,形成间断级配。
底基层(级配碎石)级配应接近圆滑曲线(或应形成连续级配)。
<3> 、事件1中试验方法除了用于沥青路面施工质量检验外,还有什么用途?。
2020年一建公路实务解析一、2020年一建公路实务解析1. 总体感觉这一建公路实务啊,就像是一场充满挑战的冒险。
它可不像我们平常的小考试那么简单,这里面的知识又多又杂,就像一个大杂烩。
2. 题型分析那题型呢,也是各种各样的。
比如说有一些选择题,这选择题就像是在一堆宝藏里找真正的宝贝一样,得把那些迷惑人的选项都排除掉。
还有一些案例分析题,这就像是让我们去当侦探,根据给定的场景去分析到底该怎么做,怎么把公路实务里的知识运用到这些实际的情况当中。
3. 具体题目解析像有一道题是关于公路路基施工的,这路基施工可是公路建设的基础啊。
这题问的是路基压实的一些要点。
哎呀,这就需要我们把平时学的那些压实的机械啊、压实的层数啊、压实的标准啊都想起来。
就好比我们在搭积木,每一个小细节都不能出错,不然这积木塔(也就是路基)可就不稳啦。
再比如说有个关于公路桥梁的题,问的是桥梁的下部结构施工的一些注意事项。
这时候就得想到桥墩、桥台的那些施工方法,像什么钻孔灌注桩的施工流程啦,这里面可都是满满的知识点,就像一个装满宝藏的小盒子,得一点点打开,把里面的宝贝(答案)找出来。
4. 答案比例分析如果把这整张试卷看作100分的话,那不同类型的题目占的比例也不一样。
选择题可能占个30分左右,就像是开胃菜,虽然分值不是最高,但也不能小瞧。
案例分析题就像是主菜,占的分值比较大,大概能有70分左右。
每一个小问就像主菜里的小配菜,都有自己的分值,都很重要呢。
5. 备考建议对于想考这个一建公路实务的小伙伴们,我觉得一定要把教材吃透。
就像把一块面包一点点嚼碎咽下去一样,每一个知识点都不能放过。
而且要多做练习题,练习题就像是我们的练武场,在这个练武场里多练几遍,到了真正的考场上就不会那么慌啦。
还可以多看看一些实际的公路建设工程案例,这样可以把理论和实际更好地结合起来,就像把两根绳子拧成一股,更结实。
一、案例分析题
1、背景资料【真题】:
某段高速公路桩号为K0+000~K13+700,交通荷载等级为重交通。
K9+362处有一座7×30m 预应力混凝土T 型梁桥,桥梁造价1000万元(含桥面铺装、交通安全设施等所有工程),K9+100~K9+600路线纵断面示意图见图1-1。
施工单位中标进场后,经初步考察,拟组织下列机械进场:A 、挖掘机;B 、缆索式起重机;C 、羊足碾;D 、旋挖钻机;E 、架桥机;F 、打桩机;G 、平地机;H 、大吨位千斤顶;I 、压路机;J 、自卸汽车等。
在编制实施性施工组织设计时,施工单位发现K9+100~K9+600段弃方共计140000m3,弃方平均运距450m ,且弃土场占用良田较多;桥头两端挖方体经取样检测,甲类土CBR 值为
4.2%,乙类土CBR 值为8.1%,土体均匀。
经业主、设计、监理、施工等单位现场考察,综合各方面因素,业主单位提出设计变更,将桥梁变更为路堤,变更后的路基填方横断面示意图见图1-2。
变更后,桥位段增加填方125000m3(均来自于K9+100~K9+600段路基挖方),增加的其他所有防护、排水工程、路面、交通安全设施等工程造价为680万元。
该合同段路基挖方单价14.36元/m3,填方单价7.02元/m3。
桥位段地表主要为旱地,原状土强度满足填方要求,设计要求清除表土深度为15cm 。
变更申请批复后,施工单位先将桥位段树木、表土、坟墓等清理完成,在基底填筑前,进行平整、碾压,并进行了相关检查或检测,然后逐层进行填筑施工。
<1> 、计算路基方案和桥梁方案的造价差额(单位万元,计算结果保留2位小数)。
根据《公路工程设计变更管理办法》,判定该设计变更属于哪级变更?说明理由。
该设计变更应该由。