多层住宅水力计算例题
- 格式:docx
- 大小:49.78 KB
- 文档页数:6
1.拟建6 层住宅,层高2.9 米,首层地面标高为±0.00 ,室外地面标高为-0.3m ,室外市政给水管中心标高为-1.4m ,所能提供的最小压力为180kPa ,试选用合理的给水方式,并绘出给水系统示意图。
解:因为该建筑为6层住宅(属于民用建筑),层高2.9m(不超过3.5m),所以按照经验法估算该建筑所需水压为(自室外地坪算起,即从标高为-0.3m 出算起):H=120+(n -2)×40 (n 为建筑层数,≥3)=120+(6 -2)×40 =280kpa而市政管网所能提供得最小压力从室外地坪算起为180kpa-(1.4-0.3)×10=169kpa<280 ;故需要采用增压措施,可以采用的方法有:设水泵和水箱、单设水泵、分区给水、水池—水泵—水箱等给水方式,图如书所示。
因为住宅用水不均匀,最合适的方式是设水泵与水箱的给水方式。
2.图2为某建筑的生活,消防共用高位水箱,其中V生活为生活调节水量,V消防为消防贮备水量。
试配齐水箱配管并纠正图中的错误。
答:1、进水管:要装设阀门;管口应高于最高水位0.1m;2、出水管:生活出水管装设阀门;与进水管为同一条管道时,出水管上应装设止回阀;为保证消防水不被动用,其出水管应在消防水位处开φ25的虹吸破坏孔;消防出水管要装设止回阀;3、溢流管:不准装设阀门;管口应高于最高水位0.05m;出口应装设网罩;不得于排水系统的管道直接连接;管径按最大流量确定,并宜比进水管大一级;正确如下图图2排水管溢流管3. 某办公楼建筑给水系统,水泵从贮水池抽水,其吸水管和压水管总长为40米,自贮水池最低水位±0.00 至水箱最高水位为32.00m ,已知该管路水头损失为4.16m H 2O 。
试求水泵所需总扬程。
解:总扬程:Hb=32+4.16=36.16m ,选泵时可以乘上1.05 ~ 1.1 的安全系数。
4.某建筑拟选用隔膜式气压给水设备供水方式,已知水泵出水量为3.5L/s ,设计最小工作压力为250kpa (表压),最大工作压力为400kpa (表压),试求气压水罐总容积。
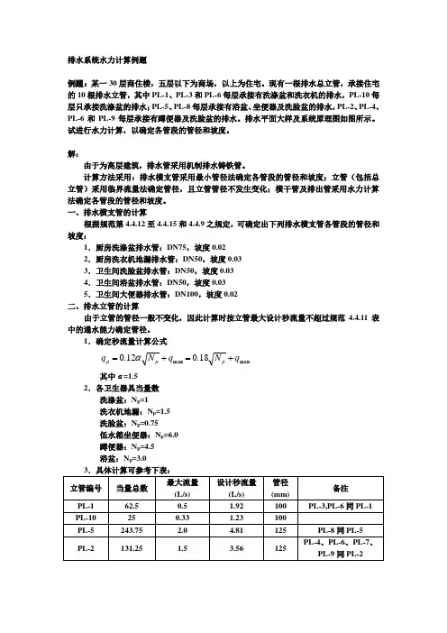
排水系统水力计算例题例题:某一30层商住楼,五层以下为商场,以上为住宅。
现有一根排水总立管,承接住宅的10根排水立管,其中PL-1、PL-3和PL-6每层承接有洗涤盆和洗衣机的排水,PL-10每层只承接洗涤盆的排水;PL-5、PL-8每层承接有浴盆、坐便器及洗脸盆的排水,PL-2、PL-4、PL-6和PL-9每层承接有蹲便器及洗脸盆的排水。
排水平面大样及系统原理图如图所示。
试进行水力计算,以确定各管段的管径和坡度。
解:由于为高层建筑,排水管采用机制排水铸铁管。
计算方法采用:排水横支管采用最小管径法确定各管段的管径和坡度;立管(包括总立管)采用临界流量法确定管径,且立管管径不发生变化;横干管及排出管采用水力计算法确定各管段的管径和坡度。
一、排水横支管的计算根据规范第4.4.12至4.4.15和4.4.9之规定,可确定出下列排水横支管各管段的管径和坡度:1.厨房洗涤盆排水管:DN75,坡度0.02 2.厨房洗衣机地漏排水管:DN50,坡度0.03 3.卫生间洗脸盆排水管:DN50,坡度0.03 4.卫生间浴盆排水管:DN50,坡度0.03 5.卫生间大便器排水管:DN100,坡度0.02 二、排水立管的计算由于立管的管径一般不变化,因此计算时按立管最大设计秒流量不超过规范4.4.11表中的通水能力确定管径。
1.确定秒流量计算公式m a x m a x 18.012.0q N q N q p p p +=+=α 其中α=1.52.各卫生器具当量数 洗涤盆:N p =1洗衣机地漏:N p =1.5 洗脸盆:N p =0.75低水箱坐便器:N p =6.0 蹲便器:N p =4.5 浴盆:N p =3.0三、排水横干管、立管及排出管的计算1.进行管段编号,如图所示。
2.列表,主要有:管段编号、当量总数、设计秒流量、管径、坡度、排水流量、备注等。
3.水力计算(1)设计秒流量计算,方法同上(2)确定管径、坡度根据设计秒流量,依据排水横管水力计算的4个规定,通过查表的形式,确定出各管段的管径和坡度。
1.一住宅建筑给水系统,经计算总水表通过的设计流量为52m3/h,欲选用LXL-DN80mm的水表,其最大流量为100 m3/h,额定流量为60m3/h,试计算水表的水头损失。
2.某办公楼建筑给水系统,水泵从贮水池抽水,其吸水管和压水管总长为50m,至贮水池最低水位 0.00m,至水管最高水位为30.00m,已知该管路水头损失为5.16mH2O,试计算水泵所需总扬程。
3.已知某城市最高日用水量标准为100l/人.d的办公楼一座共五层,每层洗手间内设冲洗水箱大便器3个,污水池一个,普通水龙头5个。
求该楼引入管中的设计秒流量以及横支管的设计秒流量。
4.某建筑物拟定设气压给水设备供水方式,已知住宅楼共100户,每户平均4人,用水量定额为160l/人.d,时变化系统Kh=4.5,Pmin=280KPa,Pmax=400KPa,求隔膜式气压罐的总容积。
5.某旅馆建筑给水系统选用的给水方式为自动启动水泵供水到管网和水箱,此种工况的水泵出水量qb=15m3/h,试求水箱静容积。
6.某办公楼建筑给水系统,水泵的吸水管和压水管总长为40m,自-0.30最低水位压水到水箱+32.00最高水位,已知该管路水头损失为5.16mH2O试求:●水泵所应具有的总扬程;●若水泵不从贮水池吸水而从室外给水管网吸水,若室外自来水管网最小的水压为20mH2O时,则此种工况水泵扬程为多少?7.一办公楼共十层,层高不超过3.5m,已知外网水压为28mH2O,试确定其合理的给水方式。
8.某集体宿舍的厕所间及浴洗间共设高位水箱大便器8个,小便槽3.0m,洗脸盆12个,9.某公共建筑物三层。
按照建筑物消防规定,该建筑物为中危险级,设有湿式自动喷水灭火系统,选用Ф15玻璃球型喷头,其管网轴测图如下所示,若管路总的沿程水头损失为200KPa,试按作用面积法和特性系数法计算各管段的流量并确定水泵的出水量和扬程。
10.某4层办公楼设生活、消防共用的给水系统。
求水泵给水住宅楼给水管段设计流量例题假设该住宅楼的层数为10层,地面至最高层高度为30m,地面至水泵站高度为5m,给水管道长度为100m,设计使用水量为300m3/日。
以下是计算过程:1. 设计扬程由上述数据可得,最高扬程为30m + 5m = 35m。
考虑到管道阻力、水泵效率等因素,选择一个适当的安全系数,例如1.2,得到设计扬程为35m × 1.2 = 42m。
2. 计算流量根据设计使用水量和住宅楼的层数,可知每天每层需要的水量为:300m3/日÷ 10层÷ 24h = 1.25 m3/h考虑到用水量会有峰值,且在管道上行走的水也需要一定流量,一般选择1.2倍的安全系数。
所以,每小时每层的设计流量为:1.25 m3/h × 1.2 = 1.5 m3/h总共10层,所以整栋楼的设计流量为:1.5 m3/h × 10层 = 15 m3/h3. 计算管道内径根据设计流量和管道长度,可通过经验公式计算出管道内径。
这里以常见的钢管为例,假设采用DN50钢管(管径50mm),则经验公式为:Q = 7.34 × 10^-3 × D^2.63 × L^0.54其中,Q为设计流量(m3/h),D为管道内径(mm),L为管道长度(m)。
代入数据得到:15 m3/h = 7.34 × 10^-3 × D^2.63 × 100m^0.54解方程得到D ≈ 80mm。
因此选择DN80钢管作为给水管道管径。
4. 校验最后,校验设计结果是否合理。
可使用大流量状态下的水泵选型曲线验证水泵是否能满足该设计扬程和流量;使用压力降公式计算管道的阻力是否符合要求等。
如果校验结果不合理,则需要重新进行计算和设计。
住宅建筑给水管水力计算算例及讨论摘要:通过对当前新建的典型普通多层住宅生活给水系统详细的水力计算,得出在设定的流速范围内管道和水表的口径及水头损失。
从而得出为满足使用要求需要的室外干管水压,最后对涉及的有关问题进行了讨论。
Hydraulic Calculation of Water Supply Line for ResidentialBuildingHuang Yunfei et alAbstract: Minute hydraulic calculation was conducted for newly constructed multi-story residential buildings. The size and headlosses of the water supplying pipeline and meters under pre-decided flowrate were obtained and then the necessary pressure of outdoor water mains could be determined. Also some related problems were discussed.0 概述规范GBJ15-88(简称规范)第2.6.3条规定:给水管的管径应根据设计秒流量、室外管网能保证的水压和最不利处的配水点所需的水压计算确定。
本文通过设定的典型住宅生活给水管的水力计算,谋求在一定的流速范围内,可供压力与管道、水表配置的协调,达到使用要求与工程经济的最佳组合。
1 典型住宅的设定选用常州市在住宅小区规划设计中常用的5层~7层多层住宅。
为寻找规律性,计算外延至9层。
采用常州市当前新设计住宅常用的设备配置标准,如表1。
表1 住宅给水设备的配置和当量采用注:不计一户双卫。
按规范,前3项括号中的值,用于有热水供应(第3类住宅)且冷水和热水分别到达用水器具时计算冷水系统用。
---给排水专业计算书设计单位:给排水计算一、生活给水系统有关计算:1、管道的水力计算康宁新城27#28#楼为多层住宅楼,设计室内给水全部由市政供给.现对六层及其复式进行水压核算.1.1、该楼给水管的水力计算:根据公式进行给水水管JL-01-01计算:根据最不利用水点至给水出户管,以洁具为单位进行管段编号. 以下水力计算过程由软件生成:系统名称:给水-给水系统一 建筑名称:住宅用水定额:200(L/人.d) 用水人数:3.5(人) 总当量:6.00 变化系数Kh:2.50 Uo 值:1.69 控制流速:DN15-DN20≤1.0m/s DN25-DN40≤1.2m/s DN50-DN70≤1.5m/s DN80-≤1.8m/s 管道材质:PPR(1.25MPa) 末端压力:0.050(MPa) 计算公式:非自闭冲洗阀公式 前编 号后编 号当量 (N)流量 (l/s )管径 (DN)流速 (m/s ) 坡度 (MPa /m) 管长 (m)出流概率 Uo(%) 系数 αc 值水损 (MPa )前压 (MPa )后压 (MPa )1 2 0.75 0.15 20 0.46 0.00016 1.50 1.690.00847 0.0002 0.0500 0.0502 2 3 1.25 0.22 25 0.42 0.00010 1.501.690.00847 0.0002 0.0502 0.0504 3 4 2.00 0.29 25 0.54 0.00016 1.501.690.00847 0.0002 0.0504 0.0506 4 5 3.00 0.35 25 0.66 0.00024 1.101.910.01026 0.0003 0.0506 0.0509 5 6 4.00 0.41 25 0.77 0.00031 6.801.860.00981 0.0021 0.0509 0.0530 6 7 6.45 0.52 25 0.98 0.00049 4.301.790.00930 0.0021 0.0530 0.0552 7 8 7.20 0.55 25 1.03 0.00055 1.501.780.00921 0.0008 0.0552 0.0560 8 9 7.70 0.57 25 1.07 0.00058 1.501.780.00916 0.0009 0.0560 0.0569 9 10 8.45 0.60 25 1.12 0.00064 1.501.770.00910 0.0010 0.0569 0.0578 10118.450.6025 1.120.0006415.701.770.009100.01000.05780.0678沿程水头损失累计为:yh∑= 0.0178Mpa局部水头损失按沿程30%计算为:30%jy hh =∑∑=0.3X 0.0178MPa=0.005MPa1.2、对室内管网所需水压进行校核:H1: 引入管起点至配水最不利点位置高度所要求的静水压H1=0.157+0.0025+0.010=0.17MpaH2 : 引入管起点至配水最不利点的给水管路即计算管路的沿程与局部水头损失之和H2=0.0178+0.005=0.0228MPaH3:水流通过水表时的水头损失:分户水表采用DN20口径的分户水表,其公称流量为:2.5m3/h ,最大流量为5m3/h 所以每层分户水表的水头损失为:2222max 0.450.20250.81()(55)0.010.25100g g d bq q h Kpa q K X X ======0.00081MPa H4:配水最不利点所需的流出水头H4=0.05MPa给水系统JL-01-01所需压力H: H=H1+H2+H3+H4=0.17+0.0228+0.00081+0.05=0.244Mpa因此给水立管引入管处所需最小水压为0.244Mpa . 1.3、最大日用水量、最大时用水量计算:最大日用水量计算公式: d d Q mq =式中: d Q —— 最大日用水量3/m dm —— 用水单位数人d q —— 用水量标准升/人/日等其中用水单位数及用水量标准的确定如下:用水定额取200L/cap.d 27#28#楼人数按132计算: 0.20X132=26.4(3/m d ) 最大时用水量计算 公式:hh Qd K Q T⨯=h Q ---最大时用水量m3/hh K ---时变化系数T---建筑物内用水时间小时取h K =2.5 T =24 则h h Qd K Q T⨯==(26.4X2.5)/24=2.79(3/m d ) ---------------------------------------------------------------------------------------------------------------------二、排水系统有关计算:2.1.参照规范及设计说明相关规定:洗脸盆,地漏,淋浴排水管管径为De50mm,大便器管径为De110mm,立管管径为De110mm,通气管管径为De110mm.排水管道PL-03水力计算表如下:系统名称:污水-污水系统一建筑名称:住宅立管通气:仅有伸顶通气管横管类型:无环形通气管α值:1.5 管道材质:排水塑料管最大的一个卫生洁具的排水流量:0.5(l/s)前编号后编号当量(Ng)流量(l/s)管径(DN)充满度h/D流速(m/s)坡度(m/m)1 2 1.50 0.50 752 3 3.00 0.81 753 4 4.50 0.88 754 5 6.00 0.94 755 6 7.50 0.99 75管道末端最大流量为0.99L/S,DN75仅设通气立管最大过水能力为1.3L/S,满足要求!---------------------------------------------------------------------------------------------------------------------- 排水管道PL-01水力计算表如下:系统名称:污水-污水系统一建筑名称:住宅立管通气:仅有伸顶通气管横管类型:无环形通气管α值:1.5 管道材质:排水塑料管最大的一个卫生洁具的排水流量:1.5(l/s)前编号后编号当量(Ng)流量(l/s)管径(DN)充满度h/D流速(m/s)坡度(m/m)1 2 5.70 1.88 1102 3 11.40 2.11 1103 4 17.10 2.24 1104 5 22.80 2.36 1105 6 28.50 2.46 1106 7 34.20 2.55 110管道末端最大流量为2.55L/S,DN100仅设通气立管最大过水能力为3.2L/S,满足要求!--------------------------------------------------------------------------------------------------------------------- 排水管道SPL-01水力计算表如下:系统名称:污水-污水系统一建筑名称:住宅立管通气:仅有伸顶通气管横管类型:无环形通气管α值:1.5 管道材质:排水塑料管最大的一个卫生洁具的排水流量:2.0(l/s)前编后编当量流量管径充满度流速坡度号 号 (Ng) (l/s) (DN) h/D (m/s) (m/m) 1 25.251.731100.4201.120.026管道末端最大流量为1.73L/S , DN100无通气的底层单独排水管最大过水能力为2.5L/S ,满足要求!2.2. 最大日排水量、最大时排水量计算居住小区生活排水系统排水定额是其相应的生活的生活给水系统用水定额85%~95% ,居住小区生活排水系统小时变化系数与其相应的生活的给水系统小时变化系数相同。
某5层10户住宅,每户卫生间内有低水箱坐式大便器1套,洗脸盆、浴盆各1套,厨房内有洗涤盆1个,该建筑有局部热水供应。
轴测图如图所示,管材为镀锌钢管。
引入管与室外给水管网连接点到最不利配水点的高差为17.1m。
室外给水管网所能提供的最小压力H0=270kPa,试进行水力计算。
给水管道水力计算表其中,q0=200L/人*d ,m=3.5人,Kh=2.5. 沿程水头损失=25.07kPa局部水头损失=30%×25.07=7.521kPa 总水头损失=25.07+7.521=32.591kPa水表水头损失:首先选择水表类型,此处选用LXS 湿式水表分户水表安装在2-3管段,q 2-3=0.31L/s =1.12m 3/h ,查附录4,选15mm 口径的分户水表,其公称流量为1.5 m 3/h>1.12 m 3/h ,最大流量为3 m 3/h 。
所以分户水头损失为kPa Q q K q h gb gd 94.13100312.110022max 222====总水表安装在8-9管段,q 8-9=1.3 L/s =4.68 m 3/h ,查附录4,选32mm 口径的水表,其公称流量为6 m 3/h ,最大流量为12 m 3/h 。
所以总水表水头损失为:kPa Q q K q h gb gd 21.151001268.410022max 222'==== 两者都满足水头损失允许值。
水表总水头损失:H 3=13.94+15.21=29.15 kPa 计算给水系统所需压力:H=H 1+H 2+H 3+H 4=(17.1×10+32.59+29.15+20)=252.74 kPa<270kPa 满足要求课本中例2-1计算表格节点编号卫生器具名称当量0 浴盆 11 低水箱大便器0.52 洗脸盆0.753 洗涤盆 1。
某住宅楼采暖系统水力计算本文档所涉及附件如下:1. 某住宅楼采暖系统平面图2. 已安装的设备清单3. 水力计算表格本文档所涉及的法律名词及注释:1. 住宅楼:指供人们居住的建筑,包括公寓楼、别墅等。
2. 采暖系统:指通过供热设备将热传递给住宅楼内的各个区域,用于取暖和热水供应的系统。
3. 水力计算:指计算供热系统中水流的流量、压力等参数,用于优化系统的运行和节能。
1. 引言1.1. 目的本文档旨在进行某住宅楼采暖系统的水力计算,以确定最佳的水流量和压力参数,以提高系统的运行效率。
1.2. 背景某住宅楼位于某市中心,由多个单元组成,每个单元都配有独立的采暖系统。
为了改善系统的运行效果,需要进行水力计算,以确定最佳的供热参数。
2. 设备清单2.1. 供热设备- 锅炉:型号ABC-123,燃气锅炉,额定功率100kW,温度调节范围30-90摄氏度。
- 泵:型号XYZ-456,循环泵,额定功率50W,最大扬程5m,流量范围2-4立方米/小时。
2.2. 管道及阀门- 主管道:直径DN50,管材为钢管。
- 支管道:直径DN25,管材为钢管。
- 阀门:各房间配有温控阀门,用于调节供热量。
3. 水力计算3.1. 系统参数3.1.1. 待计算楼层:2楼、3楼、4楼3.1.2. 楼层面积:每层100平方米3.1.3. 楼层高度:3米3.1.4. 房间数量:每层4个房间3.2. 计算步骤3.2.1. 确定水流量需求根据楼层面积、楼层高度和房间数量,计算每个楼层的总供热需求,进而确定总水流量需求。
3.2.2. 计算压力损失根据管道直径、长度、水流量等参数,计算管道的压力损失,考虑到管道摩阻、弯头、阀门等因素。
3.2.3. 确定泵的性能要求根据水流量需求和管道压力损失,确定泵的性能要求,包括最大扬程和最小流量。
3.2.4. 选择合适的泵根据泵的性能要求和供应商提供的产品信息,选择合适的泵型号。
4. 结果分析根据水力计算,推荐采用某型号的循环泵,以满足系统的水流量和压力要求。
1、拟建 7 层住宅,层高 3.0m ,首层地面标高为 ±0.00m ,室外地面标高为 -0.6m ,室外市政给水管中心标高为 -1.4m ,供水不均匀,且能提供的最小压力为240kPa ,试通过经验估算法选择合理的给水方式。
2、某办公室楼建筑给水系统,水泵从储水池抽水,其吸水管和压水管总长40m ,储水池最低水位+0.00m ,水箱最高水位32m ,已知该管水头损失4.16m ,试求水泵所需总扬程?3、某配水点所要求的热水水温为40℃,若冷水计算温度为10 ℃,求(1)所需热水量(60 ℃)和冷水量的比例?(2)若配水点需要40 ℃热水500L ,需要各提供多少热水量(60 ℃)和冷水量(10 ℃)?4、某宾馆热水供应系统采用全日制热水供应,最大小时耗热量为1245kw ,供水温度60℃,冷水温度为10℃,该系统采用0.2Mpa 的饱和蒸汽为热媒,饱和温度为133.5℃,拟采用容积式换热器,换热器钢盘管的传热系数按698W/(m2℃)计,传热效率系数取0.7,试求:1.所需加热面积;2.按45min 计算,所需储水总容积。
参数如下:0.7; 1.15r C ε==5、拟建 6 层住宅,层高 2.9m ,首层地面标高为 ± 0.00m ,室外地面标高为 -0.3m ,室外市政给水管中心标高为 -1.4m ,供水不均匀,且能提供的最小压力为180kPa ,试通过经验估算法选择合理的给水方式。
6、 一高级旅馆,有总统套房2套(每套按8床计),豪华套房20套(每套按2床位计),高级套房300套(每套按2床位计),员工110人,用水标准为每床每日400L/d ,每人每日100L/d ,则调节水池体积至少要多少立方米?7、有一直接供水方式的6层建筑,该建筑1-2层为商场(a = 1.5),总当量数为20;3-6层为旅馆(a = 2.5),总当量数为125;该建筑生活给水引入管的设计秒流量为多少?(注:此时a 值应按加权平均法计算)8、某4层办公楼设生活、消防共用的给水系统,其轴侧图如图5所示,采用口径65mm 的单出口消火栓和麻质水龙带。
建筑给排水计算题1. 一住宅建筑给水系统,经计算总水表通过的设计流量为52m 3/h ,欲选用LXL-DN80mm 的水表,其最大流量为100 m 3/h ,额定流量为60m 3/h ,试计算水表的水头损失。
2. 某办公楼建筑给水系统,水泵从贮水池抽水,其吸水管和压水管总长为50m ,至贮水池最低水位 0.00m ,至水管最高水位为30.00m ,已知该管路水头损失为5.16mH 2O,试计算水泵所需总扬程。
3. 已知某城市最高日用水量标准为100l/人.d 的办公楼一座共五层,每层洗手间内设冲洗水箱大便器3个,污水池一个,普通水龙头5个。
求该楼引入管中的设计秒流量以及横支管的设计秒流量。
4. 某建筑物拟定设气压给水设备供水方式,已知住宅楼共100户,每户平均4人,用水量定额为160l/人.d,时变化系统Kh=4.5,Pmin=280KPa,Pmax=400KPa,求隔膜式气压罐的总容积。
5. 某旅馆建筑给水系统选用的给水方式为自动启动水泵供水到管网和水箱,此种工况的水泵出水量qb=15m3/h,试求水箱静容积。
6. 某办公楼建筑给水系统,水泵的吸水管和压水管总长为40m,自-0.30最低水位压水到水箱+32.00最高水位,已知该管路水头损失为5.16mH2O试求: ● 水泵所应具有的总扬程;● 若水泵不从贮水池吸水而从室外给水管网吸水,若室外自来水管网最小的水压为20mH2O时,则此种工况水泵扬程为多少?7. 一办公楼共十层,层高不超过3.5m ,已知外网水压为28mH2O,试确定其合理的给水方式。
8.某集体宿舍的厕所间及浴洗间共设高位水箱大便器8个,小便槽3.0m,洗脸盆12个,污水盆2个,试确定排出管中的合流污水设计流量,已知数据如下:卫生器具名称数量(个)排水量(L/s)当量数(当量/个)高水箱大便器小便槽洗脸盆污水盆83.0m1221.50.050.250.334.50.150.751.09.某公共建筑物三层。
住宅建筑给水管水力计算算例及讨论住宅建筑的设计总用水量为10m³/h,给水管道的起始水压为0.4MPa,终点水压为0.3MPa。
首先我们需要确定给水管道的管径,然后计算管道的水力参数,最后根据水力参数来选择合适的给水管道材料和规格。
1.确定给水管道的管径根据设计总用水量,我们可使用以下公式计算给水管道的流量Q:Q=V/t其中,V为设计总用水量,单位为m³/h;t为给水管道使用的小时数。
假设给水管道使用24小时,代入之前的数值,可得:Q=10/24=0.4167m³/h下一步是根据给水管道的流量来确定其管径。
我们将使用流量速度法进行计算。
首先,我们假设给水管道的流速为2m/s。
根据流量速度法公式:Q=A×v其中,Q为流量,单位为m³/h;A为管道横截面积,单位为m²;v为流速,单位为m/s。
代入之前的计算结果,可得:0.4167=A×2解得给水管道的横截面积为0.4167/2=0.2084m²由于给水管道一般选用圆形管道,其横截面积A可通过以下公式进行计算:A=π×(d/2)²其中,π取3.14,d为管道的直径,单位为m。
代入横截面积的计算结果,可得:0.2084=3.14×(d/2)²解得给水管道的直径d为0.515 m,即51.5 cm。
2.计算管道的水力参数根据给水管道的直径,我们可计算出其横截面积和周长:A=π×(d/2)²=3.14×(0.515/2)²=0.2084m²C=π×d=3.14×0.515=1.62m接下来,我们将计算流量速度和雷诺数来确定水力参数。
流量速度v的计算公式为:v=Q/A代入之前的计算结果,可得:v=0.4167/0.2084≈2m/s雷诺数Re的计算公式为:Re=v×d/ν其中,ν为水的运动黏度,单位为m²/s,一般取10⁻⁶m²/s。
例题某5层住宅;层高3m;每层2户分户型A与户型B..其中户型A二卫一厨;设低水箱坐式大便器、洗脸盆各2个;淋浴器、浴盆、洗涤盆、洗衣机水嘴各1个;户型B一卫一厨;设低水箱坐式大便器、洗脸盆、淋浴器、洗涤盆、洗衣机水嘴各1个..该住宅有局部热水供应..图1为该住宅卫生器具平面布置图;图2为给水系统轴测图;管材为内涂塑钢塑复合管..室外给水管网在引入管连接点所能提供的最小压力H=250kPa..试进行给水系统的水力计算..图1标准层卫生器具平面布置图图2给水系统轴测图解⒈根据给水系统轴测图;确定最不利配水点及计算管路⑴由图2看;A0或B0均有可能成为最不利配水点;经估算比较;初定A0点即淋浴器混合阀为系统最不利配水点;计算管路为A0-A1-A2-A3-A4-A5-1-2-3-4-5-6....⑵引入管起点至最不利配水点位置高度所要求的静水压H1根据图2;H=13.15--1.25×10=144kPa1⑶最不利配水点所需的最低工作压力H4根据表 2.1.1淋浴器混合阀最低工作压力为0.05~0.10MPa;选取=0.070MPa=70kPaH4⒉计算各管段的设计秒流量该工程为住宅建筑;设计秒流量采用概率法计算..⑴户型A图2中给水管路A0-A1-A2-A3-A4-A5-1设计秒流量计算=280L/人·d;用水时①根据表2.2.1;户型A为普通住宅III类;用水定额取q=2.5;每户按m=4人计..数T=24h;时变化系数取Kh②根据表2.1.1;求每户设置的卫生器具给水当量数Ng坐便器冲洗水箱浮球阀N=0.50×2=1.00洗脸盆混合水嘴N=0.50×2=1.00淋浴器混合阀N=0.75浴盆混合水嘴N=1.20洗涤盆混合水嘴N=1.00家用洗衣机水嘴N=1.00小计:每户给水当量数Ng=6.45 ③U 0U 0=0251.036002445.62.05.2428036002.00=⨯⨯⨯⨯⨯=•••T N mK q g h取U 0=2.5%U 0计算公式中N g 是指每户设置的卫生器具给水当量数 ④根据U 0αc 值αc =1.512×10-2=0.01512 ⑤UU =%100)1(01512.01%100)1(149.049.0⨯-+=⨯-+gg gg c N N N N αU 计算公式中N g 是指计算管段上的卫生器具给水当量总数;笔者认为当计算管段为起始端时;不论N g 大小是何值;U 值均无需计算;均按U=100%计⑥q gq g =0.2·U ·N g⑦重复步骤⑤、⑥可求出户型A 所有计算管段的设计秒流量..计算结果列入表1中下同..在实际应用中;当计算出U 0后;即可根据计算管段的N g 值直接查表得出设计秒流量;可省去上述步骤④、⑤、⑥、⑦..“5版教材”未列出概率法“给水管段设计秒流量计算表”..⑵同理求出户型B 图2中B0-B1-B2-B3-B4-1设计秒流量①户型B 为普通住宅II 类;用水定额取q 0=250L/人d;用水时数T=24h;时变化系数取K h =2.8;每户按m=3.5人计..②每户给水当量数N=4.0 ③U 0=0354.036002442.08.25.325036002.00=⨯⨯⨯⨯⨯=•••T N mK q g h ;取U 0=3.5%④αc =0.02374 ⑤%100)1(02374.0149.0⨯-+=gg N N U⑥同户型A 步骤⑥⑦⑶给水立管给水管路1-2-3-4-5-6设计秒流量计算①U 0的给水支管的给水干管的最大时卫生器具给水当量平均出流概率0U029.00.445.60.40354.045.60251.000=⨯+⨯⨯⨯+⨯⨯==∑∑nn nn NN U U gi gii 式中n —使用卫生器具的户数;设计管段1-2取1;2-3取2;3-4取3;4-5取4;5-6取5取%9.20=U②根据U 0αc 值;采用内插法αc =0.01854 ③%100)1(01854.0149.0⨯-+=gg N N U④同户型A 步骤⑥⑦.. ⒊进行给水管网的水力计算⑴根据公式2.4.1求管道计算内径d j流速vd j 及公称直径DN ;再反算得出流速v ;该步骤要反复试算.. ⑵根据公式2.4.3;求管道单位长度水头损失i内涂塑管采用C h =140实际应用中;已知q g 后;可直接使用“水力计算表”查表得出v 、DN 、i ..目前;还未见有用海澄·威廉公式编制的“水力计算表”..建筑给水钢塑复合管管道工程技术规程CECS125:2001列出了“钢塑复合管水力计算表”;但不是用海澄·威廉公式编制的;本文为了与“新规范”保持一致;采用海澄·威廉公式计算i 值;经比较两者误差不大..⑶h y 及∑h yh y =i ·L P34页沿程水头损失用h i 表示;建议统一为h y∑h y =14.10kPa 经比较∑h A0~1=8.33kPa;∑h B0~1=7.55kPa ⑷各项计算结果均列入表1中..j 按管网沿程水头损失的百分数估算法进行计算 ∑h j =30%∑h y =0.3×14.19=4.26kPa ∴计算管路的水头损失H 2为 H 2=∑h y +∑h j =14.19+4.26=18.45kPa ⑹3该工程采用一户一表;抄表到户制;不设总水表..因住宅用水量较小;选用LXS 旋翼湿式水表;户型A 每户流量均为q A5-1=0.53L/s=1.91m 3/h;户型B 流量为q B4-1=0.42L/s=1.51m 3/h..查附录 1.1;户型A 选用DN20水表;其常用流量 2.5m 3/h >q A5-1;过载流量Q max =5m 3/h..所以水表水头损失为:户型B 同样选用DN20水表;水表水头损失为:住宅用水不均匀;水表口径可按设计秒流量不大于水表过载流量确定;因此户型A 户型B 分别选用DN15分户水表即可;但经计算其水头损失分别为40.53kPa 和25.33kP管段A0~1水头损失总计∑H A =1.3×∑h yA0-1+h dA =1.3×8.33+14.59=24.42kPa 管段B0~1水头损失总计∑H B =1.3×∑h yB0-1+h dB =1.3×7.55+9.12=18.94kPa∵∑H A ﹥∑H B ∴确定A0点为最不利配水点正确 ∴H3=h dA =14.59kPa ⑺H=H 1+H 2+H 3+H 4=144+18.45+14.59+70=247.04kPa <250kPa 满足要求.. ⒋确定非计算管路各管段的管径 计算略..解毕。
各建筑给排水的水力计算及习题消防水池有效容量计算公式(一):V=Vn+Vw-Vg式中:V---消防水池有效容量(m3)Vn---室内消防水池用水量(m3)Vw---室外消防用水量(m3)Vg---室外给水管网供水量(m3)公式(二):Vn=Qy﹒ty+Qp﹒tp+Qm﹒tm式中:Qy---室内消防栓系统的用水流量(m3/s),按高层民用建筑设计规范GB50045-95的表7.2.2Qp---自动喷水系统的用水流量(m3/s)Qm---防水卷帘水幕保护系统用水流量,Lm---被保护的防火卷帘总长度(m)Ty---火灾延续时间(s), 按高层民用建筑设计规范GB50045-95的表7.2.2取用,一类Tp和tm---分别为自动喷水系统及水幕保护系统喷水时间(s),公式(三):Vw=Qw﹒ty式中:Qw---室外消防栓系统的用水流量(m3/s),按高层民用建筑设计规范GB50045-95取公式(四):Vg=(3.14d2/4﹒vs+n﹒Qg)﹒ty式中:d---室外给水环形管网管道内径(m)vs---室外给水环形管网水流速(m/s),当管网最低压力不低于0.1MP时可取值为:n---利用市政公共消防栓具数Qg---市政公共消防栓流量(m3/s)§3—5排水管道系统的水力计算一、排水定额:两种:每人每日消耗水量卫生器具为标准排水当量:为便于计算,以污水盆的排水流量0.33升/秒作为当量,将其他卫生器具与其比值1个排水当量=1.65给水当量二、排水设计流量:1、最大时排水量:QdTQh?KQPQP?用途:确定局部处理构筑物与污水提升泵使用2、设计秒流量:(1)当量计算法:qu?0.12?NP?qmax适用:住宅、集体宿舍、旅馆、医院、幼儿园、办公楼、学校注意点:qu??qi,取?qi(2)百分数计算法:qu??qpn0b适用:工业企业,公共浴室、洗衣房、公共食堂、实验室、影剧院、体育馆等公共建筑注意点:qu?一个大便器的排水流量取一个大便趋的排水流量三、排水管道系统的水力计算1、排水横管水力计算:(1)横管水流特点:水流运动:非稳定流、非均匀流卫生器具排放时:历时短、瞬间流量大、高流速特点:冲击流——水跌——跌后段——逐渐衰减段可以冲刷管段内沉积物及时带走。
给水系统所需压力计算例题
给水系统是指供给建筑物日常生活用水的系统,其中包括自来水供应、给水管道以及相关设备等。
为确保水流畅、供水稳定,给水系统的压力计算非常重要。
下面将介绍一个给水系统所需压力计算的例题。
假设某个住宅小区需要设计一套给水系统,供应280户住户的生活用水。
建筑物总高度为22米,每层高度为3米。
给水系统采用垂直给水方式,即通过自重压力将水从低处供应到高处。
首先,我们需要计算供水系统所需的最小压力,以确保水能够顺利流动到最高层。
根据公式:最小压力(Pmin)= 高差(H)/高度系数(K),其中,高度系数取0.1。
高差(H)= 建筑物总高度(Ht)- 低点高度(Hl),低点高度取地面高度为0米。
H = 22m - 0m = 22m
然后,我们可以计算出高度系数(K):
K = 0.1
将上述数值带入公式中,得出最小压力:
Pmin = 22m / 0.1 = 220kPa
得出最小压力为220千帕。
接下来,我们需要考虑系统中存在的各种压力损失,包括管道摩擦损失、弯头和孔板等装置引起的局部压力损失。
假设所有压力损失之和为100千帕。
最终,我们可以计算出给水系统所需的设计压力(Pdesign):
Pdesign = Pmin + 压力损失
Pdesign = 220kPa + 100kPa
得出设计压力为320千帕。
因此,给水系统所需的设计压力为320千帕,以确保水能够顺利供应到住宅小区的每个住户。
当然,以上只是一个简单的给水系统压力计算例题,实际工程中还需要考虑更多因素,如管道直径、流速等,以保证给水系统的可靠性和安全性。
多层住宅水力计算例题集团文件发布号:(9816-UATWW-MWUB-WUNN-INNUL-DQQTY-
【例题】某5层住宅,层高3m,每层2户(分户型A与户型B)。
其中户型A 二卫一厨,设低水箱坐式大便器、洗脸盆各2个,淋浴器、浴盆、洗涤盆、洗衣机水嘴各1个;户型B一卫一厨,设低水箱坐式大便器、洗脸盆、淋浴器、洗涤盆、洗衣机水嘴各1个。
该住宅有局部热水供应。
图1为该住宅卫生器具平面布置图,图2为给水系统轴测图,管材为内涂塑钢塑复合管。
室外给水管网在引入
=250kPa。
试进行给水系统的水力计算。
管连接点所能提供的最小压力H
图1 标准层卫生器具平面布置图图2 给水系统轴测图
【解】
⒈根据给水系统轴测图,确定最不利配水点及计算管路
⑴由图2看,A0或B0均有可能成为最不利配水点,经估算比较,初定A0点即淋浴器混合阀为系统最不利配水点,计算管路为A0-A1-A2-A3-A4-A5-1-2-3-4-5-6。
⑵引入管起点至最不利配水点位置高度所要求的静水压H
1
=[13.15-(-1.25)]×10=144kPa
根据图2,H
1
⑶最不利配水点所需的最低工作压力H
4
根据表2.1.1淋浴器混合阀最低工作压力为0.05~0.10MPa,选取
H
=0.070MPa=70kPa
4
⒉计算各管段的设计秒流量
该工程为住宅建筑,设计秒流量采用概率法计算。
⑴户型A(图2中给水管路A0-A1-A2-A3-A4-A5-1)设计秒流量计算
①根据表2.2.1,户型A为普通住宅III类,用水定额取q
=280L/
=2.5,每户按m=4人计。
(人·d),用水时数T=24h,时变化系数取K
h
②根据表2.1.1,求每户设置的卫生器具给水当量数Ng
坐便器冲洗水箱浮球阀 N=0.50×2=1.00
洗脸盆混合水嘴 N=0.50×2=1.00
淋浴器混合阀 N=0.75
浴盆混合水嘴 N=1.20
洗涤盆混合水嘴 N=1.00 家用洗衣机水嘴 N=1.00 小计:每户给水当量数 Ng=6.45 ③ U 0 U 0=
0251.03600
2445.62.05
.2428036002.00=⨯⨯⨯⨯⨯=•••T N mK q g h
取U 0=2.5%(U 0计算公式中N g 是指每户设置的卫生器具给水当量数) ④ 根据U 0αc 值
αc =1.512×10-2=0.01512 ⑤ U
U =
%100)1(01512.01%100)1(149
.049
.0⨯-+=
⨯-+g
g g
g c N N N N α
(U 计算公式中N g 是指计算管段上的卫生器具给水当量总数,笔者认为当计算管段为起始端时,不论N g 大小是何值,U 值均无需计算,均按U=100%计)
⑥ q g
q g =0.2·U ·N g
⑦重复步骤⑤、⑥可求出户型A 所有计算管段的设计秒流量。
计算结果列入表1中(下同)。
在实际应用中,当计算出U 0后,即可根据计算管段的N g 值直接查表得出设计秒流量,可省去上述步骤④、⑤、⑥、⑦。
“5版教材”未列出概率法“给水管段设计秒流量计算表”。
⑵ 同理求出户型B (图2中B0-B1-B2-B3-B4-1)设计秒流量
① 户型B 为普通住宅II 类,用水定额取q 0=250L/(人d ),用水时数T=24h ,时变化系数取K h =2.8,每户按m=3.5人计。
② 每户给水当量数N=4.0 ③ U 0=
0354.03600
2442.08
.25.325036002.00=⨯⨯⨯⨯⨯=•••T N mK q g h ,取U 0=3.5%
④ αc =0.02374
⑤ %100)1(02374.0149
.0⨯-+=
g
g N N U
⑥ 同户型A 步骤⑥⑦
⑶ 给水立管(给水管路1-2-3-4-5-6)设计秒流量计算
① U 0的给水支管的给水干管的最大时卫生器具给水当量平均出流概率0U 029.00.445.60.40354.045.60251.000
=⨯+⨯⨯⨯+⨯⨯=
=
∑∑n
n n
n N
N U U gi gi
i (式中n —使用卫生
器具的户数,设计管段1-2取1,2-3取2,3-4取3,4-5取4,5-6取5)
取%9.20=U
② 根据U 0 αc 值,采用内插法αc =0.01854 ③ %
100)1(01854.0149
.0⨯-+=
g
g N N U
④ 同户型A 步骤⑥⑦。
⒊ 进行给水管网的水力计算
⑴ 根据公式(2.4.1)求管道计算内径d j
流速vd j 及公称直径DN ,再反算得出流速v ,该步骤要反复试算。
⑵ 根据公式(2.4.3),求管道单位长度水头损失i
内涂塑管采用C h =140
实际应用中,已知q g 后,可直接使用“水力计算表”查表得出v 、DN 、i 。
目前,还未见有用海澄·威廉公式编制的“水力计算表”。
《建筑给水钢塑复合管管道工程技术规程》CECS125:2001列出了“钢塑复合管水力计算表”,但不是用海澄·威廉公式编制的,本文为了与“新规范”保持一致,采用海澄·威廉公式计算i 值,经比较两者误差不大。
⑶ h y 及∑h y
h y =i ·L (P34页沿程水头损失用h i 表示,建议统一为h y )
∑h y =14.10kPa [经比较∑h (A0~1)=8.33kPa ,∑h (B0~1)=7.55kPa] ⑷ 各项计算结果均列入表1中。
表1 给水管网水力计算表
j
按管网沿程水头损失的百分数估算法进行计算∑h j=30%∑h y=0.3×14.19=4.26kPa
∴计算管路的水头损失H
2
为
H 2=∑h
y
+∑h
j
=14.19+4.26=18.45kPa
⑹
3
该工程采用一户一表,抄表到户制,不设总水表。
因住宅用水量较小,选用LXS旋翼湿式水表,户型A每户流量均为q A5-1=0.53L/s=1.91m3/h,户型B流量为q B4-1=0.42L/s=1.51m3/h。
查附录1.1,户型A选用DN20水表,其常用流量2.5m3/h>q A5-1,过载流量
Q
max
=5m3/h。
所以水表水头损失为:
户型B同样选用DN20水表,水表水头损失为:
住宅用水不均匀,水表口径可按设计秒流量不大于水表过载流量确定,因此户型A户型B分别选用DN15分户水表即可,但经计算其水头损失分别为
40.53kPa和25.33kP
(管段A0~1水头损失总计∑H
A =1.3×∑h
y(A0-1)
+h
dA
=1.3×8.33+14.59=24.42kPa
管段B0~1水头损失总计∑H
B =1.3×∑h
y(B0-1)
+h
dB
=1.3×7.55+9.12=18.94kPa
∵∑H
A ﹥∑H
B
∴确定A0点为最不利配水点正确)
∴H3=h dA=14.59kPa ⑺
H=H
1+H
2
+H
3
+H
4
=144+18.45+14.59+70=247.04kPa<250kPa 满足要求。
⒋确定非计算管路各管段的管径
计算略。
【解毕】。