给水排水管网系统自编练习题
- 格式:doc
- 大小:2.34 MB
- 文档页数:10
2005年春季学期给水排水管道系统(考试)试题给水管网部分一. 判断对错题(对划√,错划×,共10分)1. 在无水塔管网中,二泵站的供水曲线就是用水曲线。
(√)2. 经济管径就是使工程造价最低的管径。
(×)3. 环状管网中,各管段的水流方向都是唯一的。
(×)4. 已知一环状管网的节点数和管段数,就可推求出其环数。
(√)5. 多水源管网中,供水分界线上各点水头相等。
(√)6. 管网校核计算是检查各管段内水流是否符合经济流速。
(×)7. 管网中控制点处的水压标高最低。
(×)8. 管网中控制点的水压满足要求,则其余各点水压均满足要求。
(√)9. 管网分区越多,节能越多,经济性就越好。
(×)10. 沿途无流量分出的输水管分区是根据技术上的原因。
(√)二. 写出压力输水管经济管径公式,指出式中各项意义。
(5分)答案:或:(答此方式应减1分)其中,f ——经济因素;Q ——进入输水管总流量(L/s )q ij ——i-j 管段流量(L/s )n ,α,m ——系数和指数。
三. 在供水系统中水塔和清水池的作用是什么?(5分)答案:水塔调节二级泵站供水量和管网用水量之间差额;第二,贮存10min 室内消防用水;第三,保证它的供水范围水压。
1. 清水池调节一级泵站与二级泵站之间流量差额;2. 贮存水厂用水;3. 贮存消防用水量。
四. 如图给水系统,求出图示各部分(A ,B ,C ,D )的设计流量(L/S )。
已知:最高日用水量为Q d =30,000m 3/d ,时变化系数K h =1.6,水厂自用水系数α=1.05(10分)m 1n ij j ,i )fQq (D +=αm11n )fQq (D ++=α答案:(α=1.05)五. 环状管网为什么要进行平差计算?(8分)手算平差通常采用什么方法?(2分)答案:管网计算时初分流量满足节点流量平衡条件,但往往不能满足的条件,即不满足能量方程,因此,需重新调整管段流量,使其满足的条件,当两个条件均满足,即可求出各管段水头损失h ij 和∑h ij ,可求H φ,依H p ,Q 可选水泵。
《给水排水管网系统》练习题11. 某城市最高日用水两为 15000m 3/d ,其各小时用水量如下表,管网中设有水塔,二级泵站分两级供水,从前一日 22 点到清晨 6 点为一级,从 6 点到 22点为另一级,每级供水量等于其供水时段用水量平均值。
试绘制用水量变化曲线,并进行以下项目计算:1)时变化系数2)泵站和水塔设计供水流量3)清水池和水塔调节容积某城市最高日各小时用水量9~小时0~ 1 1~2 2~ 3 3~4 4~ 5 5~6 6~ 7 7~ 8 8~91010~ 1111~ 12用水量(m 3)303293313314396465804826782681716小时用水量(m 3)7787196716727387698758208116954953592. 接上题,城市给水管网布置如下,各管段长度与配水长度见下表,各集中用水户最高时用水量见下表。
试进行设计用水量分配和节点设计流量计算。
各管段长度与配水长度管段编号 1 2 3 4 5 6 7 8 9 10 11 12管段320 160 650 770 530 500 420 430 590 520 550 47012~ 13~ 14~ 15~ 16~ 17~ 18~ 19~ 20~ 21~ 22~ 23 ~1314151718192021222324长度( m )配水长度( m ) 0650 385 530 500 315 215 280 220 400 120 最高时集中用水流量集中用户名称流量( L/s )所在位置清水池[1](3)[4](4)[12 ](11)(1)供水泵站[3][5](2)[2](4)(8)[6][10 ](6)(9)[7][9](7)[8](10)3. 接上题,进行管段设计流量分配和管段直径设计。
4. 接上题,已知清水池最低水位标高38.30m ,节点地面标高与用户要求自由水压见下表,进行设计工况的水力分析计算,确定控制点,计算泵站扬程,水塔高度并选泵。
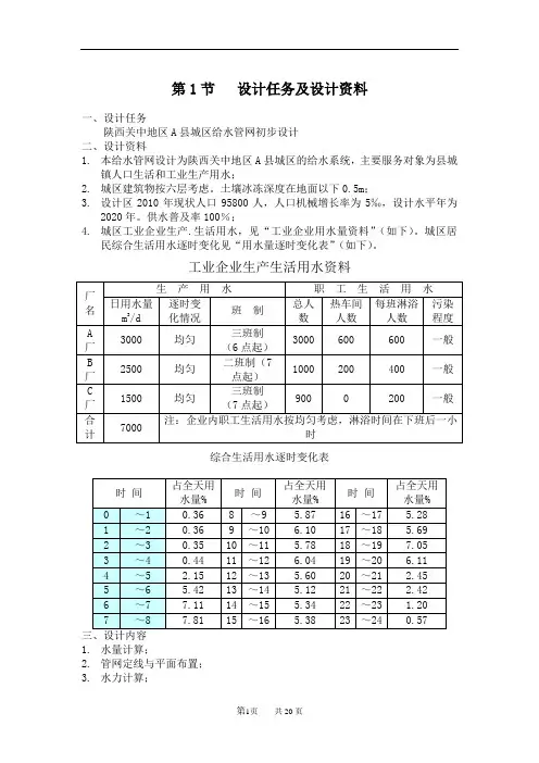
第1节设计任务及设计资料一、设计任务陕西关中地区A县城区给水管网初步设计二、设计资料1.本给水管网设计为陕西关中地区A县城区的给水系统,主要服务对象为县城镇人口生活和工业生产用水;2.城区建筑物按六层考虑。
土壤冰冻深度在地面以下0.5m;3.设计区2010年现状人口95800人,人口机械增长率为5‰,设计水平年为2020年。
供水普及率100%;4.城区工业企业生产.生活用水,见“工业企业用水量资料”(如下)。
城区居民综合生活用水逐时变化见“用水量逐时变化表”(如下)。
工业企业生产生活用水资料综合生活用水逐时变化表1.水量计算;2.管网定线与平面布置;3.水力计算;4.制图与设计说明;5.水泵初步选型与调度方案设计。
四、参考资料1.给水排水手册设计第三册《城镇给水》2.给水排水设计手册第一册《常用资料》3.给水排水设计手册第十册《器材与装置》4.给水排水设计手册第十一册《常用设备》5.《室外给水设计规范》GB50013-20066.《建筑设计防火规范》GB50016-20067.水源工程与管道系统设计计算8.给水工程(第四版教材)第二节给水管网布置及水厂选址该县城的南面有一条自东向西流的水质充沛,水质良好的河流,经勘测和检验,可以作为生活饮用水水源。
该县城地势比较平坦没有太大的起伏变化。
县城的街区分布比较均匀,县城中各工业、企业等用户对水质和水压无特殊要求,因而采用同一给水系统。
县城给水管网的布置取决于县城的平面布置、水源、调节构筑物的位置、大用户的分布等。
考虑要点如下:①干管延伸方向应和二级泵站到大用户方向一致,干管间距采用500~800m②干管和干管之间有连接管形成环状网,连接管的间距为800~1000m左右③干管按照规划道路定线,尽量避免在高级路面或重要道路下通过④干管尽量靠近大用户,减少分配管的长度⑤力求以最短距离铺设管线,降低管网的造价和供水能量费用输水管线走向符合城市和工业企业的规划要求,沿现有道路铺设,有利于施工和维护。
给排水管网系统复习题题型:名词解释、填空、简答及计算题污水管道内容:1、排水工程的主要内容答:收集各种污水并及时的将其输送至适当地点;妥善处理后排放或再利用。
2、污水的分类,污水的最后出路,重复使用的方式及其定义答:污水分为三类:生活污水,工业废水,降水;最后出路:排放水体,灌溉农田,重复使用。
重复使用的方式,自然复用:上游排放的污水和河水一起在下游被利用,叫做自然复用;间接复用:将城市污水注入地下补充地下水,作为供水的间接水源;直接复用:将城市污水直接作为城市饮用水源、工业用水水源、杂用水水源等。
3、排水体制的定义及分类答:定义:污水采用一个、两个或两个以上各自独立的管渠系统来排除,污水这种不同的排除方式所形成的排水系统称作排水体制。
分类:合流制排水系统,分流制排水系统,混合制排水系统。
4、排水系统的主要组成答:城市污水排水系统:室内污水管道及设备,室外污水管道系统(居住小区污水管道系统,街道污水管道系统,管道系统上的附属构筑物),污水泵站及压力管道,污水厂,出水口及事故排出口;工业废水排水系统:车间内部管道系统和设备,厂区管道系统,污水泵站及压力管道,废水处理站;雨水排水系统:建筑物的雨水管道系统和设备,居住小区和工厂雨水管道系统,街道雨水管渠系统,排洪沟,出水口。
5、排水系统的布置形式、特点及其适用范围答:6、区域排水系统的定义答:将两个以上城镇地区的污水统一排除和处理的系统,称作区域排水系统。
7、基建程序可归纳为几个阶段及其主要任务答:可行性研究阶段:论证基建项目在经济上、技术上等方面是否可行;计划任务书阶段:确定基建项目、编制设计文件的主要依据;设计阶段:设计单位根据上级有关部门批准的计划任务书文件进行设计工作,并编制概算;组织施工阶段:建设单位采用施工招标或其他形式落实施工工作;竣工验收交付使用阶段:建设项目建成后,竣工验收交付生产使用是建筑安装施工的最后阶段,未经验收合格的工程不能交付使用。
!==================================================================《给水排水管道工程》练习题一、填空1、合流制排水系统分为直排式合流制排水系统、截流式合流制排水系统和完全合流制排水系统三类。
P142、比流量分为长度比流量和面积比流量。
P693、管网核算条件包括消防时、事故时、最大传输时。
P864、水压试验按其目的分为强度试验和严密性试验两种。
P1035、给水用的阀门包括闸阀和蝶阀。
P1166、居民生活污水量定额,对给水排水系统完善的地区可按用水定额的90%计,一般地区可按用水定额的80%计。
P1257、每一设计管段的污水流量可能包括以下3种流量:本段流量、转输流量和集中流量。
P1308、排水管道平面图上,每一设计管段都应注明管段长度、设计管径和设计坡度。
P1459、雨水管道在街坊内部最小管径为200mm,在街道下最小管径为300mm。
P16410、我国多数城市一般采用截流倍数n0=3。
P18911、控制管道腐蚀的方法有调整水质、涂衬保护层和更换管道材料。
P22612、给水管网布置的两种基本形式:树状管网和环状管网。
P2013、污水管道的控制点是指在污水排水区域内,对管道系统的埋深起控制作用的点。
P3014、常用的管道基础有天然基础、砂基础和混凝土基础。
P10315、污水管道在街坊和厂区内的最小管径为200mm,在街道下的最小管径为300mm。
P13416、雨水管渠最小设计流速为0.75m/s,非金属管道最大设计流速为5m/s。
P16417、钢筋混凝土管口形式有承插式、企口式、平口式,顶管法施工中常用平口管。
P19818、雨水和合流管道最小管径300mm,最小设计坡度0.003。
P165二、判断1、水量调节设施包括泵站、清水池、水塔、高位水池。
(×)P62、总变化系数Kz是指一年中最大日污水量与平均日污水量的比值。
(×)P1263、暴雨强度是指单位时间内的平均降雨深度。
给水排水管网系统习题1、给水系统通常由下列工程设施组成:取水构筑物、水处理构筑物、泵站、输水管渠、管网、调节构筑物。
其中( A )总称为输配水系统,通常是给水系统中投资最大的子系统。
(A)泵站、输水管渠、管网、调节构筑物;(B)取水构筑物、输水管渠、管网、调节构筑物;(C)水处理构筑物、泵站、输水管渠、管网;(D)取水构筑物、水处理构筑物、输水管渠、管网。
2、某城镇的生活给水管网有时供水量不能满足供水要求,以下所采用的措施中何项是错误的?CA. 从邻近有足够富裕供水量的城镇生活饮用水管网接管引水。
B. 新建或扩建水厂C. 从本城镇某企业自备的有足够富裕供水量的内部供水管网接管引水D. 要求本城的用水企业通过技术改造节约用水,减少用水量3、某城市现有人口75万人,供水普及率70%,最高日综合生活用水量为12.6万m3/d。
新一轮规划人口将发展到100万人,供水普及率增长到90%,最高日综合生活用水量增加到300 L/(人•d),该城市的最高生活用水将比目前增加__万m3/d。
( B)A. 6.75;B. 14.4;C. 17.4;D. 7.5。
某城市最高日用水量为15×104m3/d ,用水日变化系数1.2 ,时变化系数1.4 ,水厂自用水量为最高日用水量10% ,取水泵房全天工作,其设计流量应为(6875)m3/h ,管网的设计流量为(8750)m3/h 。
⏹以下四个图型为道路交叉口处雨水口的A⏹图示两条管径相同、平行敷设的输水管线,等距离设有三根连通管。
当其中某一管段发生故障时,通过阀门切换,在总水头损失不变的情况下,事故流量Q0为设计流量Q的(A )。
(A)75.6%; (B)70.0%; (C) 75.0%; (D)87.5%⏹某给水厂有两条并行的直径与摩阻系数S相同的输水管线,其间设有若干连通管将输水管线分成数段。
如果要求在其中一段输水管线中的一条损坏时,能满足75%的供水量,问输水管最少要分为_4_段。
给水用途:生活用水、工业生产用水、市政消防用水废水:生活污水、工业废水、雨水给水系统:保证城市工矿企业等用水的各项构筑物和输配水管网组成的系统给水管网:将经过给水处理后的水送到各个给水区域的全部管道分质给水:利用相同或不同的水源,经过不同的水处理过程和管网后,将不同水质的水供给各类用户。
分压供水:由同一泵站内的不同水泵分别供水到水压要求高的高压管网和水压要求低的低压管网。
给排水系统主要功能:水量保障、水质保障、水压保障子系统:原水取水系统、给水处理系统、给水管网系统、排水管网系统、废水处理系统、排放和重复利用系统水质标准:原水、给水、排放水质标准水输送压力方式:全重力给水、一级加压给水、二级加压给水、多级加压给水管网系统应具备的功能:水量输送、水量调节、水压调节给水构成:输水管、配水管网、水压调节设施及水量调节设施排水构成:废水收集设施、排水管网、水量调节池、提升泵站、废水输出管、排放口生活用水量标准:包括居民家庭、浴室、学校、影剧院、医院等的生活及饮用水量。
与地区、设备水平、生活习惯、供水方式、等有关。
一般按每人每日所需的生活用水量确定。
最高日用水量:在设计规定的年限内,用水最多的一日的用水量。
最高时用水量:一天内用水最高一小时内的用水量。
日变化系数:一年中,最高日用水量与平均日用水量的比值。
时变化系数(Kh):最高一小时用水量与平均时用水量的比值。
用水量变化曲线:横坐标为时间,纵坐标为占最高日用水量百分数的曲线,表现了当天用水量的变化。
排水系统:合流制、分流制连续性方程:对任一节点来说,流向该节点的流量必须等于从该节点流出的流量。
能量方程:表示管网每一环中各管段的水头损失和等于零的关系比流量:干管线单位长度的流量沿线流量:干管的流量,于比流量与管段长度的乘积。
分配流量:利用求出的节点流量对各管段进行流量的分配。
折算系数:把沿线变化的流量折算成在管段两端节点流出的流量,即节点流量的系数。
闭合差:管网环内各管段水头损失的代数和。
给水用途:生活用水、工业生产用水、市政消防用水废水:生活污水、工业废水、雨水给水系统:保证城市工矿企业等用水的各项构筑物和输配水管网组成的系统给水管网:将经过给水处理后的水送到各个给水区域的全部管道给排水系统主要功能:水量保障、水质保障、水压保障子系统:原水取水系统、给水处理系统、给水管网系统、排水管网系统、废水处理系统、排放和重复利用系统水质标准:原水、给水、排放水质标准水质变化过程:给水处理:将原水水质净化或加入有益物质,使之达到给水水质要求的过程用户用水:用户用水改变水质,使之成为污水或废水的过程,水质受到不同程度污染废水处理:对污水或废水进行处理,取出污染物质,使之达到排放水质标准水输送压力方式:全重力给水、一级加压给水、二级加压给水、多级加压给水管网系统应具备的功能:水量输送、水量调节、水压调节给水构成:输水管、配水管网、水压调节设施及水量调节设施排水构成:废水收集设施、排水管网、水量调节池、提升泵站、废水输出管、排放口按系统构成:统一给水管网、分区给水管网按输水方式:重力输水管网系统、压力输水…排水系统:合流制、分流制连续性方程:对任一节点来说,流向该节点的流量必须等于从该节点流出的流量。
能量方程:表示管网每一环中各管段的水头损失和等于零的关系影响生活用水量的主要因素:生活习惯、气候变化、一天的时间变化等给水排水工程规划:针对水资源开发和利用、供水排水系统建设的综合优化功能和工程布局进行的专项规划任务:1确定给水排水系统的服务范围与建设规模;2确定水资源综合利用与保护措施;3确定系统的组成与体系结构;4确定给水排水主要构筑物的位置;5确定给水排水处理的工艺流程与水质保证措施;6给水排水管网规划和干管布置与定线;7确定废水的处置方案及其环境影响评价;8给水排水工程规划的技术经济比较原则:1贯彻执行国家和地方相关政策和法规;2城镇及工业企业规划时应兼顾给水排水工程;3给水排水工程规划要服从城镇发展规划;4合理确定远近期规划与建设范围城市用水量:分类估算法、单位面积法、人均综合指数法、年递增率法、线性回归法、生长曲线法给水管网布置原则:1按照城市总体规划,结合当地实际情况布置给水管网,要进行多方案技术经济比较;2主次明确,先搞好输水管渠与主干管布置,再布置一般管线与设施;3尽量缩短管线长度,节约工程投资与运行管理费用;4协调好与其他管道、电缆和道路等工程的关系;5保证供水具有适当的安全可靠性;6尽量减少拆迁,少占农田;7管渠的施工、运行和维护方便;8远近期结合,留有发展余地,考虑分期实施的可能性形式:树状网、环状网排水管网布置原则:1按照城市总体规划,结合当地实际情况布置排水管网,要进行多方案技术经济比较;2先确定排水区域和排水体制,然后布置排水管网,应按从干管到支管的顺序布置;3充分利用地形,采用重力流排除污水及雨水,并使管线最短、埋深最小;4协调好与其他管道、电缆和道路等工程的关系,考虑好与企业内部管网的衔接;5规划时要考虑到使管渠的施工、运行和维护的方便;6远近期规划相结合,考虑发展,尽可能安排分期实施形式:平行式:地形坡度很大的城市、正交式:地形平坦略向一边倾斜的城市给水管网类型:按水源:单水源给水管网系统、多水源…多水源给水系统的优缺点:优点:便于分期发展给水系统,供水比较可靠,管网内水压比较均匀。
9)4.103.88单定压节点树状管网水力分析某城市树状给水管网系统如图所示,节点(1)处为水厂清水池,向整个管网供水,管段[1]上设有泵站,其水力特性为:s p1=311.1(流量单位:m 3/S ,水头单位:m ),h e1=42.6,n=1.852。
根据清水池高程设计,节点(1)水头为H1=7.80m ,各节点流量、各管段长度与直径如图中所示,各节点地面标高见表,试进行水力分析,计算各管段流量与流速、各节点水头与自由水压。
解:第一步:逆推法求管段流量 以定压节点(1)为树根,则从离树根较远的节点逆推到离树根较近的节点的顺序是:(10),(9),(8),(7),(6),(5),(4),(3),(2);或(9),(8),(7),(10),(6),(5),(4),(3),(2);或(5),(4),(10),(9),(8),(7),(6),(3),(2)等,按此逆推顺序求解各管段流量的过程见下表。
9 (2)-q1+q2+Q3=0 q1=q2+Q3q1=93.21量,即:q 1+Q1=0,所以,Q1=- q1=-93.21(L/s)根据管段流量计算结果,计算管段流速及压降见表。
计算公式与算例如下:采用海曾威廉-公式计算(粗糙系数按旧铸铁管取Cw=100)管道摩阻系数管段水头损失泵站扬程按水力特性公式计算:管段编号[1][2][3][4][5][6][7][8][9]管段长度(m)600 300 150 250 450 230 190 205 650管段直径(mm) 400 400 150 100 300 200 150 100 150管段流量(L/s)93.21 87.84 11.04 3.88 60.69 18.69 11.17 4.1 11.26管段流速(m/s)0.74 0.70 0.63 0.49 0.86 0.60 0.63 0.52 0.64管段摩阻系数109.72 54.86 3256.05 39093.49 334.04 1229.92 4124.33 32056.66 14109.56 水头损失(m) 1.35 0.61 0.77 1.34 1.86 0.77 1.00 1.22 3.48泵站扬程(m) 38.76 0 0 0 0 0 0 0 0管段压降(m)-37.41 0.61 0.77 1.34 1.86 0.77 1.00 1.22 3.48第二步:求节点水头以定压节点(1)为树根,则从离树根较近的管段顺推到离树根较远的节点的顺序是:[1],[2],[3],[4],[5],[6],[7],[8],[9]; 或[1],[2],[3],[4],[5],[9],[6],[7],[8]; 或[1],[2],[5],[6],[7],[8],[9],[3],[4]等,按此顺推顺序求解各定流节点节点水头的过程见下表。
给水排水管道系统习题第一章1.试分别说明给水系统和排水系统的功能。
2.根据用户使用水的目的,通常将给水分为哪几类?3.根据废水的性质和来源不同,废水可分为哪些类型?并用实例说明之。
4.给水排水系统的组成有哪些?各系统包括哪些设施?5.给水排水系统各部分的流量是否相同?若不同,又是如何调节的?6.水在输送中的压力方式有哪些?各有何特点?7.给水排水管道系统有哪些功能?8.给水管网系统是由哪些部分组成的?并分别说明各组成部分的作用。
9.试说明给水管网系统的类型及其特点有哪些?10.排水管道系统是由哪些部分组成的?并分别说明各组成部分的作用。
11.什么是排水系统的体制?并简要说明如何进行体制的选择。
第四章1.设计城市给水系统时应考虑哪些用水量?2.什么是用水定额?确定居住区生活用水量定额应考虑哪些影响因素?3.城市大小和消防流量的关系如何?4.工业企业为什么要提高水的重复利用率?5.说明日变化系数Kd和时变化系数Kh的意义,它们与城市大小有何关系?第五章1.取用地表水源时,取水构筑物、水处理构筑物、泵站、输水管和管网等按什么流量设计?2.已知用水量变化曲线,怎样定出二级泵站工作线?3.清水池和水塔各起什么作用?二者容积之间的关系是什么?4.有水塔和无水塔的管网,二级泵站的计算流量有何差别?第八章1.什么是居民生活污水定额和综合生活污水定额?其值应如何确定?生活污水量计算方法与生活用水量计算方法有何不同?2.什么是污水量的日变化、时变化、总变化系数?生活污水量总变化系数为什么随污水平均日流量的增大而减小?其值应如何确定?3.如何计算城市污水的设计总流量?它有何优缺点?4.污水管道水力计算的目的是什么?在水力计算中为什么采用均匀流公式?5.污水管道水力计算中,对设计充满度、设计流速、最小管径和最小设计坡度是如何规定的?为什么要这样规定?6.试述污水管道埋设深度的两个含义。
在设计时为什么要限定最小覆土厚度和最大埋设深度?7.在进行污水管道的衔接时,应遵循什么原则?衔接的方法有哪些?各怎样衔接?8.什么是污水管道系统的控制点?如何确定控制点的位置和埋设深度?9.什么是设计管段?怎样划分设计管段?怎样确定每一设计管段的设计流量?10.污水管道水力计算的方法和步骤是什么?计算时应注意哪些问题?11.怎样绘制污水管道的平、纵剖面图?第九章1. 雨水管渠系统由哪几部分组成?各组成部分的作用是什么?2. 雨水管渠系统布置的原则是什么?3. 暴雨强度与哪些因素有关?为什么降雨历时越短,重现期越长,暴雨强度越大?4. 分散式和集中式排放口的雨水管渠布置形式有何特点?适用什么条件?5. 如何进行雨水口的布置?其基本要求是什么?6. 雨水管渠设计流量如何计算?7. 为什么在计算雨水管道设计流量时,要考虑折减系数?8. 如何确定暴雨强度重现期P、地面集水时间t1、管内流行时间t2及径流系数 ?9. 为什么雨水和合流制排水管渠要按满流设计?10. 雨水径流调节有何意义?常用调节池有哪些布置形式?试说明工作原理。
给⽔排⽔管道⼯程习题(市政⼯程)《给⽔排⽔管道⼯程》练习题⼀、填空1、合流制排⽔系统分为直排式合流制排⽔系统、截流式合流制排⽔系统和完全合流制排⽔系统三类。
P142、⽐流量分为长度⽐流量和⾯积⽐流量。
P693、管⽹核算条件包括消防时、事故时、最⼤传输时。
P864、⽔压试验按其⽬的分为强度试验和严密性试验两种。
P1035、给⽔⽤的阀门包括闸阀和蝶阀。
P1166、居民⽣活污⽔量定额,对给⽔排⽔系统完善的地区可按⽤⽔定额的90%计,⼀般地区可按⽤⽔定额的80%计。
P1257、每⼀设计管段的污⽔流量可能包括以下3种流量:本段流量、转输流量和集中流量。
P1308、排⽔管道平⾯图上,每⼀设计管段都应注明管段长度、设计管径和设计坡度。
P1459、⾬⽔管道在街坊内部最⼩管径为200mm,在街道下最⼩管径为300mm。
P16410、我国多数城市⼀般采⽤截流倍数n0=3。
P18911、控制管道腐蚀的⽅法有调整⽔质、涂衬保护层和更换管道材料。
P22612、给⽔管⽹布置的两种基本形式:树状管⽹和环状管⽹。
P2013、污⽔管道的控制点是指在污⽔排⽔区域内,对管道系统的埋深起控制作⽤的点。
P3014、常⽤的管道基础有天然基础、砂基础和混凝⼟基础。
P10315、污⽔管道在街坊和⼚区内的最⼩管径为200mm,在街道下的最⼩管径为300mm。
P13416、⾬⽔管渠最⼩设计流速为0.75m/s,⾮⾦属管道最⼤设计流速为5m/s。
P16417、钢筋混凝⼟管⼝形式有承插式、企⼝式、平⼝式,顶管法施⼯中常⽤平⼝管。
P19818、⾬⽔和合流管道最⼩管径300mm,最⼩设计坡度0.003。
P165⼆、判断1、⽔量调节设施包括泵站、清⽔池、⽔塔、⾼位⽔池。
(×)P62、巴甫洛夫斯基公式适⽤于较光滑的圆管满流紊流计算,主要⽤于给⽔管道⽔⼒计算。
(×)P373、总变化系数Kz是指⼀年中最⼤⽇污⽔量与平均⽇污⽔量的⽐值。
(×)P1264、暴⾬强度是指单位时间内的平均降⾬深度。
一、选择题1、静止液体(A )剪切应力(A) 不可承受 (B)可以承受 (C) 能承受很小 (D)具有粘性时可以承受2、相对压强的起算点C(A)绝对真空(B)1个标准大气压(C)当地大气压(D)液面压强3. 静止流体中任意一点的压强与( B )无关。
(A)点的位置(B)作用面的方向(C)流体的种类(D)重力加速度4. 在并联管路问题中,有( C )。
(A).流经每一管路的水头损失相加得总水头损失 (B).流经所有管路的流量相同(C)并联的任一管路的水头损失相同 (D).当总流量已知时,可直接解得各管的流量5、根据静水压强的特性,静止液体中同一点各方向的压强(A )(A) 数值相等; (B) 数值不等;(C) 仅水平方向数值相等 ;(D) 铅直方向数值最大。
6、已知水流的沿程水力摩擦系数 只与边界粗糙度有关,可判断该水流属于( d )(A)层流区;(B)紊流光滑区;(C)紊流过渡粗糙区;(D)紊流粗糙区。
7、液体中某点的绝对压强为100kN/m2,则该点的相对压强为( b )(A)1 kN/m2(B)2 kN/m2(C)5 kN/m2(D)10 kN/m28、紊流的断面流速分布规律符合( a )(A)对数分布;(B)直线分布;(C)抛物线分布;(D)椭圆分布。
9、图示容器中有两种液体,密度ρ2 > ρ1,则 A、B 两测压管中的液面必为( b )(A) B 管高于A 管; (B) A 管高于B 管; (C) AB 两管同高。
10、紊流的断面流速分布规律符合( c )( A )对数分布;( B )椭圆分布;( C)抛物线分布;( D )直线分布。
11、平底棱柱形明渠发生水跃,其水跃函数J (h1)与J (h2)的关系是()( A ) J(h1)= J(h2) ( B ) J(h1)>J(h2) ( C ) J(h1)< J(h2) 12、盛水容器a 和b 的测压管水面位置如图 (a)、(b) 所示,其底部压强分别为p a和p b。
给水排水管网系统习题1、给水系统通常由下列工程设施组成:取水构筑物、水处理构筑物、泵站、输水管渠、管网、调节构筑物。
其中( A )总称为输配水系统,通常是给水系统中投资最大的子系统。
(A)泵站、输水管渠、管网、调节构筑物;(B)取水构筑物、输水管渠、管网、调节构筑物;(C)水处理构筑物、泵站、输水管渠、管网;(D)取水构筑物、水处理构筑物、输水管渠、管网。
2、某城镇的生活给水管网有时供水量不能满足供水要求,以下所采用的措施中何项是错误的?CA. 从邻近有足够富裕供水量的城镇生活饮用水管网接管引水。
B. 新建或扩建水厂C. 从本城镇某企业自备的有足够富裕供水量的内部供水管网接管引水D. 要求本城的用水企业通过技术改造节约用水,减少用水量3、某城市现有人口75万人,供水普及率70%,最高日综合生活用水量为12.6万m3/d。
新一轮规划人口将发展到100万人,供水普及率增长到90%,最高日综合生活用水量增加到300 L/(人•d),该城市的最高生活用水将比目前增加__万m3/d。
( B)A. 6.75;B. 14.4;C. 17.4;D. 7.5。
某城市最高日用水量为15×104m3/d ,用水日变化系数1.2 ,时变化系数1.4 ,水厂自用水量为最高日用水量10% ,取水泵房全天工作,其设计流量应为(6875)m3/h ,管网的设计流量为(8750)m3/h 。
⏹以下四个图型为道路交叉口处雨水口的A⏹图示两条管径相同、平行敷设的输水管线,等距离设有三根连通管。
当其中某一管段发生故障时,通过阀门切换,在总水头损失不变的情况下,事故流量Q0为设计流量Q的(A )。
(A)75.6%; (B)70.0%; (C) 75.0%; (D)87.5%⏹某给水厂有两条并行的直径与摩阻系数S相同的输水管线,其间设有若干连通管将输水管线分成数段。
如果要求在其中一段输水管线中的一条损坏时,能满足75%的供水量,问输水管最少要分为_4_段。
给排水管网题库(自己整理)给排水管网系统复习题题型:名词解释、填空、简答及计算题污水管道内容:1、排水工程的主要内容答:收集各种污水并及时的将其输送至适当地点;妥善处理后排放或再利用。
2、污水的分类,污水的最后出路,重复使用的方式及其定义答:污水分为三类:生活污水,工业废水,降水;最后出路:排放水体,灌溉农田,重复使用。
重复使用的方式,自然复用:上游排放的污水和河水一起在下游被利用,叫做自然复用;间接复用:将城市污水注入地下补充地下水,作为供水的间接水源;直接复用:将城市污水直接作为城市饮用水源、工业用水水源、杂用水水源等。
3、排水体制的定义及分类答:定义:污水采用一个、两个或两个以上各自独立的管渠系统来排除,污水这种不同的排除方式所形成的排水系统称作排水体制。
分类:合流制排水系统,分流制排水系统,混合制排水系统。
4、排水系统的主要组成答:城市污水排水系统:室内污水管道及设备,室外污水管道系统(居住小区污水管道系统,街道污水管道系统,管道系统上的附属构筑物),污水泵站及压力管道,污水厂,出水口及事故排出口;工业废水排水系统:车间内部管道系统和设备,厂区管道系统,污水泵站及压力管道,废水处理站;雨水排水系统:建筑物的雨水管道系统和设备,居住小区和工厂雨水管道系统,街道雨水管渠系统,排洪沟,出水口。
5、排水系统的布置形式、特点及其适用范围答:6、区域排水系统的定义答:将两个以上城镇地区的污水统一排除和处理的系统,称作区域排水系统。
7、基建程序可归纳为几个阶段及其主要任务答:可行性研究阶段:论证基建项目在经济上、技术上等方面是否可行;计划任务书阶段:确定基建项目、编制设计文件的主要依据;设计阶段:设计单位根据上级有关部门批准的计划任务书文件进行设计工作,并编制概算;组织施工阶段:建设单位采用施工招标或其他形式落实施工工作;竣工验收交付使用阶段:建设项目建成后,竣工验收交付生产使用是建筑安装施工的最后阶段,未经验收合格的工程不能交付使用。
1.某城市最高日用水两为15000m3/d,其各小时用水量如下表,管网中设有水塔,二级泵站分两级供水,从前一日22点到清晨6点为一级,从6点到22点为另一级,每级供水量等于其供水时段用水量平均值。
试绘制用水量变化曲线,并进行以下项目计算:
1)时变化系数
2)泵站和水塔设计供水流量
3)清水池和水塔调节容积
页脚内容1
2.接上题,城市给水管网布置如下,各管段长度与配水长度见下表,各集中用水户最高时用水量见下表。
试进行设计用水量分配和节点设计流量计算。
各管段长度与配水长度
最高时集中用水流量
集中用户火学宾医工工工
页脚内容2
(1
(11)
)
(10)
(9)
[8]
3.接上题,进行管段设计流量分配和管段直径设计。
4.接上题,已知清水池最低水位标高38.30m,节点地面标高与用户要求自由水压见下表,进行设计工况的水力分析计算,确定控制点,计算泵站扬程,水塔高度并选泵。
节点设计数据
节点编号123456789
1
1
1
页脚内容3
页脚内容4。
重庆交通大学《给水排水管网系统》自编习题汇编管网课程组2014年8月第一章给水系统概论思考题1. 由高地水库供水给城市,如按水源和供水方式考虑,应属于哪类给水系统?2. 给水系统中投资最大的是那一部分,试行分析。
3. 给水系统是否必须包括取水构筑物、水处理构筑物、泵站、输水管和管网、调节构筑物等,哪种情况下可省去其中一部分设施?4. 什么是统一给水、分质给水和分压给水,哪种系统是目前用得最多?5. 水源对给水系统布置有哪些影响?6. 工业给水有哪些系统,各适用于何种情况?7. 工业用水量平衡图如何测定和绘制?水量平衡图起什么作用?第二章设计用水量思考题1. 设计城市给水系统时应考虑哪些用水量?2. 居住区生活用水量定额是按哪些条件制定的?3. 影响生活用水量的主要因素有哪些?4. 城市大小和消防流量的关系如何?5. 怎样估计工业生产用水量?6. 工业企业为什么要提高水的重复利用率?7. 说明日变化系数和时变化系数的意义。
它们的大小对设计流量有何影响?8. 为什么城市越小,用水量变化越大?你认为还有哪些因素影响用水量变化系数?习题1. 某城最高日用水量为15万m3/d,每小时用水量变化如下表,求:(1)最高日最高时和平均时的流量,(2)绘制用水量变化曲线,(3)拟定二级泵站工作线,确定泵站的流量。
2. 位于一区的某城市,用水人口65万,求该城市的最高日居民生活用水量和综合生活用水量。
3. 位于一分区的某城镇现有8万人口,设计年限内预期发展到12万人。
用水普及率以90%计,取居民生活用水定额为150L/(人•d),工业企业和公共建筑用水量,通过调查和实测,总用水量为Q2=13500m3/d,未预见水量和管网漏失水量取总用水量的20%,求最高日用水量。
第三章给水系统的工作情况思考题1. 如何确定有水塔和无水塔时的清水池调节容积?2. 取用地表水源时,取水口、水处理构筑物、泵站和管网等按什么流量设计?3. 清水池和水塔起什么作用?哪些情况下应设置水塔?4. 有水塔和无水塔的管网,二级泵站的计算流量有何差别?5. 无水塔和网前水塔时,二级泵站的扬程如何计算?6. 对置水塔管网在最高用水时、消防时和转输时的水压线是怎样的?习题1. 某城市最高日用水量为10×104 m3/d,用水日变化系数为1.7,时变化系数为1.1,水厂自用水系数为1.1。
重庆交通大学《给水排水管网系统》自编习题汇编管网课程组2014年8月第一章给水系统概论思考题1. 由高地水库供水给城市,如按水源和供水方式考虑,应属于哪类给水系统?2. 给水系统中投资最大的是那一部分,试行分析。
3. 给水系统是否必须包括取水构筑物、水处理构筑物、泵站、输水管和管网、调节构筑物等,哪种情况下可省去其中一部分设施?4. 什么是统一给水、分质给水和分压给水,哪种系统是目前用得最多?5. 水源对给水系统布置有哪些影响?6. 工业给水有哪些系统,各适用于何种情况?7. 工业用水量平衡图如何测定和绘制?水量平衡图起什么作用?第二章设计用水量思考题1. 设计城市给水系统时应考虑哪些用水量?2. 居住区生活用水量定额是按哪些条件制定的?3. 影响生活用水量的主要因素有哪些?4. 城市大小和消防流量的关系如何?5. 怎样估计工业生产用水量?6. 工业企业为什么要提高水的重复利用率?7. 说明日变化系数和时变化系数的意义。
它们的大小对设计流量有何影响?8. 为什么城市越小,用水量变化越大?你认为还有哪些因素影响用水量变化系数?习题1. 某城最高日用水量为15万m3/d,每小时用水量变化如下表,求:(1)最高日最高时和平均时的流量,(2)绘制用水量变化曲线,(3)拟定二级泵站工作线,确定泵站的流量。
2. 位于一区的某城市,用水人口65万,求该城市的最高日居民生活用水量和综合生活用水量。
3. 位于一分区的某城镇现有8万人口,设计年限内预期发展到12万人。
用水普及率以90%计,取居民生活用水定额为150L/(人•d),工业企业和公共建筑用水量,通过调查和实测,总用水量为Q2=13500m3/d,未预见水量和管网漏失水量取总用水量的20%,求最高日用水量。
第三章给水系统的工作情况思考题1. 如何确定有水塔和无水塔时的清水池调节容积?2. 取用地表水源时,取水口、水处理构筑物、泵站和管网等按什么流量设计?3. 清水池和水塔起什么作用?哪些情况下应设置水塔?4. 有水塔和无水塔的管网,二级泵站的计算流量有何差别?5. 无水塔和网前水塔时,二级泵站的扬程如何计算?6. 对置水塔管网在最高用水时、消防时和转输时的水压线是怎样的?习题1. 某城市最高日用水量为10×104 m3/d,用水日变化系数为1.7,时变化系数为1.1,水厂自用水系数为1.1。
若管网内已建有水塔,在用水最高时可向管网供水900 m3/h,则向管网供水的供水泵房的设计流量应为多少?2. 某城24h用水量(m3/h)如下表所示,求一级泵站24h均匀抽水时所需的清水池调节容积。
总用33. 日设计用水量为12万m3/d,清水池调节容积取最高日用水量的15%,室外消防一次灭火用水量为55L/s,同一时间内的火灾次数为2次,火灾持续时间按2h计,水厂自用水量在清水池中的贮存量按1500m3计,安全贮量取5000m3,求清水池的有效容积。
4. 某城镇管网设有网前水塔,水塔所处位置的地面标高为95m,控制点要求的最小服务水头为20m,管网最高用水时从水塔到控制点的水头损失为10m,控制点处的地面标高为89m,求水塔高度。
第四章管网和输水管渠布置思考题1. 一般城市是哪种形式的管网,为什么采用这种形式?2. 管网定线应确定哪些管线的位置?其余的管线位置和管径怎样确定?3. 管网布置要考虑哪些主要的附属设备?4. 工业企业内的给水管网与城市给水管网相比有哪些特点?5. 输水管渠定线时应考虑哪些方面?6. 你认为输水管定线时可能遇到哪些问题?如何处理?第五章管段流量、管径和水头损失思考题1. 为什么要流量分配?流量分配时应考虑哪些要求?2. 什么是年折算费用?分析它和管径与流速的关系。
3. 什么叫经济流速?平均经济流速一般是多少?4. 什么是连续性方程?5. 什么是能量方程?习题1. 某城市最高时用水量为300L/s,其中集中供应的工业用水量为190L/s,干管各管段名称及长度(m)见下图。
管段1-2,2-3,4-5为单向配水,其余为双向配水,求比流量q s。
2. 某城镇给水管网如下图所示,管段长度和水流方向标于图上,比流量为0.04 L/s•m,所有管段均为双侧配水,折算系数统一采用0.5,节点2处有一集中流量为24L/s,求节点2的计算节点流量。
3. 某管网设有对置水塔,当管网用水最高时,泵站供水量为90L/s,节点流量如下图所示,求水塔到节点1的管段t-1的流量q t-1。
90第六章管网水力计算思考题1. 管段设计流量分配的目的是什么?树状管网管段设计流量分配有何特点?环状管网管段设计流量分配要考虑哪些原则?2. 解环方程组的基本原理是什么?3. 什么叫闭合差,闭合差大说明什么问题?手工计算时闭合差允许值是多少?4. 为什么环状网计算时,任一环内各管段增减校正流量△q后,并不影响节点流量平衡的条件?5. 校正流量△q的含义是什么,如何求出△q值?△q和闭合差△h有什么关系?6. 应用哈代-克罗斯法解环方程组的步骤怎样?7. 在设计工况水力分析时为何要暂时删除泵站所在的管段和假设控制点?如何找到真正的控制点?为何真正的控制点是唯一的?8. 用最大闭合差的环校正法时,怎样选择大环进行平差以加速收敛?9. 管网设计校核时泵站所在管段还要删除吗?你能说明在各种工况校核时,哪些节点是定压节点,哪些节点是定流节点?习题1. 树状网各管段的水头损失如下图所示,各节点的地面高程均为60m,所要求的最小服务水头均为20m,则管网的水压控制点为哪个节点?2. 起点A和终点B的地形标高分别为62m和61m,若在某流量下管段AB的水头损失为2m,且B 点的服务水头为20m,则此时A点的服务水头?3. 综合题某城市最高日用水量为15000m3/d,其余各小时用水量见表6.1所示,管网中设有水塔,二级泵站分两级供水,从前一日22点到清晨6点位一级,从6点到22点为另一级,每级供水量等于其供水时段用水量平均值。
试绘制用水量变化曲线,并进行以下项目计算:1)时变化系数、泵站和水塔设计供水流量、清水池和水塔调节容积。
某城市最高日各小时用水量表6.1时间0~1 1~2 2~3 3~4 4~5 5~6 6~7 7~8 8~9 9~10 10~11 11~12用水量303 293 313 314 396 465 804 826 782 681 705 716 (m3)时间12~13 13~14 14~15 15~16 16~17 17~18 18~19 19~20 20~21 21~22 22~23 23~24用水量778 719 671 672 738 769 875 820 811 695 495 359 (m3)2)城市给水管网布置如下图所示,各管段长度与配水长度见表6.2,各集中用水户最高时用水量见表6.3,进行节点设计流量计算、管段设计流量分配和管段直径设计。
各管段长度与配水长度表6.2管段编号 1 2 3 4 5 6 7 8 9 10 11 12管段长度(m) 320 160 650 770 530 500 420 430 590 520 550 470 配水长度(m) 0 0 650 385 530 500 315 215 280 220 400 120最高时集中用水流量表6.3集中用水户名称火车站学校宾馆医院工厂A 工厂B 工厂C集中用水流量(L/s) 12.60 26.20 6.40 8.60 7.20 17.60 22.50所处位置节点编号 2 6 6 5 8 10 113)已知清水池最低水位标高38.30m,各节点地面标高与用户要求自由水压见表6.4,进行设计工况的水力分析计算,确定控制点,计算泵站扬程、水塔高度并选泵。
节点设计数据表6.4节点编号 1 2 3 4 5 6 7 8 9 10 11地面标高(m)40.70 62.00 41.50 52.40 42.20 45.10 44.80 48.30 46.60 45.90 43.30 要求自由水压(m) - - 24.00 24.00 24.00 28.00 24.00 24.00 24.00 24.00 20.00 4)根据规范,本管网消防按同时一处火灾考虑,灭火流量为15L/s,请进行消防工况校核,判断消防时水塔时供水还是进水?你选的水泵满足消防要求吗?有必要修改个别管径吗?第八章分区给水系统思考题1. 泵站供水能量分配图是如何绘制的?2. 特大城市如地形平坦,管网延伸很远,是否有考虑分区给水的必要,为什么?第九章排水系统概论思考题1. 排水工程的任务和作用是什么?2.为什么说排水工程是我国现代化建设的重要组成部分?3.排水工作者面临的任务是艰巨的,应如何完成这一任务?4.就你所看到(或媒体上)的某一水污染案例分析可能的污染类型、原因和应该采用的技术控制措施。
5. 污水分为哪几类?各类污水的主要特征是什么?6. 污水的最终出路有哪几种?7. 城镇生活污水排放系统、工业废水排水系统及雨水排水系统各由哪些部分组成?每个组成部分的功用是什么?8. 试以地形为主要考虑因素,说明排水系统布置形式的种类及适用条件。
9. 工业废水是否可以直接排入城市排水系统?为什么?10. 什么是区域排水系统?有哪些优缺点?第十章污水管道系统的设计思考题1. 污水管道中的水流是否为均匀流?污水管道的水力计算为什么仍采用均匀流公式?2. 在污水管道设计时,管道底坡(管道坡度)与水力坡度是等同的吗?为什么?3. 在污水管道进行水力计算时,为什么要对设计充满度、设计流速、最小管径和最小设计坡度作出规定?是如何规定的?4. 污水管道的起点埋深如何确定?在没有确定管径前,起点埋深就一定可以确定吗?5. 在污水管道衔接的各种方法中,哪种方法在什么情况下会使下游管段埋深最大?6. 在平坦或反坡地区与较大坡度地区的污水管道设计中,哪种情况一般采用最大充满度设计?7. 如果早污水管道设计中要考虑经济性因素,那么平坦或反坡地区与较大坡度地区哪一个更容易考虑?为什么?习题1. 某居住小区人口密度n=350人/ha,该区生活污水量标准为200L/(人•d),如下图所示,求管段1-2和2-3的设计流量。
2. 某小区污水管线如下图所示,人口密度为350人/ha,生活污水量标准为200L/人,其中公共浴室和工厂所排放水量分别为4L/s、16L/s,求管段3-4的流量。
3. 某街坊污水管道通过支管街道污水管连接,如下图所示,其中1~2管道管径为200mm ,长度为200m ,坡度为0.003,街道污水管管径为300mm ,1、2点处的地面高程分别为66.57m 和66.34m ,若街坊污水管起点最小埋深为0.5m ,则街道污水管2点的最小埋深为多少?4. 某小区污水管线各管段水力条件及各检查井处的地面高程如下图和下表所示。