三级安全教育登记卡
- 格式:doc
- 大小:22.50 KB
- 文档页数:1
三级安全教育记录卡三级安全教育卡使用说明在现代企业安全管理中,三级安全教育是一项至关重要的基础性工作,它不仅关乎员工的个人安全,也直接影响到企业的生产效率和整体安全水平。
三级安全教育卡作为这一教育过程的记录与凭证,其设计、填写及使用都需遵循一定的规范与流程,以确保教育效果的有效达成。
一、三级安全教育卡的设计初衷三级安全教育卡的设计初衷在于系统化、规范化地记录员工从入职到上岗前所接受的各级安全教育内容。
通过这张卡片,企业能够清晰地掌握每位员工的安全教育情况,包括其对公司安全生产方针、政策、法律法规的理解程度,对岗位安全职责、操作技能及危险防范措施的掌握情况,以及个人安全防护用品的正确使用等。
同时,这也是对员工进行安全考核、评估其是否具备上岗资格的重要依据。
二、三级安全教育卡的填写内容三级安全教育卡通常包含以下几个关键部分:基本信息:包括员工的姓名、性别、民族、文化程度、出生年月、家庭住址、身份证号码及联系电话等,这些信息有助于企业建立完整的员工档案,便于后续管理。
教育内容与记录:公司级教育:主要涵盖国家有关安全生产方针、政策、法律法规,公司安全生产情况及基本知识,规章制度和劳动纪律,作业特点、主要危险及防范措施,事故应急救援及预案演练,职业危害及预防,职业卫生知识及伤亡事故典型案例等。
部门级教育:针对员工所在部门的具体工作环境及危险因素,讲解所从事工种可能遭受的职业伤害和伤亡事故,安全职责、操作技能及强制标准,作业区域内主要危险场所的安全注意事项,以及部门安全生产状况、规章制度和事故案例等。
班组级教育:详细介绍本班组的安全概况、工作性质及作业范围,岗位使用的机械设备、工器具的性能及防护装置的使用方法,作业环境、事故多发场所及危险场所,安全操作规程、岗位职责和有关安全注意事项,以及个人防护用品、用具的正确使用和保管方法。
培训结论与签字:每级教育结束后,需由教育人填写培训结论,并对受教育人的学习情况进行评估。
三级安全教育登记卡工程名称:安全生产,文明施工协议书为进一步树立“安全第一,预防为主”综合治理的思想,确保施工人员在生产过程中的安全和健康,杜绝一切事故的发生,本着对个人负责的精神,凡施工人员都必须签订个人安全生产协议书,特制定如下规定:1.施工人员未经培训和安全教育,未办好上级主管部门规定的一切手续不得从事各种作业2.施工人员进入现场必须遵守工地的管理及规章制度,必须带好安全帽,高空作业要系好安全带,穿好个人保护用品,严禁一切违章作业。
3.施工现场所有人员酒后严禁一切作业,严禁穿高跟鞋,拖鞋及易滑的鞋。
4.木工在出入大模板时要严格遵守各项安全操作规程,不准蛮干,严禁一切违章作业。
5.在阳台,楼层和一切室外施工时,严禁将头伸向井子架,电梯井,门窗洞口外,防止发生意外事故。
6.事故人员应注意施工现场一切空洞,坑槽,上架子前要检查架子是否安全可靠,注意架子的探头板,飞跳板,以免掉落伤人。
7.施工中如需使用机械和手持电动工具,操作人员必须熟悉机械和电动工具性能及使用说明,戴好安全防护用品,防止触电伤人。
8.特殊工种人员,(电工,焊工,架子工,塔司,起重工等)必须经培训持证上岗9.高空作业时,要佩戴好安全带和防护用品,要有切实可行的保护措施,严禁向下扔杂物,工具,剩余材料和各种灰尘,防止发生事故。
10.施工现场严禁吸烟和一切非用火,必须用火时办理用火证11.施工人员严禁在墙上行走,防止标号未到达强度造成倒塌伤人。
12.施工人员往架子上码砖时,不得超过三码,严防荷载过重,架子失稳伤人。
13.木工在木工棚用电锯时,一定要按操作规程操作,有良好的安全防护措施,现场要及时清理,防止锯末埋入电机过热起火。
14.施工人员严禁乘坐非乘人运输工具上下,防止发生事故。
15.钢筋工制作绑扎,要严格按照安全操作规程施工,高出绑扎时要系好安全带,高挂低用,严禁违章施工。
16.砼浇筑工,振捣手,要佩戴好绝缘及安全保护用品。
17.抹灰工上跳板前要检查是否安全,不准单跳施工,一切要按照安全操作规程施工。
三级安全教育登记卡
新入职员工三级安全教育登记卡
单位:
姓名性别出生年月学历岗位公司级安全教育风电场安全教育班组级安全教育
1、国家安全生产法及相关法律法规;
2、本单位的安全生产情况及安全生产基本
知识;
3、本单位安全生产规章制度和劳动纪律;
4、通用安全技术;
5、行业历年的重大安全事故的介绍与分
析。
1、风电场生产工艺流程及相关安全生产知识介绍;
2、风电场安全生产状况和规章制度;
3、风电场工作环境及危险因素;
4、所从事工种可能遭受的职业伤害和伤亡事故;
5、所从事工种安全职责、操作技能及强制性标准;
6、自救互救、疏散和现场紧急情况的处理;
7、预防事故和职业危害的措施及应注意的安全事项;
8、风电场的事故案例分析。
1、本岗位的岗位责任制和安全
操作规程;
2、本岗位的安全生产工艺与其
设备的特性;
3、安全装置的作用与使用方法;
4、个人防护用品的穿戴与使用
方法;
5、本岗位的事故安全教训以及
预防事故的措施。
教育日期教育日期教育日期讲师讲师讲师
课时课时课时
考核情况考核情况考核情况HSE负责人风场负责人班组负责人。
SUNDART ENGINEERING & CONTRACTING(BEIJING) LIMITED北京承达创建装饰工程有限公司“三级安全教育”记录卡姓名性别年龄家庭住址工种身份证号码进公司、工地时间三级教育级别内容教育日期及时间教育者及职务公司级1、国务院和建设部制定的安全生产方针、政策和规程、规范;2、安全生产、劳动保护的意义和任务;3、安全生产六大纪律、十项安全技术措施、安全生产“十不准”和其它的规章制度;4、公司安全生产捃任务以及主要类别事故的预防,如高处坠落、触电、物体打击、机具伤害等;5、公司以往发生的重大伤亡事故分析及应吸取的教训;6、增强个人安全保护意识,认真开展不伤害自己、不伤害别人、不被他人伤害的安全生产活动。
(企业安全教育负责本人签名)项目部级1、建筑工种施工特点及安全生产基本知识;2、本单位安全生产规章、制度、纪律和安全注意事项;3、各工种的安全技术操作规程、规定;4、机械设备、电气安全及高处作业等安全基本知识和防护措施;5、防火、防毒和防爆安全知识及预防措施;6、防护用具、用品的正确使用规定;7、爱护施工现场各类安全防护设施、设备、器具、严禁擅自拆卸、损坏及有关奖罚规定。
(安全员本人签名)班组级1、本班组的作业特点及安全操作规格和作业危险区域、部位及期安全防护要求、措施;2、班组安全作业活动制度及纪律;3、爱护和正确使用安全防护装置(设施)及个人劳保用品;4、本岗位易发生事故的不安人因素及其防护对策;5、本岗位的作业环境及使用的机械设备、工具的安全要求。
(班组长本人签名)备注1、教育卡要同工人的花名册、考试试卷一一对应起来,做到全员教育;2、教育卡应按工种归类编号。
.
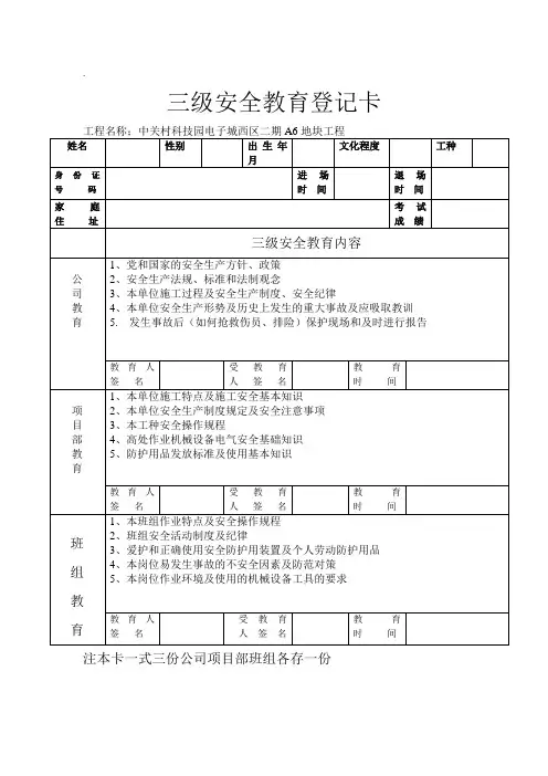
三级安全教育登记卡
工程名称;中关村科技园电子城西区二期A6地块工程
姓名性别出生年
月
文化程度工种
身份证号码进场
时间
退场
时间
家庭住址
考试
成绩三级安全教育内容
公司教育1、党和国家的安全生产方针、政策
2、安全生产法规、标准和法制观念
3、本单位施工过程及安全生产制度、安全纪律
4、本单位安全生产形势及历史上发生的重大事故及应吸取教训
5. 发生事故后(如何抢救伤员、排险)保护现场和及时进行报告
教育人
签名
受教育
人签名
教育
时间
项目部教育1、本单位施工特点及施工安全基本知识
2、本单位安全生产制度规定及安全注意事项
3、本工种安全操作规程
4、高处作业机械设备电气安全基础知识
5、防护用品发放标准及使用基本知识
教育人
签名
受教育
人签名
教育
时间
班组教育1、本班组作业特点及安全操作规程
2、班组安全活动制度及纪律
3、爱护和正确使用安全防护用装置及个人劳动防护用品
4、本岗位易发生事故的不安全因素及防范对策
5、本岗位作业环境及使用的机械设备工具的要求
教育人
签名
受教育
人签名
教育
时间
注本卡一式三份公司项目部班组各存一份。
三级安全教育登记卡背景为了加强公司员工的安全意识和知识,同时提高公司的信息安全防范能力,公司决定实行三级安全教育制度。
在制度中,要求所有员工参加三次安全教育培训,每次培训通过后将颁发一张三级安全教育登记卡。
目的三级安全教育登记卡的目的是记录员工参与安全教育的情况,方便管理层掌握员工的安全教育情况,并采取相应的措施确保公司信息安全。
内容三级安全教育登记卡包括以下内容:1. 员工信息员工信息包括姓名、岗位、部门、联系方式等。
这些信息将被用于员工安排参加安全教育培训,并作为安全教育参与的依据。
2. 安全培训情况安全培训情况包括参加的安全教育培训名称、培训时间、通过情况等。
这些信息将被用于登记卡的审核和颁发。
3. 安全意识测试成绩每次安全教育培训结束后,将进行一次安全意识测试。
测试内容包括信息安全基础知识、涉密文件的管理、网络攻击与防范等。
测试成绩将记录在安全教育登记卡上。
4. 验证信息安全教育登记卡还包括验证信息,如培训教师签字、部门主管签字等。
这些信息将确保登记卡的真实性和有效性。
作用三级安全教育登记卡的作用是多方面的。
1. 提高员工安全意识通过参加安全教育培训和安全意识测试,员工能够更好地了解公司的信息安全政策和规定,提高自身的安全意识和能力。
2. 加强信息安全防范三级安全教育登记卡的实施将提高公司整体信息安全防范水平,为公司信息的保护提供有力的支持。
3. 便于管理三级安全教育登记卡将记录员工的安全教育情况和测试成绩,方便管理层统计和分析员工的安全教育情况,采取相应的措施加强员工的安全教育。
流程三级安全教育登记卡实施流程如下:1. 培训安排公司将根据员工的岗位、部门等信息,安排相应的安全教育培训。
通过网络培训和线下集中培训,确保员工参加到培训中。
2. 安全意识测试在每次安全教育培训结束后,将进行一次安全意识测试,测试成绩将记录在三级安全教育登记卡上。
3. 安全教育登记卡审核安全教育登记卡审核由员工所在部门的主管或安全教育负责人负责。
三级安全教育登记卡1. 引言三级安全教育登记卡是一种用于记录员工在三级安全教育培训中的相关信息的文档。
通过登记卡的使用,企业可以有效管理员工的培训情况,提高员工对安全教育的重视程度,确保组织的安全生产。
2. 登记卡内容三级安全教育登记卡通常包含以下信息:•员工姓名•员工工号•所属部门•岗位名称•培训日期•培训类型•培训地点•培训内容•培训讲师•培训成绩3. 登记卡使用流程3.1 培训计划制定企业应根据安全生产需要制定三级安全教育培训计划,包括培训内容、培训时间、培训地点等。
3.2 培训通知根据培训计划,企业应及时通知相关员工参加三级安全教育培训,并告知培训时间、地点等信息。
3.3 登记卡发放培训开始前,企业应为每位参训员工发放三级安全教育登记卡,并告知员工如何填写登记卡。
3.4 培训记录填写员工参加培训后,应当按照培训情况填写登记卡,包括培训日期、培训类型、培训内容等。
3.5 培训讲师确认培训结束后,培训讲师应对员工填写的登记卡进行确认,并在相应栏目签名确认。
3.6 培训成绩评定根据培训内容和员工学习情况,企业可对员工的培训成绩进行评定,将评定结果填写至登记卡。
3.7 登记卡归档填写完毕的登记卡应当及时归档保存,以备日后查询和查验使用。
4. 登记卡管理与使用4.1 登记卡管理责任人企业应指定专人负责三级安全教育登记卡的管理与使用,并确保登记卡的完整性和保密性。
4.2 登记卡维护企业应制定登记卡的维护制度,定期对登记卡进行整理、存档和备份,保证登记卡的安全可靠。
4.3 登记卡查询与查验企业内部相关部门在需要了解员工安全教育培训情况时,可进行登记卡的查询与查验,确保员工的培训记录真实可靠。
4.4 登记卡使用规范员工在填写登记卡时应如实填写相关信息,不得虚假造假;同时,不得私自更改或涂抹已填写的信息,以确保登记卡的真实性和准确性。
5. 结论三级安全教育登记卡是企业管理员工安全教育培训的重要工具,通过登记卡的使用,企业可以有效管理员工的培训情况,提高员工对安全教育的重视程度,确保组织的安全生产。