承插焊法兰结构型式及尺寸
- 格式:doc
- 大小:422.50 KB
- 文档页数:10
法兰尺寸表法兰制造标准作者:admin产品来源:本站原创点击数:189 更新时间:2008-8-19 【字体:小大】法兰结构图作者:admin产品来源:本站原创点击数:128 更新时间:2008-8-19 【字体:小大】产品录入:admin 责任编辑:admin法兰标准体系作者:admin产品来源:本站原创点击数:112 更新时间:2008-8-19 【字体:小大】法兰标准体系管道法兰按与管子的连接方式可分为五种基本类型:平焊法兰、对焊法兰、螺纹法兰、承插焊法兰、松套法兰。
法兰的密封面型式有有多种,一般常用有凸面(RF)、凹面(FM)、凹凸面(MFM)、榫槽面(TG)、全平面(FF)、环连接面(RJ)。
相应材质:20#、A105、Q235A、12Cr1MoV、16MnR、15CrMo、18-8、321、304、304L、316、316L等。
一、美标ANSIBI605、WN、SO、SW、PL、BL、TH、LJ。
二、日标JIS、B2220。
三、德标DIN、2527-2635四、欧洲系列、国行标准。
HG20615-97<-->HG20614-97五、美洲系列、国行标准。
HG20615-97<-->HG20635-97六、国家标准。
GB9122-GB9123-88七、石化、机械部标准。
JI81-86-59-94、JB2555-79八、电力部标准。
GD-87 DG-78九、化工部标准。
HGJ44-76-91 HG5010-5028-58十、压力容器法兰。
JB/T 4700-4707-2000法兰制造流程作者:admin产品来源:本站原创点击数:71 更新时间:2008-8-19 【字体:小大】法兰产品系列作者:admin产品来源:本站原创点击数:63 更新时间:2008-8-19 【字体:小大】。
法兰规格尺寸表大全第一篇:法兰规格尺寸表大全 - 法兰概述法兰是一种连接管道或设备的重要部件,广泛应用于工业和民用领域。
法兰的主要功能是连接管道或设备,并保证连接处的密封性和稳定性,从而确保系统稳定运行。
法兰分为不同的类型和规格,不同的应用场合配备不同的法兰。
在选择合适的法兰时,必须考虑多个因素,包括连接的管道或设备尺寸、应用场合、工作压力和温度等。
本文将为大家介绍常见的法兰类型和规格尺寸表大全,帮助大家更好地选择合适的法兰。
第二篇:法兰规格尺寸表大全 - 常见法兰类型常见的法兰类型有很多种,包括焊接法兰、盲板法兰、法兰阀门、法兰软接头、法兰变径等。
不同类型的法兰具有不同的特点和适用范围。
下面我们将为大家介绍常见的法兰类型及其特点:1. 焊接法兰焊接法兰顾名思义即需要通过焊接的方式与相应管道材料相连,通常应用于高温高压的工作环境。
2. 盲板法兰盲板法兰用于关闭管道系统,在与管道材料相连通的地方直接锁住,通常应用于排污管、安全阀口等。
3. 法兰阀门法兰阀门主要用途是分割、调节介质流量和介质压力,在工业流程控制中拥有重要作用。
4. 法兰软接头法兰软接头通常是由橡胶或橡胶涂层的钢丝绳组成,被用于对管道的振动和位移进行吸收和缓冲,以保护管道不受损坏。
5. 法兰变径法兰变径是一种特殊型号的法兰,用于连接不同尺寸的管道,如连接大口径管道和小口径管道时。
第三篇:法兰规格尺寸表大全 - 常用法兰规格尺寸表以下是一些常见的法兰规格表,以帮助大家选择合适的法兰:1. 焊接法兰尺寸表公称通径 DN 焊接法兰直径 D 法兰孔直径 d 螺栓孔间距 x 螺栓孔数量 n15 95 16 65 420 105 16 75 425 115 16 85 432 140 18 100 440 150 18 110 450 165 18 125 465 185 18 145 480 200 20 160 8100 220 20 180 8125 250 22 210 8150 285 22 240 8200 340 24 295 8250 395 26 350 12300 445 28 400 12350 505 30 460 16400 565 32 515 16450 615 34 565 20500 670 36 620 20600 780 40 725 20700 895 44 840 24800 1015 48 950 24900 1115 52 1050 281000 1230 56 1160 281100 1340 60 1270 281200 1455 64 1380 321400 1675 70 1580 361600 1915 78 1790 401800 2115 82 2000 402000 2325 90 2200 442. 盲板法兰尺寸表公称通径 DN 盲板厚度 t 重量 kg15 5 0.520 5 0.525 5 0.532 5 0.840 5 0.850 5 165 5 1.580 5 1.5100 5 2125 5 3150 5 4200 5 6250 5 8300 5 12350 6 18400 6 20450 6 25500 6 30600 6 45700 6 63800 6 85900 8 1201000 8 1503. 法兰阀门尺寸表公称通径 DN 法兰规格 D1 D2 D3 D4 a b Zd10 KF10 20 30 36 26 8 12.5 M416 KF16 23 36 42 26 8 12.5 M420 KF20 30 45 52 30 10 17 M525 KF25 35 50 58 34 10 17 M532 KF32 45 60 70 40 12 21 M640 KF40 55 70 80 46 12 21 M650 KF50 75 90 100 56 15 24 M863 KF63 90 105 115 66 15 24 M880 KF80 110 135 145 80 20 28 M10100 KF100 125 160 170 96 20 28 M104. 法兰软接头尺寸表公称通径 DN 压缩量 mm 角位移量° 法兰直径 mm32 6-8 ±15 16-3440 6-8 ±15 16-3450 6-8 ±15 16-3465 6-8 ±15 16-3480 6-8 ±15 16-34100 6-8 ±15 16-34125 6-8 ±15 16-34150 6-8 ±15 16-34200 6-8 ±15 16-34250 6-8 ±15 16-34300 6-8 ±15 16-345. 法兰变径尺寸表公称通径 DN1 变径段长 L1 法兰1直径 D1 法兰2直径D2 公称通径 DN2 变径段长 L2 法兰3直径 D332 200 95 65 25 200 11540 200 105 75 32 200 11550 200 115 85 40 200 12565 200 135 100 50 200 14580 250 150 130 65 250 165100 250 170 150 80 250 185125 300 195 180 100 300 210150 300 220 210 125 300 240200 350 280 260 150 350 295250 400 335 310 200 400 355300 450 395 360 250 450 410350 450 445 410 300 450 460400 500 495 460 350 500 515450 550 550 510 400 550 565500 550 600 560 450 550 620总结以上是关于法兰规格尺寸表大全的介绍,其中包括了常见的法兰类型和规格尺寸表。
法兰标准尺寸
法兰标准尺寸是指在工业领域中,用于连接两个管道的法兰连接件的尺寸和公差。
法兰连接件是一种常见的管道连接方式,广泛应用于石油、化工、建筑、给排水等行业。
法兰标准尺寸的确定有助于保证法兰连接件在实际应用中的可靠性和安全性。
法兰标准尺寸主要包括以下几个方面:
1. 法兰外径 D):法兰外径是指法兰连接件中管道外径的大小。
法兰外径通常分为多个规格,如DN15、DN20、DN25等。
2. 法兰螺纹 N):法兰螺纹是指法兰连接件中螺纹的数量和直径。
法兰螺纹通常分为多个规格,如1/2、1、1 1/4等。
3. 法兰厚度 S):法兰厚度是指法兰连接件中法兰盘的厚度。
法兰厚度通常分为多个规格,如1.0mm、1.5mm、2.0mm等。
4. 法兰连接方式 E):法兰连接方式是指法兰连接件中管道和法兰之间的连接方式。
法兰连接方式通常分为螺纹连接和焊接连接两种。
5. 法兰材料 M):法兰材料是指法兰连接件中法兰盘的材料。
法兰材料通常包括碳钢、不锈钢、合金钢等。
法兰标准尺寸的确定需要遵循相关的国家和行业标准。
在我国,法兰标准尺寸主要依据国家标准 GB/T 9115.1-2010 管道法兰 通用要求》进行制定。
此外,还需要参考国际标准 ANSI B16.5-2017 管道法兰》等相关标准。
法兰标准尺寸的确定有助于保证法兰连接件在实际应用中的可靠性和安全性。
在选择法兰标准尺寸时,需要根据实际应用需求和管道规格进行选择,以确保法兰连接件能够满足实际应用需求。
同时,还需要关注法兰连接件的公差要求,以确保法兰连接件在实际应用中的连接质量和稳定性。
国标法兰尺寸表 1.0MPa-2.5MPa 凸面平焊钢制管法兰PN1.0MPa(10bar)MM公称通径DN 管子外径A连接尺寸密封尺寸法兰厚度C法兰内径B法兰理论重量kg 法兰管径D系列1/系列2螺栓孔中心圆直径K螺栓孔直径L系列1/系列2螺栓、螺柱d f数量n螺纹Th.系列1/系列210149060144M1240212150.46 151********M1245212190.51 202510575144M1255214260.75 253211585144M1265214330.89 3238140/135100184M167821639 1.40 4045150/145110184M168531846 1.71 5057165/160125184M1610031859 2.09 6573185/180145184M1612032075 2.84 8089200/195160184M1613532091 3.24 100108220/215180188M16155322110 4.01125133250/245210188<,/TD>M16185324135 5.40150159285/280240238M20210324161 6.67 175194310270238M202403241967.44 200219340/335295238M202653242228.24 225245365325238M202953242489.30 250273395/3903502312M2032032627610.70 300325445/4404002312M2036842832812.90 350377505/5004602316M2042842838016.90 40042656551526/2516M24/M2248243043021.80 45048061556526/2520M24/M2253243048424.40 50053067062026/2520M24/M2258543253427.70 6006307807253020M2768553663439.40 7007208958403024M27800536715,53 8008201015/10109503424M3090553881767 9009201115/111010503428M30100553891876参考100010201230/1220116036/3428M33/M301115538102090参考11001120134012703628M331222540125参考120012201455/1450138039/4132M3613255441223143参考凸面平焊钢制管法兰PN1.6MPa(16bar)MM公称通径DN 管子外径A连接尺寸密封尺寸法兰厚度C法兰内径B法兰理论重量kg 法兰管径D系列1/系列2螺栓孔中心圆直径K螺栓孔直径L系列1/系列2螺栓、螺柱d f数量n螺纹Th.系列1/系列210149060144M1240214150.55 151********M1245214190.71 202510575144M1255216260.87 253211585144M126521833 1.18 3238140/135100184M167821839 1.60 4045150/145110184M168532046 2.00 5057165/160125184M1610032259 2.61 6573185/180145184M1612032475 3.45 8089200/195160188M1613532491 3.71 100108220/215180188M16155326110 4.80 125133250/245210188M16185328135 6.47 150159285/280240238M202103281617.92 175194310270238M202403281968.81 200219340/3352952312M2026533022210.10 2252453653252312M2029533024811.70 25027340535526/2512M24/M2232033227615.70 30032546041026/2512M24/M2237543232818.10 350,37752047026/2516M24/M2243543438023.30 4004265805253016M2748543843031.00 4504806405853020M2754544248440.20 500530715/7056503420M3060844853455.70 60063084077036/4120M33/M3671855063480.8070072091084036/4124M33/M36788550724106.2 8008201025/102095039/4124M36898552824130.5 9009201125/1120105039/4128M3699854492491参考100010201255117042/4828M39/M4211105461024127参考11001120137012804228M3912225501124160参考120012201485139048/5432M45/M4813255521224186参考凸面平焊钢制管法兰PN2.5MPa(25bar)MM公称通径DN 管子外径A连接尺寸密封尺寸法兰厚度C法兰内径B法兰理论重量kg 法兰管径D系列1/系列2螺栓孔中心圆直径K螺栓孔直径L系列1/系列2螺栓、螺柱d f数量n螺纹Th.系列1/系列210149060144M1240216150.64 151********M1245216190.80 202510575144M1255218260.99 253211585144M126521833 1.18 3238140/135100184M167822039 1.96 4045150/145110184M168532246 2.60 5057165/160125184M1610032459 2.71 6573185/180145188M1612032475 3.22 8089200/195160188M1613532691 4.06 100108235/230190238M20160328110 6.00 12513327022026/258M24/M221883301358.26 15015930025026/258M24/M2221833016110.40 17519433028026/2512M24/M2224833219611.90 20021936031026/2512M24/M2227833222214.50 2252453953403012M2730233424817.00 2502734253703012M2733233427618.90 3003254854303016M2739043632826.80 350377555/5504904016M3044844238034.35 400426620/61055036/3416M33/M3050544443044.90 450480670/66060036/3420M33/M3055544848451.92 50053073066036/3420M33/M3661045253467.30 600630845/8407704120M3671855663495.20700720960/95587542/4824M39/M42815560724116 8008201085/10709904824M45/M42930564824150.2 9009201185/1180109048/5428M45/M481025558924160参考100010201320/1305121055/5828M5211405621024210参考11001124142513155528M5212455661124260参考120012201530/1525142055/5832M5213505701224300参考。
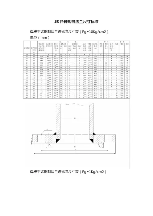
JB各种规格法兰尺寸标准焊接平式钢制法兰盘标准尺寸表(Pg=10Kg/cm2)单位(mm)焊接平式钢制法兰盘标准尺寸表(Pg=1Kg/cm2)焊接平式钢制法兰盘标准尺寸表(Pg=6Kg/cm2)焊接平式钢制法兰盘标准尺寸表(Pg=16Kg/cm2)焊接平式钢制法兰盘标准尺寸表(Pg=25Kg/cm2)带有突出部和凹入部的钢制对头焊接法兰盘Pg=64Kg/cm2 图号:1标-2009当我被上帝造出来时,上帝问我想在人间当一个怎样的人,我不假思索的说,我要做一个伟大的世人皆知的人。
于是,我降临在了人间。
我出生在一个官僚知识分子之家,父亲在朝中做官,精读诗书,母亲知书答礼,温柔体贴,父母给我去了一个好听的名字:李清照。
小时侯,受父母影响的我饱读诗书,聪明伶俐,在朝中享有“神童”的称号。
小时候的我天真活泼,才思敏捷,小河畔,花丛边撒满了我的诗我的笑,无可置疑,小时侯的我快乐无虑。
“兴尽晚回舟,误入藕花深处。
争渡,争渡,惊起一滩鸥鹭。
”青春的我如同一只小鸟,自由自在,没有约束,少女纯净的心灵常在朝阳小,流水也被自然洗礼,纤细的手指拈一束花,轻抛入水,随波荡漾,发髻上沾着晶莹的露水,双脚任水流轻抚。
身影轻飘而过,留下一阵清风。
可是晚年的我却生活在一片黑暗之中,家庭的衰败,社会的改变,消磨着我那柔弱的心。
我几乎对生活绝望,每天在痛苦中消磨时光,一切都好象是灰暗的。
“寻寻觅觅冷冷清清凄凄惨惨戚戚”这千古叠词句就是我当时心情的写照。
最后,香消玉殒,我在痛苦和哀怨中凄凉的死去。
在天堂里,我又见到了上帝。
上帝问我过的怎么样,我摇摇头又点点头,我的一生有欢乐也有坎坷,有笑声也有泪水,有鼎盛也有衰落。
我始终无法客观的评价我的一生。
我原以为做一个着名的人,一生应该是被欢乐荣誉所包围,可我发现我错了。
于是在下一轮回中,我选择做一个平凡的人。
我来到人间,我是一个平凡的人,我既不着名也不出众,但我拥有一切的幸福:我有温馨的家,我有可亲可爱的同学和老师,我每天平凡而快乐的活着,这就够了。
承插焊法兰的分类-概述说明以及解释1.引言1.1 概述承插焊法兰是一种常用的连接元件,广泛应用于管道系统中。
它由法兰盘、法兰圈和螺栓组成,通过焊接的方式将管道连接在一起。
承插焊法兰具有结构简单、连接牢固和使用方便等特点。
在实际应用中,承插焊法兰可以根据不同的需求和使用场景进行分类。
根据连接方式的不同,可以分为第一类承插焊法兰和第二类承插焊法兰。
其中,第一类承插焊法兰在焊接时需要先将法兰圈插入到法兰盘上,然后再进行焊接,连接更加牢固;而第二类承插焊法兰则是将法兰圈焊接在管道上后再进行插入,操作更加方便。
不同类型的承插焊法兰在实际应用中具有不同的特点和优势。
因此,在选择和使用承插焊法兰时,需要根据具体的场景和要求进行合理的选择。
例如,在需要较高连接强度和密封性的场合,可以选择第一类承插焊法兰;而在操作方便和维护便捷的情况下,第二类承插焊法兰可能更适合。
总结而言,本文将深入探讨承插焊法兰的分类,并重点强调不同类型的应用场景。
同时,对未来承插焊法兰的发展进行展望,希望能够为读者在实际应用中选择和使用承插焊法兰提供一些参考和指导。
1.2文章结构1.2 文章结构本文将分为引言、正文和结论三个部分来详细介绍承插焊法兰的分类。
在引言部分,我们将概述承插焊法兰的基本概念和特点,并给出本文的目的。
在正文部分,将详细探讨承插焊法兰的分类。
首先,我们将介绍承插焊法兰的定义和特点,以便读者对其有一个清晰的了解。
然后,我们将分别介绍第一类承插焊法兰和第二类承插焊法兰,包括它们的特点、使用场景等方面的详细信息。
通过这些内容的介绍,读者可以更好地理解承插焊法兰的分类。
在结论部分,我们将对承插焊法兰的分类进行总结,重点强调其适用场景。
同时,我们还将对未来承插焊法兰的发展进行展望,以提供读者更多关于该领域的思考和展望。
通过以上的文章结构,本文将全面深入地介绍承插焊法兰的分类,为读者提供有关该主题的详尽知识。
1.3 目的承插焊法兰是一种常用的连接元件,广泛应用于工业领域。
法兰规格尺寸表法兰是连接管道的一种重要方法,它的主要作用是连接各种管道或设备,并保证管道系统的稳定。
法兰规格尺寸是法兰连接的重要参数之一,下面将详细介绍法兰规格尺寸表。
1.法兰规格法兰规格是法兰连接时使用的规格,大致分为公称直径和公称压力两个方面。
公称直径一般表示法兰连接的管道的内径,如DN40表示管道的内径为40mm;公称压力一般表示法兰连接的管道所承受的压力等级,如PN10表示管道承受的压力为10kg/cm²。
表1:法兰公称直径公称直径(mm) 壁厚(mm) 公称直径(mm) 壁厚(mm) 公称直径(mm) 壁厚(mm)15 2.5 200 6.0 800 14.020 2.5 250 6.0 900 16.025 2.5 300 6.0 1000 18.032 3.2 350 6.0 1100 20.040 3.2 400 6.0 1200 22.050 3.2 450 6.0 1300 24.065 3.5 500 6.0 1400 26.080 4.0 600 8.0 1500 28.0100 4.0 700 10.0 1600 30.0125 5.0 750 12.0 1800 34.0150 5.0 800 12.0 2000 38.0表2:法兰公称压力公称压力(kg/cm²) 法兰等级公称压力(kg/cm²) 法兰等级0.25 1.6 10 400.6 2.5 16 641.0 4.0 20 801.6 6.4 25 101.62.法兰尺寸法兰尺寸是法兰连接时使用的尺寸,主要由内径、外径和孔距组成。
内径指法兰连接的管道的内径;外径指法兰本身的直径,也就是连接法兰的螺栓直径。
孔距指钢制法兰上螺孔中心的距离。
表3:法兰尺寸公称直径(mm) 外径(mm) 内径(mm) 孔数孔径(mm) 孔距(mm)159****146520 105 27 4 14 7525 115 34 4 14 8532 135 43 4 18 10040 145 49 4 18 11050 160 61 4 18 12565 180 78 4 18 14580 195 94 8 18 160100 215 119 8 18 180125 245 145 8 18 210150 280 172 8 23 240200 335 224 8 23 295250 390 275 12 23 350300 440 327 12 23 400350 500 377 16 25 460400 565 429 16 25 515500 670 530 20 25 620600 780 630 20 30 725700 895 720 24 30 840800 1015 820 24 34 950900 1115 920 28 34 10501000 1230 1020 28 34 11601100 1340 1120 32 34 12651200 1455 1220 32 41 13801300 1575 1320 36 41 14951400 1685 1420 36 41 16051500 1805 1520 40 41 17253.法兰连接形式法兰连接形式是法兰连接时运用的连接方式,通常分为对焊法兰和螺丝连接法兰两类。
管道附近的选用氧气管道上的法兰用垫片,应按国家有关的现行标准选用;管道法兰的垫片应按下表选用:氧气管道上法兰用垫片国际上管法兰标准主要有两个体系,一个是以欧盟EN为代表的欧洲管法兰标准体系(公称压力采用PN表示);另一个是以美国ASME为代表的美洲管法兰标准体系(公称压力采用class表示)。
欧洲管法兰标准体系与美洲管法兰标准体系是两个不同且不能互换的管法兰标准体系,此外,还有日本JIS管法兰(公称压力采用K表示)标准体系,但在我国石油化工装置中不多用,或仅用于公用管道工程。
EN1092-1(PN标识)包含了公称压力为、PN6、PN10、PN16、PN25、PN40和PN100共七档,公称尺寸为DN10~DN4000。
法兰的结构型式有板式平焊、对焊环松套、平焊环松套、翻边松套、带劲对焊、整体、螺纹和法兰盖共八种。
密封型式有全平面、突面、凹面/凸面、榫面/槽面和O形圈槽。
与英制管系列钢管配合使用。
美国ASME 《管法兰和法兰管件》是一套完整的、系统的、使用广泛的管法兰标准。
其公称压力为class150、class300、class400、class600、class1500和class2500共七档,公称尺寸为DN15~DN600,法兰结构型式有带劲平焊、承插焊、螺纹连接、对焊环松套、带劲对焊和法兰盖,密封面型式有突面、全平面、凹面/凸面(分大、小两种)、榫面/槽面(分大、小两种)以及金属环连接面。
ASME 中除螺栓尺寸和螺栓孔尺寸以外,采用了米制单位,英制单位尺寸列在附录中。
ASME 对材料分组和相应的压力-温度额定值作了较大的调整,增加了许多新材料。
ASME 《大直径钢法兰》适用于公称尺寸大于DN600的法兰,内容包含A、B两个尺寸系列,A系列为通用的大直径钢法兰(原MSS SP44),B系列为用于石油工业的紧凑型钢法兰(原API605)。
欧洲体系法兰标准和美洲体系法兰标准都是以英制管为对象,但公称压力等级不同,相互交叉也有重复,连接尺寸完全不同,因此,无法互配。
常用国际管法兰标准的几个体系及我国管法兰标准常用国际管法兰标准的几个体系及我国管法兰标准1、法兰连接或法兰接头,是指由法兰、垫片及螺栓三者相互连接作为一组组合密封结构的可折连接,管道法兰系指管道装置中配管用的法兰,用在设备上系指设备的进出口法兰。
2、国际上管法兰标准的几个体系1)欧洲法兰体系:德国DIN(包括苏联)a、公称压力:0.1, 0.25, 0.6, 1.0, 1.6, 2.5, 4.0, 6.4, 10.0, 16.0,25.0, 32.0, 40.0, Mpab、公算通径:15~600mmc、法兰的结构型式:平焊板式、平焊环松套式、卷边松套式、对焊卷边松套式、对焊环松套式、对焊式、带颈螺纹连接式、整体式及法兰盖d、法兰密封面有:平面、凹面、凹凸面、榫槽面、橡胶环连接面、透镜面及膜片焊接面e、苏联于1980年发布的OCT管法兰同录标准与德国DIN标准相似,不再追述2)美洲法兰体系:美国ANSI B16.5《钢制管法兰及法兰管件》a、公称压力:150psi(2.0Mpa),300psi(5.0Mpa),400psi(6.8Mpa),600psi(10.0Mpa),900psi(15.0Mpa),1500psi(25.0Mpa),2500psi (42.0Mpa),b、公算通径:6~4000mmc、法兰的结构型式:条焊、承插焊、螺纹连接、松套、对焊及法兰盖d、法兰密封面:凹面、凹凸面、榫槽面、金属环连接面3) **JIS管法兰:在石油化工装置中一般仅用于公用工程,在国际上影响较小,在国际上没有形成独立体系。
3、我国钢制管法兰国家标准体系GB1)公称压力:0.25Mpa~42.0Mpaa、系列1:PN1.0, PN1.6, PN2.0, PN5.0, PN10.0, PN15.0, PN25.0, PN42(主系列)b、系列2:PN0.25, PN0.6, PN2.5, PN4.0其中PN0.25,PN0.6,PN1.0,PN1.6,PN2.5,PN4.0共6个等级的法兰尺寸系属于以德国法兰为代表的欧洲法兰体系,其余为美国法兰为代表的美洲法兰体系。
HG化工部法兰美标ASME/ANSL RF法兰JIS(日标)4.0~16MPa1.0~4.0MPaClass150~Class1500JIS10k~20k美标ASME/ANSLRJ法兰日标 德标Class150~Class2500JIS JIP DINGB国标、JB机械部法兰1.0~2.5MPa JB机械部法兰控制阀常用法兰法兰简述国际上管法兰标准主要有两个体系,即以德国DIN(包括原苏联)为代表的欧洲管法兰体系和以美表的美洲管法兰体系。
除此之外,还有日本JIS 管法兰,但在石油化工装置中一般仅用于公用工程,而小。
现将各国管法兰简介于下:1,以德国及原苏联为代表的欧洲体系管法兰执行标准有GB系列(国家标准)、JB系列(机械部)、HG系列(化工部)、ASME B16.5(美标)、标)、JIS(日标)国际管法兰标准体系:材质:锻钢、WCB碳钢、不锈钢、316L、316、304L、304、321、铬钼钢、铬钼钒钢、钼二钛品种:平焊法兰、带颈法兰、对焊法兰、环连接法兰、承插法兰、及盲板等。
2.公制管(国内常用的钢管外径尺寸系列) HGJ44~76、JB/T74~90我国管法兰标准现状IOS7005-1是国际标准化组织于1992年颁布的一项标准,该标准实际上是把美国和德国两套系列的法兰标准。
两个体系的管法兰连接尺寸安全不同,无法互配:两个体系的管法兰以压力等级来区分最为合适,即欧洲体系为0.25、0.6、1.0、1.6、2.5、4.0、25.0、32.0、40.0MPa ,美洲体系为1.0、2.0、5.0、11.0、15.0、26.0、42.0MPa 。
2,美洲体系管法兰标准,以ANSI B16.5和ANSI B 16.47为代表3,英国和法国管法兰标准,两国各有两套管法兰标准综上所述,国际上通的管法兰标准可概括为两个不同的,且不能互换的管法兰体系法兰体系;另一个是以美国为代表的美洲管法兰体系。
法兰外形及连接尺寸我国化工、石化行业使用的管法兰常用的标准注:表中括号内的“全部”表示所有规格紧固件被第二行的紧固件所代替。
•••••••••••机械英语•机械标准•机械设计•机械制造•机械品质•机械知识•机械软件•特色专题•机械地图•机械下载•本站博客•关于本站•资讯搜索•网站首页【您现在所在的位置:首页>>马棚网机械资讯>>机械标准>>机械行业标准>>正文——对焊法兰结构型式及尺寸 (摘自HG 20595-1997)】tips:按 Ctrl+F 可以快速搜索查阅内容对焊法兰结构型式及尺寸 (摘自HG 20595-1997)发布日期:[10-07-03 13:04:56] 浏览人次:[84 ] 马棚网对焊法兰结构型式及尺寸(摘自HG 20595-1997)PN1.0 MPa对焊法兰尺寸公称通径DN公称通径DN公称通径DN公称通径DN公称通径DN公称通径DN公称通径DN200 219.1 219 66 278 278 16 16 8 140 250 273 273 76 340 340 20 18 10 155 300 323.9 325 88 400 400 22.2 18 10 175 PN25.0 MPa对焊法兰尺寸公称通径DN钢管外径(法兰焊端外径)A1法兰厚度C法兰颈法兰高度HNSH1≈RA系列B系列A系列B系列10 17.2 14 24 44 44 3 6 3 6015 21.3 18 26 48 48 3.2 6 3 6020 26.9 25 28 54 54 3.6 6 4 6525 33.7 32 28 60 60 3.6 8 4 6532 42.4 38 32 72 72 4 8 5 7540 48.3 45 34 84 84 5 10 5 8050 60.3 57 38 95 95 6.3 10 5 8565 76.1 76 42 124 124 8 12 6 9580 101.6 102 46 136 136 11 12 6 102100 127 127 54 164 164 14.2 14 6 120 125 152.4 159 60 200 206 16 16 6 140 150 177.8 180 68 240 242 17.5 18 8 160 200 244.5 —82 305 —25 25 8 190 250 298.5 —100 385 —32 30 10 215 马棚网文章作者:未知 | 文章来源:网络 | 责任编辑:cupcup1982 | 发送至邮箱: | 加入收藏:本文关键字:对焊法兰本文所属专题:机械手册——管路附件相关资讯无相关新闻热点资讯•机械英语文章|Machine design theory(机械•机械英语文章|机械加工介绍(中英文对照)•机械英语文章|GEAR AND SHAFT INTRODUCTIO •机械英语文章|The development trend of t •机械英语文章|NUMERICAL CONTROL(数控技术•机械设计论文|塑料盖注射模具设计说明书•机械英语文章|Introduciton of Machining—•机械设计论文|设计CA6140车床拨叉(0405)•机械设计案例|四十张经典发动机照片[图]•机械英语文章|The molding tool CAD Gathe推荐资讯•机械分析软件|procast2004压铸实例[图]•机械使用|机械行业安全操作规程•机械分析软件|ansys结构分析入门[图]•机械设计原理|压铸模设计[图]•机械设计教程|焊接工艺•机械设计教程|镁合金压铸技术[图]•机械设备|压铸模具图片[图]•机械设计案例|真空压铸模具设计方案探讨[图]•机械设计原理|钣金件结构设计工艺手册•机械设计原理|钣金结构件可加工性设计规范专题导航•机械手册——管路附件•机械手册——密封•塑料成型工艺及模具设计教程•液压基础知识教程•汽车底盘构造与维修教程•数控加工技术课程•ISO14001环境管理体系•英文文献翻译•机械手册——滑动轴承•电工技术实践教程•机械手册——滚动轴承•机械手册——弹簧•数控机床实训教程•自动化单片机课程•PLC自动化课程•机械手册——联接与紧固•机械手册——轴及轴毂联接•机械手册——机械零部件结构设计•机械手册——摩擦学设计•齿轮•机械手册——通用基础标准•机械手册——疲劳强度设计•机械工程材料——复合材料•冲压模具•冲模教材二•机械工程材料—钢•注塑成型•成型机•化学镀•机床•Solidworks•AutoCAD•电火花(放电)•粉末冶金•机械工程材料——非金属材料•模具•机械工程材料——粉末冶金材料•数控机床•机械制图理论•铸造技术•PLC技术•单片机技术•发动机技术•机械工程材料——有色金属材料•ANSYS技术•UG技术•金工实习课程•CIMATRON实训课程•汽车电器与电子控制技术课程•人机工程学课程•机械测试技术课程•UG中文基础教程•PLC原理及应用课程•SolidWorks 2006 中文版实用教程•塑料模具设计与制造课程•机械控制理论课程•流体机械课程•材料成形技术基础课程•农村农机综合技能人才读本•印刷电路板•项目管理教程•润滑知识•密封技术•国外标准目录•机械制造技术教程•航空航天技术博览•英汉日科技词汇•机电专业英语教程•压铸机•压铸模具•机械工程英语教程•金属材料工程专业英语词条•数控机床操作教程•ANSYS高级技术分析指南•塑胶设计指南教程•机床数控原理及应用•自动变速器教程•模流分析基础入门教程•压铸•精密测量仪器•汽车悬挂•Moldflow•带式输送机教程•理论力学教程•球磨机教程•ANSYS非线性分析命令流例子•金属切削加工基础知识教程•金属工艺学教程•机械设计基础•试题及答案•金属切削原理与刀具教案一•金属切削原理与刀具教程二•Pro/E模具设计训练教材•焊接教程•大学机械专业英语教材•安全操作规程•机械实验室•机械工程材料选用•机械专业英语阅读教程•6σ•CAXA•机械设计常用数据•印刷技术•涂装技术•磷化技术•无损检测•电机•钢管知识•机械新技术•传感器基础知识•注塑材料—树脂•轴承•注塑成型理论教程•液压与气压传动教程•液压与气压传动•不锈钢•机械制图和AUTOCAD教程•金相学•毕业设计论文•塑料模具•Pro/E•汽车机械•模具加工•线切割•零件检验指导书•弹簧•紧固件•表面处理•泵阀•数控技术•机床刀具•电镀•热处理•模具材料手册•冲模教材一•机械设计网络教程•焊接•精密测量•机械工程材料——铸铁•机械英汉词典•机械材料关于我们 | 站点导航 | 使用帮助 | 友情链接 | 广告服务 | 免责声明 | 新手上路设为首页 | 加入收藏 | 在线留言 | 联系马棚网 | 马棚网QQ群:92562572| 交流QQ:备案:苏ICP备07034107号设计:柳吟咏快捷通道:资讯搜索马棚网版权所有Copyright © All rights reserved.。
•••••••••
•
•机械英语
•机械标准
•机械设计
•机械制造
•机械品质
•机械知识
•机械软件
•特色专题
•机械地图
•机械下载
•本站博客
•关于本站
•资讯搜索
•网站首页
【您现在所在的位置:首页>>马棚网机械资讯>>机械标准>>机械行业标准>>正文——承插焊法兰
结构型式及尺寸】
tips:按 Ctrl+F 可以快速搜索查阅内容
50 60.3 57 20 52 49 61.5 59 17 84 PN6.3 MPa承插焊法兰尺寸
公称通径DN
钢管外径
A1
法兰
厚度
C
法兰内径
B1
承插孔
B2
U N A系列B系列A系列B系列A系列B系列
10 17.2 14 20 11.5 9 18 15 9 34
15 21.3 18 20 16 12 22 19 10 38
20 26.9 25 20 21 19 27.5 26 11 48
25 33.7 32 24 26.5 26 34.5 33 13 52
32 42.4 38 24 35 30 43.5 39 14 64
40 48.3 45 26 41 37 49.5 46 16 74
50 60.3 57 26 52 49 61.5 59 17 86 PN10.0 MPa承插焊法兰尺寸
公称通径DN
钢管外径
A1
法兰
厚度
C
法兰内径
B1
承插孔
B2
U N A系列B系列A系列B系列A系列B系列
10 17.2 14 20 11.5 9 18 15 9 34
15 21.3 18 20 16 12 22 19 10 38
20 26.9 25 20 21 19 27.5 26 11 48
25 33.7 32 24 26.5 26 34.5 33 13 52
32 42.4 38 24 35 30 43.5 39 14 64
40 48.3 45 26 41 37 49.5 46 16 76
50 60.3 57 28 52 49 61.5 59 17 86 马棚网
文章作者:未知 | 文章来源:网络 | 责任编辑:cupcup1982 | 发送至邮箱: | 加入收
藏:
相关资讯
无相关新闻
热点资讯
•机械英语文章|Machine design theory(机械•机械英语文章|机械加工介绍(中英文对照)•机械英语文章|GEAR AND SHAFT INTRODUCTIO •机械英语文章|The development trend of t •机械英语文章|NUMERICAL CONTROL(数控技术•机械设计论文|塑料盖注射模具设计说明书•机械英语文章|Introduciton of Machining—•机械设计论文|设计CA6140车床拨叉(0405)•机械设计案例|四十张经典发动机照片[图]•机械英语文章|The molding tool CAD Gathe
推荐资讯
•机械分析软件|procast2004压铸实例[图]•机械使用|机械行业安全操作规程
•机械分析软件|ansys结构分析入门[图]
•机械设计原理|压铸模设计[图]
•机械设计教程|焊接工艺
•机械设计教程|镁合金压铸技术[图]
•机械设备|压铸模具图片[图]
•机械设计案例|真空压铸模具设计方案探讨[图]•机械设计原理|钣金件结构设计工艺手册
•机械设计原理|钣金结构件可加工性设计规范
专题导航
•机械手册——管路附件
•机械手册——密封
•塑料成型工艺及模具设计教程
•液压基础知识教程
•汽车底盘构造与维修教程
•数控加工技术课程
•ISO14001环境管理体系
•英文文献翻译
•机械手册——滑动轴承
•电工技术实践教程
•机械手册——滚动轴承
•机械手册——弹簧
•数控机床实训教程
•自动化单片机课程
•PLC自动化课程
•机械手册——联接与紧固
•机械手册——轴及轴毂联接
•机械手册——机械零部件结构设计•机械手册——摩擦学设计
•齿轮
•机械手册——通用基础标准
•机械手册——疲劳强度设计
•机械工程材料——复合材料
•冲压模具
•冲模教材二
•机械工程材料—钢
•注塑成型
•成型机
•化学镀
•机床
•Solidworks
•AutoCAD
•电火花(放电)
•粉末冶金
•机械工程材料——非金属材料•模具
•机械工程材料——粉末冶金材料•数控机床
•机械制图理论
•铸造技术
•PLC技术
•单片机技术
•发动机技术
•机械工程材料——有色金属材料•ANSYS技术
•UG技术
•金工实习课程
•CIMATRON实训课程
•汽车电器与电子控制技术课程•人机工程学课程
•机械测试技术课程
•UG中文基础教程
•PLC原理及应用课程•SolidWorks 2006 中文版实用教程•塑料模具设计与制造课程
•机械控制理论课程
•流体机械课程
•材料成形技术基础课程
•农村农机综合技能人才读本•印刷电路板
•项目管理教程
•润滑知识
•密封技术
•国外标准目录
•机械制造技术教程
•航空航天技术博览
•英汉日科技词汇
•机电专业英语教程
•压铸机
•压铸模具
•机械工程英语教程
•金属材料工程专业英语词条•数控机床操作教程•ANSYS高级技术分析指南•塑胶设计指南教程
•机床数控原理及应用
•自动变速器教程
•模流分析基础入门教程
•压铸
•精密测量仪器
•汽车悬挂
•Moldflow
•带式输送机教程
•理论力学教程
•球磨机教程
•ANSYS非线性分析命令流例子•金属切削加工基础知识教程•金属工艺学教程
•机械设计基础
•试题及答案
•金属切削原理与刀具教案一•金属切削原理与刀具教程二•Pro/E模具设计训练教材•焊接教程
•大学机械专业英语教材
•安全操作规程
•机械实验室
•机械工程材料选用
•机械专业英语阅读教程
•6σ
•CAXA
•机械设计常用数据
•印刷技术
•涂装技术
•磷化技术
•无损检测
•电机
•钢管知识
•机械新技术
•传感器基础知识
•注塑材料—树脂
•轴承
•注塑成型理论教程
•液压与气压传动教程
•液压与气压传动
•不锈钢
•机械制图和AUTOCAD教程
•金相学
•毕业设计论文
•塑料模具
•Pro/E
•汽车机械
•模具加工
•线切割
•零件检验指导书
•弹簧
•紧固件
•表面处理
•泵阀
•数控技术
•机床刀具
•电镀
•热处理
•模具材料手册
•冲模教材一
•机械设计网络教程
•焊接
•精密测量
•机械工程材料——铸铁
•机械英汉词典
•机械材料
关于我们 | 站点导航 | 使用帮助 | 友情链接 | 广告服务 | 免责声明 | 新手上路
设为首页 | 加入收藏 | 在线留言 | 联系马棚网 | 马棚网QQ群:92562572| 交流QQ:
备案:苏ICP备07034107号设计:柳吟咏快捷通道:资讯搜索马棚网版权所有Copyright © All rights reserved.。