公司消防器材配置标准
- 格式:pptx
- 大小:1.92 MB
- 文档页数:17
消防器材配置标准
1、在建筑物:施工层建筑物面积500平方米内,配置泡沫灭火器不少于2个,每增加500平方米,增加1个泡沫干粉灭火器。
非施工层应当根据实际情况配置。
2、材料仓库:面积50平方米以内,配置泡沫干粉灭火器不少于1个,每增加50平方米增加泡沫干粉灭火器不少于一个,(如材料仓库存放可燃材料较多,更应相应增加灭火器数量。
)
3、施工办公室、水泥仓库:面积在100平方米以内,配置泡沫干粉灭火器不少于1个,每增加50平方米增配泡沫干粉灭火器不少于一个。
4、木制作场:面积在50平方米以内,配置泡沫干粉灭火器不少于2个,每增加50平方米增配泡沫干粉灭火器一个。
5、电工房、配电房、电机房:配备灭火器不少于1个。
6、油料仓库:面积在50平方米以内,配置泡沫干粉灭火器不少于2个,每增加50平方米增配泡沫干粉灭火器不少于一个。
7、可燃物品堆放场:面积在50平方米以内,配置泡沫干粉灭火器不少于2个。
8、垂直运输设备(包括电梯、塔式起重机)机驾室:配置泡沫干粉灭火器不少于1个。
9、临时易燃易爆物品仓:面积在50平方米以内,配置泡沫干粉灭火器不少于2个。
10、值班室:配备泡沫灭火器1个、灭火器1个及一条直径65MM长度25米的消防带。
11、集体宿舍:每25平方米配备灭火器1个,如占地面积超过1000平方米,应按每500平方米设立1个2米平方米的消防水池。
12、厨房:面积在100平方米以内,配置泡沫干粉灭火器3个, 每增加50平方米增配泡沫干粉灭火器一个。
13、临时动火作业场所:配置泡沫干粉灭火器不少于1个和其他辅助消防器材。
消防器材检查配置标准消防器材检查配置标准一、干粉灭火器1、根据GB 50140-2005《建筑灭火器配置设计规范》要求,按该要求商场灭火器配备标准为2具/50㎡,不足50㎡按照50㎡计算。
(如某商户营业面积51㎡应配备4具不得少于4KG装 ABC干粉灭火器)2、灭火器保质期,灭火器筒体报废年限为10年,出厂满5年需充装灭火剂,充装以后每隔2年需再次充装(具体根据维修厂商提供质保期为准),但总共不超过3次。
即5+2+2=9,9年后的下一年报废。
3、干粉灭火器压力表检查,压力表分为红绿黄三个颜色,当指针指示在红色区间时表示灭火器压力不足不可用、指针指示在绿色区间时表示压力正常可用、当指针指示在黄色区间时表示压力充装过高勿超出1.4mpa超出需返厂维修如未返修使用时有爆炸的危险。
(正常压力值1.2mpa-1.4mpa)4、灭火器只得充当灭火器具使用,不得当作它用,灭火器摆放位置需放置在醒目明显的位置不得被杂物堵塞阻隔且放置在通风干燥位置时常进行保养擦拭,每季度进行一次检查并填写灭火器检查卡。
5、灭火器有下列情况之一的应报废:1)筒体严重锈蚀,(锈蚀面积大于等于筒体总面积的1/3、表面有凹坑)2)筒体明显变形,机械损伤严重。
3)器头存在明显裂纹、无泄压机构。
4)筒体为平底等结构不合理。
5)没有间歇喷射机构的手提式。
6)没有生产厂名称和出厂年月,包括铭牌脱落,或虽有铭牌、但已看不清生产厂名称,或出厂年月铭牌无法识别。
7)筒体有锡焊、铜焊或补缀等修补痕迹。
8)被火烧过。
二、过滤式自救呼吸器(防烟/毒面具)1、按照标准每50㎡至少配置1个防烟面具,不足50㎡按照50㎡计算。
2、防烟面具有效质保期为3年,从出厂日期算起超过3年可做报废丢弃处理;该器具为一次性使用,如在检查时发现真空包装袋有漏气或包装袋撕破现象可视为已失效不能再使用。
3、该产品为存放型,一旦固定存放后不能经常随意搬动、敲击,拆装以免引起意外失效。
企业消防设施配置标准
企业消防设施配置标准通常由相关政府部门、消防规范或行业标准制定,旨在确保企业建筑内部的消防设备和安全措施能够满足基本的消防安全要求。
以下是一般情况下的一些企业消防设施配置标准的内容:
1. 灭火器和消防器材:
•灭火器种类和数量:规定不同种类和类型的灭火器在企业内的配置要求。
•消防栓和消防水带:确保消防栓和水带在建筑内各区域的合理布局和数量。
2. 自动消防系统:
•火灾报警系统:规定安装火灾报警器和火警自动报警系统的区域和布局。
•自动喷水灭火系统:确保自动喷水灭火系统的设计和配置符合标准要求。
3. 疏散通道和应急照明:
•疏散通道标准:确保疏散通道宽度、布局和安全出口标识符合规范要求。
•应急照明系统:规定应急照明设备的设置和配置标准,确保在火灾等紧急情况下提供充足的照明。
4. 防火间隔和防火隔离:
•防火间隔:规定不同区域之间的防火间隔要求,确保火灾不易蔓延。
•防火隔离物资:确保防火材料和隔离措施符合标准要求。
5. 火灾应急预案和演练:
•火灾应急预案:要求企业制定完善的火灾应急预案和逃生指南,并组织定期演练。
•人员培训:要求对企业员工进行消防安全知识培训,增强应对火灾的能力。
这些标准和要求的制定是为了确保企业建筑内部的消防设备和安全措施能够有效应对火灾风险,保障员工和财产安全。
企业应当根据当地的法规、建筑规范以及特定行业的要求来合理配置和安装消防设备,并定期进行检查和维护,确保设施的完好和有效性。
经营场所消防器材配备标准经营场所的消防器材配备标准是确保场所内安全的重要措施。
根据不同的场所和危险等级,消防器材的配备数量和种类会有所不同。
以下是一般的经营场所消防器材配备标准:一、灭火器灭火器是常见的消防器材之一,适用于扑灭初期火灾。
根据场所的危险等级和面积大小,需要配置不同类型和数量的灭火器。
1.A类火灾:配置泡沫灭火器或干粉灭火器。
2.B类火灾:配置泡沫灭火器或干粉灭火器。
3.C类火灾:配置干粉灭火器或二氧化碳灭火器。
对于面积超过100平方米的场所,应至少配置2个灭火器,并确保每50平方米配置1个灭火器。
同时,灭火器的放置位置应便于取用,且不应影响安全疏散。
二、消防栓消防栓是消防供水的重要设备,适用于较大的火灾。
在经营场所中,应根据场所的危险等级和面积大小,配置相应数量的消防栓。
1.每个消防栓的供水范围不应超过50米,每层楼不应超过2个。
2.消防栓应放置在明显易见的位置,且不应影响安全疏散。
3.消防栓的管道应保持畅通,无渗漏现象。
三、消防报警装置消防报警装置是及时发现火灾并通知人员疏散的重要设备。
在经营场所中,应根据场所的危险等级和面积大小,配置相应数量的消防报警装置。
1.每个报警装置的覆盖范围不应超过50平方米。
2.报警装置应安装在明显易见的位置,且不应影响安全疏散。
3.报警装置应保持完好,能够及时准确发出报警信号。
四、应急照明和疏散指示标志应急照明和疏散指示标志是引导人员疏散的重要设备。
在经营场所中,应根据场所的危险等级和面积大小,配置相应数量的应急照明和疏散指示标志。
1.应急照明灯应安装在明显易见的位置,且不应影响安全疏散。
2.疏散指示标志应悬挂在显眼的位置,并标注安全出口和逃生路线的方向。
3.应急照明灯和疏散指示标志应保持完好,能够正常工作。
五、安全出口和逃生通道安全出口和逃生通道是人员疏散的重要通道。
在经营场所中,应根据场所的危险等级和面积大小,设置相应数量的安全出口和逃生通道。
(一)消防器材配置标准(1)在建建筑物:施工层面积在500平方米以内,配备泡沫灭火器不少于2个,每增500平方米增配泡沫灭火器1个,非施工层必须视具体情况适当配置灭火器材。
(2)材料仓:面积在50平方米以内,配备泡沫灭火器不少于1个,每增50平方米增配泡沫灭火器不少于1个(如仓内存放可燃材料较多,要相应增加)。
(3)施工办公室、水泥仓:面积在100平方米以内,配备泡沫灭火器不少于1个,每增50平方米增配泡沫灭火器不少于1个。
(4)木制作场:面积在50平方米以内,配备泡沫灭器不少于2个,每增50平方米增配泡沫灭火器1个。
(5)电工房、配电房:配备灭火器不少于1个。
(6)电机房:配备灭火器汪少于1个。
(7)油料仓:面积在50平方米以内,配备灭火器不少于2个,每增50平方米增配灭火器不少于1个。
(8)可燃物品堆放场:面积在50平方米以内,配备泡沫灭火器不少于2个。
(9)垂直运输设备(包括施工电梯、塔式起重机)机驾室:配备灭火器不少于1个。
(10)临时易燃易爆物品仓:面积在50平方米以内,配备灭火器不少于2个。
(11)值班室:配备泡沫灭火器1个、灭火器1个及一条直径为65mm长度为20m的消防水带。
(12)集体宿舍:每25平方米配备泡沫灭火器1个,如占地面积超过1000Mguh 方米,应按每500平方米设立1个2m平方米的消防水池。
(13)厨房:面积在100平方米以内,配备灭火器3个,每增50平方米增配泡沫灭火器1个。
(14)临时动火作业场所:配备泡沫灭火器不少于1个和其他消防辅助器材。
附表:消防器材登记表附表:6-37消防器材分布记录表附表6-38制表人:消防设施、器材维修检验记录表附表6-39记录人:灭火器日常管理表附表6-40序号灭火器种类放置环境要求日常管理内容1清水灭火器环境温度应为4~450C通风、干燥地点定期检查储气瓶,如发现动力气体的重量减少10%时,应重新充气,并查明泄露原因及部位,予以修复。
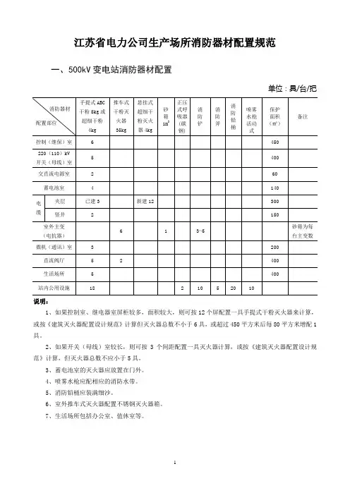
江苏省电力公司生产场所消防器材配置规范一、500kV变电站消防器材配置单位:具/台/把消防器材配置部位手提式ABC干粉5kg或超细干粉4kg推车式干粉灭火器35kg悬挂式超细干粉灭火器4kg砂箱1m3正压式呼吸器(碳钢)消防铲消防斧消防铅桶喷雾水枪活动式保护面积(㎡)备注控制(继保)室 6 450 220(110)kV开关(母线)室5 400 交直流电源室 2 60 蓄电池室 4 140电缆夹层已建3 新建12 300 竖井 2 150 室外主变(电抗器)6 1 3~5砂箱为每台主变数微机(通讯)室 3 200 直流阀厅 5 2 400生活场所 5 400站内公用设施18 2 10 5 20 10说明:1、如果控制室、继电器室屏柜较多,面积较大,则可按12个屏配置一具手提式干粉灭火器来计算,或按《建筑灭火器配置设计规范》计算但灭火器总数不小于6具,或超过450平方米后每80平方米增配1具。
2、如果开关(母线)室较长,则可按3个间距配置一具灭火器计算,或按《建筑灭火器配置设计规范》计算,但灭火器总数不应小于5具。
3、蓄电池室的灭火器应放置在门外。
4、喷雾水枪应配相应的消防水带。
5、消防铅桶应装满细沙。
6、室外推车式灭火器配置不锈钢灭火器箱。
7、生活场所包括办公室、值休室等。
二、220kV变电站消防器材配置单位:具/台/把消防器材配置部位手提式ABC干粉5kg或超细干粉4kg推车式干粉灭火器35kg悬挂式超细干粉灭火器4kg砂箱1m3正压式呼吸器(碳钢)消防铲消防斧消防铅桶喷雾水枪活动式保护面积(㎡)备注二次设备室 5 350 220(110)kV开关(母线)室5 400 35(10/20)kV开关(母线)室5 400电缆夹层已建4 新建10 250 竖井 2 100电容器室5MV·A 2 705~10MV·A 3 14010~15MV·A 4 21015~20MV·A 5 280蓄电池室 4 105室外主变 4 1 3~5砂箱为每台主变数接地变(消弧线圈)2 160生活场所 4 300站内公用设施12 8 4 15 6*说明:1、如果二次设备室(监控室)屏柜较多,面积较大,则可按12个屏配置一具灭火器来计算,或按《建筑灭火器配置设计规范》计算计算但灭火器总数不小于5具,或超过350平方米后每80平方米增配1具。
施工现场消防器材配置标准1、厨房:面积在100㎡以内,配置灭火器3(4)个、每增50㎡增配灭火器1个。
2、材料库:面积在50㎡以内,配置灭火器不少于1个,每增50㎡增配灭火器不少于1个(如仓库内存放可燃材料较多,要相应增加)。
3、施工办公区、水泥仓:面积在100㎡以内,配置灭火器不少于1个,每增50㎡增配灭火器不少于1个。
4、可燃物品堆放场:面积在50㎡以内,配置灭火器不少于2(4)个。
5、电机房:配置灭火器不少于1个。
6、电工房、配电房:配置灭火器不少于1个。
7、垂直运输设备(包括施工电梯、塔吊)驾驶室:配置灭火器不少于1个。
8、油料库:面积在50㎡以内,配置灭火器不少于2(4)个,每增50㎡增配灭火器不少于1个。
9、临时易燃易爆物品仓库:面积在50㎡以内,配置灭火器不少于2(4)个。
10、木制作场:面积在50㎡以内,配置灭火器不少于2(4)个,每增50㎡增配灭火器1个。
11、值班室:配置灭火器2个及1个直径为65mm、长度20m的消防水带。
12、集体宿舍:每25㎡配置灭火器1个,如占地面积超过1000㎡,应按每500㎡设立一个2m的消防水池。
13、临时动火作业场所:配置灭火器不少于1个和其他消防辅助器材。
14、在建建筑物:施工层面积在500㎡以内,配置灭火器不少于2个,每增500㎡增配灭火器1个,非施工层必须视具体情况适当配置灭火器材。
【要求】按照安全施工原则,对于五小设施的要求是:①、食堂。
食堂炊事员有健康证,炊事用具卫生,炊事员上岗穿(戴)工作服(帽),就餐场所卫生条件好,室内有水泥地面,室内墙面灰,刷白设透气窗,灶台镶贴瓷砖,有灭蚊蝇、蟑螂措施。
②、工地设水冲厕所,高层有流动厕所。
③、工人宿舍。
宿舍房间人数不超过6人,单床,用电线路规范,室内整洁。
④、工地有沐浴室,安全有保障。
⑤、工地有工人活动室,有相关的设施设备。
【一、食堂】1、食堂操作间要有足够的使用面积,并定期清洗消毒。
2、炊事人员要经过卫生防疫培训,并持健康证上岗,身着白色工作服、帽。
消防器材配置标准
1、在建筑物:施工层建筑物面积500平方米内,配置泡沫灭火器不少于2个,每增加500平方米,增加1个泡沫干粉灭火器。
非施工层应当根据实际情况配置。
2、材料仓库:面积50平方米以内,配置泡沫干粉灭火器不少于1个,每增加50平方米增加泡沫干粉灭火器不少于一个,(如材料仓库存放可燃材料较多,更应相应增加灭火器数量。
)
3、施工办公室、水泥仓库:面积在100平方米以内,配置泡沫干粉灭火器不少于1个,每增加50平方米增配泡沫干粉灭火器不少于一个。
4、木制作场:面积在50平方米以内,配置泡沫干粉灭火器不少于2个,每增加50平方米增配泡沫干粉灭火器一个。
5、电工房、配电房、电机房:配备灭火器不少于1个。
6、油料仓库:面积在50平方米以内,配置泡沫干粉灭火器不少于2个,每增加50平方米增配泡沫干粉灭火器不少于一个。
7、可燃物品堆放场:面积在50平方米以内,配置泡沫干粉灭火器不少于2个。
8、垂直运输设备(包括电梯、塔式起重机)机驾室:配置泡沫干粉灭火器不少于1个。
9、临时易燃易爆物品仓:面积在50平方米以内,配置泡沫干粉灭火器不少于2个。
10、值班室:配备泡沫灭火器1个、灭火器1个及一条直径65CM
长度25米的消防带。
11、集体宿舍:每25平方米配备灭火器1个,如占地面积超过1000平方米,应按每500平方米设立1个2米平方米的消防水池。
12、厨房:面积在100平方米以内,配置泡沫干粉灭火器3个, 每增加50平方米增配泡沫干粉灭火器一个。
13、临时动火作业场所:配置泡沫干粉灭火器不少于1个和其他辅助消防器材。
食品公司厂区消防器材配置与维护规定一、前言为保障食品公司厂区的人员生命安全和财产安全,有效应对突发火灾事故,制定本《食品公司厂区消防器材配置与维护规定》。
该规定旨在规范食品公司厂区消防器材的配置和日常维护工作,确保消防器材处于良好状态,有力地提升消防安全保障能力。
二、总则1. 食品公司厂区消防器材的配置应符合国家和地方相关消防法律法规的要求。
2. 食品公司厂区消防器材的维护工作应按照相关标准进行,确保器材的正常运行和可靠性。
3. 食品公司厂区消防器材的配置和维护工作由专业人员负责,确保工作的专业性和可操作性。
三、食品公司厂区消防器材配置规定1. 食品公司厂区应配置以下基本消防器材:1.1 常用灭火器:根据厂区规模和布局配置不同种类、不同型号的灭火器,包括干粉灭火器、二氧化碳灭火器等,用于初期火灾扑救。
1.2 消防栓系统:设置合理数量和合理布局的消防栓,提供足够的灭火水源。
1.3 自动喷水灭火系统:根据厂区的特点和需求设置自动喷水灭火系统,确保火灾能够及时被控制。
1.4 自动火灾报警系统:配置火灾自动报警设备,及时发现火灾隐患并采取相应措施。
1.5 防排烟设备:按照相关规定安装通风设备和排烟装置,确保火灾发生时能够及时排烟。
四、食品公司厂区消防器材维护规定1. 消防器材定期检查和维护:1.1 灭火器:每月对灭火器进行一次外观检查,确保灭火器完好无损,并记录检查情况。
每年进行一次灭火器压力检测和重量检测,确保灭火器使用性能良好。
1.2 消防栓系统:每季度进行一次消防栓系统压力测试,确保水源供应充足并排查漏水和堵塞情况。
1.3 自动喷水灭火系统:每年对自动喷水灭火系统进行一次全面检查和试运行,确保系统的正常运行和喷水效果。
1.4 自动火灾报警系统:每半年对自动火灾报警系统进行一次全面检查和试运行,确保系统的正常报警和传导功能。
1.5 防排烟设备:每季度对防排烟设备进行一次检查和清理,确保设备正常运行。
施工现场消防器材配置标准1、厨房:面积在100㎡以内,配置灭火器3(4)个、每增50㎡增配灭火器1个。
2、材料库:面积在50㎡以内,配置灭火器不少于1个,每增50㎡增配灭火器不少于1个(如仓库内存放可燃材料较多,要相应增加)。
3、施工办公区、水泥仓:面积在100㎡以内,配置灭火器不少于1个,每增50㎡增配灭火器不少于1个。
4、可燃物品堆放场:面积在50㎡以内,配置灭火器不少于2(4)个。
5、电机房:配置灭火器不少于1个。
6、电工房、配电房:配置灭火器不少于1个。
7、垂直运输设备(包括施工电梯、塔吊)驾驶室:配置灭火器不少于1个。
8、油料库:面积在50㎡以内,配置灭火器不少于2(4)个,每增50㎡增配灭火器不少于1个。
9、临时易燃易爆物品仓库:面积在50㎡以内,配置灭火器不少于2(4)个。
10、木制作场:面积在50㎡以内,配置灭火器不少于2(4)个,每增50㎡增配灭火器1个。
11、值班室:配置灭火器2个及1个直径为65mm、长度20m的消防水带。
12、集体宿舍:每25㎡配置灭火器1个,如占地面积超过1000㎡,应按每500㎡设立一个2m的消防水池。
13、临时动火作业场所:配置灭火器不少于1个和其他消防辅助器材。
14、在建建筑物:施工层面积在500㎡以内,配置灭火器不少于2个,每增500㎡增配灭火器1个,非施工层必须视具体情况适当配置灭火器材。
【要求】按照安全施工原则,对于五小设施的要求是:①、食堂。
食堂炊事员有健康证,炊事用具卫生,炊事员上岗穿(戴)工作服(帽),就餐场所卫生条件好,室内有水泥地面,室内墙面灰,刷白设透气窗,灶台镶贴瓷砖,有灭蚊蝇、蟑螂措施。
②、工地设水冲厕所,高层有流动厕所。
③、工人宿舍。
宿舍房间人数不超过6人,单床,用电线路规范,室内整洁。
④、工地有沐浴室,安全有保障。
⑤、工地有工人活动室,有相关的设施设备。
【一、食堂】1、食堂操作间要有足够的使用面积,并定期清洗消毒。
2、炊事人员要经过卫生防疫培训,并持健康证上岗,身着白色工作服、帽。