(精选文档)重大危险源辨识记录(I)
- 格式:doc
- 大小:51.50 KB
- 文档页数:7
重大危险源辨识、分析记录(参考专项安全评价报告第61页)(一)危险化学品重大危险源辨识根据《危险化学品重大危险源辨识》(GB18218-209)对公司危险化学品进行重大危险源辨识。
公司存在的危险化学品有:甲醛、乙醛、氢氧化钠、液氨、甲醇。
构成重大危险源的危险化学品见下表:构成重大危险源的危险化学品一览表1、乙醛储量计算:乙醛罐乙醛储量:3.14*(3.8/2)2*10*0.788=89.32(t)乙醛混合槽乙醛储量:3.14*(1.8/2)2*2.8*0.3=2.14(t)乙醛高位槽乙醛储量:3.14*(1.8/2)2*3.5*0.3=2.67(t)乙醛储量总计:89.32+2.14+2.67=94.13(t)2、液氨储量计算:液氨储量共4t3、甲醇储量计算:3.14*(11/2)2*10*0.79*3=2250(t)经计算:R=106/10+4/10+2250/500=14.5>1根据《危险化学品重大危险源辨识》(GB18218-2009),经计算乙醛储罐构成重大危险源。
(二)特种设备重大危险源辨识依据根据国家安监局《关于开展重大危险源监督管理工作的指导意见》(安监管协调字【2004】56号)、《河北省重大危险源监督管理规定》(河北省人民政府令【2009】第12号)等进行辨识。
1、锅炉符合下列条件之一的锅炉为重大危险源:①蒸汽锅炉额定蒸汽压力大于2.5MPa,且额定蒸发量大于等于10t/h。
②热水锅炉额定出水温度大于等于120℃,且额定功率大于等于14MW。
2、压力管道符合下列条件之一的压力管道为重大危险源①输送有毒、可燃、易燃气体,且设计压力大于等于1.6 Mpa的长输管道;②输送有毒、可燃、易燃液体介质,输送距离大于等于200km且管道公称直径≥300mm的长输管道;③中压和高压燃气管道,且公称直径≥200mm的公用管道;④输送GBZ-230中,毒性程度为极度、高度危害气体(不含煤气)、且公称直径≥1000mm的公用管道;公称直径大于等于800mm的煤气管道。
重大危险源辨识记录
按照《危险化学品重大危险源辩识》(GB18218-2018)中规定的重大危险源辨识的依据和方法,对我公司的生产装置区可能涉及的重大危险源进行辨识与分析。
在《危险化学品重大危险源辩识》(GB18218-2018)中明确了重大危险源就是“长期地或临时地生产、储存、使用和经营危险化学品,且危险化学品的数量等于或超过临界量的单元。
”
根据国家标准《危险化学品重大危险源辨识》(GB18218-2018),我公司所涉及的物质中,氧气被列入重大危险源危险物质表中。
在《危险化学品重大危险源辨识》(GB18218-2018)中,明确了危险化学品重大危险源分为生产单元重大危险源和储存单元重大危险源,因此分别按照生产单元和储存单元来进行辨识,我公司列入《危险化学品重大危险源辨识》(GB18218-2018)中的危险物质分析情况如下表:
危险物质分析一览表
我公司危险化学品重大危险源辨识如下:
34.2/200=0.171<1
1.1/200=0.006<1
我公司生产单元和储存单元均不构成重大危险源。
XXX有限公司
2020.1.3。
重大危险源辨识
为了搞好安全生产评价,根据建筑施工有关标准和规范,对重大分部分项工程的危险源辨识作了如下提示:
一、脚手架工程的危险源辨识及后果
二、临时用电工程的危险源辨识及后果
三、物料提升机及塔吊的危险源辨识及后果
四、“三宝”、“四口”的危险源辨识及后果
五、模板工程的危险源辨识及后果
六、拆除工程的危险源辨识及后果
七、基坑支护的危险源辨识及后果
八、起重吊装作业的危险源辨识及后果
欢迎您的下载,资料仅供参考!。
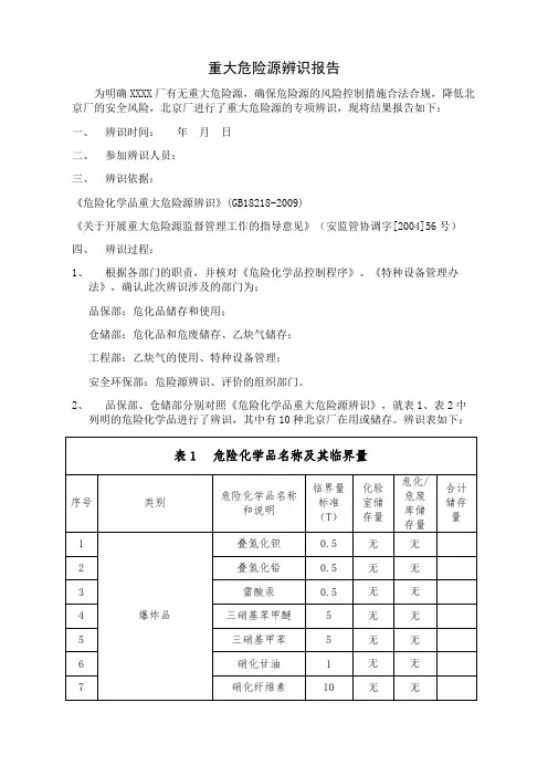
重大危险源辨识报告为明确XXXX厂有无重大危险源,确保危险源的风险控制措施合法合规,降低北京厂的安全风险,北京厂进行了重大危险源的专项辨识,现将结果报告如下:一、辨识时间:年月日二、参加辨识人员:三、辨识依据:《危险化学品重大危险源辨识》(GB18218-2009)《关于开展重大危险源监督管理工作的指导意见》(安监管协调字[2004]56号)四、辨识过程:1、根据各部门的职责,并核对《危险化学品控制程序》、《特种设备管理办法》,确认此次辨识涉及的部门为:品保部:危化品储存和使用;仓储部:危化品和危废储存、乙炔气储存;工程部:乙炔气的使用、特种设备管理;安全环保部:危险源辨识、评价的组织部门。
2、品保部、仓储部分别对照《危险化学品重大危险源辨识》,就表1、表2中列明的危险化学品进行了辨识,其中有10种北京厂在用或储存。
辨识表如下:的物质物质遇水放出易燃气体的物质危险性属于4.3项且包装为Ⅰ或Ⅱ的物质200无无氧化性物质危险性属于5.1项且包装为Ⅰ类的物质50无无危险性属于5.1项且包装为Ⅱ或Ⅲ类的物质200无无有机过氧化物危险性属于5.2项的物质50无无毒性物质危险性属于6.1项且急性毒性为类别1的物质50无无危险性属于6.1项且急性毒性为类别2的物质500无无注:以上危险化学品危险性类别及包装类别依据GB12268确定,急性毒性类别依据GB20592确定。
3、安全环保部、工程部、品保部、仓储部共同对照《关于开展重大危险源监督管理工作的指导意见》(安监管协调字[2004]56号)进行了辨识,辨识结果如下:1)储罐区(储罐):北京厂无储存表1中所列类别危险物品的储罐;2)库区(库):根据本报告第2款的辨识表,经公式计算,储存表3中所列的危险物品,北京厂危化品库、危废品库、乙炔库、化验室药品室的储存量远没有达到其临界量。
计算公式:3)生产场所:北京厂的危化品实行入库储存,生产场所只允许存放当班的使用量,现场存量远小于库区的储存量,达不到重大危险源的临界量。
危险化学品重大危险源辨识记录一、背景知识随着工业化进程的加快,危险化学品的使用也变得越来越普遍。
然而,危险化学品的不当使用和管理可能导致严重的事故和灾难。
为了确保生产过程中的安全,辨识和管理危险化学品的重大危险源具有重要的意义。
二、辨识记录为了全面辨识危险化学品的重大危险源,我们进行了详细的调查和记录。
下面是我们的记录结果:1. 辨识对象:某公司生产车间2. 辨识时间:2022年6月15日3. 辨识人员:安全生产负责人、专业技术人员、相关部门负责人等4. 辨识方法:a) 查阅相关资料和技术文献,了解常见的危险化学品及其特性;b) 召开辨识会议,邀请相关部门和人员参与讨论,充分了解车间的生产流程和使用的化学品;c) 实地勘察,观察生产现场,并与工人和操作人员进行沟通。
5. 辨识结果:a) 危险化学品名称:二甲基甲酰胺危险源:易燃物质、腐蚀性物质可能产生的重大危险:火灾、爆炸、中毒b) 危险化学品名称:苯危险源:易燃物质、毒性物质可能产生的重大危险:火灾、中毒、严重污染环境c) 危险化学品名称:氯化钠危险源:腐蚀性物质可能产生的重大危险:腐蚀伤害、中毒d) 危险化学品名称:硫酸危险源:腐蚀性物质可能产生的重大危险:腐蚀伤害、爆炸e) 危险化学品名称:氢氟酸危险源:腐蚀性物质可能产生的重大危险:腐蚀伤害、中毒、爆炸6. 辨识结论:以上列举的危险化学品及其重大危险源需要引起高度重视。
为确保生产过程的安全,我们应采取必要的措施,包括但不限于:a) 建立完善的危险化学品储存和管理制度;b) 提供必要的安全设施和个人防护用品;c) 加强员工的安全培训和意识教育;d) 建立应急预案,并进行定期演练;e) 加强现场监控和风险评估。
三、结论通过对危险化学品重大危险源的准确辨识,我们可以更好地了解工作场所中存在的潜在风险,并采取相应的管理措施来降低事故的发生概率和减轻事故造成的损失。
只有高度重视危险化学品的安全管理,我们才能有效地保障生产过程中的安全,防范化学品事故的发生。
山东博源石化有限公司危险化学品重大危险源辨识、分级依据《危险化学品重大危险源辨识》(GB18218-2009)和《危险化学品重大危险源监督管理暂行规定》(国家安全监管总局令第40号)对山东博源石化有限公司生产区内的危险化学品进行辨识、分级。
危险化学品重大危险源是指长期地或临时地生产、搬运、使用或者储存危险物品,且危险物品的数量等于或超过临界量的单元(包括场所和设施)。
根据山东博源石化有限公司的生产实际,重大危险源为5个储罐区。
对本公司生产、加工、搬运、使用或储存的!3轻油、2#轻油、苯、煤焦沥青进行重大危险源辨识、分级。
一、重大危险源辨识1#轻油罐区重大危险源辨识表根据“单元内存在的危险化学品为单一品种,则该危险化学品的数量即为单元内危险化学品的总量,若等于或超过相应的临界量,则定为重大危险源”,本单元内只有一种危险化学品,且存量大于临界量,故构成重大危险源。
辨识结果:异丁烯储罐区单元为重大危险源二、重大危险源分级1、危险化学品重大危险源分级方法(1)、分级原则采用单元内各种危险化学品实际存在(在线)量与其在《危险化学品重大危险源辨识》(GB18218-2009)中规定的临界量比值,经校正系数校正后的比值之和R作为分级指标。
(2)、R的计算方法式中:q1,q2,…,q n—每种危险化学品实际存在(在线)量(单位:吨);Q1,Q2,…,Q n—与各危险化学品相对应的临界量(单位:吨);β1,β2…,βn—与各危险化学品相对应的校正系数;α—该危险化学品重大危险源厂区外暴露人员的校正系数。
(3)、校正系数β及R值分级区间的确定根据单元内危险化学品的类别不同,设定校正系数(β)值,见表1和表2:表1 校正系数β取值表注:危险化学品类别依据《危险货物品名表》中分类标准确定。
表2 常见毒性气体校正系数β值取值表注:未在表2中列出的有毒气体可按=2取值,剧毒气体可按β=4取值。
(4)、校正系数α的取值根据重大危险源的厂区边界向外扩展500米范围内常住人口数量,设定厂外暴露人员校正系数(α)值,见表3:表3 校正系数α取值表(5)、分级标准根据计算出来的R值,按表4确定危险化学品重大危险源的级别。
危险化学品重大危险源辨识分级记录随着工业化的发展,危化品的使用越来越广泛,但同时也带来了越来越多的安全隐患和风险。
危险化学品重大危险源辨识分级记录作为危化品企业在生产过程中进行安全管理的基础工作之一,对于防范事故的发生、保证生产安全具有重要的意义。
危险化学品重大危险源辨识危险化学品重大危险源辨识是指危险化学品企业依据国家有关法律法规和标准,结合企业实际情况,对可能导致重大危险的化学品、设备、工艺、环境等相关因素进行评估和分析,以达到控制危险的目的。
具体来说,危险化学品重大危险源辨识需要涵盖以下几个方面的内容:•化学品的特性及其对环境和人体的影响;•生产、搬运、存储、使用等环节中可能引起事故的化学品、设备、工艺等的辨识;•事故的可能性、后果及其对人员、设备、资产和环境的影响;•措施或方法,如工艺、设备、管理措施、应急预案等,以减少危险、控制事故、最大限度地保护人员、设备、资产和环境的安全。
危险源分级危险源分级是在危险源辨识的基础上,根据风险等级对危险源进行分类和排序。
按照国家相关性规定,使用风险等级为5级、4级、3级、2级、1级五个级别进行分类。
具体的风险等级划分根据国家标准《危险化学品重大危险源划分标准》进行,如下表所示:风险等级风险值风险描述5100极端高风险450~100高风险320~50中等风险25~20低风险11~5极低风险其中,风险值是根据危险源在辨识分析中确定的可能性和后果大小,通过相应的评估方法和计算公式计算得出的综合值。
对于不同风险等级的危险源,企业需要采取不同的安全措施进行管理和防范。
如对于高风险的危险源,企业需要采取更加严格的管理措施,制定更加完善的应急预案,以保证在事故发生时能够更快、更有效地进行应对和处置。
危险化学品重大危险源辨识分级记录危险化学品重大危险源辨识分级记录是企业进行危险源辨识分级后的一份实名制记录,通常由企业的安全管理人员或相关工程技术人员进行填写。
记录的主要内容包括:•危险源的名称和代码;•危险源的风险等级;•辨识分析时的评估方法、过程及结果;•防范措施、管理措施、应急预案等相关信息;•程序审核和批准人签字意见等。
公司重大危险源辨识1术语和定义1.1危险化学品具有易燃、易爆、有毒等特性,会对人员、设施、环境造成伤害或损害的化学品。
公司涉及的危险化学品主要由丙酮、乙酸、盐酸、硝酸、草酸、磷酸、硫酸、乙醇、甲醇、四氯化碳、三氯甲烷、乙醚、甲醛、过氧化氢、碘、氢氧化钾、氢氧化钠、硫酸铜、硝酸钾、硫尿、甲苯、二甲苯、乙酸乙酯、氯化铵、亚硝酸钠、二氯甲烷。
1.2单元一个(套)生产装置、设施或场所,或同属一个生产经营单位的且边缘距离小于500m的几个(套)生产装置、设施或场所。
依此划定,公司危险化学品贮存区域分为:三酸车间、酒精库。
1.3临界量对于某种或某类危险化学品规定的数量,若单元中的危险化学品数量等于或超过该数量,则该单元定为重大危险源。
1.4危险化学品重大危险源长期地或临时地生产、加工、搬运、使用或储存危险化学品,且危险化学品的数量等于或超过临界量的单元。
2辨识依据本厂涉及的危险化学品主要有丙酮、乙酸、盐酸、硝酸、草酸、磷酸、硫酸、乙醇、甲醇、四氯化碳、三氯甲烷、乙醚、甲醛、过氧化氢、碘、氢氧化钾、氢氧化钠、硫酸铜、硝酸钾、硫尿、甲苯、二甲苯、乙酸乙酯、氯化铵、亚硝酸钠、二氯甲烷,辨识依据为《危险化学品重大危险源辨识》(GB18218-2009)及《关于开展重大危险源监督管理工作的指导意见》(安监管协调字[2004]56号),厂涉及的危险化学品在GB18218-2009危险化学品重大危险源辨识标准中均为达到临界量。
3重大危险源辨识过程 3.1重大危险源辨识方法介绍长期或临时生产、加工、搬运、使用或储存危险物质,且危险物质的数量等于或超过临界量的单元均为重大危险源。
重大危险源的辨识依据是物质的危险性及数量。
重大危险源分为生产场所重大危险源和储存区重大危险源两种。
单元内存在危险物质的数量等于或超过危险物质规定的临界量,即被定为重大危险源。
单元内存在危险物质的数量根据处理物质种类的多少区分为以下两种情况:1.单元内存在的危险物质为单一品种,则该物质的数量即为单元内危险物质的总量,若等于或超过相应的临界量,则定为重大危险源。
一、重大危险源辨识、分级记录1 危险化学品重大危险源辨识1.1 危险化学品重大危险源辨识方法危险化学品重大危险源是依据国家标准GB18218-2009《危险化学品重大危险源辨识》中规定的危险物质及其临界量来确定的。
当单元内存在的危险物质为单一品种时,其数量等于或超过标准中规定的临界量,即定为重大危险源。
当单元内存在的危险物质为多品种时,则按(3-1)式进行计算,若满足式(3-1),则定为重大危险源。
q1/Q1+q2/Q2+…+q n/Q N≥1 式(3-1)式中q1、q2、…、q n为每种危险物质实际存量(t),Q1、Q2、…Q n为与各种危险物相对应的临界量(t)。
1.2 危险化学品重大危险源辨识结果根据《危险化学品重大危险源辨识》的规定,确认储罐区储存的甲醇列入标准中表1的易燃物质甲醇,属重大危险源物质。
(1)生产装置区生产装置区布置1个60m3的甲醇溶液中间储罐,按充装系数80%,甲醇密度按0.79kg/m3计,中间储罐贮存量为37.92t。
高位槽及装置管道内甲醇液体的最大储量约为5t,甲醇过滤器、气化器内甲醇以气态存在,相对高位槽储量可忽略不计。
故生产装置甲醇总贮存量为42.92t。
(2)储罐区储罐区共设有4个400m3甲醇储罐,充装系数按0.8,甲醇密度按0.79kg/m3计。
甲醇的最大可能储量为:4×400×0.79×0.8=1011.2t辨识结果见表1.1.表1.1 危险化学品重大危险源辨识结果单元危险物质临界量Q(t)最大可能存量q(t) 结果是否重大危险源生产场所甲醇500 37.92 q/Q<1 否储罐区甲醇500 1011.2 q/Q>1 是备注:根据《危险化学品重大危险源辨识》规定,一个(套)生产装置,设施或场所,或同属一个生产经营单位的且边缘距离小于500m的几个(套)生产装置、设施或场所为一个单元。
按(3-1)式计算得:∑qi/Qi =2.09>1因此,福州市闽侯县宏业化工有限公司构成危险化学品重大危险源。
**********有限责任公司危险化学品重大危险源辨识、分级依据《危险化学品重大危险源辨识》(GB18218-2009)和《危险化学品重大危险源监督管理暂行规定》(国家安全监管总局令第40号)对**********有限责任公司生产区内的危险化学品进行辨识、分级。
危险化学品重大危险源是指长期地或临时地生产、搬运、使用或者储存危险物品,且危险物品的数量等于或超过临界量的单元(包括场所和设施)。
根据天威硅业的生产实际,重大危险源为液氯储存区、氯硅烷储存区及化学品库三个单元。
对本公司生产、加工、搬运、使用或储存的液氯、氯硅烷进行重大危险源辨识、分级。
一、重大危险源辨识液氯储存区重大危险源辨识根据重大危险源定义及临界量,本单元内只有两种危险化学品,且存量大于临界量,故构成重大危险源。
辨识结果:液氯储存区和氯硅烷储存区均构成重大危险源,但两处边缘距离小于500米,故构成一个重大危险源。
二、重大危险源分级1、危险化学品重大危险源分级方法(1)、分级原则采用单元内各种危险化学品实际存在(在线)量与其在《危险化学品重大危险源辨识》(GB18218-2009)中规定的临界量比值,经校正系数校正后的比值之和R作为分级指标。
(2)、R的计算方法式中:q1,q2,…,q n—每种危险化学品实际存在(在线)量(单位:吨);Q1,Q2,…,Q n—与各危险化学品相对应的临界量(单位:吨);β1,β2…,βn—与各危险化学品相对应的校正系数;α—该危险化学品重大危险源厂区外暴露人员的校正系数。
(3)、校正系数β及R值分级区间的确定根据单元内危险化学品的类别不同,设定校正系数(β)值,见表1和表2:表1 校正系数β取值表表2 常见毒性气体校正系数β值取值表β=4取值。
(4)、校正系数α的取值根据重大危险源的厂区边界向外扩展500米范围内常住人口数量,设定厂外暴露人员校正系数(α)值,见表3:表3 校正系数α取值表根据计算出来的R值,按表4确定危险化学品重大危险源的级别。
晋中市华安生物科技有限公司危险化学品重大危险源辨识、分级记录依据《危险化学品重大危险源辨识》(GB18218-2009)、《危险化学品重大危险源监督管理暂行规定》(国家安全监管总局令第40号)、《关于开展重大危险源监管工作指导意见》(安监管协调字[2004]56号), 对公司生产区内危险化学品使用、储存进行辨识、分级。
危险化学品重大危险源(major hazard installations for dangerous chemicals)长期地或临时地生产、加工、搬运、使用或储存危险化学品, 且危险化学品数量等于或超过临界量单元。
对照GB18218-2009, 储存危化品量超过临界量是为重大危险源, 单元内存在危险化学品为多品种时, 若满足下式则定为重大危险源:q1/Q1 + q2/Q2 + …+ qn/Qn ≥1, q为实际用量, Q为临界量。
一、重大危险源辨识过程公司危险化学品储存明细液氯储存区内储存有氯气瓶, 每瓶1t, 最大储存20瓶。
所以晋中市华安生物科技有限公司氯气最大储存量是20t, 根据《危险化学品重大危险源辨识》内容, 氯气临界量是5t, q/Q值>1。
所以晋中市华安生物科技有限公司液氯储存区已经构成重大危险源。
二、重大危险源分级1、危险化学品重大危险源分级方法(1)、分级原则采用单元内各种危险化学品实际存在(在线)量与其在《危险化学品重大危险源辨识》(GB18218-2009)中规定临界量比值, 经校正系数校正后比值之和R作为分级指标。
(2)、R计算方法式中:q1,q2,…,qn —每种危险化学品实际存在(在线)量(单位:吨);Q1,Q2,…,Qn —与各危险化学品相对应临界量(单位:吨);β1, β2…,βn—与各危险化学品相对应校正系数;α—该危险化学品重大危险源厰区外暴露人员校正系数。
(3)、校正系数β及R值分级区间确定根据单元内危险化学品类别不同, 设定校正系数(β)值, 见表1和表2:表1 校正系数β取值表注:危险化学品类别依据《危险货物品名表》中分类标准确定。
公司重大危险源辨识1术语和定义1.1危险化学品具有易燃、易爆、有毒等特性,会对人员、设施、环境造成伤害或损害的化学品。
公司涉及的危险化学品主要由丙酮、乙酸、盐酸、硝酸、草酸、磷酸、硫酸、乙醇、甲醇、四氯化碳、三氯甲烷、乙醚、甲醛、过氧化氢、碘、氢氧化钾、氢氧化钠、硫酸铜、硝酸钾、硫尿、甲苯、二甲苯、乙酸乙酯、氯化铵、亚硝酸钠、二氯甲烷。
1.2单元一个(套)生产装置、设施或场所,或同属一个生产经营单位的且边缘距离小于500m的几个(套)生产装置、设施或场所。
依此划定,公司危险化学品贮存区域分为:三酸车间、酒精库。
1.3临界量对于某种或某类危险化学品规定的数量,若单元中的危险化学品数量等于或超过该数量,则该单元定为重大危险源。
1.4危险化学品重大危险源长期地或临时地生产、加工、搬运、使用或储存危险化学品,且危险化学品的数量等于或超过临界量的单元。
2辨识依据本厂涉及的危险化学品主要有丙酮、乙酸、盐酸、硝酸、草酸、磷酸、硫酸、乙醇、甲醇、四氯化碳、三氯甲烷、乙醚、甲醛、过氧化氢、碘、氢氧化钾、氢氧化钠、硫酸铜、硝酸钾、硫尿、甲苯、二甲苯、乙酸乙酯、氯化铵、亚硝酸钠、二氯甲烷,辨识依据为《危险化学品重大危险源辨识》(GB18218-2009)及《关于开展重大危险源监督管理工作的指导意见》(安监管协调字[2004]56号),厂涉及的危险化学品在GB18218-2009危险化学品重大危险源辨识标准中均为达到临界量。
3重大危险源辨识过程 3.1重大危险源辨识方法介绍长期或临时生产、加工、搬运、使用或储存危险物质,且危险物质的数量等于或超过临界量的单元均为重大危险源。
重大危险源的辨识依据是物质的危险性及数量。
重大危险源分为生产场所重大危险源和储存区重大危险源两种。
单元内存在危险物质的数量等于或超过危险物质规定的临界量,即被定为重大危险源。
单元内存在危险物质的数量根据处理物质种类的多少区分为以下两种情况:1.单元内存在的危险物质为单一品种,则该物质的数量即为单元内危险物质的总量,若等于或超过相应的临界量,则定为重大危险源。
公司重大危险源辨识
1术语和定义
1.1危险化学品
具有易燃、易爆、有毒等特性,会对人员、设施、环境造成伤害或损害的化学品。
公司涉及的危险化学品主要由丙酮、乙酸、盐酸、硝酸、草酸、磷酸、硫酸、乙醇、甲醇、四氯化碳、三氯甲烷、乙醚、甲醛、过氧化氢、碘、氢氧化钾、氢氧化钠、硫酸铜、硝酸钾、硫尿、甲苯、二甲苯、乙酸乙酯、氯化铵、亚硝酸钠、二氯甲烷。
1.2单元
一个(套)生产装置、设施或场所,或同属一个生产经营单位的且边缘距离小于500m的几个(套)生产装置、设施或场所。
依此划定,公司危险化学品贮存区域分为:三酸车间、酒精库。
1.3临界量
对于某种或某类危险化学品规定的数量,若单元中的危险化学品数量等于或超过该数量,则该单元定为重大危险源。
1.4危险化学品重大危险源
长期地或临时地生产、加工、搬运、使用或储存危险化学品,且危险化学品的数量等于或超过临界量的单元。
2辨识依据
本厂涉及的危险化学品主要有丙酮、乙酸、盐酸、硝酸、草酸、磷酸、硫酸、乙醇、甲醇、四氯化碳、三氯甲烷、乙醚、甲醛、过氧化氢、碘、氢氧化钾、氢氧化钠、硫酸铜、硝酸钾、硫尿、甲苯、二甲苯、乙酸乙酯、氯化铵、亚硝酸钠、二氯甲烷,辨识
依据为《危险化学品重大危险源辨识》(GB18218-2009)及《关于开展重大危险源监督管理工作的指导意见》(安监管协调字[2004]56号),厂涉及的危险化学品在GB18218-2009危险化学品重大危险源辨识标准中均为达到临界量。
3重大危险源辨识过程 3.1重大危险源辨识方法介绍
长期或临时生产、加工、搬运、使用或储存危险物质,且危险物质的数量等于或超过临界量的单元均为重大危险源。
重大危险源的辨识依据是物质的危险性及数量。
重大危险源分为生产场所重大危险源和储存区重大危险源两种。
单元内存在危险物质的数量等于或超过危险物质规定的临界量,即被定为重大危险源。
单元内存在危险物质的数量根据处理物质种类的多少区分为以下两种情况:
1.单元内存在的危险物质为单一品种,则该物质的数量即为单元内危险物质的总量,若等于或超过相应的临界量,则定为重大危险源。
2.单元内存在的危险物质为多品种时,则按下式计算,若满足下面公式,则定为重大危险源:
2211Q q Q q ……+Qn
qn
≥1 式中:q 1,q 2……q n ——每种危险物质实际存在量,t 。
Q 1,Q 2……Qn——与各危险物质相对应的生产场所或贮存区的临界量,t 。
3.2重大危险源辨识
对重大危险源的判定首先依据《重大危险源辨识》(GB18218-2000)标准,当达不到重大危险源标准时,再采用《关
于开展重大危险源监督管理工作的指导意见》(安监管协调字[2004]56号
)进行判定。
3.2.1危险物质重大危险源辨识
对重大危险源的判定首先依据《危险化学品重大危险源辨识》(GB18218-2009)标准,对不能进行判定的,再采用《关于开展重大危险源监督管理工作的指导意见》(安监管协调字[2004]56号)进行判定。
1.根据《危险化学品重大危险源辨识》(GB18218-2009),以下物质被列入构成重大危险源的物质,其临界量标准及单元内实际存在量见下表:
表2-1危险物质的临界量及实际存在量
计算如下:
5/500+2/500+5/500+150/500+10/2+5/500+2/20+10/100+0.2/5+2/5000+ 1/200+1/200+5/200+0.5/200+1/200+1/200+1/200+1/200+1/20+1/20+
2/200+0.2/50=0.9819
计算结果小于1,故根据《危险化学品重大危险源辨识
(GB18218-2009)标准判定该公司生产、储存的危险化学物质不构成重大危险源。
3.2.2锅炉重大危险源辨识
根据《关于开展重大危险源监督管理工作的指导意见》(安监管协调字[2004]56号),符合下列条件之一的锅炉为重大危险源:1.蒸汽锅炉:额定蒸汽压力大于2.5MPa,且额定蒸发量大于等于10t/h。
2.热水锅炉:额定出水温度大于等于120℃,且额定功率大于等于14MW。
该公司使用的蒸汽锅炉额定压力为0.76MPa,额定蒸发量为2t/h;因此,依据以上标准,该公司使用的锅炉不在重大危险源申报登记范围内。
无其它重大危险源申报范围内的设施及设备。
3.2.3重大危险源辨识小结
综上所述,该公司涉及到的危险化学品及锅炉均未达到重大危险源的认定标准,不构成重大危险源;但企业在生产经营活动中应制定
相应的管理措施
和应急救援预案,配备必要的应急救援器材、设备。
并认真组织从业人员进行应急演习,提高从业人员的应急救援能力,减少意外事故发生时的人员伤亡和财产损失。
(注:文档可能无法思考全面,请浏览后下载,供参考。
可复制、编制,期待你的好评与关注)。