风电变流器简介
- 格式:docx
- 大小:82.60 KB
- 文档页数:5
风电变流器简介快速浮点运算能力的“双DSP的全数字化控制器”;在发电机的转子压定向矢量控制策略;系统具有输入输出功率因数可调、自动软并网变流器采用三相电压型交-直-交双向变流器技术,核心控制采用具有防尘、防盐雾等运行要求。
变流器可根据海拔进行特殊设计,可以按客户定制实现低温、高温、和最大功率点跟踪控制功能。
功率模块采用高开关频率的IGBT功率QHVERT-DFIG型风电变流器基本原理器件,保证良好的输出波形。
这种整流逆变装置具有结构简单、谐波制,是目前双馈异步风力发电机组的一个代表方向。
变流器工作原理框图如下所示:统,实现了基于风机最大功率点跟踪的发电机有功和无功的解耦控能质量。
这种电压型交-直-交变流器的双馈异步发电机励磁控制系含量少等优点,可以明显地改善双馈异步发电机的运行状态和输出电变流器提供实时监控功能,用户可以实时监控风机变流器运行状态。
侧变流器实现定子磁场定向矢量控制策略,电网侧变流器实现电网电本文将针对市场上主流的双馈型风电变流器进行简介。
型风电变流器系统功能变流器通过对双馈异步风力发电机的转子进行励磁,使得双馈发电机关,目前已实现规模化的生产。
06年成功研制第一台风电变流器以来,不断寻求技术革新严把质量风能作为一种清洁的可再生能源,越来越受到世界各国的重视,我国变流器配电系统提供雷击、过流、过压、过温等保护功能。
的定子侧输出电压的幅值、频率和相位与电网相同,并且可根据需要风能资源丰富,近几年来国家政策也大力扶持风电产业。
我公司自求扩展),用户可通过这些接口方便的实现变流器与系统控制器及风进行有功和无功的独立解耦控制。
机和电网造成的不利影响。
变流器提供多种通信接口,如Profibus, CANopen等(可根据用户要场远程监控系统的集成控制。
变流器控制双馈异步风力发电机实现软并网,减小并网冲击电流对电转子侧逆变器、直流母线单元、电网侧整流器。
原理图如下:控制器、监控界面等部件。
变流器主回路系统包含如下几个基本单元:QHVERT-DFIG型风电变流器系统构成变流器由主电路系统、配电系统以及控制系统构成。
风力发电机变流器及其低电压穿越概述导语:本文从三种典型风电系统出发,包括失速型风电系统、双馈与永磁直驱变速恒频风电系统。
根据齿轮箱结构及发电机类型,讨论了目前的风电系统结构,并对所采用的风力发电机进行了讨论和分析。
1 引言近年来随着能源危机与环境问题的日益突出,世界各国都在大力发展风力发电等可再生能源事业,其相关技术发展很快,从失速型到变速恒频风电系统,从有齿轮箱到直接驱动型风电系统,我国风电的装机容量也在近几年内获得了快速增长。
为提高风能利用效率,降低风电成本,风电机组单机容量大型化是风电技术发展的大趋势,采用变速变桨距调节技术已经成为mw级以上大型风电机组的重要特征;在目前的变速恒频风电系统中,使用双馈感应发电机(doubly-fed induction generator,dfig)的双馈型风电系统市场份额最大,使用永磁同步发电机(permanent-magnet synchronous generator,pmsg)的直驱型系统发展很快。
随着风力发电装机容量的不断增大,其对电网的影响已经不能忽略,很多国家制订了新的风电并网规则,对低电压穿越与无功支持等功能进行了规定,我国也将会有类似的规则出台[1-3]。
本文从三种典型风电系统出发,包括失速型风电系统、双馈与永磁直驱变速恒频风电系统。
根据齿轮箱结构及发电机类型,讨论了目前的风电系统结构,并对所采用的风力发电机进行了讨论和分析。
对作为风力发电与电网接口的风电变流器进行了说明,随着风电机组单机容量的增大,大功率多电平变流器将会得到较多应用;对风电系统低电压穿越及无功功率支持等进行了分析。
针对风电系统发电机、变流器和低电压穿越能力等,介绍了不同风电公司的相关产品与技术。
2 几种典型风力发电系统风力发电系统,根据发电机转速,可以分为失速型与变速恒频型,其中变速恒频又可以分为双馈型和直驱型;根据传动链组成,可以分为有齿轮箱和直接驱动型,有齿轮箱又可以分为多级齿轮+高速发电机型与单级齿轮+低速发电机型。
直驱风电变流器的工作原理一、直驱风电发电原理直驱风电系统是指由风轮机直接驱动发电机,不经过齿轮箱来提高转速的方案。
直驱发电机输出低速高扭矩的电能,而关闭通电断形成二极管电流,将正常工作的发电机驱动其转子。
由于转子是由稳态转速,可有效增大电磁磁场的产生。
本原理满足了直驱机的工作要求,可行性强,“零回馈”再次验证了直驱机传动的理论合理性。
二、直驱风电变流器的功能直驱风力发电系统旨在将风轮机产生的机械能转换为电能,并将其接入电网。
而直驱风电变流器则扮演了转换风轮机产生的交流电能为直流电能的角色,并且将其接入电网的关键角色。
直驱风电变流器的功能可以归纳为以下几个方面:1. 将风轮机产生的交流电能转换为直流电能2. 控制变流系统,使其在不同风速下工作可靠3. 与电网连接,将直流电能转换为电网所需的交流电能4. 监测和保护系统,确保变流器的正常运行和安全在接下来的部分,我们将分别详细介绍这些功能的工作原理和相关知识。
三、直驱风电变流器的工作原理1. 将风轮机产生的交流电能转换为直流电能风轮机产生的交流电能需要被转换为直流电能,这样才能被更高效地转换为电网所需的交流电能。
直驱风电变流器的核心部件之一就是整流器,它的作用是将交流电能转换为直流电能。
整流器由多个晶闸管或者二极管构成,通过适当的控制晶闸管的导通角度和时间,可以将风轮机产生的交流电能进行整流。
这样就可以得到稳定的直流电能,为后续的电能转换做好准备。
2. 控制变流系统,使其在不同风速下工作可靠直驱风电变流器需要根据风速的变化来调节输出的电能,以保证系统的稳定运行并获得最大的发电效率。
变流系统一般由PWM(Pulse Width Modulation)控制技术控制,通过控制开关管的导通时间和频率来调整输出电压和频率。
当风速较小时,需要较低的电压和频率来保证系统的正常运行;而当风速较大时,则需要较高的电压和频率来提高发电效率。
变流系统通过PWM技术可以精确控制输出电能,使其能够适应不同风速下的工作需求。
直驱风电变流器是将风机转子直接驱动发电机时所使用的电力转换设备。
它的主要作用是将由直流发电机输出的电能,通过转换成交流电,再通过升压、电网同步等控制处理,最终将可用风能输入到电网中。
以下是直驱风电变流器的工作原理及作用:
1. 工作原理:直流电源输入变流器,通过控制系统分别控制功率器件的开关状况,将输入的直流电源转换成交流电源输出给电网。
具体的转换方式通常有多种,其中一种常用的方式是采用三相桥式单元,将输入的直流电源通过H 桥模块转换成交流电源。
2. 直驱风机的工作方式:直驱风电变流器一般用于直驱风机的发电模式,即将风机的转子直接驱动发电机,消除了传统齿轮传动过程中的损失和振动,提高了风电发电的效率和稳定性。
3. 控制系统:直驱风电变流器的控制系统通常包括电源模块、驱动模块、信号调节模块和保护控制模块等。
控制系统需要精确地控制电压、电流和频率等参数,以保证变流器的稳定性和运行正常。
4. 作用:直驱风电变流器的作用是将风机出力的直流电转换成交流电,并连接到电网。
其中,升压、电网同步及逆变等控制处理是直驱风电变流器的核心所在。
具体地,升压处理将输出交流电压提高到适合电网连接的电压,电网同步处理保证输出电力与电网相同相位,逆变处理则是将输出交流电变成电网要求的正弦波形式。
需要注意的是,直驱风电变流器的设计和工作原理与其他类型的风电变流器有所区别。
在实际应用中,需要根据具体的风机特性和电网情况,选择合适的变流器类型及具体参数进行设计和调试,以保证其正常运行和高效输出适合电网的电能。
风电系统技术参数汇总网侧变流器额定容量 480kV A频率范围 50Hz,+2/-3 Hz额定电流 400A额定网压 690V,±10%持续控制方式 PWM全控整流转子侧变流器额定容量 580kV A三相输出电压 0~690V ± 10%额定输出电流 400A最大输出电流 486A最大瞬时输出电流 727A控制方式定子磁场定向矢量控制电流波形畸变率 < 5%发电机型式:双馈异步感应电机,水冷频率:50/60功率因数:容性0.95~感性0.9额定转速、范围(RPM):1800/1000~2000(50HZ)定子额定电压:690V定子额定电流:1090A定子电阻:0.001692Ω转子电阻:0.002423Ω定子漏抗:0.03692Ω转子漏抗:0.03759Ω互感:1.4568Ω电机转动惯量:97.5kg.m3风机转动惯量:5.45*106kg.m3叶轮叶轮直径:77.4m叶片长度:37.5/38叶片数:3标准空气密度:1.225kg/m3齿轮箱结构形式:两级行星轮+一级平行轴齿轮传动比:1:94定子电阻 0.007553定子漏抗 0.107133转子电阻 0.012385转子漏抗 0.103987励磁并联之路电抗 2.9683定子电阻 0.008Ω定子电感15.68mH转子电阻 0.0188Ω转子电感 16.2mH励磁并联之路电抗 15.66Mh定子三角形,转子y型在与清华大学合作的过程中,磁链观测模型采用模块化编程,所有输入/输出采用标幺值,具体// Define the base quantites#define BASE_VOLTAGE 305.9902587 //V#define BASE_CURRENT 282.8427125 //A#define BASE_FREQ 70 // Base electrical frequency (Hz)#define BASE_FLUX 0.695712317 //Wb#define BASE_TORQUE 196.7772 // BASE_FLUX*BASE_CURRENT for Torque observation #define BASE_IND 2.459714 //BASE inductance mH=BASE_RES /w=BASE_RES /(2*pi*f)=1081.838934/(2*3.14*70)#define BASE_RES 1081.838934 //BASE resistancemO=BASE_VOLTAGE /BASE_CURRENT电感和电阻的标幺值之所以这样处理是考虑到Z=R+j(XL-XC),从矢量合成图来看,合成量幅值必然大于两个分量的幅值,相电压/相电流=|Z|,因此采用认为电阻的基值就是|Z|,认为XL的基值就是|Z|,是合理的,因为电阻和感抗XL永远小于等于|Z|.1.5MW风力发电机培训资料一、主机概况:数据单位名称参数说明77 [m] 风轮风轮直径3 [-] 叶片数目80 [m] 轮毂中心高78 [m]63 塔高3.7 [deg] 叶片安装角桨叶和变距之间的参考线相对于风轴回转平面的角0 [deg] 叶片回转锥角叶片回转锥角4 [deg] 仰角主轴和水平面的夹角3668 [m] 风轮中心到塔心的距离凤轮回转中心和塔筒中心线的水平距离0 [m] 侧偏移(主轴到塔心) 主轴和塔轴的水平偏差Clockwise [-] 风轮自转方向(顺时针/逆时针) 当从上风向向风机看时,风机顺时针或逆时针转12000 [kg] 轮毂轮毂质量不含桨叶0.05 [m] 轮毂重心从主轴和叶片轴的交点到轮毂质量中心的距离14600 [kgm2] 轮毂转动惯量 (x轴)16640 [kgm2] 轮毂转动惯量 (y轴)16640 [kgm2] 轮毂转动惯量 (z轴)0.90 [m] 叶根半径螺孔中心圆半径2.692 [m] 回转直径(球径) 回转直径(球径)top:φ2556*12bottom:φ4113*28 塔架在一些截面的几何尺寸78 [m] 高[kg/m] 单位长度质量[m] 直径[Nm] 抗弯刚度[mm] 壁厚7800 [kg/m] 密度2.06e11 [N/m] 杨氏模量[Hz] 塔架一阶频率(弯曲下风向纵向)[Hz] 塔架一阶频率(横向)[-] 空气动力拖动系数[-] 流体动力拖动系数(海上适用)[-] 流体动力惯量系数(海上适用)[m] 理论平均水深(海上适用)[N/m] 基础平移刚度水平[kg] 基础质量[Nm/rad] 回转刚度绕水平轴[kgm2] 基础转动惯量绕水平轴3.5 [m] 机舱宽不含风轮和轮毂8.44 [m] 机舱长3.4 [m] 机舱高2.57 [m] 机舱前端到塔中心的距离[-] 机舱拖动系数50000 [kg] 机舱质量[m] 机舱重心到塔轴线的侧向距离[m] 质量中心相对于塔顶的高度1.1 [m] 从塔轴线到机舱质量中心的前向距离220000 [kgm2] 塔架轴线惯量[kgm2] 机舱惯量(x轴)[kgm2] 机舱惯量(y轴)100 [-] 动力系增速比97.5 [kgm2] 电机转动惯量At high speed shaft [-] 闸位置在高速轴或低速轴(1234)[Nm/rad] 低速轴转动刚度[Nms/rad] 低速轴阻尼[Nm/rad] 高速轴转动刚度[Nms/rad] 高速轴阻尼0.95(efficiency) % 机械传动损失[Nm/rad] 底盘相对于风轮轴的旋转刚度例如柔性驱动拖底盘(见图) [Nms/rad] 底盘相对于风轮轴旋转阻尼[kgm] 底盘及其部件的惯性矩[Nm/rad] 增速箱相对于风轮轴的转动刚度[Nms/rad] 增速箱相对于风轮轴的转动阻尼6318 [kgm2] 增速箱转动惯量[s] 电功率时间常数对于变速发电机13500 [kNm] 发电机的最大扭矩,例如短路转矩常数或方程0.97 [%]or[kw] 电机损失(效率)[Nm] 主轴最大制动扭矩转子闸[s] 主轴刹车时间[rpm] 制动装置在开始停车时的风轮转速Attached 1 [rpm],[kNm] 在额定值内的转矩-速度曲线,发电机转速对发电机扭矩发电机扭矩来源于发电机速度(独立与时间)1100 [Nm] 最低发电机速度发电机在线时的速度1800 [rpm] 额定发电机速度电控安装点8208 [Nm] 额定发电机转矩需要的转矩控制的时间表的附加信息0 [deg] 最小桨角发电时的变距要求变距系统90 [deg] 最大桨角发电时的变距要求90 [deg] 变桨位置底限(硬件) 通过开关或其他硬件-2º [deg] 变桨位置上限(硬件) 通过开关或其他硬件12º [deg]/s 变距比率限制需要变距控制的时间表的附加信息0.5 [deg/s] 偏航系统偏航速度偏航系统360 [kNm] 偏航驱动最大力矩5400 [Nm/rad] 偏航轴承最大旋转刚度偏航轴承最大倾覆力矩1100 [Nms/rad] 偏航轴承最大旋转阻尼222480 [Nm] 机械偏航制动力矩±15º 偏航策略风机启动、停止、紧停策略过速、风向、解缆策略功率曲线控制策略3 m/s 切入风速21 m/s 切出风速12 m/s 额定风速18 rpm 转子额定转速20 rpm 转子极限转速1.1 风力发电机CPC 77s/1.5MW风力发电机(以下简称为“风力机” )是三叶片、上风向、叶片变浆距、主动偏航、叶轮直径为77米、额定容量为1500kW、设计使用寿命20年的风力机.该机采用双馈异步发电机,该电机可以使风力机在比较宽的风轮转子转速变化范围内运转,以获取更多的电能.风轮由3个叶片、叶片轴承及球墨铸铁轮毂构成.叶片全长37.5米.叶片通过4-点球式轴承,安装在叶片轮毂上,以实现叶片的迎角可调.风力机可以根据发电量及产生的噪音调节叶片运行时的角度.在高风速下,双馈发电机和变浆距系统将风力机的输出功率保持在额定功率.在低风速条件下,双馈发电机和变浆距系统通过选择风轮转子的转速和叶片角度的最佳结合使风力机的输出功率最大.风力机通过主轴将机械功率由齿轮箱传输到发电机.齿轮箱由1级行星齿和2级螺旋齿轴传动.从齿轮箱通过万向联轴节柔性联结,将能量耦合到发电机.发电机是一台高效率的4极双馈式发电机,带有绕组转子和滑差线圈,采用绝缘轴承配置.双馈异步发电机,又称交流励磁发电机.其结构与绕线式异步电机类似,但转子上需要4个滑环.馈电方式则和双馈电机或异步电动机超同步串级调速系统相似,即定子绕组接电网,转子绕组由变频器提供频率、相位、幅值都可调节的电源,实现恒频输出,还可以通过改变励磁电流的幅值和相位实现发电机有功、无功功率的独立调节.由于这种变速恒频控制方案是在转子电路实现的,流过转子电路的功率是由交流励磁发电机的转速运行范围所决定的转差功率,该转差功率仅为额定功率的一部分,这样该变频器的成本以及控制难度大大降低.另外发电机运行时,既可超同步转速运行,也可亚同步转速运行,变速运行在1100~1810rmp之间,而定子输出电压和频率可以维持不变,既可调节电网的功率因数,又可以提高系统的稳定性.这种采用双馈异步发电机的控制方案除了可实现变速恒频控制、减小变频器的容量外,还可以实现有功、无功功率的灵活控制,对电网而言可起到无功补偿的作用.风力机的基本制动方法是全顺浆制动.高速轴的制动是紧急状态下的紧急制动,通过液压系统启动安装在齿轮箱高速主轴上的紧急碟式制动器.风力机的功能通过几台微处理器构成的控制单元监控.控制系统安装在机舱内. 在风力机全工况的过程中调节控制系统可以使叶片的转动角度变化在0°~90o.控制系统根据安装在机舱顶部的风向仪提供的风向信息控制偏航系统转向.偏航系统是由回转支撑轴承、弹簧阻尼装置和四台电机驱动的齿轮传动机构组成的.机舱盖是由玻璃纤维强化聚脂材料制成,可以保护机舱内部的设备,防雨、雪、尘和阳光的照射.从塔架进入机舱是通过塔顶的一个中央开口.机舱内还安装了一台起重量为200千克的链式提升机,提升高度为80米.风力机的塔架是钢制圆锥型筒式结构(不在供货范围内),设有攀梯助力装置.(由用户选购).CPC77s/1.5MW风力机的设计根据IEC 61400-1标准,78米塔架适用于III级风场(轮毂高67米和80米).1.5MW双馈异步风力发电机的主要技术参数1、发电机型号:YRKFF500-4 1500Kw 690v2、额定输出;右1800r/min时1500kw3、转速范围:1100—2000r/min4、电网电压:3AC 690V 50Hz cosφ=1.05、发电机满载运行时额定效率:η≥97%6、发电机自身转动惯量:约97.5Kg.m安装方式MB3 冷却方式:IC616 防护等级IP54绝缘等级:H级温升F级(考核)旋转方向:顺时针(从轴伸瑞看)绕组连接方式:定子△,转子Y.转子绕组开路电压:2090VCPC 77s/1.5MW是并网型风电机组,由塔底控制柜引出的连接电力电缆(用户采购)通过容量为1.6MV A 35kV/690V或10kV/690V升压变压器(设备最高电压40.5kV,由用户选购)与中压电网连接,以10kV或35kV汇流线路集电,接入风电场升压站10kV或35kV母线,经二次升压后并入主电网.推荐接线方案为一机一变单元接线方式.对电网的要求:电网电压10~35kV,电压偏差±5%;电压闪变波动≥85%tev<0.1秒;周波50Hz+1Hz/-3Hz;电网失压的情况在整个风力机使用寿命期间最多允许平均每月发生一次. 风机的变桨距控制变距风轮的叶片在静止时,节距角为90度.气流对桨叶不产生转矩,整个桨叶实际是一块阻尼板.当测量风速在10分钟内平均达到起动风速时,桨叶向0度方向转动,直到气流对桨叶产生一定的攻角,(45度左右)风轮开始起动.并网前变桨距系统的节距给定值由发电机转速信号控制,转速控制器按一定的速度上升斜率给定速度值,调整节距角.调整风力发电机转速在同步转速附近,寻找最佳时机并网.风机运行时,变浆系统也在工作1)如果风速低于额定风速,系统选择最佳的叶片受风角度.这样,风机的电能输出在任何一个风速下都将达到最大.这是通过变浆系统实现的.(2)当风速超过额定风速时,系统调节叶片的受风角度,使风机产生额定的发电功率.叶片沿其长度方向的轴转动调整叶片的受风角度.风机的变桨系统是靠液压系统推进的,通过各自独立的液压系统推动,使3个叶片保持相同的受风角度.风机的旋转速度和叶片角度随时根据风速的变化调整.控制系统选择这些变量的最合适的操作参数.根据风速的不同,可以将控制分为4个阶段和两种控制方式,即并网前的速度控制和并网后的功率控制.1).低风速(低于风机切入风速),控制系统将发电机与电网断开;2).中等风速(高于切入风速,小于额定风速),发电机连接到电网,但是功率没有达到额定值;3).高风速(高于额定风速,低于切出风速)风机发出额定功率的电;4).极高的风速(高于切出风速),发电机与电网断开,风机停止运转.低风速⌝当风速低于但是接近于风机切入风速的时候(4m/s),控制系统将叶片角度调整到45o左右.这种叶片角度将给予转子非常高的力矩.当风速提高时,转子的转速以及发电机的转速也相应提高,叶片的角度相应地被控制器调小,直到发电机的连接达到最佳的条件.⌝中等风速在风速高于启动风速而低于额定风速,控制系统确定最好的转子转速(,以及叶片角度,使电能的吸收率在每一个风速下达到最大.高风速⌝当风速超过额定风速时,风的动能足以满足风机产生额定功率,系统调整叶片的角度(调大叶片的角度)使功率达到额定值.⌝停止风速如果风速超过停止风速值,系统将发电机和电网断开,并将叶片角度调节到全顺浆位置(~90o).然后控制系统将等待风速降低到再启动风速以下,从新启动发电机.。
风力发电机变流器工作原理
风力发电机变流器的工作原理基于电力电子技术,其核心部件是绝缘栅双极型晶体管(IGBT)。
风力发电机产生的电能是交流电,其频率和电压都不稳定,无法直接输送到电网中。
因此,需要将其转换为直流电,再通过逆变器将其转换为稳定的交流电,才能输送到电网中。
这就是风电变流器的主要工作原理。
风电变流器的工作流程如下:首先,风力发电机产生的交流电经过变压器降压,然后通过整流桥将其转换为直流电。
接着,直流电经过滤波电容器进行滤波,去除掉直流电中的脉动成分,使其变得更加稳定。
然后,直流电经过逆变器,通过PWM(脉宽调制)技术将其转换为稳定的交流电,并将其输送到电网中。
以上信息仅供参考,如需了解更多信息,建议查阅相关书籍或咨询专业人士。
风电变流器工作原理
1风电变流器概述
风电变流器是将风力发电机产生的交流电信号转换为具有稳定电压、频率和波形的直流电信号输出,在实际风力发电系统中扮演着非常关键的角色。
2风电变流器的组成和工作原理
风电变流器通常由整流器、滤波器和逆变器三部分组成。
整流器将风力发电机产生的交流电转换为直流电,同时进行恒流限制,滤波器主要用来过滤掉直流电中的高谐波和噪声信号,以避免对电网的干扰。
逆变器将经过整流和滤波的直流电信号再次转换为交流电信号,使其具有符合电网要求的电压、频率和波形。
风电变流器的工作原理是:在风力发电机工作的过程中,交流电信号首先经过整流器,被转换为直流电。
经过滤波器过滤后的直流电信号进入逆变器,再次被转化为符合电网标准的交流电信号,最后被输送到电网中。
3风能发电的特点和应用
风能发电是一种非常环保、可持续的能源形式,具有资源分布广泛、环境污染少、成本低廉等优势。
在全球范围内,越来越多的国家开始大力发展风能发电产业,以应对不断增长的能源需求和环境保护的需求。
风能发电在实际应用中需要与电网进行协同,将产生的电能输送到电网中。
因此,风电变流器在风能发电领域中占据着非常关键的地位,其稳定、高效的转换能力,为风能发电的实现提供了可靠保障。
4风电变流器的发展趋势
随着科技的不断发展和创新,风电变流器的技术也在不断进步。
当前,风电变流器的主要发展趋势包括提高转换效率、减少噪声和谐波、增加可靠性和智能化等方面。
未来,风能发电将成为能源领域的一个重要组成部分,而风电变流器作为其核心装置,也将继续发挥其不可替代的作用,为全球能源领域发展做出贡献。
风电变流器行业现状风电变流器主要是指在双馈风力发电机中,加在转子侧的励磁装置,包括功率模块、控制模块、并网模块。
风电变流器分为双馈变流器和全功率变流器两个大类,分别使用在双馈型风机和全功率风机上。
风电变流器主要功能是通过控制发电机的电磁转矩,从而使风机处于最佳发电功率状态,同时将风力发电机发出的频率、幅值不稳定的电能,转换为频率、幅值稳定的、符合电网要求的电能后并入电网,产品结构较为复杂,技术含量较高。
风电变流器不仅提高了机组效率,而且对于机组并网、电网安全稳定运行起到了良好作用,每一套新增风机均需要配备一套风电变流器。
风电变流器以控制复杂、可靠性及稳定性要求高为主要特点,是风电机组的关键部件之一。
到目前风电变流器的行业规模一般以风电机组装机容量衡量。
风能作为一种清洁而稳定的可再生能源,是可再生能源领域中技术最成熟、最具规模开发条件和商业化发展前景的发电方式之一。
显示,近年来,世界各国对能源安全、生态环境、气候变化等问题的日益重视,加快发展风电产业已成为国际社会推动能源转型发展、应对全球气候变化的普遍共识和一致行动。
目前全球已有100多个国家开始发展风电。
在当前全球大力提倡发展低碳经济的背景下,得益于风电技术进步和成本持续下降,风能正逐步成为绿色新能源中不可或缺的成员。
发展风电不仅已成为较多国家推进能源转型的核心内容和应对气候变化的重要途径,也是中国深入推进能源生产和消费革命、促进大气污染防治的重要手段。
近年来,国家相关部委对风电行业出台了一系列鼓励政策,为行业发展提供了有力的政策支持。
随着国家“十三五”期间特高压电网的加速建设及各项针对可再生能源消纳的政策的逐步推行,近年来中国风电累计并网装机容量不断增长。
根据数据显示,2021年中国风电累计并网装机容量从2016年的14864万千瓦增长至32848万千瓦,CAGR为17。
2%。
其中2021年新增风电4757并网装机容量万千瓦。
其中在中国风电发展初期,风机多装于陆上富风区域,因此中国风电主要以陆上风电为主,但近几年来新增装机量有所放缓。
风电变流器摘要:随着智能电网概念的普及,各国开始注重新能源的利用。
风能,作为一种清洁的可再生能源,已开始得到大量利用。
但是风能的不稳定性,非连续性也是风能利用的一大难题,风力发电要更好地将风电接网利用,必须在风机上有技术性的突破,变流器是风力发电的一大重要技术,随着风电规模的不断扩大,风电变流器也随之不断推陈出新。
本文以双馈型和直驱型变流器为例浅析了风电变流器的技术问题。
关键词:智能电网风力发电双馈型变流器直流型变流器1.智能电网随着全球资源的逐渐稀缺、环境压力的不断增大、电力市场化进程的不断深入以及用户对电能可靠性和质量要求的不断提升,电力行业正面临着前所未有的挑战和机遇,建设更加安全、可靠、环保、经济的电力系统已经成为全球电力行业的共同目标。
在主张低碳经济与可再生能源的浪潮中,风能、太阳能、生物能等将是今后能源来源的重要途径,欧美许多发达国家的电网企业正积极推进技术革新和管理转变,普遍将智能电网作为未来电网的发展目标之一。
美国智能电网关注网络基础架构的升级更新,同时最大限度的利用信息技术,实现机器智能对人工的替代。
欧洲智能电网关注可再生能源的分布式能源的发展,并带动整个行业发展模式的转变。
中国智能电网关注对电力生产和管理信息的数字化获取和整合,促进系统安全可靠性、企业效益和服务水平的持续提高。
值得注意的是我国电网公司在积极开展“数字化电网、信息化企业”建设的同时,也在密切关注全球电力行业发展的这一新动向。
智能电网,是以实现地球可持续发展为总目标,维护能源的优化利用和降低碳排放量,从而达到生态平衡和环境稳定。
2.风能及风力发电在自然界中,风是一种可再生、无污染而且储量巨大的能源。
随着全球气候变暖和能源危机,各国都在加紧对风力的开发和利用,尽量减少二氧化碳等温室气体的排放,保护我们赖以生存的地球。
在自然界的能源中,风能是极其丰富的。
据粗略估计,近期可以利用的风能总功率约为106~107兆瓦,这个数值比全世界可以利用的水力资源大10倍。
风电变流器产品介绍一、概述风电变流器是一种将风能转换为电能的设备,它将风电机组产生的交流电能转换为适应电网要求的交流电能。
风电变流器在风电系统中具有重要的地位和作用,它不仅可以调节风能发电机的转速,使其在最佳转速范围内工作,还可以提高风能转换效率并实现对电网的并网。
二、工作原理风电变流器主要由整流单元、逆变单元和控制单元组成。
整流单元将风能发电机产生的交流电信号转换为直流电信号,而逆变单元则将这个直流电信号再转换为适应电网要求的交流电信号。
控制单元对整个变流系统进行监视和控制,以确保变流器的可靠性和稳定性。
三、产品特点1.高效率:风电变流器具有高效率的特点,可将风能转换为电能的损耗降低到最低。
通过先进的功率电子器件和优化设计的拓扑结构,可以将损耗降至最小,提高系统的整体效率。
2.大功率密度:风电变流器具有较高的功率密度,可以实现在更小的体积内输出更大的功率。
这对于风电场有限的场地资源来说尤为重要,可以提高整个风电系统的发电效率。
3.高可靠性:风电变流器具有高可靠性的特点,采用了多种保护措施和故障诊断技术,可以有效保护设备的安全运行。
同时,严格的生产工艺和质量控制体系也能够保证产品的稳定性和可靠性。
4.广泛适应性:风电变流器可以适应不同类型的风能发电机并具有较强的适应能力。
无论是永磁同步发电机、感应发电机还是异步发电机,风电变流器都能够进行有效的控制和调节,提高发电系统的性能并实现对电网的并网。
5.高性价比:风电变流器具有较高的性价比,可以在满足性能需求的前提下,以较低的成本实现风能转换。
同时,长期稳定的运行和较低的维护成本也能够降低系统的运营成本。
四、应用领域五、市场前景随着对可再生能源的需求不断增加,风电的发展前景越来越被看好。
而作为风电系统中的关键设备,风电变流器的市场也将迎来新的机遇。
随着技术的不断进步和成本的不断降低,风电变流器将更加普及和广泛应用。
六、结语风电变流器作为风电系统中的核心设备,具有高效率、大功率密度、高可靠性、广泛适应性和高性价比等优点,将为风能转换和电网并网提供可靠的保障。
风电机组变流器的技术现状和发展趋势发布时间:2023-07-12T03:32:11.409Z 来源:《科技潮》2023年13期作者:叶太顺崔恒旭[导读] 风力发电是目前技术成熟、大规模商业化应用的新能源,是我国构建新型电力系统的主体能源,风电是我国实现“碳达峰、碳中和”目标重要的新型战略性产业。
近几年我国是全球第一风电并网大国,根据国家能源局2022年底统计,风电累计装机容量已达到3.7亿KW。
浙江运达风电股份有限公司浙江杭州 310012摘要:变流器是连接发电机组和电网的核心部件,其性能直接影响风电机组的并网质量和发电效率。
本文首先介绍风电变流器的主要类型和拓扑结构,接着对风电变流器的关键技术现状进行概述,最后对风电变流器的未来发展趋势进行展望。
关键字:风电机组;变流器;发展趋势引言风力发电是目前技术成熟、大规模商业化应用的新能源,是我国构建新型电力系统的主体能源,风电是我国实现“碳达峰、碳中和”目标重要的新型战略性产业。
近几年我国是全球第一风电并网大国,根据国家能源局2022年底统计,风电累计装机容量已达到3.7亿KW。
伴随着风电产业的快速发展,我国的风电开发和产业化能力也得到大幅提升,目前国内市场国产化占有率也高达95%以上。
变流器是连接发电机组和电网的核心部件,其性能好坏直接影响风电机组的并网质量和发电效率。
本文首先介绍变流器的主要类型和拓扑结构,接着对变流器的关键技术现状进行概述,最后对变流器的未来发展趋势进行展望。
1 基本类型结构风电变流器作为发电机组与电网的接口,主要功能是将发电机组发出电压、频率变化的电能变换为电压、频率恒定的电能并入电网,实现电能的变换和并网控制。
目前主流风电机组的变流器类型主要分为双馈变流器和全功率变流器,双馈变流器主要用于双馈异步风电机组,如图1所示,双馈发电机定子与电网直接相连,转子经变流器与电网相连,发电机的定子和转子都可以向电网输出功率。
全功率变流器主要用于直驱类风电机组,包括低速永磁同步(直驱)、高速永磁同步、中速永磁同步(半直驱)、高速电励磁同步和笼型异步等,如图2所示,全功率风电机组将发电功率经变流器全功率变换后接入电网。
风电变流器简介
风能作为一种清洁的可再生能源,越来越受到世界各国的重视,我国风能资源丰富,近几年来国家政策也大力扶持风电产业。
我公司自06年成功研制第一台风电变流器以来,不断寻求技术革新严把质量关,目前已实现规模化的生产。
本文将针对市场上主流的双馈型风电变流器进行简介。
QHVERT-DFIG型风电变流器系统功能
变流器通过对双馈异步风力发电机的转子进行励磁,使得双馈发电机的定子侧输出电压的幅值、频率和相位与电网相同,并且可根据需要进行有功和无功的独立解耦控制。
变流器控制双馈异步风力发电机实现软并网,减小并网冲击电流对电机和电网造成的不利影响。
变流器提供多种通信接口,如Profibus, CANopen等(可根据用户要求扩展),用户可通过这些接口方便的实现变流器与系统控制器及风场远程监控系统的集成控制。
变流器配电系统提供雷击、过流、过压、过温等保护功能。
变流器提供实时监控功能,用户可以实时监控风机变流器运行状态。
变流器可根据海拔进行特殊设计,可以按客户定制实现低温、高温、防尘、防盐雾等运行要求。
QHVERT-DFIG型风电变流器基本原理
变流器采用三相电压型交-直-交双向变流器技术,核心控制采用具有快速浮
点运算能力的“双DSP的全数字化控制器”;在发电机的转子侧变流器实现定子磁场定向矢量控制策略,电网侧变流器实现电网电压定向矢量控制策略;系统具有输入输出功率因数可调、自动软并网和最大功率点跟踪控制功能。
功率模块采用高开关频率的IGBT功率器件,保证良好的输出波形。
这种整流逆变装置具有结构简单、谐波含量少等优点,可以明显地改善双馈异步发电机的运行状态和输出电能质量。
这种电压型交-直-交变流器的双馈异步发电机励磁控制系统,实现了基于风机最大功率点跟踪的发电机有功和无功的解耦控制,是目前双馈异步风力发电机组的一个代表方向。
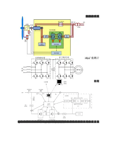
变流器工作原理框图如下所示:
QHVERT-DFIG型风电变流器系统构成
变流器由主电路系统、配电系统以及控制系统构成。
包括定子并网开关、整
流模块、逆变模块、输入/输出滤波器、有源Crowbar电路、控制器、监控界面等部件。
变流器主回路系统包含如下几个基本单元:
转子侧逆变器、直流母线单元、电网侧整流器。
原理图如下:
配电系统由并网接触器、主断路器、继电器、变压器等组成,自身集成有并网控制系统,用户无须再配置并网柜,提高了系统集成度,节约了机舱空间,柜中还可提供现场调试的220V电源。
控制系统由高速数字信号处理器(DSP)、人机操作界面和可编程逻辑控制器(PLC)共同构成。
整个控制系统配备不间断电源(UPS),便于电压跌落时系统具有不间断运行能力。
上述各功能分配到控制柜、功率柜、并网柜中:
控制柜:控制柜主要对采集回的各种模拟数字信号进行分析,发出控制指令,控制变流器的运行状态
控制柜主要由主控箱、PLC、滤波器、电源模块等组成。
功率柜:主要负责转子滑差能量的传递。
功率柜主要由功率模块、有源Crowbar等构成。
并网柜:主要用于变流器与发电机系统和电网连接控制、一些控制信号的采
集以及二次回路的配置。
并网柜主要由断路器、接触器、信号采集元件、UPS、加热器、信号接口部分等构成。
变流器控制结构框图如下:
QHVERT-DFIG型风电变流器技术特征
QHVERT-DFIG型风电变流器可以优化风力发电系统的运行,实现宽风速范围内的变速恒频发电,改善风机效率和传输链的工作状况,减少发电机损耗,提高运行效率,提升风能利用率。
QHVERT-DFIG型风电变流器具有以下一些特点:
2 优异的控制性能
2 完备的保护功能
2 良好的电网适应能力
2 具备高可靠性,适应高低温、高海拔等恶劣地区运行
2 模块化设计,组合式结构,安装维护便捷
2 丰富的备品备件;专业、快速的技术服务
QHVERT-DFIG型风电变流器最新动态
2009年3月至今,在河北建设投资公司和东方汽轮机有限公司的支持下,北京清能华福风电技术有限公司自主研发生产的风电变流器在河北海兴风电场成功并网发电,通过240小时验收,目前已无故障连续运行8000多小时。
成功经历了夏季高温、冬季降雪后的低温、海边盐雾等运行环境的考验,事实证明了:清能华福变流器可以达到满功率发电和连续运行的要求,系统品质达到了风场应用的要求。
2009年12月28日经过2天的现场调试,北京清能华福风电技术有限公司自主研发的风电变流器在国电联合动力技术有限公司及其现场调试所相关技术人员的支持下,已于哲里根图风场全部并网成功满发,截止目前运行状态稳定。
目前在赤峰、大安等风场正陆续进行变流器吊装施工。
附:北京清能华福风电技术有限公司简介
北京清能华福风电技术有限公司成立于2006年7月,由“国内高压变频器领域最具影响力的企业”——北京利德华福电气技术有限公司投资控股,是专门从事开发、制造风电变流器与控制系统产品的高新技术企业。
公司坐落于中关村科技园,依托清华大学电力系统国家重点实验室的一流技术以及利德华福专业化、规模化、现代化的生产厂房,凭借雄厚的资金、科研、市场、服务实力,为国家大力鼓励、扶持的风力发电事业,提供其拥有自主知识产权的核心装备——兆瓦级风力发电机变流器及其电控系统。