四电迁改及过渡方案及工艺
- 格式:doc
- 大小:142.00 KB
- 文档页数:25
铁路工程四电迁改方案四电迁改工程是指推动铁路电气化技术升级,从交流电气化向直流电气化转变,并实现全线数字化、自动化、智能化和信息化的铁路供电系统。
四电迁改标志着铁路电气化技术进入了一个新的阶段,将会为我国铁路运输的可持续发展奠定坚实的技术基础。
1. 交流电气化铁路存在的问题在我国铁路电气化建设过程中,采用的是交流电气化技术。
然而,随着铁路运输的需求不断增加,交流电气化铁路存在着一系列问题。
首先,交流电气化铁路的输电损耗较大,能源利用率低;其次,交流电气化铁路供电系统的控制精度较低,容易受到外界干扰;最后,交流电气化铁路在大功率等级的应用上存在一定的难度。
2. 四电迁改的意义为了解决交流电气化铁路存在的问题,铁路部门开始推动四电迁改工程,将铁路电气化技术从交流向直流转变,并实现全线数字化、自动化、智能化和信息化的铁路供电系统。
四电迁改的意义主要体现在以下几个方面:(1)提高能源利用率:直流电气化铁路输电损耗小,能源利用率高,有利于节能减排,可以有效降低铁路运输成本。
(2)提高系统的稳定性:直流供电系统的控制精度高,可以有效抵抗外界干扰,提高了电气化铁路的运行稳定性。
(3)提高运输效率:直流电气化铁路在大功率等级的应用上更加灵活,可以满足高速、大容量的铁路运输需求,提高了铁路的运输效率。
(4)为铁路智能化发展奠定基础:四电迁改工程实现了铁路供电系统的全线数字化、自动化、智能化和信息化,为铁路的智能化发展奠定了坚实的技术基础。
3. 四电迁改的技术路径实现四电迁改,需要综合考虑铁路运输的实际需求和技术发展的趋势,制定合理的技术路径。
四电迁改的技术路径主要包括以下几个方面:(1)直流供电系统建设:四电迁改的核心是将供电系统从交流向直流转变。
首先,需要对现有的交流供电系统进行改造升级,建设直流供电系统。
在建设直流供电系统的过程中,需要综合考虑线路特点、运输需求和技术条件,合理规划供电系统的参数和结构,确保系统的可靠性和安全性。
四电迁改及过渡方案及工艺迁改部分2、1三电迁改工程施工方案、施工方法2、1、1三电迁改工程施工方案三电迁改的主要工作内容可以分为:一就是对直接影响铁路建设的路内、外通信、电力线路、信号电缆及其它设施进行迁改,保证铁路建设的顺利进行;二就是为消除铁路建设对铁路附近各类线路与设施产生的影响而进行的迁改或防护。
各方案的设计与实施以满足铁路建设需要与保证铁路附近各类线路与设施的安全而进行。
2、1、1、1迁改方案的制定及论证由项目部总工程师、勘察设计、施工技术、作业班人员共同对铁路中心桩、标高、站场、货场等各类工程的准确位置,准确计算迁改线路的迁改距离及跨越线路的跨越高度与跨度。
同产权单位联系,使产权单位了解并熟悉跨越点的铁路施工情况,然后以迁改原则与技术标准与产权单位共同探讨协商制定迁改方案。
对制定的迁改方案进行论证,对不可行方案进行再制定再论证,以保证迁改方案一次到位。
对论证后的实施性方案,上报建设单位及监理单位审批,待批复后实施。
迁改方案批复后,同产权单位签订迁改线路施工协议,实施迁改。
2、1、1、2通信及广播线路迁改实施方案对于新建铁路引起的迁改,统筹考虑将来电气化铁路的影响,尽量作到一次完成。
使改迁后的各类通信线路及设施不仅满足土建工程施工的要求,也能符合电磁防护的技术指标。
对于确实无法一次完成迁改的通信线路,坚决做好临时过渡措施,确保通信线路的安全畅通。
1、对于在铁路地界范围内与铁路平行的路外各类电信线路,一律迁出铁路地界范围以外,同时考虑电气化铁路防护距离等技术要求,一次迁移到位;路内通信线路迁出影响土建工程施工的范围,并达到电气化防护要求。
其施工顺序如下:确定线路中心桩、标高→同产权单位确定迁改方案→复测、确定割接位置→开挖缆沟(架设杆路)→光、电缆敷(架)设、测试→工程自验→监理、产权单位验收→与既有线路割接。
2、对与铁路交叉的地埋光、电缆,在路基施工前采取在路基两侧适当距离内更换光、电缆并增加防护的方式在路基下防护通过。
电力迁改施工方案引言随着城市建设的不断推进,城市规划和布局需要不断进行调整和优化。
在城市建设过程中,电力设施的迁改是重要的一环,它涉及到城市供电的可靠性和稳定性。
本文将介绍电力迁改的施工方案,包括施工前的准备工作、迁改方案的制定、施工过程的安全措施以及施工后的验收和完善。
一、施工前准备工作1. 项目背景和目标在开始电力迁改工程之前,需要明确项目的背景和目标。
主要包括以下几个方面的信息:•城市规划的调整和布局变化•新建项目的需求和供电要求•旧有电力设施存在的问题和隐患2. 环境调研和勘察在施工前,需要进行环境调研和勘察工作,主要包括以下内容:•现有电力设施的位置、规模和工况•周边地下管线的情况,如给水管道、燃气管道等•电缆通道的情况,如地下电缆隧道、地下电缆沟等3. 法律法规和政策要求在施工前,需要全面了解相关的法律法规和政策要求,确保施工过程的合法合规。
主要涉及的方面有:•城市规划和建设相关的法律法规•电力设施建设与运营的管理办法•施工安全和环境保护的要求4. 施工方案的制定在施工前,需要制定详细的施工方案,确保施工的顺利进行。
施工方案需要包括以下内容:•设计方案和工程图纸•施工工序和施工步骤•施工队伍和人员组织•施工材料和设备的准备二、迁改方案的制定1. 迁改方案的设计根据前期的调研和勘察结果,制定电力迁改方案的设计。
迁改方案的设计需要考虑以下几个方面:•保证供电的可靠性和稳定性•确保迁改工程的安全性•最小化对周边环境和其他地下设施的影响2. 方案评估与选择制定完迁改方案后,需要进行方案评估和选择。
主要包括评估迁改方案的可行性和经济性,最终选择出最佳方案进行实施。
3. 方案优化与调整根据评估结果和实际情况,对迁改方案进行优化和调整。
主要考虑以下方面:•进一步降低施工风险和安全隐患•调整施工工序和时间节点,减少对周边环境的影响•优化资源和成本的配置,提高施工效率三、施工过程的安全措施1. 施工人员的安全培训在施工前,需要对施工人员进行安全培训,包括电力安全知识、施工操作规程和紧急救援措施等。
铁路四电项目整体实施方案一、项目背景铁路四电项目是指铁路电务、信号、通信、供电四大系统的建设和改造工程,是铁路运输系统中至关重要的基础设施。
随着铁路运输业务的不断发展和技术的不断更新,铁路四电项目的实施显得尤为重要。
本文档旨在提出铁路四电项目的整体实施方案,以确保项目顺利进行并取得预期效果。
二、项目目标1. 提高铁路运输安全性和可靠性;2. 提升铁路运输效率和运营水平;3. 优化铁路设施和设备,提升整体运输能力;4. 推动铁路行业技术创新和发展。
三、整体实施方案1. 项目规划阶段在项目规划阶段,需要对铁路四电项目进行全面的规划和设计,包括项目范围、工程量、投资预算、工期安排等内容。
同时,还需要充分考虑现有铁路设施的情况,确保项目规划与实际情况相符合。
2. 项目准备阶段在项目准备阶段,需要进行项目前期工作,包括勘察设计、施工图纸编制、设备采购等工作。
同时,还需要做好项目的组织架构和人员配备,确保项目实施的顺利进行。
3. 项目实施阶段项目实施阶段是整个项目的关键阶段,需要按照项目计划和施工图纸进行施工和设备安装。
在实施过程中,需要严格按照相关标准和规范进行操作,确保施工质量和安全。
4. 项目验收阶段项目验收阶段是对整个项目进行综合评估和验收,包括工程质量、设备性能、工程进度等内容。
只有通过项目验收,项目才能正式投入使用。
四、项目保障措施1. 加强项目管理,建立健全的项目管理体系,确保项目各项工作有序进行;2. 严格控制项目成本,合理安排项目资金使用,防止出现资金浪费和滞后;3. 加强安全生产管理,确保施工过程中的安全生产;4. 加强与相关部门的沟通和协调,确保项目能够顺利推进;5. 加强对项目人员的培训和考核,提升项目团队的整体素质和能力。
五、项目效果评估项目实施完成后,需要进行全面的效果评估,包括铁路运输安全性、运输效率、设施设备性能等方面。
只有通过效果评估,才能验证项目实施的效果和成果。
六、总结铁路四电项目整体实施方案的制定和实施,对于铁路运输系统的安全、可靠和高效运营具有重要意义。
四电迁改及过渡方案及工艺四电迁改是指将电力、电信、有线电视和广播电视四个产业共用一套线缆网络,实现资源共享、降低成本、提高效益的措施。
然而,四电迁改并不是一蹴而就的任务,涉及到的工艺和过渡方案需要精心设计和实施。
以下是一个1200字以上的案例分析和过渡方案。
案例分析:假设一些城市存在传统的电力、电信、有线电视和广播电视四个独立的线缆网络,由于资源浪费和管理不合理,政府决定进行四电迁改。
具体情况如下:1.电力网络:传统的电力网络采用的是地下电缆敷设,覆盖整个城市。
由于电力公司只使用部分电缆,并且线缆老化,需要更换。
2.电信网络:电信网络采用的是光纤传输技术,网络覆盖全市。
需要对现有的光纤进行维修和升级,在迁改过程中要保证服务的连续性。
3.有线电视网络:有线电视网络采用的是同轴电缆传输技术,网络覆盖全市。
需要将现有的同轴电缆替换成光纤,并对网络进行升级和扩容。
4.广播电视网络:广播电视网络采用的是同轴电缆传输技术,网络覆盖全市。
需要将现有的同轴电缆替换成光纤,并对网络进行升级和扩容。
过渡方案和工艺:1.工程前期准备政府组织专业人员进行全面的调研和规划,确定改造范围和时间节点。
与电力、电信、有线电视和广播电视四个相关部门协商,制定统一的改造方案,并明确各方的责任和任务。
2.电力网络的迁改首先,电力公司需要对线缆进行勘察和测试,确定哪些线缆需要更换。
然后,制定电力网络的新布局方案,包括线缆的敷设路径和连接点的设计。
在整个过程中,还需要与电力公司的工程师进行沟通和协调,确保电力供应的连续性。
3.电信网络的迁改电信公司需要对现有光纤进行检测和升级,确保其质量和性能。
同时,需要对光纤线缆进行维修和替换,以保证网络的正常运行。
在迁改过程中,需要分段进行,确保服务的连续性,避免造成用户的影响。
4.有线电视网络的迁改有线电视公司需要替换现有的同轴电缆为光纤,以提高传输速度和质量。
同时,还需要对网络进行升级和扩容,以满足用户的需求。
四电迁改质量控制措施如下:
封锁施工阶段,安排固定人员负责施工现场的防护,同时车站行车室安排驻站联络员,便于随时掌握施工现场和列车运行情况。
加强部门间的协调化,铁路四电工程复杂性高、作业难度大、流程制约性强,要求其过程有良好的信息支持与部门互动,要求加强施工部门与管理部门的协作,寻求最优化的合作方式。
建立质量安全检查制度,制定相应应急预案。
安全生产检查是安全生产管理工作的一项重要内容,是安全生产工作中发现不安全状况和不安全行为的有效措施,是消除隐患、防止事故发生、改善劳动条件的重要手段。
四电过渡工程施工方案一、项目背景和目的1.实现电力、电信、有线电视和宽带网络的网络融合,提高传输效率和带宽利用率。
2.构建统一的通信管理平台,实现一站式服务管理。
3.强化网络安全防护,提高系统的可靠性和稳定性。
4.提高用户满意度,降低运营成本。
二、项目组织和管理为了确保四电过渡工程的顺利进行,需要成立一个项目组织机构,并明确相应的管理流程。
项目组织机构应包括项目经理、设计师、工程师等相关人员,并明确各个岗位的职责和协作关系。
项目管理流程包括需求分析、设计、施工、验收等环节,以确保项目的高效推进和质量保证。
三、施工方案1.需求分析:首先,对四个行业的网络需求进行全面分析,包括网络容量、传输速率、设备要求等。
同时,还需考虑系统的可扩展性和兼容性,以满足未来的发展需求。
2.网络设计:在需求分析的基础上,设计一个统一的网络架构,包括主干网和支线网。
主干网负责承载大量的数据传输,而支线网则连接到各个终端设备。
此外,还需设计统一的网络管理平台,实现对整个系统的集中管理。
3.设备采购与安装:根据网络设计方案,采购符合要求的设备,并按照设计规划进行安装。
设备的安装应遵循相关规范和标准,确保设备的性能和稳定性。
4.网络测试与调试:在设备安装完成后,进行网络测试和调试,确保网络的稳定性和可靠性。
测试的内容包括网络连接速度、传输质量、数据安全等方面。
5.系统验收和运维:在网络测试通过后,进行系统的最终验收。
验收的内容包括系统的功能完整性、可用性、性能等。
同时还需建立完善的运维机制,对系统进行日常维护和管理。
四、风险管理在四电过渡工程的施工过程中,存在一些潜在的风险和问题,需要及时采取相应的措施应对。
常见的风险包括设备故障、人为操作错误、网络攻击等。
为了有效降低风险,需要:1.建立全面的风险识别和分析机制,对可能出现的风险进行预测和评估。
2.严格遵循相关的施工规范和标准,确保设备的安全可靠。
3.加强对施工人员的培训和管理,提高其施工操作的技能和意识。
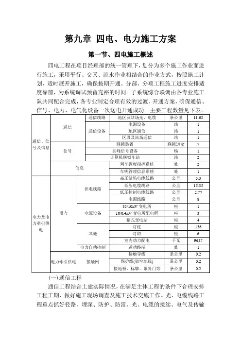
第九章四电、电力施工方案第一节、四电施工概述四电工程在项目经理部的统一管理下,划分为多个施工作业面进行施工,采用平行、交叉、流水作业相结合的作业方式,按照施工计划,适时展开施工,确保按期开通。
分部、分项工程施工进度安排适度靠前,为系统调试预留充裕的时间。
子系统综合联调由各专业施工队共同配合完成,各专业制定合理有效的过渡、开通方案,确保通信、(一)通信工程通信工程结合土建实际情况,在满足主体工程的条件下合理安排工程工期,做好施工现场调查及施工技术交底工作。
光、电缆线路工程重点抓好径路、埋深、防护、防雷、光、电缆的接续、电气及传输性能测试;设备安装重点控制设备安装的整齐度、垂直度、配线工艺及设备保护地线的制作;将通信光电缆工程作为本段通信工程的主要环节,信息系统的安装调试后期完成。
(二)信号工程信号工程达到施工条件后首先进行电缆敷设和箱盒安装,结合站场标桩进行电缆经路测量,定出站场各信号设备座标,在电缆径路选择、信号设备座定测、电缆配盘和测试电缆配盘、测试完毕后,集中人力进行干线电缆沟及分岐电缆沟开挖,信号电缆敷设、防护和电缆标桩的埋设,完成各站箱盒安装及电缆配线工作。
其次进行室外设备、室内设备及区间设备安装。
然后进行导通试验,先进行室内模拟试验,在完成室内模拟试验的基础上再进行室外信号机、轨道电路、道岔成形部分的电气特性局部导通试验。
最后进行调试、工程验收、开通电气集中设备,满足其它各专业施工进度要求。
(三)电力工程完成施工准备工作后,结合土建工程施工进度,在路基基本成型后即可跟进作业;对于新建变配电所、箱式变电站安装工程结合房建工程施工进度适时展开施工,同时进行电力远动设施的施工。
站场动力照明工程在站场基本成型后再组织施工。
电力工程力争提前完成送电开通工作,以为通信、信号专业调试提供电源条件。
(四)接触网工程接触网基础采用人工开挖基坑、机械振捣混凝土的方法施工。
支柱采用地面吊组立。
腕臂安装采用接触网作业车与梯车结合的方式安装。
四电过渡工程施工方案1. 项目背景四电过渡工程是指电力、电信、广播电视和互联网四个行业之间的过渡工程。
随着信息技术的不断发展,传统的电力、电信、广播电视和互联网行业之间的边界逐渐模糊,需要进行过渡工程来适应新的发展需求。
2. 施工目的四电过渡工程的施工旨在实现电力、电信、广播电视和互联网行业在资源共享、信息互通、服务融合等方面的无缝衔接,提高社会信息化水平,促进各行业的健康发展。
3. 施工内容3.1 电力施工•优化电力设备配置•提高供电可靠性•改进电力传输线路•制定电力管理制度3.2 电信施工•优化通信设备•提高通信网络覆盖•加强数据传输安全•完善通信业务管理3.3 广播电视施工•升级广播电视设备•扩大信号传播范围•提高信号质量•完善广播电视节目制作3.4 互联网施工•升级互联网设施•提高网络带宽•加强网络安全防护•完善互联网服务4. 施工方案4.1 施工流程1.制定四电过渡工程施工计划2.调查勘测3.设计规划4.施工准备5.施工实施6.质量验收7.完工交接4.2 施工技术•按照规划要求进行设备更新和改造•采用先进的技术手段提高效率•严格遵守安全生产规定•加强与相关部门的沟通协调5. 施工效果经过四电过渡工程施工,电力、电信、广播电视和互联网行业之间实现了紧密衔接和互通互联,各行业资源得到充分利用,服务水平得到提升,为社会信息化发展奠定了坚实的基础。
6. 结语四电过渡工程施工不仅是各行业发展的需要,也是促进社会信息化的重要举措。
只有不断优化四电过渡工程施工方案,提高施工质量,才能更好地满足社会对信息化发展的需求。
以上是四电过渡工程施工方案的相关内容,希望能对相关工程的实施和推进有所帮助。
四电专业主要工艺流程、方法1、接触网专业施工准备施工测量基础浇制钢柱安装附加线肩架安装附加线架设基坑开挖砼柱安装腕臂、软硬横跨安装承力索架设接触线架设悬挂调整设备安装接地安装冷滑试验验收开通桥、隧打孔灌注桥钢柱、吊柱安装2、牵引变电专业架构基础浇制构支架组立避雷针组立软母线安装室外设备安装单体试验施工测量变电所、开闭所、分区所基础拆模养生电缆敷设二次接线整组试验远动调试配合开通设备基础浇制地网敷设网栅、支架安装硬母线制作室内设备安装室外照明3、电力工程(1)、10kV 高压电力线路施工流程图施工准备施工测量基坑开挖电缆沟开挖电杆组立电缆敷设横担、绝缘子安装拉线安装回填导线架设电缆头制做安装线路设备安装电气试验接地制做安装试验开通(2)、配电所施工流程图施工准备接地沟开挖地网敷设所内设备安装电缆敷设、接线送电、开通调试、整组试验4、信号工程施工准备电气集中改造施工电缆工程箱盒安装及配线轨信道室道号岔内电机设安路备装安安安配装装装线室外单独试验模拟试验室内外联合调试既有自闭结合工程验收,全站换装开通站场及区间改造过渡配合区间自闭工程施工电缆工程箱盒安装及配线室内安装信配轨线道号电机路安安装装模拟试室外单独试验验室内外联合调试工程验收开通5、关键工程施工方案(1)接触网不良地质区段下部基础施工膨胀土:由于膨胀土遇水后含水量增加,体积增大,产生膨胀力,同时土体饱和后产生软化和崩解,强度降低;膨胀土还具有明显的胀缩可逆变形,失水后土体明显收缩,造成地基下陷,影响支柱基础稳定。
对于膨胀土区段的接触网基础施工分为两类:回填混凝土和非回填混凝土基础。
对于回填混凝土的接触网基础,采取加大基础埋深,使基础的有效埋深在大气影响带以下。
对于回填非混凝土类的基础,采取对基础周围的开挖区用二八灰土回填,深度不小于 0.6 米;地面部分浇制混凝土防渗水帽,即在模型板周围抹制一个比基坑边缘高0.1 米、长宽各大于坑口0.4 米的棱台型散水坡,防止因对路基开挖导致雨水渗入而影响其稳定性。
四电迁改及过渡实施方案及工艺早晨的阳光透过窗帘,洒在办公桌上,我的大脑开始像一台高速运转的机器,方案的大纲在脑海中逐渐清晰。
四电迁改,这个项目我已跟进多年,每一次的迁改都是一次全新的挑战,但同时也是展现自我能力的机会。
一、项目背景让我来梳理一下项目的背景。
随着城市建设的快速发展,电力、通信、信号、照明等四电设施需要进行迁改,以适应新的城市规划。
而这次迁改,我们不仅要考虑迁改的效率,还要确保过渡期间各项功能的正常运行。
二、迁改实施方案1.前期准备在迁改之前,我们需要进行详细的现场勘察,了解四电设施的分布情况,确定迁改的顺序和方案。
同时,要和相关部门进行沟通,确保迁改工作的顺利进行。
2.迁改顺序迁改的顺序至关重要,我们决定先进行电力设施的迁改,因为电力设施是其他设施的基础。
是通信和信号设施,是照明设施。
这样的顺序可以最大限度地减少对居民生活的影响。
3.施工方案在施工过程中,我们将采用模块化施工方法,将整个工程分为若干个模块,每个模块都有明确的施工目标和时间节点。
同时,我们将采用先进的施工设备和技术,确保施工质量和效率。
三、过渡实施方案1.临时设施搭建在迁改期间,我们需要搭建临时设施,以保证四电设施的正常运行。
这些临时设施包括临时电力线路、通信线路、信号线路和照明设施。
我们将采用快速搭建的技术,确保临时设施的安全和稳定。
2.过渡期管理过渡期间,我们将成立专门的管理团队,负责协调各部门的工作,确保四电设施的正常运行。
同时,我们还将加强对临时设施的维护和保养,确保其正常运行。
四、工艺流程1.迁改工艺现场勘察:了解四电设施的分布情况,确定迁改顺序和方案。
设备拆卸:按照预定的顺序,将四电设施进行拆卸。
设备运输:将拆卸下的设备运输到新的位置。
设备安装:在新位置重新安装四电设施。
2.过渡工艺临时设施搭建:采用快速搭建技术,搭建临时四电设施。
临时设施调试:对临时设施进行调试,确保其正常运行。
正常运行:在临时设施正常运行的同时,进行正式设施的迁改。
四电过渡工程施工方案过渡工程方案的可行性及安全措施的可靠性,是保证线路正常运营、设备正常使用和运输安全的关键。
在过渡工程实施中,过渡方案需多方面协调,周密研究才能将运输影响减少到最低程度。
1通信过渡工程方案1。
1施工过渡的原则⑴通信通道的质量直接影响到调度指挥和行车安全。
为了保证正在运营中的通信畅通,通信施工过渡应结合相关专业的过渡方案进行,做到相互衔接,互相配合,统一协调。
⑵施工单位应在设计单位提出过渡方案的基础上,根据现场具体情况与建设、运营、设计单位一起共同制订出施工过渡的具体实施方案,报相关领导小组审定后方能进行实施.⑶应尽量不影响货场的货物装卸,保证站场通信不中断。
⑷尽量利用“天窗”时间进行施工,以减少要点和封锁线路的时间。
⑸新建或改建工程均应采用先倒通后拆除的施工顺序;在新建电缆未开通之前,所有拆迁或过渡的用户只能在既有电缆中过渡,待新建干缆正式开通后方能倒入;新建或改建工程中所有通信光缆、电缆过轨防护,应与工务部门配合,在站前铺轨过程中进行。
1.2 施工过渡步骤⑴施工前充分做好现场调查工作,加强与设备运营管理单位的协调洽商,按规定签订施工安全协议,提前提报施工计划.⑵中间站通信机械室或信号楼过渡工程,应先安装好室内的通信设备,然后将站内的各种电缆引至通信机械室或信号楼,确认设备和电缆无误,清点后再进行倒接;倒接的顺序严格按照先调度电话,再专用电话,最后倒接一般电话和其他综合业务通道。
⑶施工中应与通信分公司、通信段、行车部门、相关专业以及其他单位密切配合,统一协调、合理安排施工时间和设备的倒换.⑷在电缆施工过渡时一定要搞清既有电缆内的芯线运用和分配。
⑸架空线路迁移过渡方案首先根据既有线路情况以及受影响的土建的迁改要求,确定迁改的范围、作业量,编制具体的迁改方案;确定新建线路的杆位,挖坑立杆,架线;将新旧线路连接起来,并同时拆除既有线路的多余部分。
确定新建线路路径时,迁移线路时应尽量以直代曲,以最大限度地维持既有线路杆塔的受力状况。
迁改部分2.1三电迁改工程施工方案、施工方法2.1.1三电迁改工程施工方案三电迁改的主要工作内容能够分为: 一是对直接影响铁路建设的路内、外通信、电力线路、信号电缆及其它设施进行迁改, 保证铁路建设的顺利进行; 二是为消除铁路建设对铁路附近各类线路和设施产生的影响而进行的迁改或防护。
各方案的设计和实施以满足铁路建设需要和保证铁路附近各类线路和设施的安全而进行。
2.1.1.1迁改方案的制定及论证由项目部总工程师、勘察设计、施工技术、作业班人员共同对铁路中心桩、标高、站场、货场等各类工程的准确位置, 准确计算迁改线路的迁改距离及跨越线路的跨越高度和跨度。
同产权单位联系, 使产权单位了解并熟悉跨越点的铁路施工情况, 然后以迁改原则和技术标准与产权单位共同探讨协商制定迁改方案。
对制定的迁改方案进行论证, 对不可行方案进行再制定再论证, 以保证迁改方案一次到位。
对论证后的实施性方案, 上报建设单位及监理单位审批, 待批复后实施。
迁改方案批复后, 同产权单位签订迁改线路施工协议, 实施迁改。
2.1.1.2通信及广播线路迁改实施方案对于新建铁路引起的迁改, 统筹考虑将来电气化铁路的影响, 尽量作到一次完成。
使改迁后的各类通信线路及设施不但满足土建工程施工的要求, 也能符合电磁防护的技术指标。
对于确实无法一次完成迁改的通信线路, 坚决做好临时过渡措施, 确保通信线路的安全畅通。
1、对于在铁路地界范围内与铁路平行的路外各类电信线路, 一律迁出铁路地界范围以外, 同时考虑电气化铁路防护距离等技术要求,一次迁移到位; 路内通信线路迁出影响土建工程施工的范围, 并达到电气化防护要求。
其施工顺序如下: 确定线路中心桩、标高→同产权单位确定迁改方案→复测、确定割接位置→开挖缆沟( 架设杆路) →光、电缆敷( 架) 设、测试→工程自验→监理、产权单位验收→与既有线路割接。
2、对与铁路交叉的地埋光、电缆, 在路基施工前采取在路基两侧适当距离内更换光、电缆并增加防护的方式在路基下防护经过。
四电接口施工工艺流程及重点卡控标准四电接口是指电力、通信、广播电视和安全监控等四种系统在进行建筑物施工时所需的接口处理工作。
下面将介绍四电接口施工的工艺流程及重点卡控标准。
一、工艺流程1.前期准备阶段在项目启动前,需要进行项目调研和规划,明确四电系统的建设需求和施工计划。
同时,准备施工所需的材料和设备,确定施工队伍和施工方案。
2.现场勘测和设计阶段在施工前需要进行现场勘测,确定四电系统的布置方案。
根据勘测结果,进行电力线路的设计、通信线路的设计、广播电视系统的设计和安全监控系统的设计。
设计应符合相关规范和标准。
3.功能单元施工阶段根据设计方案,进行各个功能单元的施工。
首先进行电力工程的施工,包括安装电源线路、接线盒、电力仪表和开关等设备;然后进行通信工程的施工,包括敷设光缆、安装终端设备和配线架等设备;接着进行广播电视系统的施工,包括安装天线、调试信号源和布线等工作;最后进行安全监控系统的施工,包括安装监控摄像头、配置监控软件和设置报警系统等。
4.系统调试和验收阶段在各个功能单元施工完成后,需要对系统进行调试和验收。
首先对电力系统进行电气安全测试和负载测试,确保电力供应正常;然后对通信系统进行网络测试和语音测试,确保通信质量;接着对广播电视系统进行信号测试和节目播放测试,确保信号稳定和清晰;最后对安全监控系统进行监控画面测试和报警测试,确保系统正常工作。
5.竣工文件整理阶段在系统调试和验收通过后,需要整理竣工文件,包括系统设计图纸、调试记录和验收报告等。
这些文件将作为后期运维和维护的重要依据。
1.安全标准在施工过程中,要确保施工人员的人身安全。
严禁违反相关安全规定,例如高空作业未采取防护措施、电气设备未按要求接地等。
同时,施工现场要设置明显的安全警示标识,严禁未经授权人员进入。
2.质量标准施工过程中,各个功能单元的施工必须符合相关质量标准。
例如,电力线路的接线必须牢固可靠,通信线路的接头要经过专业焊接,广播电视系统的天线要定位准确,安全监控系统的摄像头要安装稳固等。
迁改部分2.1三电迁改工程施工方案、施工方法2.1.1三电迁改工程施工方案三电迁改的主要工作容可以分为:一是对直接影响铁路建设的路、外通信、电力线路、信号电缆及其它设施进行迁改,保证铁路建设的顺利进行;二是为消除铁路建设对铁路附近各类线路和设施产生的影响而进行的迁改或防护。
各方案的设计和实施以满足铁路建设需要和保证铁路附近各类线路和设施的安全而进行。
2.1.1.1迁改方案的制定及论证由项目部总工程师、勘察设计、施工技术、作业班人员共同对铁路中心桩、标高、站场、货场等各类工程的准确位置,准确计算迁改线路的迁改距离及跨越线路的跨越高度和跨度。
同产权单位联系,使产权单位了解并熟悉跨越点的铁路施工情况,然后以迁改原则和技术标准与产权单位共同探讨协商制定迁改方案。
对制定的迁改方案进行论证,对不可行方案进行再制定再论证,以保证迁改方案一次到位。
对论证后的实施性方案,上报建设单位及监理单位审批,待批复后实施。
迁改方案批复后,同产权单位签订迁改线路施工协议,实施迁改。
2.1.1.2通信及广播线路迁改实施方案对于新建铁路引起的迁改,统筹考虑将来电气化铁路的影响,尽量作到一次完成。
使改迁后的各类通信线路及设施不仅满足土建工程施工的要求,也能符合电磁防护的技术指标。
对于确实无法一次完成迁改的通信线路,坚决做好临时过渡措施,确保通信线路的安全畅通。
1、对于在铁路地界围与铁路平行的路外各类电信线路,一律迁出铁路地界围以外,同时考虑电气化铁路防护距离等技术要求,一次迁移到位;路通信线路迁出影响土建工程施工的围,并达到电气化防护要求。
其施工顺序如下:确定线路中心桩、标高→同产权单位确定迁改方案→复测、确定割接位置→开挖缆沟(架设杆路)→光、电缆敷(架)设、测试→工程自验→监理、产权单位验收→与既有线路割接。
2、对与铁路交叉的地埋光、电缆,在路基施工前采取在路基两侧适当距离更换光、电缆并增加防护的方式在路基下防护通过。
其中对不同等级的光缆采取不同的迁改方式,一般本地网线路按改迁500-1000m、增加1—2个接头考虑;而各电信公司所属长途网光缆则按整盘换缆改迁2000—3000m、不增加接头设计。
四电过渡工程施工方案过渡工程方案的可行性及安全措施的可靠性,是保证线路正常运营、设备正常使用和运输安全的关键。
在过渡工程实施中,过渡方案需多方面协调,周密研究才能将运输影响减少到最低程度。
1通信过渡工程方案1.1施工过渡的原则⑴通信通道的质量直接影响到调度指挥和行车安全。
为了保证正在运营中的通信畅通,通信施工过渡应结合相关专业的过渡方案进行,做到相互衔接,互相配合,统一协调。
⑵施工单位应在设计单位提出过渡方案的基础上,根据现场具体情况与建设、运营、设计单位一起共同制订出施工过渡的具体实施方案,报相关领导小组审定后方能进行实施。
⑶应尽量不影响货场的货物装卸,保证站场通信不中断。
⑷尽量利用“天窗”时间进行施工,以减少要点和封锁线路的时间。
⑸新建或改建工程均应采用先倒通后拆除的施工顺序;在新建电缆未开通之前,所有拆迁或过渡的用户只能在既有电缆中过渡,待新建干缆正式开通后方能倒入;新建或改建工程中所有通信光缆、电缆过轨防护,应与工务部门配合,在站前铺轨过程中进行。
1.2 施工过渡步骤⑴施工前充分做好现场调查工作,加强与设备运营管理单位的协调洽商,按规定签订施工安全协议,提前提报施工计划。
⑵中间站通信机械室或信号楼过渡工程,应先安装好室内的通信设备,然后将站内的各种电缆引至通信机械室或信号楼,确认设备和电缆无误,清点后再进行倒接;倒接的顺序严格按照先调度电话,再专用电话,最后倒接一般电话和其他综合业务通道。
⑶施工中应与通信分公司、通信段、行车部门、相关专业以及其他单位密切配合,统一协调、合理安排施工时间和设备的倒换。
⑷在电缆施工过渡时一定要搞清既有电缆内的芯线运用和分配。
⑸架空线路迁移过渡方案首先根据既有线路情况以及受影响的土建的迁改要求,确定迁改的范围、作业量,编制具体的迁改方案;确定新建线路的杆位,挖坑立杆,架线;将新旧线路连接起来,并同时拆除既有线路的多页脚内容1余部分。
确定新建线路路径时,迁移线路时应尽量以直代曲,以最大限度地维持既有线路杆塔的受力状况。
四电工程施工工艺一、前期准备工作1. 工程专业测量在施工前,需要对施工场地进行专业测量,确定建筑物的尺寸、地形、地势等相关数据,为后续施工工作提供准确的基础数据。
2. 现场勘测施工前需要对施工场地进行现场勘测,包括地质勘探、水文勘测、环境调查等,以便发现潜在的施工隐患,为后续工程施工提供参考依据。
3. 现场踏勘在确定施工场地之后,需要进行现场踏勘,对地面情况、场地环境等进行详细了解,为后续施工工艺提供依据。
4. 安全评估在进行施工前需要对施工场地进行安全评估,制定安全施工方案,保障施工期间的安全。
5. 施工方案制定在前期准备工作完成后,需要根据实际情况制定施工方案,包括施工工艺流程、施工工期、材料准备等,为后续施工工程提供指导。
6. 资材准备在确定施工方案后,需要做好施工所需的资材准备工作,包括材料的采购、运输、存储等,保证施工所需的各种材料齐全。
7. 人员组织在进行施工前需要对施工所需的人员进行组织,包括施工人员、技术人员、管理人员等,为后续施工工程提供有力的保障。
8. 设备准备在进行施工前需要对施工所需的设备进行准备,包括施工机械、工具设备等,保证施工所需的设备齐全。
9. 管理协调在进行施工前需要对施工过程进行管理协调,包括与相关部门的沟通协调、与业主的交涉沟通等,为施工过程提供保障。
在进行施工前需要对施工场地进行环境保护工作,包括施工过程中的噪音、尘土、废水等污染物的控制,保证施工过程对环境的影响最小。
11. 安全生产在进行施工前需要对施工过程进行安全生产管理,保障施工人员的安全,避免施工过程中的安全事故发生。
二、电力系统工程施工工艺1. 施工前准备在进行电力系统工程施工前,需要对施工现场进行清理整理,保证施工现场的整洁和安全。
2. 安装主干线路在进行电力系统工程施工时,首先需要进行主干线路的安装工作,包括布线、管线、接线等。
3. 安装配电设备在完成主干线路的安装后,需要对配电设备进行安装工作,包括开关箱、断路器、插座等。
迁改部分2、1三电迁改工程施工方案、施工方法2、1、1三电迁改工程施工方案三电迁改的主要工作内容可以分为:一就是对直接影响铁路建设的路内、外通信、电力线路、信号电缆及其它设施进行迁改,保证铁路建设的顺利进行;二就是为消除铁路建设对铁路附近各类线路与设施产生的影响而进行的迁改或防护。
各方案的设计与实施以满足铁路建设需要与保证铁路附近各类线路与设施的安全而进行。
2、1、1、1迁改方案的制定及论证由项目部总工程师、勘察设计、施工技术、作业班人员共同对铁路中心桩、标高、站场、货场等各类工程的准确位置,准确计算迁改线路的迁改距离及跨越线路的跨越高度与跨度。
同产权单位联系,使产权单位了解并熟悉跨越点的铁路施工情况,然后以迁改原则与技术标准与产权单位共同探讨协商制定迁改方案。
对制定的迁改方案进行论证,对不可行方案进行再制定再论证,以保证迁改方案一次到位。
对论证后的实施性方案,上报建设单位及监理单位审批,待批复后实施。
迁改方案批复后,同产权单位签订迁改线路施工协议,实施迁改。
2、1、1、2通信及广播线路迁改实施方案对于新建铁路引起的迁改,统筹考虑将来电气化铁路的影响,尽量作到一次完成。
使改迁后的各类通信线路及设施不仅满足土建工程施工的要求,也能符合电磁防护的技术指标。
对于确实无法一次完成迁改的通信线路,坚决做好临时过渡措施,确保通信线路的安全畅通。
1、对于在铁路地界范围内与铁路平行的路外各类电信线路,一律迁出铁路地界范围以外,同时考虑电气化铁路防护距离等技术要求,一次迁移到位;路内通信线路迁出影响土建工程施工的范围,并达到电气化防护要求。
其施工顺序如下:确定线路中心桩、标高→同产权单位确定迁改方案→复测、确定割接位置→开挖缆沟(架设杆路)→光、电缆敷(架)设、测试→工程自验→监理、产权单位验收→与既有线路割接。
2、对与铁路交叉的地埋光、电缆,在路基施工前采取在路基两侧适当距离内更换光、电缆并增加防护的方式在路基下防护通过。
其中对不同等级的光缆采取不同的迁改方式,一般本地网线路按改迁500-1000m、增加1—2个接头考虑;而各电信公司所属长途网光缆则按整盘换缆改迁2000—3000m、不增加接头设计。
施工顺序如下:确定线路中心桩、标高→同产权单位确定迁改方案→复测,确定光、电缆径路→开挖缆沟→既有光、电缆过轨防护→工程自验→监理、产权单位验收→与既有线路割接。
3、对跨越铁路的架空线路,在对应的路基点预埋钢管,然后将跨越铁路的架空线路改为地埋从路基下的钢管中通过,两头的终端杆立于征地界以外并满足与最近股道中心距离不小于1、5倍的杆高长度。
施工顺序如下:确定线路中心桩、标高→同产权单位确定迁改方案→复测→开挖缆沟、过轨钢管预埋、架空线路做终端→敷设过轨光、电缆→线路测试→工程自验→监理、产权单位验收→与既有架空线路割接。
4、对桥梁工程引起容量大、规格高的主要通信干线,尤其就是多孔通信管道、长途地埋通信光缆及燃气管道,尽量与相关单位协商,制定切实可行的避绕墩台方案或保护措施。
2、1、1、3电力线路迁改实施方案1、10KV及低压电力线路10KV及低压电力线路迁改主要分为交叉跨越与平行电力线路的迁移两种方式。
10KV及低压电力线路交叉跨越,全部改为电缆穿钢管过轨。
穿管采用热镀锌直缝钢管,电缆采用交联聚乙烯铠装铜芯电缆,截面留有发展余量或符合当地电网发展要求。
电缆过轨时钢管的预埋采用顶管及挖沟预埋两种方式结合。
为便于维修与事故抢修,减少其对路基的影响,每处穿管过轨采用两根钢管保护管(一根穿缆、一根备用),在穿过路基时采用机械顶管方式。
穿管采用热镀锌直缝钢管,其内径应不小于管内电缆外径的1、5倍,管壁厚度≥4mm,路基以下的接头采用钢性连接(螺纹套管或焊接)。
当敷设长度超过40m时,钢管做防涡流处理(顺钢管开槽)。
主要施工步骤:确定线路中心桩、标高→同产权单位确定迁改方案→复测→开挖缆沟、过轨钢管预埋、顶管过轨→敷设过轨电缆→电缆做终端、测试→工程自验→监理、产权单位验收→与既有线路倒接、拆除旧线路、清理场地。
10KV及0、38KV平行电力线路的迁移,具备路径条件并能满足平行接近距离要求的,采用架空线路迁改的方案;不具备路径条件及不能满足平行接近距离要求的采用地埋电缆迁改的方案。
主要实施步骤:确定线路中心桩、标高→同产权单位确定迁改方案→复测→大小运电杆、三盘→基坑开挖→电杆组立→金具组装→拉线制安→导线架设→工程自验→监理、产权单位验收→与既有线路倒接、拆除旧线路、清理场地。
2、35KV及以上电力线路35KV及以上电力线路与铁路交叉跨越,采用原路径升高的施工方式,对于如有在进站信号机内跨越铁路的迁改时应采用平移、绕行的方式进行。
架空线路迁改的方案主要施工步骤如下:确定线路中心桩、标高→同产权单位确定迁改方案→复测→开挖基坑→浇制基础、养护→组立铁塔、搭设跨越架→停电拆除旧线架设新线→工程自验→监理、产权单位验收→与既有线路倒接、送电运行、清理场地。
2、1、1、4信号迁改工程施工方案按照对本工程的总体定测,我单位项目经理部将及时组织工程技术人员、施工负责人,并邀请建设单位、设计单位、监理单位、运营单位等进行设计文件会审、设计交底与现场定测,确定电缆径路与设备位置。
同时在建设单位与监理单位的指导下,与有关单位签订相关协议,确保信号电缆迁改工程安全顺利进行。
新建线路可能占用既有车场或线路,或与既有线路并行,原信号联锁电缆可能被线路填埋,也可能接触网支柱基础需占用的,既有电缆及箱盒需要迁移与防护。
信号迁改一般采用以下原则:新线位可能填埋的电缆,则受影响电缆终端盒或分向盒需移设于线路另一侧。
原设于路肩的电缆,不需移设,但需采用钢管防护。
受桥梁桩基、支柱基础影响的电缆,从电缆终端盒或分向盒新设电缆绕行。
对施工人员进行详细的技术交底,内容包括施工图纸要求、有关技术规定、操作程序、工序之间的配合、施工工艺、安全质量应注意的事项等。
2、1、2三电迁改施工工艺及方法2、1、2、1通信线路迁改施工工艺与方法1、通信架空线路迁改施工工艺与方法拆迁径路复测:根据线路控制点(线路起点、转角点、终点)结合现场地形条件,确定线路走向。
定测时掌握各杆位处的土壤情况及周围环境情况,避免电线路起伏太大,避开易被河流、雨水冲刷地带。
利用经纬仪确定该段线路中心线,用测量绳沿中心线延伸,按设计档距,在经纬仪的指挥下,确定直线杆的中心桩,转角杆定位时,除中心桩外,沿线路方向分别打辅桩,用角平分法测出拉线坑位置。
在中心桩侧面写杆号,记录人员做好记录。
将线路测量采集的数据,进行整理 ,建立详细的线路定测台帐。
单盘测试、配盘同直埋光、电缆线路施工方法。
开挖电杆坑:根据测量的径路开挖杆坑,坑深符合设计与规范规定。
开挖采用人工开挖方式,依照画好的坑口尺寸及所规定的坑深,使用锹与镐进行挖掘,先挖坑中间,再修坑四壁。
马道在电杆侧开挖,长度大于坑深,开挖完成后用标杆与钢卷尺检查坑深。
电杆大小运:大运采用载重汽车运输,小运采用人力牵引运杆专用平板车运输。
运输前对运输工器具进行检查,保证安全运输。
同时依据定测台帐对运输区段内电杆型号规格进行核实,保证电杆到位的准确性。
电杆堆放选择在交通方便处所,便于小运,不占或少占农田。
大运卸杆时,制定安全保护措施,保证人力,电杆运输工具的安全。
电杆装卸条件具备时采用机械装卸。
卸杆如无机械时,电杆两侧放制滚杆,并用麻绳作防护,分批卸下电杆,杜绝自由滚落。
全部卸下后,检查电杆的质量,清点数量、规格,做好记录。
小运电杆,由电杆堆集地,依据定测台帐,采用人力牵引炮车或人力抬运至每个杆位。
电杆组立及编号:在电杆到场后,组立前对电杆要严格进行外观检查,电杆规格、长度符合设计与定测后确定的长度。
立杆采用起重吊车结合人力组立,电杆整正采用人力整正。
在土质松软处角深大于5米的角杆、终端杆、分线杆的杆底均加垫底盘。
河滩及塘边杆根缺土的电杆,做护墩保护。
杆号写在面向杆路所沿着的道路一侧,编号与既有杆路方法相同;一根电杆编一个杆号,不省略,也不增添虚号。
拉线制安:根据施工规范要求,对需加固的电杆,装设拉线。
拉线的规格、埋深、位置、角度要符合规范要求。
在无法装设拉线的地点,用撑杆加固。
吊线架设:在吊线架设前,检查吊线的规格程式、吊线夹板、穿钉符合设计要求;吊线夹板的安装、吊线架设以人力为主;吊线夹板安装位置正确、牢固、端正,吊线架设严格按设计及规范要求。
吊线坡度变更不大于1/40杆距。
吊线垂度根据负荷区、杆距与电缆的质量与温度确定,垂度偏差以未挂设电缆时的原始垂度为准,符合规范要求。
吊线在一个杆档内只有一个接头;在长杆档内的正吊线与辅助吊线保证无接头。
电缆架设、防护:缆的运输采用汽车运输。
架设采用人力与机械相结合的方法架设,采用“预挂挂钩牵引法”或“动滑轮边放边挂法”或“定滑轮牵引法”。
过角杆时在角杆两旁挂设滑轮。
敷设时匀速牵引,不突然起动或停止,以防损伤电缆。
电缆敷设无蛇弯扭曲。
在接头处、转角杆处、防护处设专人,保证电缆的弯曲半径及余留量,防止损伤电缆。
挂钩间隔一般为500mm,挂钩方向一致,挂设后的电缆垂度符合规范规定。
防雷:线路在终端杆、引上杆、分岐杆、角深大于1米的角杆及郊区直线路每隔5~10根电缆装设避雷线。
电杆地线采用大于4、00mm镀锌钢线,地线在电杆中时,高出杆顶部150~200mm,并保证顶端尖锐镀锡。
架空吊线在两端及第隔5根电杆处,与电缆的金属扩套连通焊牢并接地。
架空光缆在接头处的金属护套、加强芯施工要求符合产权单位原有线路标准。
中间头接续:接续方法同电缆线路。
接头在杆上固定牢固,两侧余留符合规范的要求。
线路的割接:割接施工基本安排在夜间进行,以减少对运营的影响,将损失降到最小。
施工由项目经理部总工程师负责,给点前,首先将新敷设的电缆开剥完成,并做好一切施工准备工作;给点后,将既有线路断开并将光、电缆开剥;芯线接续时按紧急、重要、次重要、一般的顺序进行。
施工方法同接续施工方法。
2、通讯线路跨越铁路施工方法拆迁径路复测:根据线路结合现场地形条件,确定线路走向。
定测时掌握跨越处的土壤情况及周围环境情况。
将线路测量采集的数据,进行整理 ,建立详细的线路定测台帐。
单盘测试、配盘同直埋光、电缆线路施工方法。
线路过轨道:在新建路基过缆位置预埋电缆保护管;为确保行车、人身安全,避免道床污染,提高工作效率,我们将采取顶管办法使电缆保护管穿过既有轨道。
首先选好电缆过道位置。
计算出电缆保护管长度,确定好保护管两端头位置。
在两端头位置开挖顶管作业坑,支设顶管作业机,将电缆保护管顶过轨道或路面到达对面作业坑。
将敷设电缆穿过电缆保护管,密封保护管两端口并加以防护。
分层夯实回填好作业坑及两端连接处电缆沟。
开挖终端电杆坑:根据测量开挖杆坑,坑深符合设计与规范规定。