重力式挡土墙设计----计算过程
- 格式:doc
- 大小:60.50 KB
- 文档页数:5
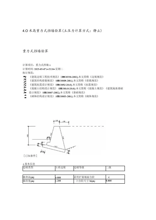
4.O 米高重力式挡墙验算(土压力计算方式:静止)重力式挡墙验算计算项目:重力式挡墙1计算时间:2023-03-0714:32:04星期二 执行规范:《建筑边坡工程技术规范》(GB50330-2002),本文简称《边坡规范》 《建筑结构荷载规范》(GB50009-2001),本文简称《荷载规范》 《建筑抗震设计规范》(GB500U-2010),本文简称《抗震规范》《混凝土结构设计规范》(GB50010-2010),本文简称《混凝土规范》《建筑地基基础设计规范》(GB50007-2002),本文简称《基础规范》《砌体结构设计规范》(GB50003-2001),本文简称《砌体规范》[已知条件] 1.基本信息边坡类型 土质边坡 边坡等级 二级墙身高(m) 4.000 采用扩展墙趾台阶 √ 墙顶宽(m)1.200卜台阶尺寸bl(m)0.600]TJ TJ TJ TJ TJ 1 2 3 4 5 6 ΓL ΓL ΓL ΓL ΓL ΓL3.荷载信息场地环境一般地区土压力计算方法静止[计算内容](1)墙身力系计算(2)滑动稳定性验算(3)倾覆稳定性验算(4)地基承载力及偏心距验算(5)基础强度验算(6)墙底截面强度验算(7)台顶截面强度验算[计算结果]一、【组合1】(一)作用在挡土墙上的力系计算1岩土压力计算(1)合力按假想墙背计算静止土压力:Ea=153.131(kN)Ex=153.131(kN)Ey=O.000(kN)作用点高度Zy=I.671(m)(2)分布岩土压力分布见左侧结果图。
2墙身重力计算墙身截面积=11.085(m2)重量=277.133(kN)重心至墙趾的水平距离=2.213(m)3墙背与假想墙背之间土楔重(包括超载)=62.834(kN)重心坐标⑵036,T.671)(相对于墙面坡上角点)(二)滑动稳定性验算基底摩擦系数=0.200因墙下基础为钢筋混凝土底板,所以需要验算基础底面的滑移稳定性基础截面积=2.947(m2)基础重量Wj=73.671(kN)采用倾斜基底增强抗滑动稳定性,计算过程如下:基底倾斜角度=14.036(度)总竖向力=413.638(kN),在基底面的法向分量=401.288(kN),切向分量=100.322(kN)总水平力二153.131(kN),在基底面的法向分量二37.140(kN),切向分量二148.559(kN)滑移力=48.237(kN)抗滑力=87.686(kN)滑移验算满足:KC=1.818>1,300地基土摩擦系数=0.500地基±±楔重=58.600(kN)地基土层水平向:滑移力=153.131(kN)抗滑力=236.119(kN)地基土层水平向:滑移验算满足:K c2=1.542>1,300(三)倾覆稳定性验算相对于墙趾点:墙身重力的力臂=2.213(m)Ey的力臂=4.053(m)EX的力臂=0.658(m)墙背与第二破裂面(或假想墙背)之间土重的力臂=3.636(m)基础为钢筋混凝土底板,验算挡土墙绕基础趾点倾覆稳定性基础截面积=2.947(m2)基础重量Wj=73.671kN基础重心距离基础趾点的水平距离=2.516(m)倾覆力矩=160.150(kN-m)抗倾覆力矩=1340.486(kN-m)倾覆验算满足:Ko=8.370>1.600(四)地基承载力及偏心距验算基础类型为钢筋碎底板,验算底板下偏心距及压应力基础截面积=2.947(m2)基础重量Wj=73.671(kN)取倾斜基底的倾斜宽度验算地基承载力和偏心距相对于墙趾点:总竖向力(标准值)=438.428(kN)总弯矩(标准值)=1180.336(kN-m)力臂Zn=2.692(m) 基础底面宽度B=4.97基In)偏心距e=-0.203(m)(右偏)作用于基底的合力偏心距验算满足:e=0.203≤0.250X4.978=l.245(m)基底压力(标准值):墙趾=66.506(kPa)墙踵=109.638(kPa)地基平均承载力验算满足:Pk=88.072≤f a=150.000(kPa)基础边缘地基承载力验算满足:Pi=IO9.638W1.2f∙=l.2X150.000=180.000(kPa)(五)基础强度验算基础为钢筋混凝土底板,需要作强度验算基础截面积=2.947(m2)基础重量Wj=73.671(kN)取倾斜基底的倾斜宽度验算地基承载力和偏心距基础底面宽度B=4.97基In)偏心距e=-0.203(m)(右偏)基础底面合力作用点距离趾点的距离Zn=2.692(m)基础底压力(设计值):趾部=66.506(kPa)踵部=109.638(kPa)悬臂根部=73.437(kPa) 重要性系数Yo=1.000混凝土底板基础悬臂端部强度验算:截面高度:H'=0.600(m)截面弯矩:M=10.337(kN-m)截面剪力:Q=27.342(kN)纵向受拉钢筋:AS=&aιfebho∕f y=52mm2P=0.01%<P Mln=0.20%按构造配筋As=1200mm2抗剪截面验算:V=27.34kN<0.250BCfCbhO=I636.25kN截面满足抗剪承载力验算:27.34(kN)≤0.7βh ftbho=488.95(kN)满足(六)墙底截面强度验算1岩土压力不重新计算2墙身重力计算墙身截面积=9.160(m2)重量=229.000(kN)重心至墙趾的水平距离=2.128(m)3墙背与假想墙背之间土楔重(包括超载)=40.000(kN)重心坐标(1.867,T.333)(相对于墙面坡上角点)4截面验算相对于验算截面外边缘:墙身重力的力臂=2.128(m)Ey的力臂=3.636(m)EX的力臂=0.658(m)相对于截面趾点:总竖向力(设计值)=267.283(kN)总弯矩(设计值)=525.827(kN-m)力臂Zn=1.967(m)截面宽度B=3.800(m)偏心距e=-0.067面)(右偏)截面上偏心距验算满足:e=0.067≤0.225X3.800=0.855(m)重要性系数YO=1.000验算截面上的轴向压力设计值N=267.283(kN)素混凝土构件的稳定系数6=1.000每沿米混凝土受压区面积A'c=3.935(m2)素混凝土轴心抗压强度设计值=10115.0(kPa)受压承载力验算满足:YON=267.283<Φf c<A,c=39798.645(kN)重要性系数Yo=1.000验算截面上的剪力设计值V=38.283(kN)轴向压力设计值N=267.283(kN)挡墙构件的计算截面每沿米面积A=3.800(m2)素混凝土轴心抗拉强度设计值L=698.500(kPa)计算截面的剪跨比入=1.5受剪承载力验算满足:YoV=38.283<1.75ftbh√(λ+l)=1858.010(kPa)(七)台顶截面强度验算1岩土压力计算按假想墙背计算静止土压力:Ea=70.431(kN)Ex=7O.431(kN)Ey=O.000(kN)作用点高度Zy=L133(m)2墙身重力计算墙身截面积=6.970(m2)重量=174.250(kN)重心至墙趾的水平距离;1.450(m)3墙背与假想墙背之间土楔重(包括超载)=28.900(kN)重心坐标(1.767,T.133)(相对于墙面坡上角点)4截面验算相对于验算截面外边缘:墙身重力的力臂=1.450(m)Ey的力臂=2.617(m)EX的力臂=1.133(m)相对于截面趾点:总竖向力(设计值)=191.858(kN)总弯矩(设计值)=218.914(kN-m)力臂Zn=1.141(m)截面宽度B=2.900(m)偏心距e=0.309(m)(左偏)截面上偏心距验算满足:e=0.309≤0.225X2.900=0.653(m)重要性系数YO=1.000验算截面上的轴向压力设计值N=191.858(kN)素混凝土构件的稳定系数4>=1.000每沿米混凝土受压区面积A'c=2.282(m2)素混凝土轴心抗压强度设计值fe=10115.0(kPa)受压承载力验算满足:YON=191.858<Φfc<Λ,c=23082.844(kN)重要性系数YO=1.000验算截面上的剪力设计值V=17.608(kN)轴向压力设计值N=191.858(kN)挡墙构件的计算截面每沿米面积A=2.900(m2)素混凝土轴心抗拉强度设计值*=698.500(kPa)计算截面的剪跨比人=1.5受剪承载力验算满足:YoV=17.608<1.75f l bho∕(λ+l)=1417.955(kPa)二、【组合2】(一)作用在挡土墙上的力系计算1岩土压力计算(1)合力按假想墙背计算静止土压力:Ea=153.131(kN)Ex=153.131(kN)Ey=O.000(kN)作用点高度Zy=I.671(m)(2)分布岩土压力分布见左侧结果图。
重⼒式挡⼟墙计算实例重⼒式挡⼟墙计算实例⼀、计算资料某⼆级公路,路基宽8.5m ,拟设计⼀段路堤挡⼟墙,进⾏稳定性验算。
1.墙⾝构造:拟采⽤混凝⼟重⼒式路堤墙,见下图。
填⼟⾼a=2m ,填⼟边坡1:1.5('?=4133β),墙⾝分段长度10m 。
2.车辆荷载:⼆级荷载3.填料:砂⼟,容重3/18m KN =γ,计算内摩擦⾓?=35?,填料与墙背的摩擦⾓2?δ=。
4.地基情况:中密砾⽯⼟,地基承载⼒抗⼒a KP f 500=,基底摩擦系数5.0=µ。
5.墙⾝材料:10#砌浆⽚⽯,砌体容重3/22m KN a =γ,容许压应⼒[a σ]a KP 1250=,容许剪应⼒[τ]a KP 175=⼆、挡⼟墙尺⼨设计初拟墙⾼H=6m ,墙背俯斜,倾⾓'?=2618α(1:0.33),墙顶宽b 1=0.94m ,墙底宽B=2.92m 。
三、计算与验算1.车辆荷载换算当m 2≤H 时,a KP q 0.20=;当m H 10≥时,a KP q 10=由直线内插法得:H=6m 时,()a KP q 1510102021026=+---= 换算均布⼟层厚度:m r q h 83.018150=== 2.主动⼟压⼒计算(假设破裂⾯交于荷载中部)(1)破裂⾓θ由'?==?='?=30172352618?δ?α,,得: '?='?+'?+?=++=56703017261835δα?ω149.028.77318.2381.1183.022*********.024665.0383.025.1222222000-=-=?+++'??++-+?+??=+++++-++=))(()()())(()()(tg h a H a H tg h a H H d b h ab A α 55.0443.3893.2149.0893.2893.2428.1893.2149.056705670355670=+-=-++-=-'?'?+?+'?-=+++-=))(())(())((tg tg ctg tg A tg tg ctg tg tg ωω?ωθ'?=?=492881.28θ验核破裂⾯位置:路堤破裂⾯距路基内侧⽔平距离:m b H t gtg a H 4.3333.0655.0)26()(=-?+?+=-++αθ荷载外边缘距路基内侧⽔平距离: 5.5+0.5=6m因为:0.5〈3.4〈6,所以破裂⾯交于荷载内,假设成⽴(2)主动⼟压⼒系数K 和1K152.2261855.055.0231='+-=+-=tg tg tg atg b h αθθ566.0261855.05.02='?+=+=tg tg tg d h αθ 282.3566.0152.26213=--=--=h h H h395.0261855.0()56704928sin()354928cos(()sin()cos(=?+'?+'??+'?=+++=))tg tg tg K αθωθφθ698.1151.0547.016282.383.02)12152.21(6412)21(21223011=++=??+-+=+-+=H h h H h H a K (3)求主动⼟压⼒a E 及⼟压⼒的作⽤点KN KK a 31.217698.1395.06182121212==H =E γ KN E a x 96.175)30172618cos(31.217)cos(='?+'??=+E =δαKN E a y 53.127)30172618sin(31.217)sin(='?+'??=+E =δαmK H H h h h h H a H Z x 13.2129.02698.163)62282.33(282.383.0)152.26(2363)23()(3221233021=+=-??+-+=-+-+= m tg tg Z B Z x y 22.2261813.292.2='??-=-=α因基底倾斜,⼟压⼒对墙趾的⼒臂x Z 改为:m B Zx x Z 55.12.092.213.2tan 0=?-=?-='α3.稳定性验算⼀般情况下,挡⼟墙的抗倾覆稳定性较容易满⾜,墙⾝断⾯尺⼨主要由抗滑稳定性和基底承载⼒来控制,故选择基底倾斜1:5('?=18110α)(1)计算墙⾝重G 及⼒臂ωZ (取墙长1m 计)KNtg Btg B H B b A G a a 2362285.058.1122]181192.292.221)92.294.0(3[1]21)(21[01=?-=?'-+?=???-+==)(γαγ由⼒矩平衡原理:a G B Ab B b A b A G γ??--+?+?=Z ?]3)3(2[311211 (其中:H b A 11=,)(2112b B H A -=,1321Bh A =)则:22]392.2181192.292.221)394.092.294.0()94.092.2(621294.0694.0[236??'--+?-??+??=Z ?tg G m G 05.1=Z(2)抗滑稳定性验算xQ Q x y Q y E G E G E ≥+++E +1001t a n )1.1(]t a n (1.1[1γαγµαγ,(5.0,4.11==µγQ ) '+?+??+?+?=+++E +1811)53.1274.12361.1(5.0]2.096.17553.127(4.12361.1[tan )1.1()]tan (1.1[0011 tg E G E G y x y Q Q αγµαγ34.331=34.24696.1754.11=?=E X Q γanghuak331.34 〉246.34,故满⾜抗滑稳定性的⽅程。
1234567891011墙高-H填土高填土容重-γ填土内摩擦角-φ墙背俯角-ε墙背摩擦角-δ基底摩擦系数-fβ墙顶宽-B 1B 2B3m m kN/m 3度度度701835 2.8624117.5000.41.20180.6110.0500.3050.400.80.860.88670180.6110.0500.3050.400.8ctgα=0.5572l 0=0.73a 0.554b 2.55c2.7370.7313S= 2.920513.69>151取15mA=0.6854788ΣG=150h0=0.7625Ka=(cos 2(φ-ε)/(cosε*(cos(δ+ε)*(1+sqrt((sin(δ+φ)*sin(φ-β))/(cos(δ+ε)*cos(ε-β)))^2)a. 破坏棱体长度 l 0=ctgα=-tg (φ+δ+ε)+SQR ((ctgφ+tg (φ+δ+ε))(tg (φ+δ+ε)-tgε))L=L 0+a+Htg30°=(破坏棱体长度内布一辆半重车)土压力系数 Kah 0=ΣG/(γ*l 0*L)设计资料1.(1)计算破裂棱体长度 l 0l 0=H (tgε+ctgα)b. 荷载纵向分布长度 L汽车-超20级 L 0+a=2. 土压力1) 汽车-超20级换算等代均布土层厚 h 0Ka=0.266E A =7.83kN 7.34kN 2.73kN(1)Cx=0.512d=Htgε=0.06d 1=h 0tgε=0.04Cy=0.0256土压力作用点位置,及转换对O 点的力矩)E AY = E A sin( δ+ε)=E AX =E A cos( δ+ε)=3. 土压力对验算截面产生的弯距E A =(1/2)γ*H*(H+2h 0)*L*KaCx=(H/3)*(H+3*h 0)/(H+2*h 0)Cy=(d/3)*(d+3*d 1)/(d+2*d 1)4.设计挡墙截面、断面尺寸及各部弯距。
墙体重度γq=25KN/M3车载:汽20,挂100墙后填土:采用砂砾石填筑填土重度γt=19.5KN/M3填土倾角β=0度0填土内摩擦角φ=36.5度0.637045填土与墙体摩擦角δ=0度0车载换算土层厚度:h换=0.8m基地表面与墙体摩擦系数:f=0.45挡土墙基本形式:h1= 3.6mh2=0.6mh3=0.3mb0=0.5mb1=0.4m坡比m=0.4b2= 1.32mb3=0.4m墙背与铅直线的夹角:ε=21.80135度0.380505土压力计算:Pa=105.853KN/M与铅直线有夹角ψ=68.19865度 1.19029则水平土压力为Za=98.28169KN/M水平力作用点:za= 2.2m铅直作用力计算:铅直土压力Ga=39.31268KN/M与端点距离Wga= 1.76m墙体各部分自重及距端点距离:G1= 3.75KN/MW1=0.65mG2=95.7KN/MW2= 1.34mG3=39.3KN/MW3= 1.31m墙体上部各部分土重及距端点距离:G t1=10.062KN/MWt1= 1.76mG t2=42.471KN/MWt2= 1.78mG t3=25.74KN/MWt3= 2.42m抗滑稳定计算:最小安全系数为1.3 Kc=NY*f/Za 1.173678抗倾覆稳定计算:水平力矩:MH=216.2197KN/M*M铅直力矩:MY=406.9471KN/M*M安全系数KN=MY/MH 1.8821最小安全系数1.5偏心距及基底应力:ZN=(MY-MH)/NY0.744053偏心距e=0.565947基地应力:ζ1,2ζ1,2=N/B*(1+/-6*e/B)224.6421Kpa-28.9661Kpa弧度弧度弧度弧度弧度。
计算项目:重力式挡土墙2m原始条件:墙身尺寸:墙身高:2. OOO(m)墙顶宽:0. 800 (m)面坡倾斜坡度:1:0.250 背坡倾斜坡度:1:-0.250 采用1个扩展墙址台阶:墙趾台阶bl: 0. 300(m) 墙趾台阶hl: 0. 500(m) 墙趾台阶与墙面坡坡度相同墙底倾斜坡率:0.200:1物理参数:行工砌体容重:24. 000(kN∕m3)垮工之间摩擦系数:0.400地基土摩擦系数:0∙ 700墙身砌体容许压应力:2100.000(kPa) 墙身砌体容许剪应力:110. 000(kPa) 墙身砌体容许拉应力:150. 000 (kPa) 墙身砌体容许弯曲拉应力:280. 000(kPa)场地环境:浸水地区墙后填土内摩擦角:30. 000(度)墙后填土粘聚力:0. 000 (kPa)墙后填土容重:20. 500(kN∕m3)墙背与墙后填土摩擦角:15. 000(度) 地基土容重:25.200(kN∕m3)修正后地基承载力特征值:300. 000 (kPa) 地基承载力特征值提高系数:墙趾值提高系数:1.200墙踵值提高系数:1.300 平均值提高系数:LOOO 墙底摩擦系数:0.300 地基土类型:土质地基地基土内摩擦角:30. 000(度)墙后填土浮容重:9. 000(kN∕m3)地基浮力系数:0.700 土压力计算方法:库仑坡线土柱:坡面线段数:1折线序号水平投影长(m) 竖向投影长(m) 换算土柱数1 5.000 0.000 1第 1 个:距离0. 000 (m),宽度5. 000 (m),高度0. 250 (m)坡面起始距离:0.000 (m)地面横坡角度:0.000(度)填土对横坡面的摩擦角:30. 000(度)墙顶标高:0. 000 (m)挡墙内侧常年水位标高:0.000(m)挡墙外侧常年水位标高:0.000 (m)第1种情况:一般情况[土压力计算]计算高度为2. 21(Km)处的库仑主动土压力按实际墙背计算得到:第1破裂角:38. 937(度)Ea=7. 109 (kN) Ex=7. 108 (kN) Ey=O. 120 (kN)作用点高度Zy=O. 862 (m) 墙身截面积=1.865 (m2)重量=44. 766 (kN)地下水作用力及合力作用点坐标(相对于墙面坡上角点)X分力(kN) Y分力(kN) Xc(m) Yc (m) 墙面坡侧:20.00 -9. 50 -0. 49 -1.33墙背坡侧:-24.41 6.10 0. 43 -1.47墙底面: 3. 09 15.43 -0. 27 -2. 11 (-*)滑动稳定性验算基底摩擦系数=0. 300采用倾斜基底增强抗滑动稳定性,计算过程如下:基底倾斜角度=11.310 (度)Wn = 32. 093 (kN) En = 1.771 (kN) Wt = 6. 419 (kN) Et = 8. 244 (kN)滑移力=1.825 (kN)抗滑力=10. 159 (kN)滑移验算满足:Kc = 5. 566 > 1.300地基土层水平向:滑移力=8. 431 (kN)抗滑力=23. 762(kN)地基土层水平向:滑移验算满足:Kc2 = 2.818 > 1.300(二)倾覆稳定性验算相对于墙趾点,墙身重力的力臂Zw = 0. 876 (m)相对于墙趾点,Ey的力臂Zx = 1.263 (m)相对于墙趾点,EX的力臂Zy = 0. 652 (m)验算挡土墙绕墙趾的倾覆稳定性倾覆力矩=33. 564 (kN-m)抗倾覆力矩=55. 624 (kN-m)倾覆验算满足:KO = 1.657 > 1.600(H)地基应力及偏心距验算基础类型为天然地基,验算墙底偏心距及压应力取倾斜基底的倾斜宽度验算地基承载力和偏心距作用于基础底的总竖向力=33. 864(kN)作用于墙趾下点的总弯矩=22.060(kN-m)基础底面宽度 B = 1.068 Gn)偏心距 e = ∣-0. 117∣(m) = 0. 117(m)基础底面合力作用点距离基础趾点的距离Zn = 0. 651 (m)基底压应力:趾部=10. 826踵部=52. 568 (kPa)最大应力与最小应力之比=52. 568 / 10. 826 = 4. 856作用于基底的合力偏心距验算满足:e=-0. 117 <= 0. 250*1.068=0. 267(m)墙趾处地基承载力验算满足:压应力=10. 826 <= 360. 000 (kPa)墙踵处地基承载力验算满足:压应力=52. 568 <= 390. 000 (kPa)地基平均承载力验算满足:压应力=31. 697 <= 300. 000(kPa)(四)基础强度验算基础为天然地基,不作强度验算 (五)墙底截面强度验算地下水作用力及合力作用点坐标(相对于墙面坡上角点)X 分力(kN) Y 分力(kN) Xc(m) Yc (m) 墙面坡侧:20.00 -9.50 -0.49 -1.33墙背坡侧:-20.00 5.00 0.47 -1.33验算截面以上,墙身截面积=1.750 (m2)重量=42. 000 (kN) 相对于验算截面外边缘,墙身重力的力臂Zw = 0. 887 (m) 相对于验算截面外边缘,Ey的力臂Zx = 1.263 (m) 相对于验算截面外边缘,EX的力臂Zy = 0. 652 (In)[容许应力法]:法向应力检算:作用于验算截面的总竖向力=46. 620(kN)作用于墙趾下点的总弯矩=29.342(kN-m)相对于验算截面外边缘,合力作用力臂Zn = 0. 629(m)截面宽度 B = 1. 100 (m)偏心距el = 1-0. 079 (m) = 0. 079(m)截面上偏心距验算满足:CI= -0. 079 <= 0. 300*1. 100 = 0. 330(m)截面上压应力:面坡=24. 032背坡=60. 732 (kPa)压应力验算满足:计算值=60. 732 <= 2100.000(kPa)切向应力检算:剪应力验算满足:计算值=-10. 491 <= 110.000(kPa)(六)台顶截面强度验算[土压力计算]计算高度为1.5OoGn)处的库仑主动土压力按实际墙背计算得到:第1破裂角:38. 937(度)Ea=3. 804 (kN) Ex=3. 803 (kN) Ey=O. 064 (kN)作用点高度Zy=O. 608 (m)[强度验算]地下水作用力及合力作用点坐标(相对于墙面坡上角点)X分力(kN) 丫分力(kN) Xc (m) Yc (m)墙面坡侧:11.25 -2.81 -0. 25 -1.00墙背坡侧:-11.25 2.81 0. 55 -1.00验算截面以上,墙身截面积二 1.200 (m2) 重量=28. 800 (kN)相对于验算截面外边缘,墙身重力的力臂Zw = 0. 587 (m)相对于验算截面外边缘,Ey的力臂Zx = 0. 952 (m)相对于验算截面外边缘,EX的力臂Zy = 0. 608 (m)[容许应力法]:法向应力检算:作用于验算截面的总竖向力=28.864(kN)作用于墙趾下点的总弯矩=12.419(k2m)相对于验算截面外边缘,合力作用力臂Zn = 0. 430(m)截面宽度 B = 0. 800 (m)偏心距el = ∣-0. 030 (m) = 0. 030(m)截面上偏心距验算满足:el= -0. 030 <= 0. 300*0. 800 = 0. 240(m)截面上压应力:面坡=27. 890背坡=44. 270 (kPa)压应力验算满足:计算值=44. 270 <= 2100. OOO (kPa)切向应力检算:剪应力验算满足:计算值=-9. 678 <= 110. OOO (kPa)各组合最不利结果(一)滑移验算安全系数最不利为:组合1(一般情况) 抗滑力=10. 159(kN),滑移力=1.825(kN) O 滑移验算满足:Kc = 5. 566 > 1,300安全系数最不利为:组合1(一般情况)抗滑力=23. 762(kN),滑移力=8. 431 (kN) 0地基土层水平向:滑移验算满足:Kc2 = 2.818 > 1.300(二)倾覆验算安全系数最不利为:组合1(一般情况)抗倾覆力矩=55.624(kN-M),倾覆力矩=33. 564(kN-m)o倾覆验算满足:KO = 1.657 > 1.600(H)地基验算作用于基底的合力偏心距验算最不利为:组合1 (一般情况)作用于基底的合力偏心距验算满足:e=0. 117 <= 0. 250*1.068:0. 267(m)墙趾处地基承载力验算最不利为:组合1(一般情况)墙趾处地基承载力验算满足:压应力=10. 826 <= 360. 000 (kPa)墙踵处地基承载力验算最不利为:组合1(一般情况)墙踵处地基承载力验算满足:压应力=52. 568 <= 390. 000 (kPa)地基平均承载力验算最不利为:组合1 (一•般情况)地基平均承载力验算满足:压应力=31. 697 <= 300. 000(kPa)(四)基础验算不做强度计算。
设计的重力式挡土墙墙高为6m 。
采用M5水泥砂浆,Mu 毛石砌筑的毛石挡土墙,其重度为322/KN m γ=。
基础底面地基与地基摩擦系数为0.3。
(2)荷载计算1)土压力计算沿墙体延伸方向取一延长米。
由于地面水平,墙背竖直且光滑,土压力计算选用郎肯理论公式计算:主动土压力系数:22122219tan (45)tan (45)0.5092217tan (45)tan (45)0.54822oo oa o o o a K K ϕϕ=-=-==-=-= 地面活荷载k p 的作用,采用等代土层厚度0/56/16.5 3.394k t h p m γ===。
560.50928.504223042.807a qK kpkp =⨯==⨯=12a qK <压力强度时,填土表面将开裂,开裂深度c z 可按下列公式求解:15616.51.703c q z mγ=-=-=此时,填土表面以下深度Z 处主动土压力强度az p 可分为两种情况:(1) 当c z z <时在计算点的深度z 小于填土的开裂深度c z 时,主动土压力强度均等于零,即0az p =。
(2) 当c z z >时在计算点处的主动土压力强度az p 可按下式计算1112az a a p qk zk c γ=+-在地下水面1 3.6z H m ==处,故该处的土压力强度为111112560.50916.5 3.60.50923015.93aH a a p qk H k c kpaγ=+-=⨯+⨯⨯-⨯=在地下水面以下部分的土层中,地下水面以下深度'z 处的主动土压力强度为:'''211222az a a a p qk H k z k c γγ=++-(1) 当'z =0时,为地下水面高程处,该处的主动土压力强度为:12112218.823az a a p qk H k c kpa γ=+-=(2) 当'2 2.4z H m ==时,为挡土墙强踵高程处,该处的主动土压力的强度为:'2211222az a a a p qk H k H k c γγ=++-'318108/sat wKN m γγγ=-=-=所以,地下水位以下2 2.4H m =处D 点的主动土压力强度为:'22112232560.54816.5 3.60.5488 2.40.54823029.345/az a a a p qk H k H k c KN m γγ=++-=⨯+⨯⨯+⨯⨯-⨯=可得土压力强度分布图如下:15.93218.82329.3450δb δa5.0m0.0m -1.0m 图6.2 静止时土压力分布图(Kpa )对于地下水面以上填土层由均布荷载q 产生的主动土压力被完全抵消,只剩下由填土自重及粘聚力C 产生的主动土压力的合力1aH P,这部分的主动土压力为: 21111221()2116.5(3.6 1.703)0.509215.111/az c a P H z k KN m γ=-=⨯⨯-⨯= 地下水位以下部分填土层产生的主动土压力还是由四部分组成,2122'22112212257.801/aH aq aH H aH aca a a p p p p p qH k H H k H k cH KN mγγ=++-=++-=作用于挡土墙立臂上的总主动土压力为:121111()57.801272.912/a a aHc P P P H z ka KN mγ=+=-+=4.2.1.1 截面尺寸的选择顶宽采用/86/80.75 h m ==,由于墙后填土受荷载较大,取1m ; 底宽采用1/23H m =;可得初选截面尺寸如图6.1所示。
注:本文档为手算计算书文档,包含公式、计算过程在内,可供老师教学,可供学生学习。
下载本文档后请在作者个人中心中下载对(若还需要相关cad图纸或者有相关意见及建议,应Excel计算过程。
请私信作者!)团队成果,侵权必究!(温馨提示,本文档没有计算功能,请在作者个人中心中下载对应的Excel计算表格,填入基本参数后,Excel表格会计算出各分项结果,并显示计算过程!)1、挡土墙计算1.设计资料本次设计挡土墙为重力式挡土墙,选择常见的仰斜式路肩墙进行计算,如图所示,有关截面尺寸有待验算。
其中本次设计最不利位置为桩号K1+570左侧,挡土墙高度9.5米,拟定验算此处墙高,即H=9.5m。
拟定墙面和墙背坡度均为1:0.25;基底倾斜度=1:5;基底与地基土摩擦系数=0.5。
墙身砌体容重值为20.0kN/m3。
墙后填料容重值为18.3kN/m3;内摩擦角38º,墙背摩擦角19.2º。
有关墙背填料、地基土和砌体物理力学参数列于下表。
墙背填料、地基和砌体物理力学参数2.初步拟定断面尺寸断面尺寸数据表断面尺寸/mH0.344 9.5 9.156 1.83.破裂棱体位置确定(1)破裂夹角计算设计假设破裂面交于荷载范围内,则:由,因为注:1.当为路肩挡土墙时,式中a=b=0。
2.对于俯斜墙背,取正值;垂直墙背,取;仰斜墙背,取负值。
3.当荷载沿路肩边缘布置时,。
根据挡土墙破裂面位于荷载内部时破裂角的公式如下:(2)验算破裂面是否落在荷载的范围破裂棱体长度计算:车辆荷载的分布宽度计算:因为<,所以破裂面交于荷载范围内,符合拟定假设。
并列车辆数,双车道,单车道;后轮轮距,取;相邻两车辆后轮的中心间距,取;轮胎着地宽度,取。
4.荷载当量土柱高度计算设计墙高9.5m,按墙高计算附加荷载强度,按照线性内插法进行计算,求得附加荷载强度为:,求土柱高度:荷载强度q墙高H/m q/kPa 墙高H/m q/kPa20 105.土压力计算根据挡土墙破裂面交于荷载内部的土压力计算如下:()()()()()()注:、,墙背主动土压力的水平与垂直分力;6.土压力作用点的位置代表土压力作用点至墙踵的垂直距离。
重力式挡土墙设计1 设计参数几何参数:挡土墙墙高H=6m, 取基础埋置深度D=1.5m (按规范规定, D 不小于1.0m, 本设计中可取1.25m 或1.5m ), 挡土墙纵向分段长度取L=10m ;墙面与墙背平行, 墙背仰斜, 仰斜坡度1:0.2, =-11.3°(注意这个角度是负值), 墙底(基底)倾斜度tan =0.190, 倾斜角 =10.76°;墙顶填土高度 =2m, 填土边坡坡度1:1.5, =arctan (1.5) =33.69°, 汽车荷载边缘距路肩边缘 =0.5m ;力学参数:墙后填土砂性土内摩擦角 =34°, 填土与墙背外摩擦角 = /2=17°, 填土容重 =18kN/m ;墙身采用 2.5号砂浆砌25号片石, 墙身砌体容重 =22kN/m ,砌体容许压应力[ ]=600kPa,砌体容许剪应力[ ]=100kPa,砌体容许拉应力[ ]=60kPa ;地基容许承载力[0σ]=250kPa 。
2 车辆荷载换算按墙高确定的附加荷载强度进行计算γq h =0=1815=0.83 3 主动土压力计算3.1 计算破裂角θ直线形仰斜墙背, 且墙背倾角 较小, 不会出现第二破裂面。
经验算, 按破裂面交于荷载中部进行计算 a=2m,b==βtan a 667.02=3m,d=0.5m,H=6m,m h 83.00=,°34=ϕ,°17=δ, °-11.3α= 39.7δ+α+ωψ==° ﹚2h ﹙H+a ﹚﹙H+a+﹚2h 2a ﹙b+d ﹚-H ﹙H++2h 00+=ab A αtan =0.33θtan =-﹚A ω﹚﹙tan ωtan ﹙cot ±ψtan ++ϕ=0.81或-2.47(舍) 39arctan0.81θ==°3.2 计算主动土压力a E 及其作用点位置3.2.1计算主动土压力a E﹚αtan ﹙tan ﹚sin ﹙﹚﹙cos +++=θψθϕθa K =0.18αθtan tan 0+=dh =0.82mαθαtan tan tan 3+-=a b h =2.26m =--=321h h H h 2.92m=+-+=210312)21(21Hhh H h H a K 1.68 12γH 21K K E a a ==98KN ﹚δ+α﹙cos a x E E ==97.5KN y E ﹚δ+αin ﹙s E a ==9.7KN3.2.2计算主动土压力的合力作用点位置经试算, 取挡土墙顶宽 2.8m011tan tan ααb b B +==2.6912110233)23(h h -2(3K H H h h H a H Z x -++=)=2.1m αtan -Z x B Z y ==2.69+2.1×0.2=3.1m将 , 修正为 ,1X Z =01tan αb Z x -=2.1-2.8×0.19=1.57m 1y Z =αtan 11x Z b -=2.8-1.57×(-0.2)=3.11m3.3 被动土压力墙前的被动土压力忽略不计。
重力式挡土墙(土体为粘性土)
土体内摩擦角φ30土体粘聚力c0土体容重γ20毛石砌体容重γ122土对墙背的摩擦角δ15挡土墙高度H10.5挡土墙顶宽B1 1.94挡土墙底宽B2 5.55基底摩擦系数μ0.35挡土墙墙背倾角α90挡土墙基底倾角α011墙顶均布荷载q10
主动土压力系数Ka0.333333由粘聚力产生的拉力0由墙顶均布荷载产生的压力 3.333333主动土压力为0时的土深度Z0-0.5主动土压力Ea443.6666
挡土墙截面面积A36.3288挡土墙每延米自重G799.2336 Z 3.666667 一、挡土墙抗滑移稳定性验算
(Gn+Ean)μ=342.664 Eat-Gt=246.264 抗滑稳定系数 1.39145二、抗倾覆稳定性验算
挡土墙重心离墙址的水平距离X0 3.56 GX0+EazXf=3482.575 EaxZf=1109.023抗倾覆稳定系数 3.140218三、地基承载力计算
Ea在水平方向的分量428.5491 Ea在垂直方向的分量114.8294偏心距e-0.46573偏心率-0.08392基底最大应力бmax247.6194基底最小应力бmin81.77265。
重力式挡土墙设计计算一、重力式挡土墙的类型及特点重力式挡土墙通常分为俯斜式、仰斜式和直立式三种类型。
俯斜式挡土墙的墙背倾斜向下,土压力作用在墙背上的合力方向指向墙内,有利于墙体的稳定,但墙身较高时,墙背的填土需要压实,施工难度较大。
仰斜式挡土墙的墙背倾斜向上,土压力作用在墙背上的合力方向指向墙外,墙身所受的压力较小,适用于挖方工程,但墙身较高时,墙身的抗倾覆稳定性较差。
直立式挡土墙的墙背垂直,施工方便,但土压力较大,一般用于高度较小的挡土墙。
重力式挡土墙的优点是结构简单、施工方便、造价较低;缺点是体积较大、占地面积较多。
二、重力式挡土墙的设计计算内容重力式挡土墙的设计计算主要包括以下内容:1、土压力计算土压力的计算是重力式挡土墙设计的关键。
常用的土压力计算方法有库仑土压力理论和朗肯土压力理论。
库仑土压力理论适用于墙背倾斜、粗糙、填土表面倾斜的情况;朗肯土压力理论适用于墙背垂直、光滑、填土表面水平的情况。
在实际工程中,应根据挡土墙的具体情况选择合适的土压力计算方法。
2、稳定性验算稳定性验算是重力式挡土墙设计的重要内容,包括抗滑移稳定性验算和抗倾覆稳定性验算。
抗滑移稳定性验算的目的是确保挡土墙在土压力作用下不会沿基底产生滑移。
其验算公式为:Ks =(∑G +∑Ep)/∑Ex ,其中 Ks 为抗滑移稳定安全系数,∑G 为挡土墙自重和墙顶上的恒载标准值之和,∑Ep 为墙背主动土压力的水平分力标准值,∑Ex 为墙底的摩擦力标准值。
抗倾覆稳定性验算的目的是确保挡土墙在土压力作用下不会绕墙趾产生倾覆。
其验算公式为:Kt =(∑My)/(∑M0),其中 Kt 为抗倾覆稳定安全系数,∑My 为抗倾覆力矩标准值,∑M0 为倾覆力矩标准值。
3、基底应力验算基底应力验算的目的是确保挡土墙基底的应力不超过地基的承载力。
基底应力应满足以下条件:(1)偏心距 e 小于或等于 b/6 ,其中 b 为基底宽度。
(2)基底最大应力σmax 小于或等于 12f ,基底最小应力σmin 大于零,其中 f 为地基承载力特征值。
重力式挡土墙验算[执行标准:公路]计算项目:重力式挡土墙 8计算时间: 2015-04-29 08:20:21 星期三------------------------------------------------------------------------ 原始条件:墙身尺寸:墙身高: 10.000(m)墙顶宽: 1.600(m)面坡倾斜坡度: 1:0.350背坡倾斜坡度: 1:-0.200墙底倾斜坡率: 0.200:1物理参数:圬工砌体容重: 23.000(kN/m3)圬工之间摩擦系数: 0.400地基土摩擦系数: 0.840砌体种类: 片石砌体砂浆标号: 5石料强度(MPa): 30挡土墙类型: 一般挡土墙墙后填土内摩擦角: 19.000(度)墙后填土粘聚力: 25.000(kPa)墙后填土容重: 19.000(kN/m3)墙背与墙后填土摩擦角: 9.500(度)地基土容重: 19.000(kN/m3)修正后地基土容许承载力: 500.000(kPa)地基土容许承载力提高系数:墙趾值提高系数: 1.200墙踵值提高系数: 1.300平均值提高系数: 1.000墙底摩擦系数: 0.400地基土类型: 土质地基地基土内摩擦角: 30.000(度)土压力计算方法: 库仑坡线土柱:坡面线段数: 2折线序号水平投影长(m) 竖向投影长(m) 换算土柱数1 9.000 6.000 02 20.000 0.000 1第1个: 距离2.000(m),宽度16.000(m),高度0.588(m)(用户输入的验算荷载)坡面起始距离: 0.000(m)地面横坡角度: 0.000(度)墙顶标高: 0.000(m)挡墙分段长度: 100.000(m)=====================================================================第 1 种情况: 组合1=============================================组合系数: 1.0001. 挡土墙结构重力分项系数 = 0.900 √2. 墙顶上的有效永久荷载分项系数 = 1.000 ×3. 墙顶与第二破裂面间有效荷载分项系数 = 1.000 ×4. 填土侧压力分项系数 = 1.400 √5. 车辆荷载引起的土侧压力分项系数 = 1.400 √=============================================[土压力计算] 计算高度为 10.596(m)处的库仑主动土压力无荷载时的破裂角 = 47.245(度)按实际墙背计算得到:第1破裂角: 48.106(度)Ea=274.036 Ex=273.899 Ey=-8.655(kN) 作用点高度 Zy=2.353(m) 墙身截面积 = 24.424(m2) 重量 = 561.753 kN(一) 滑动稳定性验算基底摩擦系数 = 0.400采用倾斜基底增强抗滑动稳定性,计算过程如下:基底倾斜角度 = 11.310 (度)Wn = 550.844(kN) En = 45.229(kN) Wt = 110.169(kN) Et = 270.277(kN) 滑移力= 160.109(kN) 抗滑力= 238.429(kN)滑移验算满足: Kc = 1.489 > 1.300滑动稳定方程验算:滑动稳定方程满足: 方程值 = 10.705(kN) > 0.0地基土摩擦系数 = 0.840地基土层水平向: 滑移力= 273.899(kN) 抗滑力= 478.782(kN)地基土层水平向: 滑移验算满足: Kc2 = 1.748 > 1.300(二) 倾覆稳定性验算相对于墙趾点,墙身重力的力臂 Zw = 2.750 (m)相对于墙趾点,Ey的力臂 Zx = 3.451 (m)相对于墙趾点,Ex的力臂 Zy = 1.757 (m)验算挡土墙绕墙趾的倾覆稳定性倾覆力矩= 481.157(kN-m) 抗倾覆力矩= 1515.106(kN-m)倾覆验算满足: K0 = 3.149 > 1.500倾覆稳定方程验算:倾覆稳定方程满足: 方程值 = 520.542(kN-m) > 0.0(三) 地基应力及偏心距验算基础为天然地基,验算墙底偏心距及压应力取倾斜基底的倾斜宽度验算地基承载力和偏心距作用于基础底的总竖向力 = 596.073(kN) 作用于墙趾下点的总弯矩=1033.949(kN-m) 基础底面宽度 B = 3.040 (m) 偏心距 e = -0.215(m)基础底面合力作用点距离基础趾点的距离 Zn = 1.735(m)基底压应力: 趾部=112.990 踵部=279.189(kPa)最大应力与最小应力之比 = 279.189 / 112.990 = 2.471作用于基底的合力偏心距验算满足: e=-0.215 <= 0.167*3.040 = 0.507(m)墙趾处地基承载力验算满足: 压应力=112.990 <= 600.000(kPa)墙踵处地基承载力验算满足: 压应力=279.189 <= 650.000(kPa)地基平均承载力验算满足: 压应力=196.090 <= 500.000(kPa)(四) 基础强度验算基础为天然地基,不作强度验算(五) 墙底截面强度验算验算截面以上,墙身截面积 = 23.500(m2) 重量 = 540.500 kN相对于验算截面外边缘,墙身重力的力臂 Zw = 2.779 (m)相对于验算截面外边缘,Ey的力臂 Zx = 3.451 (m)相对于验算截面外边缘,Ex的力臂 Zy = 1.757 (m)[容许应力法]:法向应力检算:作用于验算截面的总竖向力 = 531.845(kN) 作用于墙趾下点的总弯矩=990.871(kN-m) 相对于验算截面外边缘,合力作用力臂 Zn = 1.863(m)截面宽度 B = 3.100 (m) 偏心距 e1 = -0.313(m)截面上偏心距验算满足: e1= -0.313 <= 0.250*3.100 = 0.775(m)截面上压应力: 面坡=67.601 背坡=275.525(kPa)压应力验算满足: 计算值= 275.525 <= 800.000(kPa)切向应力检算:剪应力验算满足: 计算值= 19.729 <= 80.000(kPa)[极限状态法]:重要性系数?0 = 1.050验算截面上的轴向力组合设计值Nd = 474.333(kN)轴心力偏心影响系数醟= 0.891挡墙构件的计算截面每沿米面积A = 3.100(m2)材料抗压极限强度Ra = 1600.000(kPa)圬工构件或材料的抗力分项系数鉬= 2.310偏心受压构件在弯曲平面内的纵向弯曲系数豮= 0.951计算强度时:强度验算满足: 计算值= 498.049 <= 1913.026(kN)计算稳定时:稳定验算满足: 计算值= 498.049 <= 1818.803(kN)=================================================各组合最不利结果=================================================(一) 滑移验算安全系数最不利为:组合1(组合1)抗滑力 = 238.429(kN),滑移力 = 160.109(kN)。
重力式挡土墙课程设计计算书重力式挡土墙课程设计挡土墙是一种建筑物,用于支撑天然边坡或人工边坡,以保持土体的稳定。
根据墙的形式,挡土墙可以分为重力式挡土墙、加筋挡土墙、锚定式挡土墙、薄壁式挡土墙等。
本设计采用重力式挡土墙。
1.1挡土墙设计资料本设计采用浆砌片石重力式路堤墙,填土边坡为1:1.5,墙背仰斜,坡度为1:0.15~1:0.35.公路等级为二级,车辆荷载等级为公路-II级,挡土墙荷载效应组合采用荷载组合I、II。
墙背填土容重为γ=17.8kN/m3,计算内摩擦角为Φ=42°,填土与墙背间的内摩擦角为δ=Φ/2=21°。
地基为砂类土,容许承载力为[σ]=810kPa,基底摩擦系数为μ=0.43.墙身材料采用5号砂浆砌30号片石,砌体容许压应力为[σa]=600kPa,容许剪应力为[τ]=100kPa,容许拉应力为[σwl]=60 kPa。
1.2确定计算参数设计挡墙高度为H=4m,墙上填土高度为a=2m,填土边坡坡度为1:1.5,墙背仰斜,坡度为1:0.25.填土内摩擦角为42,填土与墙背间的摩擦角为/221;墙背与竖直平面的夹角为arctan.2514.036。
墙背填土容重为17.8kN/m3,地基土容重为17.7kN/m3.挡土墙尺寸具体见图1.1.1.3车辆荷载换算1.3.1试算不计车辆荷载作用时破裂棱体宽度假定破裂面交于荷载内侧,不计车辆荷载作用时,计算棱体参数A、B。
其中,(a+H+2h)(a+H)=(a+H)2= (2+4)2=18,B=ab-H(H+2a)tanα=2×3-4×(4+2×2)tan(−14.036)=7,A=B7=0.389,ψ=Φ+α+δ=42°−14.036°+21°=48.964°,tanθ=−tanψ±(cotΦ+tanψ)(tanψ+A)=−tan48.964°+(cot42°+tan48.9 64°)×(tan48.964°+0.389)=0.715,θ=arctan0.715=35.57°>arctan(B/(4×0.25+3−2))=33.69°。
挡土墙设计说明书
一、设计内容
1.根据所给设计资料分析确定的挡土墙位置和类型;
2.进行挡土墙结构设计;
3.进行挡土墙稳定性分析;
4.挡土墙排水设计;
5.对挡土墙的圬工材料及施工提出要求。
二、设计步骤
1.根据所给设计资料分析挡土墙设置的必要性和可行性此次设计的浆砌石挡土墙是为防止墙后堆积的煤矸石坍滑而修筑的,主要承受侧向土压力的墙式建筑物。
2.拟定挡土墙的结构形式及断面尺寸
给定资料:挡土墙高 3.5m,堆渣坡坡比为 1:0.5 。
设此挡土墙为重力式挡土墙,为增加挡土墙的稳定性,设置水平基底,为方便计算,挡土墙长度取单位长度L=1m。
设墙顶宽为b1=0.5m,墙背坡比为1:0.5 ,墙面坡比为1:0.2 ,地基深h=1m,前墙趾宽为0.5m,后墙趾宽为0.5m。
则可计算基底宽B=3.95m,墙身与基底交接除宽b2=2.95m。
查阅相关资料可知: 浆砌石重度γ=22kN/m³,煤矸石堆积重度γ煤=12 kN/m³~18 kN/m³,取15 kN/m³,煤矸石内摩擦角φ=33°。
地基与墙底的摩擦系数0.4
μ=,墙背与填土间的摩擦角为
δ=0.67φ=22.11°。
挡土墙草图
3.土压力计算
计算挡土墙主动土压力a E ,首先要确定挡土墙主动土压力系数
Ka ,计算公式如下:
222)cos()cos()sin()sin(1)cos(cos )
(cos ⎥⎦⎤⎢⎣⎡-+-+++-=βεεδβϕδϕδεεεϕa K ①
Ea=1/2*γ煤H ²Ea ②
式中:
Ea ——作用在挡土墙上的主动土压力(kN/m ),其作用点距基底h ′(土压力图形的形心距基底的距离)。
H——挡土墙墙身高(m);
γ煤——墙后煤矸石堆积重度(kN/m³);
β——挡土墙墙后填土表面坡角(°)
ε——挡土墙墙背面与铅直面的夹角(°)
φ——挡土墙墙后回填煤矸石的内摩擦角(°)δ——挡土墙墙后煤矸石对墙背的摩擦角(°)
由已知条件可得:
γ煤=15 kN/m³β=26.5651°ε=26.5651°
φ =33°δ=22.11° H=3.5m
将相关数据代入①②式中,可得:
Ka=0.9914
Ea=91.08 kN/m
则土压力的水平和垂直分力分别为:
水平分力Eax=Ea cos(ε﹢δ)
=91.08×cos(26.5651°+22.11°)
=60.1427 (kN/m)
垂直分力Eay=Ea sin(ε+δ)
=91.08×sin(26.5651°+22.11°)
=68.4018 ( kN/m)
主动土压力的作用点距基底距离为:h′=1/3H+h=2.17m 则:水平分力Ex距基底左下部竖直距离为2.17m 垂直分力Ey距基底左下部水平距离为2.87m 挡土墙的自重
G=γ(b1+b2)×H×1/2×L
=22×(0.5+2.95)×3.95×1/2×1
=219.725 (kN/m)
重力力矩的计算:
M GⅠ=1/2×0.2H²Lγ×0.97
=1/2×0.2×3.5²×1×22×0.97
=26.0517 (kN·m)
M GⅡ=b1×H×γ×1.45
=0.5×3.5×22×1.45
=55.825 (kN·m)
M GⅢ=1/2×0.5H²γ×2.28
=1/2×0.5×3.5²×22×2.28
=153.840 (kN·m)。