道路运输企业等级评定填表说明及指标解释
- 格式:doc
- 大小:55.50 KB
- 文档页数:13
《物流企业分类与评估指标》国家标准运输型物流企业评估指标(表1)注2 :货运营业收入包括货物运输收入、运输代理收入、货物快递收入。
注3:运营网点是指在经营覆盖范围内,由本企业自行设立、可以承接并完成企业基本业务的分支机构注4 :顾客投诉率是指在年度周期内客户对不满意业务的投诉总量与企业业务总量的比率。
注5 :顾客满意度是指在年度周期内企业对顾客满意情况的调查统计。
仓储型物流企业评估指标(表2)注2 :仓储营业收入指企业完成货物仓储业务、配送业务所取得的收入。
注3 :顾客投诉率是指在年度周期内客户对不满意业务的投诉总量与企业业务总量的比率。
注4 :顾客满意度是指在年度周期内企业对顾客满意情况的调查统计。
注5 :配送客户点是指企业当前的、提供一定时期内配送服务的、具有一定业务规模的、客户所属的固定网点。
注6:租用货运车辆是指企业通过契约合同等方式可进行调配、利用的货运专用车辆。
综合服务型物流企业评估指标(表3)注2 :综合物流营业收入指企业通过物流业务活动所取得的收入,包括运输、储存、装卸、搬运、包装、流通加工、配送等业务取得的收入总额。
注3:运营网点是指在经营覆盖范围内,由本企业自行设立、可以承接并完成企业基本业务的分支机构。
注4 :顾客投诉率是指在年度周期内客户对不满意业务的投诉总量与企业业务总量的比率。
注5 :顾客满意度是指在年度周期内企业对顾客满意情况的调查统计。
注6:租用货运车辆是指企业通过契约合同等方式可进行调配、利用的货运专用车辆。
注7 :租用仓储面积是指企业通过契约合同等方式可进行调配、利用的仓储总面积。
延伸阅读:以标准引导物流企业健康发展――关于《物流企业分类与评估指标》国家标准的编制与实施《物流企业分类与评估指标》国家标准( GB/T 19680-2005)2005年3月24日由国家质量监督检验检疫总局和国家标准化管理委员会批准发布,5月1日起实施。
标准发布后,在社会上引起了较大反响,物流企业界和学术界有关人士纷纷从不同的角度发表了对该标准的认识、理解与看法,这说明,我国物流标准化以及物流企业的标准化和规范化问题正在日益受到人们的广泛关注。
道路运输行业aaa aa a b级-概述说明以及解释1.引言1.1 概述道路运输行业是一个重要的经济领域,它涵盖了货物和人员的运输。
随着经济的发展和城市化的进程,道路运输行业扮演着连接城市和乡村、推动经济增长的重要角色。
在道路运输行业中,有不同的运输等级,从高到低依次为aaa级、aa 级、a级和b级。
这些等级根据运输能力、服务质量和安全性等因素进行评定。
aaa级运输被认为是最高级别的运输服务,具有最高的安全性和效率。
aa级、a级和b级依次为次高级别,对应着不同程度的运输能力和服务水平。
本文将重点探讨道路运输行业中的aaa级、aa级、a级和b级运输的要点和特点。
通过对这些要点的了解,我们可以更好地认识不同等级运输的特点和优势,为我们选择合适的道路运输服务提供参考和指导。
在接下来的章节中,我们将分别介绍每个等级运输的重点内容,并探讨其在道路运输行业中的应用和意义。
通过对这些内容的深入研究,我们可以更好地了解道路运输行业的发展现状和未来趋势,为促进道路运输行业的可持续发展作出贡献。
在结论部分,我们将对本文进行总结,并展望道路运输行业的未来发展方向。
通过对道路运输行业整体发展趋势的分析和预测,我们可以为政府决策者、企业经营者和从业人员提供决策参考和行业展望,推动道路运输行业健康、稳定、可持续地发展。
文章结构部分可以按照以下方式编写:1.2 文章结构本文将按照以下结构进行阐述和讨论:2.正文2.1 aaa级要点12.2 aaa级要点22.3 aa级要点12.4 aa级要点22.5 a级要点12.6 a级要点22.7 b级要点12.8 b级要点23.结论3.1 总结3.2 展望通过以上的结构安排,本文将全面介绍道路运输行业中不同级别(aaa、aa、a、b级)的要点和关键内容。
首先,我们将对aaa级进行讨论,包括aaa级要点1和aaa级要点2。
接下来,将对aa级进行分析,包括aa 级要点1和aa级要点2。
之后,我们会介绍a级的要点,包括a级要点1和a级要点2。
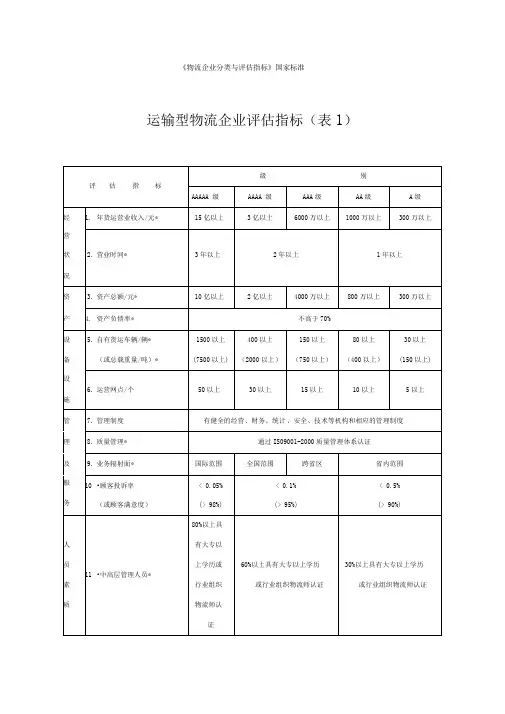
运输型物流企业评估指标(表1)注1:标注*的指标为企业达到评估等级的必备指标项目,其他为参考指标项目。
注2:货运营业收入包括货物运输收入、运输代理收入、货物快递收入。
注3:运营网点是指在经营覆盖范围内,由本企业自行设立、可以承接并完成企业基本业务的分支机构。
注4:顾客投诉率是指在年度周期内客户对不满意业务的投诉总量与企业业务总量的比率。
注5:顾客满意度是指在年度周期内企业对顾客满意情况的调查统计。
仓储型物流企业评估指标(表2)注1:标注*的指标为企业达到评估等级的必备指标项目,其他为参考指标项目。
注2:仓储营业收入指企业完成货物仓储业务、配送业务所取得的收入。
注3:顾客投诉率是指在年度周期内客户对不满意业务的投诉总量与企业业务总量的比率。
注4:顾客满意度是指在年度周期内企业对顾客满意情况的调查统计。
注5:配送客户点是指企业当前的、提供一定时期内配送服务的、具有一定业务规模的、客户所属的固定网点。
注6:租用货运车辆是指企业通过契约合同等方式可进行调配、利用的货运专用车辆。
综合服务型物流企业评估指标(表3)注1:标注*的指标为企业达到评估等级的必备指标项目,其他为参考指标项目。
注2:综合物流营业收入指企业通过物流业务活动所取得的收入,包括运输、储存、装卸、搬运、包装、流通加工、配送等业务取得的收入总额。
注3:运营网点是指在经营覆盖范围内,由本企业自行设立、可以承接并完成企业基本业务的分支机构。
注4:顾客投诉率是指在年度周期内客户对不满意业务的投诉总量与企业业务总量的比率。
注5:顾客满意度是指在年度周期内企业对顾客满意情况的调查统计。
注6:租用货运车辆是指企业通过契约合同等方式可进行调配、利用的货运专用车辆。
注7:租用仓储面积是指企业通过契约合同等方式可进行调配、利用的仓储总面积。
危险品道路运输企业标准化考评指标详解第一章安全目标第一节安全工作方针与目标一、制定企业安全生产方针、目标和不低于上级有关部门下达的安全考核指标。
【释义】本条是关于安全生产方针、目标和考核指标的制定的规定。
关于制定企业安全生产方针、目标(1)企业安全生产方针,是指导企业开展各项工作的总原则,企业制定的各项具体制度、措施,必须体现、符合安全生产方针的要求。
根据《中华人民共和国安全生产法》第三条规定,安全生产管理方针是,坚持安全第一、预防为主。
企业开展运输安全管理工作,应当遵循“安全第一、预防为主、综合治理”的方针,强化和落实的主体责任,以隐患排查治理为基础,提高安全生产水平,减少事故发生,保障人身安全健康,保证生产经营活动的顺利进行。
(2)安全生产目标,是为实现企业的安全使命而确定的安全绩效标准,该标准决定了必须采取的行动计划。
制定安全生产目标是企业实行安全目标管理,控制企业安全生产活动的重要依据。
企业应根据国家有关规定要求和自身安全生产实际,制定总体和年度安全生产目标。
安全生产目标至少包括:道路交通责任事故起数、死亡人数、受伤人数、财产损失、万车公里事故起数、万车公里伤亡人数等指标。
2. 关于制定不低于上级有关部门下达的安全考核指标指标,指的是衡量目标的单位或方法,是企业在营运管理过程,所设定预期达到的指数、规格、标准等任务。
安全生产控制考核指标,由事故死亡人数总量控制指标、绝对指标、重大和特大事故起数控制考核指标四类具体指标构成。
企业应制定不低于上级有关部门下达的安全考核指标,明确工作的目标以及考核标准。
通过制定并实施安全考核指标,确保安全管理目标的实现。
【考评方法】核查企业制定的安全工作方针、目标及安全考核指标的文件,要求内容明确、具体、量化有时限性。
二、制定实现安全工作方针与目标的措施【释义】本条是关于实现安全工作方案与目标措施的制定和执行的规定。
企业抓生产必须抓安全,为实现安全工作方针与目标,落实安全生产责任制,使安全生产“可控”、“在控”,企业须根据实际工作特点,从制度层面上、生产实践中,制定相应措施进一步贯彻落实企业安全生产方针与目标。
一级科目二级科目2.中长期规划3.年度计划2.管理人员配备2.责任制考核1.资质1.安全工作方针与目标4.目标考核1.安全管理机构1.健全责任制2.法规3.安全管理制度道路旅客运输企业一、安全指标二、管理机构和人员三、安全责任体系四、法规和安全管理制度1.科技应用2.科技创新1.培训计划2.宣传教育3.管理人员4.从业人员培训5.规范档案1.现场作业管理2.安全值班3.相关方管理4.驾驶员管理5.营运车辆管理6.运输管理2.费用管理1.车辆管理4.岗位安全生产操作规程5.制度执行与档案管理1.资金投入业安全生产达标考评理制度五、安全投入六、装备设施七、科技创新与信息化八、队伍建设九、作业管理7.警示标志1.危险源辨识2.风险控制1.隐患排查2.隐患治理1.健康管理2.工伤保险3.危害告知4.环境与条件1.安全环境2.安全行为1.预案制度2.预案实施3.应急队伍4.应急装备5.应急演练1.事故报告2.事故处理1.绩效评定2.持续改进3.安全管理体系建设十六、绩效考核与持续改进十、危险源辨识与风险控制十一、隐患排查与治理十二、职业健康十三、安全文化十四、应急救援十五、事故报告调查处理考评指标释义等级1.制定企业安全生产方针、目标和不低于上级下达的安全控制指标★★★2.制定实现安全工作方针与目标的措施1.制定和实施企业安全生产中长期规划和跨年度专项工作方案★★1.根据中长期规划,制定年度计划和年度专项活动方案,并严格执行1.将安全生产管理指标进行细化和分解,制定阶段性的安全生产控制指标2.制定安全生产目标考核与奖惩办法3.定期考核年度安全生产目标完成情况,并奖惩兑现1.成立安全生产委员会,下属各分支机构分别成立相应的领导机构。
安委会职责明确,实行主要领导负责制。
★★2.按规定实质与企业规模相适应且独立的安全生产机构★★★3.定期召开安全生产委员会会议。
安全生产管理机构和下属各分支机构每月至少召开一次安全工作例会。
道路旅客运输企业等级评定标准主要内容一、等级评定主要内容1、企业等级客运企业等级分为一、二、三、四、五级。
2、等级条件客运企业等级评定的条件包括运输能力、资产规模、车辆条件、经营业绩、安全状况和服务质量六个方面。
不符合企业法人条件的经营单位不评定企业等级。
3、等级评定具体条件:一级企业条件1、运输能力企业在上一年度完成客运量750万人次,或客运周转量75000万人公里以上。
2、资产规模企业净资产4亿元以上,客运资产净值3亿元以上。
注:各级企业的客运资产包括车辆设备、车站设施等。
3、车辆条件企业自有营运客车500辆以上,客位15000个以上,高级客车在150 辆以上、客位4500个以上。
或拥有高级营运客车200辆以上、客位6000 个以上。
营运客车新度系数在0.6以上。
注:营运客车等级应符合JT /T325 的规定。
4、经营业绩5、安全状况上一年度行车责任安全事故率不高于0.1次/车,责任安全事故死亡率不高于0.02人/车,责任安全事故伤人率不高于0.05人/车。
[pagenext]6、服务质量上一年度旅客向行业主管部门投诉企业服务质量的次数不高于0.02次/车,省级及以上新闻媒体报道企业重大服务质量事故不高于2件,行业主管部门对企业不规范经营行为进行处罚的次数不高于0.1次/车。
注:各级企业均只统计属实的投诉次数和报道次数。
二级企业条件1、运输能力企业在上一年度完成客运量150万人次或客运周转量15000万人公里以上。
2、资产规模企业净资产4000万元以上,客运资产净值3000万元以上。
3、车辆条件企业自有营运客车100辆以上、客位3000个以上,高级客车在30辆以上、客位900个以上,或拥有高级营运客车40辆以上、客位1200个以上;营运客车新度系数在0 .60以上。
4、经营业绩以上。
5、安全状况上一年度行车责任安全事故率不高于0.1次/车,责任安全事故死亡率不高于0.02人/车,责任安全事故伤入率不高于0.05人/车。
运输供应商评定表一、运输能力评定1. 运输车辆- 车辆种类:[填写车辆种类,如卡车、货车等]- 车辆数量:[填写供应商拥有的该种类车辆数量]- 车辆状态:[填写车辆整体状况,如良好、一般、差]- 车辆年限:[填写车辆平均使用年限]- 载重能力:[填写车辆的最大载重量]2. 运输范围- 运输范围:[填写供应商的运输范围,如国内、国际、特定地区]- 运输时间:[填写供应商的平均运输时间]- 运输频率:[填写供应商的运输频率,如每天、每周、每月]3. 运输保障措施- 保险覆盖:[填写供应商是否为运输车辆购买保险]- 货物安全措施:[填写供应商是否有有效的货物安全措施,如包装、装卸等]- 突发情况应对能力:[填写供应商对于突发情况的应对能力,如交通事故、恶劣天气等]二、服务质量评定1. 服务态度- 客户反馈:[填写客户对供应商服务态度的评价]- 投诉处理:[填写供应商在处理客户投诉方面的表现]2. 交货准时率- 交货准时率:[填写供应商的交货准时率]3. 服务流程- 订单确认流程:[填写供应商在订单确认方面的流程和效率] - 货物跟踪流程:[填写供应商在货物跟踪方面的流程和效率]三、价格评定1. 运输费用- 费用标准:[填写供应商的运输费用标准]- 付款方式:[填写供应商的付款方式,如现金、电汇等]- 结算周期:[填写供应商的结算周期]2. 价格竞争力- 与同行业供应商比较:[填写供应商在价格方面与同行业供应商的竞争力]四、评定结果综合评定- 综合评定:[填写供应商的综合评定结果]- 评价备注:[填写对供应商评定的任何额外备注或建议]。
企业法定代表人情况表营运客车明细表高级客车实有合计:辆,客位。
中级客车实有合计:辆,客位。
普通客车实有合计:辆,客位。
1 申请表一律用钢笔填写或打印,字迹工整,不得涂改。
2 客运企业在申请和晋升企业等级时填写。
3客运企业要如实逐项填报有关情况,如有弄虚作假则不予评定。
4 表内填写数据均需用阿拉伯数字。
除万元、%保留一位小数外,其余均为整数。
5 客运企业获得省、部级的各种奖励情况可填写在企业简历表中。
附录二道路旅客运输企业等级评定申请材料审查登记表填表人:填表日期:年月日企业法定代表人情况表营运货车明细表共有载质量在8吨以上的营运货车辆,载质量合计吨。
共有专用货车辆,占营运货车总数 %。
共有厢式或集装箱专用车辆,占营运货车总数的 %共有符合GB 1589的货车辆,占营运货车总数的 %。
货运站场情况表1申请表一律用钢笔填写或打印,字迹工整,不得涂改。
2 货运企业在申请和晋升企业等级时填写。
3 货运企业要如实逐项填报有关情况,如有弄虚作假则不予评定。
4 表内填写数据均需用阿拉伯数字。
除万元、%保留一位小数外,其余均为整数。
5 营运客车明细表“车辆类型”栏中填写普通货车、重型货车、集装箱专用车、罐车、冷藏车、水泥搅拌车、大件货物车、危险品专用车、厢式货车等。
6 货运企业获得省、部级的各种奖励情况可填写在企业简历表中。
附录五道路货物运输企业等级评定申请材料审查登记表填表人:填表日期:年月日附录七道路运输企业等级评定举报情况登记表附录八道路运输企业等级证书式样(正本)注:1、“XX”分别为“旅客”、“货物”;2、“YYYYY”为5位阿拉伯数字证书编号,其中前两位为年号、后三位为顺序号,如06001;3、“ZZ”为道路运输协会的地域冠名,如“中国”、“北京市”;4、“N”为标准号末位客运为“0”货运为“1”;5、“发文单位标识”规定不超过5个汉字,且最后两字为“协证”,如本会用“中协证”字,北京市可用“京协证”字;6、本证书的尺寸、颜色、材料由中国道路运输协会另行统一规定。
道路运输企业安全生产标准化考评指标释义第一章安全目标第一节安全工作方针与目标一、制定企业安全生产方针、目标和不低于上级有关部门下达的安全考核指标。
【释义】本条是关于安全生产方针、目标和考核指标的制定的规定.关于制定企业安全生产方针、目标(1)企业安全生产方针,是指导企业开展各项工作的总原则,企业制定的各项具体制度、措施,必须体现、符合安全生产方针的要求.根据《中华人民共和国安全生产法》第三条规定,安全生产管理方针是,坚持安全第一、预防为主.企业开展运输安全管理工作,应当遵循“安全第一、预防为主、综合治理”的方针,强化和落实的主体责任,以隐患排查治理为基础,提高安全生产水平,减少事故发生,保障人身安全健康,保证生产经营活动的顺利进行。
(2)安全生产目标,是为实现企业的安全使命而确定的安全绩效标准,该标准决定了必须采取的行动计划。
制定安全生产目标是企业实行安全目标管理,控制企业安全生产活动的重要依据。
企业应根据国家有关规定要求和自身安全生产实际,制定总体和年度安全生产目标.安全生产目标至少包括:道路交通责任事故起数、死亡人数、受伤人数、财产损失、万车公里事故起数、万车公里伤亡人数等指标。
2. 关于制定不低于上级有关部门下达的安全考核指标指标,指的是衡量目标的单位或方法,是企业在营运管理过程,所设定预期达到的指数、规格、标准等任务。
安全生产控制考核指标, 由事故死亡人数总量控制指标、绝对指标、重大和特大事故起数控制考核指标四类具体指标构成。
企业应制定不低于上级有关部门下达的安全考核指标,明确工作的目标以及考核标准.通过制定并实施安全考核指标,确保安全管理目标的实现。
【考评方法】核查企业制定的安全工作方针、目标及安全考核指标的文件,要求内容明确、具体、量化有时限性。
二、制定实现安全工作方针与目标的措施【释义】本条是关于实现安全工作方案与目标措施的制定和执行的规定。
企业抓生产必须抓安全,为实现安全工作方针与目标,落实安全生产责任制,使安全生产“可控"、“在控”,企业须根据实际工作特点,从制度层面上、生产实践中,制定相应措施进一步贯彻落实企业安全生产方针与目标。
道路运输企业等级评定填表说明及指标解释一、《道路旅客(货物)运输企业等级评定申请表》该表由申报企业填写,由受理申报道路运输协会进行初审,并将初评意见填写在相应的栏目,申请材料审查合格后,对于不属本级评定的,连同原始材料一起报送上一级道路运输协会。
(一)基本情况1. 企业名称:是指经工商行政管理部门核准,进行企业法人登记的名称,填写时必须是企业全称。
2. 主管单位:是指企业的上级主管部门单位,企业无主管部门的,应填“无”。
3. 成立时间:是指企业经工商行政管理部门核准,登记注册的时间。
4. 经济性质:是指企业类型,按照企业营业执照上的经济性质填写。
5. 开户银行及帐号:是指企业基本账户的所在银行与帐号。
6. 营业执照号:是指企业营业执照登记编号。
7. 经营许可证号:是指道路运输管理部门核发的道路运输企业经营许可证的编号。
8. 注册资本:是指工商行政管理部门登记注册的资金。
9. 详细地址及邮编:是指企业总部所在地的地址及邮编。
10. 联系电话、传真:是指企业主要行政部门(经理办公室等)的电话、传真。
(二)资产情况11. 资产总额:是指企业过去的交易、事项形成并由企业拥有或者控制的资源,该资源预期会给企业带来经济利益。
包括流动资产、长期投资、固定资产、无形资产和其他资产。
12. 企业资本金:是指投资者按照企业章程或者合同、协议的约定,实际投入企业的资本总额。
按照投资主体分为国家资本金、法人资本金、个人资本金和外商资本金。
(1)国家资本金:指有权代表国家投资的政府部门或者机构以国有资产投入企业形成的资本金。
(2)法人资本金:指其法人单位以其依法可以支配的资产投入企业形成的资本金。
(3)个人资本金:指社会个人或企业内部职工以个人合法财产投入企业形成的资本金。
(4)外商资本金:指外国投资者以及我国香港、澳门和台湾地区投资者投入企业形成的资本金。
13. 客(货)运资产原值:指企业客(货)运总资产。
14. 客(货)运资产净值:指企业客(货)运总资产减去客(货)运国定资产累计折旧后的净值。
15. 其他投资:是指企业短期投资和长期投资。
包括购入的股票、债券、基金和其他股权投资。
16. 流动资产总额:是指企业以货币计算可以在一年或者超过一年的一个经营周期内变现或耗用的资产。
包括现金、银行存款、短期投资、应收及预付款项、待摊费用、存货等。
17. 负债总额:是指企业过去的交易、事项形成的现时义务,履行该义务预期会导致经济利益流出企业。
包括流动负债和长期负债总额。
18. 净资产总额:是指企业所有者权益。
包括实收资本、资本公积、盈余公积、未分配利润。
19. 资产负债率:计算公式为:资产负债率=负债总额/资产总额╳100%。
20.客(货)运固定资产净值:是指客(货)运车辆、设备、站场设施等固定资产原值减累计折旧后的净值。
(三)车辆情况21.营运客车总数、客位:企业5座以上运营客车数量及客位数。
(1)高级客车合计、客位:根据交通行业标准JT/T325《营运客车类型划分及登记评定》评定的高级车辆的总数及客位数。
(2)中级客车合计、客位:根据交通行业标准JT/T325《营运客车类型划分及登记评定》评定的中级客车的总数及客位数。
22.营运客车新度系数:企业全部营运客车的平均新度系数,计算方法按标准要求。
23.营运客车(5座以上)固定资产原值:企业在购置、转入营运客车(5座以上)所支出的以及接受捐赠资产的全部货币总额。
24.营运客车(5座以上)固定资产净值:营运客车(5座以上) 固定资产原值减累计折旧的净值。
25.营运货车总数、总载质量:企业营运货车的数量及总载质量。
(1)载质量8吨以上货车数、总载质量:企业载质量8吨以上营运货车的数量及总载质量。
(2)专用货车数、占货车总数的百分比:企业冷藏车、罐车等专用营运货车的数量及占货车总数的%。
(3)厢式或集装箱专用车数、占货车总数的百分比:企业厢式车、集装箱专用车等营运货车的数量及占货车总数的百分比。
(4)符合GB1598的货车数、占货车总数的百分比:企业拥有符合GB1598-2004《道路车辆外廊尺寸、轴荷及质量限值》国家标准的货车数及占货车总数的百分比。
26.营运货车新度系数:企业全部营运货车的平均新度系数,计算方法按标准要求。
27.营运货车固定资产原值:企业在购置、转入营运货车所支出的以及接受捐赠资产的全部货币总额。
28. 营运货车固定资产净值:营运货车固定资产原值减累计折旧后的净值。
(四)设施设备情况29.客(货)运站原值:指.客(货)运站在建造、购置、改建、扩建、技术改造、转入、租入固定资产时所支出的以及接受捐赠资产的全部货币总额。
30.客(货)运站净值:是指客(货)运站固定资产原值减累计折旧后的净值。
31.安检(搬运)维修等设备原值:指企业安检(搬运)维修厂(车间)在建造、购置、改建、扩建、技术改造、转入、租入固定资产时所支出的以及接受捐赠资产的全部货币总额。
32. 安检(搬运)维修等设备净值:指安检(搬运)维修设施固定资产原值减累计折旧后的净值。
(五)上年度生产经营情况33.企业总营收:是指企业在日常活动中形成的、会导致所有者权益增加的、与所有者投入资本无关的经济利益的总流入。
包括销售商品收入、提供劳动收入和让渡资产使用权收入。
34.客(货)运营收:是指客(货)运营收及自有客(货)运站代理的收入总和。
35. 客(货)运营收占总营收的百分比:企业客(货)运营业收入占总营收的百分比。
36.基本运价:是企业从事道路客(货)运营收客(货)运输的平均单位收入。
计算公式为:基本运价=客(货)运车辆营运收入∕客(货)运周转量。
37.利润总额:是指企业在一定会计期间的经营成果总额。
包括:营业利润加上投资收益、补贴收入、营业外收入减去经营外支出后的总额。
38.净利润:是指交纳所得税后的利润。
39. 客(货)运净利润:是指企业从事道路旅客运输(货物运输)所实现的净利润。
40所得税:是指企业实现利润后按规定所交纳的税金。
41.客(货)运固定资产折旧:是指按规定提取的客(货)运车辆、设备、站场设施等固定资产的折旧费总额。
(六)上年度运输完成情况42.完成旅客(货物)运输量:企业上年度完成的完成旅客(货物)运输量。
43.完成旅客(货物)运输周转量:企业上年度完成的完成旅客(货物)运输周转量。
(七)上年度企业质量信誉考核情况44.行车责任安全事故:是指企业承担次责及次责以上的特大行车责任安全事故和同责及同责以上的其他行车责任安全事故的起数、死亡人数和伤人人数;根据企业所在地县级或县级以上道路运输管理机构出具的上年度企业质量信誉考核情况材料填写;暂未进行质量信誉考核的地方,根据企业所在地县级及县级以上运管部门出具的证明材料填写。
45.旅客(货主)向行业主管部门投诉企业服务质量的次数(情况属实的):根据企业所在地县级或县级以上道路运输管理机构出具的上年度企业质量信誉考核情况材料填写;暂未进行质量信誉考核的地方,根据企业所在地县级及县级以上运管部门出具的证明材料填写。
46.省(市)级新闻媒体报道企业服务质量事故次数(情况属实的):根据企业所在地县级或县级以上道路运输管理机构出具的上年度企业质量信誉考核情况材料填写;暂未进行质量信誉考核的地方,根据企业所在地县级及县级以上运管部门出具的证明材料填写。
47.行业主管部门对企业不规范经营行为进行处罚的次数:根据企业所在地县级或县级以上道路运输管理机构出具的上年度企业质量信誉考核情况材料填写;暂未进行质量信誉考核的地方,根据企业所在地县级及县级以上运管部门出具的证明材料填写。
48.上年度企业质量信誉考核等级:上年度企业所在地县级或县级以上道路运输管理机构对企业进行质量信誉考核的结果。
49.企业法定代表人情况:填写企业法人代表(董事长或总经理)的相关情况。
50.营运客(货)车明细表:填写企业全部营运客(货)车的相关情况。
51.企业简历:主要填写系列内容:(1)企业最早成立的时间,历史沿革过程,包括企业更名、合并、分立、改制等情况;(2)企业近年来集体及个人获得所在地及以上党政部门表彰或奖励的荣誉称号;(3)企业目前的经营范围及其规模及效益。
52.货运站场情况表:填写企业自有、租赁。
合同和参股的全部货运站场的相关情况。
53.申请材料审查登记表:按照要求,并和原始材料一一对应进行填写。
54.道路运输企业等级评定申请表的“初评意见”栏由《道路运输企业等级评定实施办法》规定的具有相应受理、初审权限的道路运输协会组织的专家评定委员会填写评定意见,由该道路运输协会盖章。
55.填表要求:(1)申报一、二级企业等级的,填写申报表一式二份,上报中国道路运输协会一份,其余的留省级道路运输协会;申报三级及以下企业等级的,填写申报表数量,由负责评审的道路运输协会确定。
(2)表中所列指标除有特殊说明的以外,均按上一个会计年度数值填写。
(3)表中所有的货币均按人民币计量。
(4)表中所需照片一律为彩色免冠2寸照片。
(5)申请表除使用钢笔及毛笔填写外,允许打印。
二、《道路旅客(货物)运输企业等级评定表》该表由评审专家组填写,评审完毕由参加评审的所有专家签名和评审组长、评审委员会正、副主任签署意见后,交回组织评审的道路运输协会。
1.企业概况:按照企业填报资料填写。
2.评定项目审查情况:按照专家审查后的数据填写,确定与申报等级的标准相比是否合格,并有负责审查的专家签名。
3.其他情况说明:详细填写有需要说明的情况。
4.评定意见:由所有专家签署意见,并由组长、评审专家组正、副主任签字。
最后由组织评审的道路运输协会签署评定意见并加盖公章。
三、道路运输企业等级评定相关问题释义1.关于申报资格(1)同时经营道路客运、道路货运、汽车维修、公交客运、出租客运及其他业务的企业申请道路旅客、货物运输企业等级时,应分别审查其与道路旅客、货物运输相关的条件。
(2)母体企业绝对控股的具有独立法人资格的下属企业从事经营可享用母体企业的等级,但按照企业等级条件不得重复使用的原则,当母体企业绝对控股的具有独立法人资格的下属企业单独申请评定企业等级时,其各项指标的相应部分不应再计入母体企业,母体企业必须根据分离后的条件重新核定或重新评定等级。
(3)对于个别老的国有企业既无企业章程,又无立项批文的,可以只附营业执照进行申请。
2.关于企业资产1)企业资产的认定(1)企业在境内外的投资及获得的收益,可计入其企业净资产和营业收入,其中属客运、货运投资和客运、货运收益的,还可计入企业客运、货运资产净值和客运、货运营业收入;(2)客运、货运兼营的道路运输企业,其修理厂(车间)、加油站等共用设施的资产,可以按营运客车、货车数在营运车辆总数中所占的比例分别计入客运、货运资产净值;(3)客运企业从事出租汽车和城市公共汽车客运的资产及营业收入,可计入企业净资产、客运资产净值及企业总营业收入、客运营业收入,但车辆数和座位数不计入企业营运客车总数和座位总数;(4)线路经营权、企业商标、服务品牌等无形资产不计入企业资产。