门、窗术语代号及门窗术语代号组合规定(参考件)
- 格式:docx
- 大小:14.34 KB
- 文档页数:4
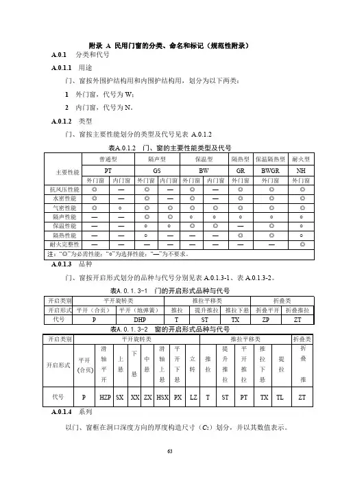
附录A民用门窗的分类、命名和标记(规范性附录)A.0.1分类和代号A.0.1.1用途门、窗按外围护结构用和内围护结构用,划分为以下两类:1外门窗,代号为W;2内门窗,代号为N。
A.0.1.2类型门、窗按主要性能划分的类型及代号见表A.0.1.2表A.0.1.2门、窗的主要性能类型及代号主要性能普通型隔声型保温型隔热型保温隔热型耐火型PT GS BW GR BWGR NH 外门窗内门窗外门窗内门窗外门窗内门窗外门窗外门窗外门窗抗风压性能◎—◎—◎—◎◎◎水密性能◎—◎—◎—◎◎◎气密性能◎○◎◎◎◎◎◎◎隔声性能——◎◎○○○○○保温性能——○○◎◎—◎○隔热性能——○———◎◎○耐火完整性————————◎注:“◎”为必需性能;“○”为选择性能;“—”为不要求。
A.0.1.3品种门、窗按开启形式划分的品种与代号分别见表A.0.1.3-1、表A.0.1.3-2。
表A.0.1.3-1门的开启形式品种与代号开启类别平开旋转类推拉平移类折叠类开启形式平开(合页)平开(地弹簧)推拉提升推拉推拉下悬折叠平开折叠推拉代号P DHP T ST TX ZP ZT表A.0.1.3-2窗的开启形式品种与代号开启类别平开旋转类推拉平移类折叠类开启形式平开(合页)滑轴平开上悬下悬中悬滑轴上悬平开下悬立转推拉提升推拉平开推拉推拉下悬提拉折叠推拉代号P HZP SX XX ZX HSX PX LZ T ST PT TX TL ZT A.0.1.4系列以门、窗框在洞口深度方向的厚度构造尺寸(C2)划分,并以其数值表示。
示例:门、窗框厚度构造尺寸为70mm时,其产品系列称为70系列。
注1:门、窗框厚度构造尺寸以其与洞口墙体连接侧的型材截面外缘尺寸确定。
注2:门、窗四周框架的厚度构造尺寸不同时,以其中厚度构造尺寸最大的数值确定。
A.0.1.5规格以门窗宽、高构造尺寸(B2、A2)的千、百、十位数字前后顺序排列的六位数字表示,无千位数字时以“0”表示。
目录第一章门 (1)第二章板材 (1)第三章窗 (1)第四章窗花贴 (2)第五章石膏 (2)第一节石膏线 (2)第二节腻子粉 (3)第三节耐水腻子 (3)第六章密封制品 (3)第七章玻璃制品 (4)第一节镶嵌玻璃 (4)第二节玻璃砖 (4)第三节艺术玻璃 (5)第八章梯 (5)第九章龙骨类 (6)第十章吊顶材料 (7)第一节 PVC扣板 (7)第二节铝天花 (7)第十一章建材类 (8)附件:22部商品知识测试题 (8)第一章门参考GB5823---1986、GB5824---1986、GB11954--1989分类:实木门:指用实木制作的装饰门。
SM复合门:指采用指接、拼板、热压饰面工艺制作的装饰门。
FM模压门:指接是指由同种木材采用指榫胶接使木质部件或构件接长的一种加工工艺。
木材经二次烘干,含水率8%~10%。
表面经过机械砂光处理,不得有刨痕、毛刺、锤印。
胶和表面不得透胶起泡。
不允许开胶开裂。
保修期为一年。
中发门编号:XX—XXXX—XXXX—XX—XX产品分类代号(SM\FM)—门口宽度(mm)—门口高度(mm)—结构代号(XB镶板\BB半玻\QB全玻)—镶板数主要品牌:福临、金威、周氏、红海、赛斯等。
第二章板材纸面石膏板是由两层纸面和中间夹层(石膏芯)组成,其具有轻质高强、板面平整、容易着色、收缩率低、防火隔音等特点,是装饰装修中比较常用的隔墙吊顶材料。
分类石膏板可分为普通纸面石膏板、防火石膏板、防潮石膏板,厚度有6、8、9.5、12、15、25mm。
用途及销售对象纸面石膏板主要用于建筑物中非承重的隔墙、吊顶及其它墙体的贴面。
主要销售对象:公用建筑和住宅的装修、装饰公司、建筑公司。
使用●隔墙系统隔墙系统是由纸面石膏板固定在轻钢龙骨上形成的非承重墙体系,经板面直接接缝形成一个无缝隙不开裂的平整表面。
特点:形式多样、随意分割、安装方便、隔声性强、不易开裂。
●吊顶系统吊顶系统是由轻钢龙骨的骨架,单面覆以纸面石膏板。
英文门窗术语钢门及门框steel doors & frames 铝合金门及门框aluminum不锈钢stainless steel 铜门及门框bronze doors and frames木门panel wood doors塑料门plastic laminate-faced doors 推拉门和格栅sliding doors & grilles 安全门detention/security doors卷帘门和格栅coiling doors & grilles 工业厂房和棚厂门industrial & hangar doors折叠门和格栅folding doors& grilles 防爆门blast-resistant doors入口和商店门面ENTRANCE & STOREFRONTS自动入口门automatic entrance doors自动推拉平板式入口门auto-sliding flat panel entrance doors入口转门revolving entrance doors 塑料窗vinyl windows特种窗special windows室外上卷式百叶窗exterior roll-up windows shutters天窗及屋顶采光SKYLIGHTS五金配件hardware门用小五金door hardware推拉和折叠门五金sliding & folding door hardware门操作器door operators密封条,门槛及密封胶weatherstripping,thresholds& seals 窗五金window hardware& specialties门窗配件door and window accessoriesSash 扇Transom 框梃Mullion 扇梃Hardware 五金件Coupler 拼接材Reinforcement 钢衬Gasket 胶条,毛条Screw 螺钉Wood 木衬Aluminum 铝衬Door panel 门板Fly screen 纱扇Bead 压条Inter lock 封盖Sash connector 盖帽Floating transom 对开梃Glass Adjust Board 玻璃垫片Auxiliary Material 辅助材料Wide side height 长面长度Narrow side height 窄面长度Frame Mullion 框梃Screen Sash 推拉纱扇Inter Seal 盖帽Outward Opening Sash 外开扇Inward Opening Sash内开扇Sliding Door Sash 推拉门扇Screen sash Rail 挡轨Pseudo Mullion假中梃Intergrated Frame Mullion一体框梃Door Sash 外开门扇Door Frame 平开门框Floor Spring Door Frame 地弹门框Floor Spring Door Connecting 地弹门连接件Jaiousie Window Holder 百叶窗架glazing Bead玻璃压条Coupling连接材90°Corner 90度转角连接材Aluminium Rail Frame 铝轨外框Jaiousie Window Vane百叶窗Steel Reinforcement日系钢衬套Fixed Frame固定框Outer Frame 外框Triple Glazing Bead 三玻压条Doudle Glazing Bead 双玻压条Single Glazing Bead 单玻压条Doudle Seal Inward Sash双密封内开扇Triple Seal Outward Sash三密封外开扇Glass Pad 玻璃垫板Tube 180度转角连接件Decoration bar 装饰条Universal Post 转角圆管Brush Seal 密封毛条Yarn netRight-Angle Minor Frame直边小断面外框Right - Angle Frame 直边外框Aluminium Rail Frame 铝轨框Static Coupling 转角拼接框header页眉cutting centre 锯切中心CNC数控corner cleaning machine角缝清理机roller shutter machine 卷帘机glazing bead saw 玻璃条锯End milling 先孔size limits 极限尺寸optimisation 最优化output 输出ffcuts 边料,尾料machine type 设备型号pairing mode 设备模式double mitre saw双角锯,铝材切割profile feed 型材剖面single cutting 单切rear track后轮距front track 前轮距V-notch capabilities 切槽孔能力Module 模块Machinery control 设备控制Part 零件Part matrix 零件矩阵digit logical code 三位逻辑代码Store 库存Face drainage 排水面Specify 指定Format code 格式代码Stock code 库存编码Set up the system 设置系统Subsystem page 子系统页面Rules page 规则页面Frame bottom length 框底长Offset 偏移Rang 环状Pos code 销售代码Saw prog 锯切程序Drill code 钻头代码Op field 操作区Pilot hole 安装孔Op class操作级别Pn 性能参数DSB双边的Internally glazed sash 内装玻璃上Espagnole 插销Drip rail 滴水槽Door blinge 门铰链Slot vent 气压平衡槽Welding 焊接Cutting,milling 铝塑材切割Copy router 仿形钻床Screw drilling 钻攻机Bending machine 圆弧窗机Internal corner cleaner n内角酰Set up the visibility 设置可见度Datum option 基准选择Overall 全部DIF差值Map绘图计划Date folder 资料库Attribut page 属性页面Adjoining 相邻Modifiled 改进的Solution page 解决方法页面DLL 动态连接链Drgo原来的Server management 服务管理器塑料窗vinyl windows电子锁系统electrical locking systemsFlush door 平面门,全板门Ledged door 直板门High-density plywood 压缩胶合板,高密度胶合板Margined flush door 镶边平板门Exterior door户外门Bow door 弓形门Double sliding door 双滑门top rail 顶横档bottom rail 下横档panels 门面lock stile 门锁竖挡lock rail 门锁横档threshold 门槛hinge stile 铰链竖挡jamb 框边Ball bearing slide脚轮滑道Bolt pin 螺栓插销Bolts and nuts for furniture 家具用螺钉,螺帽Accessories 附件anti-slam防撞arched拱形arched head拱顶assembly装配barrel hinge圆柱合页copy router仿形铣床corner crimping machine挤角机corner joint挤角角码curve弯弧decorative sash bar(门、窗魄力外)的装饰格栅drainage排水drilling machine钻床drilling patterns钻孔模板end milling machine端铣机fabrication制作、装配face-fitted塔接式(扇比框高)fitting装配flush-fitted平齐式gasket密封胶条glazing bead玻璃扣条glazing option玻璃槽口hand punch手动冲床hinge合页、铰链horizontal pivot中轴(窗)intercoms对讲装置inward open内开letterbox信箱limiting stay限位撑、风撑meeting rail假中停mid-rail中横框milling cut端铣机铣刀mullion竖框multioperation press多工位冲床outer frame边框outward open外开pneumatic punch气动冲床press tools冲模profile型材断面roller shutter卷帘routing template仿形铣床模板routing tools仿形铣刀section节点side hung平开sill门槛、窗台slide推拉strip window条窗tilt下悬T-jointT形角码transom横框turn平开vent开启扇口ventilation通风vertical pivot立轴(窗)wall attachment(与墙体)安装附件五金词汇B Ball bearing slide脚轮滑道Bolt pin 螺栓插销Bolts and nuts for furniture 家具用螺钉,螺帽C Carcase 框架,架子Castor 小脚轮Ceiling 天花板Central hinges 中央铰链Chrome 铬Complete range of drawer slide 各种类型的抽屉滑道Component 零配件,元件Concealed hinge 内藏铰链Cupboard-lock 拒门锁D Decorative trims for furniture家具金边饰条Drawer-lock 抽屉锁Drawer runner 抽屉滑槽EEquipment for surface treatment 表面处理工具3/4 extension slide 部分开式滑道F Faucet 水龙头Fixture 固定装置Full extension slide 全开式滑道Furniture hardware家具五金Furniture parts 家具零配件Furniture structural parts 家具结构零件Gas lift chassis 气压棒底盘Glass door hinge 玻璃门铰链Heavy duty slide 承重式滑道Hook lock 钩锁Keyboard slide 键盘板滑道Large head type 大头型Locating dowel 定位榫钉Lock rail 安锁冒头M Magnetic catch 磁性拉手Magnetic-lock 磁锁magnetic push latch磁性撞锁Marquetry work镶嵌装饰品Metal fittings 金属配件Matal handle 金属拉手Mold模具Office chair central tube accessories 办公椅中管配件Office chair hardware accessories 办公椅五金配件Out set 外盖型套轮Panel veneer 板料Plastic bolt and threaded axis 塑料螺帽及牙轴Pocket door slide 柜门滑道Prevent falling off due to turning 防止旋转脱落Secret-hinge 暗铰Semifinished furniture product and accessories 家具半成品及配件Semifinished product for interior fittings 装潢用半成品Simple connecting fittings 简单五金配件Single item 单项产品Sliding door roller series 推拉门用轮系列Straight-lock 企口锁Surface gluing 板面上胶Veneer trimming 薄片整修Vertical upright 直挂格Wood-button 木纽Wood components 木制配件Wooden bar 车件Wooden cork 木塞Wooden curtain rod and ring 木制窗帘杆及吊环Woodscrew 木螺钉Wreathed hand-rail 扭弯扶手玻璃幕墙-------glass curtain wall4mm THK. Composite AluminumPlastic 4mm厚复合铝板5mm THK. Aluminum Plate 5mm厚单铝板Acid 酸,酸性的Across 横过,交叉Allowable 允许Alloy 合金Alum. bracket 铝支架Alum. Panel 铝板Aluminum alloy 铝合金Anchor Bolt 锚拴Anchor 锚固Angle steel 角钢Annealed glass 浮法(退火)玻璃Anodizing oxidation coating 阳极氧化喷涂Anodizing 阳化Anti-corrosive zinc paint 防锈白漆Anti-reflective coating 防反射涂膜Average=AVG. 平均Aviation obstruction 阻航Backer rod 加强棒,泡沫棒Base level 基本平面,海平面Be equivalent to 等于Bear 负荷bedding 衬垫Bend 弯曲,屈服Bituminous paint 沥青油Bituminous 含沥青的Bolt 螺栓Bond 接合,搭接Bonding 搭接,接合Booklet 小册子Brace 斜撑Bracket 支托Buckle 使弯曲,使屈服Built-up 有组织的,密集的Butt welding对接焊缝Canopy 天蓬,雨蓬Cantilever beam 悬臂梁Caption 说明,标题Cast-in 埋入Catalogue 目录,总目Cementitious 水泥的Channel 槽,频道,通道Circular hollow section 圆通Clear glass 透明玻璃Client 客户,委托人Closure 外盖Code 代码,法规Coefficient 系数Composite 混合物,混合Compression 压,压迫Compressive 受压的Concealed 隐藏的Concrete 混凝土Constant 常数Construction tolerance 施工容差Contact surface 接触面Continuous beam 连续梁Contractor 承包商Copper 铜Court 中庭Cracked 开裂的Crylic acid coating 丙烯酸喷涂Dead load 恒荷载Deduction 折减,扣除Definition 定义,精确度Deflection 挠度Deform 变形Deformation 变形Demountable panel 可拆除挂板Derivation 引出,导出Detail 详图,节点图Detection 探知,发现Diagonal 对角线Diagrid 斜交格构Diaphragm 加强层Die 冲模Distributed 均匀的,分布的Double glazing 双层(中空)玻璃Double Skin Wall 双层幕墙Downwind 顺风面Drive pin 射钉Dynamic 活动的,动态的Earthquake load 地震荷载Eccentric 偏心的Egress door 紧急出口Elastic 弹性的Electrophoretic coating 电泳喷涂Element 构件Embedment 预埋件Equal angle 等边角钢Examined 审定Expansible 伸缩的Expansion Bolt 膨胀螺栓Exposed frame 明框Extrusion 挤压Fabricate 加工Fabrication 加工Facial glass (facade glass) 面玻璃Facial(facade) 脸部、表面的Fastener-Stainless Steel不锈钢紧固件Fatigue 疲劳Figured glass 压花玻璃Fillet 带子,带形的fillet weld 角焊缝Fin glass (stiffen fin glass) 肋玻璃Fin 鳍,鳍状物Fire prevention 防火Fire Stop mineral wool 防火岩棉Fixing lug n.摩耳Flange 凸缘,翼缘Flashing 防水板,遮雨板Float glass 浮法玻璃Foam Rod 泡沫填充棒Folded 折叠的Foreword 序言Formula 方程Free stand type 坐(落)地式full glass curtain wall 全玻幕墙galvanizing镀锌Galvanization 镀锌Galvanize 镀锌Galvanized Bolt 镀锌螺栓Geometry 几何定位,定位(图)Granite cladding花岗岩围护,干挂石Granite 花岗石Grille 格子,隔栅Grout 水泥浆Grouting (填塞的)水泥砂浆Gutter Sleeve 天沟,排水沟Gyration 回转,旋转Half strengthened glass半钢化玻璃Hanger system 吊挂系统Heat strengthened glass半钢化玻璃Heat Soak Test 引爆处理Hidden frame curtain wall 隐框幕墙Hidden frame 隐框Horizontal 水平的Hot-dipped zinc galvanization热浸锌Imposed 应用的,施加的Inclined 倾斜的Inertia moment 惯性矩Inertia 惯性Insulating Glass Unit (IGU) 中空玻璃Intumescent coating 防火涂层in a complete manner在完整意义Issue 发行,发布Joint 连接Joist 托梁,Laminated glass 夹层玻璃Lateral 侧面的,旁边的Linear 线性的Lip 薄片Lips薄片、唇Load 荷载,加载Lobby 大厅Local 局部的,地方性的location blocks 定位块Louver 百叶,百页Lug 凸耳,凸杆Machine Bolt 机制螺栓Member.杆件Membrane 防水层Mesh 网,网状物Metallic 金属的Mild steel钢Micron 微米Mock-up 实体样板Modulus 模量Moment 力矩Monumental glazing 巨幅玻璃Movement capacity 变形能力Negative 否定,负数Neutral 中性的Node 节点Normal 普通的,法向的Nut 螺丝帽Operable panel 可开启面板Panel 板,仪表板Pane窗格玻璃Patio 内庭Peak 峰值Penetration butt 对接埋入焊Penetration 浸透,浸入Pile 桩Pin 大头钉,栓Plate 金属板Plinth 基座Podium 矮墙,女儿墙Poisson’s Ratio 泊桑比Polished glass 磨光玻璃Powder coating 粉末喷涂Pre-cast 预埋,预置Preliminary 初步的Pressure 压力,压强Principal 主要的Purposed 计划的,打算的PVDF Coating 氟碳喷涂PVF2 Coating氟碳喷涂Railing 扶手,栏杆Rectangle hollow section 矩形管Refer 提交,查阅Reflective glass 反射玻璃Reinforcement 加强件,加固物Relative Heat Gain 相对热增益Relief pattern 浮雕图案Resistance 抵抗Restrain 约束Revision 修订,校订Revolving panel 旋转面板reflective ratio反射率Rigid Insulation 刚性绝缘体Rigidity 刚性Rod 棒,竿Scope 范围,广度Screw 螺钉,拧紧Sealant 密封胶Security configuration 保安配置Self-weight 自重semi-exposed framing glass curtain wall 半隐框幕墙Serial 序列,系列Setting block 垫块Shading coefficient 遮阳系数Shaft 管井Shear force 剪力Shear 修剪,剪切Sheet 薄板Similar 相似的,相同Simply supported beam 简支梁Single glass.temperd单层钢化玻璃Single toughened glass 单层钢化玻璃Site-ground 室外地面Silicone硅树脂Slab 楼板Sleeve 袖子,套筒Snow and ice retention雨雪拦截设施Span 跨度Spandrel 横档Spider fixing (玻璃)固定爪Splice 接合,连接Square hollow section 方形管Stainless steel bolt不锈钢螺栓Steel bracket 钢角码Stiffen 使变硬Strength 强度Structural silicone 结构硅胶Strut 支柱Sub-contractor 分包商Submission 递呈,提交,服从Suction 吸力Sunshade 遮阳Supplier 供应商Supply 提供,补充,替代Support on four sides 四边支撑Support on two sides 两边支撑Super-structure 主体结构Symmetry 对称的Tee n.T字形,T形物Tempered glass 钢化玻璃Tempered 调节的,钢化的Tensile 拉力的,张力的Tension 张力,拉力Terrain 地带,地域,范围Thread纤维The arm of force 力臂Tile 砖,磁片Tinted 着色的Tolerance 允许误差Top 顶部,上总的Torsion 扭转,扭矩Transom 横梁,横档Trapezoid 梯形,不等边四边形transmissibility透射率Type 类型,型号,打字Typical 标准的Unequal angle steel 不等边角钢Unequal angle不等边角钢Unfolded 展开图Visible Light Reflectance 可见光反射率Visible Light Transmittance 可见光透光率Void 中空处Walkable 可上人的Weather proofing sealant 耐候胶Weep 滴水welding line焊缝Welded seam 焊缝Zinc-plated 镀锌建筑词汇masonry wall 砌筑墙体;砖石墙体sag/cave in塌陷,凹陷shear wall剪力墙shear wall frame interaction框剪结构skeleton-and-skin system骨架结构space frame空间网架structural members结构构件switchbox配电箱tape inward收分tensile strength拉力timber construction =wood frame木结构transformer substation变电站truss桁架underground network of pipes地下管网wood beam木梁weight strength重力yield屈服shell system壳体结构bundled tube system束筒体系cantilevered悬臂的cantilevered end悬臂端close interval(柱)间距紧凑critical point(受力)临界点,相变点distributing box配电柜framed tube框筒结构grid structure网架结构HVAC=Heating, Ventilation & AirConditioning暖通空调heat exchanger空气循环piled-up mass of adobe=sun-dried mud干打垒precast预制的precise measurements精确的计算prefabrication配件预制overlapping搭接,重叠,(柱式的)组合recirculate air再循环空气research model结构模型resistance against weathering|耐候性安全防火隔热fire-safing insulation 安全荷载safe load;safety load安全荷载系数safety load factor安全帽protecting cap;safety helmet安全系数safety factor/coefficient 安装标准installation benchmark安装程序installation procedure安装方法报告书installation method statement安装工程erection work安装就位erecting and setting安装施工资格installation qualification安装容差installation tolerance暗匣Blind pocket奥氏体Austenitic百叶(窗)louver; shutter; Persian blinds百叶跨度length of the louver百叶帘venetion blind百页片Blade百叶铝板aluminum louver panel 百叶式出气口louvered air outlet搬运handling板;板块board; plate;panel;slab 板材plate半钢化玻璃heat strengthened glass; half strengthened glass半径radius;semidiameter半透明的translucent 半隐框玻璃幕墙semi-exposedframing glass curtain wall包装packaging保安配置Securityconfiguration保护(涂)层protective coating保证(书)warranties保温板heated board保温材料insulation material保温层insulating layer保温顶棚heat insulated ceiling保温(岩)棉insulation报价bid;quote报价单quotation背板back-pan备注remark比例scale比例proportion避雷保护lightning protection避雷针Lighting protection airterminal编号numbering;serial number边缘荷载edge load边缘块edge block变化系数variation coefficient变量Variable变硬Stiffen变形deform; deformation变形缝movement joint变形能力deformation capacity标称nominal标记mark/marking; indicator; label标价bid price标价单bid sheet标签label;checklist标示display标书bid标志signage标准尺寸typical dimension标准版本standards version标准构件standard element标准间隔材料standard spacermaterial标准节点typical detail标准值characteristic value表面处理finish表面涂层surface coating表面压缩应力surfacecompression stress冰雪处理与缓和ice and snowmanagement and mitigation丙烯酸喷涂Duracron玻璃安装材料glazing material玻璃安装商glazier玻璃板glass plate玻璃采光顶glass skylight玻璃窗;玻璃装饰glazing玻璃窗标准glazing standards玻璃窗工艺glazing workmanship玻璃刀glass cutter玻璃钢glass reinforced plastic玻璃固定fixing for glass玻璃间隔条glazing spacer玻璃肋式点支承幕墙Glass rib Steelstrand玻璃类型表glass type schedule玻璃密封垫glazing gasket玻璃密封条glazing tape玻璃面板glass panel玻璃面砖glass facing tile玻璃幕墙glass curtain wall;window wall; glass wall; glasspanel wall; coated glass; twinklewall玻璃腔glass pocket玻璃墙面glass wall face玻璃穹顶glass dome玻璃透光率transmittance of glass玻璃温度应力thermal stress ofglass玻璃屋顶glass roof;glazed roof玻璃压条glazing bead玻璃翼/肋glass fin玻璃原片primary glass玻璃砖glass block波纹corrugation波纹拉丝不锈钢板stainless steelfinish corrugated波形的corrugated波纹不锈钢板corrugated S.S. plate 波形玻璃corrugated glass波形垫片corrugated gasket波形铝板corrugated aluminum sheet薄板sheet; thin slab薄垫片Shim薄膜film;membrane薄膜玻璃film glass薄膜防水membrane waterproofing 薄片Lip补充文件supplement rider document不等边角钢Unequal angle steel不规则荷载abnormal load不透明的opaque不透明玻璃opaque glass不锈钢stainless steel(S.S)不锈钢吊杆S.S rod不锈钢螺钉S.S screw不锈钢紧钉螺钉S.S holding/set/stop screw不锈钢紧固件Stainless Steel Fastener不锈钢自攻螺钉S.S self-tapping screw不锈钢螺栓S.S bolt不锈钢机制螺栓S.S machine bolt 不锈钢暖气罩S.S heating cover 不显眼的Inconspicuous擦窗机,吊篮gondola擦窗设备BMU (building maintenance unit)擦窗设备公司BMU supplier擦窗机荷载gondola load擦窗设备荷载BMU loads擦窗器window cleaner材料审查报告materials testing report采购订单purchase order采购活动procurement activity采光玻璃屋顶skylight glass roof 采光系数daylighting factor采用预埋件embed model 彩色夹层可视玻璃vision glazingwith colored interlayer彩釉玻璃ceramic frit glass彩釉夹胶玻璃ceramic fritlaminated glass参数parameter残余应力residual stress槽Channel槽,狭缝Slot槽钢channel steel;channel槽口notch侧,测向的,侧面的,旁边的lateral侧塞块side block测试方案test proposal测压孔pressure tap测验实体模型testing mock-up层间滑移Interstorey drift层间位移floor level movement叉车fork lift truck插接件connector茶色玻璃dark brown glass产品保证product guaranties长期强度long-term strength常数Constant常温养护normal temperaturecuring场地勘查field survey场地条件site condition超白钢化夹胶玻璃low-irontempered laminated glass超白钢化折弯夹胶玻璃low-irontempered bent laminated glass超高层建筑super high-rise building车间Shop车库门garage door撤除removal沉降缝Settlement joint沉头螺钉Countersunk screw衬板lining衬垫Bedding撑杆brace rod; stay bar承包范围extent of contractor;scope承包商;承包人contractor成本核算cost accounting承压面bearing surface承压墙bearing wall;carrying wall承压强度bearing strength承载力carrying /bearing capacity承载力系数bearing capacity factor尺寸size/dimension尺寸公差dimensional tolerance;tolerance of dimension冲模Die抽芯铆钉Blind rivet初步的Preliminary初步方案preliminary scheme初步概算preliminary estimate初步规划preliminary planning初步勘查preliminary exploration初期养护initial curing初始应变initial strain出入口access;openings储存storage穿孔perforation穿孔百叶perforated louver穿孔板perforated plate传热路系统heat-trace system传热系数heat-transfer coefficient窗洞window opening窗格window division窗合页window hinge窗框window frame窗帘匣pelmet窗棂window bar窗扇window sash; leaf窗台/槛window sill垂直(方向)的vertical;vertically垂直度squareness垂直于vertical to;perpendicular to垂直挡雨板vertical rain-shield垂直幕墙vertical curtain wall雌料female material次支撑构件secondary supportmember磁锁mag-lock磁砖Tile粗糙rough;roughness粗糙系数roughness factor淬火玻璃heat-strengthened glass 脆性Brittleness存放期shelf life搭接,接合Bonding打胶sealant installation打孔holes drilling; perforate大跨度结构long span structure大理石marble大理石板marble slab大理石墙面marble wall face大理石饰面marble finish大厅Lobby大样图detail drawing代码,法规Code带空隙的Interstitial带子,带形的Fillet单层钢化玻璃Single toughened glass单层索网幕墙single-layer cable-net curtain wall单剪连接one shear joint单片玻璃monolithic glass单位成本unit cost单位面积unit area单一货源责任single source responsibility单元式幕墙unitized curtain wall挡风板wind shield挡水板flashing挡雨板rain-shield导热heat conduction导热系数thermal conductivity灯的安装和走线Light fixture and wiring灯架light mounting灯具lighting灯槽light trough灯荷载light load等边角钢equal angle steel等效荷载equivalent load等效厚度equivalent thickness等压设计pressure equalization低辐射镀膜玻璃Low-E coated glass低碳钢mild steel低温玻璃;退火玻璃annealedglass滴水槽檐drip edge底部bottom底漆primer抵抗Resistance抵抗(力)矩resisting moment地带,地域,范围Terrain地基沉降Foundation settlement地接线Ground connection地心引力,重力Gravity地震earthquake地面粗糙度ground roughnesstype地震测试seismic rocking testing地震荷载seismic load地震荷载作用效应组合系数seismic load action combinationcoefficient递呈,提交,服从Submission典型幕墙单元typical curtain wallunit点拨件spider点支式幕墙point supportingcurtain wall点支承玻璃幕墙Point supportingglass curtain wall电导管electrical conduit电动开启窗automatic operablevent电泳喷涂Electrophoretic coating垫块,塞块,支撑块Setting block;Jack pad垫片shim垫圈washer吊车,起重机Crane吊顶ceiling吊顶板材ceiling tile吊顶荷载suspended-ceiling load吊顶梁ceiling beam吊顶龙骨ceiling joist吊顶主龙骨main joist ofsuspended ceiling;main runner吊顶幕墙overhang curtain wall吊顶体系ceiling suspensionsystem;suspended ceiling system吊杆结构suspending structure吊杠臂Davit arm吊钩tie back吊篮Gondola丁基玻璃密封条butyl glazing tape丁基热熔密封胶butyl sealant顶部采光toplighting顶层top level定期检查regular inspection定期清洁progressive cleaning定义;精确度definition定位块setting block; locationblock定位螺丝set screw定位(图)geometry动荷载dynamic load; moving load洞口opening动态的,动力的Dynamic动力系数dynamic factor动力放大系数dynamicamplificatory coefficient独立试验机构independent testingagent镀膜玻璃coated glass镀锌处理galvanize镀锌的galvanized; zinc-plated镀锌钢板galvanized steel panel镀锌瓦楞钢板corrugatedgalvanized sheet镀锌螺栓Galvanized Bolt堆积accumulation对称Symmetry对称荷载symmetrical load对角线diagonal对接焊接butt welding对接埋入焊penetration butt对齐销钉alignment rod对准,成一条线align端部释放ends released端盖end cap短期强度short-term strength短暂的Transient断桥隔热条thermal break断热条thermal break断热材料thermal break material 对齐销钉alignment rod多功能建筑multi-purpose architecture多功能裙楼multi- functional podium多叶片转台multiple plate turntable E额定荷载rated load耳生噪音阻力self-generated noise resistance发包contract award发包工程award work发光的Luminous法规要求regulatory requirements 法兰flange法线(方向)的normal反复荷载cyclic load反光glisten; reflection of light反光玻璃anti-sun glass反光度reflectance反力reaction;counterforce反射玻璃reflective glass反应,反作用reaction泛水区flashed area范围,广度Scope方案plan; scheme方程Formula方头螺栓Square head bolt方头紧定螺栓Square-head set-bolt 方通Square hollow section方形Square方形管square hollow section防暴测试bomb blast protection resistance testing防虫网insect screen防反射涂膜Anti-reflective coating 防腐蚀corrosion protection;antisepsis防腐蚀垫片anti-corrosion washer 防滑处理Anti-slip treatment 防滑垫Slide bearing pad防火fire protection/prevention防火标准fire protection standard防火材料fire-proof material防火等级fire-protection rating防火堵料fire proof plug防火封堵墙fireproof closure wall防火隔断fire proof partition; firestop防火构造fire proof construction防火卷帘fire shutter防火绝缘材料fire-safing insulation防火可视玻璃fire rated visionglazing防火岩棉fire stop mineral wool防火涂层intumescent coating防结露技术dew preventivetechnology防漏技术penetration preventivetechnology防鸟网bird screen防汽阻隔vapor barrier防视玻璃obscure glass防水water proof; water proofing防水板,遮雨板Flashing防水薄膜waterproofing membrane防水层Membrane防水层屋面系统membrane roofsystem防水海绵waterproofing sponge防水汽板vapour retarder; vapourretardant panel防霜加热线de-icing heating cable防碳化涂层anti-carbonationcoating防锈白漆anti-corrosive zinc paint防锈涂料antirust paint防眩玻璃glare control glass防烟密封装置smoke seal防雨(水)板flashing防雨屏Rain screen非标准的special非承重结构non-bearing structure分包合同subcontract分包商subcontractor分布荷载distributed load分布离差dispersion分布众数mode分段完工staged completion分格module;panel分格高度module height分区墙Compart wall分析analyze;analysis分项系数distribution coefficient粉末喷涂PPC;powder coating风道air passage风洞测试wind tunnel test/study风洞试验报告wind tunnel testingreport风洞研究Wind tunnel study风格式样style风荷载wind load风荷载作用效应组合系数windload action combination coefficient风化的Etched风区fetch;air pressure风压wind pressure封边Cap封口砖closer封烟板smoke seal封样approved sample蜂窝铝板aluminum honey-combpanel峰值Peak浮雕图案Relief pattern浮法玻璃float glass扶手handrail;railing氟碳喷涂PVDF coating; FluorineCarbon;PVF2 coating俯视图Planform腐蚀corrode;corrosion/erosion辅助建筑accessory building;subsidiary building辅助框架sub-frame复合铝塑板composite aluminumplastic负的,否定的Negative负风压区negative wind pressurearea负荷load; bear负荷等级load grade负剪力negative shear负弯矩negative bending moment 负值negative value附加费用extra charges附加荷载additional load附加建筑additional building附加条款additional clause附加弯矩secondary moment附属结构accessory structure附图attached drawings概率probability干挂石granite cladding干密封gasket sealed干燥剂desiccant杆件Member感压胶带,压敏胶带PSA(pressure sensitive adhesive)tape钢板steel panel钢度rigidty;inflexibility钢化的Tempered钢化玻璃tempered glass;钢化中空玻璃tempered insulated glass钢化中空Low-E玻璃tempered insulated Low-E glass钢化透明玻璃tempered clear/transparent glass钢结构式点支承幕墙Steel structure point supporting curtain wall钢筋reinforced bar钢筋混凝土reinforced concrete钢拉索steel cable钢码steel bracket刚性Rigidity刚性垫层rigid fill刚性结点rigid joint刚性结构rigid structure刚性绝缘体Rigid Insulation刚性支承rigid support高层建筑high-rise building高度height 高级碳纤维high-grade carbon fibre高温防火密封胶fire stop sealant高温防火岩棉fire stop wool高温喷涂pyrolytic coating高温喷涂浮尘玻璃pyrolytic-coatedfloat glass隔断partition隔断衬板partition lining隔热玻璃(单元)insulating glassunit隔热衬垫insulation blanket隔热挡板thermal baffle隔热数值thermal/insulation value格构diagrid; lattice;trellis格构分格panel格构结构latticed structure格栅grille格子,网格Grid隔板,隔舱Bulkhead隔片Spacer隔音Acoustic attenuation隔声玻璃acoustical glass隔声材料acoustical material隔声要求acoustic requirement个别的Individual根据According to工程(技术)Engineering工程,项目project工程,工作works工程编号(project number)工程拨款project appropriation工程测量engineering survey工程进度progress of works工程项目construction item工程造价construction cost工地site工地质量控制经理on-site qualitycontrol manager工艺workmanship工艺说明书workmanshipspecification工形…I; I-shaped; I-head工形柱H Column公差tolerance供电系统power supply system供货商supplier供暖heating供暖系统heating system供应supply; provide; furnish; offer公共通道public passage公共照明public lighting供货商supplier公料male extrusion公制metric拱肩spandrel拱肩玻璃spandrel glass共振,回声Resonance沟槽,刻槽Groove构件component/member/element构件式玻璃幕墙component glasscurtain wall固定端fixed end固定爪spider fixing故障defect刮刀spatula刮痕scratch挂钩hook挂件bracket, hanger管道,沟渠Conduit管件系统ductwork管井Shaft管状的,空心的Tubular惯性inertia惯性矩inertia moment光电幕墙photoelectric curtain wall光泽Gloss规定specify规定标准specified standards规范specifications/code硅胶嵌缝Silicone joint硅树脂silicone硅酮结构密封胶structural siliconesealant硅酮密封剂silicone sealant硅酮耐候密封胶weather proofingsealant滚动痕迹roller mark过道passageway; corridor过梁Lintel过滤网Filter netH型钢H-type steel含沥青的Bituminous函数Function罕遇地震rare earthquake焊缝Welding line焊接标准welding standards合同签订award of contract合页hinge荷载,加载load荷载计算load calculation荷载模量load modulus荷载组合load combination恒荷载dead load桁架truss; girder横龙骨transom横向的Transverse后片玻璃second lite护栏Guardrail划痕scratch(es)花岗岩granite花岗岩维护,干挂石granite cladding滑动门Sliding door滑动玻璃门sliding glass panel door 滑移Drift环保的environmental friendly缓冲板,挡板Baffle缓冲结构buffer structure缓和mitigation回转,旋转Gyration混合物composite混凝土Concrete混凝土蠕变和收缩Concrete creep and shrinkage混凝土外包Concrete encasement 活动窗operable window活荷载live load基本参数basic parameter基本风压basic wind pressure基本竣工substantial completion基本平面,海平面Base level基础设施Infrastructure 基准值Reference value基准位置reference location基座Plinth激活Activation机械通风百叶mechanicalventilation louvers机械装备mechanical equipment机制螺钉machine screw机制螺栓machine bolt集水槽gutter集中荷载concentrated load;pointload极限值extreme value几何参数geometry coefficient几何图形geometry挤压硅胶extruded silicone挤压铝型材aluminum extrusion挤压应力pressure stress技术规范technical specification技术设计Design Development技术性能technical performance技术要求technical requirements计划,平面图,设计图Plan计划的,打算的Purposed技术的,工业的Technical计算高度Calculating Height计算书engineering calculation;计算系数computing coefficient加工容差fabrication tolerance加工商fabricator加工图fab. drawing加强棒,泡沫棒Backer rod加强层Diaphragm加强件,加固物Reinforcement加强角片,防滑片Cleat加强片Stiffener加强肋reinforcing rib加热线heating cable加速度Acceleration夹层interlayer夹层的,夹胶的Laminated夹层玻璃laminated glass/laminate夹胶玻璃laminated glass夹丝玻璃Wired glass夹具fixture; clamp甲级Grade A甲(一)级资质Grade Acertification/qualification甲级建筑幕墙专项设计资质GradeA certification of Curtain WallDesign架空地板系统Raised floor system监理Supervision Company兼容compatible兼容性compatibility兼容性测试compatibility test间隙gap/clearance间隔条spacer间距spacing剪力shear force剪力墙Shear wall剪切shear剪切面shear front检修孔access hole简支梁free beam;simplysupported beam溅涂浮法玻璃sputter-coated floatglass建设单位Owner建筑钢结构architectural steelwork建筑设计顾问architectural designconsultant建筑主体primary structure建筑主体混凝土primary structureconcrete建筑主体钢结构primary steelstructure交错排列形式staggered pattern交底submittal交点crossing point/ meetingpoint/node/intersecting point交货deliver/delivery胶带Adhesive tape胶条gasket胶合板Plywood角度angle角钢Angle steel角焊缝fillet weld。
英文门窗术语钢门及门框steel doors &frames 铝合金门及门框aluminum不锈钢stainless steel 铜门及门框bronze doors and frames木门panel wood doors塑料门plastic laminate-faced doors 推拉门和格栅sliding doors &grilles安全门detention/security doors卷帘门和格栅coiling doors & grilles 工业厂房和棚厂门industrial &hangar doors折叠门和格栅folding doors&grilles防爆门blast—resistant doors入口和商店门面ENTRANCE &STOREFRONTS自动入口门automatic entrance doors自动推拉平板式入口门auto—sliding flat panel entrance doors入口转门revolving entrance doors 塑料窗vinyl windows特种窗special windows室外上卷式百叶窗exterior roll-up windows shutters天窗及屋顶采光SKYLIGHTS五金配件hardware门用小五金door hardware推拉和折叠门五金sliding & folding door hardware门操作器door operators密封条,门槛及密封胶weatherstripping,thresholds&seals窗五金window hardware&specialties门窗配件door and window accessoriesSash 扇Transom 框梃Mullion 扇梃Hardware 五金件Coupler 拼接材Reinforcement 钢衬Gasket 胶条,毛条Screw 螺钉Wood 木衬Aluminum 铝衬Door panel 门板Fly screen 纱扇Bead 压条Inter lock 封盖Sash connector 盖帽Floating transom 对开梃Glass Adjust Board 玻璃垫片Auxiliary Material 辅助材料Wide side height 长面长度Narrow side height 窄面长度Frame Mullion 框梃Screen Sash 推拉纱扇Inter Seal 盖帽Outward Opening Sash 外开扇Inward Opening Sash内开扇Sliding Door Sash 推拉门扇Screen sash Rail 挡轨Pseudo Mullion假中梃Intergrated Frame Mullion一体框梃Door Sash 外开门扇Door Frame 平开门框Floor Spring Door Frame 地弹门框Floor Spring Door Connecting 地弹门连接件Jaiousie Window Holder 百叶窗架glazing Bead玻璃压条Coupling连接材90°Corner 90度转角连接材Aluminium Rail Frame 铝轨外框Jaiousie Window Vane百叶窗Steel Reinforcement日系钢衬套Fixed Frame固定框Outer Frame 外框Triple Glazing Bead 三玻压条Doudle Glazing Bead 双玻压条Single Glazing Bead 单玻压条Doudle Seal Inward Sash双密封内开扇Triple Seal Outward Sash三密封外开扇Glass Pad 玻璃垫板Tube 180度转角连接件Decoration bar 装饰条Universal Post 转角圆管Brush Seal 密封毛条Yarn netRight-Angle Minor Frame直边小断面外框Right - Angle Frame 直边外框Aluminium Rail Frame 铝轨框Static Coupling 转角拼接框header页眉cutting centre 锯切中心CNC数控corner cleaning machine角缝清理机roller shutter machine 卷帘机glazing bead saw 玻璃条锯End milling 先孔size limits 极限尺寸optimisation 最优化output 输出ffcuts 边料,尾料machine type 设备型号pairing mode 设备模式double mitre saw双角锯,铝材切割profile feed 型材剖面single cutting 单切rear track后轮距front track 前轮距V—notch capabilities 切槽孔能力Module 模块Machinery control 设备控制Part 零件Part matrix 零件矩阵digit logical code 三位逻辑代码Store 库存Face drainage 排水面Specify 指定Format code 格式代码Stock code 库存编码Set up the system 设置系统Subsystem page 子系统页面Rules page 规则页面Frame bottom length 框底长Offset 偏移Rang 环状Pos code 销售代码Saw prog 锯切程序Drill code 钻头代码Op field 操作区Pilot hole 安装孔Op class操作级别Pn 性能参数DSB双边的Internally glazed sash 内装玻璃上Espagnole 插销Drip rail 滴水槽Door blinge 门铰链Slot vent 气压平衡槽Welding 焊接Cutting,milling 铝塑材切割Copy router 仿形钻床Screw drilling 钻攻机Bending machine 圆弧窗机Internal corner cleaner n内角酰Set up the visibility 设置可见度Datum option 基准选择Overall 全部DIF差值Map绘图计划Date folder 资料库Attribut page 属性页面Adjoining 相邻Modifiled 改进的Solution page 解决方法页面DLL 动态连接链Drgo原来的Server management 服务管理器塑料窗vinyl windows电子锁系统electrical locking systemsFlush door 平面门,全板门Ledged door 直板门High-density plywood 压缩胶合板,高密度胶合板Margined flush door 镶边平板门Exterior door户外门Bow door 弓形门Double sliding door 双滑门top rail 顶横档bottom rail 下横档panels 门面lock stile 门锁竖挡lock rail 门锁横档threshold 门槛hinge stile 铰链竖挡jamb 框边Ball bearing slide脚轮滑道Bolt pin 螺栓插销Bolts and nuts for furniture 家具用螺钉,螺帽Accessories 附件anti—slam防撞arched拱形arched head拱顶assembly装配barrel hinge圆柱合页copy router仿形铣床corner crimping machine挤角机corner joint挤角角码curve弯弧decorative sash bar(门、窗魄力外)的装饰格栅drainage排水drilling machine钻床drilling patterns钻孔模板end milling machine端铣机fabrication制作、装配face-fitted塔接式(扇比框高)fitting装配flush—fitted平齐式gasket密封胶条glazing bead玻璃扣条glazing option玻璃槽口hand punch手动冲床hinge合页、铰链horizontal pivot中轴(窗)intercoms对讲装置inward open内开letterbox信箱limiting stay限位撑、风撑meeting rail假中停mid—rail中横框milling cut端铣机铣刀mullion竖框multioperation press多工位冲床outer frame边框outward open外开pneumatic punch气动冲床press tools冲模profile型材断面roller shutter卷帘routing template仿形铣床模板routing tools仿形铣刀section节点side hung平开sill门槛、窗台slide推拉strip window条窗tilt下悬T—jointT形角码transom横框turn平开vent开启扇口ventilation通风vertical pivot立轴(窗)wall attachment(与墙体)安装附件五金词汇B Ball bearing slide脚轮滑道Bolt pin 螺栓插销Bolts and nuts for furniture 家具用螺钉,螺帽C Carcase 框架,架子Castor 小脚轮Ceiling 天花板Central hinges 中央铰链Chrome 铬Complete range of drawer slide 各种类型的抽屉滑道Component 零配件,元件Concealed hinge 内藏铰链Cupboard—lock 拒门锁D Decorative trims for furniture 家具金边饰条Drawer-lock 抽屉锁Drawer runner 抽屉滑槽EEquipment for surface treatment 表面处理工具3/4 extension slide 部分开式滑道F Faucet 水龙头Fixture 固定装置Full extension slide 全开式滑道Furniture hardware家具五金Furniture parts 家具零配件Furniture structural parts 家具结构零件Gas lift chassis 气压棒底盘Glass door hinge 玻璃门铰链Heavy duty slide 承重式滑道Hook lock 钩锁Keyboard slide 键盘板滑道Large head type 大头型Locating dowel 定位榫钉Lock rail 安锁冒头M Magnetic catch 磁性拉手Magnetic-lock 磁锁magnetic push latch磁性撞锁Marquetry work镶嵌装饰品Metal fittings 金属配件Matal handle 金属拉手Mold模具Office chair central tube accessories 办公椅中管配件Office chair hardware accessories 办公椅五金配件Out set 外盖型套轮Panel veneer 板料Plastic bolt and threaded axis 塑料螺帽及牙轴Pocket door slide 柜门滑道Prevent falling off due to turning 防止旋转脱落Secret—hinge 暗铰Semifinished furniture product andaccessories 家具半成品及配件Semifinished product for interiorfittings 装潢用半成品Simple connecting fittings 简单五金配件Single item 单项产品Sliding door roller series 推拉门用轮系列Straight-lock 企口锁Surface gluing 板面上胶Veneer trimming 薄片整修Vertical upright 直挂格Wood-button 木纽Wood components 木制配件Wooden bar 车件Wooden cork 木塞Wooden curtain rod and ring 木制窗帘杆及吊环Woodscrew 木螺钉Wreathed hand-rail 扭弯扶手玻璃幕墙———--—-glass curtainwall4mm THK. Composite AluminumPlastic 4mm厚复合铝板5mm THK. Aluminum Plate 5mm厚单铝板Acid 酸,酸性的Across 横过,交叉Allowable 允许Alloy 合金Alum。
建筑门窗术语建筑门窗术语是建筑门窗综合标准中门窗基础标准的一部分,它不仅是建筑部门要遵守的术语标准,也是全国所有部门当涉及门窗构件时必须遵守的术语标准。
本标准是对目前建筑门窗常用的术语所作的规定,供有关部门和单位在国内和国际各项工作中使用。
在制订、修订标准和教学、科研、设计、制造、安装以及编写文件和书刊,当遇有这些术语时,均应执行本标准的规定。
本标准是根据我国的实际情况,参考国际标准化组织(ISO)现已颁布的有关标准及其他有关资料编制的。
正文中所有术语词条均有词条编号、中文术语、相对应的英文术语、词条说明,需要时还列有"不得用词"。
正文后附录A(参考件)有待将来继续补充再列入正文;附录B(参考件)在有关标准制定后停止使用;附录C(参考件)所作规定的代号及其组合,作为在编制文件、图纸及产品目录时编号之用,其中代号一律采用汉语拼音字母,但个别字首拼音字母重复,则改用其他字母代替。
门通常包括固定部分(门框)和一个或一个以上的可开启部分(门扇),其功能是允许和禁止出入。
需要时门上部还带有亮窗。
1.1 按用途分类1.1.1 内门 internal door :门扇两面均朝向室内的门。
1.1.2 外门 external door :门扇至少有一面朝向室外的门。
1.1.3 防火门 fire resisting door :发生火灾时能隔断火的门。
1.1.4 隔声门 soundproof door :能减少噪声传递的门。
1.1.5 保温门 heat insulation door :能减少传热的门。
1.1.6 冷藏门 cooler door :用于冷藏间的门。
1.1.7 安全门 exit door :用于疏散的门。
不得用词:太平门、消防门。
1.1.8 防护门 protection door :能抵抗冲击波或重物冲撞的门。
1.1.9 屏蔽门 shield door :能抵抗各种电频波干扰的门。
铝合金门窗编号规则门窗名称:公司名----开启形式----材质----门窗代号----门窗规格型号----性能标记----附带标记(性能和附带无要求时不填写)开启形式(门):折叠----Z平开----P推拉----T地弹簧----DH平开下悬----PX开启形式(窗):固定----G上悬----S中悬----C下悬----X立转----L平开----P滑轴平开----HP滑轴----H推拉----T推拉平开----TP平开下悬----PX材质:L----铝合金门窗代号:M----门代号C----窗代号门窗规格型号:自定性能:抗风----P3水密----△P气密----Q1或Q2保温----K隔声----Rw采光----Tr附带(门):百叶----Y纱窗----S附带(窗):百叶----Y纱窗----A举例:XLPLC115-P32.0-△P150-Q1(或Q2)1.5-K3.5-Rw30-Tr0.4-AXX公司生产的铝合金平开窗,规格型号为115,抗风性能为2.0KPa,水密性能为150Pa,气密性能为1.5m3/(m*h),保温性能为3.5W/(㎡*K),隔声性能为30dB,采光性能为0.4,带纱窗图纸编号细则:公司名----开启形式----门窗代号----门窗规格型号----零件名称编号----室内或室外(无要求时不填写)平开窗零件名称:01----横外框03----竖外框04----内扇料05----圆弧扣条06----中挺09----中挺连接件90----90°转角91----135°转角A----室内B----室外举例:XLPC11501AXX公司生产的规格型号为115的铝合金平开窗位于室内一面的横外框。
推拉窗零件名称:00----固定(框)01----平上滑:上面没有固定玻璃的上滑11----固上滑:上面有固定玻璃的上滑02----平下滑:上面没有固定玻璃的下滑12----固下滑:上面有固定玻璃的上滑03----边封(窗边框左)13----边封(窗边框右)23----边封盖板当左右边框相同时03----边封(窗边框)13----边封盖板04----上方(窗扇上横)05----下方(窗扇下横)06----光企07----勾企08----收口:四扇推拉时,光企与光企连接部分密封用的09----纱料A----室内B----室外举例:XLPC14005AXX公司生产的规格型号为140的铝合金推拉窗位于室内一面的下方(窗扇下横)。
门窗施工图样设计要点一、设计工作内容1、设计前应熟悉建筑立面图和建筑结构剖面图,核对门窗规格、数量、颜色,对门窗构造、安装施工等技术问题应提出并了解解决。
2、绘制门窗施工图样。
3、编写工程材料清单,编制门窗工程的型材、五金配件、玻璃汇总表。
4、特殊工程负责技术交底工作。
二、门窗的品种1、按开启形式区分:固定窗、上悬窗、中悬窗、下悬窗、立转窗、平开窗、滑轮平开窗、滑轴窗、推拉窗、推拉平开窗、平开下悬窗、折叠门、平开门、推拉门、地弹簧门、平开下悬门等。
2、按用途分类:内门、外门、防火门、隔声门、保温门、防盗门、保温窗、隔声窗、防火窗、换气窗、亮窗等。
3、按构造分类:镶玻璃门、玻璃门、连窗门、百页门、格栅门、单层窗、双层窗、三层窗、带形窗、组合窗、落地窗、带纱扇窗、百页窗等。
三、门窗的开启示意图立面图中斜线表示门窗的开启方向,实线为外开,虚线为内开,开启方向线夹角的一侧为安装合页的一侧。
见图(一)四、门窗术语代号组合规定组合顺序:用途形式开启构造用料附件如只用其中二、三项,也按其顺序组合,组合时采用代号前一个字母,门、窗、天窗组合窗最后加M、C、TC。
滑轴窗:窗两侧有轴沿槽滑行上下开启的窗。
...滑轴平开窗:窗上下装有折叠合页(铰链)沿框边向内或向外开启的窗。
四、门窗的构造1、门、窗框和门、窗扇按不同门、窗型设计要求,组装成各种门、窗称为基本门窗。
2、凡有两樘基本门或两樘基本窗采用拼樘料组合起来的称为组合门或组合窗,组合门、组合窗一般分为横向组合和竖向组合两种。
3、基本门和基本窗各构件的名称见(图二)五、门窗施工图设计要求门窗设计是建筑设计的一部分,良好的门窗设计能保证建筑物的良好性能,门窗的设计方案对门窗的安全性能、使用性能、节能环保、寿命、装饰性能等各方面起着决定性的作用。
包括门窗的结构计算,如选用型材的载面(几何形状、尺寸、壁厚),玻璃的种类等。
门窗设计主要包括以下内容:²确定门窗所用的材料(型材、玻璃、配件等)²确定门窗洞口尺寸、加工尺寸和门窗数量。
门窗名称:公司名----开启形式----材质----门窗代号----门窗规格型号----性能标记----附带标记(性能和附带无要求时不填写)开启形式(门):折叠----Z平开----P推拉----T地弹簧----DH平开下悬----PX开启形式(窗):固定----G上悬----S中悬----C下悬----X立转----L平开----P滑轴平开----HP滑轴----H推拉----T推拉平开----TP平开下悬----PX材质:L----铝合金门窗代号:M----门代号C----窗代号门窗规格型号:自定性能:抗风----P3水密----△P气密----Q1或Q2保温----K隔声----Rw采光----Tr附带(门):百叶----Y纱窗----S附带(窗):百叶----Y纱窗----A举例:XLPLC115-P32.0-△P150-Q1(或Q2)1.5-K3.5-Rw30-Tr0.4-AXX公司生产的铝合金平开窗,规格型号为115,抗风性能为2.0KPa,水密性能为150Pa,气密性能为1.5m³/(m*h),保温性能为3.5W/(㎡*K),隔声性能为30dB,采光性能为0.4,带纱窗图纸编号细则:公司名----开启形式----门窗代号----门窗规格型号----零件名称编号----室内或室外(无要求时不填写)平开窗零件名称:01----横外框03----竖外框04----内扇料05----圆弧扣条06----中挺09----中挺连接件90----90°转角91----135°转角A----室内B----室外举例:XLPC11501AXX公司生产的规格型号为115的铝合金平开窗位于室内一面的横外框。
推拉窗零件名称:00----固定(框)01----平上滑:上面没有固定玻璃的上滑11----固上滑:上面有固定玻璃的上滑02----平下滑:上面没有固定玻璃的下滑12----固下滑:上面有固定玻璃的上滑03----边封(窗边框左)13----边封(窗边框右)23----边封盖板当左右边框相同时03----边封(窗边框)13----边封盖板04----上方(窗扇上横)05----下方(窗扇下横)06----光企07----勾企08----收口:四扇推拉时,光企与光企连接部分密封用的09----纱料A----室内B----室外举例:XLPC14005AXX公司生产的规格型号为140的铝合金推拉窗位于室内一面的下方(窗扇下横)。
幕墙门窗相关规范清单1.1幕墙设计规范:《铝合金结构设计规范》 GB50429—2007《玻璃幕墙工程技术规范》 JGJ102-2003《点支式玻璃幕墙工程技术规程》 CECS127-2001《点支式玻璃幕墙支承装置》 JG138-2001《吊挂式玻璃幕墙支承装置》 JG139—2001《建筑玻璃应用技术规程》 JGJ113-2003《建筑瓷板装饰工程技术规范》 CECS101:98《建筑幕墙》 GB/T21086—2007《金属与石材幕墙工程技术规范》 JGJ133-20011.2建筑设计规范:《采暖通风与空气调节设计规范》 GB50019—2003《地震震级的规定》 GB/T17740-1999《钢结构防火涂料》 GB14907—2002《钢结构设计规范》 GB50017-2003《高层民用建筑钢结构技术规范》 JGJ99-98《高层建筑混凝土结构技术规程》 JGJ3—2002《高层民用建筑设计防火规范》 GB50045-95(2005年版)《高处作业吊蓝》 GB19155—2003《工程抗震术语标准》 JGJ/T97—95《工程网络计划技术规程》 JGJ/T121—99《公共建筑节能设计标准》 GB50189—2005《混凝土结构后锚固技术规程》 JGJ145—2004《混凝土结构设计规范》 GB50010—2002《混凝土用膨胀型、扩孔型建筑锚栓》 JG160—2004《既有居住建筑节能改造技术规程》 JGJ129—2004《建筑表面用有机硅防水剂》 JC/T902—2002《建筑材料放射性核素限量》 GB6566-2001《建筑防火封堵应用技术规程》 CECS154:2003《建筑钢结构焊接技术规程》 JGJ81—2002《建筑隔声评价标准》 GB/T50121-2005《建筑工程抗震设防分类标准》 GB50223-2004《建筑工程预应力施工规程》 CECS180:2005《建筑结构荷载规范》 GB50009—2001(2006年版、局部修订)《建筑结构可靠度设计统一标准》 GB50068—2001《建筑抗震设防分类标准》 GB50223—2004《建筑抗震设计规范》 GB50011-2001《建筑设计防火规范》 GB50016-2006《建筑物防雷设计规范》 GB50057-94(2000年版)《冷弯薄壁型钢结构设计规范》 GB50018-2002《民用建筑隔声设计规范》 GBJ118-88《民用建筑热工设计规范》 GB50176-93《民用建筑设计通则》 GB50352—2005《膜结构技术规程》 CECS158:2004《夏热冬冷地区居住建筑节能设计标准》 JGJ134-2001《夏热冬暖地区居住建筑节能设计标准》 JGJ75—2003《预应力筋用锚具、夹具和连接器应用技术规程》JGJ85-20021.3铝材规范:《变形铝及铝合金化学成份》 GB/T3190-1996《建筑用隔热铝合金型材—穿条式》 JG/T175—2005《建筑用铝型材、铝板氟碳涂层》 JG/T133—2000《铝合金建筑型材第1部分基材》 GB5237。
英文门窗术语钢门及门框steel doors & frames 铝合金门及门框aluminum不锈钢stainless steel 铜门及门框bronze doors and frames木门panel wood doors塑料门plastic laminate-faced doors 推拉门和格栅sliding doors & grilles 安全门detention/security doors卷帘门和格栅coiling doors & grilles 工业厂房和棚厂门industrial & hangar doors折叠门和格栅folding doors& grilles 防爆门blast-resistant doors入口和商店门面ENTRANCE & STOREFRONTS自动入口门automatic entrance doors自动推拉平板式入口门auto-sliding flat panel entrance doors入口转门revolving entrance doors 塑料窗vinyl windows特种窗special windows室外上卷式百叶窗exterior roll-up windows shutters天窗及屋顶采光SKYLIGHTS五金配件hardware门用小五金door hardware推拉和折叠门五金sliding & folding door hardware门操作器door operators密封条,门槛及密封胶weatherstripping,thresholds& seals 窗五金window hardware& specialties门窗配件door and window accessoriesSash 扇Transom 框梃Mullion 扇梃Hardware 五金件Coupler 拼接材Reinforcement 钢衬Gasket 胶条,毛条Screw 螺钉Wood 木衬Aluminum 铝衬Door panel 门板Fly screen 纱扇Bead 压条Inter lock 封盖Sash connector 盖帽Floating transom 对开梃Glass Adjust Board 玻璃垫片Auxiliary Material 辅助材料Wide side height 长面长度Narrow side height 窄面长度Frame Mullion 框梃Screen Sash 推拉纱扇Inter Seal 盖帽Outward Opening Sash 外开扇Inward Opening Sash内开扇Sliding Door Sash 推拉门扇Screen sash Rail 挡轨Pseudo Mullion假中梃Intergrated Frame Mullion一体框梃Door Sash 外开门扇Door Frame 平开门框Floor Spring Door Frame 地弹门框Floor Spring Door Connecting 地弹门连接件Jaiousie Window Holder 百叶窗架glazing Bead玻璃压条Coupling连接材90°Corner 90度转角连接材Aluminium Rail Frame 铝轨外框Jaiousie Window Vane百叶窗Steel Reinforcement日系钢衬套Fixed Frame固定框Outer Frame 外框Triple Glazing Bead 三玻压条Doudle Glazing Bead 双玻压条Single Glazing Bead 单玻压条Doudle Seal Inward Sash双密封内开扇Triple Seal Outward Sash三密封外开扇Glass Pad 玻璃垫板Tube 180度转角连接件Decoration bar 装饰条Universal Post 转角圆管Brush Seal 密封毛条Yarn netRight-Angle Minor Frame直边小断面外框Right - Angle Frame 直边外框Aluminium Rail Frame 铝轨框Static Coupling 转角拼接框header页眉cutting centre 锯切中心CNC数控corner cleaning machine角缝清理机roller shutter machine 卷帘机glazing bead saw 玻璃条锯End milling 先孔size limits 极限尺寸optimisation 最优化output 输出ffcuts 边料,尾料machine type 设备型号pairing mode 设备模式double mitre saw双角锯,铝材切割profile feed 型材剖面single cutting 单切rear track后轮距front track 前轮距V-notch capabilities 切槽孔能力Module 模块Machinery control 设备控制Part 零件Part matrix 零件矩阵digit logical code 三位逻辑代码Store 库存Face drainage 排水面Specify 指定Format code 格式代码Stock code 库存编码Set up the system 设置系统Subsystem page 子系统页面Rules page 规则页面Frame bottom length 框底长Offset 偏移Rang 环状Pos code 销售代码Saw prog 锯切程序Drill code 钻头代码Op field 操作区Pilot hole 安装孔Op class操作级别Pn 性能参数DSB双边的Internally glazed sash 内装玻璃上Espagnole 插销Drip rail 滴水槽Door blinge 门铰链Slot vent 气压平衡槽Welding 焊接Cutting,milling 铝塑材切割Copy router 仿形钻床Screw drilling 钻攻机Bending machine 圆弧窗机Internal corner cleaner n内角酰Set up the visibility 设置可见度Datum option 基准选择Overall 全部DIF差值Map绘图计划Date folder 资料库Attribut page 属性页面Adjoining 相邻Modifiled 改进的Solution page 解决方法页面DLL 动态连接链Drgo原来的Server management 服务管理器塑料窗vinyl windows电子锁系统electrical locking systemsFlush door 平面门,全板门Ledged door 直板门High-density plywood 压缩胶合板,高密度胶合板Margined flush door 镶边平板门Exterior door户外门Bow door 弓形门Double sliding door 双滑门top rail 顶横档bottom rail 下横档panels 门面lock stile 门锁竖挡lock rail 门锁横档threshold 门槛hinge stile 铰链竖挡jamb 框边Ball bearing slide脚轮滑道Bolt pin 螺栓插销Bolts and nuts for furniture 家具用螺钉,螺帽Accessories 附件anti-slam防撞arched拱形arched head拱顶assembly装配barrel hinge圆柱合页copy router仿形铣床corner crimping machine挤角机corner joint挤角角码curve弯弧decorative sash bar(门、窗魄力外)的装饰格栅drainage排水drilling machine钻床drilling patterns钻孔模板end milling machine端铣机fabrication制作、装配face-fitted塔接式(扇比框高)fitting装配flush-fitted平齐式gasket密封胶条glazing bead玻璃扣条glazing option玻璃槽口hand punch手动冲床hinge合页、铰链horizontal pivot中轴(窗)intercoms对讲装置inward open内开letterbox信箱limiting stay限位撑、风撑meeting rail假中停mid-rail中横框milling cut端铣机铣刀mullion竖框multioperation press多工位冲床outer frame边框outward open外开pneumatic punch气动冲床press tools冲模profile型材断面roller shutter卷帘routing template仿形铣床模板routing tools仿形铣刀section节点side hung平开sill门槛、窗台slide推拉strip window条窗tilt下悬T-jointT形角码transom横框turn平开vent开启扇口ventilation通风vertical pivot立轴(窗)wall attachment(与墙体)安装附件五金词汇B Ball bearing slide脚轮滑道Bolt pin 螺栓插销Bolts and nuts for furniture 家具用螺钉,螺帽C Carcase 框架,架子Castor 小脚轮Ceiling 天花板Central hinges 中央铰链Chrome 铬Complete range of drawer slide 各种类型的抽屉滑道Component 零配件,元件Concealed hinge 内藏铰链Cupboard-lock 拒门锁D Decorative trims for furniture家具金边饰条Drawer-lock 抽屉锁Drawer runner 抽屉滑槽EEquipment for surface treatment 表面处理工具3/4 extension slide 部分开式滑道F Faucet 水龙头Fixture 固定装置Full extension slide 全开式滑道Furniture hardware家具五金Furniture parts 家具零配件Furniture structural parts 家具结构零件Gas lift chassis 气压棒底盘Glass door hinge 玻璃门铰链Heavy duty slide 承重式滑道Hook lock 钩锁Keyboard slide 键盘板滑道Large head type 大头型Locating dowel 定位榫钉Lock rail 安锁冒头M Magnetic catch 磁性拉手Magnetic-lock 磁锁magnetic push latch磁性撞锁Marquetry work镶嵌装饰品Metal fittings 金属配件Matal handle 金属拉手Mold模具Office chair central tube accessories 办公椅中管配件Office chair hardware accessories 办公椅五金配件Out set 外盖型套轮Panel veneer 板料Plastic bolt and threaded axis 塑料螺帽及牙轴Pocket door slide 柜门滑道Prevent falling off due to turning 防止旋转脱落Secret-hinge 暗铰Semifinished furniture product and accessories 家具半成品及配件Semifinished product for interior fittings 装潢用半成品Simple connecting fittings 简单五金配件Single item 单项产品Sliding door roller series 推拉门用轮系列Straight-lock 企口锁Surface gluing 板面上胶Veneer trimming 薄片整修Vertical upright 直挂格Wood-button 木纽Wood components 木制配件Wooden bar 车件Wooden cork 木塞Wooden curtain rod and ring 木制窗帘杆及吊环Woodscrew 木螺钉Wreathed hand-rail 扭弯扶手玻璃幕墙-------glass curtain wall4mm THK. Composite AluminumPlastic 4mm厚复合铝板5mm THK. Aluminum Plate 5mm厚单铝板Acid 酸,酸性的Across 横过,交叉Allowable 允许Alloy 合金Alum. bracket 铝支架Alum. Panel 铝板Aluminum alloy 铝合金Anchor Bolt 锚拴Anchor 锚固Angle steel 角钢Annealed glass 浮法(退火)玻璃Anodizing oxidation coating 阳极氧化喷涂Anodizing 阳化Anti-corrosive zinc paint 防锈白漆Anti-reflective coating 防反射涂膜Average=AVG. 平均Aviation obstruction 阻航Backer rod 加强棒,泡沫棒Base level 基本平面,海平面Be equivalent to 等于Bear 负荷bedding 衬垫Bend 弯曲,屈服Bituminous paint 沥青油Bituminous 含沥青的Bolt 螺栓Bond 接合,搭接Bonding 搭接,接合Booklet 小册子Brace 斜撑Bracket 支托Buckle 使弯曲,使屈服Built-up 有组织的,密集的Butt welding对接焊缝Canopy 天蓬,雨蓬Cantilever beam 悬臂梁Caption 说明,标题Cast-in 埋入Catalogue 目录,总目Cementitious 水泥的Channel 槽,频道,通道Circular hollow section 圆通Clear glass 透明玻璃Client 客户,委托人Closure 外盖Code 代码,法规Coefficient 系数Composite 混合物,混合Compression 压,压迫Compressive 受压的Concealed 隐藏的Concrete 混凝土Constant 常数Construction tolerance 施工容差Contact surface 接触面Continuous beam 连续梁Contractor 承包商Copper 铜Court 中庭Cracked 开裂的Crylic acid coating 丙烯酸喷涂Dead load 恒荷载Deduction 折减,扣除Definition 定义,精确度Deflection 挠度Deform 变形Deformation 变形Demountable panel 可拆除挂板Derivation 引出,导出Detail 详图,节点图Detection 探知,发现Diagonal 对角线Diagrid 斜交格构Diaphragm 加强层Die 冲模Distributed 均匀的,分布的Double glazing 双层(中空)玻璃Double Skin Wall 双层幕墙Downwind 顺风面Drive pin 射钉Dynamic 活动的,动态的Earthquake load 地震荷载Eccentric 偏心的Egress door 紧急出口Elastic 弹性的Electrophoretic coating 电泳喷涂Element 构件Embedment 预埋件Equal angle 等边角钢Examined 审定Expansible 伸缩的Expansion Bolt 膨胀螺栓Exposed frame 明框Extrusion 挤压Fabricate 加工Fabrication 加工Facial glass (facade glass) 面玻璃Facial(facade) 脸部、表面的Fastener-Stainless Steel不锈钢紧固件Fatigue 疲劳Figured glass 压花玻璃Fillet 带子,带形的fillet weld 角焊缝Fin glass (stiffen fin glass) 肋玻璃Fin 鳍,鳍状物Fire prevention 防火Fire Stop mineral wool 防火岩棉Fixing lug n.摩耳Flange 凸缘,翼缘Flashing 防水板,遮雨板Float glass 浮法玻璃Foam Rod 泡沫填充棒Folded 折叠的Foreword 序言Formula 方程Free stand type 坐(落)地式full glass curtain wall 全玻幕墙galvanizing镀锌Galvanization 镀锌Galvanize 镀锌Galvanized Bolt 镀锌螺栓Geometry 几何定位,定位(图)Granite cladding花岗岩围护,干挂石Granite 花岗石Grille 格子,隔栅Grout 水泥浆Grouting (填塞的)水泥砂浆Gutter Sleeve 天沟,排水沟Gyration 回转,旋转Half strengthened glass半钢化玻璃Hanger system 吊挂系统Heat strengthened glass半钢化玻璃Heat Soak Test 引爆处理Hidden frame curtain wall 隐框幕墙Hidden frame 隐框Horizontal 水平的Hot-dipped zinc galvanization热浸锌Imposed 应用的,施加的Inclined 倾斜的Inertia moment 惯性矩Inertia 惯性Insulating Glass Unit (IGU) 中空玻璃Intumescent coating 防火涂层in a complete manner在完整意义Issue 发行,发布Joint 连接Joist 托梁,Laminated glass 夹层玻璃Lateral 侧面的,旁边的Linear 线性的Lip 薄片Lips薄片、唇Load 荷载,加载Lobby 大厅Local 局部的,地方性的location blocks 定位块Louver 百叶,百页Lug 凸耳,凸杆Machine Bolt 机制螺栓Member.杆件Membrane 防水层Mesh 网,网状物Metallic 金属的Mild steel钢Micron 微米Mock-up 实体样板Modulus 模量Moment 力矩Monumental glazing 巨幅玻璃Movement capacity 变形能力Negative 否定,负数Neutral 中性的Node 节点Normal 普通的,法向的Nut 螺丝帽Operable panel 可开启面板Panel 板,仪表板Pane窗格玻璃Patio 内庭Peak 峰值Penetration butt 对接埋入焊Penetration 浸透,浸入Pile 桩Pin 大头钉,栓Plate 金属板Plinth 基座Podium 矮墙,女儿墙Poisson’s Ratio 泊桑比Polished glass 磨光玻璃Powder coating 粉末喷涂Pre-cast 预埋,预置Preliminary 初步的Pressure 压力,压强Principal 主要的Purposed 计划的,打算的PVDF Coating 氟碳喷涂PVF2 Coating氟碳喷涂Railing 扶手,栏杆Rectangle hollow section 矩形管Refer 提交,查阅Reflective glass 反射玻璃Reinforcement 加强件,加固物Relative Heat Gain 相对热增益Relief pattern 浮雕图案Resistance 抵抗Restrain 约束Revision 修订,校订Revolving panel 旋转面板reflective ratio反射率Rigid Insulation 刚性绝缘体Rigidity 刚性Rod 棒,竿Scope 范围,广度Screw 螺钉,拧紧Sealant 密封胶Security configuration 保安配置Self-weight 自重semi-exposed framing glass curtain wall 半隐框幕墙Serial 序列,系列Setting block 垫块Shading coefficient 遮阳系数Shaft 管井Shear force 剪力Shear 修剪,剪切Sheet 薄板Similar 相似的,相同Simply supported beam 简支梁Single glass.temperd单层钢化玻璃Single toughened glass 单层钢化玻璃Site-ground 室外地面Silicone硅树脂Slab 楼板Sleeve 袖子,套筒Snow and ice retention雨雪拦截设施Span 跨度Spandrel 横档Spider fixing (玻璃)固定爪Splice 接合,连接Square hollow section 方形管Stainless steel bolt不锈钢螺栓Steel bracket 钢角码Stiffen 使变硬Strength 强度Structural silicone 结构硅胶Strut 支柱Sub-contractor 分包商Submission 递呈,提交,服从Suction 吸力Sunshade 遮阳Supplier 供应商Supply 提供,补充,替代Support on four sides 四边支撑Support on two sides 两边支撑Super-structure 主体结构Symmetry 对称的Tee n.T字形,T形物Tempered glass 钢化玻璃Tempered 调节的,钢化的Tensile 拉力的,张力的Tension 张力,拉力Terrain 地带,地域,范围Thread纤维The arm of force 力臂Tile 砖,磁片Tinted 着色的Tolerance 允许误差Top 顶部,上总的Torsion 扭转,扭矩Transom 横梁,横档Trapezoid 梯形,不等边四边形transmissibility透射率Type 类型,型号,打字Typical 标准的Unequal angle steel 不等边角钢Unequal angle不等边角钢Unfolded 展开图Visible Light Reflectance 可见光反射率Visible Light Transmittance 可见光透光率Void 中空处Walkable 可上人的Weather proofing sealant 耐候胶Weep 滴水welding line焊缝Welded seam 焊缝Zinc-plated 镀锌建筑词汇masonry wall 砌筑墙体;砖石墙体sag/cave in塌陷,凹陷shear wall剪力墙shear wall frame interaction框剪结构skeleton-and-skin system骨架结构space frame空间网架structural members结构构件switchbox配电箱tape inward收分tensile strength拉力timber construction =wood frame木结构transformer substation变电站truss桁架underground network of pipes地下管网wood beam木梁weight strength重力yield屈服shell system壳体结构bundled tube system束筒体系cantilevered悬臂的cantilevered end悬臂端close interval(柱)间距紧凑critical point(受力)临界点,相变点distributing box配电柜framed tube框筒结构grid structure网架结构HVAC=Heating, Ventilation & AirConditioning暖通空调heat exchanger空气循环piled-up mass of adobe=sun-dried mud干打垒precast预制的precise measurements精确的计算prefabrication配件预制overlapping搭接,重叠,(柱式的)组合recirculate air再循环空气research model结构模型resistance against weathering|耐候性安全防火隔热fire-safing insulation 安全荷载safe load;safety load安全荷载系数safety load factor安全帽protecting cap;safety helmet安全系数safety factor/coefficient 安装标准installation benchmark安装程序installation procedure安装方法报告书installation method statement安装工程erection work安装就位erecting and setting安装施工资格installation qualification安装容差installation tolerance暗匣Blind pocket奥氏体Austenitic百叶(窗)louver; shutter; Persian blinds百叶跨度length of the louver百叶帘venetion blind百页片Blade百叶铝板aluminum louver panel 百叶式出气口louvered air outlet搬运handling板;板块board; plate;panel;slab 板材plate半钢化玻璃heat strengthened glass; half strengthened glass半径radius;semidiameter半透明的translucent 半隐框玻璃幕墙semi-exposedframing glass curtain wall包装packaging保安配置Securityconfiguration保护(涂)层protective coating保证(书)warranties保温板heated board保温材料insulation material保温层insulating layer保温顶棚heat insulated ceiling保温(岩)棉insulation报价bid;quote报价单quotation背板back-pan备注remark比例scale比例proportion避雷保护lightning protection避雷针Lighting protection airterminal编号numbering;serial number边缘荷载edge load边缘块edge block变化系数variation coefficient变量Variable变硬Stiffen变形deform; deformation变形缝movement joint变形能力deformation capacity标称nominal标记mark/marking; indicator; label标价bid price标价单bid sheet标签label;checklist标示display标书bid标志signage标准尺寸typical dimension标准版本standards version标准构件standard element标准间隔材料standard spacermaterial标准节点typical detail标准值characteristic value表面处理finish表面涂层surface coating表面压缩应力surfacecompression stress冰雪处理与缓和ice and snowmanagement and mitigation丙烯酸喷涂Duracron玻璃安装材料glazing material玻璃安装商glazier玻璃板glass plate玻璃采光顶glass skylight玻璃窗;玻璃装饰glazing玻璃窗标准glazing standards玻璃窗工艺glazing workmanship玻璃刀glass cutter玻璃钢glass reinforced plastic玻璃固定fixing for glass玻璃间隔条glazing spacer玻璃肋式点支承幕墙Glass rib Steelstrand玻璃类型表glass type schedule玻璃密封垫glazing gasket玻璃密封条glazing tape玻璃面板glass panel玻璃面砖glass facing tile玻璃幕墙glass curtain wall;window wall; glass wall; glasspanel wall; coated glass; twinklewall玻璃腔glass pocket玻璃墙面glass wall face玻璃穹顶glass dome玻璃透光率transmittance of glass玻璃温度应力thermal stress ofglass玻璃屋顶glass roof;glazed roof玻璃压条glazing bead玻璃翼/肋glass fin玻璃原片primary glass玻璃砖glass block波纹corrugation波纹拉丝不锈钢板stainless steelfinish corrugated波形的corrugated波纹不锈钢板corrugated S.S. plate 波形玻璃corrugated glass波形垫片corrugated gasket波形铝板corrugated aluminum sheet薄板sheet; thin slab薄垫片Shim薄膜film;membrane薄膜玻璃film glass薄膜防水membrane waterproofing 薄片Lip补充文件supplement rider document不等边角钢Unequal angle steel不规则荷载abnormal load不透明的opaque不透明玻璃opaque glass不锈钢stainless steel(S.S)不锈钢吊杆S.S rod不锈钢螺钉S.S screw不锈钢紧钉螺钉S.S holding/set/stop screw不锈钢紧固件Stainless Steel Fastener不锈钢自攻螺钉S.S self-tapping screw不锈钢螺栓S.S bolt不锈钢机制螺栓S.S machine bolt 不锈钢暖气罩S.S heating cover 不显眼的Inconspicuous擦窗机,吊篮gondola擦窗设备BMU (building maintenance unit)擦窗设备公司BMU supplier擦窗机荷载gondola load擦窗设备荷载BMU loads擦窗器window cleaner材料审查报告materials testing report采购订单purchase order采购活动procurement activity采光玻璃屋顶skylight glass roof 采光系数daylighting factor采用预埋件embed model 彩色夹层可视玻璃vision glazingwith colored interlayer彩釉玻璃ceramic frit glass彩釉夹胶玻璃ceramic fritlaminated glass参数parameter残余应力residual stress槽Channel槽,狭缝Slot槽钢channel steel;channel槽口notch侧,测向的,侧面的,旁边的lateral侧塞块side block测试方案test proposal测压孔pressure tap测验实体模型testing mock-up层间滑移Interstorey drift层间位移floor level movement叉车fork lift truck插接件connector茶色玻璃dark brown glass产品保证product guaranties长期强度long-term strength常数Constant常温养护normal temperaturecuring场地勘查field survey场地条件site condition超白钢化夹胶玻璃low-irontempered laminated glass超白钢化折弯夹胶玻璃low-irontempered bent laminated glass超高层建筑super high-rise building车间Shop车库门garage door撤除removal沉降缝Settlement joint沉头螺钉Countersunk screw衬板lining衬垫Bedding撑杆brace rod; stay bar承包范围extent of contractor;scope承包商;承包人contractor成本核算cost accounting承压面bearing surface承压墙bearing wall;carrying wall承压强度bearing strength承载力carrying /bearing capacity承载力系数bearing capacity factor尺寸size/dimension尺寸公差dimensional tolerance;tolerance of dimension冲模Die抽芯铆钉Blind rivet初步的Preliminary初步方案preliminary scheme初步概算preliminary estimate初步规划preliminary planning初步勘查preliminary exploration初期养护initial curing初始应变initial strain出入口access;openings储存storage穿孔perforation穿孔百叶perforated louver穿孔板perforated plate传热路系统heat-trace system传热系数heat-transfer coefficient窗洞window opening窗格window division窗合页window hinge窗框window frame窗帘匣pelmet窗棂window bar窗扇window sash; leaf窗台/槛window sill垂直(方向)的vertical;vertically垂直度squareness垂直于vertical to;perpendicular to垂直挡雨板vertical rain-shield垂直幕墙vertical curtain wall雌料female material次支撑构件secondary supportmember磁锁mag-lock磁砖Tile粗糙rough;roughness粗糙系数roughness factor淬火玻璃heat-strengthened glass 脆性Brittleness存放期shelf life搭接,接合Bonding打胶sealant installation打孔holes drilling; perforate大跨度结构long span structure大理石marble大理石板marble slab大理石墙面marble wall face大理石饰面marble finish大厅Lobby大样图detail drawing代码,法规Code带空隙的Interstitial带子,带形的Fillet单层钢化玻璃Single toughened glass单层索网幕墙single-layer cable-net curtain wall单剪连接one shear joint单片玻璃monolithic glass单位成本unit cost单位面积unit area单一货源责任single source responsibility单元式幕墙unitized curtain wall挡风板wind shield挡水板flashing挡雨板rain-shield导热heat conduction导热系数thermal conductivity灯的安装和走线Light fixture and wiring灯架light mounting灯具lighting灯槽light trough灯荷载light load等边角钢equal angle steel等效荷载equivalent load等效厚度equivalent thickness等压设计pressure equalization低辐射镀膜玻璃Low-E coated glass低碳钢mild steel低温玻璃;退火玻璃annealedglass滴水槽檐drip edge底部bottom底漆primer抵抗Resistance抵抗(力)矩resisting moment地带,地域,范围Terrain地基沉降Foundation settlement地接线Ground connection地心引力,重力Gravity地震earthquake地面粗糙度ground roughnesstype地震测试seismic rocking testing地震荷载seismic load地震荷载作用效应组合系数seismic load action combinationcoefficient递呈,提交,服从Submission典型幕墙单元typical curtain wallunit点拨件spider点支式幕墙point supportingcurtain wall点支承玻璃幕墙Point supportingglass curtain wall电导管electrical conduit电动开启窗automatic operablevent电泳喷涂Electrophoretic coating垫块,塞块,支撑块Setting block;Jack pad垫片shim垫圈washer吊车,起重机Crane吊顶ceiling吊顶板材ceiling tile吊顶荷载suspended-ceiling load吊顶梁ceiling beam吊顶龙骨ceiling joist吊顶主龙骨main joist ofsuspended ceiling;main runner吊顶幕墙overhang curtain wall吊顶体系ceiling suspensionsystem;suspended ceiling system吊杆结构suspending structure吊杠臂Davit arm吊钩tie back吊篮Gondola丁基玻璃密封条butyl glazing tape丁基热熔密封胶butyl sealant顶部采光toplighting顶层top level定期检查regular inspection定期清洁progressive cleaning定义;精确度definition定位块setting block; locationblock定位螺丝set screw定位(图)geometry动荷载dynamic load; moving load洞口opening动态的,动力的Dynamic动力系数dynamic factor动力放大系数dynamicamplificatory coefficient独立试验机构independent testingagent镀膜玻璃coated glass镀锌处理galvanize镀锌的galvanized; zinc-plated镀锌钢板galvanized steel panel镀锌瓦楞钢板corrugatedgalvanized sheet镀锌螺栓Galvanized Bolt堆积accumulation对称Symmetry对称荷载symmetrical load对角线diagonal对接焊接butt welding对接埋入焊penetration butt对齐销钉alignment rod对准,成一条线align端部释放ends released端盖end cap短期强度short-term strength短暂的Transient断桥隔热条thermal break断热条thermal break断热材料thermal break material 对齐销钉alignment rod多功能建筑multi-purpose architecture多功能裙楼multi- functional podium多叶片转台multiple plate turntable E额定荷载rated load耳生噪音阻力self-generated noise resistance发包contract award发包工程award work发光的Luminous法规要求regulatory requirements 法兰flange法线(方向)的normal反复荷载cyclic load反光glisten; reflection of light反光玻璃anti-sun glass反光度reflectance反力reaction;counterforce反射玻璃reflective glass反应,反作用reaction泛水区flashed area范围,广度Scope方案plan; scheme方程Formula方头螺栓Square head bolt方头紧定螺栓Square-head set-bolt 方通Square hollow section方形Square方形管square hollow section防暴测试bomb blast protection resistance testing防虫网insect screen防反射涂膜Anti-reflective coating 防腐蚀corrosion protection;antisepsis防腐蚀垫片anti-corrosion washer 防滑处理Anti-slip treatment 防滑垫Slide bearing pad防火fire protection/prevention防火标准fire protection standard防火材料fire-proof material防火等级fire-protection rating防火堵料fire proof plug防火封堵墙fireproof closure wall防火隔断fire proof partition; firestop防火构造fire proof construction防火卷帘fire shutter防火绝缘材料fire-safing insulation防火可视玻璃fire rated visionglazing防火岩棉fire stop mineral wool防火涂层intumescent coating防结露技术dew preventivetechnology防漏技术penetration preventivetechnology防鸟网bird screen防汽阻隔vapor barrier防视玻璃obscure glass防水water proof; water proofing防水板,遮雨板Flashing防水薄膜waterproofing membrane防水层Membrane防水层屋面系统membrane roofsystem防水海绵waterproofing sponge防水汽板vapour retarder; vapourretardant panel防霜加热线de-icing heating cable防碳化涂层anti-carbonationcoating防锈白漆anti-corrosive zinc paint防锈涂料antirust paint防眩玻璃glare control glass防烟密封装置smoke seal防雨(水)板flashing防雨屏Rain screen非标准的special非承重结构non-bearing structure分包合同subcontract分包商subcontractor分布荷载distributed load分布离差dispersion分布众数mode分段完工staged completion分格module;panel分格高度module height分区墙Compart wall分析analyze;analysis分项系数distribution coefficient粉末喷涂PPC;powder coating风道air passage风洞测试wind tunnel test/study风洞试验报告wind tunnel testingreport风洞研究Wind tunnel study风格式样style风荷载wind load风荷载作用效应组合系数windload action combination coefficient风化的Etched风区fetch;air pressure风压wind pressure封边Cap封口砖closer封烟板smoke seal封样approved sample蜂窝铝板aluminum honey-combpanel峰值Peak浮雕图案Relief pattern浮法玻璃float glass扶手handrail;railing氟碳喷涂PVDF coating; FluorineCarbon;PVF2 coating俯视图Planform腐蚀corrode;corrosion/erosion辅助建筑accessory building;subsidiary building辅助框架sub-frame复合铝塑板composite aluminumplastic负的,否定的Negative负风压区negative wind pressurearea负荷load; bear负荷等级load grade负剪力negative shear负弯矩negative bending moment 负值negative value附加费用extra charges附加荷载additional load附加建筑additional building附加条款additional clause附加弯矩secondary moment附属结构accessory structure附图attached drawings概率probability干挂石granite cladding干密封gasket sealed干燥剂desiccant杆件Member感压胶带,压敏胶带PSA(pressure sensitive adhesive)tape钢板steel panel钢度rigidty;inflexibility钢化的Tempered钢化玻璃tempered glass;钢化中空玻璃tempered insulated glass钢化中空Low-E玻璃tempered insulated Low-E glass钢化透明玻璃tempered clear/transparent glass钢结构式点支承幕墙Steel structure point supporting curtain wall钢筋reinforced bar钢筋混凝土reinforced concrete钢拉索steel cable钢码steel bracket刚性Rigidity刚性垫层rigid fill刚性结点rigid joint刚性结构rigid structure刚性绝缘体Rigid Insulation刚性支承rigid support高层建筑high-rise building高度height 高级碳纤维high-grade carbon fibre高温防火密封胶fire stop sealant高温防火岩棉fire stop wool高温喷涂pyrolytic coating高温喷涂浮尘玻璃pyrolytic-coatedfloat glass隔断partition隔断衬板partition lining隔热玻璃(单元)insulating glassunit隔热衬垫insulation blanket隔热挡板thermal baffle隔热数值thermal/insulation value格构diagrid; lattice;trellis格构分格panel格构结构latticed structure格栅grille格子,网格Grid隔板,隔舱Bulkhead隔片Spacer隔音Acoustic attenuation隔声玻璃acoustical glass隔声材料acoustical material隔声要求acoustic requirement个别的Individual根据According to工程(技术)Engineering工程,项目project工程,工作works工程编号(project number)工程拨款project appropriation工程测量engineering survey工程进度progress of works工程项目construction item工程造价construction cost工地site工地质量控制经理on-site qualitycontrol manager工艺workmanship工艺说明书workmanshipspecification工形…I; I-shaped; I-head工形柱H Column公差tolerance供电系统power supply system供货商supplier供暖heating供暖系统heating system供应supply; provide; furnish; offer公共通道public passage公共照明public lighting供货商supplier公料male extrusion公制metric拱肩spandrel拱肩玻璃spandrel glass共振,回声Resonance沟槽,刻槽Groove构件component/member/element构件式玻璃幕墙component glasscurtain wall固定端fixed end固定爪spider fixing故障defect刮刀spatula刮痕scratch挂钩hook挂件bracket, hanger管道,沟渠Conduit管件系统ductwork管井Shaft管状的,空心的Tubular惯性inertia惯性矩inertia moment光电幕墙photoelectric curtain wall光泽Gloss规定specify规定标准specified standards规范specifications/code硅胶嵌缝Silicone joint硅树脂silicone硅酮结构密封胶structural siliconesealant硅酮密封剂silicone sealant硅酮耐候密封胶weather proofingsealant滚动痕迹roller mark过道passageway; corridor过梁Lintel过滤网Filter netH型钢H-type steel含沥青的Bituminous函数Function罕遇地震rare earthquake焊缝Welding line焊接标准welding standards合同签订award of contract合页hinge荷载,加载load荷载计算load calculation荷载模量load modulus荷载组合load combination恒荷载dead load桁架truss; girder横龙骨transom横向的Transverse后片玻璃second lite护栏Guardrail划痕scratch(es)花岗岩granite花岗岩维护,干挂石granite cladding滑动门Sliding door滑动玻璃门sliding glass panel door 滑移Drift环保的environmental friendly缓冲板,挡板Baffle缓冲结构buffer structure缓和mitigation回转,旋转Gyration混合物composite混凝土Concrete混凝土蠕变和收缩Concrete creep and shrinkage混凝土外包Concrete encasement 活动窗operable window活荷载live load基本参数basic parameter基本风压basic wind pressure基本竣工substantial completion基本平面,海平面Base level基础设施Infrastructure 基准值Reference value基准位置reference location基座Plinth激活Activation机械通风百叶mechanicalventilation louvers机械装备mechanical equipment机制螺钉machine screw机制螺栓machine bolt集水槽gutter集中荷载concentrated load;pointload极限值extreme value几何参数geometry coefficient几何图形geometry挤压硅胶extruded silicone挤压铝型材aluminum extrusion挤压应力pressure stress技术规范technical specification技术设计Design Development技术性能technical performance技术要求technical requirements计划,平面图,设计图Plan计划的,打算的Purposed技术的,工业的Technical计算高度Calculating Height计算书engineering calculation;计算系数computing coefficient加工容差fabrication tolerance加工商fabricator加工图fab. drawing加强棒,泡沫棒Backer rod加强层Diaphragm加强件,加固物Reinforcement加强角片,防滑片Cleat加强片Stiffener加强肋reinforcing rib加热线heating cable加速度Acceleration夹层interlayer夹层的,夹胶的Laminated夹层玻璃laminated glass/laminate夹胶玻璃laminated glass夹丝玻璃Wired glass夹具fixture; clamp甲级Grade A甲(一)级资质Grade Acertification/qualification甲级建筑幕墙专项设计资质GradeA certification of Curtain WallDesign架空地板系统Raised floor system监理Supervision Company兼容compatible兼容性compatibility兼容性测试compatibility test间隙gap/clearance间隔条spacer间距spacing剪力shear force剪力墙Shear wall剪切shear剪切面shear front检修孔access hole简支梁free beam;simplysupported beam溅涂浮法玻璃sputter-coated floatglass建设单位Owner建筑钢结构architectural steelwork建筑设计顾问architectural designconsultant建筑主体primary structure建筑主体混凝土primary structureconcrete建筑主体钢结构primary steelstructure交错排列形式staggered pattern交底submittal交点crossing point/ meetingpoint/node/intersecting point交货deliver/delivery胶带Adhesive tape胶条gasket胶合板Plywood角度angle角钢Angle steel角焊缝fillet weld。
门窗号编制规定
XY0000xZ
X –材质 M:木质
G:钢质(避难层外门)
LB:铝和金玻璃
Y –门/窗 M:门
C:窗
0000:门的宽高(地上部分门高均为2400,地下部分门高均为2200)x - a:带透明的防火玻璃窗(用于走道和楼梯间的防火门)b:带推杠锁(用于商业疏散楼梯门)
g:隔声门(用于设备机房门)
w:保温门(用于避难层的外门)
x:吸附式防火门
j:电气小间检修门
t:卫生间门
c:残疾人卫生间门
s:双扇门
sa:大小扇双扇门
Z - 防火等级
甲:甲级防火门(防火墙上的门,电气机房门,设备机房门)
乙:乙级防火门(疏散楼梯及其前室门)
丙:丙级防火门(管井检修门)
S-XX-0?
S –楼梯
XX –C1/C2/C3/C4核心筒
QF:裙房
0? -序号
电梯编号
A1 A2 A3……主楼低区
B1 B2 B3……主楼中区
C1 C2 C3……主楼高区
D1 D2 D3……附楼
X1 X2 X3……消防电梯
A1w B1w……无障碍电梯加后缀w 扶梯编号
ES0?
ES:扶梯
0?:序号
卫生间编号
T-XX-0?
T –卫生间
XX –C1/C2/C3核心筒
0? -序号
SF –送风
PF –排风
HF –回风
PY –排烟
JA –加压送风SJ –水井QD –强电
RD –弱电。
门窗术语代号及门窗术语代号组合规定参考件文件编码(GHTU-UITID-GGBKT-POIU-WUUI-8968)附录C门、窗术语代号及门窗术语代号组合规定(参考件)C.1门窗术语代号C.1.1门MC.1.1.1按用途分类a.内门NMb.外门WMc.防火门FMd.隔声门GMe.保温门BMf.冷藏门LMg.安全门AMh.防护门HMi.屏蔽门PMj.防射线门RMk.防风砂门SMl.密闭门MMm.泄压门EMn.壁橱门CMo.变压器间门YMp.围墙门QMq.车库门KMr.保险门XMt.检修门JMC.1.1.2按开启分类a.平开门PMb.弹簧门HMc.推拉门TMd.折叠门ZMe.上翻门FMf.提升门SMg.卷门JMh.转门XMi.自动门DMj.偏心门EMk.固定门GMC.1.1.3按构造分类a.夹板门JMb.镶板门XMc.拼板门PMd.实拼门AMe.镶玻璃门BMf.玻璃门LMg.格栅门GMh.百叶门YMj.连窗门CMC.1.2窗CC.1.2.1按用途分类a.防火窗FCb.隔声窗GCc.保温窗BCd.防护窗HCe.屏蔽窗PCf.防射线窗RCg.防风砂窗SCh.密闭窗MCi.泄压窗ECj.传递窗QCk.观察窗CCl.亮窗LCm.换气窗VCC.1.2.2按开启分类a.平开窗PCb.推拉窗TCc.折叠窗ZCd.上悬窗SCe.中悬窗CCg.立转窗LCh.滑轴窗HCi.固定窗GCC.1.2.3按构造分类a.单层窗DCb.双层窗SCc.双玻窗BCd.三层窗CCe.带形窗XCf.子母扇窗ZCg.组合窗HCh.落地窗LCi.百叶窗YCj.带纱扇窗ACC.1.3天窗TCC.1.3.1按形式分类a.平天窗PTCb.采光罩ZTCc.采光板BTCd.采光带DTCe.三角形天窗STCf.矩形天窗JTCg.M形天窗MTCh.锯齿形天窗QTCi.下沉式天窗XTCj.避风天窗FTCC.1.3.2按开启分类a.上悬式天窗STCb.中悬式天窗ZTCc.立转式天窗LTCd.开敞式天窗KTCe.固定开窗GTCf.百叶天窗BTCC.1.4门、窗及天窗的开关用附件a.手动开关器SKb.电动开关器DKc.气动开关器QKd.窗台板CBe.门(窗)帘盒M(C)Hf.门(窗)帘杆M(C)Gg.门(窗)帘圈M(C)Qh.窗栅CSC.1.5门、窗用料术语代号a.钢Gb.钢(实腹料)G(S)c.钢(空腹料)G(K)d.不锈钢G(B)e.钢木GMf.木Mg.铝Lh.铝合金L(H)i.塑料Sj.玻璃纤维增强塑料S(B)k.钢筋混凝土Hl.钢筋混凝土木HMm.钢筋混凝土钢HGn.铜To.镍Np.锌合金X(H)q.铬RC.2门、窗术语代号组合规定按C.1代号根据需要可组合使用,组合顺序为:用途/形式/开启/构造/用料/共同附件,如只用其中二、三项也按其次序组合,组合时采用代号的前一个字母,门、窗、天窗在组合词最后加M、C或TC。
资料范本本资料为word版本,可以直接编辑和打印,感谢您的下载门、窗术语代号及门窗术语代号组合规定(参考件)地点:__________________时间:__________________说明:本资料适用于约定双方经过谈判,协商而共同承认,共同遵守的责任与义务,仅供参考,文档可直接下载或修改,不需要的部分可直接删除,使用时请详细阅读内容附录C门、窗术语代号及门窗术语代号组合规定(参考件)C.1门窗术语代号C.1.1门MC.1.1.1按用途分类a.内门NMb.外门WMc.防火门FMd.隔声门GMe.保温门BMf.冷藏门LMg.安全门AMh.防护门HMi.屏蔽门PMj.防射线门RMk.防风砂门SMl.密闭门MMm.泄压门EMn.壁橱门CMo.变压器间门YMp.围墙门QMq.车库门KMr.保险门XMs.引风门DMt.检修门JMC.1.1.2按开启分类a.平开门PMb.弹簧门HMc.推拉门TMd.折叠门ZMe.上翻门FMf.提升门SMg.卷门JMh.转门XMi.自动门DMj.偏心门EMk.固定门GMC.1.1.3按构造分类a.夹板门JMb.镶板门XMc.拼板门PMd.实拼门AMe.镶玻璃门BMf.玻璃门LMg.格栅门GMh.百叶门YMi.带纱扇门SMj.连窗门CMC.1.2窗CC.1.2.1按用途分类a.防火窗FCb.隔声窗GCc.保温窗BCd.防护窗HCe.屏蔽窗PCf.防射线窗RCg.防风砂窗SCh.密闭窗MCi.泄压窗ECj.传递窗QCk.观察窗CCl.亮窗LCm.换气窗VCC.1.2.2按开启分类a.平开窗PCb.推拉窗TCc.折叠窗ZCd.上悬窗SCe.中悬窗CCf.下悬窗XCg.立转窗LCh.滑轴窗HCi.固定窗GCC.1.2.3按构造分类a.单层窗DCb.双层窗SCc.双玻窗BCd.三层窗CCe.带形窗XCf.子母扇窗ZCg.组合窗HCh.落地窗LCi.百叶窗YCj.带纱扇窗ACC.1.3天窗TCC.1.3.1按形式分类a.平天窗PTCb.采光罩ZTCc.采光板BTCd.采光带DTCe.三角形天窗STCf.矩形天窗JTCg.M形天窗MTCh.锯齿形天窗QTCi.下沉式天窗XTCj.避风天窗FTCC.1.3.2按开启分类a.上悬式天窗STCb.中悬式天窗ZTCc.立转式天窗LTCd.开敞式天窗KTCe.固定开窗GTCf.百叶天窗BTCC.1.4门、窗及天窗的开关用附件a.手动开关器SKb.电动开关器DKc.气动开关器QKd.窗台板CBe.门(窗)帘盒M(C)Hf.门(窗)帘杆M(C)Gg.门(窗)帘圈M(C)Qh.窗栅CSC.1.5门、窗用料术语代号a.钢Gb.钢(实腹料)G(S)c.钢(空腹料)G(K)d.不锈钢G(B)e.钢木GMf.木Mg.铝Lh.铝合金L(H)i.塑料Sj.玻璃纤维增强塑料S(B)k.钢筋混凝土Hl.钢筋混凝土木HMm.钢筋混凝土钢HGn.铜To.镍Np.锌合金X(H)q.铬RC.2门、窗术语代号组合规定按C.1代号根据需要可组合使用,组合顺序为:用途/形式/开启/构造/用料/共同附件,如只用其中二、三项也按其次序组合,组合时采用代号的前一个字母,门、窗、天窗在组合词最后加M、C或TC。
建筑门窗教材一、概述(一)常用建筑外门窗的标准(编号)及定义1、《铝合金门窗》GB/T 8478-20082、《未增塑聚氯乙烯(PVC-U)塑料窗》JG/T 140-2005《未增塑聚氯乙烯(PVC-U)塑料门》JG/T 180-20053、《钢塑共挤门窗》JG/T 207-20074、《钢门窗》GB/T 20909-20075、《建筑木门、木窗》JG/T 122-2000(除建筑木门、木窗,其它产品三性试验方法基本一致)1、未增塑聚氮乙烯(PVC-U)塑料窗:由未增塑聚氯乙烯(PVC-U)型材按规定要求使用增强型钢制作的窗。
2、铝合金门窗:采用铝合金建筑型材制作框、扇杆件结构的门、窗的总称。
3、钢塑共挤门窗:由钢塑共挤微发泡型材按规定要求制作的门窗。
4、钢窗:用钢质型材、板材(或以钢质型材、板材为主)制作框、扇结构的窗。
5、木窗:指用木材或木质人造板为主要材料制作窗框、窗扇的窗(二)建筑外窗的构成、分类1、按组成材料包括:型材、玻璃、紧固件及五金配件、窗纱、密封及弹性材料;2、按构配件分:窗框、窗扇(固定扇、活动扇)、五金配件等;3、按功能分:普通型、隔声型、保温型、遮阳型;4、按开启方式分:平开旋转类、推拉平移类、折叠类。
(三)常用术语和定义依据《建筑门窗术语》GB/T 5823-2008,列举以下常用术语和定义关于门窗框的定义1、框:用于安装门窗活动扇和固定部分(固定扇、玻璃或镶板),并与门窗洞口或附框连接固定的门窗杆件系统。
2、附框:预埋或预先安装在门窗洞口中,用于固定门窗的杆件系统。
3、上框:窗框构架的上部横向杆件。
4、边框:窗框构架的两侧边部竖向杆件。
5、下框:门窗框构架的底部横向杆件。
关于窗扇的定义1、平开窗扇:带有合页(铰链)或旋转轴的窗组件。
2、推拉窗扇:可沿垂直或水平方向平移的窗组件。
3、活动扇:安装在门窗框上的可开启和关闭的组件。
4、平口扇:周边没有企口凸边的扇。
5、可开启部分:门或窗中的活动扇的总称。
附录C门、窗术语代号及门窗术语代号组合规定(参考件)
C.1门窗术语代号
C.1.1门M
C.1.1.1按用途分类
a.内门NM
b.外门WM
c.防火门FM
d.隔声门GM
e.保温门BM
f.冷藏门LM
g.安全门AM
h.防护门HM
i.屏蔽门PM
j.防射线门RM
k.防风砂门SM
l.密闭门MM
m.泄压门EM
n.壁橱门CM
o.变压器间门YM
p.围墙门QM
q.车库门KM
r.保险门XM
s.引风门DM
t.检修门JM
C.1.1.2按开启分类
a.平开门PM
b.弹簧门HM
c.推拉门TM
d.折叠门ZM
e.上翻门FM
f.提升门SM
g.卷门JM
h.转门XM
i.自动门DM
j.偏心门EM
k.固定门GM
C.1.1.3按构造分类
a.夹板门JM
b.镶板门XM
c.拼板门PM
d.实拼门AM
e.镶玻璃门BM
f.玻璃门LM
g.格栅门GM
h.百叶门YM
i.带纱扇门SM
j.连窗门CM
C.1.2窗CC.1.2.1按用途分类a.防火窗FC
b.隔声窗GC
c.保温窗BC
d.防护窗HC
e.屏蔽窗PC
f.防射线窗RC
g.防风砂窗SC
h.密闭窗MC
i.泄压窗EC
j.传递窗QC
k.观察窗CC
l.亮窗LC
m.换气窗VCC.1.2.2按开启分类a.平开窗PC
b.推拉窗TC
c.折叠窗ZC
d.上悬窗SC
e.中悬窗CC
f.下悬窗XC
g.立转窗LC
h.滑轴窗HC
i.固定窗GCC.1.2.3按构造分类a.单层窗DC
b.双层窗SC
c.双玻窗BC
d.三层窗CC
e.带形窗XC
f.子母扇窗ZC
g.组合窗HC
h.落地窗LC
i.百叶窗YC
j.带纱扇窗ACC.1.3天窗TCC.1.3.1按形式分类
a.平天窗PTC
b.采光罩ZTC
c.采光板BTC
d.采光带DTC
e.三角形天窗STC
f.矩形天窗JTC
g.M形天窗MTC
h.锯齿形天窗QTC
i.下沉式天窗XTC
j.避风天窗FTC
C.1.3.2按开启分类
a.上悬式天窗STC
b.中悬式天窗ZTC
c.立转式天窗LTC
d.开敞式天窗KTC
e.固定开窗GTC
f.百叶天窗BTC
C.1.4门、窗及天窗的开关用附件a.手动开关器SK
b.电动开关器DK
c.气动开关器QK
d.窗台板CB
e.门(窗)帘盒M(C)H
f.门(窗)帘杆M(C)G
g.门(窗)帘圈M(C)Q
h.窗栅CS
C.1.5门、窗用料术语代号a.钢G
b.钢(实腹料)G(S)
c.钢(空腹料)G(K)
d.不锈钢G(B)
e.钢木GM
f.木M
g.铝L
h.铝合金L(H)
i.塑料S
j.玻璃纤维增强塑料S(B)
k.钢筋混凝土H
l.钢筋混凝土木HM
m.钢筋混凝土钢HG
n.铜T
o.镍N
p.锌合金X(H)
q.铬R
C.2门、窗术语代号组合规定按C.1代号根据需要可组合使用,组合顺序为:用途/形式/开启/构造/用料/共同附件,如只用其中二、三项也按其次序组合,组合时采用代号的前一个字母,门、窗、天窗在组合词最后加M、C或TC。
C.2.1举例
C.2.1.1变压器间平开空腹钢门YPG(K)M用途/开启/用料C.2.1.2矩形上悬式钢天窗JSGTC形式/开启/用料
C.2.1.3防风砂平开拼板木门SPPMM用途/开启/构造/用料C.2.1.4上悬钢天窗电动开关器SGTCDK开启/用料/共用附件。