理正深基坑软件应用参数说明
- 格式:doc
- 大小:279.00 KB
- 文档页数:20
理正深基坑软件应用参数说明深基坑软件是一种专业的地下工程设计和分析软件,广泛应用于建筑、地下工程、土木工程等领域。
在使用深基坑软件进行设计和分析时,需要设置一些参数来确保计算的准确性和可靠性。
以下是深基坑软件应用参数的说明:1.地质参数:地质参数是指对地下土壤和岩石的性质和特性进行描述的参数。
包括土壤的密度、强度、岩石的弹性模量、泊松比等。
这些参数通常需要通过实地勘探和实验室测试获得,然后输入到深基坑软件中,以便进行地下工程的设计和分析。
2.地下水参数:地下水参数对于深基坑设计和分析至关重要。
包括地下水位、地下水的渗流性质等。
地下水的渗流对基坑的稳定性和地下结构的工作状态有重要影响,因此在进行深基坑设计和分析时,需要准确地输入地下水参数。
3.边界条件:边界条件是指影响地下工程行为和性能的外部条件。
在进行深基坑设计和分析时,需要设置边界条件,包括应力边界、位移边界等。
边界条件能够影响到地下工程的稳定性和变形性能,因此需要根据实际项目情况合理设置。
4.荷载参数:荷载参数是指施加在地下工程上的外部荷载。
包括静荷载、动荷载、温度荷载等。
荷载参数是进行深基坑设计和分析时必须考虑的因素,设计师需要根据实际情况合理设置荷载参数。
5.材料参数:材料参数是指用于构建地下工程的材料的特性和性能参数。
包括混凝土的强度、钢筋的强度、土壤的弹性模量等。
准确地输入材料参数可以保证深基坑的稳定性和耐久性。
6.模型选择:深基坑软件一般提供多种模型选择,包括二维模型和三维模型。
设计师需要根据实际情况选择合适的模型进行设计和分析。
二维模型适用于简单的地下工程,而三维模型适用于复杂的地下工程。
7.计算方法:深基坑软件提供多种计算方法,包括有限元法、边坡法、数值方法等。
设计师需要根据实际情况选择合适的计算方法,以确保计算结果的准确性和可靠性。
8.输出结果:深基坑软件一般能够输出多种结果,包括应力分布、位移分布、变形分布等。
输出结果能够直观地反映地下工程的行为和性能,设计师可以根据输出结果进行合理的优化和调整。
理正深基坑软件应用参数说明1.各种支护结构计算内容排桩、连续墙单元计算包括以下内容:⑴土压力计算;⑵嵌固深度计算;⑶内力及变形计算;⑷截面配筋计算;⑸锚杆计算;⑹稳定计算:整体稳定、抗倾覆、抗隆起、抗管涌承压水验算。
其中内力变形计算、截面配筋计算及整体稳定计算与规范无关,其他计算按选择的规范采用相应计算方法。
水泥土墙单元计算包括以下内容:⑴土压力计算;⑵嵌固深度计算;⑶内力及变形计算;⑷截面承载力验算;⑸锚杆计算;⑹稳定验算:整体稳定、抗倾覆、抗滑移、抗隆起、抗管涌承压水验算。
其中内力变形计算、截面配筋计算及整体稳定计算与规范无关,其他计算按选择的规范采用相应计算方法。
土钉墙单元计算包括以下内容:⑴主动土压力计算;⑵土钉抗拉承载力计算;⑶整体稳定验算;⑷土钉选筋计算。
系统仅提供《建筑基坑支护技术规程》(JGJ 120-99)及《石家庄地区王长科法》计算方法,放坡单元计算包括以下内容:系统仅提供整体稳定验算.2.增量法和全量法?(1)全量法是4.3版本以前采用多计算方法,采用这种计算时不能任意指定工况顺序。
(注意:采用该方法会使5.0版本某些新增数据丢失。
)所谓总量法,就是在施工的各个阶段,外力是实际作用在围护结构上的有效土压力或其它荷载,在支承处应考虑设置支承前该点墙体已产生的位移。
由此就可直接求得当前施工阶段完成后围护结构的实际位移和内力。
(2)增量法:采用这种方法,可以更灵活地指定工况顺序。
所谓增量法计算,就是在各个施工阶段,对各阶段形成的结构体系施加相应的荷载增量,该增量荷载对该体系内各构件产生的内力与结构在以前各阶段中产生的内力叠加,作为构件在该施工阶段的内力,这样就能基本上真实地模拟基坑开挖的全过程。
因此,在增量法中,外力是相对于前一个施工阶段完成后的荷载增量,所求得的围护结构的位移和内力也是相对于前一个施工阶段完成后的增量,当墙体刚度不发生变化时.与前一个施工阶段完成后已产生的位移和内力叠加,可得到当前施工阶段完成后体系的实际位移和内力。
(完整word版)理正岩土软件各种全参数地设置编辑整理:尊敬的读者朋友们:这里是精品文档编辑中心,本文档内容是由我和我的同事精心编辑整理后发布的,发布之前我们对文中内容进行仔细校对,但是难免会有疏漏的地方,但是任然希望((完整word版)理正岩土软件各种全参数地设置)的内容能够给您的工作和学习带来便利。
同时也真诚的希望收到您的建议和反馈,这将是我们进步的源泉,前进的动力。
本文可编辑可修改,如果觉得对您有帮助请收藏以便随时查阅,最后祝您生活愉快业绩进步,以下为(完整word版)理正岩土软件各种全参数地设置的全部内容。
目录一、理正岩土5。
0 常见问题解答(挡墙篇) (1)二、理正岩土5.0 常见问题解答(边坡篇) (6)三、理正岩土5.0 常见问题解答(软基篇) (7)四、理正岩土5.0 常见问题解答(抗滑桩篇) (8)五、理正岩土5.0 常见问题解答(渗流篇) (10)六、理正岩土5。
0 常见问题解答(基坑支护篇) (10)一、理正岩土5.0 常见问题解答(挡墙篇)1.“圬工之间摩擦系数" 意义,如何取值?答:用于挡墙截面验算,反应圬工间的摩阻力大小.取值与圬工种类有关,一般采用0。
4(主要组合)~0。
5(附加组合),该值取自《公路设计手册》第603页。
2.“地基土的粘聚力"意义,如何取值?答:整体稳定验算时滑移面所在地基土的粘聚力,由地勘报告得到。
3.“墙背与墙后填土摩擦角"意义,如何取值?答:用于土压力计算.影响土压力大小及作用方向.取值由墙背粗糙程度和填料性质及排水条件决定,无试验资料时,参见相关资料《公路路基手册》591页,具体内容如下:墙背光滑、排水不良时:δ=0;混凝土墙身时:δ=(0~1/2)φ一般情况、排水良好的石砌墙身:δ=(1/2~2/3)φ台阶形的石砌墙背、排水良好时:δ=2/3φ第二破裂面或假象墙背时:δ=φ4.“墙底摩擦系数”意义,如何取值?答:用于滑移稳定验算。
理正深基坑支护设计软件6.5版说明书系统操作说明1 操作流程图1-1 深基坑支护结构设计流程图2 流程说明2.1 开始通过两个途径可以进入【深基坑支护结构设计软件】的主界面:⑴在开始菜单中,打开【理正深基坑】;⑵双击桌面上的快捷图标。
系统主界面如图2.1-1所示:图2.1-1 主界面2.2 路径设置有两种设置工程路径的方法:⑴在主界面设置路径:点主界面的【工作目录】按钮,弹出指定工作路径对话框,既可以从右侧上方选择路径处的树形目录中选择当前路径,也可以在工作路径文本输入框中直接输入当前的路径字符串。
然后点【确定】按钮。
⑵在单元计算界面设置路径:进入单元计算模块后,点【选工程】,弹出指定工作路径对话框,在树形目录或文本输入框中进行路径设置。
注意:1. 主界面设置的工作路径为单元计算、整体计算文件的默认路径。
同时单元计算文件还可以在单元计算模块设置的路径下保存;2. 单元计算界面与主界面设置的工作路径最好保持一致;3. 路径设置支持输入“空格”;4. 单元计算控制菜单下的“打开工程”功能同【选工程】。
2.3 单元计算和整体计算分别参见第一、二、三和四部分。
2.4 数据存盘及备份原始数据和结果数据均保存在设置的工作目录下:单元计算原始数据文件名:*.SPW;图形结果文件名:*.DXF;计算书文件名:*.RTF。
2.5 退出在单元计算界面下点击“退出”按钮或菜单,退出单元计算模块;在主界面下点击“退出”按钮或菜单,退出软件。
第一部分单元计算操作说明1 操作流程图1-1 单元计算操作流程图1.1 进入单元计算点击“”按钮,进入单元计算模块。
1.2 增加计算项目⑴第一次进入单元模块时,计算项目为空,如图1.2-1所示。
图1.2-1 单元计算输出界面⑵必须点“增”按钮,弹出图1.2-2所示模板,并从中选取计算项目。
确认后进入设计数据录入界面。
图1.2-2 项目选用模板注意:1. 已经进行过单元计算的项目,进入单元计算后,既可以点“增”按钮,从模板中增加新项目,也可从项目列表中选择已有项目(如图1.2-3所示),再点“算”直接进入数据录入界面;图1.2-3 项目选用列表2. 点“删”按钮,可删除列表中的计算项目,存放于工作路径中的该项目的工程数据将全部被删除,且无法恢复;3. “工程操作”菜单(如图1.2-4)功能同“增”、“删”和“算”按钮。
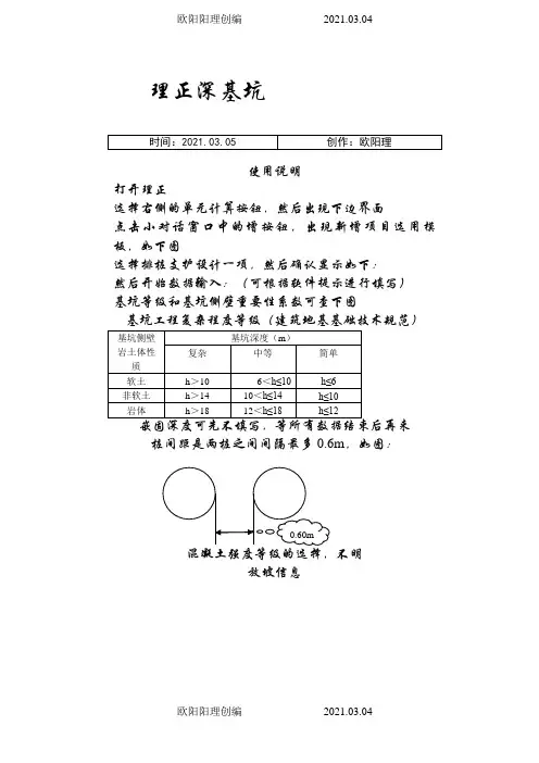
理正深基坑使用说明打开理正选择右侧的单元计算按钮,然后出现下边界面点击小对话窗口中的增按钮,出现新增项目选用模板,如下图选择排桩支护设计一项,然后确认显示如下:然后开始数据输入:(可根据软件提示进行填写)基坑等级和基坑侧壁重要性系数可查下图基坑工程复杂程度等级(建筑地基基础技术规范)桩间距是两桩之间间隔最多0.6m,如图:混凝土强度等级的选择,不明放坡信息坡度系数为放坡高宽比超载信息超载4种类型前2个均布荷载常用,后两个属于偏心荷载(不晓得什么情况用)若有作用深度,作用宽度,距坑边距就用第二个。
土层信息内侧降水最终深度和外侧水位深度2项数值一般是相同(无隔水的情况下),经验数值为基坑深度加深 1.5米土层数根据实际填写,其他项一般不变这个表根据勘察报告填写,厚度用相关孔该层平均值,与锚固体摩擦阻力可查软件中的表,宜取小值。
水土一项中土用合算,砂、砾用分算。
计算m值可根据软件提供的公式计算,如图:基坑底面位移量估计值经验选10mm,也可以根据实际选小。
点确定前注意区分水上水下。
支锚信息上图中画红圈的不用填写预加力可选择50-100,锚固体直径有150,160的(用哪个不晓得怎么选)锚固力调整系数和材料抗力调整系数都是 1.00不用改。
其它项为自己设计。
来个规范建筑基坑支护技术规程JGJ 120-991.锚杆上下排垂直间距不宜小于2.0m,水平间距不宜小于1.5m;2.锚杆锚固体上覆土层厚度不宜小于4.0m3.锚杆倾角宜为15°~25°,且不应大于45°下边是网上查来的预应力锚索布置经验:①土层锚索上下排间距不宜小于 2.5m,水平不宜小于 2.0m;岩层锚索间距宜采用3~6m;②锚索自由段伸入滑动面或潜在滑动面以外的长度不小于1m,自由锻长度不应小于4~5m;③锚固体上覆岩土体厚度不应小于 5.0m,锚固段长度不应小于 4.0m。
岩层锚索锚固段不宜大于10m。
④锚索与水平面的夹角以下倾为宜不大于35,一般15~25.全部输入完成后可点击自动生成工况,显示如下出现上图,一般为0.500注意:每次调整锚索的间距,都要重新自动生成工况。
理正深基坑支护设计软件6.5版说明书系统操作说明1 操作流程图1-1 深基坑支护结构设计流程图2 流程说明2.1 开始通过两个途径可以进入【深基坑支护结构设计软件】的主界面:⑴在开始菜单中,打开【理正深基坑】;⑵双击桌面上的快捷图标。
系统主界面如图2.1-1所示:图2.1-1 主界面2.2 路径设置有两种设置工程路径的方法:⑴在主界面设置路径:点主界面的【工作目录】按钮,弹出指定工作路径对话框,既可以从右侧上方选择路径处的树形目录中选择当前路径,也可以在工作路径文本输入框中直接输入当前的路径字符串。
然后点【确定】按钮。
⑵在单元计算界面设置路径:进入单元计算模块后,点【选工程】,弹出指定工作路径对话框,在树形目录或文本输入框中进行路径设置。
注意:1. 主界面设置的工作路径为单元计算、整体计算文件的默认路径。
同时单元计算文件还可以在单元计算模块设置的路径下保存;2. 单元计算界面与主界面设置的工作路径最好保持一致;3. 路径设置支持输入“空格”;4. 单元计算控制菜单下的“打开工程”功能同【选工程】。
2.3 单元计算和整体计算分别参见第一、二、三和四部分。
2.4 数据存盘及备份原始数据和结果数据均保存在设置的工作目录下:单元计算原始数据文件名:*.SPW;图形结果文件名:*.DXF;计算书文件名:*.RTF。
2.5 退出在单元计算界面下点击“退出”按钮或菜单,退出单元计算模块;在主界面下点击“退出”按钮或菜单,退出软件。
第一部分单元计算操作说明1 操作流程图1-1 单元计算操作流程图1.1 进入单元计算点击“”按钮,进入单元计算模块。
1.2 增加计算项目⑴第一次进入单元模块时,计算项目为空,如图1.2-1所示。
图1.2-1 单元计算输出界面⑵必须点“增”按钮,弹出图1.2-2所示模板,并从中选取计算项目。
确认后进入设计数据录入界面。
图1.2-2 项目选用模板注意:1. 已经进行过单元计算的项目,进入单元计算后,既可以点“增”按钮,从模板中增加新项目,也可从项目列表中选择已有项目(如图1.2-3所示),再点“算”直接进入数据录入界面;图1.2-3 项目选用列表2. 点“删”按钮,可删除列表中的计算项目,存放于工作路径中的该项目的工程数据将全部被删除,且无法恢复;3. “工程操作”菜单(如图1.2-4)功能同“增”、“删”和“算”按钮。
理正深基坑使用说明打开理正点击小对话窗口中的增按钮,出现新增项目选用模板,如下图选择排桩支护设计项,然后确认显示如下:说甲隼畴垣宀计L4然后开始数据输入:(可根据软件提示进行填写)基坑等级和基坑侧壁重要性系数可查下图a^*i-B ±.E^.⅛更Ia 总卫丹力计■?TiS<≡K≡tMF15⅛Stt> J⅛J ∣J⅛-MSttMEiaSI≡^>il∣QLB≡tIβ⅛H⅛)io ωoKHif≡⅛)IQOT¾ET⅛B⅛)Q m柱直fi⅛)0.9DC«M£b)I.CTC 30ff⅛MUΞ¾QO扶・⅛Sħ⅞WΛ,T⅛衍"2)%严痒式3.1.3基坑支护结构设计应根据表3・L 3选用相应的侧壁安全等级及重要性系数。
注■有特殊耍求的建放基坑侧壁安全等级町m⅛具体悄况另存扁定•嵌固深度可先不填写,等所有数据结束后再来放坡信息超载信息若有作用深度,作用宽度,距坑边距就用第二个。
土层信息内侧降水最终深度和外侧水位深度 2项数值一般是相同(无隔水的情况下),经验数值为基坑深度加深1.5米土层数根据实际填写,其他项一般不变这个表根据勘察报告填写,厚度用相关孔该层平均值,与锚固体摩擦阻力可查软件中的表,宜取小 值。
水土一项中土用合算,砂、砾用分算。
计算m 值可根据软件提供的公式计算,如图:超载4种类型坡度系数为放坡高宽比I I I用口 求m 值 '≤'基坑底面位移量估计值亦10 mmm-丄(Q2φa-φ+c) a要计算m 值的土层为:"⅝ιmnm ∣rt ι≡∣"∣Ri ι≡ιr ι∣!≡rwι「所有土层I土层参数值取值: 林水上 厂水下确定基坑底面位移量估计值经验选10mm ,也可以根据实际选小。
点确定前注意区分水上水下。
3上图中画红圈的不用填写预加力可选择 50-100 ,锚固体直径有150,160的(用哪个不晓得怎么选) 锚固力调整系数和材料抗力调整系数都是1.00不用改。
理正深基坑使用说明打开理正选择右侧的单元计算按钮,然后出现下边界面点击小对话窗口中的增按钮,出现新增项目选用模板,如下图选择排桩支护设计一项,然后确认显示如下:然后开始数据输入:(可根据软件提示进行填写)基坑等级和基坑侧壁重要性系数可查下图基坑工程复杂程度等级(建筑地基基础技术规范)基坑侧壁岩土体性质基坑深度(m)复杂中等简单软土h>10 6<h≤10h≤6非软土h>1410<h≤14h≤10岩体h>1812<h≤18h≤12嵌固深度可先不填写,等所有数据结束后再来桩间距是两桩之间间隔最多,如图:混凝土强度等级的选择,不明放坡信息坡度系数为放坡高宽比超载信息超载4种类型前2个均布荷载常用,后两个属于偏心荷载(不晓得什么情况用)若有作用深度,作用宽度,距坑边距就用第二个。
土层信息内侧降水最终深度和外侧水位深度2项数值一般是相同(无隔水的情况下),经验数值为基坑深度加深米土层数根据实际填写,其他项一般不变这个表根据勘察报告填写,厚度用相关孔该层平均值,与锚固体摩擦阻力可查软件中的表,宜取小值。
水土一项中土用合算,砂、砾用分算。
计算m值可根据软件提供的公式计算,如图:基坑底面位移量估计值经验选10mm,也可以根据实际选小。
点确定前注意区分水上水下。
支锚信息上图中画红圈的不用填写预加力可选择50-100,锚固体直径有150,160的(用哪个不晓得怎么选)锚固力调整系数和材料抗力调整系数都是不用改。
其它项为自己设计。
来个规范建筑基坑支护技术规程JGJ 120-991.锚杆上下排垂直间距不宜小于,水平间距不宜小于;2.锚杆锚固体上覆土层厚度不宜小于3.锚杆倾角宜为15°~25°,且不应大于45°下边是网上查来的预应力锚索布置经验:①土层锚索上下排间距不宜小于,水平不宜小于;岩层锚索间距宜采用3~6m;②锚索自由段伸入滑动面或潜在滑动面以外的长度不小于1m,自由锻长度不应小于4~5m;③锚固体上覆岩土体厚度不应小于,锚固段长度不应小于。
关于理正深基坑软件的使用问题及答复北京理正软件设计研究院有限公司: 我公司是贵公司开发的《理正深基坑支护结构设计软件》(F-SPW4.0)的正版用户。
我公司设计人员在使用此软件的过程中,对软件中的部分参数的取值有疑问,恐影响到对软件的正确使用,甚至影响到工程的安全,特此提出,请贵公司予以书面解答:问题1:在单元计算中,“支锚刚度”的计算公式,是否与《建筑基坑支护技术规程》(JGJ120-99)附录C公式C.1.1锚杆水平刚度系数(或者C.2.2支撑水平刚度系数)中kT 的计算公式相同?对于C.1.1的锚杆水平刚度系数,是否有必要再除以锚杆水平间距?即是否是支锚刚度=kT/锚杆水平间距答:这个问题要分锚杆和内撑两部分说对于锚杆,《规程》54页公式没有涉及间距。
而且有一个更简单的方法,软件可以自动计算,方法是:您先凭经验输入一个刚度值,计算时,计算到锚杆一项时,软件会计算出一个“锚杆刚度”,这时您点击上部的“应用刚度计算结果”按键,然后终止计算。
然后用这一刚度重新计算到锚杆一项,重复上述操作,大约如此迭代2-4次,刚度值基本不变了,这时的刚度取值就基本合理了。
对于内撑,软件不能自动计算,您可以参考《规程》55页公式C.2.2,但要注意,由于软件会用这个交互的刚度先除以前面交互的水平间距,所以您输入刚度时,只要用公式C.2.2的前半部分计算所得即可,即2αEA/L。
问题2:在单元计算中,计算结构弯矩的“弯矩折减系数”,究竟是考虑什么因素而设定的,这个系数的设定在《建筑基坑支护技术规程》(JGJ120-99)中有无相应的依据?该系数应如何取值?答:“弯矩折减系数”在《规程》中没有规定,是软件开放的一个经验系数,由用户自主交互,用于凭经验调整内力设计值大小。
如不做调整,可取1即可。
问题3:单元计算中,冠梁的“水平计算刚度”的计算公式是什么?该刚度的设定在《建筑基坑支护技术规程》(JGJ120-99)中有无相应的依据?答:冠梁的“水平计算刚度”的经验公式请参看说明书203页或软件帮助附2.5.1。
理正深基坑软件应用参数说明1.各种支护结构计算内容排桩、连续墙单元计算包括以下内容:⑴土压力计算;⑵嵌固深度计算;⑶内力及变形计算;⑷截面配筋计算;⑸锚杆计算;⑹稳定计算:整体稳定、抗倾覆、抗隆起、抗管涌承压水验算。
其中内力变形计算、截面配筋计算及整体稳定计算与规范无关,其他计算按选择的规范采用相应计算方法。
水泥土墙单元计算包括以下内容:⑴土压力计算;⑵嵌固深度计算;⑶内力及变形计算;⑷截面承载力验算;⑸锚杆计算;⑹稳定验算:整体稳定、抗倾覆、抗滑移、抗隆起、抗管涌承压水验算。
其中内力变形计算、截面配筋计算及整体稳定计算与规范无关,其他计算按选择的规范采用相应计算方法。
土钉墙单元计算包括以下内容:⑴主动土压力计算;⑵土钉抗拉承载力计算;⑶整体稳定验算;⑷土钉选筋计算。
系统仅提供《建筑基坑支护技术规程》(JGJ 120-99)及《石家庄地区王长科法》计算方法,放坡单元计算包括以下内容:系统仅提供整体稳定验算.2.增量法和全量法?(1)全量法是4.3版本以前采用多计算方法,采用这种计算时不能任意指定工况顺序。
(注意:采用该方法会使5.0版本某些新增数据丢失。
)所谓总量法,就是在施工的各个阶段,外力是实际作用在围护结构上的有效土压力或其它荷载,在支承处应考虑设置支承前该点墙体已产生的位移。
由此就可直接求得当前施工阶段完成后围护结构的实际位移和内力。
(2)增量法:采用这种方法,可以更灵活地指定工况顺序。
所谓增量法计算,就是在各个施工阶段,对各阶段形成的结构体系施加相应的荷载增量,该增量荷载对该体系内各构件产生的内力与结构在以前各阶段中产生的内力叠加,作为构件在该施工阶段的内力,这样就能基本上真实地模拟基坑开挖的全过程。
因此,在增量法中,外力是相对于前一个施工阶段完成后的荷载增量,所求得的围护结构的位移和内力也是相对于前一个施工阶段完成后的增量,当墙体刚度不发生变化时.与前一个施工阶段完成后已产生的位移和内力叠加,可得到当前施工阶段完成后体系的实际位移和内力。
理正深基坑使用说明打开理正选择右侧的单元计算按钮,然后出现下边界面点击小对话窗口中的增按钮,出现新增项目选用模板,如下图选择排桩支护设计一项,然后确认显示如下:然后开始数据输入:(可根据软件提示进行填写)基坑等级和基坑侧壁重要性系数可查下图基坑侧壁岩土体性质基坑深度(m)复杂中等简单软土h>10 6<h≤10 h≤6非软土h>14 10<h≤14 h≤10岩体h>18 12<h≤18 h≤12嵌固深度可先不填写,等所有数据结束后再来桩间距是两桩之间间隔最多0.6m,如图:混凝土强度等级的选择,不明0.60m放坡信息坡度系数为放坡高宽比超载信息超载4种类型前2个均布荷载常用,后两个属于偏心荷载(不晓得什么情况用)若有作用深度,作用宽度,距坑边距就用第二个。
土层信息内侧降水最终深度和外侧水位深度2项数值一般是相同(无隔水的情况下),经验数值为基坑深度加深1.5米土层数根据实际填写,其他项一般不变这个表根据勘察报告填写,厚度用相关孔该层平均值,与锚固体摩擦阻力可查软件中的表,宜取小值。
水土一项中土用合算,砂、砾用分算。
计算m值可根据软件提供的公式计算,如图:基坑底面位移量估计值经验选10mm,也可以根据实际选小。
点确定前注意区分水上水下。
支锚信息上图中画红圈的不用填写预加力可选择50-100,锚固体直径有150,160的(用哪个不晓得怎么选)锚固力调整系数和材料抗力调整系数都是1.00不用改。
其它项为自己设计。
来个规范建筑基坑支护技术规程JGJ 120-991.锚杆上下排垂直间距不宜小于2.0m,水平间距不宜小于1.5m;2.锚杆锚固体上覆土层厚度不宜小于4.0m3.锚杆倾角宜为15°~25°,且不应大于45°下边是网上查来的预应力锚索布置经验:①土层锚索上下排间距不宜小于2.5m,水平不宜小于2.0m;岩层锚索间距宜采用3~6m;②锚索自由段伸入滑动面或潜在滑动面以外的长度不小于1m,自由锻长度不应小于4~5m;③锚固体上覆岩土体厚度不应小于5.0m,锚固段长度不应小于4.0m。
理正深基坑使用说明理正深基坑使用说明打开理正理正廉基坑支护菇构设计號件F临珊控制旳能辅勛帝助工伍齬径.I: I 理正练单元计算^1 1— ^-1 i fJ J . TVj ——整体计算方案数:1当前方案:1 (\肥-1\采用內支撑的方案》退 出方案选择FWiS选择右侧的单 元计算 钮,然后出现下边界面点击小对话窗口中的增按钮,出现新增项目选用模 板,如下图选择排桩支护设计一项,然后确显示如下:V2JE 祥戛Ut 支护设忡?匸畔~琛蔓宛支护iJb*Q 宙 天 民 爭 退出 遗工程放大编小平坯□阀坑芟护1O ◎ ◎]ui 探基坑支护设计i[&spw u(iin.[MTi 、 増刑算1计舁商图T基坑侧基坑深度(m )然后开始数据输入:(可根据软件提示进行填写) 基坑等级和基坑侧壁重要性系数可查下图3,1.3基坑支护结构设计应根据表3・L 3选用相应的侧壁安全等级及重要性系数召基坑侧空安全等级及重雯连系数表3.L3安仝簣液破坏后杲yo一簸 支护结构破坏、L 体失稳或过大变腿对基坑周边环境及 地下结构牖1影响很严重L10二级支护结构蔽坏•土体失稳或过大变形对基坑周边环境及 地下结构施工影响一般LOO三级 支护结构破坏■上体失梯或过:丈变形对基坑周边环境廉 地下结构醐工彫响不严亜0.90注■有特殊耍求的建效基坑侧壁安全等级可根据具休情况另行确定.基坑工程复杂程度等级( 建筑地基基础技术规范 )円力计■方注曙■議I.Mi.o eno锻*题卸 1QOTo mQ.aaa*M£h)I.KW C30R?®tEKQ 0#9.^]闻性肄")KBb :iAhf-V> .. ..嵌固深度可先不填写,等所有数据结束后再来桩间距是两桩之间间隔最多0.6m,如图:混凝土强度等级的选择,不明宽比 超载信息超载4种类型 前2个均布荷载常用,后两个属于偏心荷载(不晓得 什么情况用)若有作用深度,作用宽度,距坑边距就用第二个 土层信息 内侧降水最终深度和外侧水位深度2项数值一般是相同(无隔水的情况下),经验数值为基坑深度加深1.5米土层数根据实际填写,其他项一般不变这个表根据勘察报告填写,厚度用相关孔该层平均值,与锚固体摩擦阻力可查软件中的表,宜取小值水土一项中土用合算,砂、砾用分算。
理正深基坑欧阳家百(2021.03.07)使用说明打开理正选择右侧的单元计算按钮,然后出现下边界面点击小对话窗口中的增按钮,出现新增项目选用模板,如下图选择排桩支护设计一项,然后确认显示如下:然后开始数据输入:(可根据软件提示进行填写)基坑等级和基坑侧壁重要性系数可查下图基坑侧壁岩土体性质基坑深度(m)复杂中等简单软土h>10 6<h≤10h≤6非软土h>14 10<h≤14h≤10岩体h>18 12<h≤18 h≤12嵌固深度可先不填写,等所有数据结束后再来桩间距是两桩之间间隔最多0.6m,如图:混凝土强度等级的选择,不明放坡信息坡度系数为放坡高宽比超载信息0.60m超载4种类型前2个均布荷载常用,后两个属于偏心荷载(不晓得什么情况用)若有作用深度,作用宽度,距坑边距就用第二个。
土层信息内侧降水最终深度和外侧水位深度2项数值一般是相同(无隔水的情况下),经验数值为基坑深度加深1.5米土层数根据实际填写,其他项一般不变这个表根据勘察报告填写,厚度用相关孔该层平均值,与锚固体摩擦阻力可查软件中的表,宜取小值。
水土一项中土用合算,砂、砾用分算。
计算m值可根据软件提供的公式计算,如图:基坑底面位移量估计值经验选10mm,也可以根据实际选小。
点确定前注意区分水上水下。
支锚信息上图中画红圈的不用填写预加力可选择50-100,锚固体直径有150,160的(用哪个不晓得怎么选)锚固力调整系数和材料抗力调整系数都是1.00不用改。
其它项为自己设计。
来个规范建筑基坑支护技术规程JGJ 120-991.锚杆上下排垂直间距不宜小于2.0m,水平间距不宜小于1.5m;2.锚杆锚固体上覆土层厚度不宜小于4.0m3.锚杆倾角宜为15°~25°,且不应大于45°下边是网上查来的预应力锚索布置经验:①土层锚索上下排间距不宜小于 2.5m,水平不宜小于 2.0m;岩层锚索间距宜采用3~6m;②锚索自由段伸入滑动面或潜在滑动面以外的长度不小于1m,自由锻长度不应小于4~5m;③锚固体上覆岩土体厚度不应小于 5.0m,锚固段长度不应小于 4.0m。
理正深基坑软件应用参数说明1.各种支护结构计算内容排桩、连续墙单元计算包括以下内容:⑴土压力计算;⑵嵌固深度计算;⑶内力及变形计算;⑷截面配筋计算;⑸锚杆计算;⑹稳定计算:整体稳定、抗倾覆、抗隆起、抗管涌承压水验算。
其中内力变形计算、截面配筋计算及整体稳定计算与规范无关,其他计算按选择的规范采用相应计算方法。
水泥土墙单元计算包括以下内容:⑴土压力计算;⑵嵌固深度计算;⑶内力及变形计算;⑷截面承载力验算;⑸锚杆计算;⑹稳定验算:整体稳定、抗倾覆、抗滑移、抗隆起、抗管涌承压水验算。
其中内力变形计算、截面配筋计算及整体稳定计算与规范无关,其他计算按选择的规范采用相应计算方法。
土钉墙单元计算包括以下内容:⑴主动土压力计算;⑵土钉抗拉承载力计算;⑶整体稳定验算;⑷土钉选筋计算。
系统仅提供《建筑基坑支护技术规程》(JGJ 120-99)及《石家庄地区王长科法》计算方法,放坡单元计算包括以下内容:系统仅提供整体稳定验算.2.增量法和全量法?(1)全量法是4.3版本以前采用多计算方法,采用这种计算时不能任意指定工况顺序。
(注意:采用该方法会使5.0版本某些新增数据丢失。
)所谓总量法,就是在施工的各个阶段,外力是实际作用在围护结构上的有效土压力或其它荷载,在支承处应考虑设置支承前该点墙体已产生的位移。
由此就可直接求得当前施工阶段完成后围护结构的实际位移和内力。
(2)增量法:采用这种方法,可以更灵活地指定工况顺序。
所谓增量法计算,就是在各个施工阶段,对各阶段形成的结构体系施加相应的荷载增量,该增量荷载对该体系内各构件产生的内力与结构在以前各阶段中产生的内力叠加,作为构件在该施工阶段的内力,这样就能基本上真实地模拟基坑开挖的全过程。
因此,在增量法中,外力是相对于前一个施工阶段完成后的荷载增量,所求得的围护结构的位移和内力也是相对于前一个施工阶段完成后的增量,当墙体刚度不发生变化时.与前一个施工阶段完成后已产生的位移和内力叠加,可得到当前施工阶段完成后体系的实际位移和内力。
参考理正深基坑帮助文件单元计算编制原理/内力变形计算/内力、位移计算/弹性法。
3.弹性法计算方法中的“m”法、“C”法、“K”法?桩在水平荷载作用下,其水平位移(x)越大时,侧压力(即土的弹性抗力)(σ)也越大,侧压力大小还取决于:土体的性质,桩身的刚度大小,桩的截面形状,桩的入土深度。
侧压力的大小可用如下公式表达:σ=Cx式中C——土的水平基床系数,它是反映地基土“弹性”的一个指标,表示单位面积土在弹性限度内产生单位变形时所需施加的力,其大小与地基土的类别、物理力学性质有关。
它的单位为kN/m3.C值通过各种试验方法取得,如可以对试桩在不同类别土质及不同深度实测x及σ后反算得到。
大量试验表明,基床系数C值的大小不仅与土的类别及性质有关,而且也随着深度而变化。
目前采用的基床系数分布规律的几种不同图式如图所示。
(1)基床系数C随深度成正比例增加,如图a所示,即C=mZ式中m——比例系数。
其值可以根据实验实测决定,无实测数据时,可参考表1及表2(公路规程)中的数值选用。
按此图式来计算桩在外荷载作用下各截面内力的方法通常简称为“m”法。
表1比例系数m(2)基床系数C在第一个零变位点(如图中b)以下(Z≥t时):C=K=常量当0≤Z≤t时,C沿深度成曲线变化(可近似地假定为按直线增加)。
K值可按实测确定,无实测数据时可参照表3中的数据选用。
按此图式计算桩在外荷载作用下的各截面内力的方法,通常简称为“K”法。
(2)基床系数C随深度成抛物线规律增加,(如图中c),即C=cZ0.5式中c——比例系数,其值可以根据实测确定。
无资料时,参照表2选用。
表2非岩石土的比例系数m、K、c值表表3水平向基床系数K H4.瑞典条分法、bishop法、janbu法?瑞典条分法基本原理:当按滑动土体这一整体力矩平衡条件计算分析时,由于滑面上各点的斜率都不相同,自重等外荷载对弧面上的法向和切向作用分力不便按整体计算,因而整个滑动弧面上反力分布不清楚;另外,对于Φ>0的粘性土坡,特别是土坡为多层土层构成时,求W的大小和重心位置就比较麻烦。
故在土坡稳定分析中,为便于计算土体的重量,并使计算的抗剪强度更加精确,常将滑动土体分成若干竖直土条,求各土条对滑动圆心的抗滑力矩和滑动力矩,各取其总和,计算安全系数,这即为条分法的基本原理。
该法也假定各土条为刚性不变形体,不考虑土条两侧面间的作用力。
与瑞典条分法相比,简化的毕肖普法由于考虑了条块间水平力的作用,得到的安全系数略高一些,但它同样不能满足所有的平衡条件,还不是一个严格的方法,由此产生的误差约为2%~7%。
该法假定各土条底部滑动面上的抗滑安全系数均相同,即等于滑动面的平均安全系数。
同时,将土坡稳定安全系数定义为沿整个滑裂面的抗剪强度与实际产生的剪应力之比,这不仅使安全系数的物理意义更加明确,而且使用范围更广泛,为以后非圆弧滑动分析及土条界面上条间力的各种考虑方式提供了有利条件。
由于该法计算不很复杂,精度较高,所以是目前工程中很常用的一种方法。
普遍条分法的特点是假定条块间水平作用力的位置。
在这一前提下,每个条块都满足全部静力平衡条件和极限平衡条件,滑动土体的整体力矩平衡条件也自然得到满足,而且它适用于任何滑动面而不必规定滑动面是一个圆弧面,所以称为普遍条分法。
参考理正帮助文件单元计算编制原理/稳定计算/整体稳定计算/瑞典条分法、简化bishop法、janbu法。
4.地表沉降的三角形法、指数法、抛物线法?参考《基坑工程手册》P213-216.参考理正帮助文件中单元编制计算原理/内力变形计算/3.2沉降计算。
6.稳定计算采用应力状态:总应力法和有效应力法?在选用土层参数时,应根据所选用的应力状态选择相应的参数指标。
采用总应力法,计算下滑力、抗滑力时,浸水部分土条重量采用饱和重度直接计算;采用有效应力法,计算抗滑力时,浸水部分土体需考虑空隙水压力的影响,但下滑力计算与总应力法相同。
计算公式参考理正帮助文件单元计算编制原理/稳定计算/整体稳定计算/瑞典条分法/总应力法和有效应力法。
7.有关水压力计算问题当采用水土分算时,选择全量法时,系统延续4.31版经典法土压力计算原则,基坑两侧水压力不做抵消;选择增量法或《基坑工程手册》法时,系统计算经典法土压力时,对基坑两侧水压力进行抵消,因此输出的经典法土压力结果会有所不同,但对内力结果几乎没有影响。
8.支锚刚度(MN/m)的计算?计算公式参考《建筑基坑支护技术规程》(JGJ120-99)附录C。
参考理正深基坑帮助文件单元编制原理/锚杆计算/锚杆(索)刚度计算。
以上是一个基本的计算,如果现场进行了基本了试验,则以基本试验为准。
而且有一个更简单的方法,软件可以自动计算,方法是:先凭经验输入一个刚度值,当计算到锚杆一项时,软件会计算出一个“锚杆刚度”,这时点击上部的“应用刚度计算结果”按键,然后终止计算。
接着用这一刚度重新计算到锚杆一项,如此重复迭代操作2-4次后刚度值就基本不变了,此时的刚度取值已基本合理。
对于内撑,软件不能自动计算。
可以参考《建筑基坑支护技术规程》(JGJ120-99)附录C公式C.2.2进行计算:但要注意,由于软件会用这个交互的刚度先除以前面交互的水平间距,所以输入刚度时,只要用公式C.2.2的前半部分计算所得即可,即2αEA/L。
9.计算书中锚杆内力设计值指的是什么?是材料抗力还是锚固体与土层的锚固力,还是根据土压力计算所需的材料抗力或者锚固体与土层的锚固力?是锚杆水平拉力设计值,既不是材料抗力也不是锚固力,而是结构计算得到的锚杆处的支点力。
10.锚索轴力值指的是锚索材料本身的设计值还是锚固体与土层的摩阻力值?锚索轴力值指的是锚索材料本身的设计值。
11.基坑中排桩加预应力锚杆,如何控制预应力值?1)《砼结构设计规范》中6.1.3条中规定“预应力钢筋的张拉控制应力不宜超过表6.1.3规定的张拉控制应力限值。
这是对预应力砼构件施加预应力的要求。
对于基坑中锚索(锚杆)施加预应力时,应执行《建筑基坑支护技术规程》,该《规程》中4.4.5条规定“锚杆预加力值(锁定值)应根据地层条件及支护结构变形要求确定,宜取为锚杆轴向受拉承载力设计值的0.50~0.65倍。
”注意:对锚杆轴向受拉承载力设计值。
2)如要求加预应力,可按无预应力计算一次,得到锚杆的轴力设计值,预应力取其0.5~0.65(基坑规程),再计算一次即可,此处不可迭代。
计算时,选上锚杆计算,锚杆的轴力设计值就是锚杆计算对话框中的锚杆内力实用值,锚杆内力实用值=锚杆最大内力弹性法/经典法计算值*基坑重要性系数*分项系数。
注:有些用户为了减少锚杆和锚索的长度,而施加预应力,是概念错误。
施加预应力后,如果计算的锚杆力小于预加力,取预加力;如果计算的锚杆力大于预加力,取计算的锚杆力。
所以施加预应力后,锚杆力通常大于不施加预应力时的锚杆力。
而锚杆长度是根据锚杆力计算得到的,因此施加预加力后不能缩短锚杆或锚索的长度。
施加预加力,主要是控制变形。
12.输入土层参数时,水下的C、Φ值如何确定。
地质报告中提供的固结快剪的C、Φ值有什么参考价值?固结快剪,顾名思义,就是让土体充分固结后进行快剪试验。
如果是基坑或边坡,严格要求是要做三轴剪切试验。
但好多地方都不做的,就是为了时间和钱。
固结快剪的指标,是肯定不能用于水下的,如果是粉土、砂土,折减的值较大,如果是粉质粘土,折减系数要小点,粘土的折减系数最小。
具体折减大小应该问当地有经验的工程师,他们比较熟悉当地的土质。
13.土钉墙计算中土钉墙背倾角α怎么考虑,怎么取值?将加筋部分土体看作一个重力式挡土墙,背倾角α就是这个挡墙的墙背的角度。
14.土钉长度的选择?土钉长度的三个选择,建议取局部抗拉结果,因为这样可以保证土钉的最小长度可以同时满足局部抗拉和内部稳定两项计算,如果两项都计算,这样也比较快捷。
可以更真实的反映纯内部稳定需要的土钉长度。
另外两种方式更适合于只做内部稳定计算时用。
15.经典方法与弹性方法有何区别?①经典方法:其中比较有代表性的是等值梁法,将内撑和锚杆处假定为不动的连杆支座(即不动的铰支座)。
计算出桩(墙)两侧的土压力(主动土压力及被动土压力)、水压力及其分布后,按静力平衡法计算支护构件各点的内力。
②弹性方法:将作用桩墙上的支锚点简化为弹簧,将基坑开挖面以下被动侧土体简化成水平向的弹簧,将主动侧(全桩、全墙)的土压力施加到桩墙之上。
利用有限元或其他的数值解,即可得到其内力及位移。
③两种方法的对比如下表:④两种方法不存在绝对对错和优劣问题。
由于经典法的诸多假定,如锚杆处假设成支座,被动土压力定值,不考虑变形等,使得弹性法看起来更接近真实的受力,但如果没有经验,支锚刚度,土的m 值(决定土弹簧的刚度)等取得不合适,计算出的内力就会有差异。