管片进场检验批质量验收记录
- 格式:xls
- 大小:26.00 KB
- 文档页数:1
G2-137-1 管道盾构管片制作施工检验批质量验收记录表GB 50268-20082 主控项目的计数检验项先填写“检验批主控项目计数检验记录表”(G1-1-1);检验批一般项目计数检验数据较多时,可先填写“检验批一般项目计数检验记录表”(G1-1-2),然后将计数检验结果填写在本表相应的检查结果栏内。
将两表作为本表的附页。
管道盾构管片制作施工质量验收标准(GB 50268-2008)6.7.5盾构管片制作应符合下列规定:主控项目1 工厂预制管片的产品质量应符合国家相关标准的规定和设计要求;检查方法:检查产品质量合格证明书、各项性能检验报告,检查制造产品的原材料质量保证资料。
2 现场制作的管片应符合下列规定:1) 原材料的产品应符合国家相关标准的规定和设计要求;2) 管片的钢模制作的允许偏差应符合表6.7.5-l的规定;检查方法:检查产品质量合格证明书、各项性能检验报告、进场复验报告;管片的钢模制作允许偏差按表6.7.5-1的规定执行。
3 管片的混凝土强度等级、抗渗等级符合设计要求;检查方法:检查混凝土抗压强度、抗渗试块报告。
表6.7.5-1 管片的钢模制作的允许偏差强度试块l组;每生产10环管片混凝土应留置抗渗试块1组。
4 管片表面应平整,外观质量无严重缺陷、且无裂缝;铸铁管片或钢制管片无影响结构和拼装的质量缺陷;检查方法:逐个观察;检查产品进场验收记录。
5 单块管片尺寸的允许偏差应符合表6.7.5—2的规定。
6 钢筋混凝土管片抗渗试验应符合设计要求;检查方法:将单块管片放置在专用试验架上,按设计要求水压恒压2h ,渗水深度不得超过管片厚度的l /5为合格。
检查数量:工厂预制管片,每生产50环应抽查l 块管片做抗渗试验;连续三次合格时则改为每生产l00环抽查l 块管片,再连续三次合格则最终改为200环抽查1块管片做抗渗试验;如出现一次不合格,则恢复每50环抽查1块管片,并按上述抽查要求进行试验。
填表说明
主控项目
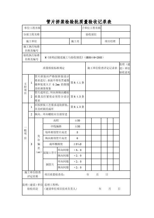
1、管片拼装应严密,表面不得有贯通裂缝、缺棱掉角现象。
检查数量:全数检查。
检查方法:观察。
2、管片成环后,环向和纵向螺栓必须再次拧紧,环缝和纵缝中的防水材料应压实,满足盾构掘进时的受力要求
检查数量:全数检查。
检查方法:观察。
管片拼装成环时,管片拼装接缝连接螺栓孔之间应按设计加设防水垫圈,其连接螺栓应先逐片逐步拧紧,脱出盾尾后再次拧紧。
当后续盾构掘进至每环管片拼装之前,应对相邻已成环的3环范围内管片螺栓进行全面检查并复紧,衬砌内表面的外露铁件防腐处理应符合要求。
环缝和纵缝中的防水材料应压实,满足盾构推进时的受力要求。
一般项目
1、管片自下而上,左右交叉安装成环,不得撞损防水材料
检查数量:抽查检查。
检查方法:观察、检查施工记录表。
2、纵向、环向螺栓应全部穿进
检查数量:全数检查。
检查方法:观察。
盾构工程混凝土预制管片进场验收监理平行检查记录主控项目
1砖强度等级设计要求MU
2砂浆强度等级设计要求M
3水平灰缝砂浆饱满度≥80%
4斜槎留置 GB50203—2002第5.2.3条
5直槎拉结筋及接槎处理 GB50203—2002第5.2.4条
1纵向受力钢筋的连接方式应符合设计要求。
2在施工现场、应按国家现行标准《钢筋机构连接通用技术规程》JGJl07、《钢筋焊接及验收规程》JGJ18的规定抽取钢筋机械连接接头、焊接接头试件作力学性能检验,其质量应符合有关规程的规定。
1钢筋的接头宜设置在受力较小处。
同一纵向受力钢筋不宜设置两个或两个以上接头。
接头末端至钢筋弯起点的距离不应小于钢筋直径的10倍。
2在施工现场,应按国家现行标准《钢筋机械连接通用技术规程》JGJ107、《钢筋焊接及验收规程》JGJ18的规定对钢筋机械连接接头、焊接接头的外观进行检查,其质量应符合有关规程的规定。
3当受力钢筋采用机械连接接头或焊接接头时,设置在同一构件内的接头宜相互错开。
4同一构件中相邻纵向受力钢筋的绑扎搭接接头宜相互错开,绑扎搭接接头中钢筋的横向净距不应小于钢筋直径。
且不应小于25mm。