石油化工设计防火规范
- 格式:docx
- 大小:37.08 KB
- 文档页数:2
石油化工企业设计防火规范GB50160-2008目录第1章总则 (2)第2章术语 (2)第3章火灾危险性分类 (4)第4章区域规划与工厂总平面布置 (4)4.1 区域规划 (4)4.2 工厂总平面布置 (6)4.3 厂内道路 (10)4.4 厂内铁路 (11)第5章工艺装置和系统单元 (11)5.1 一般规定 (11)5.2 装置内布置 (12)5.3 泵和压缩机 (16)5.4 污水处理场和循环水场 (17)5.5 泄压排放和火炬系统 (18)5.6 钢结构耐火保护 (20)5.7 其他要求 (21)第6章储运设施 (21)6.1 一般规定 (21)6.2 可燃液体的地上储罐 (21)6.3 液化烃、可燃气体、助燃气体的地上储罐 (24)6.4 可燃液体、液化烃的装卸设施 (26)6.5 灌装站 (27)6.6 厂内仓库 (27)第7章管道布置 (28)7.1 厂内管线综合 (28)7.2 工艺及公用物料管道 (28)7.3 含可燃液体的生产污水管道 (29)第8章消防 (30)8.1 一般规定 (30)8.2 消防站 (30)8.3 消防水源及泵房 (31)8.4 消防用水量 (31)8.5 消防给水管道及消火栓 (33)8.6 消防水炮、水喷淋和水喷雾 (34)8.7 低倍数泡沫灭火系统 (34)8.8 蒸汽灭火系统 (35)8.9 灭火器设置 (35)8.10 液化烃罐区消防 (36)8.11 建筑物内消防 (37)8.12 火灾报警系统 (39)第9章电气 (39)9.1 消防电源、配电及一般要求 (39)9.2 防雷 (40)9.3 静电接地 (40)附录A 防火间距起止点 (40)本规范用词说明 (41)第1章总则1.0.1 为了防止和减少石油化工企业火灾危害,保护人身和财产的安全,制定本规范。
1.0.2 本规范适用于石油化工企业新建、扩建或改建工程的防火设计。
1.0.3 石油化工企业的防火设计除应执行本规范外,尚应符合国家现行的有关标准的规定。
石油化工企业设计防火规范GB50160-92(1999 年版)第一章总则第1.0.1条为了保障人身和财产的安全,在石油化工企业设计中,贯彻“预防为主,防消结合”的方针,采取防火措施,防止和减少火灾危害,特制定本规范。
第1.0.2条本规范适用于以石油、天然气及其产品为原料的石油化工新建、扩建或改建工程的防火设计。
第1.0.3条石油化工企业的防火设计应按本规范执行;本规范未作规定者,应符合有关现行国家标准规范的要求或规定第二章可燃物质的火灾危险性分类第2.0.1条可燃气体的火灾危险性,应按表工0」分类。
可燃气体的火灾危险性分类举例见本规范附录二。
第2.0.2条液化烃、可燃液体的火灾危险性分类,应符合下列规定:一、液化烃、可燃液体的火灾危险性,应按表2.0.2分类;二、操作温度超过其闪点的乙类液体,应视为甲B类液体;三、操作温度超过其闪点的丙类液体,应视为乙人类液体。
液化烃、可燃液体的火灾危险性分类举例,见本规范附录三。
第2.0.3条固体的火灾危险性分类,应按现行国家标准《建筑设计防火规范》的有关规定执行。
甲、乙、丙类固体的火灾危险性分类举例,见本规范附录四。
第三章区域规划与工厂总体布置第一节区域规划第3.1.1条在进行区域规划时,应根据石油化工企业及其相邻的工厂或设施的特点和火灾危险性,结合地形,风向等条件,合理布置。
第3.1.2条石油化工企业的生产区,宜位于邻近城镇或居住区全年最小频率风向的上风侧。
第3.1.3条在山区或丘陵地区,石油化工企业的生产区应避免布置在窝风地带。
第3.1.4条石油化工企业的生产区沿江河岸布置时,宜位于邻近江河的城镇、重要桥梁、大型锚地、船厂等重要建筑物或构筑物的下游。
第3.1.5条石油化工企业的液化烃或可燃液体的罐区邻近江河、海岸布置时,应采取防止泄漏的可燃液体流入水域的措施。
第3.1.6条公路和地区架空电力线路,严禁穿越生产区。
区域排洪沟不宜通过厂区。
第3.1.7条石油化工企业与相邻工厂或设施的防火间距,不应小于表的规定。
石油化工企业设计防火规范第一章总则第1.0.1条为了保障人身和财产的安全,在石油化工企业设计中,贯彻"预防为主,防消结合"的方针,采取防火措施,防止和减少火灾危害,特制定本规范。
第1.0.2条本规范适用于以石油或天然气为原料的石油化工企业新建、扩建或改建工程的防火设计。
第1.0.3条石油化工企业的防火设计应按本规范执行;本规范未作规定者,应符合有关现行国家标准规范的要求或规定。
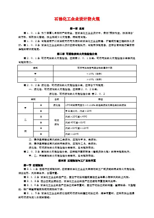
第二章可燃物质的火灾危险性分类第2.0.1条可燃气体的火灾危险性,应按表2.0.1分类。
可燃气体的火灾危险性分类举例见本规范附录二。
类别可燃气体与空气混合物的爆炸下限甲<10%(体积)乙≥10%(体积)第2.0.2条液化烃、可燃液体的火灾危险性分类,应符合下列规定:一、液化烃、可燃液体的火灾危险性,应按表2.0.2分类;液化烃、可燃液体的火灾危险性分类表2.0.2类别名称特征甲A 液化烃15℃时的蒸气压力>0.1MPa的烃类液体及其他类似的液体B可燃液体甲A类以外,闪点<28℃乙A 闪点≥28℃至≤45℃B 闪点45℃至<60℃丙A 闪点≥60℃至≤120℃B 闪点>120℃二、操作温度超过其闪点的乙类液体,应视为甲B,类液体;三、操作温度超过其闪点的丙类液体,应视为乙A,类液体。
液化烃、可燃液体的火灾危险性分类举例,见本规范附录三。
第2.0.3条固体的火灾危险性分类,应按现行国家标准《建筑设防火规范》的有关规定执行。
甲、乙、丙类固体的火灾危险性分类举例,见本规范附录四。
第三章区域规划与工厂总体布置第一节区域规划第3.l.1条在进行区域规划时,应根据石油化工企业及其相邻的工厂或设施的特点和火灾危险性,结合地形、风向等条件,合理布置。
第3.I.2条石油化工企业的生产区,宜位于邻近城镇或居住区全年最小频率风向的上风侧。
第3.I.3条在山区或丘陵地区,石油化工企业的生产区应避免布置在窝风地带。
第3.I.4条石油化工企业的生产区沿江河岸布置时,宜位于邻近江河的城镇、重要桥梁、大型锚地、船厂等重要建筑物或构筑物的下游。
石油化工企业设计防火规范2023-10-26contents •引言•石油化工企业火灾危险性分析•石油化工企业防火设计原则与标准•消防设施与器材配置•日常防火管理措施与应急预案•结论与展望目录01引言石油化工企业的火灾事故历史和影响火灾事故的原因和特点国家和社会对石油化工企业火灾安全的关注和要求背景介绍规范目的和意义提高石油化工企业的火灾安全性能保障人民生命财产安全和环境安全规范石油化工企业设计防火的必要性02石油化工企业火灾危险性分析易燃易爆物质石油化工企业生产过程中涉及大量的易燃易爆物质,如原油、成品油、天然气、芳烃等,这些物质在储存和运输过程中容易发生泄漏和挥发,形成火灾隐患。
火灾危险源识别高温高压设备石油化工企业的高温高压设备如反应器、蒸馏塔、管道等,在运行过程中容易因为温度、压力等参数控制不当而引发火灾事故。
电力设施石油化工企业的电力设施如变压器、电缆、电机等,在运行过程中可能因为过载、短路、接触不良等原因引发火灾事故。
根据火灾危险源的数量、类型和分布情况,对石油化工企业的火灾危险性进行分类和评估,为企业的防火设计提供依据。
对不同火灾危险源的燃烧特性、爆炸特性、毒性等进行评估,确定其可能对人员、财产和环境造成的危害程度。
火灾危险性分类与评估对国内外石油化工企业发生的典型火灾事故进行原因分析,总结经验教训,为企业的防火设计提供参考。
分析火灾事故对企业生产、人员安全和环境的影响,提出相应的防范措施和应急预案。
火灾事故案例分析03石油化工企业防火设计原则与标准总结词:防火间距是指不同类型建筑物之间或建筑物与设备之间应保持的最小距离,以确保火灾不会蔓延。
布局则是指建筑物内部的空间分布和建筑物之间的相对位置关系,以满足防火安全要求。
详细描述 1. 不同类型建筑物之间的防火间距应符合规范要求,如石油化工企业中的厂房、仓库、罐区等之间应保持一定的距离。
2. 建筑物内部的布局应合理规划,避免狭长走廊、死角等不利于人员疏散和火灾扑救的设计。
石油化工企业设计防火规范
石油化工企业在设计防火规范时,应考虑以下几个方面:
1. 建筑布局:石油化工企业的建筑布局应尽量远离居民区和其他易燃易爆物品存放区,同时建筑之间的距离应满足相关安全要求,以降低火灾蔓延的风险。
2. 材料选用:建筑材料应选择防火性能良好的材料,例如使用耐火砖或防火板等材料来加强建筑物的防火性能。
3. 防火隔离:将危险区域、仓库和办公区域等进行分隔并设置防火隔离设施,如设立防火墙、防火门等,以保证火灾发生时的安全逃生通道。
4. 防火设施:石油化工企业应配置灭火器、消防栓、喷淋系统等防火设施,并定期检查和维护,确保其正常运行。
5. 电气设备防火:石油化工企业的电气设备应符合相关的
防火要求,并应定期进行维护和检查,避免因电气故障引
发火灾。
6. 定期演练:石油化工企业应定期组织员工进行火灾应急
演练,提高员工的防火意识和应对火灾的能力。
7. 管理制度:石油化工企业应建立健全的防火管理制度,
包括明确责任、防火巡检、消防安全教育培训等,以保证
防火工作的有效实施。
以上是设计石油化工企业防火规范时需要考虑的一些方面,具体规范还需要根据相关法律法规和行业标准进行制定。
石油化工企业设计防火标准1. 设计原则和目标(1)强调安全第一的原则,确保人员生命安全和财产安全。
(2)确立预防和控制火灾的主要目标,包括防止火灾发生、控制火势蔓延和扩大。
(3)保护重要设备和关键设施,防止火灾对生产和环境造成严重影响。
2. 防火区划和布局(1)根据石油化工企业的特点和工艺流程,划分不同的防火区域。
(2)确定防火墙、防火门、防火分区等设施的布置和数量。
(3)考虑疏散通道和紧急出口的设置,确保人员能够迅速安全地撤离。
3. 防火建筑材料和设备(1)选用符合阻燃要求的建筑材料,如防火墙材料、防火玻璃等。
(2)安装自动喷水系统、消防栓、灭火器等设备,确保火灾及时得到控制。
(3)考虑使用防爆设备和防爆电器,减少火源和火灾扩散的风险。
4. 灭火系统和装置(1)确定灭火系统的类型和数量,如固定灭火系统、泡沫灭火系统等。
(2)考虑配备手动灭火器和灭火器的放置位置。
(3)设置火灾报警系统和自动疏散系统,发现火灾后能及时报警和引导疏散。
5. 电气安全(1)符合国家电气安全标准,遵循电气设计规范。
(2)使用防爆电器和防爆设备,确保电气设备的安全可靠。
(3)定期检查和维护电气设备,防止电路短路和火灾风险。
6. 防火管控和应急预案(1)实施火灾隐患排查和整改,确保生产区域的防火安全。
(2)制定完善的应急预案,明确各种火灾情况下的处理措施和责任分工。
(3)组织定期演练和培训,提高员工的火灾应急响应能力。
7. 与相关部门的合作(1)建立与消防、安监等相关部门的沟通和合作机制。
(2)定期进行联合执法和检查,确保企业的防火措施符合法律法规要求。
(3)及时报告和配合相关部门的监管和指导工作。
8. 监测和改进(1)配置火焰和烟雾探测器,及时发现火灾隐患和报警。
(2)进行火灾事故调查和分析,总结经验教训,不断改进防火措施。
(3)关注新的防火技术和设备,及时引进和应用。
需要根据具体企业情况、国家法律法规和行业标准进行相应的调整和补充,确保提供全面、准确和可靠的防火标准。
石油化工设计防火规范
一、防火技术设计要求
(一)单元工厂防火设计应遵循国家建筑防火条例以及《石油化工工厂防火规则》的有关规定,并应合理利用现有相关技术。
(二)防火设计应实行火灾识别区域划分制度,选择合理的防火墙,达到防护要求,并且定位明确。
(三)设计时,应设计防火限值、距墙面和隔断距离、防火墙材料等,以防控火灾风险。
同时,应采用抗热隔离材料,减少热传导。
(四)防火设计的安全间隔应符合室内消防防火设施的通道位置要求,安全间隔(1~2小时)是耐火结构房间的距离,耐火设施应在防火分区的安全距离后。
(五)其他应考虑的设计条件:应考虑除火源外的火灾危险因素,包括热带木材建筑材料等;在风险和危害性较高的地方应使用耐火材料;防火技术设计中重点应关注管道护罩、管道阻燃等方面;对营业空间要求释放足够的烟感出口,增加警报部件;所有安装的消火栓应加固地脚和上部管道;明火地点应按要求安装消防设备。
石油化工企业设计防火规第一章总则第1.0.1条为了保障人身和财产的安全,在石油化工企业设计中,贯彻"预防为主,防消结合"的方针,采取防火措施,防止和减少火灾危害,特制定本规。
第1.0.2条本规适用于以石油或天然气为原料的石油化工企业新建、扩建或改建工程的防火设计。
第1.0.3条石油化工企业的防火设计应按本规执行;本规未作规定者,应符合有关现行国家标准规的要求或规定。
第二章可燃物质的火灾危险性分类第2.0.1条可燃气体的火灾危险性,应按表2.0.1分类。
可燃气体的火灾危险性分类举例见本规附录二。
第2.0.2条液化烃、可燃液体的火灾危险性分类,应符合下列规定:一、液化烃、可燃液体的火灾危险性,应按表2.0.2分类;液化烃、可燃液体的火灾危险性分类表2.0.2二、操作温度超过其闪点的乙类液体,应视为甲B,类液体;三、操作温度超过其闪点的丙类液体,应视为乙A,类液体。
液化烃、可燃液体的火灾危险性分类举例,见本规附录三。
第2.0.3条固体的火灾危险性分类,应按现行国家标准《建筑设防火规》的有关规定执行。
甲、乙、丙类固体的火灾危险性分类举例,见本规附录四。
第三章区域规划与工厂总体布置第一节区域规划第3.l.1条在进行区域规划时,应根据石油化工企业及其相邻的工厂或设施的特点和火灾危险性,结合地形、风向等条件,合理布置。
第3.I.2条石油化工企业的生产区,宜位于邻近城镇或居住区全年最小频率风向的上风侧。
第3.I.3条在山区或丘陵地区,石油化工企业的生产区应避免布置在窝风地带。
第3.I.4条石油化工企业的生产区沿江河岸布置时,宜位于邻近江河的城镇、重要桥梁、大型锚地、船厂等重要建筑物或构筑物的下游。
第3.1.5条石油化工企业的液化烃或可燃液体的罐区邻近江河、海岸布置时,应采取防止泄漏的可燃液体流入水域的措施。
第3.1.6条公路和地区架空电力线路,严禁穿越生产区。
区域排洪沟不宜通过厂区。
第3.I.7条石油化工企业与相邻工厂或设施的防火间距,不应小于表3.1.7的规定。
gb50160-2018石油化工企业设计防火规范1. 引言gb50160-2018《石油化工企业设计防火规范》是为了确保石油化工企业在设计和建设阶段符合防火安全要求而制定的。
本规范适用于石油化工企业生产、储存、使用等各个环节的防火设计。
2. 术语和定义2.1 石油化工企业:指从事石油、化学品及石油化工产品的生产、加工、贮存、运输、销售等活动的单位。
2.2 防火设计:指石油化工企业在施工前进行的关于防火要求的设计工作,包括建筑及设备布置、消防系统设计等内容。
2.3 防火安全评估:指对石油化工企业的防火情况进行评估,确定防火安全等级的过程。
2.4 防火安全等级:根据石油化工企业的危险性和防护程度而确定的一种分类方法,包括高、中、低三个等级。
2.5 防火隔离:指对石油化工企业内危险物质进行隔离的措施,以减少火灾蔓延的可能性。
3. 防火设计原则3.1 安全原则 - 设计防火应以人身安全为首要考虑,确保人员在紧急情况下的安全疏散。
- 设计防火应保证设备、材料的安全性。
3.2 隔离原则 - 确保不同危险性物质之间的隔离,防止火灾蔓延。
- 隔离距离应符合规范要求。
3.3 墙体材料和结构原则 - 墙体选用耐火材料,尽量阻止火焰蔓延。
- 墙体结构应符合规范及设防要求。
4. 防火设计内容4.1 建筑布局 - 确保建筑物之间的合理距离,减少火灾蔓延的可能性。
- 选择合适的建筑布局,确保建筑物能够容纳必要的防火设施。
4.2 消防设备 - 根据石油化工企业的防火安全等级,设计和配置相应的消防设备和系统。
- 确保灭火器、消防栓等设备的合理设置和易于使用。
4.3 环境和储存条件 - 确保石油化工企业的储存条件符合规范的要求。
- 保证石油化工企业周围环境的消防安全。
4.4 通道和疏散 - 设计合理的疏散通道,确保人员在火灾发生时能够快速疏散。
- 确保楼梯、走廊等疏散通道的宽度和结构符合规范要求。
4.5 电气设备 - 设计防火安全电气系统,减少电火灾的发生。
石油化工企业设计防火规范石油化工企业设计防火规范是保障工厂设施和员工安全的重要措施。
以下是石油化工企业设计防火规范的要点和要求。
1. 设立防火区域:石油化工企业应根据工艺流程和安全要求设立防火区域,明确区域边界,并设置防火标识和标识牌。
2. 分隔防火区域:不同药剂、物料和设备之间应进行有效的隔离,以防止火势传播。
禁止将易燃、易爆药剂存放在同一区域,避免引发火灾事故。
3. 设立消防设施:石油化工企业应根据工艺流程和规模,合理设置并保持消防设施的完好状况,如消防栓、灭火器、消防喷淋系统等。
4. 制定应急救援计划:石油化工企业应制定详细的应急救援计划,对员工进行紧急疏散和灭火演练,以便在火灾发生时能够迅速有效地处置。
5. 加强消防设备维护:石油化工企业应定期进行设备的保养维护,确保消防设备处于正常工作状态,随时能够投入使用。
6. 加强安全教育培训:石油化工企业要定期组织员工参加有关消防安全的培训和教育,提高员工的安全意识和自救能力。
7. 定期检查消防通道:石油化工企业应定期检查和清理消防通道,保持通道的畅通,以便在火灾时能够顺利疏散人员和转移物资设备。
8. 贮存液体化学品安全规范:石油化工企业在贮存液体化学品时,要按照相关规定进行分类和规范存储,防止泄漏和火灾事故的发生。
9. 安全出口设置:石油化工企业应根据工厂布局和员工分布,在合适的位置设置安全出口,确保员工在火灾时能够快速撤离。
10. 进行防火巡检:石油化工企业应定期派出专业人员进行防火巡检,及时发现和解决可能存在的火灾隐患。
总之,石油化工企业设计防火规范是确保生产安全和工厂设施完整的重要措施,企业应严格按照相关规定落实防火管理措施,并定期进行检查和维护,以确保工厂和员工的安全。
石油化工企业设计防火规范一、引言石油化工企业属于高危行业,防火工作是其安全生产的关键环节。
为了保障人员生命安全和财产安全,石油化工企业必须制定科学有效的防火规范。
本文旨在全面介绍石油化工企业设计防火规范的相关要求和指导原则,以期为该行业的防火工作提供参考和帮助。
二、防火规范的编制原则1、科学性原则:防火规范必须符合国家安全生产法规和标准的要求,严格按照工艺流程和安全要求进行编制,保证其科学有效;2、可操作性原则:防火规范必须符合企业实际情况,具有可操作性,方便企业应对突发事件;3、实用性原则:防火规范必须能够实际起到防火作用,具有创新性,不断发扬优点,补充不足。
4、安全性原则:防火规范必须符合国家对防火安全的要求,遵循维护人和财产安全为首要原则;三、石油化工企业防火规范的设计内容(一)生产场所的防火规划1、着重规划生产场所的布局,要使其有利于预防和戒备火灾2、着重考虑生产场所的物料储存与运输,要分类管理物料和明确规定物料储存空间。
3、严格限制施工,禁止吸烟等做法。
4、建议使用易于时常检查的材料(二)设备的防火结构和附属装置的防火(1)设备的防火结构1、实施防线分离和截止技术。
2、防止易燃液体泄漏,避免火灾的发生。
3、采用防火屏障,封堵在设备内部的火源,预防火灾的发生。
(2)附属装置的防火1、严格控制设备的设施参数。
2、掌握防火安全用品的维护技术和维护保养规程。
3、防止引起火源的装置。
(三)动力、动力设备及动力线路的防火(1)动力系统的防火1、采用可靠性强的动力系管道、井上结构(电缆井)而不要采用塑料管道。
2、安装防火装置。
3、建立动力备用系统。
(2)动力设备和动力线路的防火1、要建立电气装置运行时的安全制度。
2、现场防火保护技术。
3、区分好电器的工作性质,分开接地。
(四)厂房电气系统的防火(1)电气设备的防火1、采用电气设备规范,控制电气装置紧固连接、线路规范、防震、防潮技术等执行要求。
2、配备防爆设备和防护装置。
石油化工防火设计规范石油化工防火设计规范是指在石油化工生产和运输中,为预防和控制火灾事故,保障生产安全和人员财产安全而制定的一系列规范和要求。
下面将从场所布局、建筑结构、消防设施和安全管理等方面介绍石油化工防火设计规范。
在石油化工场所的场所布局中,应根据危险源的性质和危害程度进行分类和分区,并采取防火隔离带、安全通道等手段对不同分类和分区的区域进行分隔,以防止火灾蔓延。
建筑结构方面,应根据火灾风险评估,选择耐火等级符合要求的建筑材料,并按照规定的消防间距、安全通道宽度等要求进行设计和建造。
石油化工防火设计规范中消防设施是至关重要的一部分。
石油化工场所应设有消防水源,包括消防水池、水泵和供水管道等。
同时,应设置消防栓、灭火器等设施,以便在发生火灾时能够进行及时的灭火。
此外,应安装自动火灾报警系统、自动灭火系统等设备,提高火灾预警和灭火的效率。
安全管理在防火设计中也是不可忽视的一环。
应组织开展针对石油化工场所的消防运动和消防演练,提高员工对火灾的应急处理能力。
此外,应建立健全石油化工安全管理制度,制定消防安全操作规程和紧急预案,明确责任和权限,并进行定期检查和审核,确保其有效执行。
除了上述主要内容外,石油化工防火设计规范还包括消防疏散通道的设置、防火防爆电气设备的应用、危险品存储的要求等。
在消防疏散通道方面,应确保通道畅通,并配备安全疏散标志和疏散指示灯等。
防火防爆电气设备应符合相关的技术标准和规范,以提高电气设备的安全性能。
对于危险品的存储,应按照规定的容器和储存条件进行存放,并设置相应的通风设备和消防隔离区域。
总之,石油化工防火设计规范是保障石油化工生产安全和人员财产安全的基础。
只有根据规范的要求进行设计和建设,并加强安全管理和培训,才能有效地预防和控制火灾事故的发生,确保石油化工行业的健康发展。
石油化工企业设计防火规范1. 引言石油化工企业是高危行业,防火安全至关重要。
为了保证石油化工企业的防火安全,必须制定科学合理的设计防火规范。
本文将详细介绍石油化工企业设计防火规范的要求和措施。
2. 设计原则在进行石油化工企业的设计时,应遵循以下原则:•分区分级原则:根据危险性和火灾扩散的特点,合理划分不同的区域和级别,实施分类防火设计。
•安全防控原则:采用主动和被动防火措施相结合的方法,确保在火灾发生时能及时控制、扑灭火灾,减少人员伤亡和财产损失。
•符合法律法规:严格遵守国家相关法律法规和行业标准,确保设计方案的合法性和安全性。
3. 建筑设计要求石油化工企业的建筑设计应满足以下要求:3.1 建筑结构•建筑结构应采用防火性能良好的材料,如防火墙、防火门、防火玻璃等。
•建筑结构应具备一定的抗震能力,以应对地震等灾害。
3.2 建筑布局•各区域应合理布局,相邻区域之间需要采取防火隔离措施,防止火灾扩散。
•建筑内部应设置合适的通道和疏散通道,确保人员能够迅速疏散。
3.3 消防设施•建筑内应设置消防水源和消防设备,并确保其正常运行。
•各区域内应合理设置消防栓、灭火器等消防设备,方便使用和维护。
4. 设备设计要求石油化工企业的设备设计应满足以下要求:4.1 压力容器•压力容器应符合国家相关标准,并按要求定期进行检测和维护。
•压力容器应设置安全阀和泄压装置,以防止过压情况的发生。
4.2 输送管道•输送管道应选择耐火材料,并设置隔热层,以避免火灾对管道的影响。
•输送管道应设置泄漏检测装置,及时发现漏损情况并采取相应措施。
4.3 电气设备•电气设备应符合国家相关标准,并经过严格测试和检测,确保其安全可靠。
•电气设备应设置过载、短路保护装置,并定期进行维护和检查。
5. 安全管理要求石油化工企业的安全管理要求如下:5.1 人员培训•各岗位员工应进行安全防火培训,掌握正确的安全操作方法和紧急疏散预案。
•定期组织演练,提高员工应对突发火灾的应急能力。
《石油化工企业设计防火规范》(石油化工企业作为一类危险化学品企业,其防火安全问题一直受到广泛关注。
防火规范是指对石油化工企业在设计、建设、运营中的火灾防范、应急措施等进行规范和要求的一系列措施。
本文将从石油化工企业设计防火规范这一方面进行详细阐述。
1.设计要求(1)选址合理:石油化工企业应选在远离居民区、交通要道、水源等重要设施的区域建设,避免火灾蔓延造成更大的人员伤亡和财产损失。
(2)分区划界:石油化工企业应根据不同的危险等级和性质,划分为不同的区域,并设置防火墙或设置合适的防火隔离带,以减少火灾的扩散和蔓延。
(3)建筑布局:建筑物应留有足够的间隔,方便消防车辆进出,防止火灾蔓延。
重要的设施和设备区域应设置在相对安全的地方,以防火灾造成较大的损失。
2.设计措施(1)防火材料:建筑物的结构材料应具有良好的防火性能。
各种建筑材料应符合国家标准,并经专业机构检测合格。
(2)灭火系统:石油化工企业应建立完善的灭火系统,包括自动喷水灭火系统、泡沫灭火系统和气体灭火系统等。
各种灭火装置和设备应定期维护和检查,确保其正常运行。
(3)配电系统:配电系统应符合防爆要求,电缆和线路应采取防火措施,如采用阻燃电缆、穿管等。
(4)通风系统:通风系统应满足安全、防爆、防火的要求。
对于易燃有毒气体,应配备相应的排风系统,确保员工和设备的安全。
3.应急措施(1)灭火器材:石油化工企业应配备充足且适合的灭火器材,包括灭火器、消防水瞬时喷射器、自动喷水灭火设备等。
各种灭火器材应定期检验,确保其性能良好。
(2)疏散通道:石油化工企业应设置合适的疏散通道,并在可燃物存放区域设置应急出口和安全出口标识,以便员工及时疏散。
(3)应急预案:石油化工企业应制定并实施应急预案,明确各部门的职责和任务,制定应急演练计划并定期进行演练,以提高员工的应急处理能力。
(4)安全培训:石油化工企业应定期组织员工进行安全培训,包括火灾预防、灭火方法、应急处理等内容,提高员工的安全意识和应对能力。
石油化工企业设计防火规范石油化工企业是指从事石油加工、石油化学、化工制品生产等领域的企业。
由于石油和化工产品的特性,石油化工企业的防火工作显得尤为重要和紧迫。
本文将从石油化工企业的特点、防火措施和规范等方面探讨设计防火规范。
为了确保石油化工企业的生产安全和防火工作的有效实施,必须制定一套科学合理的防火规范。
首先,石油化工企业的特点需要考虑。
石油和化工产品具有易燃、易爆、易挥发等特性,因此石油化工企业的防火规范必须更加严格和具体。
其次,防火措施需要全面具体。
防火措施包括建设设计阶段的火灾防控规划、施工阶段的消防安全设施建设、日常生产过程中的火灾监控和应急预案制定等。
最后,设计防火规范需要参考相关法律法规和国家标准。
中国有关石油化工企业的防火规范主要有《石油化工企业设计防火规范》等。
这些规范详细阐述了石油化工企业在设计和施工过程中应遵循的防火要求,对石油化工企业防火工作的各个环节进行了全面规范。
具体来说,设计防火规范主要包括以下方面。
首先,要求石油化工企业的场地选择、危险品储存、生产装置布局等必须符合一定的防火要求。
场地选择时需要考虑地势、气候、环境等因素,以及周边建筑和交通状况,确保安全远离居民区和容易燃烧物。
储存危险品的容器和仓库应符合相应标准,防火防爆措施必须到位。
生产装置布局需要考虑火灾风险和应急救援的要求,可以采取分散布局或合理隔离等方式。
其次,要求石油化工企业在设计和施工过程中必须有完善的防火设施和设备。
防火设施包括消防水源、消防水带、消防水炮等设备和设施,防火设备包括火灾报警系统、自动灭火系统、独立式烟气感应报警器等,防火设备的选型和布置需要符合相关标准和规范。
此外,还需要加强对电气设备的防火措施,使用合格的防爆电气设备和材料。
再次,要求石油化工企业建立健全的消防管理制度和应急预案。
消防管理制度包括明确的防火监督和管理流程,消防安全检查和巡查制度,员工培训和演练等。
应急预案要涵盖火灾报警、紧急疏散、火灾扑救和事故调查等方面,要定期组织演练和仿真训练,提高员工应对火灾事件的能力和素质。
石油化工设计防火规范
石油化工设计是一个高风险的行业,防火工作非常重要。
为了确保石油化工设备和工艺安全稳定运行,防火规范必不可少。
下面将对石油化工设计防火规范进行详细介绍。
1.石油化工场所的选址和布局应符合防火要求。
石油化工设备
应远离火源和易燃物,车辆通道应畅通,便于消防车辆进入。
同时,应设置相应的防火间距和防火墙,以防止火势蔓延。
2.石油化工设备应具备防火性能。
主要包括设备的耐火材料选
择和结构设计等方面。
耐火材料应具有一定的耐火时间,以保护设备在火灾发生时能够耐受一段时间。
设备结构应合理,能够减少火灾爆炸的危害。
3.石油化工场所应设置完善的消防设施。
包括消防栓、灭火器、自动报警系统等。
消防栓应设置在固定位置,并确保供水充足。
灭火器应根据不同的危险等级和工艺设备的特点选择合适的种类和数量。
4.石油化工设备和管道应定期进行安全检查和维护。
检查内容
主要包括设备状况、漏油、气体泄漏等方面。
对于发现的安全隐患要及时进行处理,以确保设备和管道的运行安全。
5.石油化工场所应设置良好的通风系统。
通风系统能够减少易
燃物的浓度,降低火灾发生的可能性。
通风系统还可以将有害气体排放到室外,减少人员的中毒危险。
6.石油化工场所应制定完善的应急预案。
预案应包括火灾报警、疏散逃生、灭火救援等内容。
员工应定期进行消防演练,以确保在火灾发生时能迅速采取正确的应对措施。
7.石油化工场所应加强员工的防火教育。
员工应具备基本的防
火知识和技能,了解各类消防设施的使用方法。
必要时,应组织员工参加消防培训,提高应对火灾的能力。
8.石油化工场所应定期进行防火演练。
演练内容主要包括火灾
报警、疏散逃生、灭火救援等方面。
演练的目的是检验预案的可行性和员工的应对能力。
总之,石油化工设计防火规范是确保石油化工设备和工艺安全运行的基础。
只有严格按照规范要求进行设计和操作,才能有效地预防和控制火灾事故的发生,保障人员的生命财产安全。
石油化工企业应高度重视防火工作,加强安全管理,提升员工的安全意识,共同营造安全稳定的工作环境。