幕墙打胶施工技术交底修订版
- 格式:docx
- 大小:22.72 KB
- 文档页数:5
一、交底目的为确保玻璃幕墙打胶施工过程中的安全,防止安全事故发生,特制定本安全技术交底。
二、施工范围本交底适用于玻璃幕墙、金属板幕墙、点式雨棚饰面板材等打胶施工。
三、安全注意事项1. 作业人员入场前必须接受入场教育考试,合格后方可上岗作业。
2. 作业人员进入施工现场必须佩戴合格的安全帽,系好下额带,锁好带扣。
严禁赤背、穿拖鞋。
3. 严禁酒后作业、吸烟,禁止在施工现场追逐打闹。
4. 登高作业(2米以上)时必须系合格的安全带,确保安全带系挂牢固,高挂低用。
应穿防滑鞋,并将手头工具放入工具袋内。
5. 施工中使用的电动工具及电气设备,应符合国家现行标准《施工现场临时用电安全技术规范》JGJ46--2005的规定。
6. 每班作业前应对脚手架、操作平台、吊装机具的可靠性进行检查,发现问题及时解决。
7. 进行焊接作业时,应严格执行现场用火管理制度。
现场高处焊接时,下方应设防火斗,并配备灭火器材,设专人旁站,防止发生火灾。
8. 高空作业时,严禁上、下抛掷工具、材料及下脚料;不得有交叉作业现象。
9. 雨雪天和四级以上大风天气,严禁进行幕墙打胶施工及吊运材料作业。
10. 防火、保温材料施工的操作人员,应戴口罩,穿防护工作服。
11. 搬运强制幕墙构件时,要检查索具和吊运机械设备,吊料下方严禁站人。
12. 所有料具不得超高码放。
四、施工准备1. 施工前,应对施工人员进行安全技术培训,确保其掌握本交底内容。
2. 准备施工所需的工具、材料,如壁纸刀、打胶铲刀、洁净器具、密封胶、美纹纸等。
3. 确保脚手架、操作平台、吊装机具等设施符合安全要求。
五、操作工艺1. 清理胶缝:使用棉布、清洁剂等清理面材胶缝,确保无尘埃、水等杂质。
2. 贴美纹纸:根据设计要求,弹线并贴美纹纸。
3. 塞泡沫棒:用专用制子板将泡沫棒塞入胶缝,深度不小于5mm。
4. 打胶:胶缝打胶,确保密实饱满。
5. 刮胶:使用铲刀刮平胶缝,保持一定弧度,要求圆滑美观。
幕墙施工方案技术交底完整版模板一:幕墙施工方案技术交底完整版一:项目背景1.1 项目概述1.2 目标与要求1.3 施工进度计划二:工程准备2.1 施工团队组建2.2 材料和设备准备2.3 质量控制措施三:施工方案3.1 幕墙系统选择3.2 施工工序与步骤3.2.1 基坑开挖3.2.2 打地钢结构安装3.2.3 幕墙铝合金型材加工和安装3.2.4 玻璃安装3.2.5 密封胶施工3.2.6 耐腐蚀处理3.2.7 清洁与维护四:安全措施4.1 安全生产责任分工4.2 员工培训和防护措施4.3 施工现场安全管理五:质量控制5.1 施工质量要求5.2 验收标准与方法5.3 质量检测与监控六:进度管理6.1 工期计划与调整6.2 施工进度监控与记录6.3 问题解决与应对措施七:费用管理7.1 预算与成本控制7.2 付款方式与规定7.3 变更管理附件:施工图纸、技术规范、合同文件法律名词及注释:1. 幕墙施工:指建筑外墙之外的构件,用以装饰和保温隔热的建筑外观装饰系统。
2. 基坑开挖:指将建筑用地进行开挖和加固,为后续工程施工做准备。
3. 铝合金型材:由铝合金材料经加工制成的构件,应用于幕墙系统中。
4. 耐腐蚀处理:对幕墙系统的金属材料进行处理,增强其防腐蚀性能。
5. 清洁与维护:施工完成后的幕墙系统清洁与维护工作,保证外观美观和功能正常。
模板二:幕墙施工方案技术交底完整版一:项目背景1.1 项目概述1.2 目标与需求1.3 施工时间表二:工程准备2.1 施工团队组建2.2 材料和设备准备2.3 质量控制措施三:施工方案3.1 幕墙系统选择3.2 施工工序与步骤3.2.1 基坑开挖3.2.2 钢结构安装3.2.3 幕墙铝型材加工和安装 3.2.4 玻璃安装3.2.5 密封胶施工3.2.6 表面处理3.2.7 清洁与保养四:安全措施4.1 安全生产责任划分4.2 员工培训和个人防护4.3 施工现场安全管理五:质量控制5.1 施工质量要求5.2 验收标准与方法5.3 质量检测与监控六:进度管理6.1 工期计划与调整6.2 施工进度监控与记录6.3 问题解决与应对措施七:费用管理7.1 预算与成本控制7.2 付款方式与规定7.3 变更管理附件:施工图纸、技术规范、合同文件法律名词及注释:1. 幕墙施工:指用于建筑外墙的装饰和保温隔热的建筑外观装饰系统。
技术(安全)交底记录工程名称国兴.天原(重庆原天原化工总厂项目)一期A2楼干挂石材工程施工单位山东永隆装饰工程有限公司分项工程名称石材幕墙分项工程打胶、注胶工序交底日期2014年6月11日交底内容:打胶、注胶一、技术要求1.硅酮密封胶的施工厚度应大于3.5mm,施工宽度不应小于厚度的2倍,较深的密封槽口底部应采用聚乙稀发泡材料填塞。
2.硅酮密封胶在接缝内应形成相对两面粘结。
3.结构胶的施工必须符合设计要求,达到宽8mm,厚5mm。
二、施工工艺及注意事项1. 首先清理石材板块与板块间的杂物,尤其上下胶缝之间的的塑料垫块及安装时有个别涂抹AB时胶溢满胶缝的现象进行清理。
2. 密封填缝:待全部石板挂贴完毕,进行表面清洁和清除缝隙中的灰尘。
先用直径8~10mm 的泡沫塑料条填板内侧,留5~6mm 深缝,在缝两侧的石板上,靠缝粘贴8~10mm 宽的胶带,以防打胶嵌缝时污染板面。
然后用打胶枪填满封胶,最后揭掉胶带,清洁板表面。
4.注胶封缝分为两个步骤,第一是选择合适规格的泡沫塑料棒进行塞缝,塞缝深度为距板表面5mm。
第二是浇筑,石材专用嵌缝胶,为使石板面不受胶的污染,注胶前,板缝两侧石材应用纸面胶带保护,注胶后用特制的刮板将胶面刮平。
如石材面上粘有胶液,应及时擦净,在大风或雨雪天气不能注胶。
5.注胶后,除去石材表面的纸带,用清水清洗受到污染的石材面,并对整个墙面进行保护。
6.面板整修、嵌缝沿石材板边缘黏贴保护胶带,用注胶枪均匀注胶,确保胶缝饱满、密实、深浅一致,注胶完成后,清净胶条及石材板表面。
在阴雨天或室外温度低于5℃的气候下,严禁室外进行耐候胶、密封胶的注入工作,以保证幕墙的封闭性能。
8. 石材幕墙的板缝注胶应饱满、密实、连续、均匀、无气泡、板缝宽度和厚度应符合设计要求和技术标准的规定。
注胶完毕后将胶缝表面刮平,并撕去保护胶带,把保护胶带规整丢在制定垃圾场。
项目技术负责人:交底人:接受人:技术(安全)交底施工人员签字表施工队名称交底内容石材幕墙分项工程打胶、注胶工序序号签字栏序号签字栏序号签字栏1 14 272 15 283 16 294 17 305 18 316 19 327 20 338 21 349 22 3510 23 3611 24 3712 25 3813 26 39。
一、交底编号: [编号]二、工程名称: [工程名称]三、交底日期:年 [月] 日四、施工单位: [施工单位]五、分项工程名称:外墙打胶工程六、交底提要:为确保外墙打胶工程的安全顺利进行,降低安全事故发生的风险,特进行安全技术交底。
请全体施工人员认真阅读并严格遵守以下安全操作规程。
七、交底内容:1. 施工前的准备工作:- 施工前应对施工现场进行全面检查,确保施工环境安全,无障碍物。
- 仔细检查胶水及辅助材料的性能和质量,确保符合施工要求。
- 确定施工路线和施工区域,设置安全警示标志。
2. 安全操作规程:- 施工人员应穿戴好个人防护用品,如安全帽、工作服、防护眼镜、手套等。
- 使用胶枪时,应确保胶枪处于良好的工作状态,避免漏胶或喷胶。
- 打胶过程中,应保持胶枪与墙体保持一定距离,防止误伤人体。
- 打胶时应均匀施压,避免出现气泡、凹凸不平等问题。
- 打胶结束后,应及时清理施工现场,确保无残留胶水。
3. 高处作业安全:- 对于高层建筑外墙打胶,施工人员应使用安全带,并确保安全带连接牢固。
- 高处作业时,应设置安全防护栏,防止坠落。
- 施工人员应熟悉并掌握高处作业的安全操作规程,确保自身安全。
4. 防滑措施:- 施工现场应铺设防滑垫,确保施工人员行走安全。
- 高处作业时,应采取防滑措施,如穿着防滑鞋等。
5. 紧急事故处理:- 如遇胶水泄漏,应立即用干布擦拭,避免污染地面。
- 如发生人员受伤,应立即停止施工,并采取相应的急救措施。
- 确保施工人员熟悉紧急事故处理流程,提高应急处置能力。
6. 施工环境管理:- 施工现场应保持整洁,避免杂物堆积。
- 施工过程中,应保持良好的通风,确保空气质量。
八、注意事项:- 施工人员应严格遵守安全技术交底内容,不得违章操作。
- 施工过程中,如发现安全隐患,应立即停止施工,并及时报告相关部门。
- 施工人员应提高安全意识,自觉遵守各项安全规定。
九、接受人:[项目部管理人员]、[技术质量部]、[安全环保部]、[工程管理部]、[物资部]、[分包单位管理人员]、[施工负责人]十、交底人: [姓名]十一、交底日期:年 [月] 日请注意,以上模板仅供参考,具体交底内容应根据实际工程情况进行调整。
一、交底目的为确保幕墙玻璃打胶作业的安全进行,预防事故发生,特制定本安全技术交底。
二、交底对象参与幕墙玻璃打胶作业的所有人员。
三、交底内容1. 作业前的准备工作- 作业人员应熟悉掌握《建筑幕墙工程技术规范》及相关安全操作规程。
- 作业前,应对施工现场进行安全检查,确保作业环境安全。
- 作业人员需佩戴好安全帽、安全带、防尘口罩等个人防护用品。
2. 施工工具及材料- 使用符合国家标准和规范的打胶工具,如:胶枪、胶嘴、清洁布等。
- 使用的密封胶应符合相关标准,并具有足够的粘结强度和耐候性。
- 施工材料应存放在干燥通风的地方,避免受潮或污染。
3. 作业过程中的安全注意事项- 打胶作业应在晴天进行,避免在雨、雾、风大等恶劣天气条件下作业。
- 打胶前,应确保玻璃表面清洁、干燥,无油污、水迹等杂质。
- 打胶过程中,操作人员应保持专注,不得分心。
- 打胶枪的压力应适中,避免胶体挤出过多或过少。
- 打胶完成后,应立即用清洁布擦拭胶体表面,避免胶体固化后产生痕迹。
4. 高处作业安全- 高处作业时,操作人员必须系好安全带,并检查安全带是否牢固可靠。
- 作业过程中,不得擅自移动或拆卸安全设施。
- 高处作业区域下方应设置安全警戒线,并安排专人监护。
5. 火灾及应急处理- 施工现场应配备足够的消防器材,如灭火器、消防水桶等。
- 作业过程中,若发生火灾,应立即切断电源,并使用灭火器进行灭火。
- 人员受伤时,应立即停止作业,并采取相应的急救措施。
四、作业人员职责1. 作业人员应严格遵守安全操作规程,不得违章作业。
2. 作业人员应定期接受安全教育和培训,提高安全意识。
3. 作业人员应积极配合安全管理人员的工作,共同维护施工现场的安全。
五、总结幕墙玻璃打胶作业是一项危险性较高的工作,作业人员应充分认识安全的重要性,严格按照安全技术交底执行,确保施工安全。
安全管理人员应加强现场巡查,及时发现并消除安全隐患,确保施工顺利进行。
六、交底时间年月日七、交底人(姓名)八、接受交底人(姓名)九、安全员(姓名)十、备注1. 本安全技术交底应与实际施工情况相结合,并根据需要进行修改。
一、交底对象本交底适用于所有参与外墙注胶作业的施工人员、管理人员及监督人员。
二、交底内容1. 作业前的准备工作(1)施工人员必须经过专业培训,了解外墙注胶的工艺流程、操作规范及安全注意事项。
(2)检查并确认施工设备、工具、材料齐全且完好,如注胶枪、密封胶、安全带、防护眼镜、口罩等。
(3)了解并掌握施工现场环境,确认作业区域安全,无火灾、爆炸等安全隐患。
2. 作业过程中的安全措施(1)作业人员必须佩戴好安全帽、安全带、防护眼镜、口罩等个人防护用品。
(2)注胶前,确保注胶枪的压力适中,避免因压力过大导致胶体喷溅伤人。
(3)在注胶过程中,避免胶体接触到皮肤,如不慎沾染,立即用肥皂水清洗。
(4)注胶时,保持注胶枪与墙面垂直,避免因角度不当导致胶体流淌或喷溅。
(5)注胶过程中,注意观察胶体填充情况,避免因填充不足或过量造成安全隐患。
(6)作业区域设置警示标志,禁止无关人员进入。
3. 作业后的清理与检查(1)注胶完成后,及时清理施工现场,确保无残留胶体、工具等。
(2)检查注胶效果,确认胶体填充饱满、无空洞、无漏胶现象。
(3)对施工区域进行安全检查,确保无安全隐患。
三、应急措施1. 若作业人员不慎被胶体喷溅伤及皮肤,应立即用肥皂水清洗,必要时就医。
2. 若发生火灾或爆炸等安全事故,立即报警,并采取相应的应急措施。
四、注意事项1. 严格遵守外墙注胶的操作规范,确保施工质量。
2. 作业过程中,密切关注施工现场安全,发现安全隐患及时报告并采取措施。
3. 作业人员应相互配合,确保施工顺利进行。
4. 施工现场保持整洁,确保施工环境安全。
五、交底人及接受人交底人:XXX接受人:XXX六、交底时间年月日七、附件1. 外墙注胶作业安全操作规程2. 个人防护用品清单3. 施工现场安全检查表请注意,以上模板仅供参考,具体交底内容应根据实际工程情况进行调整。
在实际施工过程中,务必严格遵守相关安全规定,确保施工安全。
幕墙施工技术交底完整版.doc 范本一:公司名称:XXX公司项目名称:幕墙施工技术交底1. 工程概况1.1 项目概述1.2 施工单位及责任人1.3 工程地点1.4 工程时间2. 幕墙施工技术2.1 幕墙构造类型2.2 幕墙安装步骤2.2.1 幕墙预制2.2.2 幕墙安装2.2.3 幕墙密封2.2.4 幕墙检测2.3 幕墙材料选择2.3.1 幕墙铝合金型材2.3.2 幕墙玻璃2.3.3 幕墙密封胶2.3.4 幕墙附件2.4 幕墙施工工艺2.4.1 幕墙施工准备2.4.2 幕墙安装工艺2.4.3 幕墙密封工艺2.4.4 幕墙检测工艺3. 安全措施3.1 施工现场安全3.2 施工人员安全3.3 安全设施及防护措施4. 质量控制4.1 施工材料质量控制4.2 施工工艺质量控制4.3 施工过程质量检测5. 施工进度计划5.1 总体进度计划5.2 施工时间节点5.3 施工分解6. 施工单位6.1 施工单位资质6.2 施工单位组织架构6.3 施工单位人员配备7. 质量验收7.1 施工质量验收标准及方法7.2 施工质量验收记录8. 其他注意事项8.1 施工图纸变更及确认8.2 施工过程中的问题解决8.3 施工现场的环境保护9. 附件附件一:幕墙施工图纸附件二:技术标准要求本文所涉及的法律名词及注释:1. 幕墙:指外墙表面挂接的玻璃、铝合金等材料所构成的建造外立面系统。
2. 施工单位:指承担工程施工,负责工程建设过程中的相关工作的单位。
3. 幕墙预制:指对幕墙构件在工厂预先进行加工和组装,然后再进行现场安装的工艺过程。
4. 幕墙密封:指将幕墙构件之间的接缝进行处理,保证幕墙的密封性能和防水性能。
5. 幕墙检测:指对已安装好的幕墙进行材料和工程质量的检测,确保施工质量符合相关标准和规范要求。
范本二:公司名称:XXX公司项目名称:幕墙施工技术交底1. 工程概况1.1 项目简介1.2 施工单位信息1.3 工程地点及规模1.4 工程时间计划2. 施工方案2.1 幕墙构造类型2.2 幕墙施工步骤2.2.1 幕墙预制2.2.2 幕墙安装2.2.3 幕墙密封2.2.4 幕墙检测2.3 幕墙材料选用2.3.1 幕墙铝合金型材2.3.2 幕墙玻璃2.3.3 幕墙密封胶2.3.4 幕墙附件2.4 幕墙施工工艺流程2.4.1 幕墙施工准备2.4.2 幕墙安装工艺2.4.3 幕墙密封工艺2.4.4 幕墙检测工艺3. 安全措施3.1 施工现场安全3.2 施工人员安全3.3 安全设施及防护措施4. 质量控制4.1 施工材料质量控制4.2 施工工艺质量控制4.3 施工过程质量检测5. 施工进度计划5.1 总体施工进度计划5.2 施工时间节点5.3 施工分解6. 施工单位6.1 施工单位资质及进场准备6.2 施工单位组织架构6.3 施工单位人员配备7. 质量验收7.1 施工质量验收标准及方法7.2 施工质量验收记录8. 其他事项8.1 施工图纸变更及确认8.2 施工过程中的问题解决8.3 施工现场的环境保护附件:附件一:幕墙施工图纸附件二:相关技术标准本文所涉及的法律名词及注释:1. 幕墙:指建造物外墙表面的保温、防水、装饰外挂墙体系统。
玻璃、金属板幕墙、点式雨棚饰面板材、打胶施工1 范围本工艺标准适用于玻璃、金属板幕墙、点式雨棚饰面板材、打胶施工。
2 施工准备2.1 工具准备:壁纸刀、打胶铲刀、清洁用具等。
2.2 材料准备:密封胶、美纹纸。
2.3 作业条件:玻璃或金属板施工完成,没有交叉施工,脚手架安全,施工小材料放置在箱内,工具放置在工具袋内。
3 操作工艺3.1 工艺流程:清理胶缝→贴美纹纸→塞泡沫棒→打胶→刮胶→清理美纹纸及残留胶3.2清理胶缝:用棉布、丙酮清理面材胶缝,没有灰尘、水等。
3.3贴美纹纸:弹线,按线贴美纹纸。
3.4 塞泡沫棒:塞泡沫棒,用专用制子板统一深度,要求不小于5mm。
3.5打胶:胶缝打胶,密实饱满。
3.6 刮胶:用铲刀刮平,保持一定的弧度,要求光滑美观。
3.7清理美纹纸及残留胶:撕掉美纹纸,清理石材饰面残余胶痕。
4 质量标准4.1 保证项目:4.1.1 胶缝密实、光滑、美观,达到设计要求。
4.1.2 胶缝垂直,达到设计要求。
4.1.3 胶缝宽度平直度,达到设计要求。
4.2 基本项目:4.2.1 胶缝无毛刺。
4.2.2 板材饰面无残留胶痕。
4.3 允许偏差项目,见表9-13。
打胶胶缝允许偏差表9-13序号项目允许偏偏差mm检验方法1 板材饰面平面度<2.5 2m靠尺、钢板尺2 板材饰面垂直度高度>90m <20激光仪或经纬仪>150m <353 板材饰面竖缝直线度<2.5 2m靠尺4 板材饰面横缝直线度<3 2m靠尺5 板材饰面缝宽偏差<2 直尺、塞尺6 两相邻板材饰面接缝处高底差<1 直尺5 成品保护5.1 胶及美纹纸等存放在仓库,保存妥当。
5.2 板材饰面成品防止水泥、油污、泥污等污染,防止打胶污染。
6 应注意的质量问题6.1 胶缝清洁干净,阴雨天、下雪、浓雾不能打胶。
6.2 胶缝饱满,无气泡。
6.3 撕掉美纹纸等杂物要放入口袋。
7 质量记录本工艺标准应具备以下质量记录:7.1 密封胶、泡沫棒,应有产品合格证。
幕墙施工安全技术交底完整版.doc 范本一:【幕墙施工安全技术交底完整版】一:施工工程基本情况1. 工程名称:2. 工程地点:3. 施工单位:4. 监理单位:5. 设计单位:二:施工前准备工作1. 安全技术交底前的准备工作:1.1 工程资料准备:1.2 施工人员考核:1.3 施工设备准备:1.4 安全用品准备:1.5 工地安全环境准备:三:施工现场安全措施1. 安全标识:1.1 安全警示标志:1.2 进入施工区域标志:1.3 危险区域标志:2. 施工现场管理:2.1 施工现场布置:2.2 材料堆放:2.3 施工通道设置:2.4 临时设施设置:3. 施工现场作业操作规范: 3.1 施工人员操作规范: 3.2 施工设备操作规范:3.3 安全用品使用规范:4. 施工现场危险因素控制: 4.1 高处坠落风险防控: 4.2 电气安全措施:4.3 防火、防爆措施:4.4 物料坍塌防护:4.5 强风、天气预警措施:四:施工关键技术要求1. 幕墙材料及构件安装要求:1.1 幕墙铝型材安装要求:1.2 幕墙玻璃安装要求:1.3 幕墙石材安装要求:1.4 幕墙密封胶安装要求:2. 幕墙施工工艺:2.1 幕墙基础处理方法:2.2 幕墙结构计算方法:2.3 幕墙水密性测试方法:2.4 幕墙隔音、隔热性能测试方法:五:施工安全事故应急预案1. 施工安全事故分类及处理方法:1.1 一般事故处理方法:1.2 重大事故处理方法:1.3 灭火逃生应急预案:2. 事故报告及调查处理:2.1 事故报告程序:2.2 事故调查处理程序:2.3 事故责任认定和追究程序:六:附件1. 图纸:2. 技术规范:3. 施工方案:4. 安全标识示意图:5. 检测报告:6. 故障排查记录:【法律名词及注释】1. 施工单位:承担工程施工的企业或单位。
2. 监理单位:负责对施工过程进行监督和管理的单位。
3. 设计单位:负责工程设计的机构或单位。
范本二:【幕墙施工技术交底完整版】一:施工工程基本情况1. 工程名称:2. 工程地点:3. 施工单位:4. 监理单位:5. 设计单位:二:施工前准备工作1. 施工人员安全考核:2. 工程资料准备:3. 施工设备准备:4. 安全用品准备:5. 工地安全环境准备:三:施工现场安全措施1. 安全标识设置:1.1 安全警示标志设置:1.2 进入施工区域标志设置:1.3 危险区域标志设置:2. 施工现场管理:2.1 施工现场布置要求:2.2 材料堆放要求:2.3 施工通道设置要求:2.4 临时设施设置要求:3. 施工现场作业操作规范:3.1 施工人员操作规范:3.2 施工设备操作规范:3.3 安全用品使用规范:4. 施工现场危险因素控制:4.1 高处坠落风险防控:4.2 电气安全措施:4.3 防火、防爆措施:4.4 物料坍塌防护:4.5 强风、天气预警措施:四:施工关键技术要求1. 幕墙材料及构件安装要求:1.1 幕墙铝型材安装要求:1.2 幕墙玻璃安装要求:1.3 幕墙石材安装要求:1.4 幕墙密封胶安装要求:2. 幕墙施工工艺:2.1 幕墙基础处理方法:2.2 幕墙结构计算方法:2.3 幕墙水密性测试方法:2.4 幕墙隔音、隔热性能测试方法:五:施工安全事故应急预案1. 施工安全事故分类及处理方法:1.1 一般事故处理方法:1.2 重大事故处理方法:1.3 灭火逃生应急预案:2. 事故报告及调查处理:2.1 事故报告程序:2.2 事故调查处理程序:2.3 事故责任认定和追究程序:六:附件1. 图纸:2. 技术规范:3. 施工方案:4. 安全标识示意图:5. 检测报告:6. 故障排查记录:【法律名词及注释】1. 施工单位:承担工程施工的企业或单位。
一、交底目的为确保玻璃幕墙打胶施工过程中的安全,预防安全事故的发生,特制定本安全技术交底。
二、适用范围本交底适用于所有参与玻璃幕墙打胶施工的作业人员。
三、交底内容1. 作业人员要求(1)作业人员必须经过专业培训,取得相关资格证书后方可上岗。
(2)作业人员应熟悉玻璃幕墙打胶施工流程和安全操作规程。
(3)作业人员应具备一定的身体素质,能够适应高空作业。
2. 安全防护措施(1)作业人员进入施工现场必须佩戴安全帽,系好下额带,锁好带扣。
(2)作业人员必须穿防滑鞋,以防滑倒摔伤。
(3)高空作业时,必须系好安全带,确保安全。
(4)作业过程中,严禁酒后作业、吸烟、追逐打闹。
3. 施工现场安全管理(1)施工现场应设置安全警示标志,明确警示区域。
(2)施工现场应保持整洁,及时清理施工垃圾,防止滑倒摔伤。
(3)施工现场应配备必要的安全防护设施,如安全网、防护栏杆等。
(4)施工现场应定期进行安全检查,及时发现并消除安全隐患。
4. 机械设备安全操作(1)作业前应检查机械设备是否完好,如有故障应及时维修或更换。
(2)操作机械设备时,应按照操作规程进行,严禁违章操作。
(3)机械设备操作人员应具备一定的操作技能,确保操作安全。
5. 施工材料安全使用(1)施工材料应按照规定储存,避免受潮、变质。
(2)施工过程中,应严格按照材料使用说明进行操作,确保材料质量。
(3)施工完成后,应及时清理施工现场,避免材料浪费。
6. 环境保护(1)施工过程中,应采取措施减少对环境的影响,如减少噪音、粉尘等。
(2)施工完成后,应及时清理施工现场,恢复原状。
四、交底要求1. 交底人应对交底内容进行详细讲解,确保作业人员充分理解。
2. 接受交底人应对交底内容进行认真学习和记录,确保安全施工。
3. 作业过程中,如发现安全隐患,应及时报告并采取措施予以消除。
五、附则1. 本交底自发布之日起实施。
2. 本交底由施工项目负责人负责解释。
六、附件1. 玻璃幕墙打胶施工安全操作规程2. 玻璃幕墙打胶施工安全检查表注:本模板仅供参考,具体内容可根据实际情况进行调整。
技术交底记录
表C2-1
编号JD-015
工程名称北京商务中心(CBD)核心区Z14地块商业
金融项目幕墙深化设计、供应及安装分包工
程
交底日期2016年10月23日
施工单位中国建筑装饰集团有限公司分项工程名称单元式幕墙打胶工作工程交底内容:
1 施工准备
1.1、材料准备:板块密封胶、胶枪、胶皮、胶带、泡沫填充棒、二甲苯;
1.2、工具准备:刮刀,美工刀、抹布。
2 施工要点
2.1 将打胶面、横梁插芯底部和胶皮覆盖范围清理干净,且用二甲苯擦拭表面。
2.2 选取大小合适且稍长于公母料之间缝隙的泡沫棒填充于缝隙,填充物上表面与横梁上部的下表面平
齐,如图:
2.3 横梁插芯下面的打胶需略干后方能将横梁插芯滑至中间打四周的胶。
2.4 接缝处的打胶,和横梁插芯的边缘打胶必须间距1cm贴上胶带,所有缝隙打胶必须饱满,待打胶
完毕后及时撕掉胶带,保证美观与整洁。
2.5 横梁接缝处和材料接缝处打胶要均匀,且用刮刀压实刮平,打胶完成后需找轻质塑料覆盖,做成
品保护防止雨水或其他因素破坏。
审核人交底人接受交底人
接受交底人员:
1。
一、交底目的为确保幕墙玻璃打胶施工过程中的安全,预防事故发生,特制定本安全技术交底。
二、交底对象所有参与幕墙玻璃打胶施工的作业人员、技术人员及管理人员。
三、施工范围本交底适用于各类建筑物的幕墙玻璃打胶施工。
四、安全注意事项1. 施工准备- 作业人员应熟悉施工图纸、技术规范及安全操作规程。
- 施工前应对施工场地进行清理,确保无障碍物。
- 所用工具和设备应完好,并符合安全标准。
2. 人员配备- 作业人员必须经过专业培训,持证上岗。
- 严禁酒后作业、疲劳作业。
3. 安全防护- 登高作业时必须佩戴安全帽,系好安全带,并采取防滑措施。
- 高处作业下方应设置安全网或防护栏。
- 电气设备应接地,并定期检查。
- 施工现场应设置警示标志,并保持通道畅通。
4. 打胶操作- 打胶前应将胶缝清理干净,无油污、灰尘等。
- 打胶时,胶枪应保持垂直,胶缝应均匀、饱满。
- 打胶过程中,不得用力过猛,以免损坏玻璃或造成人员伤害。
- 打胶完成后,应及时清理胶枪和胶缝。
5. 施工环境- 雨雪天、大风天气不得进行室外打胶施工。
- 室内施工时,应确保室内通风良好。
五、应急措施1. 发生意外事故时,应立即停止施工,并采取紧急措施。
2. 事故发生后,应立即报告上级领导和相关部门。
3. 对受伤人员进行救治,并按照相关规定进行工伤认定。
六、交底记录1. 本交底由施工负责人向全体作业人员进行交底。
2. 交底人、接受交底人、安全员应签名确认。
3. 交底记录应妥善保存,以备查验。
七、附则1. 本交底自发布之日起生效。
2. 任何单位和个人不得擅自修改或变更本交底内容。
3. 本交底由施工企业负责解释。
八、注意事项1. 作业人员应严格遵守本交底内容,确保施工安全。
2. 施工过程中如遇特殊情况,应立即报告上级领导,并采取相应措施。
3. 本交底是对幕墙玻璃打胶施工安全的基本要求,具体施工过程中应根据实际情况进行调整。
九、附录1. 幕墙玻璃打胶安全技术规范2. 施工现场临时用电安全技术规范请全体作业人员认真学习本交底内容,确保施工安全。
幕墙工程施工技术交底一、工程概述本次工程为XXX项目幕墙工程,位于XXX市中心,主要包括主楼、副楼和裙楼。
主楼高度为150米,共38层;副楼高度为100米,共26层;裙楼高度为50米,共10层。
幕墙工程包括单元式幕墙、框架式幕墙、全玻幕墙等形式,总面积约为50000平方米。
二、施工准备1. 材料准备:根据图纸及工程情况,编制详细的材料订货供应计划单。
主要包括幕墙框架、玻璃、密封材料、紧固件等。
2. 施工机具:对所用机具进行检测,确保其性能良好。
主要包括电钻、电磨、切割机、螺丝刀、扳手等。
3. 人员准备:对技术工人进行技术培训、交底。
确保施工过程中能够严格按照施工工艺进行操作。
4. 技术准备:熟悉图纸,准备有关图集、质量验收标准和内业资料所用的表格。
三、施工工艺及流程1. 测量放线:根据土建单位提供的中心线及标高点进行。
幕墙设计一般是以建筑物的轴线为依据,玻璃幕墙的布置应与轴线取得一定的关系。
所以必须对已完工的土建结构进行测量。
2. 预埋件处理:预埋件在埋设过程中一定要定位准确,与主体结构牢固连接。
预埋件表面应平整,无油污、锈迹。
3. 连接角码安装:角码应与预埋件牢固连接,焊接应饱满、牢固。
4. 立柱安装:立柱应按照测量放线的轴线进行安装,立柱与立柱之间的间距应符合设计要求。
5. 横梁安装:横梁应与立柱牢固连接,连接方式可根据设计要求选择焊接或螺栓连接。
6. 结构玻璃装配组件制作安装:玻璃应按照设计要求进行加工,安装时应保证玻璃与框架之间的间隙符合要求。
7. 幕墙密封处理:密封材料应填充饱满,密封缝应均匀、连续。
8. 清洁检查:施工完成后,应对幕墙工程进行清洁,检查是否存在遗漏或质量问题。
四、施工质量控制1. 严格按照施工工艺进行施工,确保施工质量。
2. 加强施工现场管理,确保施工安全。
3. 定期对施工人员进行技术培训,提高施工技能。
4. 加强质量检查,发现问题及时整改。
五、施工安全注意事项1. 施工人员应佩戴安全帽、安全带、口罩等个人防护用品。
玻璃幕墙技术交底最新修正
近年来,玻璃幕墙在建筑设计中越来越被重视。
本文介绍最新
的玻璃幕墙技术交底修正,以确保幕墙施工质量和安全。
技术交底修正内容
1. 玻璃选择:根据设计要求,选择碳化玻璃、夹层玻璃等高强
度的玻璃,确保玻璃的抗风压性能和风化性能。
2. 窗框选择:选择角铝材质或开向外的平开窗,安装偏心锁,
增加安全性能。
3. 玻璃安装:采用专业设备将玻璃固定在窗框内部,玻璃边缘
固定必须紧密贴合窗框,防水条嵌入玻璃下方,防止渗水。
4. 幕墙支撑:幕墙支撑材料应正确选择,支撑方式应合理设置,每个支撑点应在设计时进行计算并能够承受最大风压。
5. 现场检查:设计部门应当对玻璃幕墙工程建设过程中的材料、构件进行质量检查,发现问题及时整改。
总结
技术交底修正的实施,能够保障幕墙的施工质量和安全,避免
在施工过程中出现质量事故。
设计部门应严格按照修正要求进行施行,并及时对工地进行检查验收,保障施工顺利进行。
参考文献:
1. 《建筑工程质量检测标准》
2. 《建筑玻璃幕墙技术规范》。
河南****学院学生食堂外装饰工程
打胶技术交底
1、严格按规范程序清理所有注胶部位(用二甲苯清理),把好质量关,不达标的重新处理。
2、将清理好的半成品组件,移到注胶操作台,在注胶前,必须认真地对单元板块的方正进行校正,校正后再进行注胶,注胶应饱满、密实,不得有任何部位漏注。
完成注胶后的单元板块,水平移至万向轮推车上固化,注胶及固化必须在注胶车间完成(注胶及保养必须在净化且恒温的专用车间)。
3、待胶完全凝固后,按安装顺序及组件的规格进行堆放。
4、注意点:
①打胶组成员均应经过专门的培训,经考核合格后方能上岗操作。
②所有结构胶必须有与所有材料的粘接力及相容性能试验的合格报告和质量保证证书及出厂日期、批号,严禁使用过期产品。
③注胶车间必须是封闭的,以达到防尘、清洁,室内保证恒温。
④结构胶宽度、厚度允许偏差:根据设计要求,并参照国家标准,结构胶外观质量无龟裂、无变色。
⑤注胶前用二甲苯等溶脂清洁注胶部位,待清洁剂挥发后即行注胶,并严格控制硅胶固化时间。
⑥每天进行打胶机的保养工作,按时对打胶机必须清理的部位进行拆洗,保证打胶机正常工作。
⑦注胶过程中,操作者应随时检查所注胶组件的质量情况,注意框架清洗,对角线尺寸、误差的控制、单元编号是否正确、排水孔的疏通、刮胶是否平整、光滑、颜色与图纸是否相符,如有质量问题应及时反映质检员或上级主管部门。
技术负责人:交底人:接收人:
年月日年月日年月日。
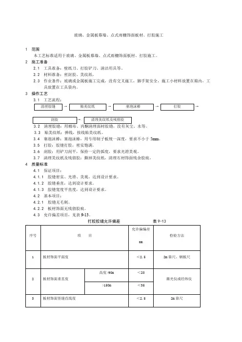
幕墙打胶施工技术交底
修订版
IBMT standardization office【IBMT5AB-IBMT08-IBMT2C-ZZT18】
玻璃、金属板幕墙、点式雨棚饰面板材、打胶施工1 范围
本工艺标准适用于玻璃、金属板幕墙、点式雨棚饰面板材、打胶施工。
2 施工准备
2.1 工具准备:壁纸刀、打胶铲刀、清洁用具等。
2.2 材料准备:密封胶、美纹纸。
2.3 作业条件:玻璃或金属板施工完成,没有交叉施工,脚手架安全,施工小材料
放置在箱内,工具放置在工具袋内。
3 操作工艺
3.1 工艺流程:
→
3.2 清理胶缝:用棉布、丙酮清理面材胶缝,没有灰尘、水等。
3.3 贴美纹纸:弹线,按线贴美纹纸。
3.4 塞泡沫棒:塞泡沫棒,用专用制子板统一深度,要求不小于5mm。
3.5 打胶:胶缝打胶,密实饱满。
3.6 刮胶:用铲刀刮平,保持一定的弧度,要求光滑美观。
3.7 清理美纹纸及残留胶:撕掉美纹纸,清理石材饰面残余胶痕。
4 质量标准
4.1 保证项目:
4.1.1 胶缝密实、光滑、美观,达到设计要求。
4.1.2 胶缝垂直,达到设计要求。
4.1.3 胶缝宽度平直度,达到设计要求。
4.2 基本项目:
4.2.1 胶缝无毛刺。
4.2.2 板材饰面无残留胶痕。
4.3 允许偏差项目,见表9-13。
打胶胶缝允许偏差表9-13
5 成品保护
5.1 胶及美纹纸等存放在仓库,保存妥当。
5.2 板材饰面成品防止水泥、油污、泥污等污染,防止打胶污染。
6 应注意的质量问题
6.1 胶缝清洁干净,阴雨天、下雪、浓雾不能打胶。
6.2 胶缝饱满,无气泡。
6.3 撕掉美纹纸等杂物要放入口袋。
7 质量记录
本工艺标准应具备以下质量记录:
7.1 密封胶、泡沫棒,应有产品合格证。
7.2 密封胶,应有材质单。
8 标准节点。