铜排设计技术参考 Rev 1.0
- 格式:doc
- 大小:2.36 MB
- 文档页数:11
适用标准铜排技术规范拟制:高文军日期:审核:廉纪奎日期:规范化审察:赵永刚日期:批准:张运清日期:艾默生网络能源有限企业订正信息表版本订正人订正时间订正内容新拟制宋洪涛2001 年11月30日V2.0 高文军2002 年12月27日铜排连结的查验方法目录目录. (3)序言. (4)1 目的 (5)2 合用范围 . (5)3 引用 / 参照标准或资料 (5)4 规范内容 . (5)4.1 基本功能描绘 (5)4.2 技术要求 . (6)一般设计要求 . (6)设计选型 . (6)基础数据 (7)5查验 / 试验要求5.1 检查母线及其附件的质量,按图纸技术要求查验5.2 镀层查验5.3 搭接面检查5.4 绝缘性能指标5.5 母线样件防腐试验序言本规范由艾默生网络能源有限企业研发部公布实行,合用于本企业的产品设计开发及有关活动。
本规范依据国家标准GB5585.1-85《电工用铜、铝及其合金母线》、 GB7251-97《低压成套开关设施》、ZBK45017-90《电力系统用直流屏通用技术条件》、GB/T9798-97《金属覆盖层镍电镀层》、《电器制造技术手册》等标准编制而成,于 2001 年 11 月 30 日初次公布。
本规范由结构造型设计部及外协加工管理部门依照履行。
本规范拟制部门:结构造型设计部;本规范拟制人:高文军;本规范同意人:研发管理办;1目的本规范适应于结构设计人员,外协加工管理人员,目的是规范铜排结构件设计,指导结构设计人员正确地选择铜排形式和资料。
指导铜排的加工、查验和查收。
2合用范围电源、电气产品的铜母线设计、制造和查验3引用 / 参照标准或资料GB5585.1-85《电工用铜、铝及其合金母线》之《第一部分:一般规定》GB5585.2-85《电工用铜、铝及其合金母线》之《第二部分:铜母线》GB7251-97《低压成套开关设施》ZBK45017-90《电力系统用直流屏通用技术条件》GB/T9798-97《金属覆盖层镍电镀层》GB/T2681-81《电工成套装置中导线颜色》GB/T3181-95《漆膜颜色标准样本》GB/T1720-79《漆膜附着力测定法》《电器制造技术手册》之《第二十二章:母线连结工艺》等4规范内容4.1 基本功能描绘知足电气功能需要,实现电流、电压及电信号的传输;对大截面导线用铜排取代,工艺要求低,易曲折,简单实现连结;对小截面导线用铜排取代,体积小,雅观且简单固定;在实现电流汇接,接地功能时,接线方便;铜排由机械加工后,直接连结在结构件上,简化总装生产。
标准铜排设计的技术规范————————————————————————————————作者:————————————————————————————————日期:铜排设计技术规范目录目录 (3)1 目的 (4)2 适用范围 (4)3引用/参考标准或资料 (4)4 材料介绍 (4)4.1铜和铜合金板 (4)4.2牌号及状态 (4)4.3力学性能 (5)5规范内容 (6)5.1基本功能描述 (6)5.2技术要求 (6)6 铆接介绍 (10)7 检验/试验要求 (11)7.1检查铜排及其附件的质量,按图纸技术要求检验 (11)7.2镀层检验 (11)7.3搭接面检查 (12)7.4铜排样件防腐试验 (13)1 目的本规范适应于结构设计人员,外协加工管理人员,目的是规范铜排结构件设计,指导结构设计人员正确地选择铜排形式和材料,保证设计人员设计出的零件有较好的加工工艺性,加快加工进度,降低加工成本。
同时指导铜排的加工、检验和验收。
2 适用范围适用于英威腾公司的铜排设计、制造和检验。
3引用/参考标准或资料GB5585.1-2005《电工用铜、铝及其合金母线》第1部分:铜和铜合金母线 GB7251-2008《低压成套开关设备》GB/T9798-2005《金属覆盖层镍电镀层》GB/T/12599-2002《金属覆盖层锡电镀层》GB/T 5231-2001 加工铜及铜合金化学成分和产品形状GB/T 2040-2002 铜及铜合金板材GB/T 2529-2005 导电用铜板和条《电器制造技术手册》之《第二十二章:母线连接工艺》等4 材料介绍4.1铜和铜合金板常用的铜和铜合金板材主要有两种:紫铜T2和黄铜H62。
紫铜T2是最常见的纯铜,外观呈紫色,又称紫铜,具有高的导电和导热性,良好的耐腐蚀性和成形性,但强度和硬度比黄铜低得多,价格也非常昂贵,主要用做导电、导热,耐腐蚀元件,一般用于电源上需要承载大电流的零件。
黄铜H62,属高锌黄铜,具有较高的强度和冷、热加工性,易进行各种形式的成形加工和切削加工。
实用标准文档铜排设计技术规目录目录 (1)1 目的 (2)2 适用围 (2)3引用/参考标准或资料 (2)4 材料介绍 (3)4.1铜和铜合金板 (3)4.2牌号及状态 (3)4.3力学性能 (4)5规容 (6)5.1基本功能描述 (6)5.2技术要求 (6)6 铆接介绍 (12)7 检验/试验要求 (13)7.1检查铜排及其附件的质量,按图纸技术要求检验 (13)7.2镀层检验 (13)7.3搭接面检查 (15)7.4铜排样件防腐试验 (17)1 目的本规适应于结构设计人员,外协加工管理人员,目的是规铜排结构件设计,指导结构设计人员正确地选择铜排形式和材料,保证设计人员设计出的零件有较好的加工工艺性,加快加工进度,降低加工成本。
同时指导铜排的加工、检验和验收。
2 适用围适用于英威腾公司的铜排设计、制造和检验。
3引用/参考标准或资料GB5585.1-2005《电工用铜、铝及其合金母线》第1部分:铜和铜合金母线GB7251-2008《低压成套开关设备》GB/T9798-2005《金属覆盖层镍电镀层》GB/T/12599-2002《金属覆盖层锡电镀层》GB/T 5231-2001 加工铜及铜合金化学成分和产品形状GB/T 2040-2002 铜及铜合金板材GB/T 2529-2005 导电用铜板和条《电器制造技术手册》之《第二十二章:母线连接工艺》等4 材料介绍4.1铜和铜合金板常用的铜和铜合金板材主要有两种:紫铜T2和黄铜H62。
紫铜T2是最常见的纯铜,外观呈紫色,又称紫铜,具有高的导电和导热性,良好的耐腐蚀性和成形性,但强度和硬度比黄铜低得多,价格也非常昂贵,主要用做导电、导热,耐腐蚀元件,一般用于电源上需要承载大电流的零件。
黄铜H62,属高锌黄铜,具有较高的强度和冷、热加工性,易进行各种形式的成形加工和切削加工。
主要用于各种深拉伸和折弯的受力零件,其导电性不如紫铜,但有较高的强度和硬度,价格也比较适中,在满足导电要求的情况下,尽可能选用黄铜代替紫铜,可以大大降低材料成本。
铜排设计技术规范目录目录1目的 (3)2适用范围 (3)3引用/参考标准或资料 (3)4材料介绍 (4)4.1铜和铜合金板 (4)4.2牌号及状态 (4)4.3力学性能 (5)5规范内容 (6)5.1基本功能描述 (6)5.2技术要求 (6)6铆接介绍 (12)7检验/试验要求 (12)7.1检查铜排及其附件的质量,按图纸技术要求检验12 7.2镀层检验 (13)7.3搭接面检查 (14)7.4铜排样件防腐试验 (16)1目的本规范适应于结构设计人员,外协加工管理人员,目的是规范铜排结构件设计,指导结构设计人员正确地选择铜排形式和材料,保证设计人员设计出的零件有较好的加工工艺性,加快加工进度,降低加工成本。
同时指导铜排的加工、检验和验收。
2适用范围适用于英威腾公司的铜排设计、制造和检验。
3引用/参考标准或资料GB5585.1-2005《电工用铜、铝及其合金母线》第1部分:铜和铜合金母线GB7251-2008 《低压成套开关设备》GB/T9798-2005 《金属覆盖层镍电镀层》GB/T/12599-2002《金属覆盖层锡电镀层》GB/T 5231-2001加工铜及铜合金化学成分和产品形状GB/T 2040-2002铜及铜合金板材GB/T 2529-2005导电用铜板和条《电器制造技术手册》之《第二十二章:母线连接工艺》等4材料介绍4.1铜和铜合金板常用的铜和铜合金板材主要有两种:紫铜T2和黄铜H62紫铜T2是最常见的纯铜,外观呈紫色,又称紫铜,具有高的导电和导热性,良好的耐腐蚀性和成形性,但强度和硬度比黄铜低得多,价格也非常昂贵,主要用做导电、导热,耐腐蚀元件,一般用于电源上需要承载大电流的零件。
黄铜H62,属高锌黄铜,具有较高的强度和冷、热加工性,易进行各种形式的成形加工和切削加工。
主要用于各种深拉伸和折弯的受力零件,其导电性不如紫铜,但有较高的强度和硬度,价格也比较适中,在满足导电要求的情况下,尽可能选用黄铜代替紫铜,可以大大降低材料成本。
铜排设计技术规范目录目录 (1)1 目的 (2)2 适用范围 (2)3引用/参考标准或资料 (2)4 材料介绍 (2)4.1铜和铜合金板 (2)4.2牌号及状态 (2)4.3力学性能 (3)5规范内容 (4)5.1基本功能描述 (4)5.2技术要求 (4)6 铆接介绍 (9)7 检验/试验要求 (9)7.1检查铜排及其附件的质量,按图纸技术要求检验 (9)7.2镀层检验 (10)7.3搭接面检查 (11)7.4铜排样件防腐试验 (12)1 目的本规范适应于结构设计人员,外协加工管理人员,目的是规范铜排结构件设计,指导结构设计人员正确地选择铜排形式和材料,保证设计人员设计出的零件有较好的加工工艺性,加快加工进度,降低加工成本。
同时指导铜排的加工、检验和验收。
2 适用范围适用于英威腾公司的铜排设计、制造和检验。
3引用/参考标准或资料GB5585.1-2005《电工用铜、铝及其合金母线》第1部分:铜和铜合金母线 GB7251-2008《低压成套开关设备》GB/T9798-2005《金属覆盖层镍电镀层》GB/T/12599-2002《金属覆盖层锡电镀层》GB/T 5231-2001 加工铜及铜合金化学成分和产品形状GB/T 2040-2002 铜及铜合金板材GB/T 2529-2005 导电用铜板和条《电器制造技术手册》之《第二十二章:母线连接工艺》等4 材料介绍4.1铜和铜合金板常用的铜和铜合金板材主要有两种:紫铜T2和黄铜H62。
紫铜T2是最常见的纯铜,外观呈紫色,又称紫铜,具有高的导电和导热性,良好的耐腐蚀性和成形性,但强度和硬度比黄铜低得多,价格也非常昂贵,主要用做导电、导热,耐腐蚀元件,一般用于电源上需要承载大电流的零件。
黄铜H62,属高锌黄铜,具有较高的强度和冷、热加工性,易进行各种形式的成形加工和切削加工。
主要用于各种深拉伸和折弯的受力零件,其导电性不如紫铜,但有较高的强度和硬度,价格也比较适中,在满足导电要求的情况下,尽可能选用黄铜代替紫铜,可以大大降低材料成本。
铜排(铜母线)、铜带验收标准一、材质:国标T2铜。
二、生产工艺:压延模具拉伸成型。
三、含铜量:含量99.95%左右。
四、电阻率:≤0.017772Ωmm2/m。
五、密度:20℃铜排密度8.95g/cm3。
六、抗拉强度:≥300N/mm2。
七、硬度:HB≥65。
八、弯曲90度表面无裂纹。
九、直线度≤2mm/m。
十、表面光洁度3.2。
十一、尺寸偏差±0.5mm。
十二、铜排表面光滑平整、无裂纹、起皮、夹渣、气孔等现象。
MIG焊接产品技术数据科学的管理、高素质的职工队伍,不断创新、用户至上的发展目标,严格执行企业标准(Q/320621AXF01-2006)、质量管理体系标准(ISO9001:2000),强有力的实施和完善,才能生产出用户满意的高品质、过硬的合格产品。
一、选材TMY 压延铜材执行标准:GB/T2040-1989TMY 压延铜软带执行标准:GB/T2059-2000二、制作工艺1、工艺流程:标准选材→下料→铜材端面两侧刨坡口(根据板材的宽、厚度确定坡口角度)→清理叠装→酸洗→表面处理→保温→焊接→清理毛刺→钻孔→表面抛光→导电面镀锡→整形→包装→入库。
2、国内铜母线焊接制作工艺简述:A、手工操作的普通电焊、氧焊、对焊、炭弧焊、乌极氩弧焊,焊接时受条件、气候等环境影响,容易形成虚焊、漏焊、脱焊、气泡、夹渣等缺陷,焊缝连接处存在电打弧、通电不畅、电耗大等缺点。
B、压接工艺:铜软带和铜母排截面相对,外加一个铜管,利用机械的压力成形。
它的缺点是:铜软带和铜母排之间有间隙,导电时依靠外面的铜管输送。
它的单块电流限于1000A以下,单块长度限1000cm以内,这样制作工艺在目前国内铝冶炼行业中最原始、最落后,这种工艺比普通焊接更容易产生电打弧、母排发热、电耗大等特点,绝对不能适应高压、大电流的铜母线使用。
C、我公司采用国际最先进的微电脑波形控制MIC/MAG气体保护焊,选用专用焊丝,采用全自动送丝焊接。
标准铜排设计的技术规范 Prepared on 24 November 2020铜排设计技术规范目录目录..............................................................................................................1 目的...........................................................................................................2 适用范围 .................................................................................................. 3引用/参考标准或资料 .............................................................................4 材料介绍 ..................................................................................................铜和铜合金板 (5)牌号及状态.......................................................................................................................... 力学性能..............................................................................................................................5规范内容...................................................................................................基本功能描述......................................................................................................................技术要求 ............................................................................................................................6 铆接介绍 ..................................................................................................7 检验/试验要求 .........................................................................................检查铜排及其附件的质量,按图纸技术要求检验 ........................................................ 镀层检验..............................................................................................................................搭接面检查 ........................................................................................................................铜排样件防腐试验 ............................................................................................................1 目的本规范适应于结构设计人员,外协加工管理人员,目的是规范铜排结构件设计,指导结构设计人员正确地选择铜排形式和材料,保证设计人员设计出的零件有较好的加工工艺性,加快加工进度,降低加工成本。
铜排设计技术要求规范铜排是一种用于电子设备的金属导电材料,常见于电路板和电子组件中。
铜排设计技术要求规范主要包括以下几个方面:材料要求、尺寸公差、几何形状、电性能等。
一、材料要求:1.铜的纯度要求高,一般要求为99.9%以上,以确保导电性能良好。
2.铜排的表面应光滑,不得有明显的氧化或腐蚀现象。
3.铜排的表面规定不得有划痕、凹凸、气孔等缺陷,以保证其机械性能。
二、尺寸公差:1. 铜排的宽度、厚度、长度等尺寸要求应符合设计要求,一般公差为±0.5mm。
2. 铜排的孔径要求精确,一般公差为±0.05mm。
3. 铜排的孔距要求均匀,一般公差为±0.1mm。
三、几何形状:1.铜排的边缘应平整整齐,不得有毛刺或锯齿状。
2.铜排的角度要求清晰,一般公差为±1°。
3.铜排的形状要求符合设计要求,不得有变形或扭曲。
四、电性能:1.铜排的电导率要求高,一般要求为58MS/m以上,以确保其良好的导电性能。
2.铜排的电阻要求低,一般要求为10μΩ.m以下,以降低导线本身的损耗。
3.铜排的绝缘电阻要求高,一般要求为10^8Ω以上,以防止漏电和短路现象。
此外,铜排的金属皮肤效应和焊接性能也是设计中需要注意的要点。
金属皮肤效应指的是高频电流在导体表面聚集的现象,对于需要高频传输的情况,需要进行合适的设计以减小金属皮肤效应带来的损耗。
焊接性能包括铜排与其他元器件的连接方式、焊接接头的设计等,要求焊接牢固可靠,不得有松动或接触电阻过大的情况。
综上所述,铜排设计技术要求规范需要关注材料要求、尺寸公差、几何形状和电性能等方面,以确保铜排的质量和可靠性,提高电子设备的性能。
在实际设计过程中,还需根据具体的应用需求和标准要求进行细化和具体规定。
铜排设计技术规范目录目录.................................... 错误!未指定书签。
1 目的.................................. 错误!未指定书签。
2 适用范围.............................. 错误!未指定书签。
3引用/参考标准或资料.................... 错误!未指定书签。
4 材料介绍.............................. 错误!未指定书签。
铜和铜合金板.......................................... 错误!未定义书签。
牌号及状态............................................ 错误!未指定书签。
力学性能.............................................. 错误!未指定书签。
5规范内容............................... 错误!未指定书签。
基本功能描述.......................................... 错误!未指定书签。
技术要求 ............................................. 错误!未指定书签。
6 铆接介绍.............................. 错误!未指定书签。
7 检验/试验要求......................... 错误!未指定书签。
检查铜排及其附件的质量,按图纸技术要求检验 ........... 错误!未指定书签。
镀层检验.............................................. 错误!未指定书签。
搭接面检查 ........................................... 错误!未指定书签。
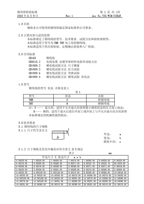
1.0目的确保本公司使用的铜母排满足国家标准和公司要求。
2.0主要内容与适用范围本标准规定了铜母线的型号、技术要求、试验方法和验收规则等。
本标准适用于型号为TMR TMY 电工用的铜母线。
本标准适用于供应商检验、定期确认检验和入厂检验。
3.0引用标准GB468 铜线锭GB3048.2 电线电缆 金属导体材料电阻率试验方法 GB4909.2 裸电线试验方法 尺寸测量 GB4909.3 裸电线试验方法 拉力试验 GB4909.6 裸电线试验方法 弯曲试验GB4909.8 裸电线试验方法 硬度试验 布氏法4.0型号铜母线的型号 状态 名称见表1H —— 硬的,适用于退火后进行冷加工或冷加工与不完全退火结合而获得本标准规定的机械性能的制品。
5.0技术要求5.15.1.1 窄边: a宽边: b圆角半径: r5.1.2 尺寸规格及其允许偏差应符合表2 表3规定表2 mm黑斜体字的规格为优先选用规格表35.1.3铜母排的圆角半径 r方角铜母排的窄边a ≤6.3mm者可以有半径不大于1.5mm的圆角,a ≥7.10mm 者可以有半径不大于2.0mm的圆角;圆角铜母排的圆角半径为1/2窄边a 。
5.2 铜母排应采用符合GB468要求的铜线锭制造。
5.3铜母线的抗拉强度和拉伸率应符合表4规定:表4母线用b边弯90O,表面应不出现裂纹。
弯曲圆柱的直径根据a边尺寸选定,应符合表5规定表5 mm5.5 铜母线的电阻率应符合表6规定:5.6计算时,200C时铜母线的物理参数应按表7取值:5.7 成品铜母线的表面应清洁、平整、不应有三角口、裂纹、折痕及夹杂物等,不允许有接头。
5.8 不直度硬铜母线在1 m长度内的不直度不超过4 mm。
5.9 导电铜(T2):铜+银的含量≥99.95%。
6.0 供应商试验要求供应商需对所提供产品抽样进行外观、规格尺寸、不直度、弯曲检验。
抽样数目为提供产品的 10%。
7.0 定期确认检查定期确认检验由供应商完成,周期为1年1次;供应商应提供试验报告。
铜排设计技术规范-CAL-FENGHAI-(2020YEAR-YICAI)_JINGBIAN铜排设计技术规范目录目录 ....................................................................... 错误!未定义书签。
1 目的..................................................................... 错误!未定义书签。
2 适用范围 ............................................................. 错误!未定义书签。
3引用/参考标准或资料 ........................................ 错误!未定义书签。
4 材料介绍 ............................................................. 错误!未定义书签。
铜和铜合金板 ..................................................................................... 错误!未定义书签。
牌号及状态 ......................................................................................... 错误!未定义书签。
力学性能 ............................................................................................. 错误!未定义书签。
5规范内容............................................................. 错误!未定义书签。
铜排设计技术规范铜排是一种重要的电子元器件,广泛应用于电子设备中的电流传输和散热。
为了确保铜排的质量和安全性,设计和生产铜排时需要遵循一些技术规范。
1.材料选择:铜排通常采用电解铜材质,具有良好的导电性和导热性。
在选择材料时,应使用高纯度的电解铜,其铜含量应达到99.9%以上,以确保导电性能。
2.尺寸规范:铜排的宽度、厚度和长度可以根据具体的需求进行设计。
在确定尺寸时,应考虑所需的电流和散热能力,以及设备中的空间限制。
一般来说,较宽的铜排能够承载更大的电流,而较厚的铜排具有更好的散热能力。
3.焊接技术:铜排的连接通常采用焊接技术。
在焊接过程中,需要注意以下几点:-温度控制:焊接温度应控制在合适的范围内,不能过高或过低,以免影响铜排的性能。
-焊接时间:焊接时间应恰当,过长的焊接时间可能导致铜排氧化或失去原有的导电性能。
-焊接方法:可以采用手工焊接、波峰焊接或其他适当的焊接方法。
根据具体情况选择最合适的焊接方式。
4.表面处理:铜排的表面处理是为了提高其耐腐蚀性和导电性能。
常见的表面处理方法包括镀锡、镀金、镀银等。
选择合适的表面处理方法要根据具体的工作环境和要求进行。
5.电流容量计算:在设计铜排时,需要根据实际的电流要求对其电流容量进行计算。
电流容量的大小取决于铜排的尺寸、材料和散热能力等因素。
在计算电流容量时,应遵循相关的电气规范和标准。
6.散热设计:铜排在电子设备中的主要作用之一就是散热。
为了确保良好的散热效果,需要在铜排的设计中考虑以下几点:-散热面积:铜排的散热面积越大,散热效果越好。
可以通过增加铜排的尺寸或采用散热片等方式来增加散热面积。
-空间布局:铜排应合理布置在电子设备中,确保良好的空气流通和散热效果。
-散热介质:可以在铜排表面涂覆导热膏或使用散热胶带等方式来提高散热效果。
以上是设计铜排的一些技术规范。
在实际设计和生产过程中,还需要根据具体的应用需求和实际情况进行适当的调整和改进,以确保铜排的质量和性能。
铜排技术规范拟制:高文军日期:2002.12.27 审核:廉纪奎日期:2002.12.28规范化审查:赵永刚日期:2002.12.29 批准:张运清日期:2002.12.30艾默生网络能源有限公司修订信息表目录 (3)前言 (4)1目的 (5)2 适用范围 (5)3引用/参考标准或资料 (5)4 规范内容 (5)4.1基本功能描述 (5)4.2 技术要求 (6)4.2.1 一般设计要求 (6)4.2.2 设计选型 (6)4.2.3基础数据 (7)5检验/试验要求5.1检查母线及其附件的质量,按图纸技术要求检验5.2镀层检验5.3搭接面检查5.4绝缘性能指标5.5母线样件防腐试验本规范由艾默生网络能源有限公司研发部发布实施,适用于本公司的产品设计开发及相关活动。
本规范根据国家标准GB5585.1-85《电工用铜、铝及其合金母线》、GB7251-97《低压成套开关设备》、ZBK45017-90《电力系统用直流屏通用技术条件》、GB/T9798-97《金属覆盖层镍电镀层》、《电器制造技术手册》等标准编制而成,于2001年11月30日首次发布。
本规范由结构造型设计部及外协加工管理部门遵照执行。
本规范拟制部门:结构造型设计部;本规范拟制人:高文军;本规范批准人:研发管理办;1目的本规范适应于结构设计人员,外协加工管理人员,目的是规范铜排结构件设计,指导结构设计人员正确地选择铜排形式和材料。
指导铜排的加工、检验和验收。
2 适用范围电源、电气产品的铜母线设计、制造和检验3引用/参考标准或资料GB5585.1-85《电工用铜、铝及其合金母线》之《第一部分:一般规定》 GB5585.2-85《电工用铜、铝及其合金母线》之《第二部分:铜母线》 GB7251-97《低压成套开关设备》ZBK45017-90《电力系统用直流屏通用技术条件》GB/T9798-97《金属覆盖层镍电镀层》GB/T2681-81 《电工成套装置中导线颜色》GB/T3181-95 《漆膜颜色标准样本》GB/T1720-79 《漆膜附着力测定法》《电器制造技术手册》之《第二十二章:母线连接工艺》等4 规范内容4.1基本功能描述4.1.1 满足电气功能需要,实现电流、电压及电信号的传输;4.1.2 对大截面导线用铜排代替,工艺要求低,易弯曲,容易实现连接;4.1.3 对小截面导线用铜排代替,体积小,美观且容易固定;4.1.4 在实现电流汇接,接地功能时,接线方便;4.1.5 铜排由机械加工后,直接连接在结构件上,简化总装生产。
铜排设计技术规范目录目录 (1)1 目的 (2)2 适用范围 (2)3引用/参考标准或资料 (2)4 材料介绍 (2)铜和铜合金板 (2)牌号及状态 (3)力学性能 (4)5规范内容 (5)基本功能描述 (5)技术要求 (5)6 铆接介绍 (12)7 检验/试验要求 (13)检查铜排及其附件的质量,按图纸技术要求检验 (13)镀层检验 (13)搭接面检查 (15)铜排样件防腐试验 (16)1 目的本规范适应于结构设计人员,外协加工管理人员,目的是规范铜排结构件设计,指导结构设计人员正确地选择铜排形式和材料,保证设计人员设计出的零件有较好的加工工艺性,加快加工进度,降低加工成本。
同时指导铜排的加工、检验和验收。
2 适用范围适用于英威腾公司的铜排设计、制造和检验。
3引用/参考标准或资料《电工用铜、铝及其合金母线》第1部分:铜和铜合金母线GB7251-2008《低压成套开关设备》GB/T9798-2005《金属覆盖层镍电镀层》GB/T/12599-2002《金属覆盖层锡电镀层》GB/T 5231-2001 加工铜及铜合金化学成分和产品形状GB/T 2040-2002 铜及铜合金板材GB/T 2529-2005 导电用铜板和条《电器制造技术手册》之《第二十二章:母线连接工艺》等4 材料介绍铜和铜合金板常用的铜和铜合金板材主要有两种:紫铜T2和黄铜H62。
紫铜T2是最常见的纯铜,外观呈紫色,又称紫铜,具有高的导电和导热性,良好的耐腐蚀性和成形性,但强度和硬度比黄铜低得多,价格也非常昂贵,主要用做导电、导热,耐腐蚀元件,一般用于电源上需要承载大电流的零件。
黄铜H62,属高锌黄铜,具有较高的强度和冷、热加工性,易进行各种形式的成形加工和切削加工。
主要用于各种深拉伸和折弯的受力零件,其导电性不如紫铜,但有较高的强度和硬度,价格也比较适中,在满足导电要求的情况下,尽可能选用黄铜代替紫铜,可以大大降低材料成本。
牌号及状态公司铜板常用二号铜的纯铜,代号T2;铜母线使用二号铜的纯铜,代号TM。
‘Copper bar design’ Technical Reference “铜排设计”技术参考
1. Purpose 目的
The goal of this document is the specification of copper bar design, Guide the mechanical engineer to select the correct materials and shape of copper bar, to ensure the part of designers to design better processing speed up the processing progress and reduce processing costs.
本文的目的是规范铜排设计,指导机械工程师正确地选择铜排形式和材料,保证设计人员设计出的零件有较好的加工工艺性,加快加工进度,降低加工成本。
2. Scope 范围
Applicable to all mechanical engineer of the company
适用于本公司机械工程师
3. Content 内容
3.1 Material introduced 材料介绍
3.1.1铜和铜合金板
常用的铜和铜合金板材主要有两种:紫铜T2和黄铜H62。
紫铜T2是最常见的纯铜,外观呈紫色,又称紫铜,具有高的导电和导热性,良好的耐腐蚀性和成形性,但强度和硬度比黄铜低得多,价格也非常昂贵,主要用做导电、导热,耐腐蚀元件,一般用于电源上需要承载大电流的零件。
黄铜H62,属高锌黄铜,具有较高的强度和冷、热加工性,易进行各种形式的成形加工和切削加工。
主要用于各种深拉伸和折弯的受力零件,其导电性不如紫铜,但有较高的强度和硬度,价格也比较适中。
3.1.2牌号及状态
公司铜板常用二号铜的纯铜,代号T2;铜母线使用二号铜的纯铜,代号TM。
所使用铜板的状态、规格应符合下表:
所使用的铜母线的状态、规格应符合下表:
3.1.3力学性能
铜板的力学性能:
铜板的弯曲性能
T≦10mm铜板的弯曲性能(T表示板厚)
3.2 Design reference 设计参考
3.2.1铜排设计注意事项
3.2.1.1设计要求
1)一般情况下相间电气间隙距离保持在20mm以上,通常不建议低于15 mm,若不能满
足则采用隔板隔离。
2)进出铜排相间接线距离应大于50mm,便于现场电缆连接,电缆连接孔的多少根据框
架断路器的额定电流安数决定,每500A至少需要一个孔,如2000A冲四个孔。
3)孔眼直径一般不得大于铜排宽度的1/2,加工应保证位置正确、垂直,不歪斜,孔
眼间相互距离的误差不应大于0.5mm。
4)铜排的折弯角度不得小于90°。
成形后,弯曲处不应有裂纹或折皱,不平整度不大
于1mm。
5)矩形铜排应进行冷弯,不得进行热弯。
6)铜排扭转90°时,其扭转部分的长度应为母线宽度的2.5-5倍。
7)接地排和接地线的截面最少为主回路铜排及导线截面的1/2。
8)铜母线不建议套热缩管,若必须用则热缩管不要影响带电母线与其它设备连接的接
触面。
9)柜门与带电母线应有有机玻璃板或PC板及其它物理防护
10)铜排应考虑到载流量进行选择,如在铜排上开多个孔必须考虑所开孔对铜排截面的
影响,适当增加铜排截面积。
11) 铜排开孔要考虑到电流走向,防止电流流向不平衡(比如并联铜排向外引出线的开
孔,尽量开到中间而不是两头)。
如下图,尽量选择第一种方式
3.2.1.2 设计选型
1) 铜母线用型号,规格及标准编号表示(参考GB5585-85)。
铜母线截面形状 a:厚度即窄边尺寸mm
b:宽度即宽边尺寸mm r:圆角或圆边半径mm
如:窄边为10,宽边为100的铜母线,硬状态。
在图纸材料栏中表示为:TMY-100X10
铜母线的型号如表1所示。
表1 铜母线的型号一览表
对于标准规格铜母线满足不了设计要求时,可使用纯铜板,如厚度为3的纯铜板零件,
在图纸材料栏中表示为:T2Y-3.0(参考GB2059-89)
2)基本状态
退火的 O——适用于完全退火而获得最小强度状态的压力加工制品
硬的 H——适用于退火后进行冷加工或冷加工与不完全退火结合而获得标准规
定的机械性能的制品。
3)对母线材料及加工的技术要求
(1)铜母线应采用符合GB468-82要求的铜线锭制造
(2)铜母线的电阻率不大于0.01774欧姆.mm2/m
(3)铜排表面有裂痕,斑痕,凹坑及有硝石沉积的母线不得使用
(4)表面有直径大于2.5mm,深度大于0.15mm气孔的母线不得使用
(5)经过折弯加工的母线不得平直或重新折弯使用
(6)母线需矫直,校平,在剪切断面,钻孔及冲孔后应去除毛刺
(7)铜排折弯,推荐的弯曲半径如表2所示。
表2 铜排宽面弯曲(平弯)推荐的弯曲半径
(铜排截面)折弯内半径R示意图
(8)铜排压印等标示应标注,压印位置公差允许在±5mm范围内。
3.2.2铜排连接设计注意事项
最主要的要求,就是接触紧密。
为了实现这个要求,以下几点是必须遵守的:
1)搭接长度至少等于一个短边长度。
2)冲孔直径与紧固螺栓实现紧密配合,不允许电焊、气焊开孔,不建议开椭圆
孔。
3)在POC柜子内,铜排搭接装配时接触面涂抹导电膏。
4)铜排搭接,不允许使用绝缘子等承受力矩不大的充当连接固定作用。
5)有可能多次拆卸的铜排搭接位置建议是用拱垫来代替弹平垫。
6)跟据选用铜排的宽度确定搭接形式及钻孔位置的要求如表3、表4所示。
表3 铜排开孔表
e1e2e3
- - -
表4 铜排搭接表
7)铆接介绍
铜排可以直接通过攻丝、铆接螺母或光孔形式来实现连接。
(视板材厚度而定)
铜排在使用涨铆螺母时,为了连接牢固可靠,一般选取六角涨铆螺母,供应商选择螺母时会根据铜排厚度来选用适合板厚的螺母(铆接厚铜排的螺母一般为定制).
铜排上有时也会铆接螺钉,通常选用(HFH)高强度铆钉来实现。
3.3 Other 其它
3.3.1铜排镀层介绍
主要应用的镀层:亮镍, 亮锡
镀层性能、特点
电镀镍
1.电镀镍层在空气中的稳定性很高,由于金属镍具有很强的钝化能力,在表面
能迅速生成一层极薄的钝化膜,能抵抗大气、碱和某些酸的腐蚀。
2.可作为防护装饰性镀层
3.厚度均匀性
电镀锡
具有抗腐蚀、耐变色、无毒、易焊、柔软和延展性好,但易划伤,不宜接触手汗,不宜存放在潮湿地方,否则易变色。
3.3.1.1 镀层表示法
图纸要求标注为:镀镍 Cu/Ni15b 镀锡 Cu /Sn15b
标注诠释:
(1) Cu/-表示基体为铜或铜合金
(2) 化学符号Ni,表示镍镀层;Sn, 表示锡镀层
(3) Ni、Sn后的数字,代表镀层的最小厚度,um
(4) 按使用条件为室外一般的大气环境,且铜层作为底层时的镀层的最小厚度为15um
(5) 数字后的小写字母,表示镀层的类型:
b——表示是全光亮的电镀规范下沉积的镀层。
3.3.1.2 外观
电镀后未经任何加工的表面,不应有明显的电镀缺陷,如鼓泡,麻点,孔隙,脱皮,粗糙,裂纹,漏镀,污迹或不良颜色。
表面上不可避免的挂具痕迹及其位置也应由需方作出规定。
a锡镀层应是呈光亮淡灰色。
c 镀层结晶应均匀、细致、光滑、连续。
d 在零件的非主视表面,允许有以下缺陷:
1)小而少的夹具印
2)锡镀层轻微的水印或灰暗影(雾状、水印或灰暗影面积小于10×10 mm2)。
不允许:
3)镀层有斑点、黑点、烧焦、粗糙、针孔、麻点、分层、起泡、起皮、脱落: 4)树枝状、海绵状和条纹状镀层;
5)局部无镀层(盲孔内、以及深度大于直径的孔内部分除外); 3.3.1.3 镀层厚度的测定
镀层厚度测定在需方指定的主要表面上任何位置进行,所用方法测量误差必须
小于10%。
3.3.1.4结合强度实验
镀层的结合强度应按GB5270中规定的锉刀试验,或热震试验方法中的一种进行。
试验后镀层不应与基体有任何形式的分离。
3.3.2搭接面检查
铜排连接处的检验方法
(1).使用0.03mm 塞尺插入铜排搭接面的间隙中,从四个方向插入,塞尺四个方向插
入的最大深度之和不大于该处搭接周长的12.5%。
单个方向塞尺插入的长度不大于该处搭接长度的25%
Engineering department
Documentation
Date: May 30th, 2012 Issued by: LIUDONG
L1+L2+L3+L4≦(A+B+A+B)×12.5%;
L1≦A ×25%,L3≦A ×25%;
L2≦B ×25%,L4≦B ×25%;
L1,L2,L3,L4:插入方向1,2,3,4的塞尺最大插入深度。
A:铜排1的搭接宽度。
B:铜排2的搭接宽度。
(2).如以连接处的温度高低判断,温度不高于70℃.。