管理决策模拟 控制大气污染问题.
- 格式:doc
- 大小:231.50 KB
- 文档页数:10
大气污染防治管控方案随着经济的发展和城市化的加速,大气污染已经成为了全球公认的严峻环境问题之一。
我国也不例外,大气污染严重影响着人们的健康和生活质量。
为了保护人民群众的身体健康和生命安全,防治大气污染已经成为了我国政府的重要任务。
下面,我就来介绍一下大气污染防治管控方案。
一、政策措施1. 加强源头控制对我国主要的大气污染源进行分类管理,建立严格的排污许可制度,限制高污染企业的排放量。
加大对企业、车辆和城市污染源的监管力度,并建立严格的排污罚款制度。
2. 建设绿色城市加大对城市绿化、环保设施建设和公共交通等方面的投入,提高城市绿化覆盖率和环境承载能力。
完善城市公共交通系统,鼓励居民使用公共交通工具,减少个人车辆的使用量,降低排放量。
3. 推广清洁能源鼓励发展清洁能源,大力推广太阳能、风能、地热能等可再生能源,减少对化石能源的依赖度。
同时,鼓励对导致大气污染的高污染燃料加税,提高使用成本,引导市民采用低污染的能源。
4. 强化政策执行强化对企业和居民的大气污染防治宣传和教育,加强社会监督,提高大众环保意识。
设立奖惩制度,奖励优秀企业,惩罚污染行为严重的企业和个人,加大治理力度。
二、技术手段1. 绿色交通技术推广绿色交通技术,减少机动车辆的污染排放,重点是推进公共交通的电动化和清洁化,并鼓励人们自行车、步行出行。
2. 建设大气监测系统建立全国性大气污染监测体系,通过现代化监测技术,实时掌握污染源和污染扩散情况,为决策者提供科学依据。
3. 绿色能源加大对清洁能源的研究与开发,促进新能源汽车、太阳能集热器、风力发电等技术的应用,进一步推广清洁能源。
三、应急措施1. 实施重污染天气应急预案一旦出现重污染天气,需要紧急采取措施。
政府应该建立健全应急预案,并重点保护人群健康,在特殊时期实施特殊防护措施。
2. 建立污染物排放监管机制建立完善的污染物排放监管机制,保证政策执行和企业随时掌握自己的排放情况。
总的来说,大气污染防治管控方案是一个多方面、多策略的综合措施。
大气污染专项方案及应急预案嘿,朋友们,今天我要给大家分享一份关于大气污染的专项方案及应急预案。
这可是我积累了十年经验的心血结晶哦,咱们就直接进入主题吧。
一、方案背景近年来,我国大气污染问题日益严重,尤其是PM2.5、臭氧等污染物,严重影响着人们的生活质量和身体健康。
为了改善空气质量,确保人民群众的蓝天白云,咱们必须制定一套切实可行的专项方案及应急预案。
二、方案目标1.降低污染物排放,改善空气质量。
2.提高应对大气污染的应急能力。
3.增强全民环保意识,营造绿色生活氛围。
三、方案内容1.污染源治理(1)加强工业污染源治理。
对重点污染企业进行排查,对排放不达标的企业进行整改或关停。
(2)严格控制机动车排放。
加强车辆尾气检测,推广新能源汽车。
(3)提高能源利用效率。
鼓励使用清洁能源,淘汰落后产能。
2.应急措施(1)建立健全大气污染应急预案。
针对不同污染源和污染程度,制定相应的应急措施。
(2)加强监测预警。
建立大气污染监测网络,实时掌握空气质量变化。
(3)启动应急响应。
当空气质量达到预警级别时,及时启动应急预案。
3.宣传教育(1)加强环保宣传教育。
通过媒体、网络、社区等多种渠道,提高全民环保意识。
(2)开展环保活动。
组织环保志愿者活动,倡导绿色生活方式。
四、实施方案1.制定详细实施计划。
明确任务分工、时间节点、责任单位等。
2.加强协调配合。
各部门之间要密切协作,形成合力。
3.强化考核问责。
对未完成任务的单位进行通报批评,对责任人进行问责。
五、应急预案1.启动条件(1)PM2.5浓度超过75微克/立方米。
(2)臭氧浓度超过160微克/立方米。
2.应急措施(1)启动大气污染应急预案。
(2)加强污染源治理。
(3)加强监测预警。
(4)开展宣传教育。
3.应急响应(1)一级响应:采取最强措施,确保空气质量尽快改善。
(2)二级响应:采取相应措施,控制污染源排放。
(3)三级响应:加强监测预警,适时启动应急预案。
这份大气污染专项方案及应急预案,旨在解决我国当前大气污染问题,保障人民群众的蓝天白云。
大气污染综合整治方案背景大气污染问题是影响人类健康和社会经济发展的重要问题之一。
近年来,全球气候变化和大气污染问题引起了国际社会的广泛关注。
特别是我国经济发展快速,但大气污染问题也逐渐加剧,需要采取综合整治措施保护环境和健康。
目标大气污染综合整治方案的目标是:从源头上减少污染物排放,提高大气环境质量,改善人民生活环境。
具体包括:•CO2等温室气体排放量比2015年下降18%左右;•PM2.5浓度比2015年下降25%左右;•全国13个省市PM2.5平均浓度达标;•全国31个省份市级空气质量优良天数比例达到60%以上;•提高城市绿化覆盖率和公共交通的使用率。
措施大气污染综合整治方案包括以下几个方面的措施:能源结构调整•发展清洁能源。
加快发展风能、太阳能、水能、地热能等清洁能源,提高其在能源结构中的比例。
•减少燃煤。
加快推进燃煤电厂超低排放改造,对不具备超低排放条件的燃煤电厂逐步淘汰,并加强对煤炭采掘、运输、储存、销售等环节的污染治理。
•促进天然气发展。
推动天然气管网建设,加快天然气资源开发与利用。
同时,加强天然气质量控制,防止气体泄露和渗漏污染环境。
工业结构调整•提高工业污染治理水平。
严格执行环保法律法规,完善环保技术标准,加强执法监管。
对不能满足环保要求的企业予以停产整治,采取严厉的经济手段去除发达国家淘汰的老旧产能。
•促进清洁生产。
推广清洁生产技术,鼓励企业采用高效低耗的生产工艺和设备,减少污染物排放。
•鼓励产业集群发展。
通过建设环保工业园、产业集中区等措施,推动企业集群发展,形成集约化、清洁化的生产格局。
交通结构调整•提高公共交通的服务水平。
加强城市公共交通系统的建设,完善路网布局和交通流量控制,提高公共交通服务质量,促进公共交通出行。
•推广新能源汽车。
鼓励和引导新能源汽车的发展和普及,同时,加快建设充电设施和电池回收体系,为新能源汽车的普及提供基础设施保障。
农业结构调整•实施化肥农药减量计划。
浅析大气污染防治存在的问题及解决对策摘要:我国社会经济的发展,使工业的发展以及城市化进程得到有效加快,与此同时在生态环境方面也遭遇了很大程度的影响。
大气污染是生态环境污染的一大污染源,会对人们的身心健康构成极大的威胁。
工业的发展既有积极作用也有消极作用,积极作用方面主要促进了我国社会经济的增长,消极作用方面主要使大气造成了极大的污染。
因此,我国对大气污染防治工作提出了越来越高的要求。
然而,目前我国在大气污染防治工作中还存在一些较为明显的问题,比如资金投入不足、能源消费结构不具合理性等。
本文对加强大气污染防治的有效对策进行了剖析。
关键词:大气污染;问题;对策1 我国城市大气污染现状我国主要能源是煤炭,城市供电、工业行业和北方地区冬天取暖所需要的主要能源都是燃煤热能。
当前,我国的工业生产中,以煤炭资源为主要能源的行业占据总行业 80%左右比例。
燃煤过程中不断排放出来的氮氧化物、硫化物以及粉尘,都是导致大气污染的主要原因。
在城市中,导致大气污染的另一个主要因素是汽车尾气。
汽车尾气给城市带来的大气污染具有一定的地域性,城市经济越是发达,机动车的保有量以及使用量也就相应的越多,相反,如果城市经济比较落后,机动车也相对较少。
当前,我国正致力于发展新兴城市,可是在发展经济的过程中,地方政府时常会忽视保护环境这一问题。
在招商引资的过程中,对于其给环境带来的不良影响以及对大气的污染程度没有形成充分的重视,最终导致新兴城市出现越来越严重的大气污染问题。
2 大气污染防治存在的问题分析现状下,我国大气污染防治工作还存在一些较为明显的问题,这些问题主要体现在以下三大方面:其一为资金投入不足;其二为能源消费结构不具合理性;其三为监督管理力度不足。
具体表现为:2.1 资金投入不足大气污染防治绝对不是一项简单的工作,需要有充足的资金投入作为防治工作的保障依据。
然而,现状下大气污染防治工作所存在的问题却是资金投入不足。
主要体现在两大方面:一方面,没有对大气污染防治工作相关的规范制定加以构建,从而使该项工作无据可依。
CHENGSHIZHOUKAN 2019/10城市周刊64大气污染治理形势及其存在问题和建议分析周佳洁 江 鹏 乐山市环境监测中心站摘要:在我国工业行业不断发展的今天,城市化建设加快开展,导致我国环境问题日益严峻,对人民群众的身体健康带来了严重威胁。
在众多环境污染问题中,大气污染问题不容忽视,由于汽车尾气、工业排放气体等因素,导致我国大气污染物不断增加,为环保工作的开展带来了严重阻碍。
本文主要内容研究了当前我国大气污染治理形势以及存在的问题,分析了治理大气污染的相关对策,希望能够为我国环保工作的开展有所启示。
关键词:大气污染;环保工程;治理形势根据相关数据显示,在我国三百多座城市中,只有不到八十座城市的环境质量符合相关标准,在总体城市中的比重不到百分之二十。
环境问题日益严峻受到了社会上下的普遍关注,越来越多的人认识到大气治理工作的必要性与重要性。
但是大气污染治理工作并非一蹴而就,它是一个长期性的治理过程,需要耗费大量的人力、物力,结合当前我国大气污染治理情况来看,仍然存在有众多问题需要解决。
一、当前我国大气污染治理形势及其存在的问题1.当前我国大气污染治理形势。
近年来,针对大气污染治理工作而言,有关粉尘、烟尘、二氧化硫等常规污染物的治理工作取得了良好的治理效果,但是在交叉污染方面,形势依旧较为严峻。
随着我国大气污染区域的不断扩大,各地区或多或少都出现了污染物质交叉共存的现象,不同的污染物质之间产生化学反应或者物理反应形成新的污染物质,其中雾霾天气便是交叉污染的主要代表[1]。
除了上述问题之外,我国非常规污染物质不断增加,在二十一世纪初期,在我国工业高速发展的阶段,各种污染物质不断出现,其中一部分污染物质属于非常规大气污染物,例如重金属颗粒等,在近几年来大气污染治理工作中,汽车尾气以及煤炭燃烧产生的颗粒污染物不断增加,这对大气污染治理工作带来了严重的阻碍。
2.我国大气污染治理存在的问题。
结合当前我国大气污染治理工作的开展情况来看,目前我国在大气污染治理方面,还未形成健全的治理机制,这一现象导致我国大气污染治理工作难以有效开展。
大气污染及危害防治管理程序范文大气污染是当前全球面临的重大环境问题之一,也是对人类健康和生态系统造成严重威胁的因素之一。
为了有效防治大气污染,各国不断推出并完善大气污染防治管理程序。
下面是一份关于大气污染及危害防治管理程序的范文,供参考。
一、背景和目的大气污染防治管理程序的制定是为了减少和控制大气污染的排放,保护大气环境,维护人类健康和生态平衡。
通过科学管理手段和有效的监测、评估、预警和处理机制,最大限度地减少大气污染的危害,提高大气质量,并促进可持续发展。
二、管理目标1. 减少大气污染的排放,逐步达到国家和地方制定的环境质量标准。
2. 提高大气质量,减少人类健康和生态环境的损害。
3. 加强大气污染的监测、预警和评估能力,及时发现和处理大气污染事件。
4. 加强大气污染治理的法制化、规范化和科学化。
5. 促进大气污染防治工作与可持续发展战略的有效结合。
三、管理程序1. 大气污染源排放管理(1)建立大气污染源清单系统,对主要污染源进行注册和备案,明确责任主体和排放标准。
(2)制定大气污染源排放标准,对各类污染物按照国家标准进行控制,逐步推动达到更严格的地方标准。
(3)加强大气污染源的监测和排放数据的采集和共享,及时掌握排放情况,对排放超标的企业进行处罚和整改。
(4)加大对重点污染行业和企业的监管力度,推动其进行节能减排和污染治理措施的更新。
2. 大气环境质量监测和评估(1)建立完善的大气环境质量监测网络,覆盖城乡各区域和主要污染源周边地区。
(2)采用标准化的监测方法和设备,进行大气质量标准和主要污染物的监测、统计和评估。
(3)定期发布大气环境质量状况和变化趋势的报告,及时向社会公布,启动应急预警机制。
3. 大气污染防治措施落实(1)加强大气污染治理的法制化和规范化,建立健全的法规体系和管理机制。
(2)制定大气污染防治技术规范和标准,推动行业和企业进行污染治理设施的安装和使用。
(3)加强大气污染防治技术的研究和开发,促进绿色、低碳、循环经济的发展。
《运筹学》案例分析案例1:超级食品公司的广告混合问题超级食品公司的营销部副总裁克莱略·希文生正面临着一个棘手的挑战:如何才能大规模地进入已有许多供应商的早点谷类食品市场。
值得庆幸的时,该公司的早点谷类食品“脆始”(Crunchy Start)有许多受欢迎的优点:口味佳、营养、松脆。
克莱略·希文生对这一切都如数家珍,她知道这一食品是能够赢得这次促销活动的。
然而,克莱略清楚她必须避免上一次产品促销活动中所犯的错误。
那是她晋升以后第一项重大任务,结果简直是个悲剧!她本以为已经大功告成,却没想到那次活动并没有触及至关重要的目标市场——幼年儿童以及幼年儿童的父母。
同时,她还领悟到未将优惠卷包含在杂志与报纸的广告中是另一大失误。
哎,学习是永无止境的。
这一次,必须吸取上次的教训。
公司的总裁大卫·斯隆已经向她表示脆始这一产品成功与否对公司前途有着重要影响。
她清楚地记得大卫在结束与她的谈话时说:“公司的股东对公司的现状极为不满,我们必须再次纠正方向,增加公司收入。
”克莱略以前也曾听到过这样的语调,但这一次,她从大卫极为严肃的目光中意识到了问题的严重性。
克莱略在攻读MBA管理运筹学课程时,曾经学习过如何通过建立数学模型来解决管理决策问题。
现在是时候让她仔细考虑一下问题,并准备应用所学知识解决问题了。
问题克莱略已经雇佣了一家一流的广告公司G&J公司来帮助设计全国性的促销活动,以使脆始取得尽可能多的消费者的认可。
超级食品公司将根据该广告公司所提供的服务付给一定的酬金(不超过100万美元)并已经预留了另外的400万美元作为广告费用。
G&J公司已经确定了这一产品最有效的三种广告媒介:媒介1:星期六上午儿童节目的电视广告。
媒介2:食品与家庭导向的杂志上的广告。
媒介3:主要报纸星期天增刊上的广告。
现在,要解决的问题是如何确定各广告活动的使用水平(levels)以取得最有效的绩效。
为了确定这一广告投放问题的最佳活动水平组合,首先必须明确该问题的总绩效测度(overall measure of performance)以及每一活动对该测度的贡献。
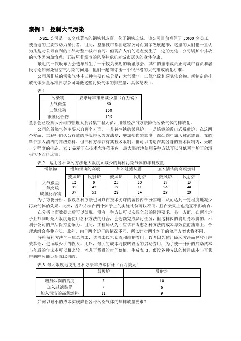
案例1 控制大气污染N&L公司是一家全球著名的钢铁制造商,位于钢铁之城。
该公司目前雇佣了50000名员工,使当地的主要劳动力雇佣者,因此,整座城市都因这家公司而繁荣发展起来,这里的人们也一直认为凡是对公司有利的必然对整个城市有利。
但现在人们的观点发生了一定的变化:公司锅炉中排放的气体因为加治理,正破坏着城市的风貌并危机着城市居民的身体健康。
最近的一次股东大会选举残生了一个较为英明的新董事会,其中的董事成员正与城市官员和居民讨论如何处理空气污染的问题,他们一起制订出一个很严格的大气排放质量标准。
公司所排放的污染气体中三种主要的成分是:大气微尘、二氧化硫和碳氢化合物。
新制定的排放气体质量标准要求公司降低这些污染气体的排放量,具体见表1。
表1公司的污染气体主要来自两个方面,一是铸生铁的鼓风炉,一是炼钢的敞口式反射炉。
在这两个方面,工程师们认为有效的降低排污的方法是:增加烟囱的高度、在烟囱中加入过滤装置、在燃料中加入清洁的高级燃料。
但三种方法都有其技术限制,但可以考虑在其各自的技术限制内,采取一定程度的措施。
表2显示了在技术允许范围内,最大限度地使用各种方法可以降低两个炉子的污染气体的排放量。
表2 运用各种降污方法最大限度可减少的每种污染气体的年排放量为了方便分析,假设各种方法也可以在技术允许的范围内部分实施,从而达到一定程度地减少污染气体的效果。
此外,各种方法在两个炉子上的实施比例可以不同,且在效果上也是互不影响的。
在分析上面数据之后可以发现,没有一种方法可以实现全部的降污要求,另一方面,在两个炉子上都同时最大限度地使用各种方法的组合,会超额完成降污任务,但这样做的费用是昂贵的,不利于公司的产品保持竞争力。
因此,工程师认为:应该在考虑各种方法的成本与效益的基础上,合理地组合各种方法。
此外,由于两个炉子的情况不同,所以针对两个炉子的治理方案也将不同。
分析每种方法的一年总成本,该成本包括运营和维护费用,以及因为使用降污方法而导致生产效率低,进而减少了的收入。
大气环境风险评价与管控大气环境是人类生存不可或缺的重要组成部分,但是现代人类的生产和生活活动对大气环境的污染日益严重。
为了科学地评估大气污染对人类健康和环境的影响,并采取有效的控制措施,大气环境风险评价与管控变得非常重要。
一、大气环境风险评价的意义大气污染对人类健康和环境的影响已经是一个被广泛关注的问题。
在这个背景下,开展大气环境风险评价可以帮助人们更好地认识大气污染的危害性和程度,以此形成科学有效的治理措施,保障人类的健康和环境的持续发展。
二、大气环境风险评价方法1. 数据分析法数据分析法是一种分析和处理数据来评价大气风险的方法,通常包括数据获取、数据分类、数据分析、数据综合等几个步骤。
通过对人为活动、大气质量监测数据、风速、温度、降雨等因素进行分析,给出对大气环境风险的评价结果。
2. 模型模拟法模型模拟法是建立数学模型对大气环境的物理和化学过程进行模拟,以此评估其风险。
现代气象和大气污染模型可以模拟大气的动力学、化学和物理过程,并计算气态和颗粒态空气污染物的输送和转换的路线和速率,提供决策的支持。
3. 生态承载力评价法生态承载力评价法是一种综合考虑生态环境和自然资源的可持续利用,确定人类活动数量和强度的评价方法。
它可以量化大气污染对生态和健康的影响,评估大气污染对人类生存环境的承受能力,以此来评估大气环境风险。
三、大气环境风险管控1. 制定合理的大气环境标准制定合理的大气环境标准是实现大气污染治理的前提,标准应该是科学的、准确的,能够真实地反映大气环境的状况。
标准具有指导作用,政府和企业也应该借鉴健全的国际标准,来制订适合自己国家的标准。
2. 加强大气监测体系建设完善大气污染监测体系,对于准确了解大气污染状况、及时发现和掌握重点污染源排放情况、保障大气环境质量具有非常重要的作用。
政府可以通过公共场所放置空气质量监测站或者购买大气污染在线监测设备,促进更加普及的大气监测。
3. 强化大气污染源管理大气污染源管理设计措施包括实施节能降耗和排放减少、大气排放标准的严格执行、许可证制度的强行改进、大气污染物的减量化贡献、原则和责任化、支持发展清洁技术与低碳经济、鼓励城市规划美观整洁极活力景象的各种尽可能政策。
河南治理大气污染的措施、存在的问题及对策分析作者:周纪昌来源:《决策探索·下旬刊》 2017年第5期如今,大气污染问题是河南省主要的环境问题之一,排放源主要包括:煤炭、石油、扬尘、汽车尾气和生物燃料燃烧排放大量污染物等。
近年来,雾霾天气频发,大气污染已对居民日常生活造成严重影响。
河南地处我国中心地带、黄河中下游,是中华民族和华夏文明的重要发源地,是国内面积较大、覆盖人口最多的省份,是促进中部崛起的重点发展地区,也是中国首个国家级航空港经济综合实验区的所在地,为更好地促进保障河南省经济的快速发展,治理大气污染已经迫在眉睫。
一、河南治理大气污染的有效性措施分析(一)大气污染治理的法制措施2016年上半年,河南省出台了大气污染防治攻坚战的7个实施方案,为河南省大气污染的治理工作提供了法制保障,这7个方案包括《河南省治理扬尘污染攻坚战实施方案》《河南省治理工业大气污染攻坚战实施方案》《河南省治理燃煤污染攻坚战实施方案》《河南省治理重点行业挥发性有机物污染攻坚战实施方案》《河南省淘汰黄标车和老旧车及治理机动车污染攻坚战实施方案》《河南省秸秆禁烧攻坚战实施方案》《河南省重污染天气应急应对攻坚战实施方案》。
2017年上半年,《河南省大气污染防治条例》正在进行公开征求意见中,为进一步解决本省的大气污染问题提供了法律保障。
(二)针对污染源的治理措施1.针对供暖供热工作治理情况。
河南省的供暖供热主要分布在北部地区。
近几年,郑州、焦作、安阳建成区集中供热普及率达到了80%以上,新乡、濮阳的集中供热普及率也达到了70%以上,开封、鹤壁达到60%以上。
以上7市的供暖供热技术有了提高,采取了加大热电联产、工业余热利用、新建燃气锅炉或技术改造等方式,极大地提高了解决热源问题的能力。
同时,采用政府补贴、政府购买服务、特许经营等方式多渠道筹集资金,加快配套管网和换热基站建设。
2.针对企业“小散乱污”治理情况。
针对企业“小散乱污”情况,采取了分门别类建立整治取缔台账,制定整治措施,明确整治时限、责任人、责任单位,抓紧落实整治取缔工作。
大气污染及危害防治管理程序1.1目的对公司活动、产品或服务中产生的废气进行预防管理和治理,以减少废气产生,并确保达标排放,特制定本程序。
1.2范围本程序适用于本公司环境/职业健康安全管理体系覆盖的单位。
2术语2.1燃料燃烧废气:指以煤、重油、柴油为燃料,燃烧后产生的废气。
2.2工艺废气:指在生产加工过程中产生的废气。
3职责3.1人力资源部为废气排放控制的主管部门,负责公司废气排放预防和治理;负责废气排放监测。
3.2生产部是废气排放控制的责任部门,负责生产过程废气排放控制及日常性监测。
4工作控制要点4.1废气排放控制总体原则a.从工艺上,要推广四新技术(新产品、新工艺、新材料、新技术),优先采用无毒、低毒、少废的清洁生产工艺;b.原辅材料采购时,应优先采购无毒、低毒的原辅材料,并要求供应商提供可能产生危害的有害物质名称与成份;c.对有排放标准要求的废气排放要有治理措施,确保排放达标。
4.2废气排放类型a.燃料燃烧废气排放:主要是燃煤、燃油产生的废气排放;b.工艺废气排放:包括酸雾排放、铬雾排放、有机废气排放、炉窑废气排放、含尘废气排放、油烟废气排放等。
c.作业环境中有害物资的排放:包括粉尘排放、酸雾排放、苯类物排放、二氧化锰等4.3废气排放管理4.3.1污染源管理4.3.1.1人力资源部对公司的废气排放污染源进行归口管理。
4.3.1.2生产车间对废气排放作业岗位制订作业指导书(管理制度或操作规程)。
4.3.1.3各部门对5.2条所列类型的相关作业人员按《能力、培训和意识管理程序》要求进行培训,并使之明白违规操作可能对大气环境和作业环境造成的危害。
4.3.1.4本程序5.2条所列类型的相关作业人员应严格按作业指导书的要求配带防护用品进行操作,保护自己免受其害,并最大限度地减少因不当操作而造成异常排放和作业环境破坏。
4.3.2废气排放治理4.3.2.1各部门按《环境因素识别、评价与更新程序》和《危险源辨识、风险评价和控制程序》识别废气排放类环境因素和危险源,并确定其重要环境因素和重大危险源。
大气工程治理方案怎么写随着工业化进程不断加快,大气污染已成为严重的环境问题。
据统计,全球每年因大气污染所致的疾病和死亡人数高达数百万,对人类健康和生态环境都造成了极大的危害。
因此,大气工程治理成为了当前社会亟待解决的问题之一。
本文将针对大气工程治理方案进行详细的阐述,以期为相关领域的专业人士提供参考。
一、大气污染现状1.1 大气污染的来源大气污染是指大气中的污染物对生态环境和人类健康造成的危害。
主要来源包括工业生产排放、机动车尾气排放、城市建设施工扬尘、生物质燃烧等。
不同的来源会产生不同类型的污染物,包括颗粒物、二氧化硫、氮氧化物、挥发性有机物等。
1.2 大气污染对环境的影响大气污染对环境造成的影响主要包括大气透明度降低、酸雨、温室效应、光化学烟雾等。
其中,酸雨对土壤、水域和植物造成了极大的危害,而温室效应则导致了全球气候变暖,引发了一系列自然灾害。
1.3 大气污染对人类健康的危害大气污染对人类健康造成的危害主要体现在呼吸系统和心血管系统方面,导致了各种呼吸道疾病、心脑血管疾病、免疫系统疾病等。
据统计,每年因为大气污染导致的疾病和死亡人数达到了惊人的数字,对社会和家庭都造成了严重的影响。
二、大气工程治理方案2.1 加强大气监测和数据收集首先,需要建立起完善的大气监测体系,包括监测站点的建设和运行、监测参数的选取和标准化等。
通过监测数据的收集和分析,可以实时了解大气污染的情况,为后续的治理提供科学依据。
2.2 控制工业和机动车尾气排放针对工业和机动车尾气排放问题,应采取严格的控制措施。
对于工业企业,可以采用装置改造、污染物治理设施建设、生产工艺优化等方式,来减少排放的污染物。
对于机动车尾气排放,可以采用油品升级、车辆限行、尾气净化装置等措施,来降低排放的污染物。
2.3 提高城市建设和扬尘治理水平城市建设和施工扬尘也是大气污染的重要来源之一。
为此,需要提高城市建设的环保水平,采用清洁能源、绿色建材等方式来减少施工对大气的影响。
大气污染治理形势及其存在问题及其应对措施【摘要】当前,大气污染治理形势严峻,给人们的健康和环境带来了严重影响。
本文从背景介绍和研究目的入手,详细分析了大气污染治理的现状和存在的问题,提出了一系列应对措施,包括加强环保政策法规的执行力度,发展更先进的技术手段等。
结合了未来发展趋势,展望了未来的环境治理方向。
最后总结提出建议,强调了环保工作的重要性,呼吁社会各界共同努力,共同应对大气污染问题。
通过本文的研究可以更好地了解大气污染的现状与问题,并为未来的环保工作提供一定的参考和借鉴。
【关键词】大气污染治理形势,存在问题,应对措施,环保政策法规,技术手段,未来发展趋势,建议,展望未来,结论。
1. 引言1.1 背景介绍大气污染是指空气中存在的有害气体和颗粒物质超出一定浓度,对人类健康和环境造成危害的现象。
随着工业化和城市化的加快,大气污染日益成为人们关注的焦点。
我国大气污染治理形势严峻,仍存在很多问题亟待解决。
工业排放是造成大气污染的主要原因之一。
许多企业为了追求利润而忽视环境保护,以牺牲环境为代价。
机动车尾气排放也是导致大气污染的重要原因之一。
随着汽车数量的不断增长,尾气排放量也在不断增加,成为城市空气质量恶化的主要原因之一。
农业生产中过量使用化肥、农药等化学物质,也导致了大气污染的加剧。
在这样的背景下,如何有效治理大气污染成为当前亟待解决的问题。
政府应加大环保政策的力度,加强对工业企业和机动车尾气排放的监管。
市民也应该意识到环保的重要性,积极参与到大气污染治理中来。
只有政府、企业和市民共同努力,才能有效解决大气污染问题,建设更加清洁、美丽的环境。
1.2 研究目的研究目的:本文旨在探讨当前大气污染治理形势,分析存在的问题并提出相应的应对措施,为加强大气环境保护和改善空气质量提供参考和建议。
通过全面分析大气污染现状和相关政策法规,揭示治理中存在的矛盾和不足,提出可行的技术手段和发展趋势,以期为促进生态环境持续改善和人民群众健康提供保障。
大气治理管理制度随着人类社会的不断发展和工业化的加快,大气环境污染日益严重,已经成为了一个全球性的问题。
大气环境污染不仅对人类的健康和生存造成了严重威胁,也对生态环境和环境可持续发展带来了不可逆转的损害。
为了改善大气环境质量,许多国家和地区都制定了一系列的大气治理管理制度,以保护大气环境,减少大气环境污染的影响。
本文将从大气治理管理制度的定义、发展历程、目标和原则、主要内容和实施效果等方面进行探讨。
一、大气治理管理制度的定义大气治理管理制度是国家或地区为了改善大气环境质量,预防和减少大气污染物的排放,保护大气环境,维护生态平衡,促进环境可持续发展所制定的一系列法律、法规、标准、规划、政策和措施等的综合体系。
其目的是在维护生态平衡的基础上,有效管理大气环境,达到清洁空气和人类健康的目标。
二、大气治理管理制度的发展历程1. 第一阶段:大气污染治理的初步探索20世纪70年代,国际上开始出现了对大气污染治理问题的关注,各国纷纷制定了相关的法律、法规和标准,如美国的《清洁空气法》、欧盟的《大气污染物排放标准》等。
中国也在1987年颁布了《大气污染防治法》,开始了对大气环境污染的治理工作。
2. 第二阶段:大气治理管理制度的完善和提高随着大气环境污染的不断恶化,国际社会对大气污染防治工作的重视程度不断提高。
各国纷纷对大气治理管理制度进行了进一步的完善和提高,加大了对大气污染源的监管力度,加强了对大气环境质量的监测和评估,完善了大气污染防治的法律、法规和标准,制定了更加严格的大气污染物排放标准和限值。
3. 第三阶段:大气环境管理体系的建立和健全21世纪以来,随着全球经济一体化和环境保护意识的提高,各国对大气环境治理工作进行了更加深入的研究和探索,逐步建立了较为完善的大气环境管理体系,通过建立和健全大气污染防治的法律体系、政策体系、市场机制和监管体系等,有效推进了大气污染防治工作。
三、大气治理管理制度的目标和原则1. 目标:大气治理管理制度的最终目标是实现清洁空气和人类健康的目标,减少大气环境污染对人类健康和生态环境造成的损害,实现大气环境的可持续发展。
大气污染物防治管理程序一、背景介绍随着工业化进程的加快和城市化进程的推进,大气污染问题日益突出。
大气污染物对人体健康、生态环境和经济发展均有不可忽视的影响,因此,建立一套科学、严格的大气污染防治管理程序,对于减少大气污染、改善环境质量具有重要意义。
二、目标设定1. 控制大气污染物排放量:通过制定严格的排放标准和管理措施,减少大气污染物的排放量,保护大气环境。
2. 提高大气质量:加强大气质量监测和评估,制定相应的控制措施,保障人民群众的健康和生活质量。
3. 促进清洁能源发展:鼓励和支持清洁能源的发展和应用,减少能源消耗和大气污染。
三、管理程序1. 制定大气污染物排放标准:根据当地和国家的环境和经济发展情况,制定科学、合理的大气污染物排放标准,明确各行业的排放限值。
2. 监测大气质量:建立完善的大气质量监测体系,监测大气中各类污染物的浓度和分布,及时发布大气质量指数和预警信息。
3. 加强污染物排放源的管理:采取各种技术和管理措施,对工业企业、汽车尾气、扬尘等大气排放源进行控制和管理,减少污染物的排放。
4. 完善环境监管体制:建立健全的环境监管体系,加强对大气污染防治工作的监督和检查,严厉打击环境违法行为。
5. 推广清洁能源和节能减排技术:鼓励企业和居民采用清洁能源,提倡节能减排技术的应用,促进清洁能源的发展。
6. 加强宣传和教育:开展大气污染防治宣传和教育活动,提高公众的环保意识和环境素养,使大家共同参与到大气污染防治工作中。
四、实施措施1. 建立大气污染物监测网络:配备先进的监测设备,对大气污染物进行全面、准确的监测,及时发布监测结果和预警信息。
2. 制定行业排放限值和控制技术标准:根据各行业的特点和污染物排放情况,制定相应的排放限值和控制技术标准,鼓励和引导企业进行技术改造,减少污染物排放。
3. 加强企业和居民节能减排宣传和培训:通过宣传教育活动,提高企业和居民的环保意识,推广节能减排的技术和方法,引导大家采取低碳生活方式。
空气质量模型在城市空气污染治理中的应用空气污染一直是全球范围内的重要环保问题。
尤其是在城市地区,因为工业化、城市化和交通运输等因素,导致空气中的污染物排放量巨大,严重危害着人们的健康和生活质量。
因此,如何有效地治理城市污染成为了全球范围内的共同挑战。
在城市空气污染治理中,空气质量模型的应用已经成为了重要的决策工具。
空气质量模型是指采用数学方法,通过模拟大气中的污染物输移、转化、扩散和沉降等过程,预测大气污染的空间分布和时间变化规律的一种模型。
通过模型,可以定量地评估污染物排放对环境的影响,并预测城市空气质量。
因此,空气质量模型的应用已经成为了治理城市污染的一种重要手段。
一、空气质量模型在城市规划中的应用城市规划是城市空气污染治理的重要方面。
通过空气质量模型,可以预测不同规划方案下的空气质量状况,优化城市规划方案,并对新建项目进行环评。
例如,在城市新区开发前,可以通过空气质量模型对规划方案进行模拟,从而优化规划方案,减少污染物排放对环境的影响。
此外,空气质量模型还可以对城市交通规划进行预测。
例如,对交通拥堵情况进行模拟和预测,减少交通拥堵对城市环境的污染。
二、空气质量模型在污染源控制中的应用污染源控制是治理城市污染的关键环节。
通过空气质量模型,可以评估不同污染源对环境的影响,并确定污染源的防治措施。
例如,在城市工厂的污染物排放管理中,可以通过空气质量模型评估污染物排放对环境的影响,并确定污染源控制目标和措施。
此外,空气质量模型还可以对机动车尾气的排放进行模拟和预测,为车辆污染控制提供科学依据。
三、空气质量模型在应急管理中的应用应急管理是治理城市污染的重要环节。
一旦发生环境突发事件,例如严重的雾霾天气,空气质量模型可以预测污染物的扩散和变化趋势,提供及时准确的预测信息,帮助政府制定有效的应急管理措施,保护公众的健康和生命安全。
例如,北京市政府就曾根据空气质量模型,制定了空气重污染应急预案,并采取了有效的污染控制措施,保障了市民健康。
大气污染防治及环境治理工作方案大气污染防治及环境治理工作方案精选5篇(一)大气污染防治及环境治理工作方案是一个综合性的计划,目的是通过采取一系列措施来减少大气污染并改善环境质量。
以下是一份可能的工作方案的内容:1. 加强政策法规和监管措施:建立健全大气污染防治法律法规,加强环境监测和执法力度,制定并严格执行排放标准。
2. 推动产业结构调整:通过鼓励清洁能源的发展和应用,推动高污染、高能耗产业的转型升级,减少大气污染源。
3. 提高燃煤电厂的环保水平:加强对燃煤电厂的排放监管,推动提高燃煤电厂的烟尘、二氧化硫和氮氧化物的净化技术,同时加快清洁能源的替代。
4. 限制机动车尾气排放:加强对机动车的污染物排放监管,推动车辆升级和清洁燃料的使用,控制机动车数量和行驶限制,减少机动车尾气的排放。
5. 发展大气污染治理技术:加大对大气污染治理技术研发的投入,提高尾气净化、烟气脱硝、烟气脱硫等技术的效率和成本效益,推动其在实际应用中的推广。
6. 提高环境教育和公众参与:加强环境教育宣传,提升公众对大气污染防治的认识和意识,积极鼓励公众参与大气污染防治工作。
7. 加强国际合作和交流:积极参与国际环保合作,借鉴国际先进经验和技术,加强与其他国家和地区的环保工作交流沟通。
通过实施以上措施,可以逐步减少大气污染物的排放,改善空气质量,提高人民群众的健康水平和生活环境。
大气污染防治和环境治理是一项长期的任务,需要政府、企业和公众共同努力,形成合力,不断推进大气污染防治和环境治理工作。
大气污染防治及环境治理工作方案精选5篇(二)大气污染防治实施工作计划主要包括以下几个方面的内容:1. 制定大气污染防治目标:根据国家的环保政策和相关法规,确定相应的大气污染防治目标,包括减少排放量、改善空气质量等方面。
2. 制定大气污染防治措施:根据大气污染的主要来源和影响因素,制定相应的大气污染防治措施,包括减少工业排放、改善机动车尾气排放等。
案例实验一控制大气污染问题【实验目的与要求】培养从实际管理问题中归纳建立线性规划模型的能力,熟练使用计算机软件求解线性规划模型,并利用模型结果对现实问题进行分析。
通过实验掌握线性规划模型的求解方法,了解影子价格、最优域、可行域、灵敏参数等概念的经济含义,以及其在现实管理中的作用。
独立完成实验,并得到正确的结果。
【实验内容与数据】N&L公司是一家全球著名的钢铁制造厂商,位于钢铁之城。
该公司目前雇佣了50,000名员工,是当地的主要劳动力雇佣者,因此整个城市都因这家公司而繁荣与发展起来,这里的人们也一直都认为凡是对公司有利的必然对整个城市有利。
但是现在人们的观点发生了一定的变化:公司锅炉中排放出的气体因未加治理,正破坏着城市的风貌并日益危及着城市居民的身体健康。
最近的公司一次股民选举产生了一个较为英明的新董事会,其中的董事会成员与城市官员和居民讨论如何处理空气污染的问题,他们一起制定出了很严格的大气排放质量标准。
所排放的气体中,三种主要的成分是:大气微尘、氧化硫和碳氢化合物。
新制定的排放气体质量标准要求公司降低这些污染气体的排放量,具体要求如表1-1所示。
董事会已经指示公司的管理人员召集工程人员,用最经济的方法降低污染气体的排放量。
公司的污染气体主要来自两个方面,一是铸生铁的鼓风炉,一是炼钢的敞口式反射炉。
在这两方面,工程师都认为最有效的降低污染的方法是:①增加烟囱的高度,②在烟囱中加入过滤装置,③在燃料中加入清洁的高级燃料。
三种方法都有其技术限制(例如,烟囱可增加的高度是有限的),但可以考虑在各自的技术限制内,采取一定程度的措施。
表1-2显示了在技术允许的范围内,最大限度地使用各种方法可以降低两个炉子污染气体的排放量。
为了方便分析,假设各种方法也可以在技术允许的范围内,采取一部分程度的实施,从而达到一定程度的减少污染气体的效果。
此外,各种方法在两个炉子上的实施比例可以不同,且在效果上也是互不影响的。
在分析了上面的数据之后,可以发现没有一种方法可以实现全部的降污要求,而另一方面,在两个炉子上都同时最大限度的使用各种方法的组合,会超额完成降污任务,但这样做的费用是昂贵的,不利于公司的产品保持竞争力。
因此,工程师认为,应该在考虑各种方法的成本与效益的基础上合理的组合各种方法。
此外,因为两个炉子的情况并不相同,所以针对两个炉子的治理方法也将不同。
表1-2 运用各种降污方法最大限度可减少的每种污染气体的年排放量(百万镑)实施分析每种方法的一年总成本,该成本包括运营和维护费用,以及因为使用降污方法而致使生产效率降低,进而减少了的收入。
此外,最大的成本是安装设备的启动成本。
为了使一开始的启动成本与今后的年成本可以相互比较,必须考虑货币的时间价值,将年成本折现。
这样可以生成下面的数据表,表1-3表示的是最大限度的使用各种方法估计的年成本。
并且,各种方法的使用成本与可获得的降污能力是成比例的,也就是说,要取得一定比例的降污效果,所实施方法的成本在总成本中占同样的比例。
表1-3 最大限度的使用各种方法估计的年成本(百万美元)【阶段性实验步骤一】现在,我们可以制定出降污规划的大致框架了,即这一规划必须确定在两个炉子上,使用哪几种方法,每种方法的实施程度。
假设,你被任命为管理科学小组的组长,管理层要求你以最小的成本实现降低各种污染气体的年排放量要求。
1. 建立线性规划模型。
2. 利用计算机软件求最优解。
【阶段性实验步骤二】现在,管理层希望能够在你的帮助下,进行一些深层次分析。
因为管理层对这几种治理方法都没有经验,所以使用各种方法的成本只是一个大致的估计,实际值可能在10%的范围内变动。
此外,表1-2中的数据还存在一些不确定性,尽管这些不确定性或许比表1-3中的要小一些。
表1-1中的数据是政策标准,但是,这些数据是在不知道成本的情况下确定的一些暂时性的数值,公司与政府的官员都认为,应该在成本与收益分析的基础上来确定最终的决策。
政府官员估算出如果将第一张表中的政策标准增加10%,对整个城市的价值是$3,500万美元。
因此政府决定,公司每提高10%的降污标准(表1-1中的所有数据,直到50%),可将获得$350万的降税。
最后,管理层对政策标准中各种污染气体的相对值还存在一点分歧,如表1-1所示,要求减少的大气微尘的数量还不到其他两种的一半,因此,有些人提出,是否减少这一差距。
而另一些认为应该增大差距,因为氧化硫和碳氢化合物的危害比大气微尘大得多。
最后,人们同意在获得最优的成本收益平衡解之后,再对这一点进行探讨,增加一种污染气体的数量同时减少另一种污染气体的数量,看看会有怎样的影响。
1. 判断线性规划模型中哪些成本参数是敏感系数,应该作进一步精确的估计。
注:在本案例中,若某成本参数最优域的下限大于该参数值的0.9倍,则该参数称为下限敏感系数;若某成本参数最优域的上限小于该参数值的1.1倍,该参数称为上限敏感系数,下限和上限敏感系数均称为敏感系数。
2. 对于每一种污染气体,求排放量减少一单位所引起的成本变化量。
排放量在多大的范围内变动,该成本变化量会保持不变。
3. 在保持总成本不变的前提下,政策中大气微尘标准的每一单位的变动,可能会引起氧化硫排放标准多大的变动,又或者会引起碳氢化合物排放标准多大幅度的变动?如果氧化硫和碳氢化合物同时因此而变动,且两者变动的幅度相同,该变动的幅度又是多少?【阶段性实验步骤三】1.假设以θ表示表1-1中标准的增加百分比,θ = 10, 20, 30, 40, 50,分别求出该修正的线性规划问题的最优解。
考虑税收上的优惠,管理者将会选择哪一个θ?2.根据上面计算出的θ,生成灵敏度报告,并重复【阶段性实验步骤二】中2和3问题的分析。
【实验报告】【阶段性实验步骤一】1.1 建立线性规划模型设六个决策变量j x (j=1,2,3,4,5,6),表示三种方法在不同炉子上的实施比例,且(01≤≤j x )。
目标是总成本最小,目标函数:65432191167108x x x x x x z Min +++++=约束条件的确立:排放减少量约束:6013172025912654321≥+++++x x x x x x 150495631184235654321≥+++++x x x x x x125202924285337654321≥+++++x x x x x技术约束:1≤j x ,j=1,2,,6非负约束:0≥j x ,j=1,2,,6故建立的线性规划模型为:65432191167108x x x x x x z Min +++++=⎪⎪⎪⎩⎪⎪⎪⎨⎧=≥=≤≥+++++≥+++++≥+++++6,5,4,3,2,106,5,4,3,2,111252029242853371504956311842356013172025912..654321654321654321j x j x x x x x x x x x x x x x x x x x x x t s j j1.2 利用QSB 软件对线性规划模型进行求解,得到如下结果:最优值: 1546.32=z Min所以,增加烟囱高度、加入过滤装置、加入高级燃料在鼓风炉、反射炉上的实施比例分别为100%、62.27%、34.35%、100%、4.76%、100%,才能使总成本最小为32.1546百万美元。
【阶段性实验步骤二】2.1灵敏度分析:最优域和灵敏参数:由表可知,1x 、3x 、6x 具有上限敏感系数,5x 具有下限敏感系数,2x 同时具有上下限敏感系数。
2.2可行域和影子价格:影子价格反映所要求排放量变化一单位所引起的成本变化量。
通过上表可知,大气微尘、氧化硫、碳氢化合物排放量三个约束对应的影子价格分别为0.1110、0.1268、0.0693,所以,大气微尘、氧化硫、碳氢化合物所要求排放量减少一单位所引起的成本减少量分别为0.1110、0.1268、0.0693百万美元。
对于大气微尘、氧化硫、碳氢化合物所要求排放量分别在52.5200~74.2971、148.310~170.4531、103.3080~127.0417(百万磅)范围内变动,该成本变化量会保持不变。
2.32.3.1大气微尘和氧化硫每增加一单位大气微尘的减排量,成本将增加0.1110百万美元。
每减少一单位氧化硫的减排量,成本将减少0.1268百万美元。
所以,在总成本不变的前提下,每增加一单位大气微尘的减排量,氧化硫的减排量会减少0.1110/0.1268=0.8754 单位。
2.3.2大气微尘和碳氢化合物每增加一单位大气微尘的减排量,成本将增加0.1110百万美元。
每减少一单位碳氢化合物的减排量,成本将减少0.0693百万美元。
所以,在总成本不变的前提下,每增加一单位大气微尘的减排量,碳氢化合物的减排量会减少0.1110/0.0693=1.6017单位。
2.3.3大气微尘和氧化硫与碳氢化合物每增加一单位大气微尘的减排量,成本将增加0.1110百万美元。
每同时增加一单位的氧化硫和大气微尘减排量,成本会增加0.1268+0.0693=0.1961 百万美元。
所以,在总成本不变的前提下,每增加一单位大气微尘减排量,氧化硫和大气微尘各减少0.1110/0.1961=0.5660单位。
【阶段性实验步骤三】3.1θ的选择通过上表可以看出排放减少量的增加百分比%40=θ时,考虑到税收上的优惠,企业可以获得最小的实际总成本,8982.31='z 百万美元。
3.23.2.1 最优解和灵敏度报告由上面的计算可知%40=θ 此时不等式约束右边数变为利用QSB 软件对新的线性规划问题进行求解,得到如下结果:最优值: 8982.45='z Min所以,当排放减少量的增加百分比%40=θ时,增加烟囱高度、加入过滤装置、加入高级燃料在鼓风炉、反射炉上的实施比例分别为100%、100%、70.53%、100%、78.16%、92.93%,才能使总成本最小为45.8982百万美元。
灵敏度报告:最优域和灵敏参数:由表可知,1x 、2x 、3x 具有上限敏感系数,5x 、6x 同时具有上下限敏感系数。
可行域和影子价格:3.2.2通过上表可知,大气微尘、氧化硫、碳氢化合物所要求排放量减少一单位所引起的成本减少量分别为0.0993、0.1240、0.0817百万美元。
对于大气微尘、氧化硫、碳氢化合物所要求排放量分别在83.1542~84.2648、203.7059~211.1125、174.7468~175.8638(百万磅)范围内变动,该成本变化量会保持不变。
3.2.3(1)大气微尘和氧化硫每增加一单位大气微尘的减排量,成本将增加0.0993百万美元。