水泥粉煤灰碎石桩复合地基质量检验标准
- 格式:docx
- 大小:14.95 KB
- 文档页数:1
一、一般规定1、水泥粉煤灰碎石桩(CFG桩)法适用于处理粘性土、粉土、沙土和桩端具有相对硬土层、xx标准值不低于70KPa的淤泥质土、非欠固结人工填土等地基。
2、水泥粉煤灰碎石桩桩端应位于相对硬的土层上。
3、水泥粉煤灰碎石桩复合地基按xx设计师必须进行地基变形验算。
二、设计1、水泥粉煤灰碎石桩桩径d宜取350.2、桩的平面布置,可只布置在基础范围内。
3、桩距s应根据设计要求的复合地基承载理、土性、施工工艺等确定,宜取3-6倍桩井。
当在饱和粘性土中挤土成桩时,桩距s 不宜小于4倍桩径。
4、桩体试块抗压强度平均值应满足下式要求:fcu≥3Rk/Ap式中fcu-桩体混合料试块(边长xx)标准养护28d无侧限抗压强度平均值(KPa)RK-单桩xx标准值(KN),应按本规范条取值。
5、桩顶应设置垫层,褥垫层厚度宜取100,当桩径、桩距大时褥垫层厚度宜取高值。
6、褥垫层材料宜用粗砂、中砂、级配砂石,碎石的最大粒径不宜大于.7、水泥粉煤灰碎石桩复合地基xx标准值,宜通过现场复合地基载荷实验确定,初步设计时也可按下式估算:fsp,k=mRk/Ap+β(1 -m)fs,k式中fsp,k——复合地基xx标准值(KPa);m——桩土面积置换率;β——桩间土强度发挥系数,宜取0.9-1.0对变形要求高的建筑物可取低值;fs,k——桩间土xx标准值(KPa)。
8、单桩xx标准值Rk的取值,应符合下列规定:(1)当用单桩静载荷实验确定单桩极限xx标准值Ruk后,Rk可按下式计算:Rk=Ruk/γsp式中γsp——调整系数,宜取1.50-1.60,一般工程或桩间土xx高、基础埋深大以及基础下桩数较多时应取低值,重要工程、基础下桩数较少或桩间土为xx较低的粘性土时应取高值。
(2)当无单桩载荷试验资料时,可按下式计算;Rk=Up∑qsili+qpAp式中Up——桩的周长(m);qsi——桩侧第i层土德济限侧阻力标准值(KPa)可参照岩土工程勘察报告;qp——桩的极限端阻力标准值(KPa),可参照岩土工程勘察报告;li——第i层土的厚度(m)。
水泥粉煤灰碎石桩(CFG桩)施工工艺标准1适用范围本标准适用于建筑工程地基加固采用水泥粉煤灰碎石桩(CFG桩)施工。
2施工准备2.1材料2.1.1水泥:一般采用强度等级为32.5及其以上的普通硅酸盐水泥。
水泥进场时应有出厂合格证,并有现场复验报告。
2.1.2粉煤灰:一般采用细度不大于45%的Ⅱ级或Ⅱ级以上的粉煤灰;粉煤灰进场时应有出厂合格证,并有现场复验报告。
2.1.3石子:一般采用粒径为20~50mm的坚硬碎石或卵石,含泥量不大于3%且应符合国家现行标准《普通混凝土用碎石或卵石质量标准及检验方法》JGJ53的规定。
2.1.4石屑:一般采用粒径为2.5~5mm,含泥量不大于3%,质量符合设计要求。
2.1.5砂:宜采用中砂或粗砂,含泥量不大于5%。
2.1.6外加剂:根据施工需要通过试验确定。
2.2机具设备2.2.1长螺旋钻机:常用长螺旋钻机的钻孔直径为300~800mm,钻孔深度8~27.5m。
2.2.2振动沉管机:激振力74kN以上,允许加压力60kN以上。
2.2.3洛阳铲:选用直径多为110~130mm。
2.2.4辅助设施与机具2.2.4.1强制式搅拌机、高压混凝土泵、混凝土泵管、振捣器、材料秤、机动翻斗车、小推车、重锤等。
2.2.4.2水准仪、经纬仪、测绳、钢尺等检测工具。
2.3作业条件2.3.1施工场地达到“三通一平”,对软弱地面进行碾压或夯实处理。
2.3.2施工范围内的地上、地下障碍物应清理或改移完毕,对不能改移的障碍物必须进行标识,并有技术保护措施。
2.4技术准备2.4.1收集场地工程地质、水文地质资料,编制水泥粉煤灰碎石桩施工方案并经审批,对操作人员进行技术交底。
2.4.2测设建筑场地水准控制点和建筑物轴线桩,测放桩位并做好标记。
2.4.3对材料进行复试、试配。
2.4.4试桩,以复核地质资料以及设备、工艺是否适宜。
3操作工艺3.1工艺流程3.1.1长螺旋钻孔或人工洛阳铲成孔干作业灌注成桩工艺流程3.1.2长螺旋钻孔、管内泵压混合料成桩工艺流程3.1.3振动沉管灌注成桩工艺流程3.2操作方法3.2.1长螺旋钻孔或人工洛阳铲成孔干作业灌注成桩操作方法3.2.1.1定桩位:放桩位后应用钢钎打入地下200mm,灌入白灰做标记,经建设单位和监理验收。
一、一般规定1、水泥粉煤灰碎石桩(CFG桩)法适用于处理粘性土、粉土、沙土和桩端具有相对硬土层、承载力标准值不低于70KPa 的淤泥质土、非欠固结人工填土等地基。
2、水泥粉煤灰碎石桩桩端应位于相对硬的土层上。
3、水泥粉煤灰碎石桩复合地基按承载力设计师必须进行地基变形验算。
二、设计1、水泥粉煤灰碎石桩桩径d宜取350-600mm.2、桩的平面布置,可只布置在基础围。
3、桩距s应根据设计要求的复合地基承载理、土性、施工工艺等确定,宜取3-6倍桩井。
当在饱和粘性土中挤土成桩时,桩距s不宜小于4倍桩径。
4、桩体试块抗压强度平均值应满足下式要求:fcu≥3Rk/Ap式中fcu-桩体混合料试块(边长150mm立方体)标准养护28d无侧限抗压强度平均值(KPa) RK-单桩承载力标准值(KN),应按本规9.2.8条取值。
5、桩顶应设置垫层,褥垫层厚度宜取100-300mm,当桩径、桩距大时褥垫层厚度宜取高值。
6、褥垫层材料宜用粗砂、中砂、级配砂石,碎石的最大粒径不宜大于30mm.7、水泥粉煤灰碎石桩复合地基承载力标准值,宜通过现场复合地基载荷实验确定,初步设计时也可按下式估算:fsp,k=mRk/Ap+β(1-m)fs,k式中fsp,k——复合地基承载力标准值(KPa);m——桩土面积置换率;β——桩间土强度发挥系数,宜取0.9-1.0对变形要求高的建筑物可取低值;fs,k——桩间土承载力标准值(KPa)。
8、单桩承载力标准值Rk的取值,应符合下列规定:(1)当用单桩静载荷实验确定单桩极限承载力标准值Ruk后,Rk可按下式计算:Rk=Ruk/γsp式中γsp——调整系数,宜取1.50-1.60,一般工程或桩间土承载力高、基础埋深大以及基础下桩数较多时应取低值,重要工程、基础下桩数较少或桩间土为承载力较低的粘性土时应取高值。
(2)当无单桩载荷试验资料时,可按下式计算;Rk=Up∑qsili+qpAp式中Up——桩的周长(m);qsi——桩侧第i层土德济限侧阻力标准值(KPa)可参照岩土工程勘察报告;qp——桩的极限端阻力标准值(KPa),可参照岩土工程勘察报告;li——第i层土的厚度(m)。
CFG桩施工工艺及质量标准1.1适用范围CFG桩的适用范围很广,在砂土、粉土、粘土、淤泥质土、杂填土等地基均有大量成功的实例,CFG桩对独立基础、条形基础、筏基都适用。
CFG桩即水泥粉煤灰碎石桩,由碎石、石屑、砂、粉煤灰掺水泥加水拌和,用各种成桩机械制成的可变强度桩;是介于刚性桩与柔性桩之间的一种桩型。
CFG桩和桩间土一起,通过褥垫层形成CFG桩复合地基共同工作,故可根据复合地基性状和计算进行工程设计。
CFG 桩一般不用计算配筋,并且还可利用工业废料粉煤灰和石屑作掺和料,进一步降低了工程造价。
CFG桩应根据设计要求和现场地基土的性质、地下水位、场地周边是否有居民、有无对振动反应敏感的设备等多种因素选择成桩工艺。
一般有以下成桩工艺可供选择:1、振动沉管灌注成桩工艺适用于粘性土、粉土、淤泥质土、人工填土及无密实厚砂层的地基;振动沉管灌注成桩属挤土成桩工艺,对桩间土具有挤(振)密效应。
但振动沉管灌注成桩工艺难以穿透厚的硬土层、砂层和卵石层等。
在饱和粘性土中成桩,会造成地表隆起,挤断已打桩,且振动和噪声污染严重,在城市居民区施工受到限制。
在夹有硬的粘性土时,可采用长螺旋钻机引孔,再用振动沉管打桩机制桩。
(振动沉管灌注成桩工艺)2、长螺旋钻孔灌注成桩工艺长螺旋钻孔灌注成桩适用于地下水位以上的粘性土、粉土、素填土、中等密实以上的砂土,属非挤土成桩工艺,该工艺具有穿透能力强,无振动、低噪音、无泥浆污染等特点,但要求桩长范围内无地下水,以保证成孔时不塌孔。
(长螺旋钻孔灌注成桩工艺)3、长螺旋钻孔、管内泵压混合料成桩工艺长螺旋钻孔、管内泵压混合料成桩工艺,是国内近几年来使用比较广泛的一种新工艺,属非挤土成桩工艺,具有穿透能力强、低噪音、无振动、无泥浆污染、施工效率高及质量容易控制等特点,适用于粘性土、粉土、砂土等地基,以及对噪音及泥浆污染要求严格的场地。
4、泥浆护壁钻孔灌注成桩工艺适用于粘性土、粉土、砂土、人工填土、碎石(砾)石土及风化岩层分布的地基,以及对振动噪音要求严格的场地。
水泥粉煤灰碎石桩(CFG 桩)法复合地基处理一、编制依据二、施工准备(一) 技术准备(1)熟悉图纸a、与建设、监理、设计等相关单位就施工、设计及生产安排中可能遇到的问题充分交换意见,在充分理解设计意图和施工要点的基础上作好内部施工技术交底、安全交底工作。
对现场施工环境、排水系统、交通运输、土方堆放场地、施工限制等作出施工总体安排,并对投标时的施工组织设计进行优化、细化。
b、组织技术、生产管理人员熟悉设计图纸、工程内容、工期安排等,在明确总体工作的基础上对各分项工程的施工工艺流程、质量控制要点、施工准备所需的人、材、机、外部环境等做到心中有数,项目总工负责澄清项目实施中存在的疑问,并做好技术交底工作。
c、根据场地情况合理布置测量控制点,要求通视好、不影响交通,并考虑到基坑开挖。
d、图纸会审会议上提出我方的意见,并形成文字会议记录。
e、组织施工人员就施工当中可能遇到的技术难题选择最优方案,为圆满完成工程施工任务打好基础。
(2)技术交底由项目技术负责人对项目部施工员、质检员进行图纸和《施工组织设计》的技术交底;由项目施工员对作业班组作技术质量安全交底,履行交底签字手续。
(3)建立测量控制网根据业主所提供红线(或轴线点)和水准点,建立适合本工程的测量定位网络和标高控制网络,其中重要的坐标控制点要做成相对永久性的测站点,同时得到监理(或业主)的认可。
(4)做好各类原材料的复检工作。
(二) 材料机具准备施工机具和配套设备:振动沉管法=振动打桩机+配套设备;螺旋钻机成孔泵压砼= 钻机+砼输送泵+砼运输车。
为保证施工的连续性,在使用临电时,需配备一台发电机。
CFG 施工整体流程图振动沉管法C FG 桩施工工艺流程图长螺旋钻管内泵压C FG 桩施工工艺流程图(一) 振动沉管法CFG 桩施工拱形,标记处理场地范围内地下构筑物及管线。
测量放线桩底相对于场平面的深度。
平、稳固,调整沉管与地面垂直,确保垂直度偏差不大于1%。
水泥粉煤灰碎石桩复合地基检验批质量验收记录一、前言在建筑行业中,地基的稳定性和质量直接影响到建筑物的安全性和使用寿命。
水泥粉煤灰碎石桩复合地基是一种常用的地基处理方法,其质量的好坏直接关系到建筑物的安全。
因此,对水泥粉煤灰碎石桩复合地基的质量进行检验和验收是非常重要的。
本文将从理论和实践两个方面,对水泥粉煤灰碎石桩复合地基的检验批质量验收记录进行详细的分析和探讨。
二、理论分析1.1 水泥粉煤灰碎石桩复合地基的组成和作用水泥粉煤灰碎石桩复合地基是由水泥、粉煤灰、碎石等材料组成的,具有较强的耐久性和稳定性。
它的主要作用是增加地基的承载力,提高地基的稳定性,减少地基沉降,防止地基土体的破坏。
它还具有良好的渗透性能和抗渗性能,可以有效地防止地下水侵蚀地基。
1.2 水泥粉煤灰碎石桩复合地基的质量要求水泥粉煤灰碎石桩复合地基的质量要求主要包括以下几个方面:(1)强度要求:水泥粉煤灰碎石桩复合地基的强度应符合设计要求,以保证地基的承载能力。
(2)稳定性要求:水泥粉煤灰碎石桩复合地基应具有良好的稳定性,能够承受各种荷载,不发生沉降或变形。
(3)渗透性能要求:水泥粉煤灰碎石桩复合地基应具有良好的渗透性能和抗渗性能,能够有效防止地下水侵蚀。
(4)耐久性要求:水泥粉煤灰碎石桩复合地基应具有较长的使用寿命,能够在各种环境条件下保持稳定。
1.3 水泥粉煤灰碎石桩复合地基的检验方法水泥粉煤灰碎石桩复合地基的检验方法主要包括以下几个方面:(1)现场检查:检查施工现场是否符合施工规范要求,如材料的质量、施工工艺等。
(2)试验检测:通过实验室试验,对水泥粉煤灰碎石桩复合地基的强度、稳定性等性能进行检测。
(3)钻孔取样:在施工完成后,对水泥粉煤灰碎石桩复合地基进行钻孔取样,分析其内部结构和性能。
三、实践分析2.1 检验批质量验收记录的编制在进行水泥粉煤灰碎石桩复合地基的检验批质量验收时,需要编制详细的检验批质量验收记录。
记录内容包括:施工单位名称、工程名称、工程地点、检验日期、检验人员、检验结果等。
水泥粉煤灰碎石桩(CFG桩)施工质量控制要点为确保水泥粉煤灰碎石桩(CFG桩)施工质量,现对其施工控制要点要求如下:一.施工前准备阶段1.复核基坑底标高依据基准标高控制点和设计图纸,复核基坑开挖完后的底部标高,要求不小于(桩顶设计标高+0.5m)。
2.桩位放线依据轴线控制线和设计图纸,在基坑底进行桩位放线(撒白灰),放线时要求整排桩放通线,以减少桩位偏差。
3.桩位标识依据设计图纸和基坑底放线结果,在基坑底用特殊标识物(如钢筋头、筷子等)对桩位进行标识,并插入基底以内0.2~0.3m,且桩位周围用白灰做上醒目标志,方便施工时寻找桩位;标识时要求认真对照设计图纸,防止漏标桩位。
4.复核桩机工作面依据桩位放线结果,实测基坑周边与外侧桩位的距离,保证其最小距离不小于桩机的最小工作距离(基坑开挖前与桩基施工单位沟通),如不满足桩机工作面要求,及时进行人工修整。
5.明确CFG桩主要材料水泥、粉煤灰、砂及碎石等原材料应给商砼搅拌站书面交底,确保原材料符合设计要求。
6.桩身混合料配合比试验应按设计要求由试验室进行配合比试验,长螺旋钻孔、管内泵压混合料成桩施工的坍落度宜为160~200mm,振动沉管灌注成桩施工的坍落度宜为30~50mm。
7.明确打桩顺序依据设计图纸并结合现场实际情况,确定打桩施工顺序:根据基础的设计标高,宜先深后浅;根据桩的规格,宜先大后小,先长后短;根据桩的密集程度可采用,自中间向两个方向对称进行、自中间向四周进行、由一侧向单一方向进行。
8.桩位编号按照确定的施工顺序对桩位进行编号,并送相关部门备案。
二.施工阶段1.混合料资料现场检查桩身混合料资料必须随运输车同行,且每车混合料资料必检,要检查其是否符合配合比、是否为本项目的用料等。
2.现场坍落度测试经确认无误的混合料,每车需在现场检查其坍落度,不合格的混合料禁止使用,并做好记录。
3.桩身垂直度场地应平整,有足够承载力,保证桩机稳定垂直;打桩时,由桩机水准设备结合经纬仪从二个面控制打桩的垂直度。
地基施工水泥粉煤灰碎石桩施工水泥粉煤灰碎石桩(CFG)是由水泥、煤粉灰、碎石、石屑或砂加水拌和形成的高黏结强度桩,由桩、桩间土和褥垫层一起构成的复合地基。
水泥粉煤灰碎石桩是在碎石桩的基础上发展起来的,这种桩是一种低强度混凝土桩,由它组成的复合地基能够较大幅度提高承载力。
水泥粉煤灰碎石桩适用于多层和高层建筑,处理黏性土、粉土、砂土、松散填土等地基的施工。
对淤泥质土应按地区经验或通过现场试验确定其适用性。
一、材料要求(1)水泥:宜选用普通硅酸盐水泥,新鲜无结块。
(2)石子:卵石或碎石,粒径为5~20 mm,杂质含量小于5%。
(3)砂:中砂或粗砂,粒径以0.3~3 mm 为宜,含泥量不大于5%,且泥块含量不大于2%。
(4)粉煤灰:粉煤灰应过筛,粒径控制在0.001~2 mm 范围内。
(5)外加剂:根据施工需要通过试验确定,一般为泵送剂、早强剂、减水剂等。
二、主要机具水泥粉煤灰碎石桩施工所用的主要机具一般有长螺旋钻机、搅拌机、混凝土输送泵、连接混凝土输送泵与钻机的钢管、高强柔性管、溜槽或导管、磅秤、振捣器、机动小翻斗车或手推车等。
三、作业条件(1)施工前应将水泥、砂、石子、粉煤灰、外加剂送试验室复试,同时进行配合比试验。
(2)施工现场应做到材料、机具摆放整齐,使混合料输送距离最短,且输送管铺设时拐弯最少。
(3)水泥粉煤灰碎石桩可只在基础范围内布置。
桩径宜取350~600 mm。
桩距应根据设计要求的复合地基承载力、土性、施工工艺等确定,宜取3~5 倍桩径。
四、施工工艺水泥粉煤灰碎石桩施工工艺流程(以长螺旋钻孔为例)一般为:钻机就位→钻机钻孔→混合料配置、运输及泵送→压灌混合料成桩→成桩保护→凿桩头→成桩检测。
1.钻机就位施工机械进场前必须对施工区域进行场地清理、找平,并进行必要的压实,以确保到场机械能够平稳就位,不发生倾斜移位。
2.钻机钻孔(1)钻机进场后,应根据桩长来安装钻塔及钻杆,钻杆连接应牢固,每施工2~3 根桩后,应对钻杆连接处进行紧固。
一、一般规定1、水泥粉煤灰碎石桩(CFG桩)法适用于处理粘性土、粉土、沙土和桩端具有相对硬土层、承载力标准值不低于70KPa的淤泥质土、非欠固结人工填土等地基。
2、水泥粉煤灰碎石桩桩端应位于相对硬的土层上。
3、水泥粉煤灰碎石桩复合地基按承载力设计师必须进行地基变形验算。
二、设计1、水泥粉煤灰碎石桩桩径d宜取350-600mm.2、桩的平面布置,可只布置在基础围。
3、桩距s应根据设计要求的复合地基承载理、土性、施工工艺等确定,宜取3 -6倍桩井。
当在饱和粘性土中挤土成桩时,桩距s不宜小于4倍桩径。
4、桩体试块抗压强度平均值应满足下式要求:fcu≥3Rk/Ap式中fcu-桩体混合料试块(边长150mm立方体)标准养护28d无侧限抗压强度平均值(KPa)RK-单桩承载力标准值(KN),应按本规9.2.8条取值。
5、桩顶应设置垫层,褥垫层厚度宜取100-300mm,当桩径、桩距大时褥垫层厚度宜取高值。
6、褥垫层材料宜用粗砂、中砂、级配砂石,碎石的最大粒径不宜大于30mm.7、水泥粉煤灰碎石桩复合地基承载力标准值,宜通过现场复合地基载荷实验确定,初步设计时也可按下式估算:fsp,k=mRk/Ap+β(1-m)fs,k式中fsp,k——复合地基承载力标准值(KPa);m——桩土面积置换率;β——桩间土强度发挥系数,宜取0.9-1.0对变形要求高的建筑物可取低值;fs,k——桩间土承载力标准值(KPa)。
8、单桩承载力标准值Rk的取值,应符合下列规定:(1)当用单桩静载荷实验确定单桩极限承载力标准值Ruk后,Rk可按下式计算:Rk=Ruk/γsp式中γsp——调整系数,宜取1.50-1.60,一般工程或桩间土承载力高、基础埋深大以及基础下桩数较多时应取低值,重要工程、基础下桩数较少或桩间土为承载力较低的粘性土时应取高值。
(2)当无单桩载荷试验资料时,可按下式计算;Rk=Up∑qsili+qpAp式中Up——桩的周长(m);qsi——桩侧第i层土德济限侧阻力标准值(KPa)可参照岩土工程勘察报告;qp——桩的极限端阻力标准值(KPa),可参照岩土工程勘察报告;li——第i层土的厚度(m)。
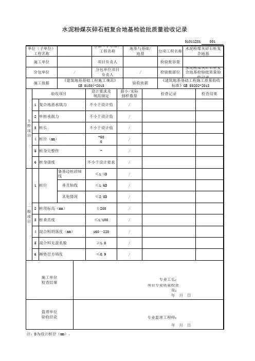
水泥粉煤灰碎石桩复合地基工程质量标准及检验方法
1 检查数量:
主控项目
1)承载力检验:应按现行有关标准或按经专项论证的检验方案抽样检测。
2)水泥:按同一生产厂家、同一等级、同一品种、同一批号且连续进场的水泥,袋装不超过200t 为一批,散装不超过500t 为一批,每批抽样至少 1 次。
3)砂、碎石、粉煤灰等原材料:应按进场的批次和产品的抽样检验方案确定。
4)桩径:按桩数至少抽查20%。
一般项目
5)桩身完整性:应按国家现行标准JGJ 106 的规定检查。
6)其他一般项目:按桩数至少抽查20%。
2 质量标准和检验方法
水泥粉煤灰碎石桩复合地基工程质量标准和检验方法
注:D 为桩径,桩径允许偏差负值是指个别断面;夯填度是指夯实后的褥垫层厚度与虚体厚度的比值。
CFG桩最新规范一、一般规定1、水泥粉煤灰碎石桩(CFG桩)法适用于处理粘性土、粉土、沙土和桩端具有相对硬土层、承载力标准值不低于70KPa的淤泥质土、非欠固结人工填土等地基。
2、水泥粉煤灰碎石桩桩端应位于相对硬的土层上。
3、水泥粉煤灰碎石桩复合地基按承载力设计师必须进行地基变形验算。
二、设计1、水泥粉煤灰碎石桩桩径d宜取350-600mm.2、桩的平面布置,可只布置在基础范围内。
3、桩距s应根据设计要求的复合地基承载理、土性、施工工艺等确定,宜取3-6倍桩井。
当在饱和粘性土中挤土成桩时,桩距s不宜小于4倍桩径。
4、桩体试块抗压强度平均值应满足下式要求:fcu≥3Rk/Ap式中fcu-桩体混合料试块(边长150mm立方体)标准养护28d无侧限抗压强度平均值(KPa)RK-单桩承载力标准值(KN),应按本规范9.2.8条取值。
5、桩顶应设置垫层,褥垫层厚度宜取100-300mm,当桩径、桩距大时褥垫层厚度宜取高值。
6、褥垫层材料宜用粗砂、中砂、级配砂石,碎石的最大粒径不宜大于30mm.7、水泥粉煤灰碎石桩复合地基承载力标准值,宜通过现场复合地基载荷实验确定,初步设计时也可按下式估算:fsp,k=mRk/Ap+β(1-m)fs,k式中fsp,k——复合地基承载力标准值(KPa);m——桩土面积置换率;β——桩间土强度发挥系数,宜取0.9-1.0对变形要求高的建筑物可取低值;fs,k——桩间土承载力标准值(KPa)。
8、单桩承载力标准值Rk的取值,应符合下列规定:(1)当用单桩静载荷实验确定单桩极限承载力标准值Ruk后,Rk可按下式计算:Rk=Ruk/γsp式中γsp——调整系数,宜取1.50-1.60,一般工程或桩间土承载力高、基础埋深大以及基础下桩数较多时应取低值,重要工程、基础下桩数较少或桩间土为承载力较低的粘性土时应取高值。
(2)当无单桩载荷试验资料时,可按下式计算;Rk=Up∑qsili+qpAp式中Up——桩的周长(m);qsi——桩侧第i层土德济限侧阻力标准值(KPa)可参照岩土工程勘察报告;qp——桩的极限端阻力标准值(KPa),可参照岩土工程勘察报告;li——第i层土的厚度(m)。
CFG桩最新规范CFG桩最新规范一、一般规定1、水泥粉煤灰碎石桩(CFG桩)法适用于处理粘性土、粉土、沙土和桩端具有相对硬土层、承载力标准值不低于70KPa的淤泥质土、非欠固结人工填土等地基。
2、水泥粉煤灰碎石桩桩端应位于相对硬的土层上。
3、水泥粉煤灰碎石桩复合地基按承载力设计师必须进行地基变形验算。
二、设计1、水泥粉煤灰碎石桩桩径d宜取350-600mm.2、桩的平面布置,可只布置在基础范围内。
3、桩距s应根据设计要求的复合地基承载理、土性、施工工艺等确定,宜取3-6倍桩井。
当在饱和粘性土中挤土成桩时,桩距s不宜小于4倍桩径。
4、桩体试块抗压强度平均值应满足下式要求:fcu≥3Rk/Ap式中fcu-桩体混合料试块(边长150mm立方体)标准养护28d无侧限抗压强度平均值(KPa) RK-单桩承载力标准值(KN),应按本规范9.2.8条取值。
5、桩顶应设置垫层,褥垫层厚度宜取100-300mm,当桩径、桩距大时褥垫层厚度宜取高值。
6、褥垫层材料宜用粗砂、中砂、级配砂石,碎石的最大粒径不宜大于30mm.7、水泥粉煤灰碎石桩复合地基承载力标准值,宜通过现场复合地基载荷实验确定,初步设计时也可按下式估算:fsp,k=mRk/Ap+β(1-m)fs,k式中fsp,k——复合地基承载力标准值(KPa);m——桩土面积置换率;β——桩间土强度发挥系数,宜取0.9-1.0对变形要求高的建筑物可取低值;fs,k——桩间土承载力标准值(KPa)。
8、单桩承载力标准值Rk的取值,应符合下列规定:(1)当用单桩静载荷实验确定单桩极限承载力标准值Ruk后,Rk可按下式计算:Rk=Ruk/γsp式中γsp——调整系数,宜取1.50-1.60,一般工程或桩间土承载力高、基础埋深大以及基础下桩数较多时应取低值,重要工程、基础下桩数较少或桩间土为承载力较低的粘性土时应取高值。
(2)当无单桩载荷试验资料时,可按下式计算;Rk=Up∑qsili+qpAp式中Up——桩的周长(m);qsi——桩侧第i层土德济限侧阻力标准值(KPa)可参照岩土工程勘察报告;qp——桩的极限端阻力标准值(KPa),可参照岩土工程勘察报告;li——第i层土的厚度(m)。
建筑地基基础工程施工质量验收标准[附条文说明] GB50202-20181 总则1.0.1 为加强建筑地基基础工程施工质量管理,统一建筑地基基础工程施工质量的验收,保证工程施工质量,制定本标准。
1.0.2 本标准适用于建筑地基基础工程施工质量的验收。
1.0.3 建筑地基基础工程施工质量验收除应符合本标准外,尚应符合国家现行有关标准的规定。
2 术语2.0.1 检验inspection对项目的特征、性能进行量测、检查、试验等,并将结果与设计和标准规定的要求进行比较,以确定项目每项性能是否符合要求的活动。
建筑材料、构配件、设备及器具等进入施工现场后,在外观质量检查和质量证明文件核查符合要求的基础上,按照有关规定从施工现场抽取试样送至试验室进行检验的活动。
2.0.2 验收acceptance在施工单位自行检查合格的基础上,根据设计文件和相关标准以书面形式对工程质量是否达到合格标准作出确认的活动。
2.0.3 主控项目dominant item建筑工程中对质量、安全、节能、环境保护和主要使用功能起决定性作用的检验项目。
2.0.4 一般项目general item除主控项目以外的检验项目。
2.0.5 验槽ground inspecting基坑或基槽开挖至坑底设计标高后,检验地基是否符合要求的活动。
3 基本规定3.0.1 地基基础工程施工质量验收应符合下列规定:1 地基基础工程施工质量应符合验收规定的要求;2 质量验收的程序应符合验收规定的要求;3 工程质量的验收应在施工单位自行检查评定合格的基础上进行;4 质量验收应进行分部、分项工程验收;5 质量验收应按主控项目和一般项目验收。
3.0.2 地基基础工程验收时应提交下列资料:1 岩土工程勘察报告;2 设计文件、图纸会审记录和技术交底资料;3 工程测量、定位放线记录;4 施工组织设计及专项施工方案;5 施工记录及施工单位自查评定报告;6 监测资料;7 隐蔽工程验收资料;8 检测与检验报告;9 竣工图。
C F G桩检验规范内部编号:(YUUT-TBBY-MMUT-URRUY-UOOY-DBUYI-0128)一、一般规定1、水泥粉煤灰碎石桩(CFG桩)法适用于处理、、沙土和桩端具有相对硬土层、承载力标准值不低于70KPa的淤泥质土、非欠人工填土等地基。
2、水泥粉煤灰碎石桩桩端应位于相对硬的土层上。
3、水泥粉煤灰碎石桩复合地基按承载力设计师必须进行地基变形验算。
二、设计1、水泥粉煤灰碎石桩桩径d宜取350-600mm.2、桩的平面布置,可只布置在基础范围内。
3、桩距s应根据设计要求的复合地基承载理、土性、施工工艺等确定,宜取3-6倍桩井。
当在饱和中挤土成桩时,桩距s不宜小于4倍桩径。
4、桩体试块抗压强度平均值应满足下式要求:?fcu≥3Rk/Ap?式中fcu-桩体混合料试块(边长150mm立方体)标准养护28d无侧限抗压强度平均值(KPa)?RK-单桩承载力标准值(KN),应按本规范9.2.8条取值。
5、桩顶应设置,褥厚度宜取100-300mm,当桩径、桩距大时褥厚度宜取高值。
6、褥宜用粗砂、、砂石,碎石的最大不宜大于30mm.7、水泥粉煤灰碎石桩复合地基承载力标准值,宜通过现场复合地基载荷实验确定,初步设计时也可按下式估算:?fsp,k=mRk/Ap+β(1-m)fs,k?式中fsp,k——复合地基承载力标准值(KPa);?m——桩土面积置换率;?β——桩间土强度发挥系数,宜取对变形要求高的建筑物可取低值;?fs,k——桩间土承载力标准值(KPa)。
8、单桩承载力标准值Rk的取值,应符合下列规定:?(1)当用单桩荷实验确定单桩标准值Ruk后,Rk可按下式计算:?Rk=Ruk/γsp?式中γsp——调整系数,宜取一般工程或桩间土承载力高、基础埋深大以及基础下桩数较多时应取低值,重要工程、基础下桩数较少或桩间土为承载力较低的时应取高值。
?(2)当无单桩载荷试验资料时,可按下式计算;?Rk=Up∑qsili+qpAp?式中Up——桩的周长(m);?qsi——桩侧第i层土德济限侧阻力标准值(KPa)可参照岩土工程勘察报告;?qp——桩的极限端阻力标准值(KPa),可参照岩土工程勘察报告;?li——第i层土的厚度(m)。