LTSA汽轮机油国家标准
- 格式:docx
- 大小:24.81 KB
- 文档页数:5
L-TSA汽轮机油技术性能L-TSA汽轮机油技术性能1:引言本文档旨在介绍L-TSA汽轮机油的技术性能。
L-TSA汽轮机油是一种特殊的润滑油,广泛应用于汽轮机等高速旋转机械中,以确保其正常运行和延长使用寿命。
2:产品特点2.1 物理性能- 粘度:L-TSA汽轮机油具有适当的粘度范围,以确保在高温高压下仍能保持稳定的润滑性能。
- 抗乳化性:具有良好的抗乳化性能,能够有效防止水分进入机械系统并影响润滑效果。
- 耐久性:经久耐用,能够承受高速高温下的长时间使用。
2.2 化学性能- 抗氧化性:具有出色的抗氧化性能,能够阻止氧气和其他氧化剂对机械系统的腐蚀。
- 清洁分散性:具有良好的清洁分散性,能够有效清除机械系统内的杂质和沉积物,保持系统的清洁程度。
- 缓蚀性:具有良好的缓蚀性能,能够减少金属零件之间的摩擦和磨损。
3:应用范围L-TSA汽轮机油广泛应用于以下领域的汽轮机:- 发电厂- 石化工厂- 钢铁厂- 制药厂等4:使用方法在使用L-TSA汽轮机油前,请参考以下步骤:4.1 清洁机械系统内表面的污垢。
4.2 验证机械系统的油液容量,并根据需要添加适量的L-TSA汽轮机油。
4.3 遵循设备制造商的建议,定期更换机械系统中的润滑剂。
5:安全注意事项在使用L-TSA汽轮机油过程中,请注意以下安全事项: - 避免接触皮肤和眼睛,如接触,请立即用清水冲洗。
- 避免吸入或食入L-TSA汽轮机油。
- 储存时请远离火源。
- 遵守当地环保法规进行废弃物处理。
6:附件本文档涉及以下附件:- L-TSA汽轮机油产品规格表- L-TSA汽轮机油安全数据表7:法律名词及注释- L-TSA:指L-TSA汽轮机油。
- 汽轮机:一种利用高速气流驱动的热能转化设备,通常用于发电或推动船只等领域。
常用润滑油换油指标
一、润滑油换油期参考指标
合理的换油期必须首先以保证对机械设备提供良好的润滑为前提。
由于机械设备的设计、结构、工况及润滑方式的不同,润滑油在使用中的变化也各有差异,统一规定换油期是不切实际和不科学的。
一般说,换油期必须视具体的机械设备在长期运行中积累和总结的实际情况,制定必须换油的特定极限值,凡超过此极限值,就应该换油。
以下列出的不同种类润滑油换油指标,有些是国家标准或行业标准,另一些是经验值,仅供参考。
凡其中有一项不合格,就应该决定换油。
(一)齿轮油换油指标
1、普通车辆齿轮油换油指标(SH/T 0475)
2、L-CKC闭式工业齿轮油换油指标(SH/T 0586)
(二)液压油换油指标
1、L-HL液压油换油指标(SH/T 0476)
2、L-HM抗磨液压油换油指标(SH/T0599)
(三) 汽轮机油换油指标
1、L-TSA汽轮机油换油指标(SH/T 0636)
2、抗氨汽轮机油换油指标(SH/T 0137)
3、运行中汽轮机油检验指标
(四)冷冻机油换油指标
冷冻机油换油参考指标
(五)轴承用油换油参考指标轴承用油换油参考指标
(六)变压器油常规检验指标
运行中变压器油常规检验指标
(七)空气压缩机油换油指标
轻负荷喷油回转式空气压缩机油(SH/T 0538)
此外,根据GB《润滑油现场检验法》可以为使用中的内燃机油、工业润滑油进行现场监控,包括粘度、水份、滤纸斑点、酸值和总碱值五个实验法。
二、润滑脂更换指标
润滑脂更换参考指标
(注:可编辑下载,若有不当之处,请指正,谢谢!)。
汽轮机润滑油清洁度及注意事项1 新油油应是质量最好和均质的炼矿物油。
它不可含有砂砾、无机酸、碱皂液、沥青、柏油脂和树脂状杂质,或其它会影响或对所接触金属有害的任何杂质。
新油油质标准参表1,推荐的润滑油牌号为32#(优级品)。
表1:物理和化学特性L-TSA汽轮机油根据GB11121-95用途用于电力、工业船舶及其他工业汽轮机组、水汽轮机的润滑和密封牌号按40℃运动粘度中心值分为32、46、68和100四个牌号技术要求清洁度:NAS 7级质量等级优级品一级品粘度等级(按GB3141)32 46 68 100 32 46 68 100运动粘度(40℃)mm2 /s 28.8~35.2 41.4~50.661.2~74.890.0~11028.8~35.241.4~50.661.2~74.890.0~110粘度指数≥90倾点,℃≤-7闪点(开口),℃≥180 195 180 195 密度(20℃),kg/m3报告酸值,mgKOH/g≤——中和值,mgKOH/g 报告机械杂质无水分无破乳化值,(40-37-3)mL54℃,min≤15 30 ——15 30 ——82℃,min ——30 ——30起泡性试验,mL/mL 24℃450/0 93℃100/0 后24℃450/0氧化安定性总氧化产物,% 报告沉定物,% 报告氧化后酸值达2.0mgKOH/g时,h ≥3000 2000 1500液相锈蚀试验(合成海水)无锈铜片试验(100℃,3h),级≤1空气释放值(50℃),min 5 6 8 10 5 6 8 102 运行期间的油润滑油的正确保养对于避免轴承、轴颈和泵的过度磨损来说是很重要的。
必须作定期分析以确定油特性是否改变,如果确有改变,应查明原因,并立即采取纠正步骤。
油的取样应按SEA-ARP598规定上的程序进行,同时对按此方法试验的油的允许杂质列于表2中。
表中对应每种杂质粒度范围所允许颗粒数中包括软质与硬质颗粒。
涡轮机油
工业用油 PRODUCT MANUAL
威越L -TSA汽轮机油(A级)长城牌威越L -T S A汽轮机油(A级)采用优质基础油和精选添加剂调和而成,具有极好的分水性能和优良的氧化安定性,适用于大功率汽轮机组的润滑。
本产品按照40℃运动黏度分为32、46、68等牌号。
◎ 极好的分水性能,能快速彻底分离因各种原因进入系统的水分◎ 优良的氧化安定性,有效延长使用寿命◎ 优良的抗泡性和空气释放性能,有效减少泵的气蚀◎ 优良的防锈防腐性,防止设备的锈蚀产品符合以下规格:◎ GB 11120—2011(A级)◎ Siemens TLV 901304◎ Alstom Power HTGD 90117◎ 适用于大功率汽轮机、大中型船舶及其它工业蒸汽汽轮机、水轮机组的润滑和密封。
19世纪40年代美国为生产军用飞机提出的标准,到现在已有半个世纪,其标准本身考虑了各个尺寸范围的污染颗粒分布,即按100ml油样中不同尺寸范围的颗粒个数分级,分为14个等级,即00、0、1、2—12。
每上一级清洁度提高一倍。
液压油清洁度。
ISO标准及NAS 1638标准对照表ISO Code NAS 163819/16 1018/15 917/14 816/13 715/12 614/1 214/11 513/10 412/9 311/8 210/810/7 110/69/6 0NAS1638油液洁净度等级(100ml液压油液中颗粒数)污染度等级颗粒尺寸范围(μm)5-15 15-25 25-50 50-100 >10000 125 22 4 1 00 250 44 8 2 01 500 89 16 3 12 1000 178 32 6 13 2000 356 63 11 24 4000 712 126 22 45 8000 1425 253 45 86 16000 2850 506 90 167 32000 5700 1012 180 328 64000 11400 2025 360 649 128000 22800 4050 720 12810 256000 45600 8100 1440 25611 512000 91200 16200 2880 51212 1024000 182400 32400 5760 1024非接入层面(Non-Access Stratum)中华人民共和国国家标准L-TSA汽轮机油GB 11120-89Turbine oils L-TSA本标准的一级品参照采用国际标准ISO 8068-87《石油产品和润滑剂-石油基汽轮机油(ISO-L-TSA和ISO-L-TGA)-技术条件》1 主题内容与适用范围2 引用标准3 技术内容4 标志、包装、运输、贮存5 取样1 主题内容与适用范围本标准规定了由深度精制基础油并加抗氧剂和防锈剂等调制成的L-TSA汽轮机油的技术条件。
L T S A汽轮机油国家标准 The latest revision on November 22, 2020中华人民共和国国家标准L-TSA汽轮机油Turbine oils L-TSA GB11120-1989本标准的一级品参照采用国际标准ISO 8068-87《石油产品和润滑剂-石油基汽轮机油(ISO-L-TSA和ISO-L-TGA)-技术条件》1主题内容与适用范围本标准规定了由深度精制基础油并加抗氧剂和防锈剂等调制而成的L-TSA汽轮机油的技术条件。
本标准中所属产品适用于电力、工业、船舶及其他工业汽轮机组、水汽轮机组的润滑和密封。
40℃按运动粘度中心值分为32,46,68和100等四个牌号。
2引用标准GB/T260 石油产品水分测定法GB/T264 石油产品酸值测定法GB/T265 石油产品运动粘度测定法和动力粘度计算法GB/T511 石油产品和添加剂机械杂质测定法(重量法)GB/T1884 石油和液体石油产品密度测定法(密度计法)GB/T1885 石油计量换算表GB/T1995 石油产品粘度指数计算法GB/T3141 工业用润滑油粘度分类GB/T3535 石油倾点测定法GB/T3536 石油产品闪点和燃点测定法(克利夫兰开口杯法)GB/T4756 石油和液体石油产品取样法(手工法)GB/T4945 石油产品和润滑剂中和值测定法(颜色指示剂法)GB/T5096 石油产品铜片腐蚀试验法GB/T7305 石油和合成液抗乳化性能测定法GB/T11143加抑制剂矿物油在水存在下防锈性能测定法GB/T12579 润滑油泡沫性测定法GB/T12581 加抑制剂矿物油的氧化特性测定法SH/T0124 含抗氧剂的汽轮机油氧化安定性测定法SH/T0164 石油产品包装、贮运及交货规则SH/T0308 润滑油空气释放值测定法3技术内容3.1 产品质量等级本产品质量分为优级品、一级品和合格品等三个等级。
3.2 技术要求注:1、对中间基原油生产的汽轮机油,L-TSA合格品粘度指数允许不低于70;一级品允许粘度指数不低于80。
如何决定运行中的汽轮机油是否需要更换1.电厂运行中汽轮机油质量标准国内关于电厂运行中汽轮机油质量标准目前是GB/T 7596-2000标准,见表1:1) 参考国外标准控制极限值NAS 1638规定8~9级或MOOC规定6级见附录A(提示的附录),有的300MW汽轮机润滑系统和调速系统共用壹个油箱,也用矿物油,此时油中颗粒度指标应按制造厂提供的指标;2) 参考国外标准,极限值为600/痕迹mL;3) 参考国外标准,控制极限值为10min;4) 在冷油器处取样,对200MW及以上的水轮机油中质量指标为≤200mg/L;5) 对200MW机组油中颗粒度测定,应创造条件,开展检验;由上表可知,不同装机容量的汽轮机组,对油质要求是不相同的。
如250MW以上的机组提出了油品清洁度、水分、起泡性和空气释放性要求。
2.L-TSA汽轮机油换油指标1996年由中国石化总公司制定了SH/T 0636-1996 L-TSA换油标准见表2。
本标适用于设备完好运行正常的汽轮机组中润滑油的换油指标。
所提出的6项指标有一项不合要求就应换油。
ArrayV1---表示新油40℃运动粘度V2---表示运行油40℃运动粘度然而石化总公司提出的换油指标并未为全国电厂所接受。
其原因是,电厂用油质量变差是需要综合考虑的。
如:油品外观、颜色、浊度、泡沫、乳化情况、沉淀物等。
以破乳化为例,油质乳化一般要有三个条件:即水分、乳化剂及高速搅拌,而水分是主要条件。
但有的电厂使用国产汽轮机油,运行十七年,酸值0.19mgKOH/g,从外观看,油的颜色很深,但油质仍透明,不乳化,原因是不漏水。
有的电厂使用美国汽轮机油,运行几十年,酸值已超过运行指标,油色也很深,但油质仍透明,虽然破乳化指标也超标,而运行中油不乳化,其原因也是该机组不漏水。
这充分说明油质乳化主要是由机组漏水引起的。
所以若机械照搬SH/T 0636-1996换油指标的规定(有一项不合格就换油),既不利于电厂长周期运转,其换油费用也不是一笔小数目。
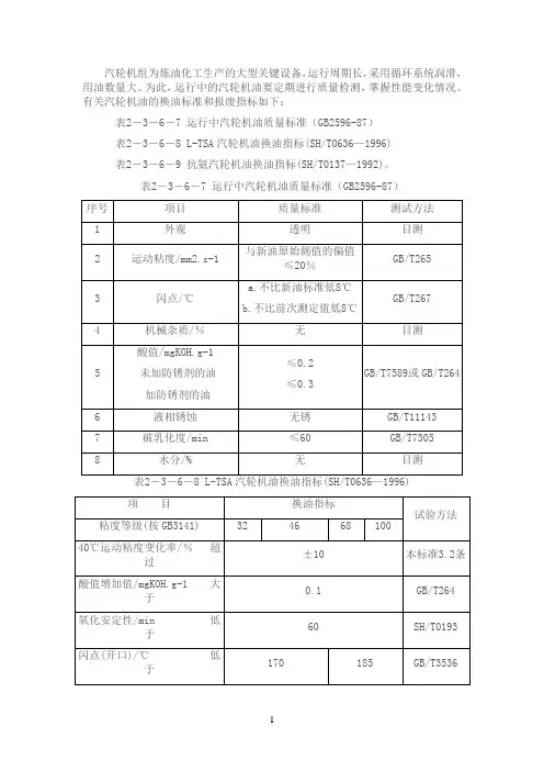
汽轮机组为炼油化工生产的大型关键设备,运行周期长,采用循环系统润滑,用油数量大。
为此,运行中的汽轮机油要定期进行质量检测,掌握性能变化情况。
有关汽轮机油的换油标准和报废指标如下:表2-3-6-7 运行中汽轮机油质量标准(GB2596-87)表2-3-6-8 L-TSA汽轮机油换油指标(SH/T0636—1996)表2-3-6-9 抗氨汽轮机油换油指标(SH/T0137—1992)。
表2-3-6-7 运行中汽轮机油质量标准(GB2596-87)序号项目质量标准测试方法1外观透明目测2运动粘度/mm2.s-1与新油原始测值的偏值≤20%GB/T2653闪点/℃a.不比新油标准低8℃b.不比前次测定值低8℃GB/T2674机械杂质/%无目测5酸值/mgKOH.g-1未加防锈剂的油加防锈剂的油≤0.2≤0.3GB/T7589或GB/T2646液相锈蚀无锈GB/T111437破乳化度/min≤60GB/T73058水分/%无目测表2-3-6-8 L-TSA汽轮机油换油指标(SH/T0636—1996)项目换油指标试验方法粘度等级(按GB3141)32466810040℃运动粘度变化率/%超过±10本标准3.2条酸值增加值/mgKOH.g-1 大于0.1GB/T264氧化安定性/min 低于60SH/T0193闪点(开口)/℃ 低于170185GB/T3536破乳化值,4060GB/T7305 (40-37-3)mL,54℃1)/min大于液相锈蚀试验(合成海水) 低轻锈GB/T11143于注:1)当使用100号油时,测试温度为82℃表2-3-6-9 抗氨汽轮机油换油指标(SH 0137—1992)项目换油指标试验方法运动粘度(40℃)变化率/%超过±10GB/T265酸值/mgKOH.g-1 大于0.2GB/T264闪点(开口)/C 比新油标准低8GB/T267水分/%大于0.1GB/T260破乳时间/min 大于80GB/T7305液相锈蚀试验(15号钢棒,24h) 蒸馏水锈GB/T11143氧化安定性/min 小于60SH/T0193抗氨性能试验不合格SH/T0302广州机械科学研究院检测所(简称广研检测),拥有机械工业油品检测评定中心和广州机械科学研究院设备润滑与磨损状态监测中心两个专业检测机构,是国内最早从事油品检验评定、设备润滑磨损状态监测及故障诊断技术研究机构之一。
#5、6机设备给油脂标准1.范围1.为了规范设备定期工作,保证设备给油脂的准确性、安全性,做到有据可依、有据可查特制订本标准。
2.本标准起草单位:设备维护部汽机专业3.编制依据1.设备使用说明书。
2.同类设备实绩资料。
3.技术部门推荐的设备润滑及油脂使用技术管理值。
4.填写说明1.同型设备采用同一标准。
2.设备名称:填写单项设备名称。
3.润滑部位名称:填写该设备需润滑部位,如;轴承、滑道、衬板等。
4.给油脂部位:填写要加注油脂的部位。
如注油孔、油杯、加油孔等。
5.润滑点数:填写该润滑部位的数量。
6.给油脂方法:填写该部件给油脂场所的加润滑油(脂)方式。
7.润滑牌号:填写润滑油(脂)牌号。
8.换油数量、补油数量:填写换油、补油标准油量,润滑油以升(L)为单位,润滑脂以千克(陋)或克6)为单位,视油位为油位不得低于油位2/3。
9.补油分工:按运行、点检分工进行填写,以打“J”的方式填写,换油原则上由点检负责。
10.换油周期、补油周期、检查周期:填写时间,其中:H一时,D一天,W一周,M一月,Y一年。
4.使用油品说明1.L — TSA-32汽轮机油(#32透平油)1.1L — TSA-32汽轮机油按GB11120 — 89产品标准规定在40℃运动粘度中心值为32;1.2L — TSA-32汽轮机油与其它润滑油的主要差别在于具有更好的抗氧化安定性和抗乳化性能,主要用于发电厂蒸气轮机、水电站水轮发电机及其它需要深度精致润滑油的润滑场合,俗称#32透平油,就是汽轮发动机用的一种机油,适合高速机械润滑用,主要起到润滑'散热'冷却调速的作用;1.3L—TSA-32汽轮机油具有良好的氧化安定性,在循环使用过程中,长期与空气和金属接触,使用寿命5〜15年。
长期运行中产生的沉淀物少,酸值增加不显著;1.4L — TSA-32汽轮机油具有良好的粘温性能,油品粘度指数高,随着温度变化,其粘度变化小;1.5L — TSA-32汽轮机油具有良好的抗乳化性能,蒸汽和冷凝水的混入导致油品乳化,抗乳化性能高可以尽快的使油水分离;1.6L — TSA-32汽轮机油具有良好的防锈防腐性能,防止由于水、空气、其他杂质对设备引起的锈蚀;1.7L — TSA-32汽轮机油具有良好的抗泡性能。
汽轮机油国标
摘要:
1.汽轮机油的定义与用途
2.汽轮机油的ISO 黏度等级
3.汽轮机油的检测标准与项目
4.汽轮机油与汽油机油的区别
5.汽轮机油的注意事项
正文:
一、汽轮机油的定义与用途
汽轮机油,又称透平油,是一种用于发电厂、船舶和其他工业蒸汽轮机、水力轮机的润滑油。
它能够在高温、高压的条件下保持良好的润滑性能,减少摩擦,保护机器设备。
二、汽轮机油的ISO 黏度等级
汽轮机油按照ISO 黏度等级分为32、46、68、100 几个等级。
这些等级代表了汽轮机油在不同温度下的运动黏度。
一般来说,黏度越高,润滑性能越好,但同时也会增加油的流动性阻力。
三、汽轮机油的检测标准与项目
汽轮机油的检测标准主要包括蒸汽轮机油、燃气轮机油、水力轮机油等。
检测项目有运动黏度、氧化安定性、酸值、碱值、水分等。
这些检测项目可以确保汽轮机油在使用过程中的稳定性和性能。
四、汽轮机油与汽油机油的区别
汽轮机油与汽油机油的参数、转数、温升条件以及燃点都有所不同。
汽轮
机油主要用于高温、高压的蒸汽轮机、水力轮机等设备,而汽油机油则主要用于内燃机。
虽然汽轮机油的价格较高,但其性质与汽油机油不同,不能通用。
安全技术说明书(MSDS)昆仑L-TSA汽轮机油(A级)版本号:A2版发布日期:2018年4月22日产品名称:L-TSA汽轮机油 (A级) 32/46/68产品分类:汽轮机油商品名称:昆仑L-TSA轮机油 (A级) 32/46/68推荐用途:适用于汽轮机及部分离心式压缩机的润滑。
服务电话:400-810-3000 800-810-3001网址:https:///制造企业名称:中国石油天然气股份有限公司润滑油分公司企业地址:北京市朝阳区太阳宫金星园8号楼A座17层传真号码:0086-10-63592290企业应急电话: 0086-10-63592217本产品为精炼润滑油基础油与添加剂混合物,组成含量均为重量百分数。
成分含量数(WT%) CAS 号精炼基础油≥95添加剂 <5需要披露的有害物质:烷基苯酚 0.1-0.5 128-37-0根据国家标准《石油化工企业设计防火规范》,本产品属于丙B类可燃液体。
查询GB 12268《危险货物品名表》不属于危险品。
在正常使用的情况下,本产品不存在不可预计的危险。
物理/化学危险性类别:不归为危险物质健康危险性类别:无明显危害健康危害:本产品在某些应用场合可能会产生油雾,过度暴露于液体和油雾时可能会引起皮肤及眼睛刺激,可能导致呼吸系统刺激与损伤,并加重原有的哮喘等呼吸道疾病。
不慎大量食入严重损害消化系统,应及时采取抢救措施。
环境危害:对环境有危害,应防止对土壤、水体的污染。
吸入时:迅速脱离现场至空气新鲜处,保持呼吸道通畅。
如果出现头昏、恶心、或者神志不清,请立刻就医。
食入时:饮足量温水,催吐,大量吞服者,应立即送医院诊治,在医师的指导下采取催吐或其它的救护措施。
眼睛接触:立即翻开上、下眼睑,用流动清水或生理盐水冲洗,若发生持续刺激,则需就医。
皮肤接触:脱去污染的衣着,用肥皂和大量流动清水洗净被污染的部分。
如果产品被注入皮下或者人体任何部位,无论伤口的外观或大小,必须立即送医院进行外科检查治疗。
L-TSA汽轮机油技术性能L-TSA汽轮机油技术性能文档范本1. 引言在汽轮机和涡轮发动机的运行过程中,机油的使用起着关键的作用。
L-TSA汽轮机油是一种高性能的润滑油,经过多次优化和改进,以满足汽轮机的需求。
本文将详细介绍L-TSA汽轮机油的技术性能。
2. 技术规格2.1 粘度参数L-TSA汽轮机油具有适宜的运行温度范围和可靠的粘度指数,以确保在广泛的工作条件下具备稳定的润滑性能。
2.2 氧化稳定性L-TSA汽轮机油具有优异的氧化稳定性,能够抵御高温、高压下的氧化反应,延长油品使用寿命。
2.3 抗磨性能L-TSA汽轮机油具有优异的抗磨性能,能够减少机械零件之间的摩擦和磨损,保护发动机的运行稳定性和寿命。
2.4 清净分散性能L-TSA汽轮机油具有良好的清净分散性能,能够有效清除发动机内部的沉积物和污垢,保持发动机的清洁状态。
2.5 抗泡性能L-TSA汽轮机油具有出色的抗泡性能,能够避免气泡的产生和积聚,保证机油在高速旋转的涡轮中的正常工作。
3. 产品特点3.1 高温稳定性L-TSA汽轮机油在高温条件下具有良好的稳定性,能够防止油品热分解和氧化降解,延长使用寿命。
3.2 低挥发性L-TSA汽轮机油具有低挥发性,能够在长时间运行条件下稳定存在,减少油品的消耗。
3.3 优异的抗氧化性能L-TSA汽轮机油具有出色的抗氧化性能,能够抑制油品的氧化反应,保持机油的有效性。
3.4 高负荷性能L-TSA汽轮机油具有高负荷性能,能够承受高温、高压和重负荷的运行条件,保护发动机的可靠性和性能稳定性。
4. 使用方法4.1 检查机油容量在使用L-TSA汽轮机油之前,需要检查发动机的机油容量,并根据制造商的建议进行添加或更换。
4.2 检查机油质量使用L-TSA汽轮机油之前,需要确保机油质量合格,无异物和杂质。
附件:1. L-TSA汽轮机油产品规格表2. L-TSA汽轮机油安全数据表法律名词及注释:1. 润滑油:指在运动设备的摩擦表面上形成一层液体膜,以减少摩擦、冷却和密封的物质。
润滑油--抗磨液压油、液压导轨油、
汽轮机油
前言
为满足企业高精尖及大型设备运行安全,提高润滑质量。
特制订抗磨液压油、液压导轨油、汽轮机油标准。
本标准参考GB11118.1-94《矿物质油型和合成烃型液压油》、GB11120-89《L-TSA汽轮机油》、SH/T0361-1998《导轨油》相关标准制订,并提高了闪点指标。
本标准由技术中心计量理化室归口。
本标准起草单位:技术中心计量理化室。
本标准起草人:XXXXXXXXX。
润滑油--抗磨液压油、液压导轨油、汽轮机油1 范围
本标准规定了采购进厂润滑油的验收标准。
本标准适用于润滑油的进厂检验。
2 质量指标
2.1 抗磨液压油
抗磨液压油的内控质量特性、质量指标见表1。
表1 抗磨液压油
2.2 液压导轨油
液压导轨油的内控质量特性、质量指标见表2。
表2 液压导轨油
2.3 汽轮机油
汽轮机油的内控质量特性、质量指标见表3。
表3 汽轮机油
_________________________________。
中华人民共和国国家标准L-TSA汽轮机油Turbine oils L-TSA GB11120-1989 本标准的一级品参照采用国际标准ISO 8068-87《石油产品和润滑剂-石油基汽轮机油(ISO-L-TSA和ISO-L-TGA)-技术条件》1主题内容与适用范围本标准规定了由深度精制基础油并加抗氧剂和防锈剂等调制而成的L-TSA汽轮机油的技术条件。
本标准中所属产品适用于电力、工业、船舶及其他工业汽轮机组、水汽轮机组的润滑和密封。
40℃按运动粘度中心值分为32,46,68和100等四个牌号。
2引用标准GB/T260 石油产品水分测定法GB/T264 石油产品酸值测定法GB/T265 石油产品运动粘度测定法和动力粘度计算法GB/T511 石油产品和添加剂机械杂质测定法(重量法)GB/T1884 石油和液体石油产品密度测定法(密度计法)GB/T1885 石油计量换算表GB/T1995 石油产品粘度指数计算法GB/T3141 工业用润滑油粘度分类GB/T3535 石油倾点测定法GB/T3536 石油产品闪点和燃点测定法(克利夫兰开口杯法)GB/T4756 石油和液体石油产品取样法(手工法)GB/T4945 石油产品和润滑剂中和值测定法(颜色指示剂法)GB/T5096 石油产品铜片腐蚀试验法GB/T7305 石油和合成液抗乳化性能测定法GB/T11143加抑制剂矿物油在水存在下防锈性能测定法GB/T12579 润滑油泡沫性测定法GB/T12581 加抑制剂矿物油的氧化特性测定法SH/T0124 含抗氧剂的汽轮机油氧化安定性测定法SH/T0164 石油产品包装、贮运及交货规则SH/T0308 润滑油空气释放值测定法3技术内容3.1 产品质量等级本产品质量分为优级品、一级品和合格品等三个等级。
3.2 技术要求注:1、对中间基原油生产的汽轮机油,L-TSA合格品粘度指数允许不低于70;一级品允许粘度指数不低于80。
汽轮机油国标
(最新版)
目录
1.汽轮机油的概述
2.汽轮机油的用途
3.汽轮机油的检测标准
4.汽轮机油与汽油机油的区别
5.汽轮机油的注意事项
正文
一、汽轮机油的概述
汽轮机油,又称透平油,是一种用于蒸汽轮机、水力轮机等旋转机械的润滑油。
根据 ISO 黏度等级,汽轮机油分为 32、46、68、100 等多个等级。
其密度通常按照实测值计算,随着汽轮机油的运动黏度的变化而发生变化。
二、汽轮机油的用途
汽轮机油主要应用于发电厂、船舶和其他工业领域的蒸汽轮机、水力轮机等设备。
在这些设备中,汽轮机油起到润滑、冷却、密封和减震等作用,确保设备的正常运行。
三、汽轮机油的检测标准
汽轮机油的检测标准主要包括蒸汽轮机油、燃气轮机油、水力轮机油等类型。
检测项目包括黏度、密度、氧化安定性、抗泡性、润滑性等多个方面,以确保润滑油的质量和性能满足设备的要求。
四、汽轮机油与汽油机油的区别
汽轮机油与汽油机油的参数、转数、温升条件和燃点等方面存在差异,
因此两者不能通用。
汽轮机油的性质与汽油机油不同,尽管价格较高,但也不能用汽油机油代替。
五、汽轮机油的注意事项
在使用汽轮机油时,应注意以下几点:
1.选择合适的黏度等级:根据设备的要求和运行条件,选择适当的黏度等级的汽轮机油。
2.注意油的质量:购买和使用过程中,应确保润滑油的质量达到相关标准,避免使用劣质油对设备造成损害。
3.定期更换:根据设备的使用情况和润滑油的性能,定期更换润滑油,确保设备的正常运行。
L T S A汽轮机油国家标
准
集团企业公司编码:(LL3698-KKI1269-TM2483-LUI12689-ITT289-
中华人民共和国国家标准
L-TSA汽轮机油
Turbine oils L-TSA GB11120-1989 本标准的一级品参照采用国际标准ISO 8068-87《石油产品和润滑剂-石油基汽轮机油(ISO-L-TSA和ISO-L-TGA)-技术条件》
1主题内容与适用范围
本标准规定了由深度精制基础油并加抗氧剂和防锈剂等调制而成的L-TSA汽轮机油的技术条件。
本标准中所属产品适用于电力、工业、船舶及其他工业汽轮机组、水汽轮机组的润滑和密封。
40℃按运动粘度中心值分为32,46,68和100等四个牌号。
2引用标准
GB/T260 石油产品水分测定法
GB/T264 石油产品酸值测定法
GB/T265 石油产品运动粘度测定法和动力粘度计算法
GB/T511 石油产品和添加剂机械杂质测定法(重量法)
GB/T1884 石油和液体石油产品密度测定法(密度计法)
GB/T1885 石油计量换算表
GB/T1995 石油产品粘度指数计算法
GB/T3141 工业用润滑油粘度分类
GB/T3535 石油倾点测定法
GB/T3536 石油产品闪点和燃点测定法(克利夫兰开口杯法)
GB/T4756 石油和液体石油产品取样法(手工法)
GB/T4945 石油产品和润滑剂中和值测定法(颜色指示剂法)
GB/T5096 石油产品铜片腐蚀试验法
GB/T7305 石油和合成液抗乳化性能测定法
GB/T11143加抑制剂矿物油在水存在下防锈性能测定法
GB/T12579 润滑油泡沫性测定法
GB/T12581 加抑制剂矿物油的氧化特性测定法
SH/T0124 含抗氧剂的汽轮机油氧化安定性测定法
SH/T0164 石油产品包装、贮运及交货规则
SH/T0308 润滑油空气释放值测定法
3技术内容
3.1 产品质量等级
本产品质量分为优级品、一级品和合格品等三个等级。
3.2 技术要求
实际,经与用户协商,可不受本标准限制。
2、倾点指标,根据生产和使用实际,经与用户协商,可不受本标准限制。
3、作为军用时,破乳化值由部队和生产厂双方协商。
4、测起泡性试验时,只有泡沫未完全盖住油的表面,结果报告为“0”。
5、氧化安定性为保证项目,一年抽查一次。
6、对一级品中空气释放值根据生产和使用实际,经与用户协商可不受本标准限制。
4标志、包装、运输、贮存
标志、包装、运输、贮存及交货验收按SH0164进行。
5取样
取样按GB/T4756进行,取2L作检验和留样用。
附加说明:
本标准由石油化工科学研究院技术归口。
本标准由石油化工科学研究院、兰州炼油厂负责起草。
本标准主要起草人杨大芬、党淑蓉。
自本标准实施之日起,原石油部部标准SY 1230-83《防锈汽轮机油》作废。
本标准中优级品参照采用莫比尔石油公司标准。