砌体拉结筋
- 格式:doc
- 大小:733.50 KB
- 文档页数:3
填充墙砌体拉结筋“植筋法”解析一、工艺原理钢筋混凝土结构柱(墙)施工时不进行拉结筋或其埋件的预埋,在填充墙砌体砌筑前采用“植筋法”进行拉结筋的后植入(锚固)施工,在墙体拉结筋位置钻孔、注胶柱(墙设计(验收位,设计无要求时,孔深按≥15d考虑,一般采用100mm,孔径按d+2~4mm控制,一般采用10mm。
钻孔时要使用冲击钻垂直于结构表面均匀钻入,以便控制钻孔的垂直。
孔深用冲击钻上顶杆控制,如钻孔时遇到柱(墙)主筋,可把钻孔位置水平平移一个钢筋直径的位置,重新钻入,原钻出的未成型废孔用1:1水泥砂浆筋钻孔位置有可能重合,则需根据砌块模数适当调整箍筋或混凝土墙体水平筋,根据灰缝大小适当调整钻孔位置,废孔仍采用前面所述方法进行处理。
(3)清孔。
钻孔完成一个结构面后,可进行清孔操作。
清孔的目的是要吹清内粉尘,采用专用毛刷和吹风机(橡皮气囊、手推式气筒或手动、电动吹风机)配合进行。
清孔时用“四吹三刷”法,即先吹清孔浮尘,然后用专用毛刷清刷孔壁,清刷时毛刷在孔内抽拉转动,如此反复吹刷,清理干净孔内无法达到设计的粘结强度,影响拉结质量,清孔,设计,,出(约10秒种)。
(5)注胶。
根据产品说明书确定具体方法。
一般液体状胶可用手持式自动压力灌浆器进行注胶操作。
拉动拉杆,将配好的植筋胶拌合物吸入内囊,注胶时要注意排除钻孔内的空气,将注胶咀伸入钻好的植筋孔中约8cm左右,推动拉杆使胶料注入孔内,边推拉杆边向孔外拔灌浆器,直至灌浆器注胶咀抽出至离孔口1/3孔深(约3cm左右)时方可停止注胶,以植入拉结筋后胶液略有被挤出为度。
一次配好的植筋胶拌合物注胶完成后,应把套筒、弹簧、拉杆用丙酮清洗干净,以利再用。
“固立特拉结筋用植筋胶”不需用灌浆器注胶,只需将泡好的植筋胶放入待植筋孔内,剂量多少以钢筋植入时微有溢出为准。
(6)植筋。
植筋应在注胶完成后立即进行。
为保证胶体饱满,注胶完成后,将加工缓缓插分种和1筒、手动或电动吹风机)、铁桶或塑料桶(配胶容器),搅拌棒、手持式自动压力灌浆器、钢丝刷、脱籽棉球等。
砌体拉结筋设置规范砌体结构中,拉结筋是非常重要的一环,它的设置对整个结构的稳定性和抗震性能起着关键作用。
下面将介绍拉结筋设置的相关规范。
1. 拉结筋的选材:拉结筋通常采用钢筋,选材应符合国家标准,具有良好的强度和延展性,以确保结构的安全性。
2. 拉结筋的布置:拉结筋的布置应符合结构设计要求,并按照相关规范进行设置。
拉结筋的数量、直径、间距等参数应满足设计要求,并考虑到结构的受力情况和使用要求。
3. 拉结筋的保护层厚度:拉结筋的保护层厚度应符合国家标准,一般要求不小于钢筋直径的几倍,以确保拉结筋在使用过程中不被腐蚀和损坏。
4. 拉结筋的连接方式:拉结筋与主体砌体的连接方式应满足相关规范的要求。
常见的连接方式有焊接、搭接等,连接处应符合相关标准,保证连接的牢固性和可靠性。
5. 拉结筋的固定方式:拉结筋的固定应采用专用的固定件,固定件的选择和使用应符合相关规范,确保拉结筋与主体砌体的连接牢固。
6. 拉结筋的保护:为了确保拉结筋的使用寿命和抗腐蚀性能,应在施工中注重保护。
可以采取涂刷防腐漆、包裹防腐材料等方式,防止拉结筋受到潮湿、腐蚀等环境因素的侵害。
7. 拉结筋的预应力:根据结构设计要求,一些拉结筋需要进行预应力处理。
在进行预应力处理时,应按照相关规范和施工要求进行操作,确保预应力的控制和传递。
8. 拉结筋的验收:在结构工程的验收过程中,拉结筋也需要进行检验。
检验内容包括拉结筋的数量、尺寸、固定方式等,以确认其符合相关规范的要求。
综上所述,砌体拉结筋的设置规范主要包括选材、布置、保护、连接等方面的要求。
遵循这些规范,能够确保拉结筋在使用过程中的安全性和可靠性,提高砌体结构的稳定性和抗震性能。
砌体拉结筋工艺流程1.首先确定需要进行砌体拉结筋的墙体位置和尺寸。
First, determine the location and size of the wall where masonry reinforcement is needed.2.根据设计要求和规范,确定拉结筋的类型和规格。
According to design requirements and specifications, determine the type and specifications of the reinforcement.3.在墙体上标出拉结筋位置,并进行必要的准备工作。
Mark the location of the reinforcement on the wall and carry out necessary preparations.4.将拉结筋按照要求切割成合适的长度。
Cut the reinforcement to the appropriate length according to the requirements.5.在墙体上预留好拉结筋的埋设空间。
Prepare the space for the placement of the reinforcement on the wall.6.将拉结筋嵌入墙体并固定好位置。
Embed the reinforcement into the wall and secure it in place.7.使用钢丝或钢筋连接拉结筋以增强固定效果。
Use wire or rebar to connect the reinforcement to enhance fixation.8.确保拉结筋与墙体表面之间有足够的粘结层。
Ensure that there is enough bonding layer between the reinforcement and the wall surface.9.进行拉结筋的间距和数量检查,确保符合设计要求。
砌体拉结筋的讲解
砌体拉结筋是一种常用的建筑结构加固方法,它主要用于增强砌体墙体的承载能力和抗震能力。
拉结筋通常采用钢筋或者碳纤维等高强度材料制成,通过埋入砌体墙体内部,并与墙体紧密连接,从而形成一个整体结构,增强砌体墙体的抗拉能力和承载能力。
砌体拉结筋的施工要点主要包括以下几个方面:首先,需要按照设计要求进行拉结筋的埋设和连接,确保拉结筋与砌体墙体之间的紧密连接和良好的承载性能;其次,需要对拉结筋进行固定,以防止其在使用过程中发生脱落或者松动等安全问题;最后,需要进行必要的验收和检测工作,确保拉结筋在使用过程中的有效性和安全性。
总之,砌体拉结筋是一种常用的建筑结构加固方法,其施工要点和注意事项对于保障建筑物的结构安全和使用寿命具有重要的意义。
- 1 -。
砌体拉结筋及构造柱植筋技术要求7、砌体拉结筋及构造柱植筋技术要求本工程住宅外墙和内墙为200厚采用烧结页岩多孔砖,轴线居中,其余内墙为100/200厚页岩空心砖,砌体转角部位及砌体长度≥4米设构造柱,端柱构造柱和约束边柱构造柱。
为方便施工,本工程砌体拉结筋计划在做完主体框架后,砌筑填充墙时,所有框架柱、剪力墙与填充墙交接处均采用化学锚固植筋。
植筋深度不小于80mm,预留长度1000mm,与砌体墙身通长筋搭接长度不小于48d 且不小于300mm。
同时,构造柱柱预埋钢筋漏埋或严重偏位时,也采取化学锚固植方法进行处理。
本植筋方案主要是针对上述两种情况进行编制,若其他构件发生严重偏位则可按各单位要求采取此种方法进行处理。
构造柱楼平面采用预埋,顶部采用植筋(因各楼层局部变化太大无法确定顶部位置),内墙构造柱主筋采用12,外墙构造柱主筋采用14。
7.1、施工准备二次结构植筋正式施工前需作如下准备工作:(1)主体分部中承重结构已施工完毕,已经有关部门验收合格。
(2)场地清理:植筋作业、材料配制作业必须先清理好现场上的障碍物,并搭设操作平台。
(3)搭设操作平台:根据植筋的类别、位置、标高和现场的实际条件,支搭适用、安全的脚手架或平台。
脚手架和平台必须稳定牢固,并安装护身栏和踢脚板等安全防护装置。
(4)电力和照明设备安装:绝缘动力电线与电源可靠连接,并通过架设和支架引入作业区内与电闸箱相联。
电源闸箱与操作平台作业工人的直线距离,应满足电工设备的安全距离要求。
现场照明设备,应满足正常作业时的可视亮度和照度要求(包括通道区段的照明要求)。
(5)定位、放线和检查:按照施工图和施工组织设计的要求,放线、定位,确定植筋的准确位置。
(6)建筑材料进场后,进行各项材料的报验和检验,并在施工前实施。
四、施工工艺及具体操作方法7.2施工要求:(1)植筋深度≥80mm,植筋最小锚固长度1取10d、 100mm。
植筋锚固深度范围内横向钢筋不少于2根时,植筋与混凝土边缘距离不小于50mm,植筋间距不小于5d。
砌体拉结筋及构造柱植筋技术要求施工单位:编制日期:7、砌体拉结筋及构造柱植筋技术要求本工程住宅外墙和内墙为200厚采用烧结页岩多孔砖,轴线居中,其余内墙为100/200厚页岩空心砖,砌体转角部位及砌体长度≥4米设构造柱,端柱构造柱和约束边柱构造柱。
为方便施工,本工程砌体拉结筋计划在做完主体框架后,砌筑填充墙时,所有框架柱、剪力墙与填充墙交接处均采用化学锚固植筋。
植筋深度不小于80mm,预留长度1000mm,与砌体墙身通长筋搭接长度不小于48d 且不小于300mm。
同时,构造柱柱预埋钢筋漏埋或严重偏位时,也采取化学锚固植方法进行处理。
本植筋方案主要是针对上述两种情况进行编制,若其他构件发生严重偏位则可按各单位要求采取此种方法进行处理。
构造柱楼平面采用预埋,顶部采用植筋(因各楼层局部变化太大无法确定顶部位置),内墙构造柱主筋采用 12,外墙构造柱主筋采用 14。
7.1、施工准备二次结构植筋正式施工前需作如下准备工作:(1)主体分部中承重结构已施工完毕,已经有关部门验收合格。
(2)场地清理:植筋作业、材料配制作业必须先清理好现场上的障碍物,并搭设操作平台。
(3)搭设操作平台:根据植筋的类别、位置、标高和现场的实际条件,支搭适用、安全的脚手架或平台。
脚手架和平台必须稳定牢固,并安装护身栏和踢脚板等安全防护装置。
(4)电力和照明设备安装:绝缘动力电线与电源可靠连接,并通过架设和支架引入作业区内与电闸箱相联。
电源闸箱与操作平台作业工人的直线距离,应满足电工设备的安全距离要求。
现场照明设备,应满足正常作业时的可视亮度和照度要求(包括通道区段的照明要求)。
(5)定位、放线和检查:按照施工图和施工组织设计的要求,放线、定位,确定植筋的准确位置。
(6)建筑材料进场后,进行各项材料的报验和检验,并在施工前实施。
四、施工工艺及具体操作方法7.2施工要求:(1)植筋深度≥80mm,植筋最小锚固长度1取10d、100mm。
技术交底单施工单位:四川宏大建筑工程有限公司工程名称贵港市东湖综合整治开发项目A2区1#楼工程名称墙体拉结筋植筋分部分项名称基础、主体接受交底人一、施工工艺植筋是用高强度的化学锚固胶,使钢筋与混凝土产生握固力,从而达到预埋效果,施工后产生负荷承载力以满足设计及规范要求。
在填充墙砌体砌筑前用植筋法进行拉结筋的后植入施工,在墙体拉结筋位置钻孔、注胶并植入拉结筋,利用化学锚固胶作为拉结筋与柱(墙)混凝土的粘合剂,保证拉结筋与柱(墙)混凝土的可靠粘接,并保证拉结筋根据砌块模数确定的正确位置.使拉结筋与原结构柱(墙)混凝土的粘接强度达到设计或规范要求,拉结筋上的拉力通过化学锚固胶向混凝土柱(墙)中传递。
二、植筋胶的技术指标本工程采用建筑结构胶。
⑴建筑结构胶产品技术指标:①比重1.7g/m3;②稠度大于等于30mm;③抗压强度大于等于80MPa;④施工配比膏状为A:B=100:5; ⑶植筋胶的化学反应时间30~40分钟;⑷植筋胶的钻孔深度钻孔深度为13-14倍D(D为钢筋直径).三、工艺流程及施工操作要点⑴工艺流程弹线定位→钻孔→清孔→钢筋除锈→配胶→注胶→植筋→检查验收⑵施工操作要点交底人签字:技术交底单施工单位:四川宏大建筑工程有限公司交底人签字:技 术 交底 单施工单位:四川宏大建筑工程有限公司在填充墙砌体施工前,进行拉结筋的施工.植筋法施工拉结筋主要工艺如下: 弹线定位:对照施工图,在填充墙与柱或墙相连接的结构表面,按设计或构造要求在设置拉结筋的位置,沿高度方向进行弹线,先弹竖线,再弹横线,横竖线相交部位,即为拉结筋的钻孔位置。
钻孔:根据弹出的钻孔位置,用冲击钻钻孔,孔深和孔径按本要求确定。
孔深按≥13—14d 考虑,孔径按d+2~4mm 控制.钻孔时要使冲击钻垂直于结构表面均匀钻入,以便控制钻孔的垂直.孔深用冲击钻上顶杆控制。
如钻孔时遇到柱(墙)主筋,可把钻孔位置水平平移一个钢筋直径的位置,重新钻入,原钻出的未成型废孔用1:1 水泥砂浆填塞补平,钢筋工程施工时,绑扎钢筋前,如箍筋(墙体水平筋)位置与拉接筋钻孔位置有可能重合,则需根据砌块模数适当调整箍筋(墙体水平筋)间距,尽可能避开;钻孔时如碰上箍筋或混凝土墙体水平筋,根据灰缝大小适当调整钻孔位置,废孔仍采用前面所述方法进行处理。
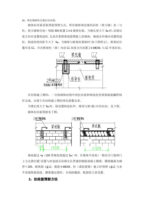
10、填充墙砌块无通长拉结筋;
砌体拉结筋采取预留预埋方式,所有砌体填充墙均沿柱(剪力墙)高(与柱、剪力墙相交处)每隔500配置2φ6墙体拉筋。
当墙长度大于3m时,沿墙长度方向应设置构造柱.支承在悬臂梁或悬臂板上的墙体,墙端及外墙应设置构造柱。
构造柱的间距不大于3m。
当墙体与框架柱紧贴时(如下图所示),框架柱位置应设GZ,并在框架柱(梁)内沿GZ高度方向设置2φ6@200,与GZ牢靠拉结。
在结构施工期间,一并将砌体结构中的拉结筋和构造柱的预留插筋翻样制作完成,以便于在结构施工期间预先留置出来。
当墙长度大于5m时,除设置构造柱外,墙顶与梁(板)应有拉结,见下图。
砌体拉结筋预留见下图:
墙高超过4m(100厚墙高度超过3m)时,在墙体半高处(一般结合门窗洞口上方过梁位置)设置与柱连接且沿墙全长贯通的钢筋混凝土圈梁。
圈梁截面为墙厚×200,配纵筋412,箍筋φ6@200。
柱(或抗震墙)施工时预埋412与水平系梁纵筋连接。
圈梁遇过梁时,分别按截面、配筋较大者设置。
2、拉结筋预留方法
①砌体拉结筋预埋件加工、制作
第一步拉结筋弯曲成型(每组2根)、φ16PVC套管1根(长度180mm)
第二步将拉结筋按实箭线方向塞入PVC套管内,预埋件即制作成型
拉结筋预埋件实拍照片
②砌体拉结筋预埋
拉结筋埋设实拍照片
③砌体拉结筋凿出
第一步 模板拆除根据外露的PVC 套管,将套管外露部分割除或凿碎
第二步将套管内的拉结筋掰出调整至垂直于柱或剪力墙墙面位置。
技术交底单施工单位:四川宏大建筑工程有限公司交底人签字:技术交底单施工单位:四川宏大建筑工程有限公司工程名称贵港市东湖综合整治开发项目区楼 工程名称 墙体拉结筋植筋 分部分项名称 基础、主体 接受交底人一、施工工艺植筋是用高强度的化学锚固胶,使钢筋与混凝土产生握固力,从而达到预埋效果,施工后产生负荷承载力以满足设计及规范要求。
在填充墙砌体砌筑前用植筋法进行拉结筋的后植入施工,在墙体拉结筋位置钻孔、注胶并植入拉结筋,利用化学锚固胶作为拉结筋与柱(墙)混凝土的粘合剂,保证拉结筋与柱(墙)混凝土的可靠粘接,并保证拉结筋根据砌块模数确定的正确位置。
使拉结筋与原结构柱(墙)混凝土的粘接强度达到设计或规范要求,拉结筋上的拉力通过化学锚固胶向混凝土柱(墙)中传递。
二、植筋胶的技术指标本工程采用建筑结构胶。
⑴建筑结构胶产品技术指标: ①比重。
②稠度大于等于。
③抗压强度大于等于。
④施工配比膏状为。
⑶植筋胶的化学反应进度分钟。
⑷植筋胶的钻孔深度钻孔深度为倍(为钢筋直径)。
三、工艺进程安排及施工操作要点⑴工艺进程安排弹线定位→钻孔→清孔→钢筋除锈→配胶→注胶→植筋→检查验收⑵施工操作要点工程名称 贵港市东湖综合整治开发项目区楼 工程名称 墙体拉结筋植筋分部分项名称基础、主体接受交底人在填充墙砌体施工前,进行拉结筋的施工。
植筋法施工拉结筋主要工艺如下:弹线定位:对照施工图,在填充墙与柱或墙相连接的结构表面,按设计或构造要求在设置拉结筋的位置,沿高度方向进行弹线,先弹竖线,再弹横线,横竖线相交部位,即为拉结筋的钻孔位置。
钻孔:根据弹出的钻孔位置,用冲击钻钻孔,孔深和孔径按本要求确定。
孔深按≥考虑,孔径按~控制。
钻孔时要使冲击钻垂直于结构表面均匀钻入,以便控制钻孔的垂直。
孔深用冲击钻上顶杆控制。
如钻孔时遇到柱(墙)主筋,可把钻孔位置水平平移一个钢筋直径的位置,重新钻入,原钻出的未成型废孔用:水泥砂浆填塞补平,钢筋工程施工时,绑扎钢筋前,如箍筋(墙体水平筋)位置与拉接筋钻孔位置有可能重合,则需根据砌块模数适当调整箍筋(墙体水平筋)间距,尽可能避开。
砌体结构拉结筋设置要求
砌体结构拉结筋的设置要求包括以下几个方面:
1. 拉结筋的布置应符合设计要求和施工规范,一般要求按照构造体的受力特点、荷载情况和变形要求进行布置。
2. 拉结筋的数量和间距应满足规范的要求,一般要求在受力集中区域设置拉结筋,并根据荷载大小和砌体尺寸来确定具体数量和间距。
3. 拉结筋的直径和材料应符合设计要求和规范的要求,一般采用圆钢或螺纹钢作为拉结筋材料,直径一般在8mm至16mm 之间。
4. 拉结筋的固定和连接应牢固可靠,一般采用焊接、钢筋扎带等方式进行固定,确保拉结筋与砌体墙体之间具有良好的受力传递和连接。
5. 拉结筋的长度应根据设计要求和规范的要求进行确定,一般要求拉结筋的长度大于等于梁、柱等构造体的厚度,并在构造体两侧预留适当的长度进行连接。
总之,砌体结构拉结筋的设置要求应符合设计要求、施工规范和相关标准的要求,以确保砌体结构的安全、稳定和耐久性。
砌体拉结筋计算公式砌体拉结筋在建筑结构中起着重要的连接和稳固作用,它的计算可不是一件能随便糊弄的事儿。
咱们先来说说砌体拉结筋是啥。
这就好比我们身体里的筋骨,把砖头、石块这些“肌肉”紧紧拉住,让整个砌体结构更结实、更稳固。
那怎么来计算它呢?其实就是根据一些规定和公式来搞定。
一般来说,砌体拉结筋的长度计算公式是这样的:拉结筋长度 = 墙厚 - 保护层厚度 + 弯钩长度。
就拿常见的 240mm 厚的砖墙来说吧。
假设保护层厚度是 25mm,弯钩长度按照规范通常取 180mm,那拉结筋的长度就是 240 - 25 + 180 = 395mm 。
我之前在一个建筑工地上,就碰到过因为拉结筋计算不准确导致的小麻烦。
当时负责这个工程的小伙子,可能是经验不足,在计算拉结筋长度的时候出了差错。
结果呢,等到施工的时候才发现,准备的拉结筋长度不够,这可把大家急坏了。
又得重新采购材料,还耽误了不少工期。
这事儿让整个工地都变得紧张起来,大家都在为这个错误买单。
再说砌体拉结筋的数量,这就得根据墙体的长度和拉结筋的间距来计算啦。
比如说,一堵 5 米长的墙,拉结筋间距要求是 500mm ,那数量就是 5000 ÷ 500 = 10 根。
在实际的工程中,可不能只依赖公式,还得考虑现场的各种情况。
比如说,墙体是不是有门窗洞口啦,洞口附近的拉结筋布置又有特别的要求。
这就需要我们施工人员和设计人员都要细心再细心。
总之,砌体拉结筋的计算虽然看起来有点复杂,但只要咱们认真按照规范和公式来,多留意实际情况,就一定能算得准准的,让咱们的建筑稳稳当当,住着放心!可别像我碰到的那个小伙子一样,因为一时的粗心,给自己和大家都带来不必要的麻烦。
所以呀,无论是在学习还是在实际工作中,对于砌体拉结筋的计算,都得认真对待,马虎不得!。
砌体拉结筋及构造柱植筋技术要求7、砌体拉结筋及构造柱植筋技术要求本工程住宅外墙和内墙为200厚采用烧结页岩多孔砖,轴线居中,其余内墙为100/200厚页岩空心砖,砌体转角部位及砌体长度》4米设构造柱,端柱构造柱和约束边柱构造柱。
为方便施工,本工程砌体拉结筋计划在做完主体框架后, 砌筑填充墙时,所有框架柱、剪力墙与填充墙交接处均采用化学锚固植筋。
植筋深度不小于80mm预留长度1000mm与砌体墙身通长筋搭接长度不小于48d且不小于300mm同时,构造柱柱预埋钢筋漏埋或严重偏位时,也采取化学锚固植方法进行处理。
本植筋方案主要是针对上述两种情况进行编制,若其他构件发生严重偏位则可按各单位要求采取此种方法进行处理。
构造柱楼平面采用预埋,顶部采用植筋(因各楼层局部变化太大无法确定顶部位置),内墙构造柱主筋采用12,外墙构造柱主筋采用14。
7.1、施工准备二次结构植筋正式施工前需作如下准备工作(1)主体分部中承重结构已施工完毕,已经有关部门验收合格。
(2)场地清理:植筋作业、材料配制作业必须先清理好现场上的障碍物,并搭设操作平台。
(3)搭设操作平台:根据植筋的类别、位置、标高和现场的实际条件,支搭适用、安全的脚手架或平台。
脚手架和平台必须稳定牢固,并安装护身栏和踢脚板等安全防护装置。
(4)电力和照明设备安装:绝缘动力电线与电源可靠连接,并通过架设和支架引入作业区内与电闸箱相联。
电源闸箱与操作平台作业工人的直线距离,满足电工设备的安全距离要求。
现场照明设备,应满足正常作业时的可视亮度和照度要求(包括通道区段的照明要求)。
(5)定位、放线和检查:按照施工图和施工组织设计的要求,放线、定位,确定植筋的准确位置。
(6)建筑材料进场后,进行各项材料的报验和检验,并在施工前实施。
施工工艺及具体操作方法7.2施工要求:*2 «»ift 计的»»塑砰、孔轻和《人潭度泮=«丸骯iiKkl 祁v 肌)艮和 山m>nb ;怛斛尽:Kfd 的紅气氐宝I 冃打供&£班》』3孙”血;«»坪酶=氏探(1)植筋深度》80mm 植筋最小锚固长度1取10d 、100mm 植筋锚固深 度范围内横向钢筋不少于2根时,植筋与混凝土边缘距离不小于 50mm 植筋间距不小于5d o(2)植筋胶必须满足《混凝土结构加固技术规范》相应 3)填充墙的拉结与混凝土墙、柱、梁、板采用化学植筋的方法连接应符合《混凝土结构后锚固技术规程》(JGJ145)的相关规定,并应按《砌体工程 质量验收规 范》(GB50203)的要求进行实体检测。
砌体拉结筋拉拔试验拉力值1. 引言好啦,今天咱们聊聊一个可能听起来有点儿专业的话题——砌体拉结筋拉拔试验的拉力值。
嘿,别皱眉头,这可不是让你看得昏昏欲睡的教材,而是个跟咱们生活息息相关的话题!先别急,砌体拉结筋到底是什么呢?简单来说,这玩意儿就像你家里那根稳定的柱子,帮着墙体保持稳固。
你想,没了它,墙壁可能就像你小时候堆的积木,随时有可能垮掉。
所以说,了解拉拔试验的拉力值,就像了解自己家里的安全隐患,重要得很呢!2. 拉结筋的作用2.1 砌体的“超级助手”砌体拉结筋就像咱们建筑界的超级助手,它的存在让墙体之间形成了一种“兄弟连”的关系。
想象一下,如果没有这些拉筋,墙壁就像是孤独的小朋友,随时可能被风一吹就倒。
哎,这可不是什么夸张,建筑界可不是盖房子玩儿的,它们需要的可是坚固如铁的关系。
2.2 保持结构稳定再说了,拉结筋的存在不仅仅是为了好看,更是为了保持结构的稳定。
这就像你在学习的时候,找到了一个志同道合的朋友,一起努力,才能事半功倍。
拉拔试验,就是在测试这些筋的承载能力,看它们到底能承受多大的力量,确保它们能给建筑提供足够的支持。
想想看,家里墙壁如果突然垮掉,那可是比电影里的灾难场面还要刺激啊!3. 拉拔试验的基本概念3.1 试验的流程拉拔试验嘛,听起来就很高大上,实际上也就是一系列简单的步骤。
首先,我们得把拉结筋固定好,然后用设备慢慢施加拉力。
哦,对了,这过程就像是在给筋“锻炼身体”,让它知道自己有多强。
逐步增加的拉力就像是在给它施加压力,直到筋忍不住“说话”——也就是断裂。
3.2 结果分析结果一出来,大家就像等年终奖一样,心里那叫一个激动。
拉力值是多少呢?这直接关系到咱们建筑的安全程度。
你想啊,拉力值高,说明这筋坚韧不拔,咱们的墙就稳如泰山;反之,如果值不够,那就得考虑加固,甚至重修,绝对不能掉以轻心。
毕竟,咱们可不想在家里当“墙倒众人推”的主角!4. 生活中的应用4.1 质量安全的重要性砌体拉结筋拉拔试验不仅在建筑行业中重要,其实跟咱们日常生活的安全也是紧密相连的。
墙体拉结筋规范规定篇一:填充墙后植拉结筋的规范要求关于对混凝土结构砌体填充墙后植拉结筋的管理要求一、问题分析1、施工人员认为是墙体拉结筋,未要求有专业资质的单位进行施工,施工时未能按技术要领进行操作,造成植筋不满足设计要求,直接拔出。
2、钻孔深度未达到结构胶性能所需的锚固长度。
3、钻孔后未清扫干净,孔壁尚留有灰粉,影响孔壁与结构胶的粘结力。
4、施工中不是往孔内先注胶,后插筋,而是将结构胶抹在钢筋表面,再随便插入孔内,导致植筋孔内结构胶不密实而影响其粘结力。
5、植入钢筋未按规定时间养护,而已经砌筑墙体,致使已植钢筋松动二、管理要求1、对混凝土结构砌体填充墙拉结筋优先采用预埋法留置,后施工前应根据砌体模数要求在需植筋部位做好标志,防止拉结筋折弯压入砖缝。
2、专业队伍施工中。
植筋施工与填充墙砌筑时间应保证7天以上,且应留有的检验、检测和养护期。
3、专业队伍完成后,要求其进行采用拉拔仪自行检测,合格后再委托第三方检测。
4、项目部应做好墙体拉结筋的隐蔽验收记录(包括柱与墙拉结筋数量、长度、规格及设置情况)。
5、要加强对植筋工艺的严格检查,并认真执行集团公司《质量管理条例》,并做好相应记录。
凡在已砌筑填充墙时集团公司或分公司部位检查发现植筋不牢固,应立即停止施工,,直至整改完毕复验合格后方能继续施工。
附件:施工技术控制要点植筋施工工艺在设计、材料、施工植筋的施工质量控制有以下方面:1、钻孔:按照设计孔径和深度,外侧孔壁与构件边缘间的宽度≥5mm以上,孔壁完好无裂缝等。
其质量控制关键是钻孔孔经应比植入钢筋直经大4-6mm,一般钻孔深度为混凝土强度≥C30时为10d,小于C30时为13d。
2、清孔:钻孔后应立即清理,用刷子擦孔壁灰粉,吹灰粉。
质量控制关键为钻孔必须清扫干净粘结力。
3、植筋应先通过物理试验,采用机械法或钢丝刷除去植筋表面铁锈和氧化层,然后用丙铜除去残留油污,经处理的钢筋应尽快植入孔内,避4、大多数结构胶为双组分材料,用长嘴器具深入成孔底部,通过挤压器将胶在孔内从里到外渐渐填孔并排出空气,注胶量为孔深的1/2~1/3。
砌体拉结筋的讲解
砌体拉结筋是建筑中常见的一种结构加固方式。
它指的是在砌体墙体内部嵌入一定数量的钢筋,通过钢筋和砖块的相互作用,使整个墙体变得更加牢固。
砌体拉结筋的作用主要有两个:一是增加墙体的承载能力,使墙体能够承受更大的负荷;二是提高墙体的抗震性能,减小地震时墙体的破坏程度。
砌体拉结筋的制作方法也比较简单。
首先需要在砌体墙体内部开设一定数量的槽口,然后将钢筋嵌入其中。
在嵌入钢筋之前,需要先在钢筋上加工一定的弯曲,使其能够更好的与砖块相互搭接。
钢筋的长度和数量需要按照设计要求进行规定,不同的墙体结构和负荷情况需要采用不同的拉结筋方案。
需要注意的是,砌体拉结筋并不能完全解决建筑结构的安全问题,只能起到一定的加固作用。
因此,在设计和施工过程中,还需要注意其他结构安全因素的考虑,以确保建筑结构的稳定和安全。
- 1 -。
2010规范
13.3.3 多层砌体结构中,非承重墙体等建筑菲结构构件应符合下列要求:
1 后砌的非承重隔墙应沿墙高每隔500mm~600mm配置2φ6拉结钢筋与承重墙或柱拉结,每边伸入墙内不应少于500mm;8度和9度时,长度大于5m的后砌隔墙,墙顶尚应与楼板或梁拉结,独立墙肢端部及大门洞选宜设钢筋混凝土构造柱。
13.3.4 钢筋混凝土结构中的砌体填充墙,尚应符合下列要求:
3 填充墙应沿框架柱全高每隔500mm~600mm设2φ6拉筋,拉筋伸入墙内的长度,6、7度时宜沿墙全长贯通,8、9度时应全长贯通。
2001规范
1、多层砌体结构中,后砌的非承重隔墙应沿墙高每隔500mm配置2φ6拉结钢筋与承重墙或柱拉结,每边伸入墙内不应少于500mm;8度和9度时,长度大于5m的后砌隔墙,墙顶尚应与楼板或梁拉结。
2、钢筋混凝土结构,填充墙应沿框架柱全高每隔500mm 设2φ6拉筋,拉筋伸入墙内的长度,6、7度时不应小于墙长的1/5且不小于700mm,8、9度时宜沿墙全长贯通;
2010规范构造柱
2 构造柱与墙连接处应砌成马牙槎,沿墙高每隔500mm设2φ6水平钢筋和φ4分布短筋平面内点焊组成的拉结网片或φ4点焊钢筋网片,每边伸入墙内不宜小于1m。
6、7度时底部1/3楼层,8度时底部1/2楼层,9度时全部楼层,上述拉结钢筋网片应沿墙体水平通长设置。