圆锥齿轮的画法讲解学习
- 格式:doc
- 大小:327.00 KB
- 文档页数:40
锥形齿轮三维建模步骤
锥形齿轮三维建模步骤
在绘制锥形齿轮之前,首先要知道扇形齿轮关键参数。
如下图要知道:R节锥距:节圆锥的母线长,
节锥角δ:大端分度圆与X轴夹角。
模数:m
齿数:Z
压力角:?
α
=20
分度圆直径d=mz
齿顶高h a= m
齿根高h f=1.2m
全齿高h=h f+h a=2.2m
齿宽b=RφRφR:齿宽系数φR=0.3(一般值,有实物可参照实物)。
注意:在圆锥齿轮有齿顶圆锥,分度圆锥,齿根圆锥,基圆锥等。
圆锥齿轮的大端和小端参数不同,为计算和检测方便,取大端参数为标准值。
圆锥齿轮传动的几何尺寸以大端为准,大端模数为标准模数。
画一个模数:4 ,齿数:15,圆锥角45的锥形齿轮。
1.根据锥形齿轮关键参数,在CAD中绘制平面侧视图
1.1计算出R值=4
2.426 画出分度圆锥线。
1.2根据齿根高,齿顶高,和齿宽分别画出,锥形齿轮齿的侧视图如下图:
2.使用三维画图命令绘制锥形齿轮外形2.1齿轮斜面组成为面域
2.2旋转成体
3.绘制齿形
3.1 绘制大端面齿轮齿形状
3.2扫掠命令形成齿轮齿形
3.3使用阵列命令,阵列出15个齿形
4.差集形成完整齿轮。
直齿圆锥齿轮画法由于圆锥齿轮的轮齿分布在圆锥面上,所以轮齿沿圆锥素线方向的大小不同,模数、齿数、齿高、齿厚也随之变化,通常规定以大端参数为准。
1、直齿圆锥齿轮各部分名称和尺寸关系圆锥齿轮各部分的名称基本与圆柱齿轮相同,但圆锥齿轮还有相应的五个锥面和三个锥角,如下图所示。
(1)五个锥面:a 、齿顶圆锥面(顶锥):由各个轮齿的齿顶所组成的曲面,相当于未切齿前的轮坯圆锥面。
b 、齿根圆锥面(根锥):包含锥齿轮齿根的曲面。
c 、分度圆锥面(分锥)和各节圆锥面(节锥):分度圆锥是介于顶锥和根锥之间的一个圆锥面,在这个圆锥面上,有锥齿轮的标准压力角和模数。
当一对圆锥齿轮啮合传动时,有两个相切的,作纯滚动的圆锥面称节圆锥面(节锥),在标准情况下,分度圆锥面和节圆锥面是相重合的。
d 、背锥面(背锥):从理论上讲,锥齿轮大端应为球面渐开线齿形,为了简化起见,用一个垂直于分度圆锥的锥面来近似地代替理论球面,称为背锥,背锥面与分度圆锥面相交的圆为分度圆d。
背锥面与顶锥面相交的圆称锥齿轮的齿顶圆da,齿顶圆所在的平面至定位面的距离称轮冠距K。
e 、前锥面(前锥):在锥齿轮小端,垂直于分度圆锥面的锥面。
有的齿轮小端不加工出前锥面。
2、锥齿轮的规定画法(1)单个锥齿轮的画法及其画图步骤锥齿轮一般用二个视图或用一个视图、一个局部视图表示,轴线放成水平,主视图可采用剖视,剖切平面通过齿轮轴线时,轮齿按不剖处理。
在平行锥齿轮轴线的投影面的视图中,用粗实线画出齿顶线及齿根线,用点划线画出分度线,在垂直于锥齿轮轴线的投影面的视图中,规定用点划线画出大端分度圆,用粗实线画出大端齿顶圆和小端齿顶圆。
齿根圆省略不画,如下图所示。
知识准备(三):子项目三直齿圆锥齿轮圆锥齿轮简称锥齿轮,其轮齿有直齿、斜齿和曲线齿(圆弧齿、摆线齿)等多种形式。
直齿圆锥齿轮的设计、制造和安装均较简单,故在一般机械传动中得到了广泛的应用。
但是在汽车拖拉机等高速重载机械中,为提高传动的平稳性和承载能力,减少噪音,多用曲线齿圆锥齿轮。
圆锥齿轮的画法单个圆锥齿轮构造画法[ 文本]圆锥齿轮通常用于交角 90°的两轴之间的传动,其各局部构造如下图。
齿顶圆所在的锥面称为顶锥面、大端端面所在的锥面称为背锥,小端端面所在的锥面称为前锥,分度圆所在的锥面称为分度圆锥,该锥顶角的半角称为分锥角,用δ表示。
圆锥齿轮的轮齿是在圆锥面上加工出来的,在齿的长度方向上模数、齿数、齿厚均不一样,大端尺寸最大,其它局部向锥顶方向缩小。
为了计算、制造方便,规定以大端的模数为准计算圆锥齿轮各局部的尺寸,计算公式见下表。
其实与圆柱齿轮区别也不大,只是圆锥齿轮的计算参数都是打断的参数,齿根高是1.2 倍的模数,比同模数的标准圆柱齿轮的齿顶高要小,另外尺高的方向垂直于分度圆圆锥的母线,不是州县的平行方向。
单个圆锥齿轮的画法规那么同标准圆柱齿轮一样,在投影为非圆的视图中常用剖视图表示,轮齿按不剖处理,用粗实线画出齿顶线、齿根线,用点画线画出分度线。
在投影为非圆的视图中,只用粗实线画出大端和小端的齿顶圆,用点画线画出大端的分度圆,齿根圆不画。
[ 文本]注意:圆锥齿轮计算的模数为大端的模数,所有计算的数据都是大端的参数,根据大端的分度圆直径,分锥角画出分度线细点画线,量出齿顶高、齿根高,即可画出齿顶和齿根线,根据齿宽,画出齿形局部,其余局部根据需要进展设计。
单个齿轮的画法同圆柱齿轮的规定完全一样。
应当根据分锥角,画出分度圆锥的分度线,根据分度圆半径量出大端的位置,根据齿顶高、齿根高找出大端齿顶和齿根的位置,向分度锥顶连线,就是顶锥〔齿顶圆锥〕和根锥〔齿根圆锥〕,根据齿宽量出分度圆上小端的位置,做分度圆线的垂直线,其他的次要构造根据需要设计即可。
啮合画法[ 文本]锥齿轮的啮合画法同圆柱齿轮一样,如下图。
弧齿锥齿轮的传动设计( 弧齿锥齿轮的传动设计14.1弧齿锥齿轮的根本概念14.1.1锥齿轮的节锥对于相交轴之间的齿轮传动,一般采用锥齿轮。
锥齿轮有直齿锥齿轮和弧齿锥齿轮。
圆锥齿轮的画法 IMB standardization office【IMB 5AB- IMBK 08- IMB 2C】圆锥齿轮的画法[文本]圆锥齿轮通常用于交角90°的两轴之间的传动,其各部分结构如图所示。
齿顶圆所在的锥面称为顶锥面、大端端面所在的锥面称为背锥,小端端面所在的锥面称为前锥,分度圆所在的锥面称为分度圆锥,该锥顶角的半角称为分锥角,用δ表示。
圆锥齿轮的轮齿是在圆锥面上加工出来的,在齿的长度方向上模数、齿数、齿厚均不相同,大端尺寸最大,其它部分向锥顶方向缩小。
为了计算、制造方便,规定以大端的模数为准计算圆锥齿轮各部分的尺寸,计算公式见下表。
其实与圆柱齿轮区别也不大,只是圆锥齿轮的计算参数都是打断的参数,齿根高是倍的模数,比同模数的标准圆柱齿轮的齿顶高要小,另外尺高的方向垂直于分度圆圆锥的母线,不是州县的平行方向。
单个圆锥齿轮的画法规则同标准圆柱齿轮一样,在投影为非圆的视图中常用剖视图表示,轮齿按不剖处理,用粗实线画出齿顶线、齿根线,用点画线画出分度线。
在投影为非圆的视图中,只用粗实线画出大端和小端的齿顶圆,用点画线画出大端的分度圆,齿根圆不画。
[文本]注意:圆锥齿轮计算的模数为大端的模数,所有计算的数据都是大端的参数,根据大端的分度圆直径,分锥角画出分度线细点画线,量出齿顶高、齿根高,即可画出齿顶和齿根线,根据齿宽,画出齿形部分,其余部分根据需要进行设计。
单个齿轮的画法同圆柱齿轮的规定完全相同。
应当根据分锥角,画出分度圆锥的分度线,根据分度圆半径量出大端的位置,根据齿顶高、齿根高找出大端齿顶和齿根的位置,向分度锥顶连线,就是顶锥(齿顶圆锥)和根锥(齿根圆锥),根据齿宽量出分度圆上小端的位置,做分度圆线的垂直线,其他的次要结构根据需要设计即可。
[文本]锥齿轮的啮合画法同圆柱齿轮相同,如图所示。
弧齿锥齿轮的传动设计(弧齿锥齿轮的传动设计弧齿锥齿轮的基本概念锥齿轮的节锥对于相交轴之间的齿轮传动,一般采用锥齿轮。
锥齿轮在机械工业中有着广泛的应用,它用来实现两相交轴之间的传动,两轴的相交角一般采用90度。
锥齿轮的轮齿排列在截圆锥体上,轮齿由齿轮的大端到小端逐渐收缩变小,本节将介绍参数化设计锥齿轮的过程。
与本章先前介绍的齿轮的建模过程相比拟,锥齿轮的建模更为复杂。
参数化设计锥齿轮的过程中应用了大量的参数与关系式。
锥齿轮建模分析〔如图3-122所示〕:〔1〕输入关系式、绘制创建锥齿轮所需的根本曲线〔2〕创建渐开线〔3〕创建齿根圆锥〔4〕创建第一个轮齿〔5〕阵列轮齿图3-122锥齿轮建模分析1.输入根本参数和关系式〔1〕单击,在新建对话框中输入文件名conic_gear,然后单击;〔2)在主菜单上单击“工具〞→“参数〞,系统弹出“参数〞对话框,如图3-123所示;图3-123 “参数〞对话框〔3〕在“参数〞对话框内单击按钮,可以看到“参数〞对话框增加了一行,依次输入新参数的名称、值、和说明等。
需要输入的参数如表3-3所示;名称值说明名称值说明M 模数DELTA ___ 分锥角Z 24 齿数DELTA_A ___ 顶锥角Z_D 45 大齿轮齿数DELTA_B ___ 基锥角ALPHA 20 压力角DELTA_F ___ 根锥角B 20 齿宽HB ___ 齿基高HAX 1 齿顶高系数RX ___ 锥距CX 顶隙系数THETA_A ___ 齿顶角HA ___ 齿顶高THETA_B ___ 齿基角HF ___ 齿根高THETA_F ___ 齿根角H ___ 全齿高BA ___ 齿顶宽D ___ 分度圆直径BB ___ 齿基宽DB ___ 基圆直径BF ___ 齿根宽DA ___ 齿顶圆直径X 0 变位系数DF ___ 齿根圆直径表3-3 创建齿轮参数注意:表3-3中未填的参数值,表示是由系统通过关系式将自动生成的尺寸,用户无需指定。
〔4〕在主菜单上依次单击“工具〞→“关系〞,系统弹出“关系〞对话框;〔5〕在“关系〞对话框内输入齿轮的根本关系式。
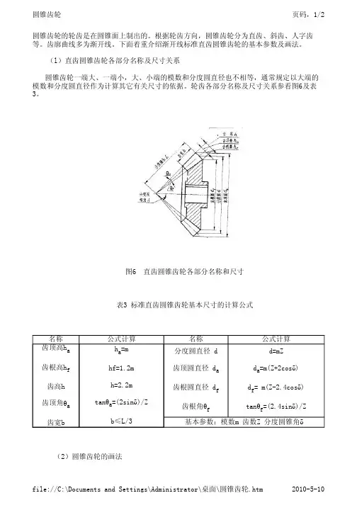
圆锥齿轮的轮齿是在圆锥面上制出的。
根据轮齿方向,圆锥齿轮分为直齿、斜齿、人字齿等。
齿廓曲线多为渐开线。
下面着重介绍渐开线标准直齿圆锥齿轮的基本参数及画法。
(l )直齿圆锥齿轮各部分名称及尺寸关系圆锥齿轮一端大、一端小,大、小端的模数和分度圆直径也不相等,通常规定以大端的模数和分度圆直径作为计算其它有关尺寸的依据。
轮齿各部分名称及尺寸关系参看图6及表3。
图6 直齿圆锥齿轮各部分名称和尺寸表3 标准直齿圆锥齿轮基本尺寸的计算公式(2)圆锥齿轮的画法名称 公式计算 名称 公式计算 齿顶高h a齿根高h f齿高h齿顶角θa齿宽b h a =m hf=1.2m h=2.2mtan θa =(2sin δ)/Zb ≤L/3 分度圆直径 d齿顶圆直径 d a齿根圆直径 d f齿根角θfd=mZd a =m(Z+2cos δ)d f = m(Z-2.4cos δ)tan θf =(2.4sin δ)/Z基本参数:模数m 齿数Z 分度圆锥角δl)单个圆锥齿轮的画法如图7a所示,在齿轮外形视图中,分度锥线用点划线表示,顶锥线用粗实钱表示,根锥线省略不画。
在投影为圆的视图上,大端及小端的齿顶圆用粗实线表示,大端的分度圆用点划线表示,如图7c所示。
图7 单个圆齿轮的画法在投影为非圆的视图上,常用剖视图表达,轮齿部分按不剖处理,顶锥线和顶锥线都用粗实线表示。
如图7。
2)两啮合圆锥齿轮的画法两标准圆锥齿轮啮合时,两分度圆锥应相切,啮合部分的画法与圆柱齿轮啮合相同,主视图一般取全剖视,如图8所示。
图8 圆锥齿轮啮合的画法。
proe锥齿轮画法教程锥齿轮是一种常见的机械传动元件,由锥齿轮齿面组成,用于两轴之间的传递运动和力量。
在绘制锥齿轮时,需要一些特殊的技巧和方法。
下面是一个详细的锥齿轮画法教程。
1.准备工作:首先,准备好你需要绘制锥齿轮的草图或设计图。
确保你有正确的尺寸和齿轮参数的数据。
你还需要一支铅笔、橡皮、直尺、传递器和一个合适的画纸。
2.画出基本图形:在画纸上使用直尺和传递器画出一条水平线,它将成为锥齿轮轴的中心线。
然后,画一条垂直线和水平线相交,用来表示锥齿轮的轴线。
3.绘制大圆和小圆:从轴线上的一个点开始,使用一个合适的半径绘制大圆,这个半径应该等于锥齿轮的大齿轮半径。
然后,再从同一点开始,使用另外一个半径绘制小圆,这个半径应该等于锥齿轮的小齿轮半径。
确保这两个圆心位于轴线上。
4.绘制锥齿轮齿面:从大圆和小圆的周围开始,根据设计图上给出的齿轮数和齿轮参数,使用直尺和传递器绘制出齿轮的齿面。
齿面需要遵循一定的准则和比例,确保齿轮的正常运转。
通常情况下,齿面的末端应该是一个圆形。
5.补全齿面:在绘制齿面时,有可能会遇到两个相邻齿面之间不能完全填充的情况。
这时,使用直尺和传递器,按照精确的几何关系,补全齿面的不完全部分。
6.画出锥齿轮的其它部分:根据设计图上给出的锥齿轮的其它部分,如轴孔、轴键槽等,使用直尺和传递器绘制出来。
确保这些部分与齿面和轴线的几何关系合理。
7.清除多余的线条:使用橡皮擦除掉多余的线条和细节,使得锥齿轮的图形更加清晰和整洁。
8.细化绘制:可以使用细线笔或者铅笔重新描绘出整个锥齿轮的图形,使其更加清晰和具有立体感。
总结:绘制锥齿轮需要一定的几何知识和技巧,同时需要仔细阅读设计图纸上的齿轮参数和要求。
通过以上的教程,你应该能够绘制出一个基本准确的锥齿轮图形。
当然,如果你希望绘制更精确和复杂的锥齿轮,还需要进一步学习和实践。
祝你成功!。
齿轮的基本知识及其画法齿轮是应用非常广泛的传动件,用以传递动力和运动,并具有改变转速和转向的作用;依据两齿合齿轮轴线在空间的相对位置不同,常见的齿轮传动可分为下列三种形式图9-43:1 圆柱齿轮传动——有于两平行之间的传动;2 圆锥齿轮传动——用于两相之间的传动;3 蜗杆蜗轮传动——用于两交叉之间的传动;齿轮传动的另一种形式为齿轮齿条传动图9-44,可用于转动和移动之间的运动转换;常见的齿轮轮齿是直齿和斜齿;齿轮又有标准齿和非标准齿之分,具有标准齿的齿轮称为标准齿轮;本节介绍具有渐开线齿形的标准齿轮的有关知识与规定画法;一、直齿圆柱齿轮直齿轮一直齿圆柱齿轮各部分名称及有关参数图9-451、齿顶圆直径d1通过圆柱齿轮齿顶的曲面称为齿顶圆柱面;齿顶圆柱面与端平面的交线称为齿顶圆;2、齿根圆直径d2通过圆柱齿轮齿根的曲面称为齿根圆柱面;齿根圆柱面与端平面的交线称为齿根圆;3.分度圆直径d齿轮设计和加工时计算尺寸的基准圆称为分度圆;它位于齿顶圆和齿根圆之间,是一个约定的假想圆;4.节圆直径d两齿轮合时,位于连心线OO上的两齿廓点P,称为节点;分别以O O为圆心,OP为半径所作的两个相切的园称为节圆; 正确安装的标准齿轮的d=d;5.齿高h轮齿在齿顶圆与齿根圆之间的径向距离称为齿高;齿高h分为齿顶高h1,齿根高h2两段h=h1+h2:齿顶高h1:齿顶圆与分度圆之间的径向距离;齿根高h2:齿根圆与分度圆之间的径向距离;6.齿数z即轮齿的个数,它是齿轮计算的主要参数之一;8.模数m由于分度圆周长πd=pz,所以 d=p/πz令 p/π=m 则 d=mz式中m称为齿轮的模数,它等于齿距与圆周率π的比值;模数以毫米为单位,为了便于设计和制造,模数的数值已标准化,如图9-12所示;模数是设计、制造齿轮的重要参数;由于模数m与齿距p成正比;而p决定了轮齿的大小,所以m的大小反映了轮齿的大小;模数大,轮齿大,在其他条件相同的情况下,轮齿的承载能力也就大,反之承载能力就小;另外,能配对折合的两个齿轮,其没,模数必须相等;加工齿轮也须选用与齿轮模数相同的刀具,因而模数又是选择刀具的依据;9.压力角、齿形角a如图9-45所示,轮齿在分度圆上齿合点p的受力方向即渐开线齿廓曲线的法线方向与该点的瞬时速度方向分度圆的切线方向所夹的锐角a称为压力角;我国规定的标准压力角a=20度;加工齿轮用的基本齿条的法向压力角称为吃形角;故齿形角也为20度,也用a表示;10.中心距a两圆柱齿轮轴线之间的距离称为中心距;装配准确的标准齿轮,其中心距a=d1/2+d2/2=1/2z1+z2二、直齿圆柱齿轮各基本尺寸计算齿轮轮齿各部分的尺寸都是根据模数来确定的;标准直齿圆柱齿轮各基本尺寸计算关系见表9-13;三、直齿圆柱齿轮的画法单个齿轮的画法齿轮的轮齿部分,按GB/——1984规定绘制图9-461齿顶圆和齿顶线用粗实线绘制;2分度圆和分度线用细点画线绘制;分度线应超出轮齿两端面2-3mm3齿根圆和齿根线用细实线绘制,也可省略不画;在剖视图中,耻根线用粗实线绘制,这时不可省略;4在剖视图中,当剖切平面通过齿轮轴线时,齿轮一律按不剖处理;齿轮除了轮齿部分外,其余轮体结构均应按真实投影绘制;轮体的结构和尺寸,由设计要求确定;齿轮属于轮盘类零件,其表达方法与一般轮盘类零件相同;通常将轴线水平放置,可选用两个视图图9-47;或一个视图和一个局部视图参见图9-53,其中的非圆视图可作半剖视或全剖视;2、两齿轮齿合的画法;两齿轮齿合时,除齿合区外,其余部分均按单个齿轮绘制;齿合区按如下规定绘制图9-48:1在垂直于齿轮轴线的投影面的视图反映为圆的视图中,两节圆应相切,齿顶圆均按粗实线绘制;如图9-48a左视图所示;在齿合的齿顶圆也可以省略不画,如图9-48b左视图所示;齿根园全部省略不画;2在平行于齿轮轴线的投影面的视图非圆视图中,当采用剖视且剖切平面通过两齿轮轴线时图9-48a主视图,在齿合区将一个齿轮的轮齿用粗实线绘制,另一个齿轮的轮齿被遮挡的部分用虚线绘制,虚线也可省略;当不采用剖视而用外形视图表示时,齿合区的齿顶线不需画出,节线用粗实线绘制;非齿合的节线仍用细点画线绘制,齿根线均不画出图9-48b主视图;如果两轮齿宽不等,则齿合区的画法如图9-49所示;不论两轮齿宽是否一致,一轮的齿顶线与另一轮的齿根线之间,均应有的间隙;图9-50为齿轮齿条啮合画法对应的轴测图见图9-44;四渐开线齿形的近似画法由于制造或表注尺寸的需要,有时要在齿轮零件图上画出一个或两个齿形;渐开线齿形有多种近似画法,现介绍其中一种图9-51,作图步骤如下:1、画两个圆弧画齿顶圆弧直径d、分度圆弧直径d、齿根圆弧直径d其中2、分齿自圆心O,按360/z分齿,作出1-2个齿的对称线,其中的一条为OO;在分度圆上量取;式中:S为齿厚;P为齿距;3、画齿形连接OA并取其中心点O,以O为圆心,OA为半径作圆弧交基圆与O点;以O为圆心,OA为半径作弧,在顶圆与基圆之间得BC,即为所求齿形的一部分;在基圆与根圆之间,做径向线CE,并以r=m为模数的小圆弧与根圆光滑相连,既得半边齿形;与相同方法做另一侧齿形,既成;五标准直齿圆柱齿轮的绘制根据齿轮实物,通过测量,计算确定其主要参数和各基本尺寸,并测量其余各部分尺寸,然后绘制齿轮零件图的过程,称为齿轮绘制;齿轮绘制除齿轮部分外,其余部分与一般轮盘类零件的绘制方法相同,而齿轮部分主要在于确定齿数z和模数m这两个基本参数;直齿圆柱齿轮绘制的一般步骤如下:1、确定齿数z数出被测齿轮的齿数;2、测量齿顶圆直径d当齿轮的齿数是偶数时,可直接量得d,如图9-52a所示;当齿数为奇数时,应通过测出轴孔直径D和孔壁至齿顶的径向距离H图9-52b,然后按下式算出d;3、确定模数根据d= mz+2,得m= d/ z+2将d和z代入上式中,可算出模数m,并对照模数表9-12选取与其相近的标准模数值;4、计算各基本尺寸根据确定的标准模数,用表9-13的公式计算出等基本尺寸注意,当取标准模数后,应重新核算d,一修正或确定所测之d值5、校对中心局a计算所得的尺寸要与实测的中心距核对,必须符合下式:a=1/2d1+d2=1/2mz1+z26、测量齿轮其他各部分尺寸7、绘制直齿圆柱齿轮零件图90-53所示为直齿圆柱齿轮的零件图图中省略了部分内容;在齿轮零件图中,除具有一般零件的内容外,齿顶圆直径、分度圆直径必须直接注出,齿根圆直径规定不注因加工时该尺寸由其他参数控制;并在图样右上角的参数栏中注写模数、齿数、齿形、齿形角等基本参数;二、直齿圆锥齿轮一直齿圆锥齿轮各部分名称和尺寸计算直齿圆锥齿轮通常用于交角90度的两轴之间的传动;图9-54为锥齿轮呸两视图,其主体结构由顶锥、前锥、背锥等组成;刀具顺着顶锥面切出直的轮齿后,即成直齿圆锥齿轮;直齿圆锥齿轮各部分名称如图9-55所示;由于轮齿分布在圆锥面上,因而其齿形从大端到小端是逐渐收缩的,齿厚和齿高均沿着圆锥素线方向逐渐变化,故模数和直径也随之变化;为便于设计和制造,规定一大端为准,齿顶高h、齿根高h、分度圆直径d,齿顶圆直径d及齿根圆直径d图中未标注均在大端度量;并取大端的模数为标准模数GB/T12368-1990,以它作为计算圆锥齿轮各部分尺寸的基本参数;大端背锥素线与分度圆素线垂直;圆锥齿轮轴线与分度圆锥素线间夹角称为分度圆锥角,它是圆锥齿轮的又一基本参数;圆锥齿轮各部分名称及尺寸关系见表9-14;二、圆锥齿轮的画法1、单个圆锥齿轮的画法1在投影为非圆的视图中,画法与圆柱齿轮类似;即常采用剖视,其轮按不剖处理,用粗实线画出齿顶线和齿根线,用细点画线画出分度线;2在投影为圆的视图中,轮齿部分只需用粗实线画出大端和小端的齿顶圆;用细点画线画出的打大端的分度圆;齿根圆不画;投影为圆的视图一般也可用仅表达键槽轴孔的局部视图取代;单个圆锥齿轮的画图步骤如图9-57所示;2、圆锥齿轮齿合的画法图9-58一对安装准确的标准圆锥齿轮齿合时,它们的分度圆锥应相切分度圆锥与节圆锥重合,分度圆与节重圆重合其齿合区的画法,与圆柱齿轮类似:1在剖视图中,将一齿轮的齿顶线画成粗实线,另一齿轮的齿顶线画成虚线或省略;2在外形视图中,一齿轮的节线与另一齿轮的节圆相切;啮合画法的作图步骤如图9-59所示;三、蜗杆蜗轮蜗杆蜗轮用于两交叉轴交叉角一般为直角间的转动;通常蜗杆主动,蜗轮从动,用于减速,可获得较大的传动比;蜗杆蜗轮传动中图9-60,最常用的蜗杆为圆柱形阿基米德蜗杆;这种蜗杆的轴向齿廓是直线,轴向断面呈等腰梯形,与梯形螺纹相似;蜗杆的齿数称为头数,相当于螺纹的线数,常用单头或双头;蜗杆相当于斜齿圆柱齿轮,其轮齿分布在圆环面上,使齿轮能包住蜗杆,以改善接触状况,这是蜗轮形体的一特征;一蜗杆蜗轮的主要参数与尺寸计算1.齿距P与模数P在包含蜗杆轴线并垂直于蜗轮轴线的中间平面内图9-60,蜗杆的轴向齿距P应与蜗轮的端面齿距P相等P=P=P,所以蜗杆的轴向模数M与蜗轮的端面模数M也相等M=M=M,并规定为标准模数;蜗杆分度圆直径d,喉圆直径d、齿根圆直径d均在中间平面内度量;2、蜗杆直径系数q蜗杆直径系数是蜗杆特有的一重要参数,它等于蜗杆的分度圆直径d与轴向模数M的比值,即 q=d/m或 d=mq对应于不同的标准模数,规定了相应的q值,引入这一系数的目的,主要是为了减少加工刀具的数目;3、导程角r沿蜗杆分度圆柱面展开,螺旋线展成倾斜直线,如图9-61所示,斜线与底线间的夹角r,称为蜗杆的导程角;当蜗杆直径系数q和头数Z选顶后,导程角r就唯一确定了;它们之间的关系为 tan一对相互齿合的蜗杆和蜗轮,除了模数和齿形角必须分别相同外,蜗杆导程角r与2蜗轮旋角B应大小相等,旋向相同,即r=B;蜗杆与蜗轮各部分尺寸与模数m、蜗杆直径系数q、导程角r和齿数Z、Z有关,其具体关系见表9-15;二蜗杆蜗轮的画法1、蜗杆的画法蜗杆一般选用一个视图,其齿顶线、齿根线和分度线的画法与圆柱齿轮系相同,如图9-62所示;图中以细线表示的齿根线也可省略;齿形可用局部视图或局部放大图表示;2、涡轮的画法涡轮的画法与与圆柱齿轮相似,如图9-63所示;1在投影为非圆的视图中常用全剖或半剖视,并在其相齿合的蜗杆轴线位置画出细点画线圆和对称中心线,以表注有关尺寸和中心距;2在投影为圆的视图中,只画出最大顶圆和分度圆,喉圆和齿根圆省略不画,投影为圆的视图也可用表达键槽轴孔的局部视图取代;3、蜗杆蜗轮齿合的画法蜗杆蜗轮齿合有画成外形图和剖视图两种形式,其画法如图9-64所示;在蜗轮投影为圆的视图中,蜗轮的节圆与蜗杆的节线相切;。
圆锥齿轮的画法[文本]圆锥齿轮通常用于交角90°的两轴之间的传动,其各部分结构如图所示。
齿顶圆所在的锥面称为顶锥面、大端端面所在的锥面称为背锥,小端端面所在的锥面称为前锥,分度圆所在的锥面称为分度圆锥,该锥顶角的半角称为分锥角,用δ表示。
圆锥齿轮的轮齿是在圆锥面上加工出来的,在齿的长度方向上模数、齿数、齿厚均不相同,大端尺寸最大,其它部分向锥顶方向缩小。
为了计算、制造方便,规定以大端的模数为准计算圆锥齿轮各部分的尺寸,计算公式见下表。
其实与圆柱齿轮区别也不大,只是圆锥齿轮的计算参数都是打断的参数,齿根高是倍的模数,比同模数的标准圆柱齿轮的齿顶高要小,另外尺高的方向垂直于分度圆圆锥的母线,不是州县的平行方向。
单个圆锥齿轮的画法规则同标准圆柱齿轮一样,在投影为非圆的视图中常用剖视图表示,轮齿按不剖处理,用粗实线画出齿顶线、齿根线,用点画线画出分度线。
在投影为非圆的视图中,只用粗实线画出大端和小端的齿顶圆,用点画线画出大端的分度圆,齿根圆不画。
[文本]注意:圆锥齿轮计算的模数为大端的模数,所有计算的数据都是大端的参数,根据大端的分度圆直径,分锥角画出分度线细点画线,量出齿顶高、齿根高,即可画出齿顶和齿根线,根据齿宽,画出齿形部分,其余部分根据需要进行设计。
单个齿轮的画法同圆柱齿轮的规定完全相同。
应当根据分锥角,画出分度圆锥的分度线,根据分度圆半径量出大端的位置,根据齿顶高、齿根高找出大端齿顶和齿根的位置,向分度锥顶连线,就是顶锥(齿顶圆锥)和根锥(齿根圆锥),根据齿宽量出分度圆上小端的位置,做分度圆线的垂直线,其他的次要结构根据需要设计即可。
[文本]锥齿轮的啮合画法同圆柱齿轮相同,如图所示。
弧齿锥齿轮的传动设计(弧齿锥齿轮的传动设计弧齿锥齿轮的基本概念锥齿轮的节锥对于相交轴之间的齿轮传动,一般采用锥齿轮。
锥齿轮有直齿锥齿轮和弧齿锥齿轮。
弧齿锥齿轮副的形式如图14-1所示,与直齿锥齿轮相比,轮齿倾斜呈弧线形。
圆锥齿轮的轮齿是在圆锥面上制出的。
根据轮齿方向,圆锥齿轮分为直齿、斜齿、人字齿等。
齿廓曲线多为渐开线。
下面着重介绍渐开线标准直齿圆锥齿轮的基本参数及画法。
(l )直齿圆锥齿轮各部分名称及尺寸关系圆锥齿轮一端大、一端小,大、小端的模数和分度圆直径也不相等,通常规定以大端的模数和分度圆直径作为计算其它有关尺寸的依据。
轮齿各部分名称及尺寸关系参看图6及表3。
图6 直齿圆锥齿轮各部分名称和尺寸表3 标准直齿圆锥齿轮基本尺寸的计算公式(2)圆锥齿轮的画法名称 公式计算 名称 公式计算 齿顶高h a齿根高h f齿高h齿顶角θa齿宽b h a =m hf=1.2m h=2.2mtan θa =(2sin δ)/Zb ≤L/3 分度圆直径 d齿顶圆直径 d a齿根圆直径 d f齿根角θfd=mZd a =m(Z+2cos δ)d f = m(Z-2.4cos δ)tan θf =(2.4sin δ)/Z基本参数:模数m 齿数Z 分度圆锥角δl)单个圆锥齿轮的画法如图7a所示,在齿轮外形视图中,分度锥线用点划线表示,顶锥线用粗实钱表示,根锥线省略不画。
在投影为圆的视图上,大端及小端的齿顶圆用粗实线表示,大端的分度圆用点划线表示,如图7c所示。
图7 单个圆齿轮的画法在投影为非圆的视图上,常用剖视图表达,轮齿部分按不剖处理,顶锥线和顶锥线都用粗实线表示。
如图7。
2)两啮合圆锥齿轮的画法两标准圆锥齿轮啮合时,两分度圆锥应相切,啮合部分的画法与圆柱齿轮啮合相同,主视图一般取全剖视,如图8所示。
图8 圆锥齿轮啮合的画法。
proe锥齿轮的画法ProE锥齿轮画法圆锥齿轮的做法,用的主要的命令就是“混合”。
(直面圆锥齿轮)本文以节圆锥角C=30度,模数M=2,齿数Z=20,齿宽W=20,压力角A=20,齿顶高系数为1,齿底隙系数为0.2,变位系数为0为例,讲述直面圆锥直齿轮的做法。
1. 设置参数,列好关系。
参数,如图:其中,A为压力角 DX系列为另一套节圆,基圆,齿顶圆,齿根圆的代号各关系如下:d=m*zdb=d*cos(a)da=d+2*m*cos(c/2)df=d-2*1.2*m*cos(c/2)dx=d-2*w*tan(c/2)dxb=dx*cos(a)dxa=dx+2*m*cos(c/2)dxf=dx-2*1.2*m*cos(c/2)其中,D为大端分度圆直径。
(圆锥直齿轮的基本几何尺寸按大端计算) DX<D DXB<DB DXA<DA DXF<DF2.插入-----混合------伸出项。
以FRONT为草绘平面,建成以大端DA作第一个圆,小端DXA作第二个圆,深度为W的混合实体。
如图:3.草绘在大端DA的圆面上绘制DF,D圆。
4.草绘在小端DXA圆面上绘制DXF,DX圆。
如图:5.创建第一个渐开线曲线。
在小端DXF的圆面上,通过输入方程,创建渐开线曲线。
其选择的坐标系为PRT_CSYS_DEF其方程如下:选择笛卡尔坐标系afa=60*tr=dxb/2x=r*cos(afa)+pi*r*afa/180*sin(afa)y=r*sin(afa)-pi*r*afa/180*cos(afa)z=0选择‘ 文件--------保存---------关闭’,确定,即可创建第一个渐开线曲线。
如图:6.创建基准点。
选择渐开线曲线和直径为DX的节圆,即可创建基准点PINT0。
7.创建基准轴点击基准轴命令,选择混合实体,即可创建基准轴。
8.创建平面。
选择基准轴和基准点PINT0,即可创建平面DIM1。
9.创建平面。
圆锥齿轮的画法单个圆锥齿轮结构画法[文本]圆锥齿轮通常用于交角90°的两轴之间的传动,其各部分结构如图所示。
齿顶圆所在的锥面称为顶锥面、大端端面所在的锥面称为背锥,小端端面所在的锥面称为前锥,分度圆所在的锥面称为分度圆锥,该锥顶角的半角称为分锥角,用δ表示。
圆锥齿轮的轮齿是在圆锥面上加工出来的,在齿的长度方向上模数、齿数、齿厚均不相同,大端尺寸最大,其它部分向锥顶方向缩小。
为了计算、制造方便,规定以大端的模数为准计算圆锥齿轮各部分的尺寸,计算公式见下表。
其实与圆柱齿轮区别也不大,只是圆锥齿轮的计算参数都是打断的参数,齿根高是1.2倍的模数,比同模数的标准圆柱齿轮的齿顶高要小,另外尺高的方向垂直于分度圆圆锥的母线,不是州县的平行方向。
单个圆锥齿轮的画法规则同标准圆柱齿轮一样,在投影为非圆的视图中常用剖视图表示,轮齿按不剖处理,用粗实线画出齿顶线、齿根线,用点画线画出分度线。
在投影为非圆的视图中,只用粗实线画出大端和小端的齿顶圆,用点画线画出大端的分度圆,齿根圆不画。
[文本]注意:圆锥齿轮计算的模数为大端的模数,所有计算的数据都是大端的参数,根据大端的分度圆直径,分锥角画出分度线细点画线,量出齿顶高、齿根高,即可画出齿顶和齿根线,根据齿宽,画出齿形部分,其余部分根据需要进行设计。
单个齿轮的画法同圆柱齿轮的规定完全相同。
应当根据分锥角,画出分度圆锥的分度线,根据分度圆半径量出大端的位置,根据齿顶高、齿根高找出大端齿顶和齿根的位置,向分度锥顶连线,就是顶锥(齿顶圆锥)和根锥(齿根圆锥),根据齿宽量出分度圆上小端的位置,做分度圆线的垂直线,其他的次要结构根据需要设计即可。
啮合画法[文本]锥齿轮的啮合画法同圆柱齿轮相同,如图所示。
弧齿锥齿轮的传动设计(弧齿锥齿轮的传动设计14.1 弧齿锥齿轮的基本概念14.1.1 锥齿轮的节锥对于相交轴之间的齿轮传动,一般采用锥齿轮。
锥齿轮有直齿锥齿轮和弧齿锥齿轮。
弧齿锥齿轮副的形式如图14-1所示,与直齿锥齿轮相比,轮齿倾斜呈弧线形。
但弧齿锥齿轮的节锥同直齿锥齿轮的节锥一样,相当于一对相切圆锥面作纯滚动,它是齿轮副相对运动的瞬时轴线绕齿轮轴线旋转形成的(图14-2)。
两个相切圆锥的公切面成为齿轮副的节平面。
齿轮轴线与节平面的夹角,即节锥的半锥角称为锥齿轮的节锥角d1或d2。
两齿轮轴线之间的夹角称为锥齿轮副的轴交角S。
节锥任意一点到节锥顶点O的距离称为该点的锥距Ri,节点P的锥距为R。
因锥齿轮副两个节锥的顶点重合,则大小轮的齿数之比称为锥齿轮的传动比(14-1)小轮和大轮的节点半径r1、r2分别为(14-2)它们与锥齿轮的齿数成正比,即(14-3)传动比与轴交角已知,则节锥可惟一的确定,大、小轮节锥角计算公式为(14-4)当时,即正交锥齿轮副,14.1.2弧齿锥齿轮的旋向与螺旋角1.旋向弧齿锥齿轮的轮齿对母线的倾斜方向称为旋向,有左旋和右旋两种(图14-3)。
面对轮齿观察,由小端到大端顺时针倾斜者为右旋齿轮(图14-3b),逆时针倾斜者则为左旋齿(图14-3a)。
大小轮的旋向相反时,才能啮合。
一般情况下,工作面为顺时针旋转的(从主动轮背后看,或正对被动轮观察),主动锥齿轮的螺旋方向为左旋,被动轮为右旋(图14-1);工作面为逆时针旋转的,情况相反。
这样可保证大小轮在传动时具有相互推开的轴向力,从而使主被动轮互相推开以避免齿轮承载过热而咬合。
2.螺旋角弧齿锥齿轮轮齿的倾斜程度由螺旋角bi来衡量。
弧齿锥齿轮纵向齿形为节平面与轮齿面相交的弧线,该弧线称为节线,平面齿轮的节线称为齿线。
节线上任意一点的切线与节锥母线的夹角称为该点的螺旋角bi。
通常把节线中点的螺旋角定义为弧齿锥齿轮的名义螺旋角b。
弧齿锥齿轮副在正确啮合时,大小轮在节线上除了有相同的压力角之外,还要具有相同的螺旋角。
由图14-4中的⊿OO0P,利用余弦定理可知(14-5a)同理,在⊿OO0P’中(14-5b)两式相减,则得节线上任意一点的螺旋角的计算公式为(14-5c)式中,r0为刀盘半径。
14.1.3 弧齿锥齿轮的压力角弧齿锥齿轮副在节点啮合时,齿面上节点的法矢与节平面的夹角称为齿轮的压力角。
弧齿锥齿轮的压力角通常指的是法面压力角αn,其中20º压力角最为常见。
它与端面压力角αt的关系为(14-6) 14.1.4 弧齿锥齿轮的当量齿轮直齿锥齿轮的当量齿轮为节圆半径为Rtgd1、Rtgd2,齿数为、的圆柱齿轮副。
则弧齿锥齿轮的当量齿轮为节圆半径为Rtgd1、Rtgd2,齿数为、,螺旋角为b的斜齿圆柱齿轮副。
因此,弧齿锥齿轮在法截面内的啮合,也可以用当量圆柱齿轮副来近似,即它们为一对节圆半径(14-7)齿数为(14-8)的圆柱齿轮副。
14.2 弧齿锥齿轮的重合度(Contact ratio)重合度e又称重迭系数,反映了同时啮合齿数的多寡(图14-5),其值愈大则传动愈平稳,每一齿所受的力亦愈小,因此它是衡量齿轮传动的质量的重要指标之一。
简单地来讲,一个齿啮合转过的弧长与其周节的比值即为该齿轮副的重合度。
或者更通俗地讲,一个齿从进入啮合到退出啮合的时间与其啮合周期的比值为齿轮副的重合度e。
只有重合度才能保证齿轮副连续传动。
弧齿锥齿轮的重合度包括两部分,端面重合度与轴面重合。
14.2.1 端面重合度(Transverse contact ratio)端面重合度又称横向重合度,弧齿锥齿轮的端面重合度可利用当量齿轮进行计算。
计算过程如下中点锥距,mm(14-9)小齿轮齿顶角,度(14-10)大齿轮齿顶角,度(14-11)小齿轮中点齿顶高,mm(14-12)大轮中点齿顶高,mm(14-13)中点端面模数,mm(14-14)大端端面周节,mm(14-15)中点法向基节,mm(14-16)中点法向周节,mm(14-17)(14-18)小齿轮中点端面节圆半径,mm(14-19)大齿轮中点端面节圆半径,mm(14-20)小齿轮中点法向节圆半径,mm(14-21)大齿轮中点法向节圆半径,mm(14-22)小齿轮中点法向基圆半径,mm(14-23)大齿轮中点法向基圆半径,mm(14-24)小齿轮中点法向顶圆半径,mm(14-25)大齿轮中点法向顶圆半径,mm(14-26)小齿轮中点法向齿顶部分啮合线长,mm(14-27)大齿轮中点法向齿顶部分啮合线长,mm(14-28)中点法向截面内啮合线长,mm(14-29)端面重合度。
对直齿锥齿轮和零度锥齿轮,该数值必须大于1.0。
(14-30)14.2.3 轴面重合度(Face contact ratio)轴面重合度又称纵向重合度。
轴面重合度为齿面扭转弧与周节的比值,即(14-31)(14-32)对于弧齿锥齿轮与准双曲面齿轮轴面重合度eF应不小于1.25,最佳范围在1.25~1.75之间。
总重合度(14-33)14.3 弧齿锥齿轮几何参数设计计算弧齿锥齿轮各参数的名称如图14-6所示。
弧齿锥齿轮的轮坯设计,就是要确定这些参数的计算公式和处理方法。
14.3.1 弧齿锥齿轮基本参数的确定在进行弧齿锥齿轮几何参数设计计算之前,首先要确定弧齿锥齿轮副的轴交角、齿数、模数、旋向、螺旋角,压力角等基本参数:弧齿锥齿轮副的轴交角∑和传动比i12,根据齿轮副的传动要求确定。
根据齿轮副所要传动的功率或扭矩确定小轮外端的节圆直径d1和小轮齿数z1[格里森二文集],z1一般不得小于5。
弧齿锥齿轮的外端模数m可直接按公式m=(14-34)确定,不一定要圆整。
弧齿轮齿轮没有标准模数的概念。
大轮齿数可按公式Z2=i12Z1(14-35)计算后圆整,大轮齿数与小轮齿数之和不得少于40,本章后面介绍的非零变位设计可突破这一限制。
根据大轮和小轮的工作时的旋转方向确定齿轮的旋向。
齿轮的旋向根据传动要求确定,它的选择应保证齿轮副在啮合中具有相互推开的轴向力。
这样可以增大齿侧间隙,避免因无间隙而使齿轮楔合在一起,造成齿轮损坏。
齿轮旋向通常选择的原则是小轮的凹面和大轮的凸面为工作面。
为了保证齿轮副传动时有足够的重合度,设计弧齿锥齿轮副应选择合适的螺旋角。
螺旋角越大,重合度越大,齿轮副的运转将越平稳,但螺旋角太大会增大齿轮的轴向推力,加剧轴向振动,同时会使箱体壁厚增加,反倒引起一些不利因素。
因此,通常将螺旋角选择在30º~40º之间,保证轴面重合度不小于1.25。
6)弧齿锥齿轮的标准压力角有16º、20º、22.5º,通常选20º。
压力角太小会降低轮齿强度,并容易发生根切;压力角太大容易使齿轮的齿顶变尖,降低重合度。
7)锥齿轮的齿面宽b一般选择大于或等于10m或0.3 Re。
将齿面设计得过宽并不能增加齿轮的强度和重合度。
当负荷集中于齿轮内端时,反而会增加齿轮磨损和折断的危险。
14.3.2 弧齿锥齿轮几何参数的计算基本参数确定之后可进行轮坯几何参数的计算,其过程和步骤如下:小轮、大轮的节圆直径d1、d2d1=mZ1 d2=mZ2(14-36)外锥距ReRe=(14-37)为了避免弧齿锥齿轮副在传动时发生轮齿干涉,弧齿锥齿轮一般都采用短齿。
格里森公司推荐当小轮齿数z1≥12时,其工作齿高系数为1.70,全齿高系数为1.888。
这时,弧齿锥齿轮的工作齿高hk和全齿高ht的计算公式为hk= 1.70 m(14-38) ht= 1.888 m(14-39) 当z1<12时齿轮的齿高必须有特殊的比例,否则将会发生根切。
工作齿高系数、全齿高系数的选取按表14-1进行。
表14-1 z1 < 12的轮坯参数(压力角20º,螺旋角35º)小轮齿数 6 7 8 9 10 11大轮最少齿数34 33 32 31 30 29工作齿高系数fk 1.500 1.560 1.610 1.650 1.680 1.695全齿高系数ft 1.666 1.773 1.788 1.832 1.865 1.882大轮齿顶高系数fa 0.215 0.270 0.325 0.380 .0435 0.490在弧齿锥齿轮的背锥上,外端齿顶圆到节圆之间的距离称为齿顶高,节圆到根圆之间的距离称为齿根高,由图14-6可以看到,全齿高是齿顶高和齿根高之和。
为了保证弧齿锥齿轮副在工作时小轮和大轮具有相同的强度,除传动比i12=1的弧齿锥齿轮副之外,所有弧齿锥齿轮副都采用高度变位和切向变位。
根据美国格里森的标准,高度变位系数取为x1=-x2 = 0.39 ( 1-)(14-40)大轮的变位系数x2为负,小轮的变位系数x1为正,它们大小相等,符号相反。
因此,小轮的齿顶高hae1和大轮的齿顶高hae2为hae1=(14-41)hae2=(14-42)用全齿高减去齿顶高,就得到弧齿锥齿轮的齿根高hfe1=ht-hae1 hfe2=ht-hae 2(14-43)当z1<12时,齿顶高、齿根高的计算,按表14-1选取大轮齿顶高系数进行。