RKC温控表
- 格式:doc
- 大小:3.58 MB
- 文档页数:28
数字控制器CH系统操作手册1.产品型号说明CH□02□□□□-□□*□□-□□①② ③④⑤ ⑥⑦ ⑧9① 控制:F:PID动作及自动计数(逆向动作) D:PID动作及自动计数(直接动作)② 输入方式③范围代码:参考8输入范围表*④第一控制输出(OUT1)(加热侧):M:继电器输出 T:三端双向可控开关 V:电压脉冲 B:电流(4到20毫安直流)G:过零(用于三端双向可控驱动)⑤第二控制输出(OUT2)(制冷侧)⑥警报输出[ALM1]N:没有警报A:高偏差警报 B:低偏差警报C:偏差高/低警报 D:联合警报 E:高偏差警报并持续F:低偏差警报并持续 G:偏差高/低警报并持续 H:高进度警报 L:低进度警报并持续 J:低进度警报K:高进度警报并持续7:警报输出[ALM1]N:没有警报 A:高偏差警报 B:低偏差警报 C:偏差高/低警报 D:联合警报 E:高偏差警报并持续F:低偏差警报并持续 G:偏差高/低警报并持续 H:高进度警报 L:低进度警报并持续 J:低进度警报K:高进度警报并持续8:交流功能:N:无交流功能 5:RS-485(2-线系统)9:防水防尘结构:N:无防水/防尘结构 1:防水/防尘结构2.安装2.1 安装条件※ 环境温度不低于0度或不超过50度※ 环境湿度不低于45%或不超过85%RH※ 无腐蚀或易燃气体。
※ 无水、油、化学品、蒸汽飞溅的地方※ 无过多感应燥音,静电,磁场。
※ 无热凝聚形成热辐射3.警告3.1 接线注意事项(1)对于热电偶输入的,使用特定的补偿线。
(2)对于热电阻输入的,使用低电阻线,并且三个线头间不带电阻差。
(3)将输入信号线绕开仪表电源,电气设备电源及负荷线以防止燥音感应。
(4)对于电流输入,必须由输入端提供一个250欧的电阻器(±0.02%±10ppnm, 0.25W)。
3.2 仪表接线电源供给电压:90至264V交流电50/60HZ 、≤7W警报输出等级:继电器联接输出:250伏交流电,1安(电阻性负载)控制输出等级:继电器联接输出:250伏交流电,3安(电阻性负载)电压脉冲输出:0/12伏直流电(负荷电阻600欧或更多)电流输出:4至20MA直流电(负荷电阻600欧或更少)过零输出(用于三端双向控制驱动):过零触发用4.面板说明1)所测数值(PV)显示单元:显示所测得的数值(PV)、显示仪表的不同参数标记2)设置数值(SV)显示单元:显示设置的数值(SV)、显示仪表的不同设置参数3)指示灯**自动整定指示灯(AT),在自动整定时闪烁控制输出指示灯(OUT1),在控制输出打开时亮警报输出指示灯(ALM1),在警报时亮辅助输出指示灯(OUT2),在辅助输出打开时亮4)设置键(SET):用于输入/调出参数,按二秒以上可以读出表二数据5)转换和R/S键(R/S):在设置改变时转换数字(转换键),用于选择运行/停止功能6)下降键:用于降低数字7)上升键:用于升高数字5.显示模式状态5.1每个模式的开启程序打开电源→显示输入方式→显示输入范围(大约显示4秒钟)→如果按键后没有反应的时间超过1分钟,仪表回复到PV/SV 显示模式状态。
●CT1 电流检出器输入1 0.0-100.0A 显示电流检出器(电流互感器)输入值当有HBA报警时。
即(ALM2)灯亮时。
(常按下SET键3秒,后看到系统内参页,再次按下3秒可退出)●AL1 第一报警温度输入设定第一报警设定值:设定值表示正负上下限。
●AL2 第二报警同ALM1。
(有些型号没有此功能)●HbA1 加热器断线报警0.0-100.0A 电流报警值参考电流检出器输入值0.0,当此项的设定值比CT1的值大,就会有报警。
一般情况下,此项设定略比CT1小些。
●ATU 自动演算0000自动演算完成或停止,0001自动演算开始,温控器会根据加热功率的不同,测算出一个合适的PID参数值。
●STU 自主校正0000自主校正完成或停止,0001自主校正开始。
●P 比例温度范围执行PLPD或PID控制时需设定此值。
默认30。
(启用ATU功能后,不用人为调节)●I 积分时间1-3600sec 设定积分时间,以解除比例控制,默认240(启用ATU功能后,不用人为调节)● D 微分时间1-3600sec 设定微分时间,以防止输出的波动,默认60(启用ATU功能后,不用人为调节)●Ar 设定限制积分动作比例的1-100% 防止依积分动作超限或欠限。
100 生效范围(加热侧){有些型号没有此功能)●T 比例周期1-100sec(不能设定为0)默认20 设定比例数据的采样周期●Pc 比例带(制冷侧)比例带的1-1000% 加热/制冷PID动作:100 (加热侧)设定制冷侧比例带{有些型号没有此功能)●Pb 过程值偏差用于显示值和实测值有偏差时的调节,可调正负。
●LCK 设定数据禁锁功能设定1000时,表示不锁定参数值。
以上所有内参可调节。
设定1001时,表示锁定了参数值。
以上内参不可调节。
RKC使用说明书仲克飞RKC使用说明书感谢您购买本系列温控器,请事先详细阅读此“使用说明书”,本说明书中的资料如改动恕不通知,敬请谅解。
本温控器的制造经过严格地品质管理,如遇有不正常的状态或显示,请即刻与北京四通股份公司工控部或您的供应商联络。
第1章准备篇 1.型号定义┄┄┄┄┄┄┄┄┄┄┄┄┄┄┄┄┄1-12.安装┄┄┄┄┄┄┄┄┄┄┄┄┄┄┄┄┄1-2外形尺寸安装方法3.接线端子构成接线注意事项4.规格输入设定显示输出第2章功能篇 1.控制1.1PID控制1.2加热、冷却控制1.3正动作、逆动作1.4自动演算(AT)功能1.5自主校正(ST)功能1.6设定数据锁(LCK)功能2.报警温度报警加热器断线报警(HBA)控制环断线报警(LBA)3.输入异常时的动作第3章操作篇 1.设定前状态2 SV设定模式3.参数设定模式4工程师参数设定模式第4篇通讯篇(仅限CD系列表)第5篇其它第1篇准备篇1.型号定义请参照下列代码表确认产品是否与您指定的型号一致。
CD/CH □ 01/02□□□-□□*□□-□□①②③④⑤⑥⑦⑧⑨⑩①规格尺寸详见第1篇节②控制类型F:PID动作及自动演算(逆动作)D:PID动作及自动演算(正动作)W:加热/冷却PID动作及自动演算(水冷)*1A:加热/冷却PID动作及自动演算(风冷)*1③输入类型:见输入范围表④范围代码:见输入范围表⑤第一控制输出(OUT1)(加热侧)M:继电器接点输出 8:电流输出(DC4~20mA)V:电压脉冲输出 G:闸流控制管驱动用触发器输出T:闸流控制管输出⑥第二控制输出(OUT2)(制冷侧)*2无记号:当控制动作是F或D时M:继电器接点输出 T:闸流控制管输出V:电压脉冲输出 8:电流输出(DC4~20mA)⑦第一报警(ALM1),⑧第二报警(ALM2)*2N;未设报警 J:下限输入值报警A:上限偏差报警 K:附待机上限输入值报警B:下限偏差报警 L:附待机下限输入值报警C:上、下限偏差报警 P:加热器断线报警(CTL-6)*3 D:范围内报警 S:加热器断线报警(CTL-12)*3 E:附待机上限偏差报警 R:控制环断线报警*4F:附待机下限偏差报警 V:上限设定值报警G;附待机上下限偏差报警 W:下限设定值报警H:上限输入值报警⑨通信功能(仅限CD系列)N:无通信功能5:RS-485(双线系统)⑩防水/防尘功能N:无防水/防尘功能1:有防水/防尘功能注:*1W或A型无自主校正功能*2第二控制输出(OUT2)﹑第二报警(ALM2)为选项*3不能被定为第一报警(ALM1)*4控制环断线报警只能在第一报警和第二报警中选择其一2.安装外形尺寸安装方法⑴按照盘面开孔尺寸在盘面上打出用来安装仪器的矩形孔。
型号REX-C100 控制类型温度控制模式智能温度控制调节器测量对象温度,加热设备温度范围0-400(℃)测温误差1(℃)开孔尺寸45*45(mm)安装型式面板输出信号4-20(mA)工作电压80-240(V)外形尺寸48*48(mm)重量0.25(Kg)1.主要技术参数1.1仪表输入。
热电偶E K J S热电阻CU50 Pt1001.2显示基本误差:小于或等于输入满量程1.0%±1个字1.3 冷端补偿误差≤±2℃,温度系数≤0.05/℃1.4 分辨率:1℃或0.1℃1.5 采样周期:3次/秒1.6 报警功能:上限绝对值,上限偏差值1.7 报警输出:继电器触点AC250V3A1.8 控制方式:PID控制.位式控制1.9 控制输出:继电器触点(220V阻性负载3A)感性负载1A)SSR驱动电平:(DC0~12V)过零触发脉冲:光偶可控硅输出1A/600V1.10工作电源:AC220V±10% 50HZ/60HZ功耗≤3W1.11工作环境:环境温度0~50℃,湿度45%~85%,无腐蚀性及无强电磁干扰场合。
2.设定值(SV)显示器(绿)*显示设定值*显示参数内容*控制回路异常表示3指示灯*自整定指示灯(AT)绿自整定工作时灯亮*控制输出指示(OUT)绿控制输出时灯亮*第一报警指示灯(AL1)上限报警输出时灯亮4.功能键盘SET*SV设定:按一下SET键,SV个位闪烁(PV显示内容不变)可用其余三键修改数据*按住SET键5秒,即可进入参数层。
5.移位键在参数设定状态下,作移位键6.减数键在参数设定状态下,作减数键7.加数键在参数设定状态下,作加数键例:仪表完整型号为:REX-C100 K 0~400℃其具体功能含义是:面板尺寸为48×48mm,PID控制继电器输出,配用K分度号热电偶,量程0~400℃,带上限绝对值报警的智能多功能仪表。
< 附件>安装支架2套,说明书一份主要特点:热电偶、热电阻、模拟量等多种信号自由输入,量程自由设置;软件调零满度,冷端单独测温,放大器自稳零,显示精度优于0.5%FS;模糊理论结合传统PID方法,控制快速平稳,先进的整定方案;输出可选:断电器触点、逻辑电平、可控硅单相或三相过零或移相触发肪冲或移发脉冲、模拟量。
感谢您购买本系列温控器,请事先详细阅读此“使用说明书”,本说明书中的资料如改动恕不通知,敬请谅解。
本温控器的制造经过严格地品质管理,如遇有不正常的状态或显示,请即刻与北京四通股份公司工控部或您的供应商联络。
第1章准备篇 1.型号定义┄┄┄┄┄┄┄┄┄┄┄┄┄┄┄┄┄1-12.安装┄┄┄┄┄┄┄┄┄┄┄┄┄┄┄┄┄1-22.1外形尺寸2.2安装方法3.接线3.1端子构成3.2接线注意事项4.规格4.1输入4.2设定4.3显示4.4输出第2章功能篇 1.控制1.1PID控制1.2加热、冷却控制1.3正动作、逆动作1.4自动演算(AT)功能1.5自主校正(ST)功能1.6设定数据锁(LCK)功能2.报警2.1温度报警2.2加热器断线报警(HBA)2.3控制环断线报警(LBA)3.输入异常时的动作第3章操作篇 1.设定前状态2 S V设定模式3.参数设定模式4工程师参数设定模式第4篇通讯篇(仅限CD系列表)第5篇其它第1篇准备篇1.型号定义请参照下列代码表确认产品是否与您指定的型号一致。
CD/CH □01/02□□□-□□*□□-□□①②③④⑤⑥⑦⑧⑨⑩①规格尺寸详见第1篇2.1节②控制类型F:PID动作及自动演算(逆动作)D:PID动作及自动演算(正动作)W:加热/冷却PID动作及自动演算(水冷)*1A:加热/冷却PID动作及自动演算(风冷)*1③输入类型:见输入范围表④范围代码:见输入范围表⑤第一控制输出(OUT1)(加热侧)M:继电器接点输出8:电流输出(DC4~20mA)V:电压脉冲输出G:闸流控制管驱动用触发器输出T:闸流控制管输出⑥第二控制输出(OUT2)(制冷侧)*2无记号:当控制动作是F或D时M:继电器接点输出T:闸流控制管输出V:电压脉冲输出8:电流输出(DC4~20mA)⑦第一报警(ALM1),⑧第二报警(ALM2)*2N;未设报警J:下限输入值报警A:上限偏差报警K:附待机上限输入值报警B:下限偏差报警L:附待机下限输入值报警C:上、下限偏差报警P:加热器断线报警(CTL-6)*3 D:范围内报警S:加热器断线报警(CTL-12)*3 E:附待机上限偏差报警R:控制环断线报警*4F:附待机下限偏差报警V:上限设定值报警G;附待机上下限偏差报警W:下限设定值报警H:上限输入值报警⑨通信功能(仅限CD系列)N:无通信功能5:RS-485(双线系统)⑩防水/防尘功能N:无防水/防尘功能1:有防水/防尘功能注:*1W或A型无自主校正功能*2第二控制输出(OUT2)﹑第二报警(ALM2)为选项*3不能被定为第一报警(ALM1)*4控制环断线报警只能在第一报警和第二报警中选择其一2.安装2.1外形尺寸2.2安装方法⑴按照盘面开孔尺寸在盘面上打出用来安装仪器的矩形孔。
RKC温控器CH402接线图温控器俗称温控表,产地为日本理化株式。
广泛用于塑胶、电炉等行业。
是一种工业控制器、对于工业制造厂家是必不可少的测量仪器。
它的控制方法分为2种加热与冷却,一般工业上多采用通过电阻的发热方式实现单回路加热模式进行调节控制的。
东莞联硕机电在从事这块领域十余载,大大小小各地的商家、厂家都会采购我们的温控器需求。
并得到客户的好评。
控制动作PID控制(ON-OFF,P,PI,PD控制)a)自动演算功能(AT)①自调方式:限制周期法②AT周期:1.5b)自主校正设定改变时,自主校正即建立*加热/制冷PID控制动作除外控制输出a)继电器接点输出:250VAC 3A(带负荷)1a连接*电气性:超过300,000次,额定负荷b)电压脉冲输出:0—12VDC(负荷电阻:超过600Ω)c)电流输出:4—20mADC(负荷电阻:低于600Ω)d)闸流控制管驱动用触发器输出:零测法中容量驱动e)闸流控制管输出:额定0.5A(环境温度低于40℃)温度报警警报输出[ALM1]N:没有警报A:高偏差警报B:低偏差警报C:偏差高/低警报D:联合警报E:高偏差警报并持续F:低偏差警报并持续G:偏差高/低警报并持续H:高进度警报L:低进度警报并持续J:低进度警报K:高进度警报并持续7:警报输出[ALM1]N:没有警报A:高偏差警报B:低偏差警报C:偏差高/低警报D:联合警报E:高偏差警报并持续F:低偏差警报并持续G:偏差高/低警报并持续H:高进度警报L:低进度警报并持续J:低进度警报K:高进度警报并持续报警点:双报警(分别设定)报警种类:偏差报警(上限,下限,上下限,范围内)过程值输入报警(上限,下限)设定值报警(上限,下限)*可以选择待机机能(设定值报警除外)控制环断线报警(LBA)LBA设定时间:0.1—200.0min*不能设定为0.0minLBA不感带:0-9999℃[°F](温度输入)0-量程(电压/电流输入)*如果设定为0,LBA不动作。
RKC智能温控器温控表温度调节器REX-C100型号REX-C100 控制类型温度控制模式智能温度控制调节器测量对象温度,加热设备温度范围0-400(℃)开孔尺寸45*45(mm)输出信号4-20(mA)外形尺寸48*48(mm)测温误差1(℃)安装型式面板工作电压80-240(V)重量(Kg)仪表输入。
热电偶E K J S热电阻CU50 Pt100显示基本误差:小于或等于输入满量程 1.0%±1个字1.3 冷端补偿误差≤±2℃,温度系数≤℃1.4 分辨率:1℃或℃1.5 采样周期:3次/秒1.6 报警功能:上限绝对值,上限偏差值1.7 报警输出:继电器触点AC250V3A1.9 控制输出:继电器触点(220V阻性负载3A)感性负载1A)SSR驱动电平:(DC0~12V)过零触发脉冲:光偶可控硅输出1A/600V工作电源:AC220V±10% 50HZ/60HZ功耗≤3W工作环境:环境温度0~50℃,湿度45%~85%,无腐蚀性及无强电磁干扰场合。
2.设定值(SV)显示器(绿)*显示设定值*显示参数内容*控制回路异常表示3指示灯*自整定指示灯(AT)绿自整定工作时灯亮*控制输出指示(OUT)绿控制输出时灯亮*第一报警指示灯(AL1)上限报警输出时灯亮4.功能键盘SET*SV设定:按一下SET键,SV个位闪烁(PV显示内容不变)可用其余三键修改数据*按住SET键5秒,即可进入参数层。
在参数设定状态下,作移位键在参数设定状态下,作减数键在参数设定状态下,作加数键例:仪表完整型号为:REX-C100 K 0~400℃其具体功能含义是:面板尺寸为48×48mm,PID控制继电器输出,配用K分度号热电偶,量程0~400℃,带上限绝对值报警的智能多功能仪表。
< 附件>安装支架2套,说明书一份主要特点:热电偶、热电阻、模拟量等多种信号自由输入,量程自由设置;软件调零满度,冷端单独测温,放大器自稳零,显示精度优于0.5%FS;模糊理论结合传统PID方法,控制快速平稳,先进的整定方案;输出可选:断电器触点、逻辑电平、可控硅单相或三相过零或移相触发肪冲或移发脉冲、模拟量。
RKC CB100温控器操作使用说明1 操作接口及指示灯说明;(图 1)PV:显示测量值或参数名称SV: 显示设定值或参数值AT:自动演算指示灯,档进行自动演算时AT指示闪烁,演算完成后,指示灯熄灭.OUT1:加热控制输出指示.OUT2:冷却控制输出指示.ALM1:第一组报警指示当输入点接热电欧时(即温度型输入时)所发生的报警1.温度偏移时报警2.过程报警3.设置值SV报警.ALM2: 第二组报警指示当输入点接4~20mADC或1~5VDC时(即标准信号输入时)所发生的报警1.温度偏移时报警2.过程报警3.设置值SV报警SET:设置键及参数设置,修改后的确认键,按SET键2秒后进入参数设置界面,参数设置完毕后按SET键确认.再按SET 键2秒后跳出参数设置见面.R/S:移位键,用来选择要改动的数据 ,RUN/STOP功能选择ˇ:数据递减数据递增2参数设置及说明;长按SET键两秒就可进入参数设置界面.AL1: 设置第一组报警值范围(图2)例如:设定值SV 设定为50度,AL1设定为5度,当检测值PV 超过55度时,则显示AL1报警ATU(Autotuning):PID自动演算如图3所示(图3)0:执行自动演算1:不执行自动演算STU(Self-tuning):自我演算(图4)0 :执行自我演算1:不执行自我演算P:设定比例时间 (30s)如图5所示(图5)I:设定积分时间(240s)如图6所示(图6)D:设定微分时间(60s)如图7所示(图7)PID控制在温控其中的应用R2输入输出关系;U0(t)=R2*Ui(T1)/R1I(intergral)积分控制电路; R电路输入输出关系;Uo=RC*dUi/dtX X XX AR:设定加热周期的比例 (100%)如图8所示(图8)T:设定加热周期(8s)如图9所示(图9)PB:设定PV补正值(2)如图10所示(图10)LCK:数据锁定功能如图11所示(图11)LCK 数据锁定功能参数0000 初始设定模式锁住 1000始设定模式打开0000 设定值(SV)及参数皆可设定0011只有设定值(SV)可设定0001 只有设定际报警可设置 0101只有报警值可设定0010 除了报警不能设定外,其余捷可设定0110除了设定之及报警不能设定外,其余可设定0100 除了设定值外,其余可设定 0111设定值及参数皆无法设定初是设定方式;将LCK 数值设置为1000后,同时按住SET键及R/S键5 秒终即可进入初始模式设定1;COD为0000时可设置SL1~SL11;COD为0001时可设置SLH 按set键SLL按set键OH按set键AH1 按set键AH2按set键DF按set键STTM按set键STPK按set键STIK其具体意义如下表所示。
R KC温控器使用说明书一,型号说明:CD101CD401CD501CD701 ①②③④⑤ * ⑥⑦—⑧⑨CD901F;PID动作及自动演算(逆动作)D;PID动作及自动演算(正动作)W;加热/冷却PID动作及自动演算(水冷)*1A;加热/冷却PID动作及自动演算(风冷)*1②输入类型;④第一控制输出(OUT1)(加热侧)M;继电器接点输出T;闸流控制管输出V;电压脉冲输出8;电流输出(DC4—20mA)7;电流输出(DC0—10mA)U;闸流控制管驱动用触发器输出(移相方式)G;闸流控制管驱动用触发器输出(过零方式)⑤第二控制输出(OUT2)(制冷侧)无记号;当控制是F或DM;继电器接点输出T;闸流控制管输出V;电压脉冲输出8;电流输出(DC4—20mA)⑥第一报警(ALM1)⑦第二报警(ALM2)N;未设报警K;附待机上限偏差报警A;上限偏差报警L;附待机下限偏差报警B;下限偏差报警P;加热器断线报警(CTL—6)*3C;上、下限偏差报警S;加热器断线报警(CTL—12)*3D;范围内报警R;控制环断线报警*4E;附待机上限偏差报警V;上限设定值报警F;附待机下限偏差报警W;下限设定值报警G;附待机上、下限偏差报警H;上限输入值报警J;下限输入值报警⑧通信功能N;无通信功能5;RS—485(双线系统)⑨防水/防尘功能N;无防水、防尘功能1;有无防水、防尘功能*1 W或A型无自主校正功能*2第二报警(ALM2);选项*3不能被定为第一报警(ALM1)*4控制环断线报警只能在第一报警和第二报警中二, 操作﹡SET )(SET )﹡﹡(SET )﹡﹡﹡ ﹡ 可选运行/停止功能,按住﹤R/S 键1秒 可在任意时间选此功能。
﹡﹡ 按住2秒以上。
﹡﹡﹡ 按SET 键时同时按﹤ R/S 键*1 输入类型和输入范围显示 ,通电后,可立即确认输入类型和输入范围。
例如;热电偶K 型输入,0,400 ℃。
① 输入类型代码,输入的简化显示, 显示温度单位 输入类型代号 ②显示输入范围。
感谢您购买本系列温控器,请事先详细阅读此“使用说明书”,本说明书中的资料如改动恕不通知,敬请谅解。
第1章准备篇 1.型号定义┄┄┄┄┄┄┄┄┄┄┄┄┄┄┄┄┄1-12.安装┄┄┄┄┄┄┄┄┄┄┄┄┄┄┄┄┄1-22.1外形尺寸2.2安装方法3.接线3.1端子构成3.2接线注意事项4.规格4.1输入4.2设定4.3显示4.4输出第2章功能篇 1.控制1.1PID控制1.2加热、冷却控制1.3正动作、逆动作1.4自动演算(AT)功能1.5自主校正(ST)功能1.6设定数据锁(LCK)功能2.报警2.1温度报警2.2加热器断线报警(HBA)2.3控制环断线报警(LBA)3.输入异常时的动作第3章操作篇 1.设定前状态2 S V设定模式3.参数设定模式4工程师参数设定模式第4篇通讯篇(仅限CD系列表)第5篇其它第1篇准备篇1.型号定义请参照下列代码表确认产品是否与您指定的型号一致。
CD/CH □01/02□□□-□□*□□-□□①②③④⑤⑥⑦⑧⑨⑩①规格尺寸详见第1篇2.1节②控制类型F:PID动作及自动演算(逆动作)D:PID动作及自动演算(正动作)W:加热/冷却PID动作及自动演算(水冷)*1A:加热/冷却PID动作及自动演算(风冷)*1③输入类型:见输入范围表④范围代码:见输入范围表⑤第一控制输出(OUT1)(加热侧)M:继电器接点输出8:电流输出(DC4~20mA)V:电压脉冲输出G:闸流控制管驱动用触发器输出T:闸流控制管输出⑥第二控制输出(OUT2)(制冷侧)*2无记号:当控制动作是F或D时M:继电器接点输出T:闸流控制管输出V:电压脉冲输出8:电流输出(DC4~20mA)⑦第一报警(ALM1),⑧第二报警(ALM2)*2N;未设报警J:下限输入值报警A:上限偏差报警K:附待机上限输入值报警B:下限偏差报警L:附待机下限输入值报警C:上、下限偏差报警P:加热器断线报警(CTL-6)*3 D:范围内报警S:加热器断线报警(CTL-12)*3 E:附待机上限偏差报警R:控制环断线报警*4F:附待机下限偏差报警V:上限设定值报警G;附待机上下限偏差报警W:下限设定值报警H:上限输入值报警⑨通信功能(仅限CD系列)N:无通信功能5:RS-485(双线系统)⑩防水/防尘功能N:无防水/防尘功能1:有防水/防尘功能注:*1W或A型无自主校正功能*2第二控制输出(OUT2)﹑第二报警(ALM2)为选项*3不能被定为第一报警(ALM1)*4控制环断线报警只能在第一报警和第二报警中选择其一2.安装2.1外形尺寸2.2安装方法⑪按照盘面开孔尺寸在盘面上打出用来安装仪器的矩形孔。
⑫将仪器嵌入盘面开孔内。
⑬在仪器安装槽内插入安装支架。
⑭推紧安装支架,使仪器和盘面结合牢固(图1)。
⑮使用螺钉同样能将仪器定在盘面上(图2),将安装支架插入仪器再用两个螺钉将仪器固定于盘面。
旋紧螺钉时,当螺钉接触盘面后,只可再紧一圈。
请用附带螺钉。
⑯注意事项:a.仪器安装于以下环境(IEC1010)过压等级Ⅱ污染程度2b.安装时避免以下情况²环境温度低于0℃(32°F)或高于50℃(122°F)。
²环境湿度小于45%或大于85%RH。
²环境温度的急剧变化可能引起结露。
²腐蚀性、易燃气体。
²直接震动或冲击主体结构。
²水、油、化学品、烟雾或蒸汽污染。
²过多的灰尘、盐份或金属粉末。
²过多的杂讯干扰、静电、磁场或噪音。
²空调的直吹。
²室内使用,勿置于阳光直射下。
²热辐射积累之处。
3.接线3.1端子构成3.2接线注意事项⑪热电偶输入,应使用对应的补偿导线。
⑫热电阻输入,应使用低电阻且无差别的3根导线。
⑬输入信号线应远离仪器电源线,动力电源线和负荷线以避免产生杂讯干扰。
⑭仪器电源线通常不致被动力电源线干扰。
仪器被外部杂讯干扰时,必须使用杂讯滤波器。
²缩短电源线的捻合绞距,距离越短越有助于减小杂讯。
²在仪表盘上安装杂讯滤波器并接地,并减小杂讯滤波器输出与仪器电源端子的接线距离。
²不要在滤波器输出端安装保险以及开关,这样会降低滤波器效果。
⑮接线应该符合每个国家的国标,电源线应使用600V聚氯乙稀绝缘线(J1SC3307)。
⑯电源开启后对继电器输出的仪表需5-6秒的准备时间,如作外部的连结回路等信号使用时,请并用延迟继电器。
⑰本系列仪器无电源开关和保险丝,如需可加装。
建议保险丝规格:额定电压250V额定电流1A保险丝型号:延时保险⑱当为电流输入时,必须在输入端子间接入250Ω(±0.02%±10ppm,0.25W或更大)的电阻,由客户自己解决。
⑲不要过分旋紧端子螺钉。
请使用合适的端子螺丝接线片(螺丝型号M3³6建议力矩0.4N m[4K gf.cm])。
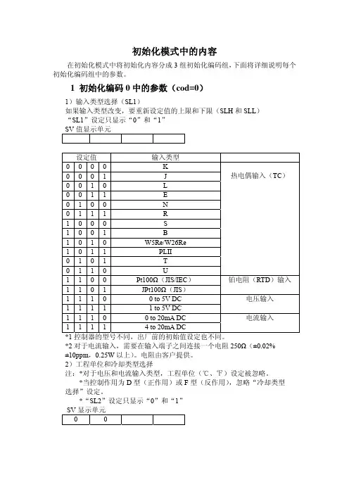
4.规格4.1输入种类:a)热电偶:K,J,R,S,B,E,T,N,U,L,PLⅡ,W5R e/W26R e;b)热电阻:P t100,JP t100;c)电压:0-5V,1-5V;d)电流:0-20mA,4-20mA。
外部电阻的影响:约0.35μV/Ω(热电偶输入)[依热电偶种类换算之]输入导线电阻的影响:读数的约0.01%/Ω(测温电阻体输入)采样周期:0.5秒输入断线时的动作:a)热电偶输入:上升刻度或下降刻度b)测温电阻体输入:上升刻度输入短路时的动作:欠刻度(测温电阻体输入)4.2设定设定值(SV):与输入范围同样加热侧比例带(P):1-全距或 0.1-全距但0.1℃(℉)分辨率时为999.9℃(℉)以内冷却侧比例带(Pc):加热侧比例带(P)之1-1000%积分时间(I):1-3600秒微分时间(D):1-3600秒限制积分动作生效范围(ARW):加热侧比例带(P)的1-100%加热侧比例周期(T):1-100秒冷却侧比例周期(t):1-100秒不感带(DB):-10-+10℃(℉)或–10.0-+10.0℃(℉)4.3显示4.4输出控制输出:继电器接点输出250V AC 3A(带负载)电压脉冲输出0-12V DC(负载阻抗600Ω以上)电流输出 4-20mA DC (负载阻抗600Ω以下)闸流控制管输出 0.5A (环境温度40℃或更低)闸流管驱动用触发器输出过零触发(100A以下)负载电压 100V AC 200V AC使用负载阻性负载报警输出:继电器接点输出 250V AC 1A(带负载)第2章功能篇1.控制1.1PID控制PID控制是依设定P(比例带)、I(积分时间)、D(微分时间)的各定数,获得稳定控制结果的控制方式。
1.2加热、冷却控制加热、冷却控制是以1台温控器即可进行加热控制与冷却控制。
例如,在挤出机的机筒部温度控制时需要冷却控制则为有效。
100%0%OL:重叠DB:不感带1.3正动作、逆动作正动作:随着测定值(PV)的增加,操作输出值(MV)随之增加的动作。
正动作一般用于冷却控制。
逆动作:随着测定值(PV)的增加,操作输出值(MV)反而减少的动作。
逆动作一般用于加热控制。
1.4自动演算(AT)功能自动演算功能自动测量、计算、设定最佳的PID及LBA常数。
此功能在开启时,升温过程中以及实施稳定控制过程中起作用。
(1)启动AT条件当下列条件都被满足时启动AT功能²启动AT功能前除PID及LBA外的所有参数设定完毕。
²确认未选LCK功能。
(2)搁置AT条件出现下列情况时,AT功能被搁置。
²当改变SV值时²当PV偏差值改变时²当运行/停止状态处于停止时²当PV值异常时(测值发生波动)²当电源开启时²当开启AT功能约9小时未结束时²发生20ms以上的停电时注意:²当自动演算搁置条件成立时,AT功能立即停止并转为PID控制。
PID常数维持AT启动时的数值,此外,如AT完成后也转至PID控制。
²如果控制系统内不慎发生摆动时,不宜用AT功能,此种情况,应设定与被控物相符合的数值。
1.5自主校正(ST)功能ST功能可以自动计算和校正PID参数,保障仪器自身连续观察控制反应,因此,即使在AT功能运行后,所控制的目标的特性差异也可以通过它而获得好的反映。
(1)启动ST要求满足下列所有情况时启动ST功能:²实行PID控制时(P≠0 I≠0 D≠0及ARW≠0)²AT功能不能使用时²运行/停止处于运行状态²PV值必须在输入范围内²ST功能被选时(2)ST功能停止要求下列情况之一,ST功能设定为停止位:²当PV超出输入范围(当仪器超过上限或下限)²当ST功能设定为OFF时²当AT功能使用时*1²当运行/停止功能处于STOP状态*2²当关闭电源时*1如果AT功能在使用,ST功能设定为停止位,在AT功能停止后,ST功能重新启动。
*2如果操作状态由RUN至STOP,ST功能设定为STOP状态;如果操作状态由STOP至RUN,ST功能会重新启动。
注意:当控制动作为加热/制冷PID动作,ST功能将不起作用。
ST功能动作时,PID及ARW设定值不能改变,但可被监视。
1.6设定数据锁(LCK)功能设定数据锁功能用于防止对某些不常被设定的参数进行误操作。
有8级禁锁状态,参数可被每级状态禁锁,参数上锁后不能被设定或改变但可监视。
2.报警2.1温度报警(偏差/输入值报警)温度报警是测定值(PV)或偏差值到达警报设定值时,使警报指示灯(红)发亮,成为警报状态的功能。
(1)偏差警报的种类偏差[测定值(PV)- 设定值(SV)]到达警报设定值时,警报指示灯发亮。
因此,随着设定值(SV)的变更,警报设定值亦随之移动。
A. 上限偏差报警(图1)偏差[测定值(PV)- 设定值(SV)]在警报设定值以上时指示灯发亮,成为警报状态。
B.下限偏差报警(图2)偏差[测定值(PV)- 设定值(SV)]在警报设定值以下时指示灯发亮,成为警报状态.测量值(设定值1)时间测量值(PV)测量值(PV)设定值2)时间C.上下偏差报警偏差的绝对值|测定值(PV)-设定值(SV)|在警报设定值以上及以下时,警报指示灯发亮,成为警报状态。
设定值时间D. 范围内报警偏差的绝对值|测定值(PV)-设定值(SV)|在警报设定值以内时警报指示灯发亮,成为警报状态。
测定值(PV)设定值时间(2)输入值警报的种类测定值(PV)到达警报设定值时警报随即动作。
A.上限输入值警报测量值(PV)警报设定值时间警报指示灯B.下限输入值警报警报设定值时间(3)警报的动作间隙测定值(PV)在警报设定值附近时因输入的波动等关系,警报的继电器接点常发生反复ON、OFF,设定警报的动作间隙,即可防止继电器接点的反复ON、OFF。