防水卷材低温柔性原始记录.doc
- 格式:doc
- 大小:38.51 KB
- 文档页数:1
讲解建筑防水卷材中低温柔性的测试方法本篇文章主要讲述了GB/T328.14标准中建筑防水卷材试验方法第14部分:沥青防水卷材低温柔性的试验方法,本厂生产的ZSY-34全自动低温柔度仪可满足这一标准。
3.1柔性flexibility沥青防水卷材试件在规定温度下弯曲无裂缝的能力。
3.2冷弯温度cold bending temperature沥青防水卷材绕规定的棒弯曲无裂缝的ZUI低温度。
3.3裂缝crack沥青防水卷材涂盖层的裂纹扩展到胎体或完全贯穿无增强卷材。
4原理从试样裁取的试件,上表面和下表面分别绕浸在冷冻液中的机械弯曲装置上弯曲180°。
弯曲后,检查试件涂盖层存在的裂纹。
ZSY-34型全自动低温柔度仪全自动低温柔性试验仪是电动数显低温柔性试验仪的改款升级版,制冷箱体采用不锈钢制作,工艺保证了温度控制精度在±1℃,zui低温度可达-35℃。
柔度仪也是采用不锈钢制作,特点:操作简单,工作效率高。
低温柔度试验仪是为了防水卷材低温柔度检测开发的,符合国标GB/T328.14,此标准中明确规定低温柔度测试,需采用机械自动测试,避免人为因素产生影响。
●技术参数1、电源:220V2、输入功率:1000W3、测试速率:360±40mm/min4、测试温度:-35度5、试件数量:12件6、试件尺寸:150×25mm7、时间设置:0-999可调8、弯曲轴尺寸:¢20 ¢30 ¢509、外型尺寸:1000×600×950mm10、整机重量:150Kg精品资料欢迎下载。
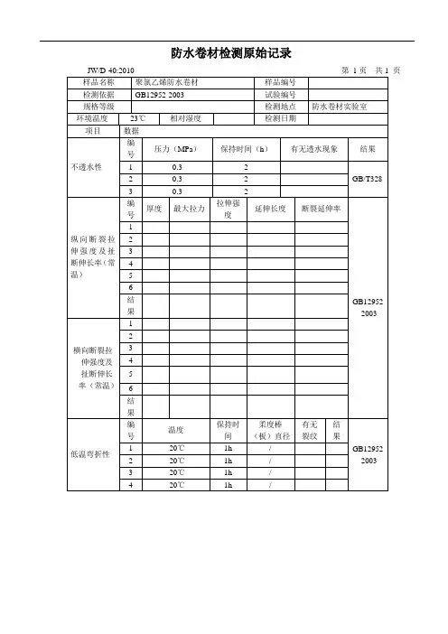
预铺/湿铺防水卷材试验原始记录委托编号:样品编号:检验编号:样品名称检测日期年月日生产厂家环境条件温度:℃湿度: % 样品状态□正常□品种及规格检验依据□GB/T 23457-2009 □GB/T 328.2-2007 □GB/T 328.8-2007 □GB/T 328.9-2007□GB/T 328.10-2007□GB/T 328.11-2007 □GB/T 328.14-2007 □GB/T 328.15-2007 □GB/T 328.18-2007 □GB/T 328.20-2007 □GB/T 328.25-2007 □GB/T 328.26-2007□GB/T 529-2008检测信息□拉力□最大拉力时伸长率拉伸方向编号宽度(mm)最大拉力(N)拉力(N/50mm) 引伸计初始间距(mm)最大力时引伸计间距(mm)最大拉力时伸长率(%)单个值平均值单个值平均值纵向1 2 3 4 5横向12345□不透水性压力(MPa)保持时间(min)试件1试件2试件3单项评定□透水□未透水□透水□未透水□透水□未透水□低温弯折(℃× h)试样编号纵向横向单项评定1 2 1 2弯折处受拉面有无裂纹□有□无□有□无□有□无□有□无□低温柔性(℃× h,弯心直径 mm)上表面 1 2 3 4 5 单项评定试验后状态□断裂□出现裂纹□无裂纹□断裂□出现裂纹□无裂纹□断裂□出现裂纹□无裂纹□断裂□出现裂纹□无裂纹□断裂□出现裂纹□无裂纹下表面 1 2 3 4 5试验后状态□断裂□出现裂纹□无裂纹□断裂□出现裂纹□无裂纹□断裂□出现裂纹□无裂纹□断裂□出现裂纹□无裂纹□断裂□出现裂纹□无裂纹预铺/湿铺防水卷材试验原始记录委托编号:样品编号:检验编号:□耐热性(℃× h)试样编号 1 2 3 单项评定□A 法滑动距离(mm)上表面单值平均值下表面单值平均值□B 法有无滑动、流淌、滴落、起泡□有□无□有□无□有□无□可溶物含量(g/m2)试样编号试样尺寸(mm)萃取前试样和滤纸总质量M2(g)萃取后试样和滤纸总质量M3(g)可溶物含量(g/m2)平均值(g/m2)1100×10023□静态荷载试样编号试样尺寸(mm)荷载条件试样有无穿孔现象单项评定1300×300 20kg □有□无2 □有□无3 □有□无□钉杆撕裂强度最大拉力/N平均值单项评定试件 1 2 3 4 5纵向横向□撕裂强度最大拉力/N平均值单项评定试件 1 2 3 4 5纵向横向委托编号:样品编号:检验编号:□防窜水性(注:“√”表示不窜水,“×”表示有窜水)加载压力加压时间试样1 试样2 试样3 单项评定0.4MPa0.5MPa0.6MPa□渗油性加热条件试样1渗油张数/张试样2渗油张数/张试样3渗油张数/张代表值/张℃× h□卷材与卷材剥离强度□无处理□热处理方向编号试验宽度/mm最大剥离力/N剥离强度/(N/mm)平均值/(N/mm)方向编号试验宽度/mm最大剥离力/N剥离强度/(N/mm)平均值/(N/mm)纵向1纵向12 23 34 45 5横向1横向12 23 34 45 5□热稳定性编号试验后有无起皱、滑动、流淌初始纵向尺寸/mm初始横向尺寸/mm试验后纵向尺寸/mm试验后横向尺寸/mm纵向尺寸变化率/% 横向尺寸变化率/%1 □有□无2 □有□无3 □有□无委托编号:样品编号:检验编号:□热老化(70℃×168h)□热老化后低温弯折(℃× h)试样编号纵向横向单项评定1 2 1 2弯折处受拉面有无裂纹□有□无□有□无□有□无□有□无□热老化后低温柔性(℃× h,弯心直径 mm)上表面 1 2 3 4 5 单项评定试验后状态□断裂□出现裂纹□无裂纹□断裂□出现裂纹□无裂纹□断裂□出现裂纹□无裂纹□断裂□出现裂纹□无裂纹□断裂□出现裂纹□无裂纹下表面 1 2 3 4 5试验后状态□断裂□出现裂纹□无裂纹□断裂□出现裂纹□无裂纹□断裂□出现裂纹□无裂纹□断裂□出现裂纹□无裂纹□断裂□出现裂纹□无裂纹□拉力保持率□伸长率保持率拉伸方向编号宽度(mm)最大拉力(N)拉力(N/50mm)引伸计初始间距(mm)最大力时引伸计间距(mm)最大拉力时伸长率(%)单个值平均值单个值平均值纵向1 2 3 4 5横向1 2 3 4 5拉力保持率/% 纵向伸长率保持率/%纵向横向横向□持粘性□正面□反面编号 1 2 3 4 5 编号 1 2 3 4 5剥下所用时间/min 剥下所用时间/min时间平均值/min 时间平均值/min主要仪器设备及编号□微机控制电子万能试验机 JC-097 □冲片机JC-093□低温试验箱 JC-085 □弯折仪JC-089□防水卷材不透水测定仪 JC-084 □低温柔度试验仪JC-088□电热鼓风干燥箱 JC-087 □自动加压混凝土渗透仪JC-014-01 □钢直尺□放大镜仪器设备运行情况□正常□检测前(中、后)有故障。