BT33触发电路
- 格式:doc
- 大小:20.50 KB
- 文档页数:2
单结晶体管触发电路看一看单结晶体管触发电路如图3-1所示,注意观察电路中所用的元器件,特别是有关元器件的型号或参数。
三极管9012的管脚图如图3-2所示,单结晶体管BT33的管脚图如图3-3所示。
图3-1 单结晶体管触发电路图3-2 9012的管脚图图3-3 单结晶体管BT33的管脚图知识链接单结晶体管的基本特性:1.等效电路单结晶体管等效电路如图3-4所示。
r b1:E与B1间电阻,随发射极电流而变,即IE上升,r b1下降。
rb2:E与B2间的电阻,数值与IE无关。
rbb:两基极间电阻。
rbb = r b1 + rb2η:称为分压比,r b1与rbb的比值,η一般在0.3 ~ 0.8 之间。
图3-4 单结晶体管等效电路图2.导通条件VEE > ηVBB + VD (VD为PN结的正向电压)想一想如图3-1所示,单结晶体管触发电路是如何工作的?做一做1.检测图3-1所示电路中的元器件。
2.根据图3-1所示电路完成印制板图设计(板子尺寸:100mm×80mm)。
3.根据设计的印制板图在多孔板上完成电路的装接。
注意:电解电容、二极管、稳压二极管、三极管和单结晶体管的极性。
测一测用示波器实测并画出单结晶体管触发电路各点波形图,将结果画入如图3-5所示。
图3-5 测各点波形学一学单结晶体管触发电路工作特点:1.电源变压器的二次侧24V交流电压经单相桥式整流后由稳压管V5削波得到梯形波电压,该电压既作为单结晶体管触发电路的同步电压,又作为单结晶体管的工作电源电压。
2.V7、V8组成直接耦合放大电路,V7采用PNP型管,V8采用NPN型管,触发电路的给定电压(U1)由电位器RP调节,U1经V8放大后加到V7。
三极管V7相当于由U1控制的一个可变电阻,它起到移相的作用。
3.V9~V11是三极管V8的基极正反向电压保护作用。
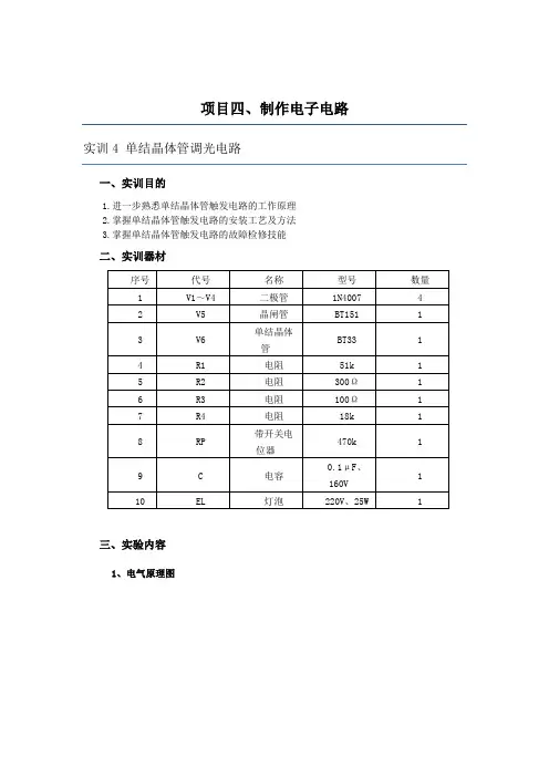
项目四、制作电子电路实训4 单结晶体管调光电路一、实训目的1.进一步熟悉单结晶体管触发电路的工作原理2.掌握单结晶体管触发电路的安装工艺及方法3.掌握单结晶体管触发电路的故障检修技能二、实训器材序号代号名称型号数量1 V1~V4 二极管1N4007 42 V5 晶闸管BT151 13 V6 单结晶体管BT33 14 R1 电阻51k 15 R2 电阻300Ω 16 R3 电阻100Ω 17 R4 电阻18k 18 RP 带开关电位器470k 19 C 电容0.1μF、160V110 EL 灯泡220V、25W 1三、实验内容1、电气原理图图3—3 单结晶体管调光电路2、电路原理分析见图3—3,V6、R2、R3、R4、RP、C组成单结晶体管的张弛振荡器。
在接通电源前,电容C上电压为零;接通电源后,电容经由R4、RP充电使电压Ue逐渐升高。
当Ue到峰点电压时,V6的e~bl间变成导通,电容上电压经e~b1向电阻R3放电,在R3上输出一个脉冲电压。
由于R4、RP的电阻值较大,当电容上的电压降到谷点电压时,经由R4、RP供给的电流小于谷点电流,不能满足导通要求,于是单结晶体管恢复阻断状态。
此后,电容又重新充电,重复上述过程,结果在电容上形成锯齿状电压,在R3上形成脉冲电压。
在交流电压的每个半周期内,单结晶体管都将输出一组脉冲,起作用的第一个脉冲去触发V5的控制极,使晶闸管导通,灯泡发光。
改变RP的电阻值,可以改变电容充电的快慢,即改变锯齿波的振荡频率。
从而改变晶闸管V5的导通角大小,即改变了可控整流电路的直流平均输出电压,达到调节灯泡亮度的目的。
3、安装工艺步骤(1)根据元件明细表配齐元器件并检查元器件。
(2)清除空心铆钉板上及元件引脚上的氧化层,并上锡。
(3)平面布置,考虑好连线的方向,避免交叉。
(4)焊接并连线。
(5)检查有否漏焊,虚焊,错焊等。
(6)无误后通知指导老师并通电测试。
(7)完成实验,实训报告。
电力电子实习报告自动化09-1班田德文学号:26目录实习题目 (3)实习目的 (3)实习设备 (3)实习内容 (4)单结晶体管 (4)单结晶体管的自振荡电路 (5)相关数据计算 (6)可控单结晶体管触发电路原理图 (7)焊接电路板 (7)测电压观测波形 (7)实习心得 (8)实习题目可控硅单结晶体管触发电路实习目的熟悉单结晶体管触发电路的工作原理及各元件的使用掌握单结晶体管触发电路的调试步骤和方法熟悉焊接技巧,故障排查以及相关仪器仪表的使用实习设备序号名称规格及型号测量参数数量0 控制变压器220/24V,25V A 变比为12׃1 1台1 双踪示波器1台2 普通二极管IN4001 管压降分别为4只0.557V,0.572V,0.563V,0.560V3 稳压二极管稳压值10V左右稳压值为7.86V 1只4 晶闸管CR3AM 1只5 1/8金属膜电阻 1.0KΩ0.986KΩ1个6 1/8金属膜电阻 4.7KΩ 4.61KΩ1个7 1/8金属膜电阻470Ω462Ω1个8 1/8金属膜电阻81Ω82Ω1个9 1/8金属膜电阻10Ω10Ω1个10 插板式可变电阻100KΩ1/4W 100.7KΩ1个11 瓷片电容0.1uF 0.098uF 1个12 单结晶体管BT33 1个13 面包板SYB130 1块14 灯泡(带灯座)24V 10W 1个15 常用电工工具烙铁(30W),偏口1个钳子实习内容单结晶体管单结晶体管(简称UJT)又称基极二极管,它是一种只有一个PN 结和两个电阻接触电极的半导体器件,它的基片为条状的高阻N型硅片,两端分别用欧姆接触引出两个基极b1和b2。
单结晶体管的伏安特性(1)当V e<η V bb时,发射结处于反向偏置,管子截止,发射极只有很小的漏电流I ceo。
(2)当V e≥η V bb+V D V D为二极管正向压降(约为0.7伏),PN结正向导通,I e显著增加,R b1阻值迅速减小,V e相应下降,这种电压随电流增加反而下降的特性,称为负阻特性。
主题:数字万用表单结晶体管BT33引脚详解内容:1. 概述:数字万用表是一种常见的电子测试仪器,它能够测量电压、电流、电阻等电路参数,是电子工程师和电子爱好者必备的工具之一。
而数字万用表内部的元器件也是十分复杂且精密的,其中就包括了结晶体管BT33。
2. 结晶体管BT33的基本介绍:结晶体管又称晶体二极管,是一种半导体器件,它具有放大、整流、开关和稳压等功能。
BT33是一种常用的结晶体管型号,被广泛应用于各种电子设备中。
3. 结晶体管BT33的引脚定义:BT33一般包括三个引脚,分别为发射极、基极和集电极。
发射极用来输入控制信号,基极用来控制输出信号,集电极则是输出信号的输出端。
4. 结晶体管BT33的引脚功能详解:发射极是输入端,它接收控制信号,控制基极和集电极之间的电流流动。
基极是控制端,它根据发射极的输入信号控制集电极的输出电流。
集电极是输出端,它输出经过控制处理后的电流信号。
5. 结晶体管BT33的工作原理:当发射极输入一个控制信号时,基极会相应地控制集电极的电流,从而实现对输入信号的放大、整流、开关和稳压处理。
这种工作原理使得BT33结晶体管在电子电路中具有重要的作用。
6. 结论:结晶体管BT33作为数字万用表中的重要组成部分,通过上述对其引脚定义、功能和工作原理的详解,可以更好地理解数字万用表的内部结构和工作原理,为电子工程师和电子爱好者提供更多的技术支持和参考。
这篇文章主要针对数字万用表中的结晶体管BT33的引脚进行了详细的解析,详细介绍了其引脚的定义、功能和工作原理,通过对BT33的介绍,读者可以更好地了解数字万用表的内部结构和工作原理,从而更好地应用和理解数字万用表。
引脚定义部分如此关键。
为了更好地理解结晶体管BT33的引脚定义,让我们深入研究每个引脚的作用和连接方式。
1. 发射极(Emitter, E):作为结晶体管的输入端,发射极承担了输入控制信号的功能。
在数字万用表中,发射极连接至电路的输入端,接收被测电路中的信号,并将其输入到BT33中。
优点:单结晶体管触发电路比较简单,温度性能比较好,有一定的抗干扰能力,
缺点:脉冲前沿陡,输入功率较小,脉冲宽度较窄,只能承受调节RP (电位器R2),无法加入其它信号,移相范围≤180°,
一般为150°此电路可以用在单相可控硅整流电路要求不高的场合,能触发50A 以下的晶闸管。
交流电压经桥式整流和稳压后削波后得到梯形电压。
脉冲电压形成时梯形同步电压经R2、R3对电容C 充电,
C 两端电压上升到单结晶体管峰点电压UP(BT33的峰点电压)时,单结晶体管由截止变为导通,通过e---b1---R5放电,
放电电流在电阻RB1(放电电阻R5)上产生一组尖顶脉冲电压,由RB1(放电电阻R5)输出一组触发脉冲,其中第一个脉冲使晶闸管触发导通,后面的脉冲对晶闸管工作没有影响。
随着C 的放电,当电容两端电压下降到单结晶体管谷点电压UV(BT33谷底电压)时单结晶体管重新截止,
C 重新充电,重复上述过程。
RB1(放电电阻R5)上又输出一组峰顶脉冲电压,这个过程重复进行。
当梯形电压过零点时,电容C 两端电压也为零,因此电容每一次连续充放电的起点就是电源电压过零点,这样就保证输出电压的频率和电源频率同步。
移相是通过改变RP(电位器R2)的大小实现的,改变RP(电位器R2)的大小可以改变C 的充电速度,因此就改变了第一个脉冲出现的时间,从而达到了移相的目的。
B T33单结晶体管(双基极二极管)原理单结晶体管(双基极二极管)原理体管又叫双基极二极管,它的符号和外形见附图判断单结晶体管发射极E的方法是:把万用表置于R*100挡或R*1K挡,黑表笔接假设的发射极,红表笔接另外两极,当出现两次低电阻时,黑表笔接的就是单结晶体管的发射极。
单结晶体管B1和B2的判断方法是:把万用表置于R*100挡或R*1K挡,用黑表笔接发射极,红表笔分别接另外两极,两次测量中,电阻大的一次,红表笔接的就是B1极。
应当说明的是,上述判别B1、B2的方法,不一定对所有的单结晶体管都适用,有个别管子的E--B1间的正向电阻值较小。
不过准确地判断哪极是B1,哪极是 B2在实际使用中并不特别重要。
即使B1、B2用颠倒了,也不会使管子损坏,只影响输出脉冲的幅度(单结晶体管多作脉冲发生器使用),当发现输出的脉冲幅度偏小时,只要将原来假定的B1、B2对调过来就可以了。
单结晶体管工作原理-双基极二极管伏安特性曲线-单结管双基极二极管(单结晶体管)的结构双基极二极管又称为单结晶体管,它的结构如图1所示。
在一片高电阻率的N型硅片一侧的两端各引出一个电极,分别称为第一基极B1和第二基极B2。
而在硅片是另一侧较靠近B2处制作一个PN结,在P型硅上引出一个电极,称为发射极E。
两个基极之间的电阻为R BB,一般在2~15kW之间,R BB一般可分为两段,R BB =R B1+ R B2,R B1是第一基极B1至PN结的电阻;R B2是第一基极B2至PN结的电阻。
双基极二极管的符号见图1的右侧。
图1 双基极二极管的结构与符号等效电路双基极二极管的工作原理将双基极二极管按图2(a)接于电路之中,观察其特性。
首先在两个基极之间加电压U BB,再在发射极E和第一基极B1之间加上电压U E,U E可以用电位器R P进行调节。
这样该电路可以改画成图2(b)的形式,双基极二极管可以用一个PN结和二个电阻R B1、R B2组成的等效电路替代。
单相可控硅整流电路一、实训目的:(1)掌握单结晶体管和可控硅的工作原理;(2)了解单结晶体管触发脉冲产生的原理;(3)了解调压的原理;(4)掌握各工作点的输出波形;(5)掌握输出电压与控制角之间的关系。
二、实训器材:220V/12V交流变压器两个,示波器一台,数字式万用表一块,桥堆一个,100Ω电阻两个,8V稳压管1个,100KΩ可调电阻一个,10KΩ电阻一个,0.1uF电容一个,510Ω电阻一个,单结晶体管(BT33)一个,47Ω电阻两个,二极管两个,可控硅两个,12V灯泡一个,万能板一块,烙铁一个,焊锡若干。
三、实训原理:1、电路分析:如图所示,可控硅整流调压电路,有单结晶体管组成的触发电路和单相桥式半控式整流电路组成。
在图示的触发电路中,由桥式整流电路输出全波整流电压信号,通过限流电阻R1和稳压管后,稳压管使整流电路的输出电压幅值限制在一定值上,输出一梯形波,提供个RC振荡电路,经电容C充放电后输出一锯齿波形电压信号,该信号又作为单结管的发射极的输入电压信号,从而使单结管输出一系列较窄的尖峰脉冲;主电路工作后,当控制极接受到同步信号时,可控硅的阴阳极在正向电压作用下触发导通。
调节充放电回路中的RP,改变控制角a,可改变导通角b,从而达到调节输出电压的目的。
四、实训步骤:(1)根据原理图,选择合适的元器件。
对有极性或有管脚要求的元器件应进行正确的判断,对其他的元件应确认标称参数;(2)按照原理图正确焊接电路;(3)调试触发电路,线路焊好后调节Rp,用示波器观察各工作点的电压波形,直至输出一连续可调的脉冲信号;(4)系统调试,接通主电路,将脉冲信号加入可控硅的控制极,用示波器测试负载两端的电压波形;波形正常后,调节RP,应使灯泡亮度发生变化。
以下是各工作点的的波形图:五、实训小结:(1)掌握了单结晶体管和可控硅的工作原理;(2)了解了单结晶体管触发脉冲产生的原理;(3)了解了调压的原理;(4)掌握了各工作点的输出波形;(5)掌握了输出电压与控制角之间的关系。
电力电子实习报告题目:可控硅单结晶体管触发电路的装接与调试学院:电气信息工程学院班级:姓名:学号:指导教师:日期:2012.12.3至2012.12.7目录实习题目 (2)实习目的 (2)实习设备 (2)实习内容 (3)单结晶体管 (3)单结晶体管的伏安特性 (3)单结晶体管的自振荡电路 (4)相关数据计算 (5)可控单结晶体管触发电路原理图 (5)焊接电路板 (6)测电压观测波形 (6)实习心得 (8)参考文献 (9)实习题目可控硅单结晶体管触发电路的装接与调试实习目的1、掌握单结晶体管触发电路的工作原理。
2、能够正确识别、区分可控硅和单结晶体管的各个管脚。
3、识读电路图,检查元器件好坏,核对元器件数量和规格。
4、掌握焊接技能,能够排除简单故障。
5、掌握单结晶体管触发电路的调试步骤和方法。
6、能够正确使用工具和仪表。
实习设备实习内容单结晶体管单结晶体管(简称UJT)又称基极二极管,它是一种只有一个PN结和两个电阻接触电极的半导体器件,它的基片为条状的高阻N型硅片,两端分别用欧姆接触引出两个基极b1和b2。
在硅片中间略偏b2一侧用合金法制作一个P区作为发射极e。
单结晶体管的伏安特性(1)当V e<η V bb时,发射结处于反向偏置,管子截止,发射极只有很小的漏电流I ceo。
(2)当V e≥η V bb+V D,V D为二极管正向压降(约为0.7伏),PN结正向导通,I e显著增加,R b1阻值迅速减小,V e相应下降,这种电压随电流增加反而下降的特性,称为负阻特性。
管子由截止区进入负阻区的临界P称为峰点,与其对就的发射极电压和电流,分别称为峰点电压V p和峰点电流I p。
I p是正向漏电流,它是使单结晶体管导通所需的最小电流,显然V p=ηV bb。
(3)随着发射极电流i e不断上升,V e不断下降,降到V点后,V e不在降了,这点V称为谷点,与其对应的发射极电压和电流,称为谷点电压,V v和谷点电流I v。
12V,24V蓄电池自动充电器电路图
12V,24V蓄电池自动充电器电路图
单结晶体管BT33、C3、W1、W2等元件组成了弛张振荡器,其产生的脉冲信号经隔离二极管D4输送至可控硅SCR1的控制极,调整W1的阻值可改变SCR1的触发导通角,即改变了充电电流。
可控硅SCR2、继电器J、W3、W4、D5等元件组成蓄电池充满电自动保护电路,当电池两端电压被充至W3、W4设定的上限值时,D5导通,SCR2受触发导通,LED2显示,继电器吸合,同时J切换到常开,切断了SCR1的控制脉冲集中,即停止对蓄电池的充电。
K2为12V、24V电池充电的转换开关,图示置于12V档位。
B T33单结晶体管(双基极二极管)原理单结晶体管(双基极二极管)原理体管又叫双基极二极管,它的符号和外形见附图判断单结晶体管发射极E的方法是:把万用表置于R*100挡或R*1K挡,黑表笔接假设的发射极,红表笔接另外两极,当出现两次低电阻时,黑表笔接的就是单结晶体管的发射极。
单结晶体管B1和B2的判断方法是:把万用表置于R*100挡或R*1K挡,用黑表笔接发射极,红表笔分别接另外两极,两次测量中,电阻大的一次,红表笔接的就是B1极。
应当说明的是,上述判别B1、B2的方法,不一定对所有的单结晶体管都适用,有个别管子的E--B1间的正向电阻值较小。
不过准确地判断哪极是B1,哪极是 B2在实际使用中并不特别重要。
即使B1、B2用颠倒了,也不会使管子损坏,只影响输出脉冲的幅度(单结晶体管多作脉冲发生器使用),当发现输出的脉冲幅度偏小时,只要将原来假定的B1、B2对调过来就可以了。
单结晶体管工作原理-双基极二极管伏安特性曲线-单结管双基极二极管(单结晶体管)的结构双基极二极管又称为单结晶体管,它的结构如图1所示。
在一片高电阻率的N型硅片一侧的两端各引出一个电极,分别称为第一基极B1和第二基极B2。
而在硅片是另一侧较靠近B2处制作一个PN结,在P型硅上引出一个电极,称为发射极E。
两个基极之间的电阻为R BB,一般在2~15kW之间,R BB一般可分为两段,R BB =R B1+ R B2,R B1是第一基极B1至PN结的电阻;R B2是第一基极B2至PN结的电阻。
双基极二极管的符号见图1的右侧。
图1 双基极二极管的结构与符号等效电路双基极二极管的工作原理将双基极二极管按图2(a)接于电路之中,观察其特性。
首先在两个基极之间加电压U BB,再在发射极E和第一基极B1之间加上电压U E,U E可以用电位器R P进行调节。
这样该电路可以改画成图2(b)的形式,双基极二极管可以用一个PN结和二个电阻R B1、R B2组成的等效电路替代。
・实践・实训 - 140 -2017年11月上 第21期(总第423期)10.3969/j.issn.1671-489X.2017.21.140工学结合一体化模式下BT33台灯调光电路的安装教学设计◆李秀香摘 要 “BT33台灯调光电路的安装”是全国中等职业教育规划实训教材中一个典型的工学结合一体化的学习任务。
调光电路综合了电力电子技术中的许多理论知识。
为培养学生动手能力,帮助其理解调光电路涉及的综合理论知识,按照工学结合一体化教学要求,对“BT33台灯调光电路的安装”教学中的一些重要环节做了新的设计。
关键词 职业教育;调光电路;工学结合;仿真软件中图分类号:G718.1 文献标识码:B 文章编号:1671-489X(2017)21-0140-031 “明确任务”课教学设计步骤从职业规律、教育规律综合把握的角度看,学生在完成某个工作任务时首先需要全面、透彻地了解任务。
明白了“应该怎样做”,下一步“如何做好”的工作才能正常地进行。
“明确任务”锻炼学生认识新事物的能力、师生之间沟通交流的能力、学生之间团结协作的能力以及方法运用的能力。
调光台灯的安装与调试任务让学生明确教学任务的步骤及建议如下。
1)学生分组,分组原则是自愿报名与教师统筹协调结合,做到好、中、差搭配。
小组人数以六人为宜,选好小组长,小组长可以经常轮换。
2)教师用PPT 展示实际生活中各种调光台灯的实物,并以本次任务的调光台灯的实物接通电源后,打开灯→调光→达到最大亮度时反调→关断开关。
反复工作多次,让学生观察,并引导学生:关于灯的亮度,你看到的是什么现象?3)PPT 给出调光原理电路图,并提出引导问题:调光原理图中所涉及的元器件你都认识吗?EL 是什么元件?它的耐压值应该是多少?4)教师用PPT 展示调光台灯安装与调试的全过程(可以是上一届学生现场实操的方式),展示过程中有教师的精要讲解,包括六个方面:应达标准、实施步骤、所用方法、质量要求、实践要求、注意事项。
BT33型调光台灯电路的制作一、电路工作原理下图为调光台灯电路,可使灯泡两端交流电压在几十伏至二百伏范围内变化,调光作用显著。
图一、家用调光台灯电路图二、单结晶体管符号1.单结晶体管和单向晶闸管(1)单结晶体管单结晶体管有两个基极,仅有一个PN结,故称双基极二极管或单结晶体管。
图二所示是单结晶体管的图形符号,发射极箭头倾斜指向b1,表示经PN结的电流只流向bl极。
国产单结晶体管有BT31、BT32、BT33、BT35等型号。
单结晶体管在一定条件下具有负阻特性,即当发射极电流I增加时,发射极电压Ve反而减小。
利用单结晶体管的负阻特性和RC充放电电路,可制作脉冲振荡器。
单结晶体管的主要参数有基极直流电阻Rbb和分压比。
Rbb是射极开路时b 1、b2间的直流电阻,约2~10kW,Rbb阻值过大或过小均不宜使用。
另外一个是b1、b2间的分压比,其大小由管内工艺结构决定,一般为0.3~0.8。
(2)单向晶闸管晶体闸流管又名可控硅,简称晶闸管。
广泛应用于无触点开关电路及可控整流设备。
晶闸管有三个电极:阳极A、阴极K和控制极G。
图三(a)、(b)所示是其电路符号和内部结构。
单向晶闸管有以下三个工作特点:①晶闸管导通必须具备两个条件:一是晶闸管阳极A与阴极K间必须接正向电压。
二是控制极与阴极之间也要接正向电压;②晶闸管一旦导通后,降低或去掉控制极电压,晶闸管仍然导通;③晶闸管导通后要关断时,必须减小其阳极电流使其小于晶闸管的导通维持电流。
晶闸管的控制电压Vc和电流Ic都较小,电压仅几伏,电流只有几十至几百毫安,但被控制的电压或电流却可以很大,可达数千伏、几百安培。
可见晶闸管是一种可控单向导电开关,常用于弱电控制强电的各类电路。
图三、晶闸管符号和内部结构2.电路调光原理图一中,VT、R2、R3、R4、RP、C组成单结晶体管张弛振荡器。
接通电源前,电容C上电压为零。
接通电源后,电容经由R4、RP充电,电容的电压V逐渐升高。
实验一 PWM发生器实验一、实验目的(1)了解掌握PWM发生器电路输出的波形。
(2)了解PWM发生器的作用。
二、实验所需挂箱及附件三、实验内容PWM发生器电路的各点波形观测。
四、预习要求阅读SG3525集成块的相关资料,了解PWM发生器的基本工作原理。
五、实验方法(1)将PMC-10挂箱的蓝色三芯插头与THPMC-1型控制屏的三芯插座相连,打开PMC-10挂箱的电源开关。
(2)将钮子开关分别打到低频侧和高频侧,调节波形的频率(即调节电位器RW1)和占空比(即调节电位器RW2),用万用表直流电压档观测“1”电压的变化情况,同时用双踪示波器的两个探头分别观测“2”和“输出”的波形,并填入下表。
六、实验报告(1)根据记录的数据,绘出“1”点电压和“2”点及“输出”端波形占空比的对应关系。
(2)测量PWM发生器电路在低频和高频段时的频率调节范围。
七、注意事项双踪示波器有两个探头,可同时观测两路信号,但这两个探头的地线都与示波器的外壳相连,所以两个探头的地线不能同时接在同一电路的不同电位的两个点上,否则这两点会通过示波器外壳发生电气短路。
为了保证测量的顺利进行,可将其中一根探头的地线取下,只使用其中一路的地线,这样从根本上解决了这个问题。
当需要同时观察两个信号时,必须在被测电路上找到这两个信号的公共点,将探头的地线接于此处,探头各接至被测信号,只有这样才能在示波器上同时观察到两个信号,而不发生意外。
实验二单结晶体管触发电路实验一、实验目的(1)熟悉单结晶体管触发电路的工作原理及电路中各元件的作用。
(2)掌握单结晶体管触发电路的调试步骤和方法。
二、实验所需挂箱及附件三、实验线路及原理利用单结晶体管(又称双基极二极管)的负阻特性和RC的充放电特性,可组成频率可调的自激振荡电路,如图1所示。
图中V3为单结晶体管,其常用的型号有BT33和BT35两种,由等效电阻V2和C组成RC充电回路,由C-V3-T组成电容放电回路,调节RW1即可改变C充电回路中的等效电阻。
项目一项目一 晶闸管单相调光灯电路晶闸管单相调光灯电路的调试与维护任务1 单结晶体管触发电路的认识与调试一、教学目标1.能阅读单结晶体管触发电路图2.能知道单结晶体管的性能、工作原理及使用方法3.能理解单结晶体管触发电路控制原理4.能进行单结晶体管触发电路安装接线5.会使用电工电子仪表进行单结晶体管触发电路调试二、工作任务V1220V ~50V~V2V3V4R1BAV52CW64R2R4R5V6BT33V73CG5CV83DG6D CR3C1R6V9V10V11C2R7RPR84-IN40013-IN4001a)电路原理图b)电路产生的脉冲电压/ddkj/csy/SY-221.swf1200 u F / 25 V 电容器C21310.22 u F / 16 V 电容器C1121WT 、6.8 6.8 k k Ω、0.25 W 电位器RP 112RT 、5.1 5.1 k k Ω、1/8 W 电阻器R5、R7103RT 、1 1 k k Ω、1/8 W 电阻器R4、R6、R891RT 、100 Ω、1/8 W 电阻器R38l RT 、360 Ω、1/8 W 电阻器R271RT 、2(或 1.2) k Ω、1W 电阻器Rl 613DG6三极管V8513CG5C 三极管V741BT33A 单结晶体管V6312CW64 (18~21V )稳压管V5271N4001二极管V1~V4. V9~V111件数型号与规格名称符号序号元器件明细表三、实践操作1.设备、工具、材料准备操作中将用到的电工常用工具、电烙铁、万用表、仪器、印制电路板。
(1)单结晶体管的结构(a)结构(b)等效电路c)图形符号(d)外形管脚排列触发电路常用的国产单结晶体管的型号主要有BT31,BT35,BT35,其外形与管脚排列。
第一基极b1发射极e第二基极b2凸起2.单结晶体管的简单测试• 万用表置于电阻1×lk挡,将万用表红表笔接e端,黑表笔接b1端,测量e-b1两端的电阻,如图1-3所示。
SG-XDJ05新能源汽车电工电子基础教学平台新能源汽车电工电子元件积木式教学系统(示波器自购)-、产品的特点:实验台具有较完善的安全保护措施,较齐全的功能。
实验操作桌中央配有通用电路插扳,电路板由进口ABS注塑而成,背面装有压铸而成九孔成一组的铜片,表面布有九孔成一组相互联通的插孔,创新实验元件模块在其上任意拼插成实验电路。
实验元件制成透明创新模块,直观性好,盒盖印有永不褪色元件符号,线条清晰美观。
盒体与盒盖采用较科学的压卡式结构,维修、更换元件拆装方便。
元器件放置在实验操作桌下边左右柜内,实验时取存方便,大大提高了管理水平,规划化程度,大大减轻了教师实验准备工作。
(设备外形参考图片,具体以实物配置为准)二、适用范圉:适用于高等院校及要求较高的中专、技校、职业学校,可完成新能源汽车电工学、电工原理、电路分析等课程实验。
该设备是现有实验室设备的更新换代或新建、扩建实验室的理想产品,它的配备是学校上水平、上等级的重要标志。
三、设备技术指标(1)工作电源:单相三线AC 220V±10% 50Hz(2)温度:一10~40a C;环境湿度:≤90% (25,0(3)外形尺寸:长X宽X高=1650X700X125Omin (可根据实际要求定做)(4)整机功耗:≤700V. A(5)安全保护措施:具有接地保护、漏电保护功能,安全性符合相关的国标标准。
采用高绝缘的安全型插座及带绝缘护套的高强度安全型实验导线。
四、实训台基本配置及功能介绍实训装置由实训台、电源控制屏、实训模块、实训工具等组成。
(一)电源控制屏控制屏为铁质双层亚光密纹喷塑结构,钢质面板,为实训提供交直流电源、信号源和测量仪表等,具体功能如下:1.交流电源(1)高压交流电源:四路AC220V电源接口,可为外配仪器设备提供工作电源。
(2)低压交流电源:分3V、6V、9V、12V、15V、20V、24V七档可调,输出端具有短路保护、过载保护及自动复位功能,同时还提供带中心抽头双17V交流电源。
B T33触发电路(总4页) -CAL-FENGHAI.-(YICAI)-Company One1-CAL-本页仅作为文档封面,使用请直接删除BT33触发电路电路图电路分析如图为单结晶体管触发电路,电路较简单,温度性能比较好,有一定的抗干扰能力,脉冲前沿陡,输出功率较小,脉冲宽度较窄,只能承受调节RP无法加入其它信号,移相范围≤180°,一般为150°此电路可以用在单相可控硅整流电路要求不高的场合,能触发50A以下的晶闸管。
交流电压经桥式整流和稳压管削波而得到梯形电压。
3脉冲电压形成时梯形同步电压经RP,R5对C充电,C两端电压上升到单结晶体管峰点电压Up 时,单结晶体管由截止变为导通电容C通过e---b,R3放电,放电电流在电阻R3上产生一组尖顶脉冲电压,由R3输出一组触发脉冲,其中第一个脉冲使晶闸管触发导通,后面的脉冲对晶闸管工作没有影响,随着C的放电,当电器两端电压下降至单结晶体管谷点电压Uv时,单结晶体管重新截止,C重新充电,重复上述过程,R8上又输出一组峰顶脉冲电压,这个过程重复进行.当梯形电压过零点时,电容C两端电压也为零,因此电容每一次连续充放电的起点,就是电源电压过零点,这样就保证输出电压的频率和电源频率的同步.4移相是通过改变RP的大小实现的,改变RP的大小可以改变C充电的速度,因此就改变了第一个脉冲出现时间,从而达到移相的目的.电路的元件选择要注意以下几点5RP一般取10K~几兆欧姆,RP过大单结晶体管达不到峰点电压,过小单结晶体管电流大于谷点电流不能截止,因此RP过大或过小时电路不振荡无脉冲电压输出R2是温度补偿电阻一般取200~600欧姆.R3是电路的输出部分,它的大小影响输出脉冲电压的幅度与宽度.一般取50~100欧姆.C的大小影响振荡频率和输出脉冲宽度,一般取0.047~0.5uF.安装与调试安装同前的要求调试 :用示波器观察输出波形(1~0)的电压波动。
精心整理
BT33触发电路
电路图
电路分析
如图为单结晶体管触发电路,电路较简单,温度性能比较好,有一定的抗干扰
放电,C 的 移相是通过改变RP 的大小实现的,改变RP 的大小可以改变C 充电的速度,因
此就改变了第一个脉冲出现时间,从而达到移相的目的.
电路的元件选择要注意以下几点
RP 一般取10K~几兆欧姆,RP 过大单结晶体管达不到峰点电压,过小单结晶体
管电流大于谷点电流不能截止,因此RP 过大或过小时电路不振荡无脉冲电压
精心整理
输出
R2是温度补偿电阻一般取200~600欧姆.
R3是电路的输出部分,它的大小影响输出脉冲电压的幅度与宽度.一般取
50~100欧姆.
C 的大小影响振荡频率和输出脉冲宽度,一般取0.047~0.5uF.
使用示波器观察波形要注意仪器仪表的使用。
要注意用电安全。