制浆造纸行业清洁生产评价指标体系.doc
- 格式:doc
- 大小:1.16 MB
- 文档页数:35
制浆造纸行业清洁生产指标体系制浆造纸行业是我国重要的基础工业领域之一,在全球具有重要的地位。
然而,由于其生产过程中产生了大量污染物,对环境造成了很大的影响。
为了推动制浆造纸行业向清洁生产转型,建立和完善清洁生产指标体系是非常重要的。
一、清洁生产指标体系是什么?清洁生产指标体系是指为了评价企业生产过程的洁净程度和环境影响程度而建立的一套科学的评价指标和评价方法。
对于制浆造纸行业来说,清洁生产指标体系可以从原材料利用效率、能源利用效率、废水废气处理效果等多个方面进行评价。
二、清洁生产指标体系的设计原则1.系统性原则:确保清洁生产指标体系能够全面有效地评价制浆造纸企业整个生产过程的环境影响。
2.可操作性原则:清洁生产指标体系应该具有实施的可行性,企业能够根据指标对生产过程进行调整和改进。
3.可比性原则:清洁生产指标体系应具有可比性,不同企业之间,或同一企业不同时间段之间的评价结果可以进行横向和纵向比较。
4.可持续性原则:清洁生产指标体系应体现可持续发展的原则,使制浆造纸企业能够实现经济效益、环境效益和社会效益的统一三、清洁生产指标体系的主要内容1.原材料利用效率:评价企业对原材料的利用效率,包括纸浆制备过程中的浆料利用率以及纸张加工过程中的纸张利用率。
2.能源利用效率:评价企业对能源的利用效率,包括电力、燃油、天然气等能源的利用率。
3.废水、废气处理效果:评价企业废水废气处理的效果,包括排放浓度、达标率等指标。
4.循环经济效益:评价企业在生产过程中实现循环利用、资源再生利用等方面的效益。
5.环境保护投入:评价企业在环境保护方面的投入水平,包括环境设备、管理费用等。
四、清洁生产指标体系的应用清洁生产指标体系的应用可以帮助制浆造纸企业全面了解自身生产过程的环境影响,并在此基础上进行调整和改进。
同时,该指标体系也可以作为政府监管的依据,对企业进行评价和考核。
政府可以通过激励机制或处罚措施,引导企业加大环境保护投入,推动制浆造纸行业的清洁生产发展。
国家已公布的行业清洁生产评价指标体系国家已公布的行业清洁生产评价指标体系(一)国家进展改革委、国家环保总局公告2005年第28号(2005年6月2日)1、《钢铁行业清洁生产评价指标体系(试行)》2、《氮肥行业清洁生产评价指标体系(试行)》3、《电镀行业清洁生产评价指标体系(试行)》(二)国家进展改革委公告2006年第87号(2006年12月1日)1、《印染行业清洁生产评价指标体系(试行)》2、《铬盐行业清洁生产评价指标体系(试行)》3、《烧碱/聚氯乙烯行业清洁生产评价指标体系(试行)》4、《制浆造纸行业清洁生产评价指标体系(试行)》5、《铝行业清洁生产评价指标体系(试行)》6、《电池行业清洁生产评价指标体系(试行)》7、《煤炭行业清洁生产评价指标体系(试行)》(三)国家进展改革委公告2007年第24号(2007年4月23日)1、《包装行业清洁生产评价指标体系(试行)》2、《火电行业清洁生产评价指标体系(试行)》3、《磷肥行业清洁生产评价指标体系(试行)》4、《轮胎行业清洁生产评价指标体系(试行)》5、《铅锌行业清洁生产评价指标体系(试行)》6、《陶瓷行业清洁生产评价指标体系(试行)》7、《涂料制造业清洁生产评价指标体系(试行)》(四)国家进展改革委公告2007年第41号(2007年7月14日)1、《水泥行业清洁生产评价指标体系(试行)》2、《发酵行业清洁生产评价指标体系(试行)》3、《纯碱行业清洁生产评价指标体系(试行)》4、《机械行业清洁生产评价指标体系(试行)》5、《硫酸行业清洁生产评价指标体系(试行)》6、《制革行业清洁生产评价指标体系(试行)》(五)国家进展改革委公告2007年第63号(2007年9月29日)《电解金属锰行业清洁生产评价指标体系(试行)》附件2企业清洁生产绩效评分表附件3企业清洁生产绩效评分表使用说明1、“企业清洁生产绩效评分表”仅适用于国家尚未公布行业清洁生产评价指标体系的行业。
制浆造纸行业清洁生产评价指标体系(试行)国家发展和改革委员会发布目录前言 (1)1 制浆造纸行业清洁生产评价指标体系的适用范围 (2)2 制浆造纸行业清洁生产评价指标体系的结构 (2)3 制浆造纸行业清洁生产评价指标的评价基准值及权重值 (12)4 制浆造纸企业清洁生产评价指标的考核评分计算方法 (24)4.1 定量评价指标的考核评分计算 (24)4.2 定性评价指标的考核评分计算 (25)4.3 企业清洁生产综合评价指数的考核评分计算 (25)4.4 制浆造纸行业清洁生产企业的评定 (27)5 指标解释 (28)附录1 数据采集 (32)附录2 禁止使用的染料 (33)前言为了贯彻落实《中华人民共和国清洁生产促进法》,指导和推动制浆造纸企业依法实施清洁生产,提高资源利用率,减少和避免污染物的产生,保护和改善环境,制定制浆造纸行业清洁生产评价指标体系(试行)(以下简称“指标体系”)。
本指标体系用于评价制浆造纸企业的清洁生产水平,作为创建清洁先进生产企业的主要依据,为企业推行清洁生产提供技术指导。
本指标体系依据综合评价所得分值将企业清洁生产等级划分为两级,即代表国内先进水平的“清洁生产先进企业”,和代表国内一般水平的“清洁生产企业”。
随着技术的不断进步和发展,本指标体系每3~5年修订一次。
本指标体系由中国轻工业清洁生产技术中心起草。
本指标体系由国家发展和改革委员会负责解释。
本指标体系自公布之日起试行。
1 制浆造纸行业清洁生产评价指标体系的适用范围本评价指标体系适用于制浆造纸行业,包括木浆、非木浆、废纸浆等制浆企业;新闻纸、印刷书写纸、生活用纸、涂布纸、包装纸及纸板等造纸企业以及浆纸联合生产企业。
2 制浆造纸行业清洁生产评价指标体系的结构根据清洁生产的原则要求和指标的可度量性,本评价指标体系分为定量评价和定性要求两大部分。
定量评价指标选取了有代表性的、能反映“节能”、“降耗”、“减污”和“增效”等有关清洁生产最终目标的指标,建立评价模式。
制浆造纸行业清洁生产评价指标体系制浆造纸行业是重要的基础工业,但同时也是水、土地、能源消耗较大的行业之一,对环境的污染也十分严重。
为了促进制浆造纸行业的可持续发展,需要建立一个科学合理的清洁生产评价指标体系,对行业进行评价、监测和改进。
一、资源消耗类指标1.水资源消耗指标:衡量企业在生产中消耗的淡水和污水排放情况,包括单位产量所需水量、年水消耗量、废水排放浓度等。
促进企业降低对水资源的需求,改善水质和废水处理效果。
2.能源消耗指标:反映企业生产过程中对能源资源的消耗情况,包括单位产量所需能源量、年能耗量、主要能源的利用效率等。
鼓励企业采用节能技术,改善能源利用效率。
3.原材料消耗指标:评估企业对木材和其他纸浆原料的消耗情况,包括单位产量所需原材料量、原材料利用率等。
引导企业减少对森林资源的破坏,开发替代原材料。
二、污染物排放类指标1.废水排放指标:评估企业废水排放的主要污染物浓度和排放量,包括化学需氧量(COD)、悬浮物、氮、磷等指标。
要求企业达到国家废水排放标准,提倡资源化利用和二次处理。
2.废气排放指标:考察企业废气排放中有害物质的浓度和排放量,如二氧化硫、氮氧化物、挥发性有机物等。
要求企业安装污染物治理设备,减少对大气环境的影响。
3.固体废物排放指标:评价企业固体废物产生量和处理方式,包括纸浆生产过程中产生的废纸、废渣、废液等。
鼓励企业实施废物资源化利用或安全处理措施。
三、环境保护类指标2.生态影响指标:评价企业生产对当地生态环境的影响程度,包括水域、土壤、生物多样性等。
推动企业实施生态修复和保护,减少生态破坏。
3.环境管理指标:评价企业的环保管理制度和执行情况,包括环境事故记录、环评和排污许可证等。
鼓励企业建立完善的环境管理体系,加强环境监测和改进。
以上是制浆造纸行业清洁生产评价指标体系的一些主要内容,可以根据具体情况和行业特点进行补充和调整。
指标体系的建立有助于引导企业加强环境保护和资源利用,推动行业可持续发展。
一、清洁生产指标
1.原材料指标25:毒性7、生态影响6、可再生性4、能源强度4、可回收利用
性4。
2.产品指标17:销售3、使用4、寿命优化5、报废5
3.资源指标29:单位产品新鲜水耗量10、单位产品能耗11、单位产品物耗8
4.污染物产生指标29:废水产生指标10、废气产生指标10、固体废物产生指
标9
二、等级划分标准
清洁生产:大于80 传统先进70-80 一般55-70 落后40-55 淘汰:小于40
案例
某造纸厂,年纸浆能力为2.35*104t,其中化学草浆1.7*104t,磨木浆0.65*104t,拟在该造纸厂扩建2.0*104t的化学草浆,0.65*104t的磨木浆,使制浆总能力达到5*104t/a,其中草浆3.7*104t/a,磨木浆1.3*104t/a,同时配套日处理110吨的黑液固型物碱回收装置,使企业废水排放达标。
该造纸厂集中制浆工程还包括2*104t/a 的浆板生产能力,建成后将替代该地区另外四家造纸厂四条制浆线共计3.6*104t/a的分散制浆。
国家标准《清洁生产评价指标体系编制通则》(征求意见稿)编制说明标准起草组二〇一三年一月一、标准工作简况1.前言清洁生产是企业从粗放生产方式向可持续生产方式的转型,也是企业层面循环经济的实施模式。
2012年7月1日起施行的《中华人民共和国清洁生产促进法》(新修订)明确指出:促进清洁生产,提高资源利用效率,减少和避免污染物的产生,保护和改善环境,保障人体健康,促进经济与社会可持续发展。
一个合理的指标体系可以有效地评估清洁生产技术和管理手段的合理性,从而为技术和管理措施的筛选、清洁生产效果的评估提供有效手段。
因此,该体系的建立将为政府主管部门提供管理工具,一方面帮助政府部门了解掌握行业/企业的清洁生产状况、评估取得的效果、设置未来达到的目标等,为宏观管理和政策的实施提供依据,从而规范和指导行业清洁生产持续有效地向前发展;另一方面,为出台新的清洁生产政策、建立新的制度和机制(如市场准入、清洁生产激励机制、预评估制度等)做好基础性支撑工作。
2.标准的编制目的●客观评价企业清洁生产的进步成效;●用于企业自我评判、改进和提高清洁生产水平;●使企业技术改造具有先进的清洁生产水平。
3.标准的作用3.1 指导和规范行业清洁生产水平评价标准制修订工作本标准规定了行业清洁生产水平评价的术语和定义、评价指标体系的编制原则、清洁生产评价指标体系和评价方法。
本标准的制定将指导和规范行业清洁生产水平评价标准制修订工作,将有利于规范行业的清洁生产水平评价。
3。
2 整合现有各类清洁生产技术规范的需要各部委目前正在制订和发布的清洁生产技术规范可分为两大类:一类是由国家发展改革委组织制定的行业清洁生产评价指标体系;第二类是由环保部组织制定的行业清洁生产标准;第三类是工信部正在组织编制的企业清洁生产水平评价技术要求。
按照全国人大环资委的意见,需要对三套评价技术规范统一整合为清洁生产评价指标体系。
截止目前,行业清洁生产评价指标体系已发布30项,行业清洁生产标准已发布88项。
HJ 中华人民共和国环境保护行业标准HJ/T xx-2002 清洁生产技术要求制浆造纸行业Technical requirements for cleaner production–Pulp & paper industry–报批稿国家环境保护总局发布HJ/T xx-2002目次前言1 主题内容与适用范围2 引用标准3 术语和定义4 技术要求内容5 数据采集和计算方法6 技术要求的实施HJ/T xx-2002前言为进一步推动中国的清洁生产,防止生态破坏,保护人民健康,促进经济开展,并为制浆造纸企业开展清洁生产提供技术支持和导向, 制订本制浆造纸行业清洁生产技术要求〔以下简称“本技术要求〞〕。
本技术要求为推荐性标准,可用于企业的清洁生产审核和清洁生产潜力与时机的判断,以及企业清洁生产绩效评定和企业清洁生产绩效公告制度。
本技术要求根据当前的行业技术和装备水平而制订,共分为三级,一级代表国际清洁生产先进水平,二级代表国内清洁生产先进水平,三级代表国内清洁生产根本水平。
随着技术的不断进步和开展,本技术要求也将不断修订,一般五年修订一次。
根据清洁生产的一般要求,清洁生产指标原那么上分为生产工艺与装备要求、资源能源利用指标、产品指标、污染物产生指标〔末端处理前〕、废物回收利用指标和环境管理要求等六类。
考虑到制浆造纸行业的特点,本技术要求将清洁生产指标分为四类,即资源利用指标、特征工艺指标、污染物产生指标〔末端处理前〕和环境管理要求。
本技术要求由国家环境保护总局科技标准司提出。
本技术要求由国家清洁生产中心负责起草。
本技术要求主要起草人:陈文明、于秀玲、刘忠、薛萍。
本技术要求由国家环境保护总局负责解释。
本技术要求为首次发布,自2002年xx月xx日起实施。
HJ/T xx-2002 编制说明中华人民共和国环境保护行业标准清洁生产技术要求制浆造纸行业〔报批稿〕HJ/T xx-2002Technical requirements for cleaner production– Pulp & paper industry1 主题内容与适用范围1.1 主题内容本技术要求按照清洁生产的原理,从提高资源利用率和减少环境污染出发,针对制浆造纸生产过程的原材料选用、资源利用、污染物产生、产品的生产过程和产品最终处置提出技术要求。
制浆造纸行业清洁生产评价指标体系制浆造纸行业是我国经济发展的重要组成部分,同时也是直接关系民众生活健康的重要行业。
为了提高行业的生产效率,促进行业发展,推动行业转型升级,需要建立一个行业专门的清洁生产评价指标体系,对行业内各环节清洁生产情况进行统一的评价和监管,以促进行业发展、提升和共创行业可持续发展的绿色空间。
一、清洁生产评价指标体系基本构成制浆造纸行业清洁生产评价指标体系,从原材料供应、生产设备、工艺条件、产品质量、废弃物处理、排放控制等方面,形成清洁生产的核心指标体系,以确保行业可持续发展。
1.原材料供应:在森林资源保护方面,采用环保、合理的林木采伐及伐木规程,实现有效环保。
2.生产设备:采用符合清洁生产标准的设备,提高设备运行效率,改善环境污染状况。
3.工艺条件:采用符合环保的技术装备,实现可靠的技术管理,减少对环境的污染。
4.产品质量:采用环保的生产管理技术,保证产品质量及品牌的可持续发展。
5.废弃物处理:实行合理的垃圾处理和分类,降低环境污染源,减少能源消耗量。
6.排放控制:采用符合环保标准的排放设备,实行科学合理的排放管理,保证空气、水质环境的卫生安全。
二、应用清洁生产评价指标体系制浆造纸行业清洁生产评价指标体系分为应用于预防污染和精细污染控制两部分,用以确保行业的可持续发展,分别如下:1.预防污染:采用预防污染的设计,重点控制制浆造纸行业生产过程中各种污染物的排放,以及生产过程将产生的有害废弃物的处理,控制废弃物的排放。
2.精细污染控制:采取有效的水资源和能源消耗量控制措施,减少对水资源和能源的耗费,降低对环境的污染,促进环境保护。
三、清洁生产评价指标体系的实施在实施制浆造纸行业清洁生产评价指标体系过程中,应当遵循以下原则:1.完善落实细则:将清洁生产评价指标体系向下延伸,制定实施详细规定,明确企业对达标要求及具体实施措施。
2.合理落实技术改造:结合行业特点,采取合理的技术改造方案,以保证清洁生产技术改造的有效实施。
表1 漂白硫酸盐木(竹)浆评价指标项目、权重及基准值(摘自2015年4月15日国家发改委、环保部、工信部联合发布2015年第9号公告)注1 带*的指标为限定性指标。
注2 化学品制备史包括二氧化氯、二氧化硫和氧气的制备。
a Adt表示吨风干浆;b 竹浆综合能耗(外购能耗)不包括石灰窑所用能源;c TCF:全无氯漂白;d ECF无元素氯漂白;e 表7计算结果为本表的一部分,计算方法与本表其他指标相同表2 本色硫酸盐木(竹)浆评价指标项目、权重及基准值(摘自2015年4月15日国家发改委、环保部、工信部联合发布2015年第9号公告)注:带*的指标为限定性指标。
a 表7计算结果为本表的一部分,计算方法与本表其他指标相同表3 化学机械木浆评价指标项目、权重及基准值(摘自2015年4月15日国家发改委、环保部、工信部联合发布2015年第9号公告)注1 带*的指标为限定性指标。
a APMP:碱性过氧化氢机械浆; b BCTMP:漂白化学热磨机械浆; c 表7计算结果为本表的一部分,计算方法与本表其他指标相同表4 漂白化学非木浆评价指标项目、权重及基准值(摘自2015年4月15日国家发改委、环保部、工信部联合发布2015年第9号公告)注:1、其他草浆产品指标同麦草浆指标。
2、带*的指标为限定性指标。
a COD Cr产生量不包括湿法备料洗涤产生的废水。
b 表7计算结果为本表的一部分,计算方法与本表其他指标相同表5 非半化学木浆评价指标项目、权重及基准值(摘自2015年4月15日国家发改委、环保部、工信部联合发布2015年第9号公告)注:1、带*的指标为限定性指标。
a COD Cr产生量不包括湿法备料洗涤产生的废水。
b 表7计算结果为本表的一部分,计算方法与本表其他指标相同表6 废纸浆评价指标项目、权重及基准值(摘自2015年4月15日国家发改委、环保部、工信部联合发布2015年第9号公告)注:1、带*的指标为限定性指标。
制浆造纸行业清洁生产评价指标体系1. 引言清洁生产是指在生产过程中,尽可能减少资源消耗和环境污染的生产方式。
制浆造纸行业是我国重要的基础行业,但由于其高耗能、高排放的特点,严重影响了环境质量。
因此,建立科学合理的清洁生产评价指标体系对制浆造纸行业的可持续发展至关重要。
2. 清洁生产评价指标体系的意义•促进制浆造纸行业向清洁生产转型:建立清洁生产评价指标体系可以引导企业在生产过程中节约资源、减少污染,促进行业向清洁生产转型。
•促使企业进行产业链绿色升级:通过评价指标体系,企业可以对产业链上各个环节进行评估,找出存在的问题,并进行绿色升级,提高整体环境效益。
•提高企业竞争力:通过清洁生产评价指标体系的引导,企业可以优化生产工艺,提高资源利用效率,降低成本,从而提高企业的竞争力。
3. 清洁生产评价指标体系的构成清洁生产评价指标体系主要包括以下几个方面的指标:3.1 资源利用效率指标•原材料消耗量指标:以单位产品所需原材料量来衡量,如单位纸张所需木材量。
•水资源利用效率指标:以单位产品所需水量来衡量。
•能源利用效率指标:以单位产品所需能源量来衡量。
3.2 污染物排放指标•水污染物排放指标:包括化学需氧量(COD)、生化需氧量(BOD)、悬浮物等。
•大气污染物排放指标:包括二氧化硫(SO2)、氮氧化物(NOx)、颗粒物等。
•固体废弃物排放指标:包括废纸、废水处理产生的污泥等。
3.3 环境管理指标•环境管理规范指标:包括环境管理制度建设、环境监测、事故应急等。
•环境投入型指标:包括环保设施投资、环境维护费用等。
4. 清洁生产评价指标体系的应用清洁生产评价指标体系可以应用于以下几个方面:4.1 企业自我评价企业可以通过对清洁生产评价指标体系的应用,对自身生产过程中资源利用效率和污染物排放情况进行评估,发现存在的问题,并制定相应的改进措施。
4.2 政府监管政府可以将清洁生产评价指标体系作为对制浆造纸企业监管的依据,设定相应的指标要求,对企业进行定期评估和监督。
制浆造纸行业清洁生产评价指标体系近年来,经济发展加快,高度重视资源开发及其利用,其中,制浆造纸行业是重要的制造业,它承担着重要的社会责任,但是与此同时,也会产生污染。
因此,如何从清洁生产的角度来评价制浆造纸行业的可持续发展,成为当前关注的焦点。
为此,专家们提出了一套以清洁生产为主要评价指标的制浆造纸行业清洁生产评价指标体系。
该体系全面考察了整个制浆造纸行业,将清洁生产指标从“内容”、“原则”和“指标”三个方面概括出来。
它的“内容”涵盖了制浆造纸行业的基本特征、重要节点及其对清洁生产的影响,也涵盖了清洁生产的过程和方法。
在“原则”上,该体系构建了全面可持续发展的原则,以实现制浆造纸行业的高效清洁生产,并加强行业管理。
在“指标”方面,该体系以清洁生产成本、企业社会责任实施水平、及其监测体系、环境负责指标、生态文明建设指标为主要指标体系,并建立清洁生产环节的生态影响评价系统,以衡量制浆造纸行业清洁生产发展水平。
实施这一清洁生产评价指标体系,将有助于我国制浆造纸行业提升清洁生产能力,降低污染、维护资源,实现可持续发展。
同时,这也将对制浆造纸行业的企业管理及国家监管提出新的要求,促进制浆造纸行业的清洁生产现代化,为实现“山水行政、清洁生产”的目标迈出实质性步伐。
同时,应进一步加大技术研发力度,加强环境技术创新,提高技术水平,提高洁净技术在制浆造纸行业中的应用率。
同时,要缩小资源消耗因素之间的差距,确保制浆造纸行业的可持续发展。
同时,要加强行业政策的贯彻落实,加强行业的监管,逐步形成完善的社会监督机制,从而有效控制制浆造纸行业的污染。
总之,清洁生产评价指标体系对制浆造纸行业清洁生产有着重要作用:一方面能提高清洁生产技术,另一方面也能提升社会责任意识以及行业管理水平,最终能为实现清洁生产可持续发展提供强有力的支撑。
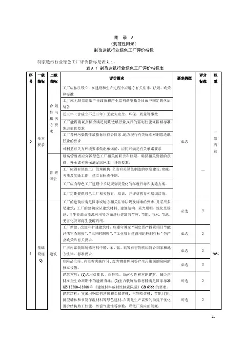
附件2制浆造纸行业清洁生产评价指标体系国家发展和改革委员会环境保护部前言............................................................................................. 3...1 适用范围1...2 规范性引用文件1...3 术语和定义2...4 评价指标体系4...5 评价方法2..3.6 指标解释与数据来源2..5.附录禁止使用的染料................................................................................................... 3 (4)、八前言为贯彻《中华人民共和国环境保护法》和《中华人民共和国清洁生产促进法》,指导和推动制浆造纸企业依法实施清洁生产,提高资源利用率,减少和避免污染物的产生,保护和改善环境,制定制浆造纸行业清洁生产评价指标体系(以下简称“指标体系”)。
本指标体系依据综合评价所得分值将清洁生产等级划分为三级,1级为国际清洁生产领先水平;n级为国内清洁生产先进水平;川级为国内清洁生产基本水平。
随着技术的不断进步和发展,本评价指标体系将适时修订。
本指标体系起草单位:中国轻工业清洁生产中心、中国环境科学研究院、中国造纸协会。
本指标体系由国家发展和改革委员会、环境保护部会同工业和信息化部联合发布。
本指标体系由国家发展和改革委员会、环境保护部会同工业和信息化部负责解释。
本指标体系自公布之日起试行。
II制浆造纸行业清洁生产评价指标体系1 适用范围本指标体系规定了制浆造纸企业清洁生产的一般要求。
本指标体系将清洁生产指标分为六类,即生产工艺及设备要求、资源和能源消耗指标、资源综合利用指标、污染物产生指标、产品特征指标和清洁生产管理指标。
本指标体系适用于制浆造纸企业的清洁生产评价工作。
本指标体系不适用本体系中未涉及的纸浆、纸及纸板的清洁生产评价。
《制浆造纸清洁生产评价指标体系》(修订版)正式发布郭逸飞;孙晓峰;宋云
【期刊名称】《中华纸业》
【年(卷),期】2015(000)009
【摘要】为贯彻落实《环境保护法》和《清洁生产促进法》,进一步形成统一、系统、规范的清洁生产技术支撑文件体系,4月15日,国家发展改革委、环境保护部、工业和信息化部联合发布《制浆造纸行业清洁生产评价指标体系》。
这是指导和推动制浆造纸企业依法实施清洁生产、提高资源利用率、减少和避免污染物产生、保护和改善环境的重要体系标准。
<br> 该标准由中国轻工业清洁生产中心、中国环境科学研究院、中国造纸协会负责起草。
<br> 为了使企业更好地理解标准、执行标准,本刊特邀参与标准起草的郭逸飞等同志对标准进行分析与解读。
【总页数】2页(P22-23)
【作者】郭逸飞;孙晓峰;宋云
【作者单位】
【正文语种】中文
【相关文献】
1.国家发展改革委发布《制浆造纸行业清洁生产评价指标体系(试行)》 [J],
2.国家发改委环资司发布关于就《造纸行业清洁生产评价指标体系》(征求意见稿)和《清洁生产评价指标体系编制通则》(征求意见稿)向社会公开征求意见的公告[J],
3.国家发改委发布制浆造纸行业清洁生产评价指标体系 [J], 文心
4.国家发展改革委发布《制浆造纸行业清洁生产评价指标体系(试行)》 [J],
5.国家发展改革委发布《制浆造纸行业清洁生产评价指标体系(试行)》 [J],
因版权原因,仅展示原文概要,查看原文内容请购买。
制浆造纸行业清洁生产评价指标体系(试行)国家发展和改革委员会发布目录前言 (1)1 制浆造纸行业清洁生产评价指标体系的适用范围 (2)2 制浆造纸行业清洁生产评价指标体系的结构 (2)3 制浆造纸行业清洁生产评价指标的评价基准值及权重值 (12)4 制浆造纸企业清洁生产评价指标的考核评分计算方法 (24)4.1 定量评价指标的考核评分计算 (24)4.2 定性评价指标的考核评分计算 (25)4.3 企业清洁生产综合评价指数的考核评分计算 (25)4.4 制浆造纸行业清洁生产企业的评定 (27)5 指标解释 (28)附录1 数据采集 (32)附录2 禁止使用的染料 (33)前言为了贯彻落实《中华人民共和国清洁生产促进法》,指导和推动制浆造纸企业依法实施清洁生产,提高资源利用率,减少和避免污染物的产生,保护和改善环境,制定制浆造纸行业清洁生产评价指标体系(试行)(以下简称“指标体系”)。
本指标体系用于评价制浆造纸企业的清洁生产水平,作为创建清洁先进生产企业的主要依据,为企业推行清洁生产提供技术指导。
本指标体系依据综合评价所得分值将企业清洁生产等级划分为两级,即代表国内先进水平的“清洁生产先进企业”,和代表国内一般水平的“清洁生产企业”。
随着技术的不断进步和发展,本指标体系每3~5年修订一次。
本指标体系由中国轻工业清洁生产技术中心起草。
本指标体系由国家发展和改革委员会负责解释。
本指标体系自公布之日起试行。
1 制浆造纸行业清洁生产评价指标体系的适用范围本评价指标体系适用于制浆造纸行业,包括木浆、非木浆、废纸浆等制浆企业;新闻纸、印刷书写纸、生活用纸、涂布纸、包装纸及纸板等造纸企业以及浆纸联合生产企业。
2 制浆造纸行业清洁生产评价指标体系的结构根据清洁生产的原则要求和指标的可度量性,本评价指标体系分为定量评价和定性要求两大部分。
定量评价指标选取了有代表性的、能反映“节能”、“降耗”、“减污”和“增效”等有关清洁生产最终目标的指标,建立评价模式。
通过对各项指标的实际达到值、评价基准值和指标的权重值进行计算和评分,综合考评企业实施清洁生产的状况和企业清洁生产程度。
定性评价指标主要根据国家有关推行清洁生产的产业发展和技术进步政策、资源环境保护政策规定以及行业发展规划选取,用于定性考核企业对有关政策法规的符合性及其清洁生产工作实施情况。
定量指标和定性指标分为一级指标和二级指标。
一级指标为普遍性、概括性的指标,二级指标为反映制浆造纸企业清洁生产各方面具有代表性的、易于评价考核的指标。
考虑到不同类型制浆造纸企业生产工序和工艺过程的不同,本评价指标体系根据不同类型企业各自的实际生产特点,对其二级指标的内容及其评价基准值、权重值的设置有一定差异,使其更具有针对性和可操作性。
不同类型制浆造纸企业定量和定性评价指标体系框架分别见图1~图9。
图1 漂白硫酸盐木(竹)浆和本色硫酸盐木浆定量评价指标体系框架34图2 机械木浆和漂白化学非木浆定量评价指标体系框架5图3 废纸浆和纸及纸制品定量评价指标体系框架图4 漂白硫酸盐木(竹)浆定性评价指标体系框架6图5 本色硫酸盐木浆定性评价指标体系框架7图6 机械木浆定性评价指标体系框架8图7 漂白化学非木浆定性评价指标体系框架图8 废纸浆定性评价指标体系框架图9 纸和纸产品定性评价指标体系框架3 制浆造纸行业清洁生产评价指标的评价基准值及权重值在定量评价指标中,各指标的评价基准值是衡量该项指标是否符合清洁生产基本要求的评价基准。
本评价指标体系确定各定量评价指标的评价基准值的依据是:凡国家或行业在有关政策、规划等文件中对该项指标已有明确要求的就执行国家要求的数值;凡国家或行业对该项指标尚无明确要求的,则选用国内重点大中型制浆造纸企业近年来清洁生产所实际达到的中上等以上水平的指标值。
因此,本定量评价指标体系的评价基准值代表了行业清洁生产的平均先进水平。
在定性评价指标体系中,衡量该项指标是否贯彻执行国家有关政策、法规的情况,按“是”或“否”两种选择来评定。
清洁生产评价指标的权重值反映了该指标在整个清洁生产评价指标体系中所占的比重。
它原则上是根据该项指标对制浆造纸企业清洁生产实际效益和水平的影响程度大小及其实施的难易程度来确定的。
不同类型制浆造纸企业清洁生产评价指标体系的各评价指标、评价基准值和权重值见表1~11。
清洁生产是一个相对概念,它将随着经济的发展和技术的更新而不断完善,达到新的更高、更先进水平,因此清洁生产评价指标及指标的基准值,也应视行业技术进步趋势进行不定期调整,其调整周期一般为3年,最长不应超过5年。
表1 漂白硫酸盐木(竹)浆定量和定性评价指标项目、权重及基准值注:1、Adt表示吨风干浆。
2、在综合能耗的计算中,煤耗不包括采暖用煤。
3、在对工艺技术的评价中,如果企业采用了本指标体系所提供的工艺技术或其他同一水平、更先进水平的工艺技术,则该企业可以获得相应的分值。
表2 本色硫酸盐木浆定量和定性评价指标项目、权重及基准值表3 机械木浆定量评价指标项目、权重及基准值表4 漂白化学非木浆定量评价指标项目、权重及基准值注:1、其他草浆产品指标同麦草浆指标。
2、常用纤维原料消耗量是指进蒸煮的原料,不包括备料损失部分。
3、COD Cr、BOD5和SS的产生量不包括湿法备料洗涤产生的废水。
表7 印刷书写纸定量评价指标项目、权重及基准值表8 生活用纸定量评价指标项目、权重及基准值表9 纸板定量评价指标项目、权重及基准值表10 涂布纸定量评价指标项目、权重及基准值表11 纸产品定性评价指标项目及权重4 制浆造纸企业清洁生产评价指标的考核评分计算方法4.1 定量评价指标的考核评分计算企业清洁生产定量评价指标的考核评分,以企业在考核年度(一般以一个生产年度为一个考核周期,并与生产年度同步)各项二级指标实际达到的数值为基础进行计算,综合得出该企业定量评价指标的考核总分值。
定量评价的二级指标从其数值情况来看,可分为两类情况:一类是该指标的数值越低(小)越符合清洁生产要求(如常用纤维原料消耗量、取水量、综合能耗、污染物产生量等指标);另一类是该指标的数值越高(大)越符合清洁生产要求(如水的循环利用率、碱回收率、固体废物综合利用率等指标)。
因此,对二级指标的考核评分,根据其类别采用不同的计算模式。
4.1.1 定量评价二级指标的单项评价指数计算对指标数值越高(大)越符合清洁生产要求的指标,其计算公式为:Si=Sxi/Soi (公式4-1)对指标数值越低(小)越符合清洁生产要求的指标,其计算公式为:Si=Soi/Sxi (公式4-2)式中:Si—第i项评价指标的单项评价指数。
如采用手工计算时,其值取小数点后两位;Sxi—第i项评价指标的实际值(考核年度实际达到值);Soi—第i项评价指标的评价基准值。
本评价指标体系各二级指标的单项评价指数的正常值一般在1.0左右,但当其实际数值远小于(或远大于)评价基准值时,计算得出的Si值就会较大,计算结果就会偏离实际,对其他评价指标的单项评价指数产生较大干扰。
为了消除这种不合理影响,应对此进行修正处理。
修正的方法是:当Si>k/m时(其中k为该类一级指标的权重值,m为该类一级指标中实际参与考核的二级指标的项目数),取该Si值为k/m。
4.1.2 定量评价考核总分值计算定量评价考核总分值的计算公式为:P1=∑=⋅niiiKS1(公式4-3)式中:P 1—定量评价考核总分值;n —参与定量评价考核的二级指标项目总数; S i —第i 项评价指标的单项评价指数; K i —第i 项评价指标的权重值。
若某项一级指标中实际参与定量评价考核的二级指标项目数少于该一级指标所含全部二级指标项目数(由于该企业没有与某二级指标相关的生产设施所造成的缺项)时,在计算中应将这类一级指标所属各二级指标的权重值均予以相应修正,修正后各相应二级指标的权重值以K i ′表示:j i i A K K •='(公式4-4)式中:A j —第j 项一级指标中,各二级指标权重值的修正系数。
A j =A 1/A 2。
A 1为第j 项一级指标的权重值;A 2为实际参与考核的属于该一级指标的各二级指标权重值之和。
如由于企业未统计该项指标值而造成缺项,则该项考核分值为零。
4.2 定性评价指标的考核评分计算定性评价指标的考核总分值的计算公式为: P 2=∑=''1n i i F (公式4-5)式中:P 2—定性评价二级指标考核总分值;F i —定性评价指标体系中第i 项二级指标的得分值; n ’ ’—参与考核的定性评价二级指标的项目总数。
4.3 企业清洁生产综合评价指数的考核评分计算为了综合考核制浆造纸企业清洁生产的总体水平,在对该企业进行定量和定性评价考核评分的基础上,将这两类指标的考核得分按不同权重(以定量评价指标为主,以定性评价指标为辅)予以综合,得出该企业的清洁生产综合评价指数和相对综合评价指数。
4.3.1 综合评价指数(P )综合评价指数是描述和评价被考核企业在考核年度内清洁生产总体水平的一项综合指标。
国内大中型制浆造纸企业之间清洁生产综合评价指数之差可以反映企业之间清洁生产水平的总体差距。
综合评价指数的计算公式为:P=0.6P1+0.4P2 (公式4-6) 式中:P —企业清洁生产的综合评价指数;P1、P2—分别为定量评价指标中各二级指标考核总分值和定性评价指标中各二级指标考核总分值。
4.3.2 浆纸联合生产企业综合评价指数(P ′)浆纸联合生产企业综合评价指数是描述和评价浆纸联合生产企业在考核年度内清洁生产总体水平的一项综合指标。
浆纸联合生产企业综合评价指数的计算公式为:P ′=541543215i i 54321I P %X P I I I I I I I I I I I i i ⨯+++++⨯⨯++++∑= (公式4-7)式中:P ′—浆纸联合生产企业综合评价指数P i —分别为浆纸联合生产企业各类纸浆制浆部分综合评价指数和造纸部分综合评价指数,其中,P 1为化学非木浆的综合评价指数,P 2为化学木浆的综合评价指数,P 3为机械浆的综合评价指数,P 4为废纸浆的综合评价指数,P 5为纸产品的综合评价指数。
注:(1) 化学木浆包括前文提到的漂白硫酸盐木(竹)浆和本色硫酸盐木浆。
(2) 如果企业同时还生产多种纸产品,可以将各种纸产品的综合评价指数按其产量进行加权平均,即可得到P 5。
I i —分别为化学非木浆(I 1)、化学木浆(I 2)、机械浆(I 3)、废纸浆(I 4)、纸产品(I 5)的污染系数。
其中:I 1=10 I 2=7 I 3=5 I 4=4 I 5=2如果该企业没有生产其中一种或几种浆,则相应的I i =0。