锅炉房设计说明书
- 格式:doc
- 大小:296.50 KB
- 文档页数:10
本设计为哈尔滨某场锅炉设计。
从锅炉房的设计原则出发,即遵守规范、安全可靠、经济合理、技术先进、保护环境。
根据课本当中的理论知识和设计所给的原始资料与实际应用相结合,仔细的完成本次课程设计。
本次锅炉房设计,因用于工厂的生产、生活和采暖,故设计的锅炉形式为蒸汽锅炉,使用燃料为Ⅲ类无烟煤,选用3台SZL4-1.25-WⅢ型锅炉以满足设计计算出的全年热负荷31800.1t/年,该设计严格按照《锅炉房设计规范GB50041-2008》,本说明书系统地阐述了锅炉房设计的基本理论和计算过程,设有水处理系统,分别对给水进行除氧、软化等工序进行设计计算,在对排污率进行计算时,采用碱和盐两种方法计算,取其最大值10.6%,还设有汽水系统、引送风系统等,同时对所用燃料进行校核计算,根据该燃料的具体成分,设计相应的燃烧、排污、出渣设备。
在设计计算之后的设备选择中,秉持经济节约的原则,在参考资料中也是选用的与计算匹配,与实际符合的设备,不留有一点浪费。
本设计说明书共分为六大章节,以图表结合的形式,使每一章的数据资料能系统、明了的展现给读者。
一.锅炉型号和台数的选择 (3)二.水处理设备的选择及计算 (6)三.汽水系统的确定及其设备选择计算 (13)四.送、引风系统的设计 (17)五.运煤除灰方法的选择 (23)六.锅炉房设备明细表 (26)参考文献 (27)小结 (28)一.锅炉型号和台数的选择1.热负荷计算热负荷计算的目的是求出锅炉房的计算热负荷、平均热负荷和全年热负荷,作为锅炉设备选择的依据。
(1)计算热负荷 锅炉房最大计算热负荷Q max 是选择锅炉房的主要依据,可根据各项原始热负荷、同时使用系数、锅炉房自耗热量和管网热损失系数由下式求得: Q max =K 0(K 1Q 1+K 2Q 2+K 3Q 3+K 4Q 4)+Q 5 t/h 式中Q 1,Q 2,Q 3,Q 4——分别为采暖、通风、生产和生活最大热负荷,t/h ,由设计资料提供;Q 5——锅炉房除氧用热,t/h ;K 1, K 2, K 3, K 4——分别为采暖、通风、生产和生活负荷同时使用系数; K 0——锅炉房自耗热量和管网热损失系数,取K 0为1.15。
课程设计课设名称:变配电所课程设计系:电气工程系专业:电气工程与智能化班级:电智061 学号:学生姓名:指导教师:职称:教授2009年6 月 4日课程设计说明书课设名称:变配电所课程设计系:电气工程系专业:电气工程与智能化班级:电智061学号:学生姓名:指导教师:职称:教授2009年6 月 4日目录第一章任务书一、工程概况 (1)二、配电系统 (1)三、照明配电概括 (1)四、动力配电概况 (1)第二章动力工程设计第一节方案的确定及动力介绍 (1)一、方案的确定 (1)二、动力介绍 (1)三、设备的选择 (2)第二节锅炉房动力计算书 (3)第三章照明工程设计第一节方案的确定 (5)第二节光源的选择 (5)第三节照明器的布置 (5)第四节照明线路 (5)一、照明线路的一般要求 (5)二、照明线路的基本形式 (6)第五节照度计算 (6)一、照度标准 (6)二、照明种类 (6)三、照度确定 (6)四、开关和插座的选择 (9)五、照明配电负荷计算表 (9)六、导线的选择 (9)七、照明器的安装 (10)第四章防雷接地工程的设计第一节防雷设计 (11)第一节接地设计 (11)参考文献 (12)设计题目:某锅炉房供配电系统设计第一章任务书一、工程概况本工程是给两台2.8MW和2.1MW的供暖锅炉锅炉房的动力,照明工程的配电。
其中,锅炉房是30×6×5米单层建筑(各房间大小如建筑底图),内放置两台常压锅炉和三台循环水泵,其中两台常压锅炉根据工艺要求各配备一台5.5kW的电动机供给鼓风机,三台循环水泵各配备一台37kW的电动机,两台盐泵各配置一台4kW的电动机。
防雷设计按三类防雷考虑。
二、配电系统1、本工程中锅炉房对电力的供应没有特殊的要求,属于三级负荷,所以按三级负荷供电。
电源采用380/220V三相四线制交流电源,中性线做重复接地,并分为N、PE(中性线)即TN-C-S 接地系统,接地电阻不大于4欧姆。
第1章绪论1.1设计概况1.1.1设计及城市说明本次课程设计为齐齐哈尔市某小区锅炉房工艺设计齐齐哈尔是中国黑龙江省第二大城市,面积约为4569平方公里,位于北纬:47°00′~47°52′,东经123°33~124°28′。
齐齐哈尔市地域平坦,平均海拔146米,东部和南部地势低洼。
齐齐哈尔市属中温带大陆性季风气候。
冬长严寒,夏秋凉爽。
年降水量415毫米,年均温3.2℃,1月均温-25.7℃,7月均温22.8℃。
历史上最高气温发生在1980年6月26日,42.1℃,最低气温发生在1956年1月8日,-39.5℃。
1.1.2设计规模该设计采暖负荷11.8MW,热网作用半径800m,建筑物最大高度为24m,其供水温度为95℃,回水温度70℃1.1.3设计深度整个设计力求设备选型准确合理、工艺流程布置顺畅、经济技术合理、燃料消耗低、初投资小。
设计的主要内容包括:供热负荷的计算;锅炉型号及台数选择;锅炉烟风系统设计及计算;运煤除渣系统的设计;热力系统的设计;锅炉房总体设计和布置等1.2原始资料1.2.1热负荷及参数1、热负荷:①采暖热负荷1Q=11.8MW;②生产热负荷2Q=0;③生活热负荷3Q=0;④通风热负荷4Q=0;2、参数:t t ℃;①供回水温度/95/70g h②热网作用半径R=800m;③建筑物最大高度H=24m;1.2.2气象资料:t=-26℃海拔=145.9m 室外计算温度wt=-10.2℃采暖天数=179天平均温度pj主导风向:NW 大气压力=100460Pa最大冻土层深度=225cm1.3设计规范及标准[1]《锅炉及锅炉房设备》[2]《工业锅炉房设计手册》[3]《锅炉房工程通用图集》[4]《锅炉房实用设计手册》[5]《实用供热空调设计手册》第2章锅炉型号及台数选择2.1热负荷计算2.1.1最大计算热负荷表2.1最大计算热负荷2.1.2锅炉房采暖期平均热负荷表2.2平均热负荷2.1.3采暖年热负荷表2.3采暖年热负荷2.1.4热负荷延续时间图表2.4热负荷延续时间表注:计算根据公式 max'n wn wQ Q t t =-图2.1热负荷延续时间图2.2锅炉型号和台数的确定2.2.1燃烧设备选择燃烧设备的选型,主要取决于燃用燃料的物理化学特性(灰分、水分、挥发分、发热量、颗粒度、灰熔点等)、锅炉的蒸发量及负荷特性、环境保护的要求等,同时也必须考虑和坚固它在制造、安装、运行、维护诸多方面的耗钢、耗煤、耗电等技术经济指标。
《锅炉与锅炉房设备》课程设计热能与动力工程系空调制冷专业目录第1章原始资料 (1)1.1 热负荷资料 (1)1.2 煤质资料 (1)1.3 水质资料 (1)1.4 气象与地质资料 (2)1.5 工作班次 (2)第2章锅炉型号和台数的选择 (3)2.1 热负荷计算 (3)2.1.1 计算热负荷 (3)2.1.2 平均热负荷 (3)2.1.3 全年热负荷 (3)2.2 锅炉台数确定原则 (4)2.3 锅炉类型的选择 (5)2.3.1 应能满足供热介质参量的要求 (5)2.3.2 应能有效地燃烧所采用的燃料 (5)2.3.3 其它 (5)第3章燃烧热平衡计算 (7)3.1 燃烧过程中烟道各处过量空气系数及各受热面的漏风系数 (7)3.2 理论、实际空气量及理论、实际烟气量计算 (7)3.3 各受热面烟道中的烟气特性 (9)3.4 烟气温焓表 (9)3.5 锅炉热平衡及燃料消耗量计算 (9)第四章炉膛热力计算及尺寸确定参考文献 (17)致谢 ................................................................................................ 错误!未定义书签。
附录 .. (52)第1章 原始资料1.1 热负荷资料表1-1热负荷资料1.2 煤质资料辽宁抚顺烟煤:ar C =55.82%,ar H =4.95 %, ar O =8.77%,ar N = 1.04 %, ar S = 0.51 %,ar A = 16.71%,ar M =12.20 %,daf V = 46.04%,ar net Q .= 22.38kJ/kg1.3 水质资料总硬度 H 0 3.6mmol/L ; 非碳酸盐硬度H BT 1.6mmol/L ; 碳酸盐硬度H T 2.0mmol/L ; 总碱度A 2.3mmol/L ; PH 值 8.4; 溶解氧 9mg/L ; 溶解固形物 426mg/L ; 夏季最低水温 20℃; 冬季最低水温 5℃; 供水压力 0.6 MPa ; 悬浮物及含油量极微,忽略不计。
锅炉设计说明书锅炉和锅炉房⼯艺课程设计设计说明书某⼚3×4t/h蒸汽锅炉房⼯艺设计起⽌⽇期:2008 年 5 ⽉26 ⽇⾄2008 年6 ⽉1 ⽇学⽣姓名某某某班级建环103学号12成绩空指导教师(签字) 空⼟⽊⼯程学院年⽉⽇⽬录1 设计概况 (1)2 原始资料................................................................................ .. (1)2.1 热负荷资料 (1)2.2 煤质资料 (1)2.3 ⽔源资料 (1)2.4 ⽓象资料 (1)2.5 其它资料 (2)3热负荷计算及锅炉选择 (2)3.1 热负荷计算 (2)3.2 锅炉型号与台数的确定 (4)4 给⽔及⽔处理设备 (4)4.1 给⽔设备的选择...................................................................... . (4)4.2⽔处理系统设计及设备选择 (5)5 汽⽔系统主要管道管径的确定 (8)5.1锅炉房最⼤的⽤⽔量及⾃来⽔总管管径的计算 (8)5.2与离⼦交换器相接的各管管径的确定 (8)5.3给⽔管管径的确定 (8)5.4蒸汽管管径的确定 (9)6分汽缸的选⽤ (9)6.1分汽缸的直径的确定 (9)6.2分汽缸筒体长度的确定 (9)7 送、引风系统的设备选择计算 (10)7.1锅炉燃料消耗量的计算 (10)7.2理论空⽓量和理论烟⽓量 (10)7.3送风机的选择计算 (10)7.4引风机的选择计算 (11)7.5烟⽓除尘设备的选择 (12)7.6烟囱设计计算 (12)8 燃料供应及灰渣清除系统 (13)8.1燃料供应系统 (13)8.2灰渣清除系统 (14)8.3煤场和灰渣场⾯积的确定 (14)9 锅炉房布置 (15)附表1 锅炉房⼈员的编制 (18)附表2锅炉房主要设备表 (18)设计⼩结 (20)参考⽂献 (21)摘要本设计为⼀某⼚的锅炉房设计,采⽤蒸汽锅炉,为⽣产、⽣活和通风⽣产饱和蒸汽。
《锅炉与锅炉房设备》课程设计热能与动力工程系空调制冷专业姓名:学号:目录第1章原始资料 (1)1.1 热负荷资料 (1)1.2 煤质资料 (1)1.3 水质资料 (1)1.4 气象与地质资料 (2)1.5 工作班次 (2)第2章锅炉型号和台数的选择 (3)2.1 热负荷计算 (3)2.1.1 计算热负荷 (3)2.1.2 平均热负荷 (3)2.1.3 全年热负荷 (3)2.2 锅炉台数确定原则 (4)2.3 锅炉类型的选择 (5)2.3.1 应能满足供热介质参量的要求 (5)2.3.2 应能有效地燃烧所采用的燃料 (5)2.3.3 其它 (5)第3章燃烧热平衡计算 (7)3.1 燃烧过程中烟道各处过量空气系数及各受热面的漏风系数 (7)3.2 理论、实际空气量及理论、实际烟气量计算 (7)3.3 各受热面烟道中的烟气特性 (8)3.4 烟气温焓表 (9)3.5 锅炉热平衡及燃料消耗量计算 (9)第四章炉膛热力计算及尺寸确定第五章对流受热面热力计算及尺寸确定第4章耗水量计算及水处理设备的选择 (11)4.1 耗水量的计算 (11)4.2 水处理方案的确定 (11)4.2.1 蒸汽锅炉对水质的要求 (11)4.2.2 水质处理方案的确定 (12)4.2.3 钠离子交换器计算 (14)4.2.4 软化水箱的体积计算及选型 (17)4.2.5 再生液制备系统及计算 (18)4.2.6 除氧方式的选择及计算 (19)4.2.7 锅炉排污计算及设备选择 (20)4.3 水泵的选择 (23)4.3.1 选择水泵时应考虑因素 (23)4.3.2 选择给水泵台数和容量的规则 (24)4.3.3 给水泵的型号 (24)4.3.4 除氧水泵的型号 (25)4.3.5 盐液泵的型号 (25)第5章送引风系统设备的选择计算 (26)5.1 送引风设计要求 (26)5.2 风烟道设计要点 (26)5.3 送风系统的设计 (27)5.3.1 送风机的风量计算及选型 (27)5.3.2 风道断面的确定 (28)5.3.3 风道阻力的计算 (28)5.4 引风系统的设计 (31)5.4.1 排烟量设计计算及引风机的选型 (31)5.4.2 烟囱的计算 (31)5.4.3 烟道布置及其断面尺寸的确定 (32)5.4.4 烟道阻力计算 (34)第6章除尘设备的选择 (37)6.1 除尘设备的选择 (37)6.2 锅炉大气污染烟尘排放量计算 (37)6.2.1 锅炉烟尘排放量和排放浓度的计算 (37)6.2.2 锅炉二氧化硫排放量的计算 (38)第7章运煤除渣系统的设计 (40)7.1 运煤系统重要性 (40)7.2 运煤系统的设计计算 (40)7.2.1 锅炉房年耗煤量 (40)7.2.2 锅炉房小时最大耗煤量 (40)7.2.3 锅炉房最冷月昼夜耗煤量 (40)7.2.4 锅炉房最冷月耗煤量 (41)7.3 运煤系统的选择 (41)7.3.1 埋刮板输送机的选择 (41)7.3.2 炉前储煤斗体积 (42)7.3.3 煤场面积的计算 (42)7.3.4 运煤系统附属设备的选择 (43)7.4 除渣系统的设计计算 (44)7.4.1 灰渣总量计算 (44)7.4.2 灰渣场面积 (45)7.4.3 灰渣斗体积计算 (45)第8章热工测量与自动控制 (46)8.1 热工检测 (46)8.2 热工控制 (47)第9章锅炉房的工艺布置说明 (49)9.1 锅炉房建筑 (49)9.1.1 锅炉房建筑的组成 (49)9.1.2 锅炉房建筑的布置形式 (49)9.2 锅炉房设备布置 (49)参考文献 (50)致谢 (51)附录 (52)第1章 原始资料1.1 热负荷资料表1-1热负荷资料1.2 煤质资料阳泉烟煤:ar C = %,ar H = %, ar O = %,ar N = %, ar S = %,ar A = %,ar M = %,daf V = %,ar net Q .= kJ/kg1.3 水质资料总硬度 H 0 3.6mmol/L ;非碳酸盐硬度H BT 1.6mmol/L ;碳酸盐硬度H T 2.0mmol/L ;总碱度A 2.3mmol/L ;PH 值 8.4;溶解氧 9mg/L ;溶解固形物 426mg/L ;夏季最低水温 20℃;冬季最低水温 5℃;供水压力 0.6 MPa ;悬浮物及含油量极微,忽略不计。
前言随着生产的发展,锅炉房设备日益广泛的运用于现代化工业建设的各个部分,成为发展国民经济的重要热工设备之一。
从量大面广这个角度来看,除电力以外的各个行业中运行的主要是中小型锅炉,但目前能源的增长大大落后于生产的增长。
面对这些锅炉,如何发掘潜力提高他的热效率,有着极为重要的实际意义。
此外,使锅炉能因地制宜的有效使用地方燃料,并未满足环境的要求而努力解决烟尘问题,以及在提高经济效益的同时减轻工作强度,保证锅炉额定压力及运行效率,安全可靠的运行锅炉也是需要进一步研究的课题。
毕业设计是对毕业生大学四年所学知识的一次系统检测,同时也是对学生综合能力的一次系统提升。
通过毕业设计,可以培养学生独立思考、解决工程实际问题的能力。
通过本设计,学生可以基本掌握空调系统设计的基本流程,对以后参与工程建设及设计有很大的帮助.本次锅炉房的毕业设计是石家庄筑路机械厂锅炉房工艺设计,该锅炉是新建锅炉房.本设计给出了锅炉房设计的全部过程,包括锅炉设备的选型、水处理系统、运煤系统、除渣系统、除尘系统等的设计。
在设计过程中,本人多方查找锅炉房的资料,征求老师和同学们的意见,力求设计符合规范,达到老师给定的设计要求。
设计过程中遇到了许多以前课程设计中从未遇到过的工程实际问题,对本人来说是一次不小的考验,但同时也在解决这些问题的过程中慢慢的提高自己的知识运用能力,具备了一些基本的设计能力,使我受益匪浅.设计过程中,本人不但专业综合素质得到提高,而且提高了许多办公软件的熟练度,如Excel,Word。
特别是CAD制图,本人已能熟练运用。
本次设计得到了田安民老师的悉心指导及教研室其他老师的教诲,在此特向诸位老师表示衷心的感谢,同时也感谢同组人员的帮助与协作.由于本人所学知识有限、经验不足,设计中的错误及不合理之处在所难免,敬请各位老师批评指正。
概述1.设计题目石家庄筑路机械厂锅炉房工艺设计2.设计任务本题目设计任务是为该厂新建锅炉房的工艺设计,同时考虑扩建的要求,使新建锅炉房既能满足工程结束后,该厂生产、生活及供暖通风对用热的需要,又要使扩建时顺利进行且不影响已装锅炉的正常运行,同时还要使新建和扩建工程总投资费用最经济。
锅炉房设计及施工说明锅炉房设计及施工说明1、设计说明本说明编制时,所示标准版本均为有效版本,所有标准均有修订的可能性,使用标准的各方应注意引用最新版本。
1.1 设计依据(1)×××单位与我公司签订的工程设计合同,合同号:(2)根据×××单位编制的×××工程的初步设计。
(3)关于×××工程初步设计批文及附件,批文号:(4)设计规范《锅炉房设计规范》GB50041-2008《蒸汽锅炉安全技术监察规程》劳部发[1996]276号文《热水锅炉安全技术监察规程》劳部发[1997]74号文《工业金属管道设计规范》GB50316-2000(2008版)《压力管道规范--工业管道》GB/T20801. 1~3-2006《工业设备及管道绝热工程设计规范》GB50264-1997(5)业主提供设备及配套辅机订货资料及有关参数锅炉型号:台数:生产厂家:额定蒸发量:t/h额定蒸汽温度:℃额定蒸汽压力:MPa(G)锅炉给水温度:℃1.2 设计规模及设计范围1.2.1设计规模______t/h燃×的蒸汽锅炉共_____台(其中_____台备用),总容量:______t/h;______MW(______kcal/h)燃×的热水锅炉共______台(其中_____台备用),总容量_______MW(______kcal/h)。
1.2.2 设计范围(1)锅炉房范围内的设计布置及安装设计。
(2)锅炉房范围内汽水管道设计。
(3)风、烟管道制作与安装设计。
(4)锅炉房的化学水处理及锅炉给水除氧系统设计。
(5)锅炉消烟、除尘、脱硫系统设计。
(6)锅炉上煤、出渣系统设计。
(7)锅炉燃气供应系统设计。
(8)热力设备和管道的保温和防腐(油漆)设计。
1.3 设计要求设计范围内各子项的设备和管道的布置和安装等全部内容,应严格按图纸和规范要求施工,对部分小型设备,小口径管道及其他要求,图中未详尽的,按如下要求施工。
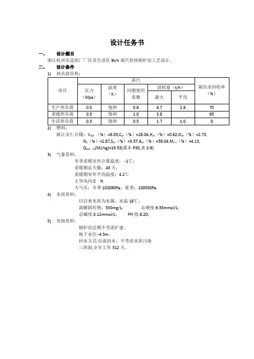
设计任务书一、设计题目浙江杭州市造纸厂厂区及生活区9t/h蒸汽供热锅炉房工艺设计。
二、设计条件2)燃料:浙江安仁石煤:V daf (%)=8.05,C ar(%)=28.04,H ar(%)=0.62,O ar(%)=2.73,N a(%)=2.87,S ar(%)=3.57,A ar(%)=58.04,M a r(%)=4.13,Q net,ar(MJ/kg)=19.53(课本P30,表2-6)3)气象资料:冬季采暖室外计算温度: -1℃;采暖期总天数:43天;采暖期室外平均温度:4.2℃主导风向:C N大气压:冬季102090Pa;夏季:100050Pa.4)水质资料:以自来水质为水源,水温18℃。
溶解固形物:550mg/L; 总硬度:6.35mmol/L;总碱度:3.12mmol/L; PH值:8.20;5)其他资料:锅炉房近期不考虑扩建。
地下水位:-4.5m。
回水方式:自流回水,不考虑水质污染三班制,全年工作312天。
设计说明书1. 热负荷计算1) 最大计算热负荷采暖季:Q max =K 0(K 1Q 1+K 2Q 2+K 3Q 3+K 4Q 4)+Q 5 (t/h ) 1.15×(1.0×3.8+0+0.6×4.70+0.5×1.70)+0=8.591(t/h )式中Q 1 、Q 2 、Q 3 、Q 4——分别为采暖、通风、生产和生活最大热负荷,由设计资料提供,其中Q 2=0;Q 5——锅炉房除氧用热负荷,此处Q 5=0;K 1、K 2 、K 3 、K 4——分别为采暖、通风、生产和生活负荷同时使用系数; K 0——锅炉房自耗热量和管网热损失系数,取1.1。
非采暖季:Q max =K 0(K 2Q 2+K 3Q 3+K 4Q 4)+Q 5 (t/h ) 1.1×(0+0.6×4.70+0.5×1.70)+0=4.221(t/h ) 2)平均热负荷采暖通风平均热负荷: pji Q =n pj i n wt t Q t t --(t/h )式中Q i ——采暖最大热负荷,t/h ;t n ——采暖房间室内计算温度,取20℃; t w ——采暖期采暖室外计算温度,℃; t pj ——采暖期室外平均温度,℃。
锅炉房和锅炉房工艺课程设计题目:锅炉房设计班级:姓名:学号:指导教师:二零一六年七月摘要本设计为兰州市某工业园区锅炉房工艺设计。
在文中系统详细地解释了该锅炉房设计的原理和设计所依数据,并给出了合理的设备选型依据和主要设备的型号。
根据建筑设计节能要求,计算出最大热负荷为39.2t/h。
本设计选用台SHF20-2.45/400-H型锅炉。
单台锅炉额定容量为20t,工作压力为2.45MPa。
本锅炉房原水硬度和含氧量不符合锅炉给水要求,需要进行软化和除氧处理。
根据补给水的流量,本设计选用一台的固定床逆流再生钠离子交换器,选用S0405-0-0热力除氧器各一台。
最后通过计算确定管段的尺寸及水泵和风机型号。
关键词:燃煤蒸汽锅炉;水处理引言锅炉对人民的生活生产扮演着极其重要的角色,无论是居民的冬季供暖,家庭及旅馆,体育馆,健身中心等建筑物内的生活热水,还是工厂内为生产提供动力及热量,都需要锅炉来提供热量。
随着社会的飞速发展,锅炉设备以广泛应用于现代工业的各个部门,成为发展国民经济的重要供热设备之一。
随着城市建设和保护环境的需要,尽管燃油,燃气的锅炉日益增多,但由于我国以煤为主的能源结构,锅炉燃料还是以煤为主,燃煤锅炉约占80%。
它们的热效率普遍较低,而且排放的大量烟尘和有害气体,严重污染了环境,需要节能减排的潜力巨大。
因此,我们当前面临的是节能和环保两大课题。
能源是国家经济的命脉,国民经济的基础,与经济和环境的可持续发展有着息息相关的联系。
节约能源,降低污染对国民的身心健康负责,是当下政府所必需做的。
加强新燃烧技术和新炉型的开发投入我国在洁净煤燃烧的研究和开发上已经取得了一些成果。
根据目前我国燃料的使用程度,煤的使用仍然占大部分,燃油燃气锅炉虽然发展很快,但由于其建设的经济条件、设计经验相对来说比较不成熟,再者其所用燃料的输送问题很难解决及成本价格太高,故燃煤锅炉仍是将来的主流趋势。
燃煤锅炉房初投资小,经济实用性强,做燃煤锅炉房的设计具有现实意义。
锅炉房设计说明书原始资料1.锅炉的热负荷为12MW,供回水温度为95/70℃2.燃气成分:CH4 98%、C3H6 0。
4%、C3H8 0.3%、C3H10 0。
3%、N21。
0%。
标准状态下的*度为ρ气=0.7435Kg/m 3,标准状态下的低位发热量Q低=36533KJ/m3。
3.水质资料总硬度H0:460mg/L(以CaCO3计)PH值:7.56一. 热负荷、锅炉类型及台数的确定1.热负荷的计算(1)最大计算热负荷Qmax = K0 K1Q0式中K0——热水管网的热损失系数,取值为1。
08K1-—采暖热负荷同时使用系数,取用1Q0——采暖最大热负荷,12MW则Qmax=1.08×1×12MW=12。
96MW2.锅炉类型及台数的确定因为热媒为水,供水温度为95℃,回水温度为70℃,经计算最大热负荷为12。
96MW,本设计决定选用扬州斯大燃气锅炉有限公司生产的卧式燃气热水锅炉两台,型号为WNS7。
0-1。
0—95/70-Q,单台锅炉的额定热功率7MW,工作压力1。
0MPa,供回水温度分别为95℃和70℃。
无需备用锅炉,所选锅炉的具体参数如下:GH 长度MWNS7.0-1.0—95/70-Q15001500 120 2145 750 5400 其排烟温度为160度,NOX排放量低于400mg/m3。
二.给水和热力系统设计1.水处理方案的确定(1)热水锅炉对给水的水质要求锅横截面锅炉纵截面根据《低压锅炉水质标准》规定,对于温度不大于95度的热水锅炉,补给水和循环水的水质要求如下表所示:项目补给水循环水悬浮物mg./L 总硬度me/L PH值(25℃) 溶解氧mg/L≤5≤0.6≥7≤0。
18.5~10≤0.1(2)水质处理方案的确定本锅炉房原水的硬度超过给水水质标准,故需进行软化处理。
由于热水锅炉不存在水的蒸发,水中盐类浓度不会增加,碱度也不会提高,而且保持一定的碱度还可以对金属壁起到一定的保护作用。
三台SHL2.1-0.7/95/70-H热水锅炉房工艺设计一、原始资料1.热负荷资料:采暖最大热负荷5MW,供回水温度95/70℃。
2.煤质资料:山东龙口褐煤煤的成分组成:挥发分Vdaf(%):49.53%,碳Car(%):36.50%,氢Har(%):3.03%,氧Oar(%):10.40%,氮Nar(%):0.95%,硫Sar(%):0.69%,灰分Aar(%):28.40%,水分Mar(%):20.03%,,低位发热量Qnet.ar=13.44MJ/kg。
3.水质资料:自来水为水源,水温10℃。
由于1mmol/L=2Me/L(毫克当量/升),所以原水总硬度为3.4毫克当量/升。
4.气象及地质资料:地区:徐州(D10)主导风向:ENE室外计算温度:-6℃采暖期室外平均温度:0.9℃采暖天数:92天最大冻土深度:24m海拔高度:41.00m冬季大气压:102510Pa二、锅炉类型及台数选择1.热负荷计算2.锅炉型号及台数选择根据采暖的要求,供水温度为95℃,回水温度文70℃,因此,选用热水锅炉,向外网直接提供95℃~70℃热水。
由于本本锅炉房为采暖锅炉房,采暖期为92天,热负荷较稳定,总热负荷为6MW,不设置备用锅炉,同时,考虑到锅炉容量越大,效率相对较高。
因此,选用三台SZL2.1—0.7/95/70-AII型锅炉。
参数如下:三、鼓、引风系统设备选择锅炉采用机械送风和引风,即平衡通风,炉膛出口保持20-40kPa的真空度。
阻力计算包括空气吸入口到炉膛的空气阻力和送风系统设计和炉膛到烟囱出口的烟气阻力两大部分。
其中锅炉本体的烟风阻力由锅炉厂气体动力计算提供;除尘器阻力由产品样本提供。
本设计所进行的仅是风、烟道和烟囱的阻力计算。
1、过量空气系数及漏风系数根据锅炉教材,烟道中各处烟道各处过量空气系数及各受热面的漏风系数取值为:2、空气量及烟气量计算过量空气系数取1.6。
3、烟气及耗煤量计算4、除尘器的选择根据锅炉的处理烟气量V cc =7776.7m 3/h选用弗兰德DMC(B)袋式除尘器一台,其处理烟气量为8150m 3/h ,阻力<1200Pa,其进口浓度为200g/Nm ,出口浓度≤30mg/Nm,取30mg/Nm ,则除尘效率为%985.99%10020003.0-200=⨯。
锅炉房及设备设计说明书学院:姓名:班级:学号:设计说明160000㎡的住宅小区,热指标45W/㎡,市政管网水压0.25Mpa,热水95℃/70℃1.热负荷计算采暖最大热负荷为:Q=q*F=45*160000=7.2MW锅炉房自耗热能量包括锅炉房的采暖、浴室、锅炉吹灰、设备散热、介质漏失和热力除氧器的排气损失等。
这部分能量约占输出负荷的2%——3%,启动水泵的耗能大,但正常运行时使用电动给水泵。
热网的热损失包括散热和介质漏失,与输送介质的种类、热网的敷设方式、保温完善程度和管理水平有关,一般为输送负荷的10%-15%。
最大计算热负荷:Q max = K0 *K1*Q0式中K0——热水管网的热损失系数,取值为1.10K1——采暖热负荷同时使用系数,取用1Q0——采暖最大热负荷,则Q max=1.10×1×7.2MW=7.92MW2.锅炉类型及台数的确定锅炉型号和台数根据锅炉房热负荷、介质、参数和燃料种类等因素选择,并应考虑技术经济方面的合理性,使锅炉房在冬夏季均能达到经济可靠运行。
根据计算热负荷的大小和燃料特性决定锅炉型号,并考虑负荷变化和锅炉房发展的需要。
选用锅炉的总容量必须满足计算负荷的要求,以保证用气的需要。
但也不应使锅炉的总容量超过计算负荷太多而造成浪费。
锅炉的容量还应适应锅炉房负荷变化的需要,特别是某些季节性锅炉房,要力免锅炉长期在低负荷下运行。
因为热媒为水,供水温度为95℃,回水温度为70℃,经计算最大热负荷为7.92MW 。
选用2台热功率为4.2MW ,的卧式燃气热水锅炉,即WNS4.2-1.0-95/70-Q 型锅炉,锅炉房总额定功为12.6MW ,热水供回水温度为95℃/70℃WNS4.2-1.0-95/70-Q 型热水锅炉的技术参数:型号:WNS4.2-1.0-95/70-Q额定热功率:4.2MW额定出水压力:1.0Mpa供回水温度:95℃/70℃锅炉燃料:天然气燃料耗量:450m ³/h3.锅炉循环水量的计算t c kQ6.3G △ t/h 式中 Q —锅炉额定热负荷,kWk —官网散热损失系数,取1.05c —官网热水的平均比热容,kJ/(kg ·℃)t △--热水供回水温差,℃锅炉房循环水量为t c kQ 6.3G △== )(7095*41874200*1.05*3.6-=151.7t/h4.循环水泵扬程的计算H ≥H1+H2+H3式中H1-----锅炉房阻力损失,取100 kPaH2---------供回水官网阻力损失,由计算得120kPaH3-----最不利用户内部阻力损失,取50 kPaH ≥H1+H2+H3=100+120+50=270 kPa5.循环水泵的选择为控制方便,以一台锅炉配一台泵的形式,故选择4台立式循环水泵,其中一台备用。
大气污染控制工程课程设计任务书题目:某燃煤采暖锅炉房烟气除尘系统设计学院部:专业班级:学生姓名:指导教师:2012年月日大气污染控制工程课程设计任务书颗粒物污染控制一、 题目某燃煤采暖锅炉房烟气除尘系统设计 二、 目的通过课程设计进一步消化和巩固本课程所学内容,并使所学的知识系统化,培养运用所学理论知识进行净化系统设计的初步能力;通过设计,了解工程设计的内容、方法及步骤,培养学生确定大气污染控制系统的设计方案、进行设计计算、绘制工程图、使用技术资料、编写设计说明书的能力; 三、 设计原始资料锅炉型号:SZL4-13型,共4台×4 排烟温度:160 ℃烟气密度标准状态下:1.34kg/m 3 空气过剩系数:α=排烟中飞灰占煤中不可燃成份的比例:16% 烟气在锅炉出口前阻力:800Pa 当地大气压力:冬季室外空气温度:-1℃空气含水标准状态下:按0.01293kg/m 3烟气其他性质按空气计算 煤的工业分析值: 设计耗煤量:500kg/h 台C ar =% H ar =% S ar =% O ar =5% N ar =% W ar =% A ar =% V ar =%按锅炉大气污染物标准GB13271-2001中二类区标准执行; 烟尘浓度排放标准标准状态下:200mg/m 3 二氧化硫排放标准标准状态下:900mg/m 3净化系统布置场地如图1所示的锅炉房北侧15m 以内;四、设计内容和要求1、燃煤锅炉排烟量及烟尘和二氧化硫浓度的计算;2、净化系统设计方案的分析确定;3、除尘器的比较和选择:确定除尘器类型、型号及规格,并确定其主要运行参数;4、管网布置及计算:确定各装置的位置及管道布置,并计算各管段的管径、长度、烟囱高度和出口内径以及系统总阻力;5、风机及电机的选择设计:根据净化系统所处理烟气量、烟气温度、系统总阻力等计算选择风机种类、型号机电动机的种类、型号和功率;编写设计说明书:设计说明书按设计程序编写,包括方案的确定、设计计算、设备选择和有关设计的简图等内容;课程设计说明书应有封面、目录、前言、正文、小结及参考文献等部分,文字应简明、顺畅、内容正确完整,书写工整、装订成册;6、图纸要求(1)除尘系统图一张2号图;系统图应标出设备、管件编号,并附明细表; (2)除尘系统平面、剖面布置图各1张2号或3号图,如图1和图2;布置图应按比例绘制,图中设备、管件应标注编号,编号应与系统图对应;在平面布置图中应有方位标志指北针;图1 锅炉房平面布置图图2 A-A剖面图五、主要参考书目1童志权主编. 大气污染控制工程. 北京:机械工业出版社,20062同济大学等编. 锅炉及锅炉房设备. 北京:中国建筑工业出版社,19863航天部第七设计院编. 工业锅炉房设计手册. 北京:中国建筑工业出版社,19864陆耀庆主编. 供暖通风设计手册. 北京:中国建筑工业出版社,19875风机样本. 各类风机生产厂家6工业锅炉旋风除尘器指南,1984课程设计成绩评定表目录…………………………………………………………….9前言按照国际标准化组织ISO作出的定义,“空气污染:通常系指由于人类活动和自然过程引起某些物质介入大气中,呈现出足够的浓度,达到了足够的时间,并因此而危害了人体的舒适、健康和福利或危害了环境;”大气污染物的种类非常多,根据其存在状态,可将其概括为两大类:气镕胶状态污染物和气体状态污染物;随着工业的发展,能源的消耗量逐步上升,大气的污染物的排放量相应增加;就现在我国的经济和技术发展水平级能源的结构来看,一煤炭为主要能源的状况在人的生存每时每刻都离不开空气,大气质量与人类生存环境息息相关,所以对大气的修复比较困难;虽然人们在大气环境整治方面坐了大量的工作,但目前的空气质量仍然不尽人意,因此防止污染、改善空气环境成为当今迫切的环境任务;燃煤锅炉排放的二氧化硫严重地污染了我们赖以生存的环境;我国的大气是以煤烟型污染为主,其中尘与酸雨危害最大;因此,净化燃煤烟气中的粉尘和二氧化硫是我过改善大气空气质量、减少酸雨的关键问题;粉尘的危害:粉尘的危害,不仅取决于它的暴露浓度,还在很大程度上取决于它的组成成分、,理化性质、粒径和生物活性等;粉尘的成分和理化性质是对人体危害的主要因素;有毒的金属粉尘和非金属粉尘铬、锰、镐、铅、汞、砷等进入人体后,会引起中毒以至死亡;无毒性粉尘对人体亦有危害;例如含有游离二氧化硅的粉尘吸,入人体后,在肺内沉积,能引起纤维性病变,使肺组织际渐硬化,严重损害呼吸功能,发生“矽肺”病;二氧化硫的危害:二氧化硫为一种无色的中等强度刺激性气体;在低浓皮下,二氧化硫主要影响是造成呼吸道管腔缩小,最初呼吸加快,每次呼吸曼减少;浓度较高时,喉头感觉异常,并出现咳嗽、喷嚏、咯痰、声哑、胸痛、呼吸困难、呼吸道红肿等症状,造成支气管炎、哮喘病,严重的可以引起肺气肿,甚至致人于死亡;大气控制的综合措施主要包括:严格的环境管理;以环境规划为中心,实行综合防治;制大气污染的技术政策;控制环境污染的经济政策;高烟囱扩散;绿化造林;安装废气净化装置;加强环境科学研究,检测和教育;第1章烟气量、烟尘和二氧化硫浓度的计算煤燃烧的假设:1煤中固定氧可用于燃烧; 2煤中硫主要被氧化成二氧化硫; 3不考虑氮氧化物的生产; 4煤中的氮在燃烧时转化为氮气;标准状态下理论空气量=kg m /3标准状态下理论烟气量=kg m /3标准状态下实际烟气量由设计原始资料可知,设计耗煤量为500 kg/h 台 所以,标准状态下的排烟量为设计耗煤量⨯=f V Q 即7.436650073.8Q =⨯=(台)h /m 3标准状态下烟气含尘浓度式中 sh d —排灰中飞灰占煤中不可燃成分的质量分数; ar A —煤中不可燃成分的含量; f V —标准状态下实际烟气量,kg m /3;标准状态下烟气中二氧化硫浓度的计算第2章 除尘器的选择除尘效率式中 C —标准状态下烟气含尘浓度,3/m mg ;S C —标准状态下锅炉烟尘排放标准中规定值,3/m mg ;除尘器的选择工况下烟气量 TT Q Q '=')/(3h m 式中 Q —标准状态下的烟气流量,h m /3;T '—工况下烟气温度,K ; T —标准状态下温度,273K;根据η、Q 查手册后选用XP-800型旁路式旋风除尘器,;该除尘器主要适用于清除非粘固灰尘、煤炭、泥沙、烟尘及其它粉尘等;其性能和尺寸分别见表2-1、2-2;表 2-1 XP-800旁路式除尘器性能表2-2 XP-800旁路式旋风除尘器的尺寸图3-1 XP 型旁路式旋风除尘器第3章 确定除尘器、风机和烟囱的位置及管道的布置各装置及管道布置的原则根据锅炉运行情况和锅炉房现场实际情况确定各装置的位置;一旦确定了各装置的位置,管道的布置也就基本可以确定了;对各装置及管道的布置应力求简单,紧凑,管路短,占地面积小,并使安装、操作和检修方便;管径的确定式中 Q —工况下管道内的烟气流量,s m /3;v —烟气流速,m/s 对于锅炉烟尘v =10-15 m/s;取v =12 m/s,d 12924.14⨯⨯=π=圆取整d=450mm查管径手册相关参数,取标准d=450 mm,管道参数见下表3-1表 3-1 管道参数内径=1d =450-2×= mm 由公式vQd π4=可计算出实际烟气流速 式中 Q ——工况下管内烟气流量,m 3/s ;v ——烟气流速,m/s 可查有关手册确定,对于锅炉烟尘v=10~15 m/s;管径计算出来后,要进行圆整查手册,再用圆整后的管径计算出实际烟气流速;实际烟气流速要符合要求;烟道的设计计算烟道采用拱形,图形如下图3-2所示:由系统图可以看出,烟道流过的最大烟气量是锅炉烟气量的2倍,再加上烟气系统的漏风率,则烟道内最大烟气流量为:查表可知,砖制烟道的最适合烟速是6-8 m/s,初定烟速为7 m/s,则烟道面积为 15237.068/0.60536007A Q V ===⨯烟烟而 22()0.60522BA B π=+=则 B=659 mm 圆整取 B= 650mm 则 A=2m 校正气速 15237.0687.19836000.588v ==⨯s m /,在范围内;第4章 烟囱的设计烟囱高度的确定首先确定共用一个烟囱的所有锅炉的总的蒸发量 t/h,然后根据锅炉大气污染物排放标准中的规定表4-1,确定烟囱的高度;表4-1 锅炉烟囱的高度锅炉总额出力:4×4=16 t/h 故选定烟囱的高度为40m;烟囱直径的计算烟囱出口内径可按下式计算:式中 Q —通过烟囱的总烟气量,h m /3;ω—按表4-2选取的烟囱出口烟气流速,m/s;表4-2烟囱出口烟气流速/m/s选定ω=4 m/s则20.0188 1.64d ==m圆整取2 1.6d =m 烟囱底部直径式中 2d —烟囱出口直径,m ; H —烟囱高度,m ;i —烟囱锥度通常取i =~;取i =,则1d = + 2××40= m烟囱的抽力B t t H S pk y ⋅+-+=)27312731(0342.0 Pa3110.034240()97.8610183.002731273160=⨯⨯-⋅⨯=-+ Pa式中 H —烟囱高度,m ;k t —外界空气温度,℃; p t —烟囱内烟气平均温度,℃;B —当地大气压,Pa;第5章 系统阻力的计算摩擦压力损失对于圆管22v d L P L ρλ⋅=∆ Pa式中 L —管道长度,m ;d —管道直径,m ;ρ—烟气密度,3/m kg ;v —管中气流平均速率,m/s ;λ—摩擦阻力系数,式气体雷诺数Re 和管道相对粗糙度dK的函数;可以查手册得到实际对金属管道λ可取,对砖砌或混凝土管道λ可取; a .对于φ450圆管L=b .对于砖砌拱形烟道式中,L 为四个锅炉出口最远距离的一半,为 m ; λ为;S R 为截面积与润湿周边的比,即周边又04.0=λ,7.198v =,代入上式:得 20.040.847.1989.910.8840.1982L p ⨯∆=⨯⋅=⨯ Pa 局部阻力损失式中 ζ—异形管件的局部阻力系数,可在相关手册中查到,或通过实验获得;v —与ζ相对应的断面平均气流速率,m/s ; ρ—烟气密度,3/m kg ; 两个渐缩管,查表,取α=45°,则ζ= 四个90°弯头,查表,取ζ=四个弯头,则414.3457.37P ∆=⨯=)(Pa 一个渐扩管,2210.40.5651.430.44853.144F F ⨯==⨯查表,取α=30°,得ζ= e 为渐缩管,查表,取α=45°,则ζ= 烟道中的T 形三通如图5-1所示:图5-1 T 形三通管查表,得ζ=烟道的T 形三通合流管如图5-2所示:5-2 T 形合流三通查表,得ζ=总的阻力损失其中锅炉出口前阻力为800 Pa,除尘器阻力为800 Pa则11.6010.8812.4757.37 4.37 6.2448.6434.30800800P ∆=+++++++++∑图5-3 除尘器入口管道示意图 图5-4 除尘器出口至风机入口段管道示意图第6章 系统中烟气温度的变化烟气在管道中的温度降VC Q Fq t ⋅⋅=∆1℃ 式中 Q —标准状态下烟气流量,h m /3; F —管道散热面积,2m ;V C —标准状态下烟气平均比热容一般为~⋅3/m kJ ℃; q —管道单位面积散热损失,)/(3h m kJ ⋅;室内 1q =4187)/(3h m kJ ⋅; 室外 2q =5433)/(3h m kJ ⋅; 室内管道长: 室外管道长: 则112214187 2.09543315.57=16.121.3264366.7 1.326q F q F t Q +⨯+⨯∆==⋅⨯℃烟气在烟囱中的温度降DA H t ⋅=∆2℃式中 H —烟囱高度,mD —合用同一烟囱的所有锅炉额定蒸发量之和,t/h A —温降系数,可由表5-1查得;表5-1 烟囱温降系数4164.0402=⨯=∆t ℃总温度降:1216.12420.12t t t ∆=∆+∆=+=℃第7章 风机和电动机选择及计算标准状态下风机风量的计算式中 —风量备用系数;Q —标准状态下风机前风量,h m /3;p t —风机前烟气温度,℃,若管道不长,可以近似取锅炉排烟温度; B —当地大气压力,kPa;风机风压的计算式中 —风压备用系数;∑∆h —系统总阻力,Pa ;y S —烟囱抽力,Pa ;y ρ—标准状态下烟气密度,γ =3/m kg ;电动机功率的计算式中 y Q —风机风量,h m /3;y H —风机风压,Pa ;1η—风机在全压头时的效率一般风机为;2η—机械传动效率,用V 形带传动时2η=; β—电动机备用系数,对引风机,β=;风机和电机的选择根据风量y Q =h m /3,y H =Pa ,查表后选择型引风机,配对电机型号为Y132S2-2B3,具体参数如下表所示:表7-1 所选风机及型号参数第八章小结通过这次的课程设计,我理论实践能力得到了很大的提高,我受益良多;这次的课程设计得以完成当然,我首先得感谢王老师,能为我们选择合适的设计题目,让我们在掌握所学的知识的基础上能比较轻松的完成任务又能达到巩固学习知识的目的,同时在课程设计上给我的指导,以及给我提供了这么多有用的资料,使设计能顺利进行;其次,我要感想我们小组的成员们,在我们的思考与讨论下,我们才得以知道该怎么去做,该怎么去选才能是我们设计的东西更好;通过这次的课程设计,我再一次巩固了我所学在课堂上学的大气污染控制工程课程的理论知识,并对它们的应用有了进一步的了解;同时,应为我选择了用打印的设计说明书,从而使自己的文字编排能有了一定的提高;我在书写的同时尝试用CAD去绘画其中图片,因为我们还没有学习这门课,所以是慢慢摸索,从不懂到略微懂,虽然我花了不少时间在上面,但从图片的效果来看,还是很不错的,做完之后真的很有成就感;在这次的课程设计过程中,我认识到了自己专业知识的不足,做事态度和能力的欠缺等诸多缺点,我以后一定会加倍努力,勤奋学习;总之这次的课程设计让我受益良多;最后,我要再一次感谢所有在课程设计中帮助过我的老师和同学们;第九章参考文献1 童志权主编. 大气污染控制工程. 北京:机械工业出版社,20062 同济大学等编. 锅炉及锅炉房设备. 北京:中国建筑工业出版社,19863 鹿政理等编环保设备设计手册--2大气污染控制设备. 北京:化学工业出版社,4 刘天齐,黄小林,邢连壁,耿其博. 三废处理工业手册废气卷. 北京:化学工业出版社,1998.5 动力手册编写组. 工业锅炉房设备手册;北京:国防工业出版社,1975.6 风机样本. 各类风机生产厂家7 工业锅炉旋风除尘器指南,1984。
福建工程学院《锅炉房》课程设计计算说明书题目燃气热水锅炉房工艺设计系别:环境与设备工程系专业:建筑环境与设备工程班级:建环 1004 学号: 3100901413 学生:蔡信隆指导老师:李祎彧、吴婧日期: 2013年 11月1设计原始资料 (2)1.1设计概况 (2)2 锅炉房容量及锅炉的选择 (3)2.1锅炉房容量的确定 (3)2.2锅炉型号和台数的选择 (3)2.3 热负荷计算及锅炉机组的选择 (3)3 给水及水处理设备的选择 (4)3.1锅炉循环水量的计算 (5)3.2循环水泵扬程的计算 (5)3.3循环水泵的选择 (6)4 定压机水处理设备的选择 (6)4.1 膨胀容积计算 (7)4.2定压装置及补水泵的选择 (7)4.3软化水箱设备及软化水箱的选择 (8)4.4其他 (8)1设计原始资料1.1设计概况设计作为一燃用天然气的热水锅炉房,主要为联合厂房采暖及生活沐浴提供所需的热能。
锅炉房位于厂区东面的公用动力站房内,毗邻有空压站。
根据规划,近期锅炉房内先安装三台WNS4.2-1.0-95/70-Q型燃气热水锅炉,锅炉房总额定功率为12.6MW,热水供、回水温度为95℃和70℃。
锅炉燃料为天然气。
1.2原始资料1.2.1 热负荷=6000KW 供、回水温度:95℃/75℃;采暖用热 Q1=11160KW 供、回水温度:95℃/75℃生活用热 Q21.2.2 燃料资料燃料为东海天然气,其收到基地位热值:34332KJ/M3。
1.2.3水质资料=121mg/L总硬度 H永久硬度 H=24mg/LFT暂时硬度 H=97mg/LT总碱度 A=95mg/L1.2.4工厂工作班制工作班制为两班制2 锅炉房容量及锅炉的选择2.1锅炉房容量的确定锅炉房设计容量宜根据热负荷曲线或热平衡系统图,并计入管道热损失、锅炉房自用热量和可供利用余热进行计算确定。
当缺少热负荷曲线或热平衡系统图时,热负荷可按生产,采暖通风和生活小时最大耗热量,并分别计入同时使用系数确定。
安徽建筑工业学院环能学院课程设计说明书课程名称:《锅炉及锅炉房设备》课题名称:合肥某工业锅炉房工艺设计专业:08级环设(2)班设计人:周东飞指导教师:李悦敏安徽建筑工业学院2011年12 月19日目录1 锅炉设计原始资料 (1)1.1热负荷资料 (1)1.3气象资料 (1)1.4室内设计参数 (1)1.5水质资料 (1)2 热负荷计算及锅炉选择 (2)2.1热负荷计算 (2)2.1.1采暖季热负荷计算 (2)2.12非采暖季热负荷计算 (3)2.2锅炉型号与台数的选择 (3)2.2.1锅炉型号 (3)2.2.2锅炉台数 (5)2.2.3燃烧设备 (5)3 水处理设备及给水设备选择 (5)3.1水处理系统设计及设备选择 (5)3.1.1锅炉房给水量计算 (5)3.1.2给水泵的选择 (6)3.1.3凝结水泵和凝结水箱的选择 (7)3.1.4水处理系统的设计及设备的选择 (7)4 汽水系统的设计 (7)4.1给水管管径的选择 (7)4.2蒸汽系统主要管道直径的确定 (7)5 送引风系统设计 (8)5.1锅炉燃料消耗量的计算 (8)5.2理论空气量和理论烟气量 (9)5.3送风机、引风机的选择计算 (9)5.3.1送风机计算.......................................................................... (9)5.4烟囱的高度与直径选择 (10)5.4.1烟囱和内径的计算 (10)5.4供气以及天然气泄漏报警装置 (11)7锅炉房工艺布置 (12)7.1锅炉房建筑 (12)7.1.1一般原则 (12)7.1.2锅炉间、辅助间和生活间的布置 (13)7.1.3锅炉房建筑安全要求 (14)7.1.4锅炉房建筑布置形式 (14)7.2锅炉房设备布置 (14)7.2.1一般原则 (14)7.2.2锅炉布置 (14)7.2.3辅助设备的布置 (15)7.3风烟管道和主要汽水管道的布置 (15)总结 (16)参考文献 (16)一、设计原始资料 工业锅炉房工艺设计(1) 热负荷资料(2)燃料 :天然气(3)水质质料总硬度 H o =7.35 mmol/L永久硬度 H FT =4.35 mmol/L暂时硬度 H T =3.00 mmol/L总碱度 A o =3.00 mmol/L溶解固形物 550 mg/L(4)室内外温度参数查到合肥采暖温度为-3度,平均采暖温度是 3.1度 室内采暖温度计算为18度2 热负荷计算及锅炉选择2.1 热负荷计算2.1.1 采暖季热负荷计算(1)最大计算热负荷 锅炉房计算最大热负荷Q max 是选择锅炉的主要依据,可根据各项原始热负荷、同时使用系数、锅炉房自耗热量和官网热损失系数由下式求得:)(3322110max 1D K D K D K K D ++= t/h (公式2-1)式中:321,,D D D —分别是采暖、生产和生活最大热负荷,t/h ,由设计资料提供 0K —室外管网热损失和漏损系数,取1.25;321,,K K K —分别为采暖、生产和生活负荷同时使用系数,分别取0.8、1.0、0.5。
锅炉房设计说明书原始资料1.锅炉的热负荷为12MW,供回水温度为95/70℃2.燃气成分:CH498%、C3H60.4%、C3H80.3%、C3H100.3%、N21.0%。
标准状态下的*度为ρ气=0.7435Kg/m3,标准状态下的低位发热量Q低=36533KJ/m3.3.水质资料总硬度H0:460mg/L(以CaCO3计)PH值:7.56一. 热负荷、锅炉类型及台数的确定1.热负荷的计算(1)最大计算热负荷Q max = K0 K1 Q0式中 K0——热水管网的热损失系数,取值为1.08K1——采暖热负荷同时使用系数,取用1Q0——采暖最大热负荷,12MW则 Q max=1.08×1×12MW=12.96MW2.锅炉类型及台数的确定因为热媒为水,供水温度为95℃,回水温度为70℃,经计算最大热负荷为12.96MW,本设计决定选用扬州斯大燃气锅炉有限公司生产的卧式燃气热水锅炉两台,型号为WNS7.0—1.0—95/70—Q,单台锅炉的额定热功率7MW,工作压力1.0MPa,供回水温度分别为95℃和70℃。
无需备用锅炉,所选锅炉的具体参数如下:—Q型号热水回水位置G热水供水位置H烟囱中心距J 烟囱高度K烟囱直径L清扫烟管最小长度MWNS7.0—1.0—95/70—Q1500 1500 120 2145 750 5400其排烟温度为160度,NOX排放量低于400mg/m3。
二.给水和热力系统设计1.水处理方案的确定(1)热水锅炉对给水的水质要求锅横截面锅炉纵截面根据《低压锅炉水质标准》规定,对于温度不大于95度的热水锅炉,补给水和循环水的水质要求如下表所示:项目补给水循环水悬浮物mg./L总硬度me/LPH值(25℃)溶解氧mg/L≤5≤0.6≥7≤0.18.5~10≤0.1(2)水质处理方案的确定本锅炉房原水的硬度超过给水水质标准,故需进行软化处理。
由于热水锅炉不存在水的蒸发,水中盐类浓度不会增加,碱度也不会提高,而且保持一定的碱度还可以对金属壁起到一定的保护作用。
据此,决定选用钠离子交换软化法。
由于是连续供热方式,原水水质和处理水量较稳定,又为简化操作程序和自控设备,所以采用流动床离子交换设备(3)除氧方式的选择由于锅炉房内没有蒸汽和其它可以利用的热源,给水除氧采用炉内加Na2SO3除氧方式,它可以克服热力除氧的热量浪费。
出水溶解氧含量≤0.05mg/L,达到工业锅炉给水标准GB1576-2001要求的工业锅炉给水条件。
2.热网循环水量及循环水泵的选择计算见下表:表——13.热网补给水水量及补水泵的选择见下表:表——24.流动床离子交换器的选择软化水的消耗量按热网系统补给水量确定,即为7440kg/h,故选取沈阳科林环境工程有限公司生产的KRS200-400×2型流动床,其技术性能见下表:技数参数为:由于原水的总硬度高达9.2me/L,属高硬度水,所以决定选取用逆流再生钠离子交交换器两台,当每一台交换器的软化水产出水超过锅炉给水的充许硬度时,随即把第二台串入使用,直到第一台交换器出水硬度达到1~1.5me/L时,停运一台,准备再生,由第二台单独运行。
5.软化水箱的体积确定本锅炉房设软化水箱一只,其体积按40min的补给水量计算,即:Vrs=0.67G′wb=4.9848m3现选用方型开式水箱,其尺寸为2000×2000×1500,其公称体积为6.0m36.除氧系统装置的计算与设备的选择本设计选用民力公司生产的HJEHY04型化学除氧器,具体参数如下:三. 通风系统设计及设备选择1.通风方案的确定锅炉采用机械送风和引风,即平衡通风。
在正常运行时,炉内保持20~40Pa的负压,考虑到动行调节的方便,仍保持单机系统,其配套风机型号如表5—37所列。
2.送风系统设计(1) 送风量的确定:1) 理论空气量的计算按下式计算:]5.1)4(5.05.0[211222.O S H H C nm CO H V n m o k -++++=∑ 式中:ok V ——燃气燃烧理论空气需要量,N m 3/ m 32H 、S H 2、2O 、n m H C ——燃气中各成分的体积含量,%由给定条件可得:]5.1)4(5.05.0[211222.O S H H C nm CO H V n m o k -++++=∑ ]3.0)4103(3.0)483(4.0)463(98)441[(211+++++++=33/57.9m m =2) 己知燃气的低位发热量Q 低=36533KJ/m 3可计算在额定负荷下的燃气耗量B :h m Q Q B /3.134495.01036533360010960.1286400336低max =⨯⨯⨯⨯==η 3) 锅炉在额定工况下的空气需要量k V 按下式计算:273273)(+∆-''=k l l o k k t BV V αα 式中:k V ——冷空气流量,m 3/h ;B ——锅炉在额定负荷下的燃气耗量,N m 3/hl α''——炉膛出口过剩空气系数,取为1.10l α∆——炉膛的漏风系数,燃气锅炉取为0.05k t ——冷空气温度,℃则额定工况下的空气需求量k V 为:h m t BV V k l l o k k /6.1499227327330)05.010.1(57.93.1344273273)(3=+-⨯⨯=+∆-''=αα 4) 鼓风风量kg V 可按下式计算bV V kg k g 760β= 其中:kg V ——鼓风机风量,m 3/h ;g β——风量富裕系数,对单炉配置的鼓风机取1.1。
对集中配置的鼓风机取1.15;k V ——锅炉在额定工况下的空气需要量,m 3/h ;b ——天津的大气压力,毫米汞柱,在天津地区因海拔较低取为760mm 汞柱。
则h m b V V kg k g /5.172417607606.1499215.17603=⨯⨯==β 分别为每台锅炉设置鼓风机,则每台风机的风量为:h m V k g /862125.172413=='(2)风道断面的确定1)采用矩形断面的金属风道,断面尺寸先按风速ω为10m/s 计算,224.010360086213600m V F k =⨯=⨯=ω则选取风道的断面尺寸为400×500mm ,实际风速为:s m F V k /47.1120.0360086213600=⨯=⨯=ωPa h mc16.4247.1116.144.08.003.02=⨯⨯⨯=∆∴3. 引风系统设计(1)当α>1时,燃烧产物的总成分分别为:33/01.1)3.033.034.03981(01.0)(01.02m m H mC V n m RO =⨯+⨯+⨯+⨯==∑ 33/3015.057.9)115.1(21.0)1(21.02m m V V o k O =-=-=α332/71.8101.057.915.179.001.079.02m m N V V OK N =⨯+⨯⨯=+=α燃烧产物的总体积:332222总/01.127.83015.0999.101.1m m VO VN O VH VRO V =+++=+++=(2)引风机风量按下式计算:bV V yy yy 760β= yy V ——引风机风量,m 3/hy β——引风机风量富裕系数,对单炉配置的引风机,取为1.1,对于集中配置的引风机取为1.15y V ——锅炉在额定负荷下的排烟量,m 3/h 。
据燃烧和热力计算资料,锅炉排烟量: h m b V V yy yy /185677607603.134401.1215.17603=⨯⨯⨯==β分别设置引风机,则每台风机的风量为:h m V k g /92842185673=='出口段面尺寸的确定:采用圆形断面的金属风道,其直径与锅炉烟囱窗的出口直径保持一致,即Φ=700mm , 为了简化本示例的计算,烟道各处的漏风和烟温降都略为不计, 锅炉出口至风机出口断面尺寸和烟道阻力计算,(3)烟道布置及其断面尺寸的确定锅炉至引风机的烟道全部采用钢筋混凝土制作,其布置方式如平面布置图所示; (4)烟道阻力计算1) 锅炉内部正压:△h n =20Pa ;锅炉本体阻力:△h g =1000Pa 2)如图所示:管段1中的空气流速为:s m F V /84.5375.014.3360092843600221=⨯⨯=•=ω;动压头为:Pa h d 6.13284.58.02221=⨯==∆ρω 因气流速度小于10m/s ,所以不计管段的沿程阻力;3)弯头2处的局部阻力为:Pa h h dy jb 08.46.133.022=⨯=•=∆ζ4)管段3中的空气流速为:s m F V /32.105.0360092843600233=⨯=•=ω;动压头为:Pa h d 6.42232.108.02223=⨯==∆ρω; 管段3的当量直径为:m b a ab d dl 5.05.05.05.05.0223=+⨯⨯=+=管段3的沿程阻力为:Pa hmc 55.175.06.4212.405.0=⨯⨯=∆5) 弯头5处的局部阻力为:Pa h h dy jb6.2526.423.05=⨯⨯=•=∆ζ 6)管段4中的空气流速为:s m F V /52.107.0360092843600244=⨯=•=ω动压头为:Pa h d 31.44252.108.02224=⨯==∆ρω管段4的当量直径为:m b a ab d dl 98.05.05.07.07.0224=+⨯⨯=+=则管段4的沿程阻力为:22ρωλdl d l hmc =∆Pa hmc 3198.031.4477.1305.0=⨯=∆则自风机入口至烟囱出口的总阻力为:Pa h z 203103316.25255.17208.42=+++⨯+⨯=∆4.烟囱设计采用机械通风时,烟囱高度按GB384-83《锅炉烟尘排放标准》选定, 应选取的烟囱高度为40米。
(1)烟囱出口和底部直径的计算选取烟囱的出口烟速为ω=15m/s ,而总的烟气量yy V 为18567h m /3则烟囱的出口直径为:m V d yy66.01592840188.00188.02===ω本设计取: 2d =0.7m取锥度为i=0.02,则烟囱的底部直径为:d 1=0.7+2×0.02×20=1.3m(2)烟囱阻力计算采用机械通风,认为烟道和烟囱中的冷却不考虑,所以烟囱的出口烟气温度就认为是排烟温度,即160℃。
s m F V yf /4.137.0785.03600185673600222=⨯⨯=•=ω 动压头:Pa h dy 7.7224.1381.02==1)烟囱的沿程阻力Pa ihyzm237.7202.0805.0282=⨯⨯=•=∆ρωλ2) 烟囱口阻力(动压损失)Pa h h dy jb yz 3.47=•=∆ζ式中 ζ——烟囱出口阻力系数,取1.1Pa h jbyz 807.721.1=⨯=∆∴ 烟烟囱阻力:Pa h h h jbyz m yz yz 1032380=+=∆+∆=∆3)烟囱引力计算:己知烟囱内烟气平均温度,v pj =v py =160℃;外界空气温度取为30℃,标准状态下空气和烟气*度为33/34.1,/293.1m kg m kg oy o k ==ρρ所以烟囱引力为Pat t g H S y oy k ok yz yz 158)16027327334.110273273293.1(81.940)273273273273(=+-+⨯=+-+=ρρ 4)则引风机出口至烟囱出口烟道总阻力为:Pa h h h hz g n z12232032010002=++=∆+∆+∆=∆∑由此可见∑∆zh>S yz ,所以引风机出口为正压。