信号仿真实验报告
- 格式:doc
- 大小:3.27 MB
- 文档页数:14
实验7 连续时间系统的建模与仿真(设计型实验)一、实验目的1) 掌握利用系统方框图模拟实际系统的分析方法2) 学习和掌握利用Simulink 仿真工具对连续时间系统的建模与仿真。
二、实验原理与方法连续时间系统的模型除了利用微分方程来描述之外,也可以借助方框图来模拟,模拟连续时间系统的基本单元有加法器、积分器和倍乘器,下图列出了连续时间系统的基本方框图单元,利用这些基本方框图单元即可组成一个完整系统。
加法器: 积分器:倍乘器Simulink 的Commonly Used Blocks 模块库中提供了上述三种基本运算单元的模块,sum 模块表示加法器,Integrator 模块表示积分器,Gain 模块表示倍乘器,此外Math Operations 模块库中的Add 模块也可用于实现信号的加减运算。
因此,根据系统的方框图可以方便地由Simulink 对连续时间信号进行建模,并利用Simulink 的强大功能进行一系列仿真。
除了运用基本运算单元构成连续时间系统,Simulink 还提供了其他的模型描述方法,例如根据连续时间系统的系统函数、零极点分布和状态方程,分别采用Simulink 的Continuous 模块库中的Transfer Fcn 模块、Zero-Pole 模块和State-Space 模块来描述系统。
三、实验内容(1) 已知由微分方程1)2(t)2)根据上述3种系统框图,分别采用Simulink的基本运算单元的模块创建系统的模型,并仿真实现系统的单位阶跃响应。
直接型级联型并联型(2) 已知一个三阶连续时间因果系统的系统函数为3257(s)554s H s s s +=+++,根据系统函数,采用simulink 创建系统模型,并仿真实现对输入(t)u(t 3)u(t)x =--的响应。
四、实验心得通过本次实验掌握了利用Simulink 仿真工具对连续时间系统进行建模、仿真的基本方法。
模拟信号取样仿真实验报告总结
模拟信号取样仿真实验是一项重要的电子信息工程实验,在该实验中我们掌握了数字信号处理基本理论和方法,同时也学习了数字信号处理软件工具的使用。
通过对该实验的学习,我们可以总结以下几点:
首先,我们了解了模拟信号和数字信号的基本差异,知道了为什么需要将模拟信号转化为数字信号进行处理。
同时,我们也学会了如何根据采样定理来选取合适的采样频率,以保证数据的准确性。
其次,我们在仿真实验中掌握了MATLAB数字信号处理工具箱的使用方法,包括使用MATLAB 进行信号采样、重构、滤波、频域分析等操作。
这些技能对于我们今后在工程领域实际应用中具有非常重要的意义。
最后,我们在实验中也学习了如何制作实验报告,包括实验过程、结果分析以及总结和评价等部分,这些都是科技实验必备的能力。
总之,通过本次模拟信号取样仿真实验的学习,我们掌握了数字信号处理的基本理论和方法,学会了使用MATLAB工具进行数字信号处理操作,提高了实验操作能力和实验报告撰写能力。
这些都对我们今后的科技研究和工程开发具有非常重要的意义。
大连理工大学实验报告
学院(系):电信专业:电子信息工程班级:姓名:学号:组:
实验时间:实验室:创新园C221 实验台:
指导教师签字:成绩:
实验六:Simulink仿真连续时间系统
一、实验结果与分析
1.用Simulink仿真载波为简单正弦信号的幅度调制和相干解调。
解:Simulink模块图为
其中,Sine wave产生调制信号,Sine wave1产生直流信号,Sine wave2产生载波信号,Ran-dom Source产生噪声,Digital Filter Design为带通滤波器,Sine wave3产生本地载波信号,Digital Filter Design1为低通滤波器。
主要模块的参数为
主要模块的波形图和频谱图为
二、讨论、建议、质疑
Simulink为我们提供了一个非常直观的解决途径,只要我们能够得到系统函数,画出相应的方框图,就可以方便地描述整个系统,获得需要的信息。
比如在完成简单正弦信号的幅度调制和相干解调时,如果利用MATLAB编写程序,需要调用函数buttord和butter去构建带通和低通滤波器,这是非常繁琐的。
但是Simulink提供了滤波器模块,我们只需要改变其参数,这大大简化了整个过程。
但是在实验中也遇到了一些问题。
因为对Simulink并不是特别熟悉,所以在设计滤波器的时候会觉得很盲目。
比如在完成简单正弦信号的幅度调制和相干解调时,如果稍微改变滤波器的参数,得到的结果就与正确结果大相径庭。
实验名称:射频仿真算法研究与应用实验目的:1. 理解射频信号的基本特性及其在通信系统中的应用。
2. 掌握射频仿真算法的基本原理和方法。
3. 通过仿真实验,验证射频算法在实际应用中的有效性。
实验时间:2023年X月X日实验设备:1. 电脑一台,安装有射频仿真软件(如CST Microwave Studio、HFSS等)。
2. 射频仿真算法相关教材和参考资料。
实验内容:一、射频信号的基本特性1. 射频信号的定义及其在通信系统中的作用。
2. 射频信号的频谱特性、调制方式、传输损耗等。
二、射频仿真算法基本原理1. 电磁场仿真算法的基本原理,如有限元法(FEM)、时域有限差分法(FDTD)等。
2. 射频电路仿真算法的基本原理,如传输线理论、电路方程等。
三、仿真实验1. 仿真实验一:天线辐射特性- 设计并仿真一个天线,分析其辐射特性,如增益、方向图、极化等。
- 通过仿真结果,验证天线设计的合理性和可行性。
2. 仿真实验二:射频电路性能分析- 设计并仿真一个射频电路,如滤波器、放大器等。
- 分析电路的性能,如插入损耗、带宽、线性度等。
- 通过仿真结果,优化电路设计,提高性能。
3. 仿真实验三:通信系统性能评估- 设计并仿真一个通信系统,如无线局域网(WLAN)、蜂窝移动通信等。
- 评估通信系统的性能,如误码率、吞吐量、覆盖范围等。
- 通过仿真结果,分析系统优缺点,为实际应用提供参考。
实验结果与分析:一、天线辐射特性仿真1. 天线设计参数:长度为0.5λ,宽度为0.1λ,馈电点位于天线底部。
2. 仿真结果:天线增益约为5dBi,方向图在水平方向呈尖锐的主瓣,垂直方向呈较宽的主瓣。
3. 分析:天线设计合理,具有良好的辐射特性,满足实际应用需求。
二、射频电路性能分析1. 电路设计参数:采用传输线理论,设计一个低通滤波器,截止频率为1GHz。
2. 仿真结果:滤波器插入损耗约为0.5dB,带宽为1GHz,线性度良好。
3. 分析:电路设计合理,滤波器性能满足实际应用需求。
动态测试信号采集仿真与实例分析姓名:李兆明学号:02010402指导老师:彭英动态测试信号采集仿真与实例分析02010429 凌少钦指导老师彭英绪论摘要:本文专注于动态测试信号的采集和仿真.围绕测试技术课本中所讲述的动态信号的采集、分析与处理的基本原理与方法,利用计算机软件例如MATLAB等进行仿真建模,并进行相应的数学处理,做出信号的频谱,并对信号的频谱进行分析。
本文的主要实例分析包括有:信号仿真、采集与分析处理,基于计算机的声信号采集与分析,机械运行数据分析与处理。
通过做上述实验.加深信号处理相关理论知识的学习和掌握.并且进一步理解傅里叶变化的深层含义.关键词:信号采样处理频谱分析MATLAB仿真傅里叶变换A bstract:This paper analyzes the dynamic testing signal acquisition simulation and example analysis, surrounding the test textbook described in dynamic signal acquisition, analysis and processing of the basic principles and methods, using computer software such as MA TLAB to Simulation and Modeling , corresponding mathematical treatment, make the signal frequency spectrum, and the analysis of signal spectrum. This project includes: signal simulation, acquisition and analysis processing, computer based acoustic signal acquisition and analysis of mechanical operation, data analysis and processing. Through the curriculum design, to deepen the understanding of signal processing, and further understanding of Fourier transform, through practice, deepen the textbook the theory of knowledge.Key words: Signal sampling processing ;Spectrum analysis MATLAB simulation Fouriertransform1、 设计题目一:信号仿真、采集与分析处理1.1题目:信号采集过程中一般需要考虑以下几个参数:信号频率、采样频率、采样长度等,不同参数的数值设定对于信号采集的效果会产生直接影响,为了掌握信号采集过程中这些参数对采集过程及其效果产生的影响,可以通过MATLAB 或C 语言对信号采集与分析处理的过程进行仿真分析,具体要求如下:利用MATLAB 或C 语言产生信号,)()2sin()2sin()2sin()(333222111t n t f a t f a t f a t x ++++++=ϕπϕπϕπ其中:f 1=100Hz 、 f 2=400Hz 、f 3=2000Hz ; n (t ) 为白噪声,均值为零,方差为0.8; 幅值、相位任意设定; 对上述等式进行DFFT 处理: 讨论:1)通过设置不同的采样频率,画出时域波形和傅里叶变换后的频谱图,讨论在采样点数一定的情况下,如1024点,采样频率对信号时域复现、频域分析的影响; 2)采样频率、采样长度(采样点数)与频率分辨率的关系;3) 通过设置不同幅值的信号与噪声,讨论噪声对信号时域分析和频域分析的影响;1.2实验数据分析程序:1、核心程序部分:f1=3800; %采样频率 t1=1/f;n=1024; %采样点数 t2=f1*t1;x=sqrt(0.8)*randn(size(t2))+3*sin(2*pi*100*t2)+4*sin(2*pi*400*t2)+5*sin(2*2000*pi*t2); %0.8是噪声的方差 figure(1); plot(t,x); X=fft(x); Y=abs(X);f=(0:(length(Y)-1)/2)*f1/n2; Z=Y(1:length(f2));figure(2); plot(f1,Z); 2、具体实验数据:令1a =3,2a =,4, 3a =5,1ϕ=2ϕ=3ϕ=0(1) 采样频率3800Hz,采样点数1024:图(1)图(2)(2)采样频率1800Hz,采样点数1024图(3)(3)采样频率160Hz,采样点数1024图(5)(4)采样频率80Hz,采样点数1024图(7)(5)采样频率3800Hz,采样点数2048图(9)(6)采样点数3800Hz,采样点数3072图(11)(7)噪声信号方差50,采样频率3800Hz,采样点数1024图(13)图(14)1.3讨论:1)通过设置不同的采样频率,画出时域波形和傅里叶变换后的频谱图,讨论在采样点数一定的情况下,如1024点,采样频率对信号时域复现、频域分析的影响;通过观察时域响应图(1)(3)(5)(7)(9)(11)(13),发现各种信号混叠在一起,而且噪声污染严重,无法直观的进行信号的分析。
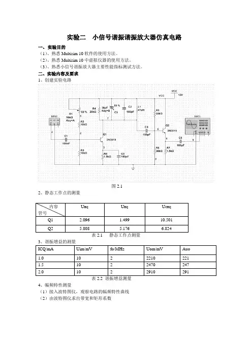
实验二小信号谐振谐振放大器仿真电路
一、实验目的
(1)、熟悉Multisim 10软件的使用方法。
(2)、熟悉Multisim 10中虚拟仪器的使用方法。
(3)、熟悉小信号谐振放大器主要性能指标测试方法。
二、实验内容及要求
1、创建实验电路
图2.1
2、静态工作点的测量
表2.2 谐振增益测量
4、幅频特性测量
(1)接入波特图仪,观察电路的幅频特性曲线
(2)由波特图仪求出带宽和矩形系数
BW0.7=0.19MHz
K=5.94210526
5、仿真小结
(1)、实际测出的静态工作点跟理论计算值接近,但有少许偏差,产生偏差的原因是测量仪器用的是近似测量,而且信号发生器输出的信号也有一点误差,误差经过晶体管放大后就产生了现在的偏差。
(2)、由表2.2知,I CQ越大,小信号谐振放大器的谐振增益越大。
(3)、由以上测量结果可知,R4的改变影响到Q1、Q2的静态工作点,而静态工作点又影响到放大器的动态参数,故R4间接影响到谐振放大器的工作性能。
扩频通信系统仿真实验报告一、引言扩频通信是一种通过扩展信号带宽来传输信息的技术。
在扩频通信系统中,发送方将待传输的信息数据序列与扩频码序列相乘,再通过信道传输到接收方。
接收方通过与发送方使用相同的扩频码序列相乘,并将结果进行积分操作,从而将扩频信号提取出来。
本文通过MATLAB软件使用数字仿真的方法,对扩频通信系统进行了仿真实验,包括扩频信号的产生、传输和提取等过程,最后通过性能指标评估扩频通信系统的性能。
二、实验内容1.扩频信号的产生:首先生成待传输的数字信息序列,然后与扩频码进行点乘产生扩频信号。
2.信道传输:模拟信道传输过程,包括加性高斯白噪声(AWGN)等噪声影响。
3.扩频信号的提取:接收方使用与发送方相同的扩频码对接收到的信号进行点乘与积分操作,从而提取出扩频信号。
4.性能评估:通过比较接收信号与发送信号的相关性和误码率等性能指标来评估扩频通信系统的性能。
三、实验步骤1.扩频信号的产生:首先生成随机的数字信息序列,然后使用伪随机序列作为扩频码与数字信息序列相乘,产生扩频信号。
2.信道传输:将扩频信号通过信道传输,并添加加性高斯白噪声模拟噪声影响。
3.扩频信号的提取:接收方使用与发送方相同的扩频码对接收到的信号进行点乘与积分操作,提取出扩频信号。
4.性能评估:通过计算接收信号与发送信号的相关性和统计误码率等性能指标来评估扩频通信系统的性能。
实验结果展示4.性能评估:通过计算接收信号与发送信号的相关性和统计误码率等性能指标来评估扩频通信系统的性能。
相关性较高且误码率较低表示系统性能较好。
四、实验结论通过本次扩频通信系统的仿真实验,我们可以得出以下结论:1.扩频通信系统能够有效抵抗噪声影响,提高信道的抗干扰能力。
2.扩频码的选择对系统性能有较大影响,合适的扩频码可以提高系统性能。
3.扩频通信系统的误码率与信噪比有关,当信噪比较高时,系统的误码率较低。
总之,扩频通信系统在信息传输中具有较好的性能和鲁棒性,通过对其进行仿真实验可以更好地理解其工作原理和性能特点。
第1篇一、实验目的1. 理解信号分析的基本概念和原理。
2. 掌握虚拟信号处理工具的使用,包括信号的生成、时域分析、频域分析等。
3. 通过虚拟实验,加深对信号处理技术的理解,提高分析信号的能力。
二、实验原理信号分析是信号处理的基础,主要涉及信号的时域、频域和时频分析。
本实验利用虚拟信号处理工具,对信号进行时域和频域分析,从而理解信号的特性。
三、实验内容1. 信号生成:使用虚拟信号处理工具生成不同类型的信号,如正弦波、方波、三角波等。
2. 时域分析:观察信号的波形,分析信号的周期、频率、幅度等时域特性。
3. 频域分析:通过傅里叶变换将信号从时域转换到频域,分析信号的频率成分、幅度等频域特性。
4. 信号处理:对信号进行滤波、平滑、压缩等处理,观察处理效果。
四、实验步骤1. 信号生成:- 打开虚拟信号处理工具,选择信号生成模块。
- 设置信号参数,如频率、幅度、相位等。
- 生成所需的信号,并观察波形。
2. 时域分析:- 使用虚拟信号处理工具的时域分析模块。
- 观察信号的波形,分析信号的周期、频率、幅度等时域特性。
3. 频域分析:- 使用虚拟信号处理工具的频域分析模块。
- 通过傅里叶变换将信号从时域转换到频域。
- 分析信号的频率成分、幅度等频域特性。
4. 信号处理:- 使用虚拟信号处理工具的信号处理模块。
- 对信号进行滤波、平滑、压缩等处理。
- 观察处理效果,分析处理对信号特性的影响。
五、实验结果与分析1. 信号生成:- 成功生成了所需的信号,如正弦波、方波、三角波等。
- 波形显示清晰,信号参数设置正确。
2. 时域分析:- 成功分析了信号的时域特性,如周期、频率、幅度等。
- 时域特性符合预期。
3. 频域分析:- 成功将信号从时域转换到频域。
- 分析了信号的频率成分、幅度等频域特性。
- 频域特性符合预期。
4. 信号处理:- 成功对信号进行了滤波、平滑、压缩等处理。
- 处理效果符合预期,信号特性得到改善。
六、实验结论1. 通过本实验,加深了对信号分析基本概念和原理的理解。
信号实训实验报告实验目的本次实训的目的是通过实际操作和实验验证,帮助学生理解信号的概念、信号的特性以及信号在实际工程中的应用。
实验环境本次实训使用的是基于Linux系统的开发环境,采用C语言进行编程。
实验内容实验一:信号的基本概念和处理实验二:信号的传递机制和多进程间的信号通信实验三:信号处理函数的编写和应用场景实验一:信号的基本概念和处理在第一个实验中,我们首先学习了信号的基本概念和处理方法。
通过编写一个简单的C程序,我们能够了解信号的产生方式以及信号的处理过程。
在程序中,我们使用signal函数注册了对SIGINT信号(即键盘中断信号)的处理函数。
当用户按下键盘的Ctrl+C组合键时,程序会收到该信号,并执行相应的处理函数。
我们通过在处理函数中输出一条提示信息的方式,验证了该信号处理函数的正确性。
实验二:信号的传递机制和多进程间的信号通信在第二个实验中,我们学习了信号的传递机制以及多进程间的信号通信。
我们编写了一个父子进程的程序,通过使用fork函数创建子进程,并在父子进程间进行信号的传递。
在程序中,父进程首先发送一个自定义的信号给子进程,然后子进程收到信号后执行相应的处理函数。
通过输出一条提示信息,我们验证了信号的传递和接收是可行的。
实验三:信号处理函数的编写和应用场景在第三个实验中,我们学习了信号处理函数的编写和在实际工程中的应用场景。
我们编写了一个简单的程序,模拟了一个网络服务器的功能,通过使用signal 函数注册对SIGCHLD信号(即子进程退出信号)的处理函数,实现了对子进程的回收处理。
当子进程退出时,会发送该信号给父进程,父进程收到信号后执行相应的处理函数。
在处理函数中,我们调用了waitpid函数进行子进程的回收,并输出了子进程的退出状态。
实验结果与分析通过以上三个实验,我们深入了解了信号的概念、信号的处理方法以及信号在实际工程中的应用场景。
信号在进程间通信、异常处理等方面起着重要的作用。
低噪声放大器实验(虚拟实验)
姓名郭佩学号 04008307
(一)1MHz LN A
直流分析
交流分析
噪声分析
输出信号的波形与LNA输入信号的波形对比
(二)100MHz LNA 直流分析
交流分析
噪声分析
思考题:
(1)1)比较100MHz LNA的输入信号频率为100MHz时,所获得的噪声系数与1MHz LNA的输入信号频率为1MHz相同幅度信号时的噪声系数的区别,并对差异的原因做探讨。
答:
输入信号频率为100MHZ时的噪声系数远远高于输入信号频率为1MHZ时的噪声系数。
原因分析:集电结电容Cb’c和基极电阻rbb’对晶体管正常工作有不良影响。
在高频电路中,由于rbb’分压,使得Ub’e下降,从而输出电流减小;Cb’c跨接在输入输出端之间构成放大器内部反馈电路,会严重影响放大器的稳定性。
(2)将1MHz LNA中的NPN管换为NMOS管后,相关的仿真结果会产生哪些不同,,并对原因做探讨。
答:
换成NMOS 管后,直流分析和交流分析的输出节点的幅值都比晶体管高,但同时噪声系数也远高于晶体管的噪声系数。
原因分析:场效应管是电压控制元件,而晶体管是电流控制元件。
同时NMOS 管的跨导g m远比晶体三极管的小。
场效应管通过电压控制电场来抑制电流通过,
和三极管通过电流控制电流导通相比,功耗小很多。
因此,在输入电流较小的情况下用NMOS 管时的输出幅值会更大些。
无线通信实验报告院系名称:信息科学与工程学院专业班级:电信班学生姓名:学号:授课教师:2014 年11 月 6 日实验一 高斯衰落信道建模一、基本原理QPSK 信号可以看成是对两个正交的载波进行多电平双边带调制后所得信号的叠加,因此可以用正交调制的方法得到QPSK 信号。
QPSK 信号的星座如图4.1.1所示:图1.1 QPSK 信号星座图从AWGN 信道中,在一个信号区间内接收到的带宽信号可以表示为()()()()()cos(2)()sin(2)m m c c s c r t u t n t u t n t f t n t f t ππ=+=+-这里()c n t 和()s n t 是加性噪声的两个正交分量。
可以将这个接收信号与1()()cos(2)T c t g t f t ψπ=,2()sin(2)T c g t f t ψπ=-给出的1()t ψ和2()t ψ作相关,两个相关器的输出产生受噪声污损的信号分量,它们可表示为22()m s s s m m r s n n n M Mππξξ=+=++ 式中c n 和s n 定义为 1()()2c T c n g t n t dt ∞-∞=⎰ 1()()2s T s n g t n t dt ∞-∞=⎰ 这两个正交噪声分量()c n t 和()s n t 是零均值,互不相关的高斯随机过程。
这样,()()0c s E n E n ==和()0c s E n n =。
c n 和s n 的方差是 220()()2c s N E n E n == 最佳检测器将接收信号向量r 投射到M 个可能的传输信号向量{m s }之一上去,并选取对应于最大投影的向量。
据此,得到相关准则为(,)m m C r s r s =•,m=0,1,…,M-1由于全部信号都具有相等的能量,因此,对数字相位调制一种等效的检测器标准是计算接收信号向量r=(c r ,s r )的相位为 arctan s r cr r θ= 并从信号集{m s }中选取其相位最接近r θ的信号。
实验一:模拟线性调制系统仿真一、实验目的:1、掌握模拟调制系统的调制和解调原理;2、理解相干解调。
二、实验内容:1、编写AM 、DSB 、SSB 调制,并画出时域波形和频谱图。
2、完成DSB 调制和相干解调。
三、实验步骤1、线性调制1) 假定调制信号为m t ,载波c ()cos 2πm f t =()cos 2πc t f t =,f m =1kHz ,f c =10kHz ; 绘制调制信号和载波的时域波形(保存为图1-1)。
2) 进行DSB 调制,;进行AM 调制,DSB ()()()s t m t c t =⋅[]AM ()1()()s t m t c t =+⋅;绘制DSB 已调信号和AM 已调信号的波形,并与调制信号波形进行对照(保存为图1-2)。
3) 用相移法进行SSB 调制,分别得到上边带和下边带信号,SSB 11ˆ()()()()()22Q s t m t c t m t c t =⋅⋅ ,ˆ()sin 2πm m t f t =,()sin 2πQ c c t f t =。
4) 对载波、调制信号、DSB 已调信号、AM 已调信号和SSB 已调信号进行FFT 变换,得到其频谱,并绘制出幅度谱(保存为图1-3)。
2、DSB 信号的解调1) 用相干解调法对DSB 信号进行解调,解调所需相干载波可直接采用调制载波。
2) 将DSB 已调信号与相干载波相乘。
3) 设计低通滤波器,将乘法器输出中的高频成分滤除,得到解调信号。
4) 绘制低通滤波器的频率响应(保存为图1-4)。
5) 对乘法器输出和滤波器输出进行FFT 变换,得到频谱。
6) 绘制解调输出信号波形;绘制乘法器输出和解调器输出信号幅度谱(保存为图1-5)。
7) 绘制解调载波与发送载波同频但不同相时的解调信号的波形,假定相位偏移分别为ππππ,,,8432(保存为图1-6)。
四、实验思考题1、与调制信号比较,AM 、DSB 和SSB 的时域波形和频谱有何不同?2、低通滤波器设计时应考虑哪些因素?3、采用相干解调时,接收端的本地载波与发送载波同频不同相时,对解调性能有何影响?五、提示:1、Matlab只能处理离散值,所以调制信号、载波、已调信号和解调信号都是用离散序列表示的。
数字信号处理软件实验——MatLab仿真实验报告学院:电子工程学院班级:2013211202姓名:学号:实验一:数字信号的 FFT 分析1、实验内容及要求(1) 离散信号的频谱分析:设信号 此信号的0.3pi 和 0.302pi 两根谱线相距很近,谱线 0.45pi 的幅度很小,请选择合适的序列长度 N 和窗函数,用 DFT 分析其频谱,要求得到清楚的三根谱线。
(2) DTMF 信号频谱分析用计算机声卡采用一段通信系统中电话双音多频(DTMF )拨号数字 0~9的数据,采用快速傅立叶变换(FFT )分析这10个号码DTMF 拨号时的频谱。
2、实验目的通过本次实验,应该掌握:(a) 用傅立叶变换进行信号分析时基本参数的选择。
(b) 经过离散时间傅立叶变换(DTFT )和有限长度离散傅立叶变换(DFT ) 后信号频谱上的区别,前者 DTFT 时间域是离散信号,频率域还是连续的,而 DFT 在两个域中都是离散的。
(c) 离散傅立叶变换的基本原理、特性,以及经典的快速算法(基2时间抽选法),体会快速算法的效率。
(d) 获得一个高密度频谱和高分辨率频谱的概念和方法,建立频率分辨率和时间分辨率的概念,为将来进一步进行时频分析(例如小波)的学习和研究打下基础。
(e) 建立 DFT 从整体上可看成是由窄带相邻滤波器组成的滤波器组的概念,此概念的一个典型应用是数字音频压缩中的分析滤波器,例如 DVD AC3 和MPEG Audio 。
3.设计思路及实验步骤1)离散信号的频谱分析:该信号中要求能够清楚的观察到三根谱线。
由于频率0.3pi 和0.302pi 间隔非常小,要清楚的显示,必须采取足够大小的N ,使得分辨率足够好,至少到0.001单位级,而频率0.45pi 的幅度很小,要清楚的观察到它的谱线,必须采取幅度够大的窗函数,使得它的频谱幅度变大一些。
同时还要注意频谱泄漏的问题,三个正弦函数的周期(2pi/w )分别为20,40,1000,所以为了避免产生频谱泄漏(k=w/w0为整数),采样点数N 必须为1000的整数倍。
信号调理仿真实验实验报告
本实验旨在通过对信号调理电路的仿真实验,深入了解信号调理电路的工作原理和实际应用,提高实验者的实际操作能力和相关知识水平。
实验原理:
信号调理电路是指将各种输入信号进行处理和放大后,输出符合要求的信号的电路。
在本实验中,我们主要学习了放大器的基本原理和放大器的分类。
其中,放大器可以分为共射放大器、共基放大器和共集放大器三种类型。
另外,我们还学习了运算放大器的原理、应用和特性,并通过具体实验进行了验证。
实验过程:
本实验采用电子仿真软件进行,具体实验步骤如下:
1. 打开电子仿真软件,选择相应的电路设计工具;
2. 设计并搭建信号调理电路,如共射放大器、共基放大器、共集放大器等;
3. 运用所学知识,对搭建的电路进行仿真,观察输出结果;
4. 根据仿真结果,分析电路的工作原理和特性,并进行总结和归纳。
实验结果:
通过本次实验,我们深入了解了信号调理电路的工作原理和实际应用,并掌握了放大器的基本原理和分类,以及运算放大器的原理、应用和特性。
通过实验仿真,我们发现,放大器的放大倍数与其输入
和输出的电压、电流大小有关,同时还受到电路参数的影响。
此外,运算放大器在正反馈和负反馈的情况下有不同的输出特性。
实验结论:
在信号调理电路的搭建和仿真过程中,需要注意电路的设计和参数的选择,以确保电路能够正常工作并输出符合要求的信号。
同时,需要认真分析电路的输出结果,从中总结和归纳出电路的工作原理和特性,为后续电路的搭建和实际应用提供参考和支持。
信号实验报告实验名称:信号实验报告实验目的:通过观察和分析不同类型的信号,了解信号的特点和应用,进一步深入理解信号处理的原理和方法。
实验设备:信号发生器、示波器、电阻、电容、电感等元器件。
实验步骤:1.实验一:矩形波信号在实验室中连接信号发生器和示波器,调节信号发生器的频率和幅度,观察示波器上矩形波信号的波形和特点。
记录信号的频率、幅度、周期等参数,并重复实验以观察不同频率下信号的变化。
2.实验二:正弦波信号利用信号发生器产生正弦波信号,并通过示波器观察、测量信号的频率、幅度、周期及相位等参数。
根据测量结果,绘制出信号的波形和频谱图,并分析可得出正弦波信号的频率分布和能量分布。
3.实验三:脉冲信号通过调整信号发生器的参数,产生脉冲信号,并利用示波器观察信号的波形和特点。
记录信号的脉宽、占空比等参数,并分析它们对信号的影响。
4.实验四:调制信号利用信号发电器生成调制信号,并通过示波器观察信号的波形和特点。
调整调制信号的幅度、频率等参数,观察和分析调制信号的调制类型和特点,例如调幅、调频和调相。
实验结果与分析:通过实验观察和测量,我们可以得出以下结论:1.矩形波信号具有方波形状,周期性明显,频率较高时上升/下降时间短,幅度取值有限。
矩形波信号在通信、控制系统中常被用作时钟信号和数字信息传输。
2.正弦波信号具有连续的周期性变化,是一种基本的周期信号。
正弦波信号的频率决定了信号的周期,而幅度决定了信号的振幅。
正弦波信号在电信号传输、音频处理等领域中广泛应用。
3.脉冲信号是一种宽度较窄但幅度较高的信号,具有短暂的冲击性质。
脉冲信号的脉宽决定了信号的持续时间,而占空比(脉宽与周期比值)决定了信号的高低电平比例。
脉冲信号在通信、计算机网络、脉冲调制等领域有广泛的应用。
4.调制信号是以一定的方式对原信号进行改变的信号。
调制信号可以是幅度的调制、频率的调制以及相位的调制,不同类型的调制信号用于不同的通信方式。
调制信号广泛应用于调制解调器、电视广播、移动通信等领域。
系统仿真信号实验报告系统仿真信号实验报告1. 引言系统仿真是一种通过计算机模拟系统行为的方法,可以对系统进行预测和优化。
在工程领域中,系统仿真有着广泛的应用,可以用于电子电路设计、通信网络规划、交通流模拟等方面。
本实验旨在通过系统仿真,研究信号的传输和处理过程,探索信号的特性和优化方法。
2. 实验目的本实验的主要目的是通过系统仿真,研究信号的传输和处理过程。
具体包括以下几个方面:- 了解信号的基本概念和特性;- 研究不同信号的传输特性;- 探索信号处理方法和优化策略。
3. 实验方法本实验采用MATLAB软件进行系统仿真。
在仿真过程中,我们将使用不同的信号类型,如正弦信号、方波信号和脉冲信号,并对其进行传输和处理。
4. 实验过程4.1 生成信号首先,我们使用MATLAB生成不同类型的信号。
通过调整信号的频率、幅度和相位等参数,我们可以得到不同特性的信号。
4.2 信号传输在信号传输过程中,我们将模拟信号在传输介质中的衰减和失真情况。
通过改变传输介质的特性和信号的传输距离,我们可以观察到信号的变化。
4.3 信号处理在信号处理过程中,我们将对传输后的信号进行滤波、降噪和增强等操作。
通过选择不同的信号处理算法和参数,我们可以改善信号质量并提取出所需的信息。
5. 实验结果与分析在实验过程中,我们得到了不同类型信号的传输和处理结果。
通过分析实验数据,我们可以得出以下结论:- 正弦信号在传输过程中受到较小的衰减和失真,适合用于远距离传输;- 方波信号在传输过程中会出现较大的失真,需要采取补偿措施;- 脉冲信号在传输过程中容易受到噪声干扰,需要进行滤波处理。
6. 结论与展望通过本实验,我们深入了解了信号的传输和处理过程,并探索了信号的特性和优化方法。
系统仿真为我们提供了一种有效的研究手段,可以在实际操作之前进行模拟和预测。
未来,我们可以进一步研究不同类型信号的传输特性和处理方法,以应对不同场景下的需求。
7. 参考文献[1] Smith, S. W. (1997). The Scientist and Engineer's Guide to Digital Signal Processing. California Technical Publishing.[2] Proakis, J., & Manolakis, D. (2006). Digital Signal Processing: Principles, Algorithms, and Applications. Pearson Education.8. 致谢感谢实验指导老师的悉心指导和支持,感谢实验室的同学们的合作,使本次实验取得了圆满的结果。
[实验四] 数字基带传输系统
一、实验目的
1、掌握数字基带信号传输的无失真条件。
2、掌握奈奎斯特第一准则。
3、掌握通过眼图分析法来衡量基带传输系统性能的方法。
二、实验内容
1、学习掌握数字基带信号传输的无失真条件。
2、通过仿真验证奈奎斯特第一准则。
3、通过仿真观测系统眼图。
三、实验结果分析
实验内容1:验证奈奎斯特第一准则仿真原理图:
图4-1验证奈奎斯特第一准则仿真原理图结果如下:
图4-2 输入信号的波形
图4-3 输出信号的波形
图4-4 输入信号与输出信号的波形叠加
图4-5 经过升余弦滤波器整形后的信号波形
图4-6 经过升余弦滤波器整形后的信号与原信号的叠加波形
结果分析:由输入信号与输出信号的波形叠加可观察到收发波形基本一致,加入一定幅度的噪声仍然能正常传输,奈奎斯特第一准则得到验证。
改变噪声幅度,错误波形可能增多。
实验内容2:用于观察眼图的基带传输系统仿真原理图:
结果如下:
图4-8 二元码眼图(噪声幅度为0.1V)
图4-9 二元码眼图(噪声幅度为1V)
图4-10 三元码眼图
图4-11 四元码眼图
结果分析:增大噪声幅度,眼图的“眼睛”张开的幅度变小,二进制信号传输时的眼图只有
一只“眼睛”,当传输三元码时,会显示两只“眼睛”,传输四元码时,会显示三只“眼睛”。
信号与系统仿真实验报告实验一(1)()t δFunction-M 文件function [x,t]=dirac(t1,t2,t0)%y=dirac(t-t0),t1<t<t2dt=0.001; %信号时间间隔t=t1:dt:t2; %信号时间样本点向量n=length(t); %时间样本点向量长度x=zeros(1,n); %各样本点信号赋值为零x(1,(t0-t1)/dt+1)=1/dt; %在时间t=t0处给样本点赋值为1/dt end主函数>> [y,t]=dirac(-1,5,0);>> stairs(t,y);>> axis([-1,5,0,1.2/0.001])>> title('单位冲击信号')分析:由于理想的单位冲击函数在Matlab 中不能实际给出,于是就在t0附近取一个很小的区间dt ,在这个区间中,函数可以认为是一个宽度很窄的门函数,幅值为1/dt ,以满足冲击函数定义要求(2)()t εFunction-M 文件function f=heaviside(t,t0)%f=heaviside(t-t0)f=(t-t0>0); %t>t0时f 为1,否则为0end主程序>> t=-1:0.001:5; %时间区间定义>> t0=0; %函数向右位移距离>> f=heaviside(t,t0);%生成向右位移t0的阶跃信号>> plot(t,f)>> axis([-1,3,-0.2,1.2])分析:在新版的Matlab 函数库中有自带的阶跃函数,调用方法为f=heaviside(t),这里为了方便画位移后0()t t ε-的图像,故自定义了一个阶跃函数。
(3)指数①a=1;>> f=sym('exp(t)');>> ezplot(f,[-3,3])>> xlabel('时间t')>> ylabel('函数f (x )')②a=-1;f=sym('exp((-1)*t)');>> ezplot(f,[-3,3])>> xlabel('时间t')>> ylabel('函数f (x )')图a )a=1时的指数信号图像 图b )a=-1时的指数函数图像 分析:y=sym (‘f (x )’)是用了符号运算法(4)(),5N R t N =>> t=-1:0.001:10;>> y=heaviside(t,0)-heaviside(t,5);>> plot(t,y) >> axis([0,10,-0.2,1.2])分析:采用两个跳变点不等的阶跃函数相减得到一个矩形函数的方法生成的门函数。
(5)()Sa t ω>>f=sym('sin(t)/t');>> ezplot(f,[-30,30]) >> axis([-30,30,-0.4,1.2])分析:为了方便编程画图,这里直接采用了符号运算法(6)正弦函数f=sym('sin(2*pi*t)');ezplot(f,[-1,1])再分别令w=4*pi 、6*pi 得到后面两个图像图a )w=2*pi 图b )w=4*pi 图c )w=6*pi实验二:离散时间信号的表示及可视化(1)()n δFounction-M 文件function [f,k] = dwxulie(k1,k2,k0)k=k1:k2;n=length(k);f=zeros(1,n);f(1,k0-k1+1)=1;end主程序>> [y,k]=dwxulie(-5,5,0);>> stem(k,y,'filled')>> axis([-5,5,0,1.5])>> title('单位序列')(2)()nFounction-M 文件function [ y,k] = jyxulie( k1,k2,k0 )for i=1:k2-k1+1;if i<k0-k1+1;y(i)=0;elsey(i)=1;endendend主程序>> y=jyxulie(-5,5,0);>> stem(k,y,'filled') >> axis([-5,5,0,1.5])(3)指数序列Founction-M 文件function [ y,k ] = expxulie( k1,k2,a )%y=exp(a*n),k1<n<k2k=k1:k2;for i=1:k2-k1+1;y(i)=exp(a*(k1+i-1));endend主程序[y1,k]=expxulie(-2,2,1);>> [y2,k]=expxulie(-2,2,2);>> [y3,k]=expxulie(-2,2,-1);>> [y4,k]=expxulie(-2,2,-2);>> stem(k,y1)>> hold on>> stem(k,y2,'rd')>> stem(k,y3,'g')>> stem(k,y4,'y') >> axis([-2.5,2.5,0,60])蓝色--a=1,红色--a=2,绿色--a=-1,黄色--a=-2(4)()N R n>> k1=-1;k2=12;>> y1=jyxulie(k1,k2,0)-jyxulie(k1,k2,3); %y1=R3(n)>> y2=jyxulie(k1,k2,0)-jyxulie(k1,k2,6); %y2=R6(n)>> y3=jyxulie(k1,k2,0)-jyxulie(k1,k2,9); %y2=R9(n)>> k=k1:k2;>> subplot(3,1,1)>> stem(k,y1,'filled')>>axis([-2,13,0,1.5])>> subplot(3,1,2)>> stem(k,y2,'filled')>>axis([-2,13,0,1.5])>> subplot(3,1,3)>> stem(k,y3,'filled')>>axis([-2,13,0,1.5])(5)()Sa nFounction-M 文件function [ y,k ] = Saxulie( k1,k2,w )k=k1:k2;for i=1:k2-k1+1;if (i+k1-1)==0y(i)=1;elsey(i)=sin(w*(i+k1-1))/(w*(i+k1-1));endend主程序[y1,k]=Saxulie(-10,10,1); %w=1>> [y2,k]=Saxulie(-10,10,2); %w=2>> [y3,k]=Saxulie(-10,10,4); %w=4>> subplot(3,1,1)>>stem(k,y1,'filled')>>subplot(3,1,2)>>stem(k,y2,'filled')>>subplot(3,1,3) >>stem(k,y3,'filled')(6)正弦序列>> y1=sin(pi*k/4); %w=pi/4>> y2=sin(pi*k/3); %w=pi/3>> y3=sin(pi*k/2); %w=pi/2>> y4=sin(2*pi*k/3); %w=2*pi/3>> subplot(4,1,1)>> stem(k,y1,'filled')>> subplot(4,1,2)>> stem(k,y2,'filled')>> subplot(4,1,3)>> stem(k,y3,'filled')>> subplot(4,1,4)>> stem(k,y4,'filled')实验三:系统的时域求解1.1. 设h(n)=(0.9)n ×u(n), x(n)=u(n)−u(n-10),求:y(n)=x(n) * h(n),并画出x(n)、h(n) 、y(n)波形。
>> k=0:100;>> h=0.9.^k;>> x=jyxulie(0,100,0)-jyxulie(0,100,10);>> y=conv(h,x);>> stem(k,h)>> stem(k,x)>> n=0:200;>> stem(n,y,'filled')>> axis([0,50,0,7]) %取前50个进行分析h(n)的图像x(n)的图像2.2. 求因果线性移不变系统y(n) = 0.81y(n −2)+ x(n)−x(n−2)的单位抽样响应h(n) ,并绘出H e (jω) 的幅频及相频特性曲线。
>> A=[1 0 -0.81];>> B=[1 0 -1];>> [x,t]=dwxulie(0,20,0);>> h=filter(B,A,x);>> stem(t,h,'filled')>> H=freqz(B,A,21); %N取21>> [H,w]=freqz(B,A,21); %N取21>> Hf=abs(H);Hx=angle(H);>> figure(1)>> stem(w,Hf)>> figure(2)>> stem(w,Hx)h(n)图像幅频特性相频特性实验四:对离散信号进行DFT分析计算余弦序列x(n)=cos(nπ/8)RN(n)的DFT(1)N=10时,N=10; %设定常量Nn=[0:N-1]; %通过矩阵给n赋值以代替门函数的作用x=cos((pi/8).*n); %余弦序列的函数表达式y=fft(x); %求余弦序列的DFTsubplot(2,1,1),stem(n,y,’py’) %绘制y的离散图subplot(2,1,2),stem(n,abs(y),’py’) %绘制函数y的幅频特性曲线(2)N=16时N=16; %设定N值n=[0:N-1]; %通过矩阵形式给n赋值以代替门函数的作用x=cos((pi/8).*n); %余弦函数y=fft(x); %离散序列的傅立叶变换subplot(2,1,1),stem(n,y,’py’)subplot(2,1,2),stem(n,abs(y),’py’) %绘制X(ejω)的幅频特性曲线响应(3)N=22时N=22;n=[0:N-1]; %通过矩阵形式给n赋值以代替门函数的作用x=cos((pi./8)*n); %余弦函数y=fft(x); %离散序列的傅立叶变换subplot(2,1,1),stem(n,y,’py‘)subplot(2,1,2),stem(n,abs(y),’py’)N=10N=16N=22分析: 由上面3幅图可以看出,当N=10和N=22时,离散傅里叶变换函数值变化趋于平缓,均呈现两边高中间低的趋势,且22点比10点取值点多,更接近真实情况。