瓦斯课程设计---矿井瓦斯抽采系统管路选择及阻力计算
- 格式:doc
- 大小:153.00 KB
- 文档页数:11
集贤煤矿中一采区左四片瓦斯抽放措施2007-12-08编制人:肖占胜3604 工作面瓦斯抽放系统设计第一部分矿井概况集贤煤矿是全国煤炭工业现代化矿井之一,是双鸭山矿业集团主力生产矿井。
集贤煤矿位于双鸭山市东部,合江煤田西部,东西走向9km, 南北倾向4 .5km 。
面积 40.5km 。
1974 年 10 月 1 日简易生产,后经过两次改造年设计能力为120 万吨。
现核定年生产能力为180 万吨。
矿井开拓方式为立井分水平开拓,立井贯穿各煤层底板,岩石运输大巷,采区集中石门开拓,上下山同时开采。
矿井分两个水平开采,一水平标高 -150 米,二水平标高为-450 米。
目前,集贤煤矿开采处于一水平向二水平过渡时期,一水平(-150 水平)有生产采区 4 个,准备采区 4 个,主要是一水平下山遗留的开采比较困难的块段;二水平于 2003 年开始延伸开拓,2005 年 4 月完成 -370 中一采区九层煤的开采。
二水平有一个生产采区、一个准备采区。
集贤煤矿现有采煤工作面 4 个,掘进工作面22 个,硐室 17 个,其他供风点 4 个。
矿井的通风方式为两翼对角抽出式通风,由东风井和北风井回风,从斜井和付井入风。
目前,矿井总入风量为10841m 3/min ,总排风量为11692m 3/min 。
现有主备风扇 4 台,两台运行,两台备用。
北风井主备扇型号为 BDK-6- № 22,配备 YBF450-SI-6 型电动机,电动机功率为250×2KW,主扇叶片角度一级320、 270,等级孔 2.2m2,3工作风量为6327m/min ,负压 230mmHO 转速 990r/min.服务于二段下延采区和西二采区。
东风井主备扇型号BDK-6- № 21,配备 YBF450-M2-6 型电动机,电动机功率220× 2KW,等级孔 1.7m 2,工作风量5365m3/min ,负压240mmHO。
《矿井瓦斯防治技术》课程设计题目:矿井瓦斯抽采系统管路选择及阻力计算一、瓦斯防治的目的和意义······················二、采面概况······························三、13号煤层抽放难易程度判段·······························四、不同巷道抽采量与平均浓度·······························五、瓦斯抽放管径选择·································六、管路摩擦阻力计算·································七、瓦斯抽放管路布置图(附图一)······························课程设计的目的和意义目的:了解煤矿瓦斯灾害特征及机理。
矿井瓦斯抽采系统计算及设备选型第一节抽采管路系统的选择及计算一、管路敷设及安装的要求1、抽采管路通过的巷道曲线段少、距离短。
地面埋设的无缝钢管瓦斯管道必须进行防腐处理;采用矿用聚乙烯塑料管作抽采管的必须要与其它管道有明显的区别标志。
2、抽采管路设于主要运输巷内,在人行道侧其架设高度不应小于1.8m,并固定在巷道壁上,与巷道壁的距离应满足检修要求;抽采瓦斯管件的外缘距巷道壁不宜小于0.1m。
3、主管、干管、支管及其与钻场连接处应装设瓦斯计量装置。
4、抽采钻场、门框架、低洼、温度突变处及沿管路适当距离(间距一般为200m~300m,最大不超过500m),应设置放水器。
5、在抽采管路的适当部位应设置除渣装置和测压装置。
6、抽采管路分岔处应设置控制阀门,阀门规格应与安装地点的管径相匹配。
7、主管上的阀门应设置在井下主要分区点,确保每点进行撤安管路时,不影响其它区域的正常抽采,并便于人员操作。
8、抽采管路应根据巷道保持一定的坡度,一般不小于3‰的流水坡度。
9、凡遇跨越巷道时,抽采管路安装设置门框架,门框架设置要求以不影响行车,行人为准。
10、管路要托挂或垫起,吊挂要平直,拐弯处设弯头,不拐急弯。
管子的接头接口要拧紧,用法兰盘连接的管子必须加垫圈,做到不漏气、不漏水。
11、在倾斜和水平巷道中安设管路时,必须先安管子托架,管托架间距不大于10m,要接好一节运一节,并把接好的管子用卡子或8~10号铁丝卡在或绑在预先打好的管子托架上。
12、在有电缆的巷道内铺设管路时,应铺设在电缆的另一侧,严禁瓦斯管路与电缆同侧吊挂。
13、新安装或更换的管路要进行漏气和漏水实验,凡漏气和漏水的不能使用。
拆除或更换瓦斯管路时,必须把计划拆除的管路与在使用的管路用闸阀或闸门隔开,瓦斯管路内的瓦斯排除后方可动工拆除。
14、地面敷设管路及附属设施除符合井下管路的有关要求外,尚需符合下列要求:⑴冬季寒冷时应采取防冻措施;⑵瓦斯管路不宜沿车辆来往繁忙的主要交通干线敷设;⑶瓦斯管路不充许与自来水管、暖气管、下水道管、动力电缆、照明电缆和电话线缆等敷设于一个地沟内;⑷在空旷的地带敷设瓦斯管路时,应考虑未来的发展规划和建筑物的布置情况;⑸瓦斯主管距建筑物的距离大于5m,距动力电缆大于1m,距水管和排水沟大于1.5m,距铁路大于4m,距木电线杆大于2m;⑹瓦斯管路与其它建筑物相交时,其垂直距离大于0.15m,与动力电缆、照明电缆和电话线大于0.5m,且距相交构筑物2m范围内,管路不准有接头。
X煤矿中一下采区六片瓦斯抽放措施X采煤工作面瓦斯抽放系统设计第一部分矿井概况X煤矿是全国煤炭工业现代化矿井之一,是X矿业集团主力生产矿井。
1974年10月1日简易生产,后经过两次改造年设计能力为120万吨。
现核定年生产能力为180万吨。
X煤矿隶属X煤田,位于X市东部,合江煤田西部,煤田地表地势平坦,大部分是农田。
井田东西走向9km,南北倾向4.5km。
面积40.5km。
矿井开拓方式为立井分水平开拓,立井贯穿各煤层底板,岩石运输大巷,采区集中石门开拓,上下山开采。
矿井现分两个水平开采,一水平标高-150米,二水平标高为-450米。
目前,X煤矿开采处于一水平向二水平过渡时期,一水平(-150水平)有生产采区4个,准备采区4个,二水平于2003年开始延伸开拓,2005年4月完成-370中一采区(九层煤)的开采准备。
二水平有一个生产采区、一个准备采区。
X煤矿现有采煤工作面4个,掘进工作面22个,硐室18个,其他供风点4个。
矿井的通风方式为两翼对角抽出式通风,由东风井和北风井回风,从斜井和付井入风。
目前,矿井总入风量为10864m3/min,总排风量为11707m3/min。
现有主备风扇4台,两台运行,两台备用。
北风井主备扇型号为BDK-6-№22,配备YBF450-SI-6型电动机,电动机功率为250×2KW,主扇叶片角度一级320、270,等级孔2.3m2,工作风量为6327m3/min,水柱280mmH2O转速990r/min. 服务于二段下延采区和西二采区。
东风井主备扇型号BDK-6-№21,配备YBF450-M2-6型电动机,电动机功率220×2KW,等级孔 2.1m2,工作风量5365m3/min,水柱260mmH2O。
转速990r/min.服务于南三采区和东翼采区。
井田内可采煤层有3、9、16、17层,共四组煤。
煤种属于气煤,煤层不易自燃,属于低瓦斯矿井。
第二部分抽放的必要性和可行性2010年矿井瓦斯鉴定结果,瓦斯绝对涌出量为22.78m3/min,相对涌出量为6.57m3/T,矿井为低瓦斯矿井。
根据钻孔煤样和周围矿井生产实际调查分析,该矿相对瓦斯涌出量平均为22 m 3/t ,绝对瓦斯涌出量为56 m 3/min ,属于高瓦斯矿井;煤尘爆炸指数为38.42%~64.2%,有煤尘爆炸危险;二氧化碳相对涌出量为1.5~2.1m 3/t 。
由于本矿井为大型现代化矿井,采区日产达4000t ,且煤层瓦斯含量较大,故在生产过程中,工作面瓦斯绝对涌出量为:2000×8.1/18/60=15m 3/min >5m 3/min ,故煤层在开采前必须进行瓦斯抽放。
瓦斯管路的选择 一、瓦斯抽放管径选择 选择瓦斯管径,可按下式计算:VQ0.1457D (5-1) 式中 D —瓦斯管内径,m ;Q —管内瓦斯流量,m 3/min ;V —瓦斯在管路中的经济流速,m/s ,一般取V =10~15m/s 。
约定:(1) 回风大巷、回风井及地面瓦斯抽放管为干管; (2) 回采工作面瓦斯抽放管为支管1; (3) 掘进工作面瓦斯抽放管为支管2。
(4) 采空区瓦斯抽放管为支管3 。
1、回采工作面瓦斯管路管径计算D = 0.1457 (Q/V)1/2= 0.1457 (13.75/12)1/2=0.156m (5-2)式中:D ——抽放管路内径,m ;Q ——混合气体流量,20.9min 3m ; V ——气体流速,取12m/s 。
2. 掘进工作面瓦斯管路管径计算D = 0.1457 (Q/V)1/2= 0.1457 (11/12)1/2=0.139m (5-3)式中:D ——抽放管路内径,m ;Q ——混合气体流量,11min 3m ; V ——气体流速,取12m/s 。
3.采空区瓦斯管路管径计算D = 0.1457 (Q/V)1/2 = 0.1457 (16/12)1/2=0.168m (5-4)式中:D ——抽放管路内径,m ;Q ——混合气体流量,16min 3m ; V ——气体流速,取12m/s 。
第六章瓦斯泵选型第一节抽放系统管道阻力计算抽放瓦斯管路的阻力分摩擦阻力和局部阻力。
摩擦阻力按下式计算:H m=9.81·Q2·γ·L/(K·D5)式中:H m---管路的摩擦阻力,Pa;L---管路长度,m;γ---混合瓦斯对空气的密度比;K---与管径有关的系数;D---管道内径,cm;Q---瓦斯流量(混合量),m3/h;局部阻力按摩擦阻力的15%计算,即:H j=0.15H m式中:H j---抽放瓦斯管路局部阻力,Pa。
第二节瓦斯泵流量和压力计算一、抽放瓦斯泵的流量计算抽放瓦斯泵流量按下式计算:Q=100·Qz·K/(X·η)式中:Q---瓦斯抽放泵的额定流量,m3/min;Qz---矿井抽放瓦斯总量(纯量),m3/min;X---矿井抽放瓦斯浓度,%;K---备用系数,K=1.2;η---瓦斯抽放泵的机械效率,η=0.8。
计算结果为:Q高=203.63m3/min。
Q低=144m3/min。
二、抽放瓦斯泵压力计算瓦斯抽放泵的压力就是克服瓦斯从井下钻孔口起,经瓦斯抽放管路到抽放泵,再送到用户(如果利用)所产生的全部阻力损失,按下式计算:H=K(Hzk+Hm+Hj+Hc)式中:H ----瓦斯抽放泵的压力,Pa;K ----压力备用系数,K=1.2;Hzk---抽放钻孔孔口所需负压,Pa,因本矿井针对不同抽放源使用不同的抽放负压为瓦斯抽放服务,故取未卸压部分孔口负压取H z k=14000Pa、卸压部分钻孔负压H z k=12000Pa;Hm ---地面及井下管路摩擦阻力之和,Pa;Hj ---地面及井下管路局部阻力之和,Pa;Hc ---瓦斯泵出口正压,Pa,取Hc=5000Pa。
将各部分阻力带入上述公式计算结果为:计算结果为:H高=33111.52Pa;H低=34066.13Pa。
三、抽放瓦斯泵的真空度瓦斯抽放泵真空度按下式计算:i=100H/101325式中:i---瓦斯抽放泵真空度,%;H---抽放泵所需压力,Pa。
《矿井瓦斯防治》课程设计指导书一、设计目的和任务(1设计目的通过瓦斯抽放方案设计要达到下列目的:1、系统运用所学的理论知识;2、掌握矿井瓦斯抽放设计的步骤和方法;3、熟练掌握方案比较法在瓦斯抽放设计中的应用;4、提高和培养学生分析问题、解决问题的能力;5、提高和培养学生文字编写、计算和应用CAD绘图的能力。
(2设计任务根据如下采区煤田瓦斯地质、开拓与通风条件,对该工作面的顺层钻孔瓦斯抽放系统进行设计。
1、采区位置范围该采区位于某矿第一水平,西部为井田边界,东部为采区边界,采区走向长约1550米,倾斜长约890米,采区下部为第二水平大巷,采用上下山开采。
2、地质条件该采区主采煤层为1#煤层,煤层厚度为2.4~3.8米,平均厚度为3.0米,煤层赋存稳定,煤层平均倾角约3.5o,顶板为砂质泥岩,岩层致密,底板为粗粒砂岩。
在该采区内几乎无断层,总体来说,该采区内煤层地质构造简单。
3、工作面范围、巷道布置及开采方法该工作面为该采区的首采工作面,工作面设计走向长度为1530米,工作面倾斜长度为180米,煤层平均厚度3.0米,倾角为3.5 o,煤层无自然发火倾向,煤尘不具备爆炸性。
工作面的巷道布置如下图1所示:该采区设计为走向长壁开采及全部垮落顶板管理法,工作面采用后退式一次采全高综合机械化开采,工作面生产采用三八制,每日推进3.6米。
4、通风方式及瓦斯参数该工作面采用“一进一回”的“U”形通风方式,运输巷进风,回风巷辅助运料、排矸石。
采区布置三条上山,分别是轨道上山、回风上山和皮带上山,轨道上山和皮带上山进风,回风上山回风。
经过计算,工作面供风量为1000m3/min。
煤层瓦斯含量为9m3/t,煤体容重为1.4t/m3,有突出危险,经预测,工作面瓦斯绝对涌出量为25 m3/min。
煤层透气性系数为2.5m2/(MPa2.d,百米钻孔瓦斯流量衰减系数为0.02d-1。
7图1 工作面巷道布置图二、基本内容与要求(1课程设计基本内容1、设计题目为:某矿某采区某综采工作面本煤层瓦斯抽放设计。
煤矿瓦斯抽采课程设计课程设计题目大平一矿1煤层瓦斯抽采设计院(系)别安全工程学院专业班级煤层气11-1班姓名杨博指导教师陈文胜年 12月 26日目录1 矿井概况及安全条件 01.1 井田概况 01.1.1 交通位置 01.1.2 地形与地貌特征 01.1.3 气候地震等情况 (1)1.2 井田地质特征 (1)1.2.1 地层与地质构造 (1)1.2.2 岩浆与水文地质 ....................................... 错误!未定义书签。
1.2.3 煤层与煤质 (5)1.2.4 煤系地层 (6)1.2.5 煤尘、煤的自燃、煤质 (7)1.3 矿井开拓、开采概况 (8)1.4 矿井通风系统概况 (9)2 矿井瓦斯赋存情况 (9)2.1 煤层瓦斯基本参数 (9)2.1.1 煤层瓦斯含量 (10)2.1.2 百米钻孔自然瓦斯涌出量及衰减系数 (10)2.1.3煤层透气性系数 (10)2.1.4围岩瓦斯储量系数 (10)2.2矿井瓦斯储量及可抽量 (10)2.3 瓦斯抽采的必要性 (12)2.3.1矿井瓦斯涌出量预测 (12)2.3.2瓦斯抽采的必要性 (13)2.3.3从矿井瓦斯涌出量预测结果来看瓦斯抽采的必要性 (14)2.3.4 从矿井通风能力来看瓦斯抽采的必要性 (14)2.3.5 从资源和环保的角度来看瓦斯抽采的必要性错误!未定义书签。
2.4 瓦斯抽采的可行性 (16)3 瓦斯抽采施工工艺的确定 (18)3.1矿井瓦斯抽采设计的原则 (18)4抽采瓦斯方法 (19)4.1矿井瓦斯来源分析 (19)4.1.1回采工作面瓦斯来源及涌出构成 (19)4.2抽采瓦斯方法 (19)4.2.1选择抽采方法的原则 (20)4.2.2瓦斯抽采方法的选择方案的确定 (24)4.3钻场布置、钻孔参数确定 (25)4.3.1布孔方式及钻孔布置 (25)4.3.2钻孔直径、长度及个数的确定 (27)4.3.3钻孔布置平剖图 (28)4.3.4封孔方式、材料及工艺 (28)4.3.5封孔方式、材料及工艺选择 (34)5 瓦斯抽采基础参数 (34)5.1瓦斯抽采量计算Qi (35)5.2工作面最大抽采量的抽采率d (35)5.3抽采瓦斯时间 (36)结论 (37)1矿井概况及安全条件1.1 井田概况1.1.1 交通位置大平煤矿位于沈阳市康平县境内,位于法库与康平两县之间,大部分隶属于康平县东关屯乡管辖,其地理坐标为:东经123°18′45″~123°30′,北纬42°35′~42°45′。
1、瓦斯抽放管路的选型[]1/2(4)/(60)c D Q v =π=式中 D ——瓦斯管内径,m; Q c ——管内混合气体混合流量,m 3/min ;V ——管内混合气体平均流速,取v=5~15m/s 。
2、摩擦阻力计算2509.81c f Q L H K D ⨯γ= 式中 H f ——瓦斯管道的摩擦阻力,Pa ;L ——管道的长度,m ;D ——瓦斯管内径,cm ; Q c ——管内混合气体的流量,m 3/h ;γ——瓦斯混合气体的相对密度;瓦斯浓度30%、气体温度为5℃时,γ=0.844;瓦斯浓度40%、气体温度为5℃时,γ=0.799;K 0——不同管径系数,D>150mm 时,均取0.72。
管路系数K 值表3、局部阻力计算20%()J m H H h =+式中 H f ——瓦斯管道的摩擦阻力,Pa ; H J ——瓦斯管道的局部阻力,Pa ; h ——回风立井瓦斯管路阻力,Pa 。
4、井下抽放管路负压计算J =H +H +h+h f H 孔口负式中 H 负——瓦斯管路负压,Pa ;H f ——瓦斯管道的摩擦阻力,Pa ;H J ——瓦斯管道的局部阻力,Pa ; h ——回风立井瓦斯管路阻力,Pa 。
5、瓦斯泵流量计算:z Q K Q =X η泵 式中 Q 泵——瓦斯泵的流量,m 3/min ; Q z ——预计的最大瓦斯抽出量,m 3/min ; X ——瓦斯泵入口的瓦斯浓度,m 3/min ; K ——备用系数,取1.26、瓦斯泵压力计算=H +H K H ⨯正总负()式中 H 总——瓦斯管路总压,Pa ;H 负——瓦斯管路负压,Pa ;H 正——瓦斯泵正压,Pa ;。
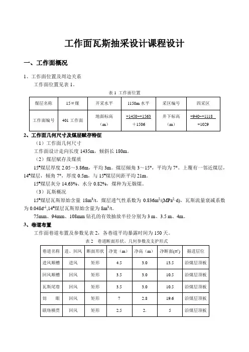
工作面瓦斯抽采设计课程设计一、工作面概况1、工作面位置及周边关系工作面位置见表1。
表1 工作面位置2、工作面几何尺寸及煤层赋存特征(1)工作面几何尺寸工作面设计走向长度1435m,倾斜长180m。
(2)煤层赋存及煤质15#煤层厚度2.05~3.86m,平均3m。
煤层倾角3~15°,平均为7°。
上覆有一邻近煤层,14#煤层,倾角7°,厚度0.5m,与15#煤层间距平均21m。
15#煤层灰分14.63%、水分0.82%,煤种为无烟煤。
(3)瓦斯概况15#煤层瓦斯原始含量18m3/t,煤层透气性系数为0.836m2/(MPa2·d),瓦斯流量衰减系数为0.048d-1,14#煤层瓦斯原始含量为8m3/t。
75mm、94mm、108mm钻孔的有效抽放半径分别为3 m、3.5 m、4m。
3、巷道布置工作面巷道布置及参数见表2,各巷道平均暴露时间为150天。
表2 巷道断面形状、几何参数及支护形式4、采煤方法工作面应采用倾斜长壁顶板上行垮落综合机械化采煤法,采高平均3m,回采率为85%,日生产原煤4000t。
5、工作面风量工作面配风2000m3/min,回风巷1500m3/min,尾巷500 m3/min,回风巷瓦斯浓度控制在0.5%,尾巷瓦斯浓度控制在2.0%以下。
二、设计内容1、工作面瓦斯涌出量预测计算(参考《矿井瓦斯涌出量预测方法》)(1)本煤层开采瓦斯涌出量预测(2)邻近层开采瓦斯涌出量预测(垮落带高度为15m)2、分析工作面瓦斯抽采的必要性和可行性(参考《煤矿瓦斯抽放规范》)(1)根据瓦斯涌出量及配风标准分析瓦斯抽采必要性(2)根据瓦斯基础参数分析瓦斯抽采的可行性3、设计工作面抽采瓦斯方案(参考《煤矿瓦斯抽采工程设计规范》)(1)本煤层瓦斯抽采方法及布置参数(2)邻近层瓦斯抽采方法及布置参数(3)采空区瓦斯抽采方法及布置参数4、工作面瓦斯抽采管路、抽放泵的选型计算(参考《煤矿瓦斯抽采工程设计规范》)(1)本煤层瓦斯抽采管路、抽放泵的选型(选用高负压系统)(2)邻近层瓦斯抽采管路、抽放泵的选型(选用低负压系统)(3)采空区瓦斯抽采管路、抽放泵的选型(选用低负压系统)5、绘制工作面瓦斯抽放系统图三、参考规范(1)AQ1018-2006矿井瓦斯涌出量预测方法(2)GB 50471-2008煤矿瓦斯抽采工程设计规范(3)AQ1027-2006煤矿瓦斯抽放规范。
抽采系统设计计算方法
抽采系统设计计算方法
(一)瓦斯抽采管路管径的选择
参照公式:管径D=0.1457(Q/v)l/2
式中:Q管道内抽采混合气体流量(m3/min)
Ⅴ一管道内气体流速(m/s)
(二)瓦斯抽采泵的选择
参照公式:Q泵=(QMaxK)/(C)
式中:Q泵抽采泵的额定流量(m3/min)
QMax最大抽采瓦斯纯量(m3/min)
K瓦斯综合抽采系数
C抽采泵入口处瓦斯浓度(%)
抽采泵的机械效率
参照公式:H泵=(H总+H孔+H正)K
式中:H泵抽采泵的压力(Pa)
H总抽采管路总阻力损失(Pa)(包括直管阻力损失H直和局部阻力损失,局部阻力损失依据管路安装条件取经验值) H孔抽采孔口所需负压(取值不低于O.015MPa)
H正采放泵出口正压
K抽采备用系数
参照公式:H直=9.8(LQ2)/(K0D5)
式中:H直直管阻力损失
L下抽采直管长度(m)
Q抽采管内瓦斯流量(m3/h)
含瓦斯混合气体对空气的相对密度K0综合系数
D抽采管道内径(cm)。
新安矿14151工作面瓦斯抽采设计学院能源学院班级煤层气10-02姓名刘志成学号************指导教师刘晓目录1.14151工作面概况 (1)1.1 工作面位置范围 (1)1.2 水文地质构造 (1)1.3 顶底板岩性 (1)1.4 煤层瓦斯情况 (1)2.矿井瓦斯抽放的必要性 (2)2.1 瓦斯抽放的必要性 (2)2.2 工作面可以供给的风量 (2)2.3 通风方法可以解决的瓦斯含量 (3)2.4 采面瓦斯涌出预测 (3)2.5 工作面所需风量计算 (4)2.6 抽采瓦斯在防治煤与瓦斯突出方面的必要性 (4)3.抽采瓦斯的可行性 (5)4.抽采瓦斯方案 (6)4.1 抽采设计原则和抽采方法选择 (6)4.1.1 瓦斯抽采设计原则 (6)4.1.2 本煤层未采区预抽钻孔形式选择 (6)4.1.3 采空区抽采形式选择 (7)4.2 抽采钻孔布置 (9)4.2.1 本煤层未采区预抽钻孔布置 (9)4.2.2 采空区抽采形式 (10)4.3 封孔方法、材料及工艺 (11)4.4 抽采效果预测 (12)5.选型计算 (12)5.1 抽采管道的管径选择 (13)5.2 管道阻力计算 (13)5.3 瓦斯抽采泵选型计算 (14)6.管路的附属装置 (14)6.1 瓦斯管路敷设及质量验收 (14)7.瓦斯抽放组织管理及安全技术措施 (15)7.1 组织管理 (15)7.1.1 管理规范 (15)7.1.2 组织机构设置 (15)7.2 抽放系统的检查与管理 (15)7.2.1 泵站硐室 (15)7.2.2 抽放管路 (16)7.2.3 抽放钻孔 (16)7.3 技术资料管理 (16)7.4 瓦斯抽放钻场施工管理 (17)7.5 井下瓦斯抽放管路管理 (18)7.6 瓦斯抽放泵的维护和操作 (19)7.6.1 瓦斯泵的日常维护和保养 (19)7.6.2 日常操作 (20)7.7 安全保障措施 (21)7.8 抽放瓦斯测定记录 (22)8.参考文献 (25)9.附图 (26)1.14151工作面概况1.1 工作面位置范围14151工作面位于新安煤矿14采区下山东翼上部,上邻14采区运输大巷保护煤柱,下邻14171工作面,东邻14与12采区保护煤柱,西邻14采区皮带下山保护煤柱,地面无建筑物和水体。
瓦斯抽采设计一、抽采方法3205回采工作面瓦斯抽采方法:本煤层瓦斯抽采为主、采空区抽采为辅,预抽与边采边抽、边掘边抽相结合。
1、开采层瓦斯抽采(1)边掘边抽在瓦斯含量小于8m³/t的区域内,巷道掘进时每隔100米布置一个钻场,在钻场内向巷道前方施工6个定向长钻孔,预先抽取巷道内瓦斯。
专排瓦斯巷、运输顺槽及辅助进风巷靠近横川时,可以再横川内施工钻孔,回风顺槽钻场必须布置在靠近工作面一侧(每100米布置一个),兼做采空区钻场。
在瓦斯含量大于8m³/t的区域内,在掘进巷道前方施工定向长钻孔,预先抽取煤层内瓦斯,煤层瓦斯含量小于8m³/t时方能掘进。
附图1:掘进工作面抽采钻场钻孔布置示意图(2)本煤层预抽回风顺槽施工时,瓦斯管路及时敷设,本煤层预抽钻孔及时施工,提前预抽煤层内瓦斯,3205工作面回采之前,进行瓦斯含量测定,瓦斯含量小于6.56m³/t时,方可回采。
(根据《煤矿瓦斯抽采基本指标》确定的采面预抽率AQ1026–2006《煤矿瓦斯抽采基本指标》规定,日产量在8001~10000t的工作面回采时其可解吸瓦斯含量应不大于4.5m3/t。
矿井3号煤层的瓦斯含量为16.96m3/t、残存瓦斯含量为 2.06m3/t,按上述标准要求,通过预抽后矿井煤层的瓦斯含量应不大于6.56m3/t,)附图2:3205工作面预抽钻孔施工示意图2、采空区瓦斯抽采对于3205工作面的采空区,采用钻孔法抽采采空区裂隙带瓦斯。
3205工作面采空区瓦斯采用顶板走向长钻孔抽采方式,在工作面的回风顺槽钻场内迎向工作面推进方向施工6个顶板扇形钻孔,钻孔终孔位置位于采空区裂隙带内,抽采采空区和邻近层的瓦斯。
同时,通过抽采负压作用,改变工作面后方采空区流场,以此达到解决工作面采空区瓦斯涌出、上隅角瓦斯超限的问题。
附图3:3205工作面采空区抽采平、剖面图二、抽采钻场及钻孔1、抽采钻孔参数(1)钻孔直径常规的瓦斯抽采钻孔的直径一般为70~80mm,由于本矿井的瓦斯抽采方法为本煤层预抽,且透气性较差,为提高抽采效果,需增大钻孔直径。
矿井瓦斯抽采课程设计一、课程目标知识目标:1. 让学生理解矿井瓦斯的产生原理及危害,掌握矿井瓦斯抽采的基本知识;2. 使学生了解矿井瓦斯抽采的技术方法、工艺流程及其在实际生产中的应用;3. 帮助学生掌握矿井瓦斯抽采过程中的安全防护措施,提高安全意识。
技能目标:1. 培养学生运用所学知识分析矿井瓦斯抽采问题的能力;2. 提高学生矿井瓦斯抽采现场操作技能,具备一定的实际操作能力;3. 培养学生利用现代化技术手段解决矿井瓦斯抽采过程中遇到的问题。
情感态度价值观目标:1. 培养学生关注矿井安全生产的责任感,树立安全第一的观念;2. 激发学生对矿井瓦斯抽采技术研究的兴趣,培养创新精神和探索精神;3. 增强学生团结协作、吃苦耐劳的精神,树立正确的职业态度。
本课程针对矿井瓦斯抽采的实际需求,结合学生年级特点,注重理论知识与实践操作的结合,旨在提高学生对矿井瓦斯抽采知识的掌握和实际应用能力,培养学生的安全意识和职业素养,为我国矿山安全生产培养合格的专业人才。
通过对课程目标的分解,为后续教学设计和评估提供明确的方向。
二、教学内容本章节教学内容主要包括以下三个方面:1. 矿井瓦斯产生原理及危害- 瓦斯成分及产生原因- 瓦斯在矿井中的运移规律- 瓦斯爆炸及其危害- 矿井瓦斯抽采的重要性2. 矿井瓦斯抽采技术方法- 瓦斯抽采的基本原理- 常见的瓦斯抽采方法及设备- 瓦斯抽采工艺流程- 瓦斯抽采效果评价方法3. 矿井瓦斯抽采安全防护措施- 瓦斯抽采现场安全管理- 防止瓦斯超限的技术措施- 瓦斯爆炸事故的预防与应急处理- 瓦斯抽采安全标准化建设本章节教学内容依据课程目标,结合教材内容进行选择和组织,保证教学内容的科学性和系统性。
在教学过程中,将按照以下进度安排教学内容:1. 矿井瓦斯产生原理及危害(1课时)2. 矿井瓦斯抽采技术方法(2课时)3. 矿井瓦斯抽采安全防护措施(1课时)三、教学方法针对矿井瓦斯抽采课程的特点,本章节将采用以下多样化的教学方法,以激发学生的学习兴趣和主动性:1. 讲授法:教师通过生动的语言和丰富的案例,讲解矿井瓦斯产生原理、抽采技术方法及安全防护措施等理论知识,帮助学生建立完整的知识体系。
根据钻孔煤样和周围矿井生产实际调查分析,该矿相对瓦斯涌出量平均为22 m 3/t ,绝对瓦斯涌出量为56 m 3/min ,属于高瓦斯矿井;煤尘爆炸指数为38.42%~64.2%,有煤尘爆炸危险;二氧化碳相对涌出量为1.5~2.1m 3/t 。
由于本矿井为大型现代化矿井,采区日产达4000t ,且煤层瓦斯含量较大,故在生产过程中,工作面瓦斯绝对涌出量为:2000×8.1/18/60=15m 3/min >5m 3/min ,故煤层在开采前必须进行瓦斯抽放。
瓦斯管路的选择 一、瓦斯抽放管径选择 选择瓦斯管径,可按下式计算:VQ0.1457D (5-1) 式中 D —瓦斯管内径,m ;Q —管内瓦斯流量,m 3/min ;V —瓦斯在管路中的经济流速,m/s ,一般取V =10~15m/s 。
约定:(1) 回风大巷、回风井及地面瓦斯抽放管为干管; (2) 回采工作面瓦斯抽放管为支管1; (3) 掘进工作面瓦斯抽放管为支管2。
(4) 采空区瓦斯抽放管为支管3 。
1、回采工作面瓦斯管路管径计算D = 0.1457 (Q/V)1/2= 0.1457 (13.75/12)1/2=0.156m (5-2)式中:D ——抽放管路内径,m ;Q ——混合气体流量,20.9min 3m ; V ——气体流速,取12m/s 。
2. 掘进工作面瓦斯管路管径计算D = 0.1457 (Q/V)1/2= 0.1457 (11/12)1/2=0.139m (5-3)式中:D ——抽放管路内径,m ;Q ——混合气体流量,11min 3m ; V ——气体流速,取12m/s 。
3.采空区瓦斯管路管径计算D = 0.1457 (Q/V)1/2 = 0.1457 (16/12)1/2=0.168m (5-4)式中:D ——抽放管路内径,m ;Q ——混合气体流量,16min 3m ; V ——气体流速,取12m/s 。
前言《矿山安全技术》课程设计是学生学习该课程理论学习结束后进行的一项实践教学环节,是课程体系的主要组成部分。
其目的是通过课程设计加深对《矿山安全技术》和其它课程所学专业理论知识的理解。
综合应用理论解决实际问题,培养学生计算、绘图和设计的能力为毕业设计奠定基础。
32101工作面开采戊9-10煤层,煤层厚度为4.8-5.2m平均厚度一矿戊9-10为5m;赋存稳定,倾角为2~5°。
顶板为砂质泥岩,岩层不很致密,距戊8~9-10煤层,该煤层在本区域内厚度0~0.4m为不可采煤层。
本区域10m,顶部为戊8有小断层,对开采影响不大。
编制设计方案的依据(1)《矿井抽采瓦斯工程设计规范》MT5018-96中华人民共和国煤炭工业部;(2)《矿井瓦斯抽采管理规范》1997中华人民共和国煤炭工业部;(3)《煤矿安全规程》(2006)国家煤炭安全监察局;(4)《采矿工程设计手册》煤炭工业出版社;(5)《煤矿瓦斯抽放规范》(AQ1027-2006)中华人民共和国安全生产行业标准;(6)《煤矿瓦斯抽采基本指标》(AQ1027-2006)中华人民共和国安全生产行业标准;目录第一章综采工作面概况----------------------------------------------------------- 3 第一节采区位置范围、地质条件和煤层综合柱状图-------------------- 3 第二节煤层瓦斯参数和抽放瓦斯参数-------------------------------------- 4 第三节采区和工作面巷道布置、采煤方法-------------------------------- 4 附:综采工作面巷道布置范围-------------------------------------------------- 5 第二章瓦斯储量计算、抽放瓦斯必要性论证------------------------------ 5 第一节煤层瓦斯储量计算----------------------------------------------------- 7 第二节工作面可抽放量计算和抽放必要性可行性论证----------------- 7 第三章煤层瓦斯抽放方法设计 ------------------------------------------------ 8第一节抽放方法的比较和选择 ------------------------------------------------ 8 第二节抽放钻孔参数确定------------------------------------------------------- 9 第三节绘制抽放钻孔布置平面图和剖面图----------------------- 9第四章综采工作面瓦斯抽放系统 --------------------------------------------- 10 第一节工作面瓦斯抽放设施的配置和布置 --------------------------------- 10 第二节抽放管路的计算和选择 -------------------------------------------------- 11 第五章瓦斯泵选型 --------------------------------------------------------------- 12第一节抽放系统管道阻力计算 ------------------------------------------------ 12 第二节瓦斯泵流量和压力计算 ------------------------------------------------ 13 第三节瓦斯泵选型确定 ----------------------------------------------------------- 14第六章工作面瓦斯抽放安全技术措施 --------------------------------------- 14第一章综采工作面概况第一节采区位置范围、地质条件和煤层综合柱状图地质条件本采区开采戊9-10煤层,煤层厚度为4.8-5.2m平均厚度为5m;赋煤层,存稳定,倾角为2~5°。
《矿井瓦斯防治技术》课程设计题目:矿井瓦斯抽采系统管路选择及阻力计算一、瓦斯防治的目的和意义······················二、采面概况······························三、13号煤层抽放难易程度判段·······························四、不同巷道抽采量与平均浓度·······························五、瓦斯抽放管径选择·································六、管路摩擦阻力计算·································七、瓦斯抽放管路布置图(附图一)······························课程设计的目的和意义目的:了解煤矿瓦斯灾害特征及机理。
掌握煤矿瓦斯灾害预防措施。
熟悉煤矿瓦斯灾害防治新技术。
熟悉煤层瓦斯抽放方法及原理。
掌握煤层瓦斯抽放设计及工程管理。
提高和培养学生文字编写、计算机应用的能力。
意义:《瓦斯灾害防治》课程设计是我们学习该课程结束后进行的一项实践环节,是课程体系的主要组成部分。
其目的是通过课程设计使我们加深对《瓦斯灾害防治》,《防治煤与瓦斯突出规定》和其它相关课程所学专业理论知识的理解,了解瓦斯基础理论知识,综合应用理论解决实际问题,培养我们计算、绘图和设计能力,及解决实际问题的操作能力,为毕业设计以及毕业后从事瓦斯灾害防治工作奠定基础。
3 设计依据1)《防治煤与瓦斯突出规定》(2009);2)《煤矿安全规程》(2010);3)《煤矿瓦斯抽采基本指标》(AQ1026-2006);4)《煤矿瓦斯抽放工程设计规范》(GB50471-2008);5)《煤矿瓦斯抽放规范》(AQ1027-2006)。
一、采煤概况某矿一采区采用上山开采13号煤层,已知煤层透气性系数 =0.1045 m2/MPa2·d,百米钻孔初始瓦斯涌出强度为0.011 (m3/min.100m),钻孔自然瓦斯流量衰减系数0.0324 (d-1)。
采区内布置有1个回采工作面、1个准备工作面和3个掘进工作面,如图所示。
回采工作面在上、下顺槽分别施工煤层顺层钻孔边采边抽回采区域瓦斯;准备回采工作面采用上、下顺槽分别施工煤层顺层钻孔预抽煤层瓦斯;掘进工作面采用巷帮钻场施工煤层巷帮钻孔配合正前煤层顺层钻孔预抽煤巷条带区域瓦斯,掘进期间巷帮钻孔边掘边抽。
已知各段巷道的长度为:巷道段编号长度(m)管路类型抽采纯量(m3/min)平均浓度(%)1~2 200 主管2~3 1500 主管3~4 230 主管4~5 30 主管5~6 230 主管6~7 30 主管7~8 230 主管8~9 30 主管3~10 1350 支管7.0 504~11 1350 支管 7.0 50 5~12 1800 支管 7.0 50 6~13 1800 支管 7.0 50 7~14 960 支管 5.0 40 8~15 1750 支管 5.0 40 9~16800支管5.040请依据《AQ 1027-2006 矿井瓦斯抽放规范》判断13号煤层抽放难易程度,分别选取主管和支管(管径)并添加在图中,然后计算抽放系统各段管路的抽放阻力。
胶带机顺槽轨道顺槽1302准备工作面胶带机顺槽采区变电所采区胶带机上山采区专用回风上山采区轨道运输上山-78013-1轨道大巷中央变电所中央水泵房井下爆破器材库主水仓副水仓主井副井地面瓦斯抽采泵站轨道顺槽胶带机顺槽掘进1301综采面顺槽掘进胶带机顺槽掘进5123410111213671416158Q 19Q 2Q 3Q 4Q 5Q 6Q 7图1 矿井瓦斯抽采方法示意图参考资料:标准抽放管路内径规格序列 1 2 3 4 5 6 7 8 9 10内径25385075100125150175200225 mm序列11 12 13 14 15 16 17 18 19 20内径250275300325350375400425450475 mm二、13号煤层抽放难易程度判断《AQ 1027-2006 矿井瓦斯抽放规范》把末卸压煤层,煤层瓦斯抽放的难易程度可划分为三类,见表1表1 煤层瓦斯抽放难易程度表煤层透气性系数㎡类别钻孔流量衰减系数d-1/Mpa2·d 容易抽数<0.003 >10可以抽放0.003~0.05 10~0.1较难抽放>0.05 <0.1已知条件:13号煤层,已知煤层透气性系数 =0.1045m2/MPa2·d,百米钻孔初始瓦斯涌出强度为0.011 (m3/min.100m),钻孔自然瓦斯流量衰减系数0.0324 (d-1)。
对照煤层瓦斯抽放难易程度表13号煤层的抽放难易程度为:可以抽放对煤层的不同抽放难易程度应采取不同的瓦斯抽放方法:1、煤层透气性较好、容易抽放的煤层,宜采用本层预抽方法,可采用顺层或穿层布孔方式。
2、煤层透气性较差、采用分层开采的厚煤层。
可利用先采分层的卸压作用抽放来采分层的瓦斯。
3、单一低透气性高瓦斯煤层.可选用加密钻孔、交叉钻孔、水力割缝、水力压裂、松动爆破、深孔控制顶裂爆破等方法强化抽放。
煤与瓦斯突出危险严重煤层,应选择穿层网格布孔方式。
4、煤巷掘进瓦斯涌出量较大的煤层,可采用边掘边抽或先抽后掘的抽放方法。
三、不同主巷道段的纯抽采量与平均浓度根据矿井巷道布置图,分支管道与主管道的汇合关系,当多趟管路混合时其浓度,按总纯流量和总混合流量计算混合浓度。
计算结果如下表:表2巷道区段1~2 2~3 3~4 4~5 5~6 6~7 7~8 8~9 纯抽采量(m3/min)41 41 36 29 22 15 10 5平均浓度(%)43.8 43.8 45.2 44.2 42.7 40 40 40四、瓦斯抽放管径选择可按下式计算:QD = 145.7V式中:D ——瓦斯管内径,mm;Q ——管内瓦斯流量,m3/min;V——瓦斯在管路中的平均流速,m/s ,一般取V=10m/s~15m/s。
管内瓦斯流量Q是纯瓦斯抽采量与平均浓度的比值即瓦斯的混合流量,这里V取值为10m/s。
资料查的标准抽放管路内径规格如下表:序列 1 2 3 4 5 6 7 8 9 10 内径mm25385075100125150175200225序列11 12 13 14 15 16 17 18 19 20 内径mm250275300325350375400425450475对于计算值要根据标准抽放管路内径规格选取合理的管路内径由以上计算结果如下:巷道段编号抽采纯量(m3/min)管道内瓦斯平均浓度(%)管内瓦斯流量(m3/min)瓦斯管内径计算值(mm)瓦斯管内径对应标准值(mm)1~2 43.0 46.0 93.6 445.7 450 2~3 43.0 46.0 93.6 445.7 450 3~4 36.0 45.2 79.6 411.1 425 4~5 29.0 44.2 65.6 373.2 375 5~6 22.0 42.7 51.5 330.6 350 6~7 15.0 40 37.5 282.1 300 7~8 10.0 40 25 230.4 250 8~9 5.0 40 12.5 162.5 175 3~10 7.0 50 14 172.4 175 4~11 7.0 50 14 172.4 175 5~12 7.0 50 14 172.4 1756~13 7.0 50 14 172.4 175 7~14 5.0 40 12.5 162.8 175 8~15 5.0 40 12.5 162.8 175 9~16 5.04012.5162.8175五、管路摩擦阻力计算计算直管摩擦阻力,可按下式计算: H =DQ 52K L 8.9V式中:H ——阻力损失,Pa ; L ——管路长度,m ; Q ——瓦斯流量,m 3/h ; D ——管道内径,cm ;k ——与管径有关的系数,见表D.1; v ——混合瓦斯对空气的相对,见表D.2表D.1 不同管径的系数k 值通称管径 mm 15 20 25 32 40 50 K 值 0.46 0.47 0.48 0.49 0.50 0.52 通称管径 mm 70 80 100 125 150 180以上 K 值0.550.570.620.670.700.71由于所取管径均大于150管径的系数k 值都取0.7表D.2 在0℃及105 Pa 气压时的v 值瓦斯浓度0 1234567890 10.996 0.991 0.987 0.982 0.978 0.973 0.969 0.954 0.960 10 0.955 0.951 0.947 0.942 0.938 0.933 0.929 0.924 0.920 0.915 20 0.911 0.906 0.902 0.898 0.893 0.889 0.881 0.880 0.875 0.871 300.866 0.862 0.857 0.853 0.8480.844 0.840 0.835 0.831 0.82640 0.822 0.817 0.813 0.808 0.840 0.799 0.795 0.791 0.786 0.782 50 0.777 0.773 0.756 0.764 0.759 0.755 0.750 0.746 0.742 0.737 60 0.733 0.728 0.724 0.719 0.715 0.710 0.706 0.701 0.697 0.693 70 0.688 0.684 0.379 0.675 0.670 0.666 0.661 0.657 0.625 0.648 80 0.614 0.639 0.635 0.630 0.626 0.621 0.617 0.612 0.608 0.603 90 0.599 0.595 0.590 0.586 0.581 0.577 0.572 0.568 0.563 0.559 100 0.554 ——————————————————管路摩擦主要阻力损失计算如下:巷道段编号直管路长度(m)管内瓦斯流量(m3/h)管内瓦斯流量的平方(m3/h)2管道内径(cm)管道内瓦斯的平均浓度(%)所在瓦斯浓度下的v值管路摩擦阻损失(Pa)1~2 200 5616 31539456 45 46.0 0.795 380.47 2~3 1500 5616 31539456 45 46.0 0.795 2853.5 3~4 230 4776 22810176 42.5 45.2 0.799 423.24 4~5 30 3936 15492096 37.5 44.2 0.840 73.7 5~6 230 3090 9548100 35 42.7 0.808 473 6~7 30 2250 5062500 30 40 0.822 71.93 7~8 230 1500 2250000 25 40 0.822 609.8 8~9 30 750 562500 17.5 40 0.822 118.3 3~10 1350 840 705600 17.5 50 0.777 6313.2 4~11 1350 840 705600 17.5 50 0.777 6313.2 5~12 1800 840 705600 17.5 50 0.777 8417.6 6~13 1800 840 705600 17.5 50 0.777 8417.6 7~14 960 750 562500 17.5 40 0.822 3786.2 8~15 1750 750 562500 17.5 40 0.822 6901.99~16 800 750 562500 17.5 40 0.822 3155.1 总和48308.74局部阻力一般按摩擦阻力的10%~20%。