电动隔离开关技术要求书
- 格式:doc
- 大小:97.50 KB
- 文档页数:15
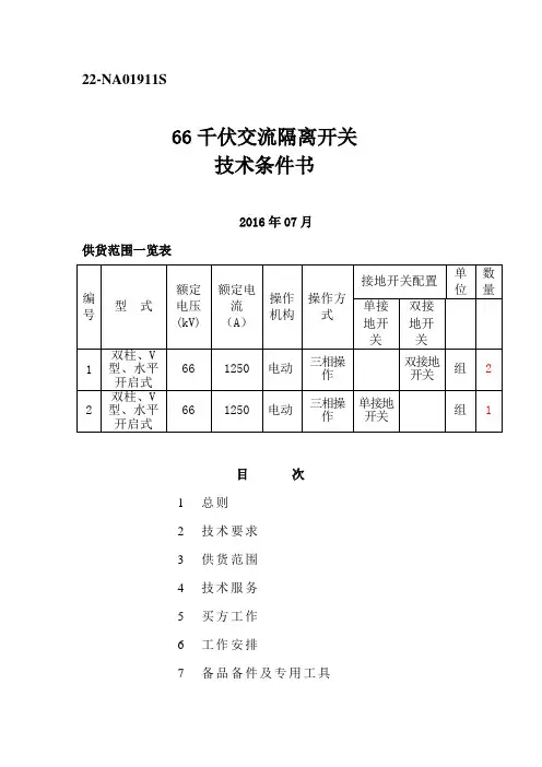
22-NA01911S66千伏交流隔离开关技术条件书2016年07月供货范围一览表目次1总则2技术要求3供货范围4技术服务5买方工作6工作安排7备品备件及专用工具8质量保证和试验9包装、运输和贮存1 总则1.1 本设备技术条件书适用于本工程66千伏交流高压隔离开关,它提出了66kV隔离开关的功能设计、结构、性能、安装和试验等方面的技术要求。
1.2 本设备的技术条件书提出的是最低限度的技术要求,并未对一切技术细节作出规定,也未充分引述有关标准和规范的条文,卖方应提供符合本规范书和工业标准的优质产品。
1.3 如果卖方没有以书面形式对本规范书的条文提出异议,则表示卖方提供的设备完全符合本规范书的要求。
如有异议,不管多么微小,都应在报价书中以“对规范书的意见和同规范书的差异”为标题的专门章节加以详细描述。
1.4 本设备技术条件书所使用的标准如遇与卖方所执行标准不一致时,按较高标准执行。
1.5 本设备技术条件书经买、卖双方确认后作为订货合同的技术附件与合同正文具有同等的法律效力。
1.6 本设备技术条件书未尽事宜,由买卖双方协商确定。
2 技术要求2.1 应遵循的主要现行标准2.1.1 GB311 《高压输变电设备的绝缘配合》2.1.2 GB11022《高压开关设备通用技术条件》2.1.3 GB1985 《交流高压隔离开关和接地开关》2.1.4 GB2706 《交流高压电器动热稳定试验方法》2.1.5 GB763 《交流高压电器在长期工作时的发热》2.1.6 GB5582 《高压电力设备外绝缘污秽等级》2.1.7 GB8287.1《高压支柱瓷绝缘子技术条件》2.1.8 GB11604 《高压电器设备无线电干扰测试方法》2.1.9 GB5273 《变压器、高压电器和套管的接线端子》2.1.10 GB8287.2《高压支柱瓷绝缘子尺寸和特性》2.1.11 GB3309 《高压开关设备常温下的机械试验》2.1.12 GB/T13601《高压开关设备严重冰冻条件下的操作》2.1.13 其它有关的现行国家标准。
焦煤集团供电处110kV隔离开关技术要求编制:审核:批准:焦煤集团供电处目次1总则 (2)1.1一般规定 (2)1.2投标人应提供的资格文件 (2)1.3适用范围 (2)1.4对设计图纸、说明书和试验报告的要求 (3)1.5标准和规范 (5)1.6投标人必须提交的技术参数和信息 (5)1.7备品备件 (6)1.8专用工具与仪器仪表 (6)1.9安装、调试、性能试验、试运行和验收 (6)2结构要求 (6)2.1隔离开关和接地开关技术参数 (6)2.2通用要求 (7)2.3操动机构 (7)2.4涂漆和防锈 (8)2.5铭牌 (8)3试验 (9)3.1型式试验 (9)3.2出厂试验 (9)3.3现场交接试验 (9)3.4电瓷部件的抽查试验 (10)4技术服务、设计联络、工厂检验和监造 (10)4.1技术服务 (10)4.2设计联络会 (11)4.3工厂检验和监造 (11)5一次、二次及土建接口要求 (12)5.1126kV隔离开关 (12)1总则1.1一般规定1.1.1投标人应具备招标公告所要求的资质,具体资质要求详见招标文件的商务部分。
1.1.2投标人须仔细阅读包括本技术规范(技术规范通用和专用部分)在内的招标文件阐述的全部条款。
投标人提供的隔离开关及接地开关应符合招标文件所规定的要求。
1.1.3本招标文件技术规范提出了对隔离开关及接地开关的技术参数、性能、结构、试验等方面的技术要求。
1.1.4本招标文件提出的是最低限度的技术要求,并未对一切技术细节作出规定,也未充分引述有关标准和规范的条文,投标人应提供符合本技术规范引用标准的最新版本标准和本招标文件技术要求的全新产品,如果所引用的标准之间不一致或本招标文件所使用的标准如与投标人所执行的标准不一致时,按要求较高的标准执行。
1.1.5如果投标人没有以书面形式对本招标文件技术规范的条文提出差异,则意味着投标人提供的设备完全符合本招标文件的要求。
如有与本招标文件要求不一致的地方,必须逐项在“技术差异表”中列出。
abb隔离开关说明书一、产品概述abb隔离开关是一种用于切断和隔离电路的电气设备。
本产品设计精巧,安装方便,具有高可靠性和安全性能,可广泛应用于低压配电系统中。
本说明书将详细介绍abb隔离开关的特点、技术参数、安装要求及使用方法,方便用户正确使用该设备并确保电气设备的正常运行。
二、产品特点1. 高可靠性:abb隔离开关采用优质的导电材料和高级绝缘材料制造,确保其在长时间使用过程中不易老化和损坏。
2. 安全可靠:该设备具备良好的隔离性能,能够有效切断电路并保护人身安全。
同时,abb隔离开关在设计过程中考虑了防误操作的因素,有效避免了因误操作导致的电击事故。
3. 操作简便:abb隔离开关具有简洁明了的操作界面,用户只需按照说明书操作即可完成开关的开启和切换操作。
4. 节能环保:本产品在正常使用过程中无需外部能源供应,不会产生额外的能源消耗,符合节能环保要求。
三、技术参数名称:abb隔离开关额定电压:AC220V/380V额定电流:10A/20A/32A/63A工作温度:-20℃~+40℃绝缘电阻:≥100MΩ机械寿命:10000次防护等级:IP65四、安装要求1. 安装位置:abb隔离开关应安装在通风良好、干燥的室内环境中,位置选定要远离易燃易爆物品和腐蚀性物质,以免影响设备的正常运行。
2. 安装固定:请使用符合国家标准的配件进行固定,并确保设备不会因外界震动而脱落或松动。
3. 电源连接:在连接电源之前,请务必确认电源已切断,并按照符合国家相关标准的接线方法进行连接。
接线过程需注意导线的规格和截面积要符合设备的要求,确保电气连接的可靠性。
4. 接地保护:在安装abb隔离开关的过程中,请确保设备的接地线与地线连接牢固可靠,以提供必要的电气保护。
五、使用方法1. 开关动作:通过操作装置将abb隔离开关切换至所需位置。
开关切换过程中,请确保操作装置与开关本体之间的连接稳固,并避免过度用力造成损坏。
2. 检查开关状态:在操作abb隔离开关后,请检查开关的位置是否与所需状态一致,以确保电路的安全隔离。
HL32-125系列隔离开关符合标准:GB/T14048.3产品安装使用前,请仔细阅读使⽤说明书,并妥善保管,以备查阅。
警告1 严禁湿手操作隔离开关,避免发生电击事故。
2 分、合操作时,脸部不可贴近开关,以免电弧伤害眼睛。
注意1 隔离开关的安装场所应无爆炸危险、无腐蚀性气体,并应注意防尘、防潮。
2 避免超负荷工作,保证产品性能。
3 此开关只有隔离作用,不具备任何保护特性。
4 接线时一定要接紧,且在安装使用一段时间后要再进行紧固,每次的拧紧力矩为(3.5~4)N.m。
5 安装按照产品说明书要求,包括安装方式、进线方式、适用条件、铜导线(铜排)截面积(参考值见附表A)。
6 产品接触板为纯铜,用户接铝导线时请采用铜铝过渡,糖锡或者加装铜接线鼻,以免导致铜、铝直接接触造成电化学腐蚀导致接线松动,接触电阻增大而烧损线路。
如因接线不合理出现线路烧毁,本公司概不负责,特此警告!-1--2-1 主要用途与适用范围HL32-125系列隔离开关(以下简称隔离开关),适用于交流50Hz 或60Hz 、额定工作电压为230V /400V 及以下的配电和控制回路中, 主要作为终端电器的总开关,也可用于控制各类电动机、小功率电器和照明等,广泛应用于工矿企业、高层建筑、商业及家庭等场所。
隔离开关按GB /T 14048.3设计、制造及检验。
2 主要规格及技术参数2.1 型号及含义HL 32 - 125 /2.2 分类2.2.1 按额定电流In 分:32A 、63A 、100A 、125A 2.2.2 按极数分:单极、二极、三极、四极。
极数(1:单极,2:二极,3:三极,4:四极)壳架等级额定电流(A )设计序号隔离开关-3-图14P3P2P1P2.3 主要技术参数2.3.1 额定短时耐受电流:12In ,通电时间1s ;2.3.2 额定短路接通能力:20In ,通电时间0.1s ;2.3.3 额定接通与分断能力:1.05Ue ,3In ,cos ф=0.65;2.3.4 额定限制短路电流:20kA 。
云南电网公司二级物资招标采购2014年第一批10kV户外隔离开关(站用)技术规范书2013年12月前附表:货物供货一览表目录1 总则 (4)2. 技术特性要求 (6)3. 技术参数及使用条件 (9)4 试验 (11)5. 质量保证及管理 (11)6. 技术服务、设计联络、工厂检验和监造 (12)7. 包装及标志 (12)8 投标人响应部分 (14)附录A 项目单位提供的其他资料 (16)1 总则1.1.本技术规范书主要用于云南电网公司基建配网工程物资采购,10kV隔离开关(以下简称“设备”)的招标,包括隔离开关本体、操动机构及附件、传动部分的连接件(包括相间连杆及与操动机构间的连杆)、备品备件及专用工具等。
本技术规范书主要提出通用的技术要求,具体的交货期及交货目的地以商务合同为准。
1.2.投标方应按设备不同的电压等级、额定一次电流、额定短时耐受电流及接地方式等相关技术要求进行报价,投标方的报价应为单价,并应对报价的适用范围进行说明。
投标方中标后,采购方有权根据具体工程的需要对局部技术要求提出更改,若不涉及主要技术参数的修改,供货方不应对中标单价提出更改。
具体工程的技术要求以相应工程的技术协议为准。
1.3.投标方所生产的隔离开关必须是通过完善化技术审查的产品,并提供针对瓷瓶断裂、操作失灵、导电回路过热、锈蚀等易发故障进行的完善化技术措施证明。
1.4.本技术规范书提出的是最低限度的技术要求,并未对一切技术细节作出规定,也未充分引述有关标准和规范的条文,供货方应提供符合本规范书和国家标准的优质产品。
1.5.投标技术文件中应对投标产品的技术性能详细描述,提供不低于所供产品技术要求的全部型式试验报告,并提供对应招标技术规范书的技术偏差表,偏差表中未提及的条款,则视同完全同意本技术规范书的要求。
1.6.投标人或供货方 (包括分包厂)应已设计、制造和提供过同类设备,且技术参数应与本工程相类似,或较规定的条件更严格,至少有3组2年以上的商业运行经验。
光伏发电30MWp工程126kV隔离开关技术规范书年月批准:审核:校核:编写:目录110 K V隔离开关供货需求表 (1)1 总则 (1)2 项目概况 (1)3 项目建设环境条件 (1)4 适用技术标准 (2)5 技术要求 (3)5.1技术参数 (3)5.2结构与性能 (4)6 供货范围 (6)6.1隔离开关本体 (6)6.2操动机构及其附件 (6)6.3传动部分的连接件 (6)6.4隔离开关横梁钢支架(用户仅提供支柱及支柱顶板)。
(6)6.4备品备件与专用工具 (6)6.5确保设备正常工作的其它附件 (6)7 备品、备件及专用工具 (6)8 包装、标识、运输 (6)8.1基本要求 (6)装运标志 (7)8.2特殊要求 (7)9 技术服务 (7)9.1设计资料要求 (7)9.2制造厂工地代表要求 (8)9.3在卖方工厂的检验和监造 (9)9.4卖方负责的培训服务 (9)10 质量保证和试验 (9)10.1质量保证 (9)10.2试验 (10)10.3其它事项 (12)附录A投标人需填写的表格 (1)1.A1 投标人需填写的主要配套部件表 (1)2.A2 技术偏离表 (1)3.A3 备品备件、专用工具表 (1)110 kV隔离开关供货需求表注:1、隔离开关应采用技术完善化后的产品。
2、隔离开关的水平及垂直拉杆由厂家配套供货,并留有百分之十的余量。
3、升压站海拔约为1160m,投标方应根据设备生产场所及试验场所对本招标设备的所有电气参数进行修正。
所有电气设备的绝缘水平、安全净距,包括带电体对地、带电体对接地体、相间、维护通道等距离均应根据《高压配电装置》规程的要求,按本工程海拔高度修正。
4、投标方应根据设备安装所在地高海拔、多风沙、低气温等环境因素,充分考虑元器件的绝缘水平、除湿、散热、通风、保温、防风沙等的设计。
5、签订技术协议时,中标方应需提供满足施工图设计深度的总装图和基础安装尺寸图(电子版及纸介质)。
中航特玻110kV变电站工程主变110kV中性点隔离开关技术规范(标段编号:)海南电网公司海南电力设计研究院二○一〇年八月目录一、总则...................................................................................................................................................................... 3二、工作范围.............................................................................................................................................................. 32.1供货范围................................................................................................................................................. 32.2 服务界限 ...................................................................................................................................................... 32.3 技术文件 ...................................................................................................................................................... 4三、技术要求............................................................................................................................................................ 43.1 应遵循的主要现行标准............................................................................................................................. 43.2 环境条件 .................................................................................................................................................... 53.3 工程条件 .................................................................................................................................................. 53.4 基本设计要求 ............................................................................................................................................ 63.5电气要求................................................................................................................................................. 63.6 机械要求 .................................................................................................................................................... 73.7 操动机构 .................................................................................................................................................... 73.8 辅助触头 .................................................................................................................................................... 73.9 交流电源 .................................................................................................................................................... 8四、质量保证.............................................................................................................................................................. 8五、试验...................................................................................................................................................................... 85.1 型式 ............................................................................................................................................................ 85.2 例行试验 .................................................................................................................................................... 95.3 现场验收试验 ............................................................................................................................................ 9六、包装、运输和储存.............................................................................................................................................. 9七、投标方应填写的隔离开关规范表 .................................................................................................................... 9附表1投标差异表一、总则1.1 本设备技术规范适用于中航特玻110kV变电站工程采购的主变110kV中性点隔离开关(户外),它提出设备本体及附属设备的功能设计、结构、性能、安装和试验等方面的技术要求。
GW7F-252型隔离开关安装使用说明书编号:0TK.466.5011泰开集团山东泰开隔离开关有限公司二○○六年十二月1 概述1.1 产品用途GW7F-252型隔离开关是三相交流50Hz的户外高压隔离电器,供高压线路在无载荷情况下进行换接,以及对被检修的高压母线、断路器等高压电气设备与带电的高压线路进行电气隔离之用。
1.2 符合标准GB 1985-2004 《交流高压隔离开关和接地开关》GB/T 11022-1999 《高压开关设备和控制设备标准的共用技术要求》1.3 产品特点GW7F-252型隔离开关为三柱式水平双断口翻转式隔离开关,可在一侧或两侧附装JW7-252Ⅱ两步动作式接地开关,该产品结构新颖设计合理,性能优良,运行可靠,它具有以下特点:a.导电管翻转特性:GW7F-252系列隔离开关主闸刀导电管采用水平运动和绕自身轴线旋转的复合运动,大大降低了动静触头分、合过程中所需要的操作力矩。
b.辅助触指结构:GW7F-252系列隔离开关增加了动、静辅助触指,可以有效的开断容性电流、感性电流和开合母线转换电流。
c.取消铜铝双金属板过渡的做法,将两种材质的电接触面镀银或镀锡,减少电连接中间环节,从而减小了接触电阻,有效地杜绝了长期运行中电接触表面发热烧蚀现象。
d.改进镀银工艺,保证镀银层硬度大于HV120,大大增加了镀层的附着力,可靠保证了镀银层长期工作不脱落。
e.采用全密封轴承座,轴承表面涂满足量耐高温和低温性能优良的宽温润滑脂,低温不固化,高温不流失,确保长期运行中转动灵活可靠。
f.主闸刀设有高低调节装置,该装置结构简单,调整方便,可快速调整主导电的高度和倾斜度,便于现场安装调试。
g.接地闸刀为两步动作式结构,采用动触棒插入梅花形静触指啮合方式,接触点多,通流能力强,动作可靠,合闸冲击小。
h.对所有标准件和有尺寸配合的钢制件采用真空渗锌处理,对铸铁铸钢件采用热喷锌处理,对尺寸要求不严的零部件采用热镀锌处理。
焦煤集团供电处110kV隔离开关技术要求编制:审核:批准:焦煤集团供电处目次1总则 (2)1.1一般规定 (2)1.2投标人应提供的资格文件 (2)1.3适用围 (2)1.4对设计图纸、说明书和试验报告的要求 (3)1.5标准和规 (5)1.6投标人必须提交的技术参数和信息 (5)1.7备品备件 (6)1.8专用工具与仪器仪表 (6)1.9安装、调试、性能试验、试运行和验收 (6)2结构要求 (6)2.1隔离开关和接地开关技术参数 (6)2.2通用要求 (7)2.3操动机构 (7)2.4涂漆和防锈 (8)2.5铭牌 (8)3试验 (9)3.1型式试验 (9)3.2出厂试验 (9)3.3现场交接试验 (9)3.4电瓷部件的抽查试验 (10)4技术服务、设计联络、工厂检验和监造 (10)4.1技术服务 (10)4.2设计联络会 (11)4.3工厂检验和监造 (11)5一次、二次及土建接口要求 (12)5.1126kV隔离开关 (12)1总则1.1一般规定1.1.1投标人应具备招标公告所要求的资质,具体资质要求详见招标文件的商务部分。
1.1.2投标人须仔细阅读包括本技术规(技术规通用和专用部分)在的招标文件阐述的全部条款。
投标人提供的隔离开关及接地开关应符合招标文件所规定的要求。
1.1.3本招标文件技术规提出了对隔离开关及接地开关的技术参数、性能、结构、试验等方面的技术要求。
1.1.4本招标文件提出的是最低限度的技术要求,并未对一切技术细节作出规定,也未充分引述有关标准和规的条文,投标人应提供符合本技术规引用标准的最新版本标准和本招标文件技术要求的全新产品,如果所引用的标准之间不一致或本招标文件所使用的标准如与投标人所执行的标准不一致时,按要求较高的标准执行。
1.1.5如果投标人没有以书面形式对本招标文件技术规的条文提出差异,则意味着投标人提供的设备完全符合本招标文件的要求。
如有与本招标文件要求不一致的地方,必须逐项在“技术差异表”中列出。
HGW5-66IIDW型隔离开关技术规范(山河66KV变电站新建工程)1 通用条款1.1 供货方提供的设备的技术规范应符合技术条件所规定的要求,也可推荐与本技术条件规格偏差很小的类似定型设备,同时提供详尽的技术偏差说明。
1.2 供方应有有效的质量保证体系,应已取得ISO9000认证证书。
1.3 本技术条件并未列出有关设备的全部细节,但供货方提供的设备应满足本技术条件、工程设计、制造工艺标准及相关国家、制造、电力行业标准的要求。
1.4 供货方在投标的同时向招标方提供如下技术资料:1.4.1 与所供设备相符的型式试验报告;省级以上鉴定报告;1.4.2 技术数据表,不少于附件1表格要求。
1.4.3 已供货产品记录包括:设备简要参数、工程名称、安装地点及投运时间。
1.4.4 产品技术差异表;1.4.5 其他需要的资料1.5 合同签定后二周内供货方应提供认可图纸。
用户在收到认可图纸后一周内将确认的一份图纸寄送供货方。
1.6 供货方应提供技术服务,监督、指导设备安装、调试。
调试数据经双方确认后,留现场一份。
1.7 镀锌和防锈1.7.1 除了非磁性金属外,所有金属部件均应热镀锌。
1.7.2 镀锌层应满足下列要求:1.7.3 镀锌前须将所有焊渣清除干净。
1.7.4 部件材料应在加工、制造完成后再镀锌。
1.8 设备铭牌1.8.1 铭牌在出厂前应安装在设备上。
由铝合金或不锈钢制成。
1.8.2设备铭牌应使用中文书写,所有铭牌用不锈钢螺丝紧固。
1.8.3 所有警告及信息标记,不管永久的或暂时的皆要用中文。
1.8.4 电气设备的铭牌内容要与IEC标准的要求一致。
1.9 备品备件1.9.1 供货方应提供一份在一定时间里,因安装、起动、连续运行和维护所必须更换及消耗的推荐性标准数量的备品备件清单。
1.9.2 所有的备件应是新的、质量好的,并与所供设备的相应部件采用相同的材料和工艺,且具有互换性。
1.9.3 合同订购的全部备品,应按项目分开,并随第一批设备发运到采购者指定的目的地,备品备件须有合格的单独包装,并注明“备品”字样,特殊备品应说明储存方法。
南方电网设备标准技术标书-隔离开技术规范书————————————————————————————————作者:————————————————————————————————日期:贵州电网公司长顺供电局长顺新寨35kV变电站2#主变更换工程35kV户外隔离开关技术规范书2013 年03月供货一览表序号货物名称规格型号及主要技术参数数量备注135kV隔离开关GW4-40.5DW 630A31.5kA 单接地刀1组目录1. 总则2. 工作范围2.1 供货范围2.2 服务界限2.3 技术文件3. 技术要求3.1 应遵循的主要现行标准3.2 环境条件3.3 工程条件3.4 基本设计要求3.5 隔离开关基本技术参数3.6 技术性能要求3.7 一般结构要求4. 质量保证5. 试验5.1 型式试验5.2 例行试验(出厂试验)5.3 特殊试验5.4 现场交接验收试验6.包装、运输和储存7.专用工具1. 总则1.1 本设备技术协议适用于40.5kV户外用隔离开关和接地开关,它提出设备本体及附属设备的功能设计、结构、性能、安装和试验等方面的技术要求。
1.2 本设备技术协议提出的是最低限度的技术要求。
凡本技术协议中未规定,但在相关设备的国家标准或IEC标准中有规定的协议条文,供货方应按相应标准的条文进行设备设计、制造、试验和安装。
1.3 本技术协议所建议使用的标准如与供货方所执行的标准不一致,供货方应按较高标准的条文执行或按双方商定的标准执行。
1.4 本技术协议未尽事宜, 由供、需双方协商确定。
1.5按完善化产品提供。
2. 工作范围2.1 供货范围见“供货范围表”。
每组隔离开关的供货范围包括:a、隔离开关本体(包括底座、附件等);b. 接线板c. 操动机构及其辅助设备、水平及垂直操作连杆;2.2 服务界限2.2.1 从生产厂家至变电站或需方仓库的运输全部由甲方(业主方)完成。
2.2.2 现场安装和试验在供货方的技术指导下由施工方完成, 供货方协助需方按标准检查安装质量, 处理调试投运过程中出现的问题, 供货方应选派有经验的技术人员, 对安装和运行人员免费培训。
焦煤集团供电处110kV隔离开关技术要求编制:审核:批准:焦煤集团供电处目次1 总则 (2)1.1 一般规定 (2)1.2 投标人应提供的资格文件 (2)1.3 适用范围 (2)1.4 对设计图纸、说明书和试验报告的要求 (3)1.5 标准和规范 (5)1.6 投标人必须提交的技术参数和信息 (5)1.7 备品备件 (6)1.8 专用工具与仪器仪表 (6)1.9 安装、调试、性能试验、试运行和验收 (6)2 结构要求 (6)2.1 隔离开关和接地开关技术参数 (6)2.2 通用要求 (7)2.3 操动机构 (7)2.4 涂漆和防锈 (8)2.5 铭牌 (8)3 试验 (9)3.1 型式试验 (9)3.2 出厂试验 (9)3.3 现场交接试验 (9)3.4 电瓷部件的抽查试验 (10)4 技术服务、设计联络、工厂检验和监造 (10)4.1 技术服务 (10)4.2 设计联络会 (11)4.3 工厂检验和监造 (11)5 一次、二次及土建接口要求 (12)5.1 126kV隔离开关 (12)1总则1.1一般规定1.1.1投标人应具备招标公告所要求的资质,具体资质要求详见招标文件的商务部分。
1.1.2投标人须仔细阅读包括本技术规范(技术规范通用和专用部分)在内的招标文件阐述的全部条款。
投标人提供的隔离开关及接地开关应符合招标文件所规定的要求。
1.1.3本招标文件技术规范提出了对隔离开关及接地开关的技术参数、性能、结构、试验等方面的技术要求。
1.1.4本招标文件提出的是最低限度的技术要求,并未对一切技术细节作出规定,也未充分引述有关标准和规范的条文,投标人应提供符合本技术规范引用标准的最新版本标准和本招标文件技术要求的全新产品,如果所引用的标准之间不一致或本招标文件所使用的标准如与投标人所执行的标准不一致时,按要求较高的标准执行。
1.1.5如果投标人没有以书面形式对本招标文件技术规范的条文提出差异,则意味着投标人提供的设备完全符合本招标文件的要求。
户外高压隔离开关及电动操作机构技术规格书热电有限责任公司目录Ⅰ一般事项 (1)1.适用范围 (1)2.供货要求 (1)3.供方责任范围 (1)Ⅱ技术规格 (1)1.引用标准 (1)2.使用条件 (2)3 .主要技术规格 (2)4 .试验 (4)5.铭牌与供货范围 (5)6.包装、运输和储存 (5)7 .技术服务 (6)8 .出厂验收 (6)Ⅰ一般事项1.适用范围本技术规格书在唐ft开滦热电有限责任公司鸡冠ft变电站和唐家庄变电站范围内适用。
2.供货要求(1)所供隔离开关及电动操作机构应为运行可靠、便于维护、品质优良的产品,其设备技术参数参见本技术规格书“技术规格”一节。
(2)供方应对现场安装架构的杆径、杆高等进行调查,并根据现场的实际情况对隔离开关的安装、运行和维护方式等内容提供具体的建议方案。
(3)隔离开关的生产制造应严格按照国家标准、行业标准及本技术规格书进行。
(4)隔离开关的包装及运输应符合国家标准。
3.供方责任范围(1)负责隔离开关的设计、生产、供应。
(2)负责提出所供隔离开关的安装、运行、维护要求和注意事项。
(3)提供所供隔离开关的技术文件、图纸、出厂试验报告、合格证、使用说明书等资料。
(4)负责对需方人员的技术培训。
(5)负责所供隔离开关的包装,并运输至需方指定地点。
(6)负责所供隔离开关现场安装的技术指导。
(7)负责指导所供隔离开关的现场试验。
(8)负责长期提供所供隔离开关的零部件和技术服务。
Ⅱ技术规格1.引用标准户外隔离开关及电动操作机构的设计、制造、检查、试验和验收除了应满足本技术规格书的要求外,还应遵照适用的有效版本的 IEC 标准、中国国家标准(GB)、电力行业(DL)标准、以及国际单位制(SI)。
下列标准所包含的条文,通过在本技术规格书中引用而构成本技术规格书的条文。
所有标准都会被修订,使用本技术规格书的各方应探讨使用下列标准最新版本的可能性。
·GB 11022-1999 《高压开关设备通用技术条件》·GB 1985-2004 《交流高压隔离开关和接地开关》·GB 159-1993 《标准电压》·GB 311.1~6-1997 《高压输变电设备的绝缘配合》·GB/T 5582-1993 《高压电力设备外绝缘污秽等级》·GB 8287.1-1998 《高压支柱瓷绝缘子技术条件》·GB 8287.2-1998 《高压支柱瓷绝缘子尺寸和特性》·GB 2706-1989 《交流高压电器动、热稳定试验方法》·GB 763-1990 《交流高压电器在长期工作时的发热》·GB 3309-1989 《高压开关设备常温下的机械试验》·GB/ T 13601-1992 《高压开关设备严重冰冻条件下的操作》·GB 191-2000 《包装贮运标志》·GB 50150-2006 《电气装置安装工程电气设备交接试验标准》2.使用条件2.1海拔高度:≤1000m。
隔离开关技术规范书内蒙古华电街基风电项目一期工程220kV升压站220kV隔离开关技术条件买方:内蒙古华电街基风电有限公司设计:张家口先行电力设计有限公司2009年06月28日目录1供货范围 (1)2项目概况 (1)3总的要求 (2)4项目环境 (3)5通用要求 (4)6技术要求 (7)7图纸及资料 (10)8技术服务、设计联络、工厂检验和监造 (12)9试验 (13)10质量保证和管理 (13)11附录 (16)1供货范围2项目概况2.1 项目名称:华电新能源开鲁小街基49.5MW风电项目2.2 项目单位:华电新能源发展有限公司2.3 工程规模:本期220kV电气终期主接线单母线接线,220kV出线( 1 )回。
变压器 1 ×50 MV A。
2.5 交通、运输:铁路,公路。
2.4 工程地址:内蒙通辽开鲁小街基风电场区220kV升压站。
35kV终期主接线为单母线分段,最终出线(6回),本期主接线单母线分段接线,出线( 3 )回。
3总的要求3.1投标须知3.1.1投标人或供货厂必须有权威机构颁发的ISO-9000系列的认证证书或等同的质量保证体系认证证书。
投标人或供货厂(包括分包厂)应设计、制造和提供过同类设备,且使用条件应与本工程相类似,或较规定的条件更严格,至少有 3 台套 2 年以上的商业运行经验。
3.1.2投标人应仔细阅读招标文件。
投标人提供的设备的技术规范应与本规范书中提出的要求相一致,投标人也可以推荐满足本规范书要求的类似定型产品,但必须提出详细的技术偏差。
3.1.3本规范书提出了对户外交流高压隔离开关和接地开关本体及其附属设备的技术要求。
主要包括设备的使用条件、主要技术参数、结构、性能、试验及所需技术资料等方面的内容。
3.1.4本招标书提出的是最低限度的技术要求,并未对一切技术细节做出规定,也未充分引述有关标准的条文,投标方应按有关标准提供符合IEC标准、国标、行标和本规范书的优质产品。
GW13型72.5kV隔离开关技术要求1. 设备名称、数量及使用地点:1.1 设备名称:110kV中性点隔离开关1.2数量:1只1.3使用地点:2. 环境条件:2.1 海拔高度:不超过1000m2.2 环境温度:不高于+40℃不低于-25℃2.3 相对湿度:≤90%(25℃)2.4 抗震能力:水平加速度0.3g,垂直加速度0.15g,正弦三周波,安全系数1.672.5 日温差:25K2.6 日照强度:0.1W/cm2 (当风速为0.5m/s时)2.7 最大风速:≤35m/s2.8 覆冰厚度:10mm2.9 安装位置:户外3. 技术条件:3.1 额定电压:72.5kV3.2 最高电压:72.5kV3.3 频率:50Hz3.4 性能参数:3.4.1 额定工作电流:630A3.4.2 额定耐受电流: 16kA(4s)3.4.3 动稳定电流:55kA(峰值)3.4.4 额定绝缘水平:a:雷电冲击耐受电压:(峰值)对地:325kVb:一分钟工频耐压:(有效值)对地:140kV3.5 接线端子额定静拉力(水平方向):纵向静拉力:750N横向静拉力:250N安全系数:≥3.53.6 操作联锁方式3.6.1 隔离开关采用CJ2-XG电动机操作机构,电机电压AC380V,控制电压AC220V,辅助开关触头,8常开,8常闭。
3.7 泄漏比距≥3.1cm/kV(最高工作电压),要求大小伞结构,伞裙形状的系数符合IEC60815的固定4. 其他:4.1 所有隔离开关转动部分的销子采用不锈钢材料。
4.2其他条件遵循现行的国家标准有电力行业标准。
4.3所有隔离开关按华北网局的改进措施生产。
5. 试验:出厂试验按国标进行,并同时满足2011年华北电力集团公司《电力设备交接和预防性实验规程》的有关规定。
6.资料:6.1 签订合同的同时制造厂应向用户提供产品外型尺图(包括接线端子大小及材质)及二次有关图纸,并向设计院提供相应的软盘资料。
户外高压隔离开关及电动操作机构技术规格书热电有限责任公司目录Ⅰ一般事项 (1)1.适用范围 (1)2.供货要求 (1)3.供方责任范围 (1)Ⅱ技术规格 (1)1.引用标准 (1)2.使用条件 (2)3.主要技术规格 (2)4.试验 (4)5.铭牌与供货范围 (5)6.包装、运输和储存 (5)7.技术服务 (6)8.出厂验收 (6)Ⅰ一般事项1.适用范围本技术规格书在唐山开滦热电有限责任公司鸡冠山变电站和唐家庄变电站范围内适用。
2.供货要求(1)所供隔离开关及电动操作机构应为运行可靠、便于维护、品质优良的产品,其设备技术参数参见本技术规格书“技术规格”一节。
(2)供方应对现场安装架构的杆径、杆高等进行调查,并根据现场的实际情况对隔离开关的安装、运行和维护方式等内容提供具体的建议方案。
(3)隔离开关的生产制造应严格按照国家标准、行业标准及本技术规格书进行。
(4)隔离开关的包装及运输应符合国家标准。
3.供方责任范围(1)负责隔离开关的设计、生产、供应。
(2)负责提出所供隔离开关的安装、运行、维护要求和注意事项。
(3)提供所供隔离开关的技术文件、图纸、出厂试验报告、合格证、使用说明书等资料。
(4)负责对需方人员的技术培训。
(5)负责所供隔离开关的包装,并运输至需方指定地点。
(6)负责所供隔离开关现场安装的技术指导。
(7)负责指导所供隔离开关的现场试验。
(8)负责长期提供所供隔离开关的零部件和技术服务。
Ⅱ技术规格1.引用标准户外隔离开关及电动操作机构的设计、制造、检查、试验和验收除了应满足本技术规格书的要求外,还应遵照适用的有效版本的IEC标准、中国国家标准(GB)、电力行业(DL)标准、以及国际单位制(SI)。
下列标准所包含的条文,通过在本技术规格书中引用而构成本技术规格书的条文。
所有标准都会被修订,使用本技术规格书的各方应探讨使用下列标准最新版本的可能性。
·GB 11022-1999 《高压开关设备通用技术条件》·GB 1985-2004 《交流高压隔离开关和接地开关》·GB 159-1993 《标准电压》·GB 311.1~6-1997 《高压输变电设备的绝缘配合》·GB/T 5582-1993 《高压电力设备外绝缘污秽等级》·GB 8287.1-1998 《高压支柱瓷绝缘子技术条件》·GB 8287.2-1998 《高压支柱瓷绝缘子尺寸和特性》·GB 2706-1989 《交流高压电器动、热稳定试验方法》·GB 763-1990 《交流高压电器在长期工作时的发热》·GB 3309-1989 《高压开关设备常温下的机械试验》·GB/ T 13601-1992 《高压开关设备严重冰冻条件下的操作》·GB 191-2000 《包装贮运标志》·GB 50150-2006 《电气装置安装工程电气设备交接试验标准》2.使用条件2.1 海拔高度:≤1000m。
2.2 环境温度:最高气温: +45℃。
最低气温:-35℃。
2.3 最大日温差: 25K。
2.4 最大风速: 35m/s。
2.5 覆冰厚度:10mm。
2.6 相对湿度:日平均值不大于95%。
月平均值不大于90%。
2.7 日照:0.1W/cm2。
2.8 地震裂度:8度。
水平加速度0.25g。
垂直加速度0.125g。
2.9环境污秽等级:110kV按IV级污秽区对待35kV按铁道Ⅲ级污秽区对待。
3.主要技术规格3.1技术参数3.1.1 额定电压:110kV;35 kV。
3.1.2 最高工作电压:126kV;40.5 kV。
3.1.3 额定频率:50Hz。
3.1.4 额定电流:需方另行明确提出。
3.1.5 热稳定电流(有效值):由额定电流根据TB/T 3150-2007标准确定。
热稳定电流持续时间:主刀4s;地刀2 s。
3.1.6 动稳定电流(峰值):由额定电流根据TB/T 3150-2007标准确定。
所配接地开关动热稳定电流与主刀相同。
3.1.7 破冰能力:10 mm。
3.1.8 额定绝缘水平:(1)雷电冲击试验电压(峰值,kV)(1.2/50μs)相对地:110kV:550 ;35kV:185。
断口:110kV:630 ;35 kV:215。
(2)1min工频耐受电压(有效值,kV)相对地:110kV:230 ;35 kV:95 。
断口:110kV:265 ;27.5 kV:110 。
3.2 结构与性能3.2.1操作机构:(1)主刀闸操作机构形式:电动,手动;地刀操作机构形式:电动、手动。
(2)配用手动操作机构的隔离开关,手柄长度不大于1米,手柄离地面的高度以1.1米为宜,操作力不大于200N,其机构的终点位置有坚固的定位和限位装置,且在分合闸位置时能将操作柄锁住。
(3)配用电动操作机构时应装设供就地操作用的手动分、合闸装置,当操作机构处于任何动作位置时应能取下或打开操作机构的箱门,以便检查修理辅助开关和接线端子。
如装设电动装置的还应能实现就地电动操作。
(4)由同一操作机构操作的多相隔离开关、各相主刀闸的合闸不同期性,应能方便地调整,合闸终了时应保证接触可靠。
(5)电动操作机构的额定参数a. 电动机额定操作电压:DC220V(在其额定电压85~110%范围内能可靠地分、合闸)。
b. 电动机额定功率:110kV:≥360W 35 kV:≥200 W。
c. 额定分、合闸电流:≤2A。
d. 控制回路电压:DC220Ve. 加热回路电压:AC220V。
f. 加热器功率:<100W。
g. 输出轴转动角度:180°;90°。
加热电源、控制电源及电动机电源应各自分离,并可在箱内单独控制。
(6)操作机构箱内应采用阻燃型接线端子,并有端子编号;接线端子、螺丝为铜质;应有15%的备用端子;端子排与电缆进口间的垂直、水平距离均不得小于150㎜。
(7)每台隔离开关的辅助接点,常开与常闭接点各6对,需方若有特殊需要,应明确提出。
接地刀闸为4对。
(8)机构箱采用不锈钢外壳及铝合金部件,且设有加热器、呼吸器,具有防寒、防腐、防尘、防潮、防凝露、防雨水进入功能。
(9)操作机构箱的箱门应用铜辫子与机构箱外壳本体可靠连接。
(10)电动操作机构在启动时、动作过程中和停止时,机构本体不应有明显的晃动。
(11)操作机构箱,应考虑电磁屏蔽的措施,机构不得产生误动。
3.2.2主刀闸采用电动操作机构,多相联动(可手动操作),能远方或就地操作(在机构箱内设有远方/就地操作转换开关)。
接地刀闸就地操作。
开关本体两侧均能安装接地刀闸,并可左右互换。
主刀闸和接地刀闸之间应有可靠的机械闭锁,并应具有实现电气闭锁的条件,不带接地刀闸的隔离开关应具有与携带型接地线闭锁的条件。
3.2.3 110kV隔离开关底座要求热镀锌处理,镀锌厚度不小于80μm。
55kV/35kV隔离开关底座及轴承座采用免维护整体结构。
3.2.4隔离开关的带电部分不论分、合闸位置,在1.1倍最高相电压下测得的干扰电平不得超过500μV,在上述情况下晴天夜晚应无可见电晕。
3.2.5隔离开关及其操作机构应具有可靠的自锁能力,以保证隔离开关在风压、重力、地震以及电动力的作用下分、合闸状态不发生改变。
3.2.6机械特性:进行连续操作2000次试验进行本试验时,在隔离开关的一端应施加纵向水平拉力,连续进行操作。
在试验过程中不得进行任何的修理与调整,不得紧固任何部件,连接件中只允许按制造厂指定的间隔次数添加润滑剂。
在试验过程中不得出现振动、误动、运行不到位及损坏。
3.2.7一次接线端子能承受的机械负荷横向:110kV:750N 35kV:500N纵向:110kV:1000N 35kV:750N垂直:110kV:1000N 35kV:750N安全系数:静态3.5;动态1.7 。
3.2.8绝缘爬电距离不小于:110kV:3906mm ;35kV:1500mm3.2.9接线端子板的材质应为铜或铝合金(以实际提供图纸为准)。
3.2.10隔离开关的触头、触指、导电棒要求全部镀银,厚度不小于20μm。
触指采用外压不锈钢弹簧(弹簧表面喷塑处理),弹簧与触指间用绝缘垫隔离。
3.2.11触头、触指、出线座均与导电臂直接固连,出线座与导电棒之间采用镀银弹性导电片导电,接线端子与导电臂固连后,可在出线座内360°旋转。
3.2.12各传动杆件的转动部分采用不锈钢材质且内镶无油自润滑轴承,传动杆采用不锈钢或铝合金材质,各传动杆件采用无级调节方式;110kV轴承座采用高强度铝合金材料制成,内镶密封胶圈,涂有高滴点不干枯的二硫化钼锂基润滑脂,使轴承座具有抗寒、防水、抗风沙、不生锈、转动灵活、运行中勿须注油的免维护特点。
35kV转动法兰采用精铸不锈钢材质,且具有运行中勿须注油的免维护特点。
3.2.13制造厂应提供主要配套元件(如瓷瓶等)的主要技术参数指标及配套厂家。
3.2.14设备应能方便的安装机械五防锁或微机五防锁。
3.2.15瓷套:伞间距与伞伸出长度之比应不小于0.8,伞型系数应符合IEC600815规定。
3.2.16电动操作机构与操作杆之间的连接应采用可调整方便拆卸的非焊接方式。
3.2.17隔离开关整体为免维护改进型产品。
3.2.18提供隔离开关安装用架构及操作机构支架。
4.试验4.1型式试验:按有关标准规定提供试验报告。
·外观检查:在进行所有型式试验项目之前,应先对产品进行外观检查。
·机械试验:按GB 1985-2004进行。
·耐压试验:按GB 1985-2004 及GB 11022-1999 7.1条进行。
·温升试验和主回路的电阻测量:按GB 763-1990《交流高压电器长期工作时的发热》标准中有关规定进行。
·热稳定试验:按GB 1985-2004第6.7条及GB 2706-1989《交流高压电器动热稳定试验方法》进行。
·防雨试验:户外隔离开关和接地开关的操作机构(箱)的防雨试验按JB/DQ 2080《高压开关设备防雨试验方法》进行。
·开合环流试验:按GB 1985-2004《交流高压隔离开关开合母线转换电流试验》进行。
·抗弯、抗扭试验;a. 隔离开关的支柱绝缘子应按相应的电瓷绝缘标准进行型式试验.例行试验和抽查试验。
b. 应需方要求可对户外隔离开关进行整体的抗弯强度试验,试验的要求和方法由双方协商确定,安全系数不得小于2.15。
4.2出厂试验隔离开关应在工厂内进行整台组装并进行出厂试验,出厂试验的技术数据应随产品一起交付需方。
在拆装前关键连接部位和部件应做好标记。
·结构检查:隔离开关及其所有附件的规格和尺寸均应符合技术文件和图纸的要求。