安装工程计量与计价_例题
- 格式:doc
- 大小:2.19 MB
- 文档页数:26
学年度第学期期末考试《安装工程计量与计价》(A)卷专业班级姓名学号一、单选题(每题的备选答案中只有一个最佳答案,每题2分,共30分)1.计算风管长度时,下列哪些构件所占长度须扣除()A.等径三通B.风管止回阀C.风口D.带导流片弯头2.管道刷油按( )计算。
A.长B.重量C.表面积D.个3.出户线一般的预留长度为( )。
A.2mB.3mC.1.5mD.1m4.利用建筑物内主筋作接地引下线安装以( )为计量单位。
A.5米B.10米C.吨D.根5.下列尺寸的钢管中哪项需要独立计算管道支架的工程量。
( )A.DN15B.DN25C.DN20D.DN406.分部分项工程量清单编制中项目编码以五级编码设置,用十二位阿拉伯数字表示,第一级为分类码,表示安装工程分类码是( )A.01B.02C.03D.047.以下层高的建筑中,哪项可以计取高层建筑增加费。
( )A.层高20米B.层高18米C.层高25米D.层高15米8.下列费用不属于工程直接费的是()A.人工费B.材料费C.施工机械使用费D.措施费9.工程量清单计价采用综合单价。
综合单价包含( )A.人工费、材料费、机械费B.人工费材料费、机械费、企业管理费C.人工费、材料费、机械费、企业管理费、风险费、利润D.人工费、材料费、机械费、企业管理费、利润、规费和税金10.在下列费用中,属于建筑安装工程间接费的是( )。
A.工单位搭设的临时设施费B.危险作业意外伤害保险费C.劳动保障费D.已完工程和设备保护费11.具有独立的设计文件,可以独立组织施工的工程是指( ):A.建设项目B.单项工程C.单位工程D.分部工程12.各种箱、柜、盘、板、盒的预留导线是( )A.高+宽B.周长C.高+深D.2.5m13.计算风管长度时,不包括下列哪部分的长度( )A.大小头B.管件C.阀门D.三通14.某教学楼的卫生器具安装工程属于( )A.单项工程B.单位工程C.分部工程D.分项工程15.某学生宿舍的电气照明工程属于( )A.单项工程B.单位工程C.分部工程D.分项工程二、多选题(每题的备选答案中有多个最佳答案,每题5分,共50分)16.安全文明施工费包括( )A.环境保护费B.文明施工费C.安全施工费 D临设费 E.土地购置费17.以下属于单价措施项目费的是( )。
一、选择题1. 安装工程计量计价的基本内容包括哪些?A. 工程量计算、材料费、人工费、机械费、管理费、利润、税金B. 工程量计算、材料费、人工费、机械费、设计费、利润、税金C. 工程量计算、材料费、人工费、机械费、施工费、利润、税金D. 工程量计算、材料费、人工费、机械费、监理费、利润、税金A. 设计文件B. 施工图纸C. 国家或地方有关政策、法规D. 施工组织设计A. 材料消耗量计算B. 材料价格计算C. 材料损耗计算D. 材料运输费用计算A. 人工工日计算B. 人工单价计算C. 人工效率计算D. 人工工资计算A. 机械台班消耗量B. 机械台班单价C. 机械租赁费用D. 施工现场机械维护费用二、填空题1. 安装工程计量计价的基本内容包括:______、______、______、______、______、______、______。
2. 安装工程计量计价的编制依据主要包括:______、______、______、______。
3. 安装工程计量计价中,材料费的计算方法包括:______、______、______。
4. 安装工程计量计价中,人工费的计费方法包括:______、______、______。
5. 安装工程计量计价中,机械费的计费依据包括:______、______、______。
三、判断题1. 安装工程计量计价只包括工程量计算和费用计算。
()2. 安装工程计量计价的编制依据主要包括设计文件、施工图纸、国家或地方有关政策、法规和施工组织设计。
()3. 安装工程计量计价中,材料费的计算方法包括材料消耗量计算、材料价格计算和材料损耗计算。
()4. 安装工程计量计价中,人工费的计费方法包括人工工日计算、人工单价计算和人工效率计算。
()5. 安装工程计量计价中,机械费的计费依据包括机械台班消耗量、机械台班单价和机械租赁费用。
()四、计算题1. 某安装工程需要使用100吨钢材,材料价格为每吨3000元,运输费用为每吨200元,损耗率为5%,计算该钢材的总费用。
《建筑安装工程计量与计价》期末考试试卷(C卷)及参考答案班级姓名学号1.垂直接地体一般用()材料制做。
A. Φ50钢管B.φ10园钢C.50×50×5角钢D.φ 8园钢2.照明线路中导线截面大于或等于()毫米以上,应执行动力线路穿线相应项目。
A.2.5B.5C.6D.103.建筑安装工程费由直接费.规费.利润和()组成。
A.管理费B.税金C.其他直接费D.财务费4. 其他项目清单包括()和项目名称。
A.序号B.项目编码 C .工程量 D. 综合单价5. 以“平方米”为单位的工程量,应保留()位小数。
A. 1B. 2C. 3D. 46.架空进线处管系计算到墙外()厘米。
A.30B.20C.50D.1007.操作物安装高度超过楼地面5m以上、20m以下的电气安装工程,其工程超高增加费按超高部分人工费的()计算。
A.33% B.55% C.36% D.20%8.避雷网敷设工程量按施工图图示“延长米”计算,其长度按施工图设计水平和垂直规定长度另加()的附加长度计算。
A.3.6% B.1.2% C.3.9% D.3.5%9.给排水系统的阀门安装工程量应按不同()、规格,分别以“个”为单位计算。
A.型号 B.类别 C.公称直径 D.连接形式10 . 附录 C为()及计算规则。
A.装饰装修工程工程量清单项目 B.安装工程工程量清单项目C. 市政工程工程量清单项目D. 矿山工程工程量清单项目11. 方形伸缩器的两臂,按臂长的()合并在管道长度内。
A. 1倍B. 1.5倍C. 2倍D. 2.5倍12. 其他项目清单包括()和项目名称。
A .序号B .项目编码C .工程量 D. 综合单价13. 以“平方米”为单位的工程量,应保留()位小数。
A. 1B. 2C. 3D. 414. 综合单价不包括()。
A.管理费 B.利润 C.风险 D.税金15.脚手架搭拆费(10KV以下架空线路除外)按人工费的()计算。
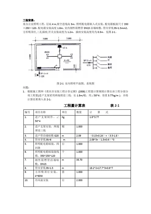
工程背景:某办公室照明工程,层高4 m,架空进线高3m;照明配电箱嵌入式安装,配电箱板面尺寸350×250×120,配电箱安装高度1.8m;室内刚性阻燃管DN15沿墙暗敷,管内穿线BV-1.5mm2;方形吸顶灯,三孔插座;开关安装高度为1.2m,插座安装高度均为0.3m。
见图2-1。
图2-1 室内照明平面图、系统图问题:1.根据施工图和《重庆市安装工程计价定额》(2008)工程量计算规则计算出该工程分部分项工程量(进户支架采用两端埋设三线,长1.8m/根,用∠50*4,容重3.77kg/m ),并将计算结果填入表2-1;工程量计算表表2-1工程背景:某办公楼室内给排水安装工程量清单如下表1-1所示。
经公司研究按照招标文件要求依据《重庆市安装工程计价定额》(2008)和《重庆市建设工程费用定额》(2008)进行投标报价。
相关费用及费率如下:人工单价:50元/工日;规费费率:25.83%;安全文明施工专项费费率7%;工程定额测定费费率0.14%;税金费率3.41%;管理费费率60%;利润费率40%;暂不考虑风险因素。
问题:(1)请按照《重庆市安装工程计价定额》(2008)以及《重庆市建设工程费用定额》(2008)工程量清单计价格式,计算分部分项工程综合单价。
(10分)条件:①《重庆市安装工程计价定额》(2008)相关内容见表1-2;②相关主材单价如下:镀锌钢管DN40 21.50元/m;塑料管DN50 5.8元/m;螺纹阀门DN40 85元/个④《重庆市安装工程计价定额》(2008)人工基价28元/工日。
条件:①措施项目费合计为6800.00元,其他项目费合计为5600.00元;(3)答:工程量清单的作用是:①为投标者提供一个公开、公平、公正的竞争环境;(1分)②约束招标投标双方的计价行为。
是计价和评标的基础;(1分)③为支付工程进度款提供依据;(1分)④为办理竣工结算及工程索赔提供依据;(1分)(4)工程量清单标准格式,由工程量清单说明与工程量清单表格两大部分组成;(2分)(5)答:清单项目特征,其作用是描述项目名称;(1分)如描述项目所在工程部位、名称、类型、施工工艺、材料品种、规格和型号等; (1分)它是设置项目的主要依据,它影响项目实体价值(或价格),是形成工程造价的主要因素; (1分)特征描述必须准确、清楚和完善,否则影响招标与计价; (1分)工程背景:某室内给排水安装工程,如下图3-1所示。
《建筑安装工程计量与计价》期末考试试卷(A卷)及参考答案班级姓名学号1.室内排水立管,管径一般不小于()毫米。
A.100 B.50 C.30 D.202.管道刷油按()计算。
A.长度B.重量C.表面积D.个3.出户线一般的预留长度为 ( )。
A.2mB.3mC.1.5mD.1m4.利用建筑物内主筋作接地引下线安装以()为计量单位。
A.5米B.10米C.吨D.根5.管内穿线的工程量根据()图进行计算。
A.平面图B.大样图C.系统图D.原理图6.下列说法正确的是()。
A. 电气配线的预留长度不计入综合单价B. 电气配线的损耗量不计入综合单价C. 电气配线的预留长度及损耗量均计入综合单价D. 电气配线的预留长度及损耗量均不计入综合单价7. 综合单价不包括()。
A.管理费B.利润C.风险D.税金8. 电气配线清单项目的综合单价应包括()的费用。
A.管内穿线B.接线盒安装C.开关.插座盒安装D.灯头盒安装9. 项目编码第五级编码是由()编制。
A .招标人 B.工程量清单编制人 C.投标人 D.设计人10.防雷及接地装置工程量清单项目以()为计量单位。
A. 项B. 系统C. 套D. 组11.正确的是()。
A.若电缆进出配电箱,配电箱安装清单项目应描述是否焊接线端子B.若导线进出配电箱,配电箱安装清单项目应描述是否焊接线端子C.若电缆进出接线箱,接线箱安装清单项目应描述是否焊接线端子D. 以上说法都不对12.给水管道室内外以入口阀门或建筑物外墙皮的()米为界。
A.1.0 米 B.0.5米 C.3.0米 D.1.5米13.消耗量定额中列有“()”的均为()_材。
A.计价材料 B.未计价材料 C.辅助材料 D.次要材料14.消耗量定额是反映了我省目前的社会()生产力水平。
A.平均 B.平均先进 C.先进 D .一般15、冬雨季施工增加费,应包含在()中。
A.直接工程费 B.措施费 C.利润 D.规费16.定额中规定,注有“XX”以 __ ______或“XX”以______者均包含XX本身()。
2023年二级造价工程师之安装工程建设工程计量与计价实务经典大题例题1、在建筑给水系统中一般采用的泵是( )。
A.旋涡泵B.混流泵C.轴流泵D.离心泵【答案】 D2、室内排水立管安装,设置要求有( )。
A.宜设置在与卧室相邻的内墙B.立管上的管卡间距不得大于3mC.不宜靠近外墙安装D.立管穿楼板时,必须设置填料套管【答案】 B3、某阀门结构简单、体积小、重量轻,仅由少数几个零件组成,操作简单,阀门处于全开位置时,阀板厚度是介质流经阀体的唯一阻力,阀门所产生的压力降很小,具有较好的流量控制特性。
该阀门应为( )。
A.截止阀B.蝶阀C.旋塞阀D.闸阀【答案】 B4、排出管与室外排水管连接处设置检查井。
一般检查井中心至建筑物外墙的距离不小于()m,不大于()m。
A.3,5B.5,10C.10,15D.3,10【答案】 D5、借助于运动的上刀片和固定的下刀片进行切割的机械为( )。
A.剪板机B.弓锯床C.螺纹钢筋切断机D.砂轮切割机【答案】 A6、初产妇,29岁,妊娠43周,临产10小时。
肛查:宫口开大4cm,ROA,胎心170次/分,羊水呈绿色。
最恰当的处理是A.待自然分娩B.吸氧C.立即剖宫产D.静脉注射哌替啶E.静脉滴注缩宫素【答案】 C7、它广泛用于电力、冶金、机械、化工和硅酸盐等工业的各种热体表面及各种高温窑炉、锅炉的炉墙保温绝热。
此种耐火隔热材料为()。
A.蛭石B.粘土砖C.硅藻土砖D.矿渣棉【答案】 C8、为火灾探测器供电,接收探测点火警电信号,以声、光信号发出火灾报警,是整个火灾自动报警系统的指挥中心的消防设备为( )。
A.输入模块B.控制模块C.联动控制器D.火灾自动报警控制器【答案】 D9、等离子切割法切割材料时依靠的是( )。
A.氧化反应B.熔化C.激光束D.电子束【答案】 B10、当设计无要求时,控制电缆的支架层间最小距离是( )。
A.100mmB.120mmC.150mmD.200mm【答案】 B11、较大的子宫肌壁间肌瘤的治疗应选择A.全子宫切除术B.全子宫及双附件切除术C.全子宫、双附件及大网膜切除术D.全子宫切除术及阴道切除2cmE.子宫根治术及盆腔淋巴结清扫术【答案】 A12、现代临终关怀事业的创始人是A.英国的南丁格尔B.美国的库布勒·罗斯C.英国的桑德斯D.美国的史密斯E.德国的康德【答案】 A13、机柜安装垂直偏差度不大于(),水平误差不大于()。
精选全文完整版可编辑修改安装工程计量计价复习题1、给水工程量的计算:(15分)根据实训作业综合楼水施-2图和水施-6图,依据下列给出的已知条件编制分部分项工程量清单综合单价分析表:(塑料管安装项目编码:030801005XXX ,后三位自己编)1. 综合楼共8层,建筑高度为20.5m ;2. 室内给水管道为PPR 塑料管DN80,进水管水平段长度为27 m ,垂直段20.5米;3. 该段室内管道每层均穿一次楼板,共使用带翼环钢套管8个,钢套管长度为0.31米/个;4. 主材价格:PPR 塑料管DN80,45元/m ,焊接钢管DN150 :70元/m ;热轧厚钢板Q235(12):10元/kg ;5. 人工费为:100.0元/工日 ,利润率为人工费的18%,给水管道需要冲洗消毒,并进行管道压力试验 。
解:1、根据广东定额P351页第五项,超高建筑增加费系数,超过20m 高度,在人工费基数上要乘以2%超高费率。
2、室内管道的安装总长:DN80=27+20.5=47.5m ,3、穿楼带翼环套管:4、管道冲洗消毒及管道压力试验:5、清单综合单价计算:二、计算题,电力电缆工程量的计量(15分)例:书P52页,低压配电柜和配电箱之间的水平距离为100m ,配电柜为落地式,配电箱为嵌入式,箱底边距地面为1.5m ;配电线路采用5根四芯电力电缆5×VV22(3×50+1×30),沿电缆沟沟底敷设,盖电缆沟盖板;户内干包式电缆终端头制作安装。
电缆沟结构如下图所示。
试编制电力电缆的工程量清单,以及计算该电力电缆的定额工程量。
注:项目编号、名称、特征查清单规范(有复印件),特征可参考书P297(电气)P340(给排水)该电力电缆的定额工程量计算过程:增加长度见书P48页表5-9{[100(配电柜至配电箱水平距离)+0.6(由柜入沟)+0.6(由沟出地面)+1.5(由地面至箱)]+[1.5×5(电力电缆终端头)+2×5(高压开关柜及低压配电盘、箱)+1.5×5(电缆进入沟内或吊架时引上(下)预留)](1+2.5%(电缆敷设波形弯度、交叉))} ×5(根)=127.7×1.025×5=654.46m三、计算题,排水工程量的计算(30分)例:综合楼水施-5图,参考二~五层卫生间排水平面图,计算一层男卫生间排水部分。
作业
某市区住宅建筑共16层,层高3m,其给排水工程经计算,采用室内镀锌钢管螺纹连接DN15的管道长度为50m,镀锌钢管螺纹连接DN20的管道长度为60m,螺纹阀门(截止阀)DN20的5个,DN25的10个,管道表面刷银粉漆两道。
已知DN20的镀锌钢管市场价为15元/m,DN20的镀锌钢管市场价为35元/m,DN20的螺纹截止阀市场价为30元/个,DN25的螺纹截止阀市场价为40元/个,银粉漆15元/m2。
试根据以下表格、数据以及相应规定,做出规定费用。
一、请根据给定的定额,计算工程预算表。
二、计算未计价材料表,先列公式计算DN20镀锌钢管的未计价材料价格,其余的列表计算(包含DN20)。
三、根据以上计算数据计算高层建筑增加费、脚手架搭拆费。
(注:河南省2008版高层建筑增加费计算方法也改变,请同学们思考计算方法并计算出来。
高层建筑增加费计算所得费用仍然并入到直接费中)
四、根据以上数据按照表3计算出工程造价。
(不计二次搬运费、夜间施工费、冬雨季施工费;不调整差价,不计算其他费用。
安全文明措施费费率为17.76%)
五、表4为清单计价法工程造价计价程序,请同学们根据表格内容,并多方查找相应资料,试计算出工程造价(相应的规定和费率同第四题)
表1 规费费率表
表2 税率表
表3 工程造价费用组成表
表4 工程量清单招投标造价计价标准程序表
工程预算表。
安装工程计量与计价题库四、综合计算题1.图1为某工程电气照明平面图,三相四线制。
该建筑物层高3.3m ,配电箱AL 规格尺寸为500mm(宽)×300mm(高)×500mm(厚),距地高度为1.5m ,AL 有n1和n2两条回路。
线管为硬塑料管PC20,层顶暗敷设;线管内导线为BV2.5线,导线根数标记在线管上,未标记的默认为2根。
开关底距地1.3m ,插座底距地0.3m ,单管荧光灯底距地2.6m 。
试计算n1和n2回路配管配线的工程量。
(12分)2. 图2图中标注尺寸均以mm 计。
矩形风管500×250、630×250、800×250、800×500,铁皮厚度δ=1.5m ,对开多叶调节阀为成品安装,长200mm 。
计算风管及部件的工程量。
图2 通风空调管道平面图3. 如下图3-1、3-2、3-3为某公共卫生间室内给排水工程,图中标注尺寸标高以m计,其余均以mm计。
管道和卫生器具参数如下:1)给水管采用聚丙烯PPR塑料给水管,热熔连接;排水管采用硬聚氯乙烯UPVC 排水管,粘接连接。
2)采用自闭阀式冲洗蹲式大便器,洗涤盆水龙头分别为冷水单嘴和双嘴各一个,地漏选用塑料地漏安装,地面扫除口材质为塑料。
图3-1 卫生间给排水平面图图3-2 给水系统图图3-3 排水系统图根据上面的图1-1、图1-2、图1-3,回答下列问题:(1)水平管计算:根据平面图上标注的尺寸计算,如上图3-1某卫生间的平面图中排水系统,计算水平管道的长度时,参考图3-1~图3-3中标注的管径,在平面图中读取尺寸。
(6分)排水水平管道De110:De50:(2)垂直管计算:根据系统图标注的标高进行计算,如图3-2某卫生间的平面图中的给水系统,计算垂直管道的长度时,依据系统图中管标注的管径和标高进行计算。
(4分)JL-1中:De25JL-2中:De25。
2021年安装工程建设工程计量与计价练习题和答案(Part30)共3种题型,共60题一、单选题(共35题)1.根据2012电气设备安装工程预算定额,下列说法错误的是()。
A:脚手架使用费按人工费的5%计算,其中人工费占25%B:建筑物檐高按建筑物檐高40 m以下编制C:超过25m的高层建筑,计算高层建筑增加费D:建筑物檐髙以室外设计地坪标高作为计算起点【答案】:B【解析】:知识点:建筑电气工程定额应用。
建筑物檐高按建筑物檐高25 m以下编制,超过25m的高层建筑,计算高层建筑增加费。
参见教材P253。
2.采用氢-氧焰将铅条熔融后贴覆在被衬的物件或设备表面上,形成具有一定厚度的密实的铅层。
这种防腐方法为()。
A:涂铅B:粘铅C:衬铅D:搪铅【答案】:D【解析】:衬铅和搪铅是两种覆盖铅的方法。
搪铅是采用氢-氧焰将铅条熔融后贴覆在被衬的物件或设备表面上形成具有一定厚度的密实的铅层。
搪铅与设备器壁之间结合均匀且牢固,没有间隙,传热性好,适用于负压、回转运动和震动下工作。
3.焊接盲板(封头)按管件连接计算工程量,其工程计量单位是()。
A:“口”B:“张”C:“片”D:“个”【答案】:D【解析】:法兰焊接时,要在项目特征中描述法兰的连接形式(平焊法兰、对焊法兰、翻边活动法兰及焊环活动法兰等),不同连接形式应分别列项。
配法兰的盲板不计安装工程量。
焊接盲板(封头)按管件连接计算工程量。
管件包括弯头、三通、四通、异径管、管接头、管上焊接管接头、管帽、方形补偿器弯头、管道上仪表一次部件,仪表温度计扩大管制作安装等。
按设计图示数量以“个”计算。
4.民用建筑空调制冷工程中,具有制造简单、价格低廉、运行可靠、使用灵活等优点,在民用建筑空调中占重要地位的冷水机组是()。
A:离心式冷水机组B:活塞式冷水机组C:螺杆式冷水机组D:转子式冷水机组【答案】:B【解析】:本题考查的是通风与空调工程施工技术。
活塞式冷水机组是民用建筑空调制冷中采用时间最长、使用数量最多的一种机组,它具有制造简单、价格低廉、运行可靠、使用灵活等优点,在民用建筑空调中占重要地位。
《建设⼯程造价案例分析》第三章⼯程计量与计价(安装)(习题)第三章⼯程计量与计价(安装)管道安装⼯程第⼀部分:相关计算规则:(⼀)给排⽔镀锌钢管、钢管、不锈钢管、铜管⼯程(1)计算规则:按设计图⽰管道中⼼线以长度计算;注:管道⼯程量计算不扣除阀门、管件(包括减压器、疏⽔器、⽔表、伸缩器等组成安装)及附属构筑物所占长度;⽅形补偿器以其所占长度列⼊管道安装⼯程量。
(2)项⽬特征①安装部位;②介质;③规格、压⼒等级;④连接⽅式;⑤压⼒试验及吹、洗设计要求;⑥警⽰带形式。
(3)⼯作内容①管道安装;②管件制作、安装;③压⼒试验;④吹扫、冲洗;⑤警⽰带铺设。
(⼆)⼯业管道⼯程(1)计算规则:按设计图⽰管道中⼼线以长度计算;注:管道⼯程量计算不扣除阀门、管件所占长度;室外埋设管道不扣除附属构筑物(井)所占长度;⽅形补偿器以其所占长度列⼊管道安装⼯程量。
(2)项⽬特征①材质;②规格;③连接⽅式、焊接⽅法;④压⼒试验、吹扫与清洗设计要求;⑤脱脂设计要求。
(3)⾼、中、低压碳钢管⼯作内容①安装;②压⼒试验;③吹扫、冲洗;④脱脂。
(三)其他计算规则1.管道刷油⼯程量计算①以平⽅⽶计量,按设计图⽰表⾯积尺⼨以⾯积计算;②以⽶计量,按设计图⽰尺⼨以长度计算;③注:管道刷油以⽶计算,按图⽰中⼼线以延长⽶计算,不扣除附属构筑物、管件及阀门等所占长度。
2.管道绝热⼯程⼯程量的计算按设计表⾯积加绝热层厚度及调整系数计算;管道绝热⼯程量V=π·(D+1.033δ)·1.033δ·L对⽐管道保护层⼯程量的计算(m2)管道保护层⼯程量S=π·(D+2.1δ+0.0082)·L3.卫⽣洁具⼯程量的计算按设计图⽰数量计算;4.阀门(给排⽔、采暖、燃⽓⼯程)⼯程量的计算按设计图⽰数量计算;5.⾼、中、低压阀门(⼯业管道⼯程)⼯程量的计算按设计图⽰数量计算;6.管件(⼯业管道⼯程)⼯程量的计算按设计图⽰数量计算;7.⾼、中、低压法兰(⼯业管道⼯程)⼯程量的计算按设计图⽰数量计算;计量单位:副(⽚)。
例:建设项目总投资的固定资产投资与建设项目的()在量上相等。
A.竣工决算B.工程造价和流动资金C.工程造价D.竣工结算例:根据我国现行的建设项目投资构成,建设项目投资由()组成。
A.固定资产投资B.流动资产投资C.无形资产投资D.递延资产投资E.其他资产投资例:某项目购买一台国产设备,购置费为1325万元,运杂费率为12%,则该设备的原价为()万元。
A.1166B. 1183C. 1484D.1506解:设备购置费=设备原价+运杂费=设备原价(1+运杂费率)设备原价=1325/(1+0.12)=1183(万元)例:以下属于直接工程费中人工费的内容是()。
A. 劳动保护费B. 病假在7个月期内的生产工人工资C. 职工福利费D. 生产工人因气候影响的停工工资E. 工资性补贴例:对建筑材料、构件和建筑安装物进行一般鉴定和检查所发生的费用属于()。
A.建设单位的检验试验费B.建设单位的管理费C.措施费D.材料费例:按206号文规定,已知某工程人工费为50万元,材料费为200万元,施工机械使用费为8万元,临时设施费为8万元,安全施工费2万元,模板材料费50万元,则直接工程费为()万元。
A.258B.260C.262D.272例:某基础工程,直接费为1000万元,措施费为80万元,间接费为200万元,利润70万元,税金50万元,则直接工程费为()万元。
A.920B.1080C.1350D.1280例:下列费用中,属于直接工程费的有()。
A.现场材料二次搬运费B.混凝土添加剂C.脚手架、模板摊销费D.冬雨季施工增加费E.材料的一般鉴定、检查费用例:下列费用中,属于措施费的有()。
A.临时设施费B.夜间施工直接费C.固定资产使用费D.检验试验费E.工程排污费例:某市建筑公司承建某县政府办公楼,工程不含税造价为1000万元,该施工企业应缴纳的营业税为( )万元。
解:营业税=营业额×3%=1000 ×3%=30(万元)A.32.81 B.31.60 C.30.00 D.34.12例:施工定额是建筑安装企业管理的基础,也是工程建设定额体系中的基础,其作用( )。
4、二次搬运费属于(C )
A.措施费
B.机械费
C.直接工程费
D.企业管理费
5、下列费用不属于工程直接费的是( )
A.人工费
B.材料费
C.施工机械使用费
D.措施费
6、工程量清单计价采用综合单价。
综合单价包含( )
A.人工费.材料费.机械费
B.人工费.材料费.机械费.企业管理费
C.人工费.材料费.机械费.企业管理费.风险费.利润
D.人工费.材料费.机械费.企业管理费.利润.规费和税金
7、在下列费用中,属于建筑安装工程间接费的是()。
A.施工单位搭设的临时设施费
B.危险作业意外伤害保险费
C.劳动保障费
D.已完工程和设备保护费
8、线路标注BV-3*16+1*14-DA ,其中DA表示( );
A.敷设部位
B. 线路编号
C.线路用途
D.穿管类型
9、各种箱、柜、盘、板、盒的预留导线是()
A、高+宽
B、周长
C、高+深
D、2.5m
10、计算风管长度时,不包括下列哪部分的长度()
A.大小头
B.管件
C.阀门
D.三通
1、简述室内外管道界线是如何划分的。
2、预算定额基价有那些费用组成?
3、给排水管道安装中定额不包括哪些内容?
咬口连接,风管尺寸如图,弯头的弯曲半径R=300mm,弯曲度数为60°、90°两种。
试计算风管的工程
JX-23
量。
年级专业:
姓名:
学号:。
考试题型1、单选题15题,15分2、多选题,10题,20分3、判断题,10题,10分4、简答题,2题,16~18分,5、综合计算题,37~39分,包括(1)清单计价方式下工程造价的计算,定额计价方式下分部分项工程费的计算,或定额分部分项工程费的计算。
(2)根据工程图纸计算清单工程量,并编制工程量清单。
(3)综合单价分析计算安装工程计量与计价题库一、《建设工程工程量清单计价规范GB50500—2013》、清单计价1.根据《建设工程工程量清单计价规范GB50500—2013》,采用清单计价时,工程造价由哪些费用组成?(分部分项工程费、措施项目费、其他项目费、规费、税金)2.建标[2013]44号文住房城乡建设部、财政部关于印发《建筑安装工程费用项目组成》的通知中规定,建筑安装工程费用项目按费用构成要素组成划分为人工费、材料费、施工机具使用费、企业管理费、利润、规费和税金,工程造价中包含人工费、材料费、施工机具使用费、企业管理费和利润这五个构成要素的费用有分部分项工程费、措施项目费、其他项目费。
3.措施项目费内容包括:1.)安全文明施工费,2)夜间施工费3)二次搬运费,4)冬雨期施工增加费,5)大型机械设备进出场及安拆费,6)特殊地区施工增加费、7)已完工程及设备保护8)脚手架工程费,)9工程定位复测费4.《建设工程工程量清单计价规范GB50500—2013》规定,其他项目费包括:暂列金额、暂估价、计日工、总承包服务费,其中暂估价有材料暂估价、工程设备暂估单价、专业工程暂估价5.《建设工程工程量清单计价规范GB50500—2013》规定,规费包括:1)社会保险费2)住房公积金3)工程排污费。
规费的计算基础是什么?(分部分项工程费、措施项目费、其他项目费)6.《建设工程工程量清单计价规范GB50500—2013》规定,税金包括:1)营业税;2)城市维护建设税;3)教育费附加;4)地方教育附加。
税金的计算基础是什么?(分部分项工程费、措施项目费、其他项目费、规费)7.什么是工程量清单?什么是招标工程量清单?什么是已标价的工程量清单?工程量清单:载明建设工程分部分项工程项目、措施项目、其他项目的名称和相应数量以及规费、税金项目等内容的明细清单招标工程量清单:招标人依据国家标准、招标文件、设计文件以及施工现场实际情况编制的,随招标文件发布供投标报价的工程量清单,包括其说明和表格。
1.建筑物的门厅、大厅在计算建筑面积时如门厅、大厅内设有回廊时,应按其结构底板水平投影面积计算建筑面积。
结构层高在(A)的,应计算全面积;结构层高在( )的,应计算1/2面积。
A 4.40 m及以上B 2.20m及以上C 2.20m以下D 4.40m及以上2.下列费用不属于社会保险费的是(C)A,部分拆除 B.机械拆除 C 全部拆除 D毁坏性拆除3.下列费用不属于企业管理费用的是(B)A:工具用具使用费 B:生育保险费 C检验试验费 D差旅交通费4.计算混凝土楼梯工程量时,正确的做法是(D)A养老保险费B失业保险费C 医疗保险费D 住房公积金5.根据《房屋建筑与装饰工程工程量计算规范》(GB50854-2013)附录A,关于屋面及防水工程量计算,说法正确的是(C )。
A瓦屋面、型材屋面按设计图示尺寸以水平投影面积计算B屋面涂膜防水中,女儿墙的弯起部分不增加面积C屋面排水管按设计图示尺寸以长度计算D 变形缝防水、防潮按面积计算6.计算混凝土楼梯工程量时,正确的做法是(C)A以斜面积计算B 扣除宽度小于500mm的楼梯井C 伸入墙内的部分不计算D整体楼梯不包括连接梁7.混凝土板后浇带工程量计算单位是(C)A MB M²C m³D:视后浇带宽度而异8.下列说法正确的是(A)A:计算墙体工程量时外墙采用中心线B计算墙体工程量时内墙采用中心线C 计算墙体工程量时外墙采用结构外皮线D ABC都不正确9.在清单计价时,工程数量的有效位数应遵守( A )A:以“t”为单位,应保留小数点后三位数字,第四位四舍五入B: 以“t”为单位,应保留小数点后二位数字,第三位四舍五入C: 以“m”为单位,应保留小数点后三位数字,第四位四舍五入D 以“m2、m3”为单位,应保留小数点后三位数字,第四位四舍五入10.以下关于现浇混凝土柱高的确定,错误的是(B)A.有梁板柱高,自柱基上表面至上一层楼板上表面之间的高度B.无梁板柱高,自柱基上表面至柱帽上表面之间的高度C.框架柱高,自柱基上表面至柱顶D.构造柱按全高11.工程量清单项目编码以(D)编码设置A:四级八位B:四级十位C:五级十位D:五级十二位12.建筑物超高增加人工、机械费适用于(DA:檐口高度20M B:层数6层C:檐口高度24M D:檐口高度20M和层数6层以上13.根据《建设工程工程量清单计价规范》,平整场地工程量计算规则是(D)。
安装工程计量与计价_例题工程背景:某办公室照明工程,层高4 m,架空进线高3m;照明配电箱嵌入式安装,配电箱板面尺寸350×250×120,配电箱安装高度1.8m;室内刚性阻燃管DN15沿墙暗敷,管内穿线BV-1.5mm2;方形吸顶灯,三孔插座;开关安装高度为1.2m,插座安装高度均为0.3m。
见图2-1。
图2-1 室内照明平面图、系统图问题:1.根据施工图和《重庆市安装工程计价定额》(2008)工程量计算规则计算出该工程分部分项工程量(进户支架采用两端埋设三线,长1.8m/根,用∠50*4,容重3.77kg/m ),并将计算结果填入表2-1;工程量计算表表2-1工程背景:某办公楼室内给排水安装工程量清单如下表1-1所示。
经公司研究按照招标文件要求依据《重庆市安装工程计价定额》(2008)和《重庆市建设工程费用定额》(2008)进行投标报价。
相关费用及费率如下:人工单价:50元/工日;规费费率:25.83%;安全文明施工专项费费率7%;工程定额测定费费率0.14%;税金费率3.41%;管理费费率60%;利润费率40%;暂不考虑风险因素。
分部分项工程量清单表1-1问题:(1)请按照《重庆市安装工程计价定额》(2008)以及《重庆市建设工程费用定额》(2008)工程量清单计价格式,计算分部分项工程综合单价。
(10分)条件:①《重庆市安装工程计价定额》(2008)相关内容见表1-2;②相关主材单价如下:镀锌钢管DN40 21.50元/m;塑料管DN50 5.8元/m;螺纹阀门DN40 85元/个④《重庆市安装工程计价定额》(2008)人工基价28元/工日。
条件:①措施项目费合计为6800.00元,其他项目费合计为5600.00元;(3)答:工程量清单的作用是:①为投标者提供一个公开、公平、公正的竞争环境;(1分)②约束招标投标双方的计价行为。
是计价和评标的基础;(1分)③为支付工程进度款提供依据;(1分)④为办理竣工结算及工程索赔提供依据;(1分)(4)工程量清单标准格式,由工程量清单说明与工程量清单表格两大部分组成;(2分)(5)答:清单项目特征,其作用是描述项目名称;(1分)如描述项目所在工程部位、名称、类型、施工工艺、材料品种、规格和型号等; (1分)它是设置项目的主要依据,它影响项目实体价值(或价格),是形成工程造价的主要因素; (1分)特征描述必须准确、清楚和完善,否则影响招标与计价; (1分)工程背景:某室内给排水安装工程,如下图3-1所示。
第1篇一、单项选择题(每题2分,共20分)1. 下列不属于安装工程计价依据的是:A. 国家和行业现行计价规范B. 工程量清单计价规范C. 施工图设计文件D. 施工组织设计2. 下列关于安装工程量清单计价的说法,错误的是:A. 量清单计价应按照工程量清单的顺序进行编制B. 量清单计价应包括工程量清单中的分部分项工程量C. 量清单计价应包括工程量清单中的措施项目D. 量清单计价不包括施工图设计文件中的工程量3. 下列关于安装工程直接工程费组成,错误的是:A. 人工费B. 材料费C. 施工机械使用费D. 税金4. 下列关于安装工程间接费组成,错误的是:A. 施工企业管理费B. 施工企业利润C. 临时设施费D. 风险费用5. 下列关于安装工程措施项目费组成,错误的是:A. 环境保护B. 安全文明施工C. 深基坑支护D. 设备进出场费6. 下列关于安装工程其他项目费组成,错误的是:A. 投资方向调节税B. 预备费C. 质量保证金D. 砌体结构工程验收7. 下列关于安装工程计价中材料价格确定,错误的是:A. 材料价格应包括材料原价、运杂费、运输损耗费等B. 材料价格应按市场价格确定C. 材料价格应按实际采购价格确定D. 材料价格应按施工图设计文件中要求的材料规格、型号确定8. 下列关于安装工程计价中人工费确定,错误的是:A. 人工费应按定额工日或实际工日计算B. 人工费应按定额工日单价或实际工日单价计算C. 人工费应包括施工人员的基本工资、工资性补贴等D. 人工费应按施工图设计文件中要求的施工人员数量确定9. 下列关于安装工程计价中机械费确定,错误的是:A. 机械费应按施工机械台班费或实际使用台班计算B. 机械费应按定额台班单价或实际使用台班单价计算C. 机械费应包括施工机械的折旧费、维修费等D. 机械费应按施工图设计文件中要求的施工机械型号确定10. 下列关于安装工程计价中利润确定,错误的是:A. 利润率应按合同约定或定额规定执行B. 利润率应按市场行情确定C. 利润率应包括企业利润和施工人员利润D. 利润率应按施工图设计文件中要求的施工人员数量确定二、多项选择题(每题3分,共30分)1. 安装工程计价依据包括:A. 国家和行业现行计价规范B. 工程量清单计价规范C. 施工图设计文件D. 施工组织设计E. 工程地质勘察报告2. 安装工程直接工程费包括:A. 人工费B. 材料费C. 施工机械使用费D. 临时设施费E. 税金3. 安装工程间接费包括:A. 施工企业管理费B. 施工企业利润C. 临时设施费D. 风险费用E. 质量保证金4. 安装工程措施项目费包括:A. 环境保护B. 安全文明施工C. 深基坑支护D. 设备进出场费E. 预制构件制作5. 安装工程其他项目费包括:A. 投资方向调节税B. 预备费C. 质量保证金D. 砌体结构工程验收E. 施工图纸审查费6. 安装工程计价中材料价格确定因素包括:A. 材料原价B. 运杂费C. 运输损耗费D. 采购价格E. 市场行情7. 安装工程计价中人工费确定因素包括:A. 定额工日B. 实际工日C. 工日单价D. 工资性补贴E. 施工人员数量8. 安装工程计价中机械费确定因素包括:A. 定额台班B. 实际使用台班C. 台班单价D. 折旧费E. 维修费9. 安装工程计价中利润确定因素包括:A. 利润率B. 市场行情C. 合同约定D. 定额规定E. 施工图设计文件10. 安装工程计价中风险费用确定因素包括:A. 施工难度B. 施工环境C. 施工技术D. 施工进度E. 施工质量三、简答题(每题10分,共30分)1. 简述安装工程计价的意义。
安装工程计量与计价_例题工程背景:某办公室照明工程,层高4 m,架空进线高3m;照明配电箱嵌入式安装,配电箱板面尺寸350×250×120,配电箱安装高度1.8m;室内刚性阻燃管DN15沿墙暗敷,管内穿线BV-1.5mm2;方形吸顶灯,三孔插座;开关安装高度为1.2m,插座安装高度均为0.3m。
见图2-1。
图2-1 室内照明平面图、系统图问题:1.根据施工图和《重庆市安装工程计价定额》(2008)工程量计算规则计算出该工程分部分项工程量(进户支架采用两端埋设三线,长1.8m/根,用∠50*4,容重3.77kg/m ),并将计算结果填入表2-1;工程量计算表表2-1编号项目名称单位数量计算式Kg 1.8*3.771. 进户支架制作,∠50*42. 进户支架安装,两端根 1.000埋设三线3. 进户管沿墙暗敷G20 m 2.09 (0.15+0.24)+(3.5-1.8)4. 管内穿线BV-6 m 2.09*3+(1.5+0.6)*35. 照明配电箱暗装,四台 1.000回路6. 照明配电箱暗装接线个 1.000箱,350*250*120m 35.707. 刚性阻燃管沿墙暗敷,DN158. 管内穿线BV-1.5 m 18.2*2+17.7*3+0.6*79. 方形吸顶灯安装,套 1.0004*60W10. 吊风扇安装台 2.000工程背景:某办公楼室内给排水安装工程量清单如下表1-1所示。
经公司研究按照招标文件要求依据《重庆市安装工程计价定额》(2008)和《重庆市建设工程费用定额》(2008)进行投标报价。
相关费用及费率如下:人工单价:50元/工日;规费费率:25.83%;安全文明施工专项费费率7%;工程定额测定费费率0.14%;税金费率3.41%;管理费费率60%;利润费率40%;暂不考虑风险因素。
CH0457 螺纹阀门安装个12.13 6.55 5.58 / 螺纹阀门个 1.010DN40问题:(1)请按照《重庆市安装工程计价定额》(2008)以及《重庆市建设工程费用定额》(2008)工程量清单计价格式,计算分部分项工程综合单价。
(10分)条件:①《重庆市安装工程计价定额》(2008)相关内容见表1-2;②相关主材单价如下:镀锌钢管DN40 21.50元/m;塑料管DN50 5.8元/m;螺纹阀门DN40 85元/个④《重庆市安装工程计价定额》(2008)人工基价28元/工日。
条件:①措施项目费合计为6800.00元,其他项目费合计为5600.00元;(3)答:工程量清单的作用是:①为投标者提供一个公开、公平、公正的竞争环境;(1分)②约束招标投标双方的计价行为。
是计价和评标的基础;(1分)③为支付工程进度款提供依据;(1分)④为办理竣工结算及工程索赔提供依据;(1分)(4)工程量清单标准格式,由工程量清单说明与工程量清单表格两大部分组成;(2分)(5)答:清单项目特征,其作用是描述项目名称;(1分)如描述项目所在工程部位、名称、类型、施工工艺、材料品种、规格和型号等; (1分)它是设置项目的主要依据,它影响项目实体价值(或价格),是形成工程造价的主要因素; (1分)特征描述必须准确、清楚和完善,否则影响招标与计价; (1分)工程背景:某室内给排水安装工程,如下图3-1所示。
给水管道为PP-R管热熔连接,排水管道为承插塑料排水管零件粘接,穿墙套管为塑料套管,直冲式手押阀蹲式大便器,磁洗手盆,墙厚按照240mm。
图3-1 室内给排水平面图、系统图问题:(1)请按照《重庆市安装工程计价定额》(2008)计算分项工程量(2)请按照《建设工程工程量清单计价规范》(2008)编制分部分项工程量清单工程背景:某办公楼电气安装工程量清单如下表1-1所示。
经公司研究按照招标文件要求依据《重庆市安装工程计价定额》(2008)和《重庆市建设工程费用定额》(2008)进行投标报价。
相关费用及费率如下:人工单价:50元/工日;规费费率:25.83%;安全文明施工专项费费率7%;工程定额测定费费率0.14%;税金费率3.41%;管理费费率60%;利润费率40%;暂不考虑风险因素。
分部分项工程量清单表1-1表1-2问题:(1)请按照《重庆市安装工程计价定额》(2008)以及《重庆市建设工程费用定额》(2008)工程量清单计价格式,计算分部分项工程综合单价。
(10分)条件:①《重庆市安装工程计价定额》(2008)相关内容见表1-2;②相关主材单价如下:半硬质塑料管DN25 2.40元/m;接线盒 1.20元/个;成套型吊链式双管荧光灯 85.00元/套;荧光灯管 10.00元/只③请在分部分项工程量清单综合单价分析表(表1-3)中填写。
④《重庆市安装工程计价定额》(2008)人工单价28元/工日.(2)请按照《重庆市建设工程费用定额》(2008)工程量清单计价格式,计算单位工程费用。
(10分)条件:①措施项目费合计为8500元,其他项目费合计为7200元;②请在单位工程费汇总表(表1-4)中填写工程背景:某室内照明安装工程如图2-1所示,从8轴线算起.层高4m,吊顶高3.2m,刚性阻燃塑料管DN15沿墙和吊顶内暗敷,穿BV-2*1.5线,晶片组合吸顶灯一套,双方筒乳白壁灯2套,灯具安装高度2 m,开关安装高度1.2m,插座安装高度0.3m.照明和插座不共管、不共回路,墙厚按照240mm。
(备注:在吊顶内配管,要求管顺着建筑轴线敷设)图2-1 室内照明平面图工程背景:某室内给排水安装工程,如下图3-1所示。
给水管道为镀锌钢管螺纹连接,排水管道为塑料排水管承插粘接,低水箱座式大便器,磁洗手盆,钢管淋浴器,钢套管,墙厚240mm。
\\分部分项工程量清单综合单价分析表序号项目编码项目名称及说明定额编号单位数量管理费金额利润金额人工价差(元)合价(元)综合单价(元)人工费材料费机械费1.030801001001镀锌钢管;镀锌钢管螺纹连接,室内给水,钢套管DN50,5个m 500.003572.5513423.7350.603572.55*60%=2143.533572.55*40%=1429.023572.55/28*(65-28)=5996.7826616.2153.23镀锌钢管螺纹连接,室内给水CH012310m50.0069.69*50=3484.5026.45*50=1322.500.93*50=46.5镀锌钢管DN40m 10.200*50*23.50=11985钢套管制作安装DN50 CH0350个 5.0003.78*5=18.904.26*5=21.300.82*5=4.10碳钢管DN50 m 0.31*5*28.5=44.18给水管道消毒冲洗DN40 CH0444100m5.00013.83*5=69.1510.15*5=50.75/例2:镀锌给水管、排水UPVC管、直冲式便器、瓷洗手盆。
要求计算给排水相关项目的工程量。
设墙厚为一砖半。
(备注:图中标注尺寸均为室内净空尺寸)解:列项计算如下(定额项目):序号定额编号项目名称单位数量计算式1. 镀锌钢管螺纹连接,室内给水,DN20m 4.27 (1.5+0.37+0.6)+(1+0.8)2. 镀锌钢管螺纹连接,室内给水,DN15m 1.60 (0.6+0.8)+(1-0.8)3. UPVC管承插零件粘接,室内排水,DN100m 7.47 (1.5+0.37+0.6)+(4+1)4. UPVC管承插零件粘接,室内排水,DN50m 1.90 0.6+0.8+0.55. 钢套管制作安装,DN32个 1.0006. 钢套管制作安装,DN125个 2.0007. 给水管道消毒冲洗,DN50内m 5.87 4.27+1.6例22:八层住宅给水,要求列项,并计算出部分工程量。
(备注:给水管道采用PP-R管热熔连接)解:列项计算如下(定额项目):例23:扫除口、便器、地漏、检查井,要求列项,并计算出部分工程量。
(备注:排水管道采用UPVC管承插零件粘接)解:列项计算如下(定额项目)序号定额编号项目名称单位数量计算式1. UPVC管零件粘接,室m内排水2. 管沟土方开挖m33. 管沟土方回填m34.地面扫除口安装个 1.0005. 塑料地漏安装个 1.000套 1.0006. 直冲式普通阀蹲式大便器安装7. 检查井土方开挖m38. 现浇模板,检查井井底m39. 现浇混凝土,检查井井m3底10. 现浇钢筋,检查井井底t11. 现浇模板,检查井井壁m3m3现浇混凝土,检查井井壁12. 现浇钢筋,检查井井井t壁13. 检查井壁抹灰m2例17:面盆、洗手盆,坐式便器及高水箱便器(共三层),要求列项,并计算出部分工程量。
(备注:给水管道采用焊接钢管螺纹连接)例22:八层住宅给水,要求列项,并计算出部分工程量。
(备注:给水管道采用PP-R管热熔连接)工程量计算表(定额项目)(15)顶内敷设(3)塑料软管吊顶内敷设DN15m 0.3*5(4)管内穿线BV-1.5 m 【(7.5*2/6*2+3.2-1.5)+(7.5*1/6*2+3.2-1.5)+(3.9*1/2*3)+(3.9*1/2*2)+0.3*5】*2+(0.35+0.25)*4工程背景:某办公楼照明工程,建筑层高3.2 m,架空进线高 3.0m,照明配电箱XRM,配电箱板面尺寸250×120,室内PVC15管暗敷,管内穿线BV-2×1.5mm2;配电箱安装高度1.8m,开关安装高度均为1.5m,插座安装高度0.3m,照明和插座回路不共管,图中所标注尺寸均为室内净空尺寸,见图1-1。
问题:1.根据图1-1和2008重庆市《安装工程计价定额》工程量计算规则计算出该工程分部分项工程量,并将计算结果填入表1-1。
备注:进户支架采用两端埋设两线式支架,支架长度1.2m,用∠40*4(2.77kg/m)图1-1 电气照明平面图表1-1 工程量计算表编号项目名称单位数量计算式2.根据《建设工程工程量清单计价规范》(GB50500-2008)的工程量计算规则计算出室内电气安装工程量,要列出清单的工程量计算式。
将计算出的清单工程量列入表1-2“分部分项工程量清单”表格中,要求完善表格中的内容(请参照“项目编码与项目名称对照参考表”完成),将计算结果填入表1-2中。
表1-2 分部分项工程量清单工程名称:某公司办公室照明工程:。