基础工程独立基础定位测量记录
- 格式:doc
- 大小:584.50 KB
- 文档页数:3
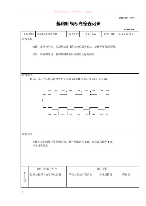
DB15/427—2005基础轴线标高检查记录C01-5-03-001 工程名称佳家花园廉租房7#楼检查部位基础±0.00 检查日期2010年10月9日放线依据:依据:定位控制桩、规划测绘部门给定的控制水准点、基础平面及剖面图。
内容:核查构造柱、基础砖砌体的轴线偏差及标高偏差。
放线简图:标高:以乌兰花路与清河大街交点的176.289为准定为178.1 为±0.00。
检查意见:基础各控制轴线位置准确无误。
最大轴线偏差5㎜,标高最大偏差3㎜。
符合规范要求。
签字栏监理(建设)单位施工单位监理工程师(建设单位代表)单位工程技术负责人专业质检员资料员内质检软件登记号:64190163DB15/427—2005基槽验线记录C01-5-02-001 工程名称佳家花园廉租房16#楼日期2010年10 月8 日验线依据及内容:依据:(1)定位控制桩。
(2)规划测绘部门给定的高程控制水准点。
(3)基础平面、剖面图。
内容:校核基底外轮廓线、控制轴线;检查基底标高;复核地下室集水坑位置及坑底标高。
基槽平面、剖面简图:○○1265 50050 1265 31015○10同同甘共苦○1015 -2.300500 915(1165)○检查意见:基底外轮廓线位置及基础控制轴线最大偏差+3㎜。
符合规范要求。
基底标高最大偏差+6㎜。
符合规范要求。
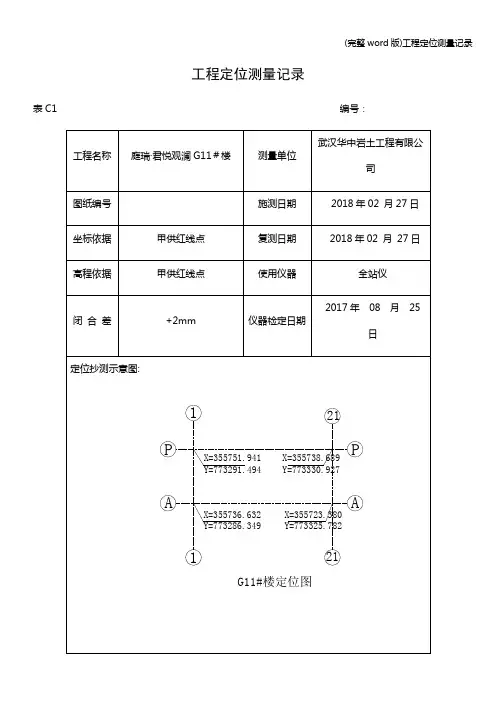
签字监理(建设)单位施工测量单位监理工程师(建设单位代表)专业技术负责人专业质检员施测人栏内质检软件登记号:64190163DB15/427—2005工程定位测量记录C01-5-01-001工程名称 佳家花园廉租房7#8#15#16# 建设单位 通辽市住房和城乡建设委员会 制表日期 2007年 7 月 22 日 施工单位 通辽市鑫华建筑工程公司施测日期 2007年 7 月 19 日图纸编号 建施—2、3坐标依据 建施—2总平面高程依据 西拉木伦大街永安路交汇处177.82 使用仪器经纬仪JGJ2、水准仪NA724闭合差i <1/10000 h ≤±6√n ㎜定位示意图: 尺寸单位:m 高程单位:m水准点编号与标高 设计标高纵横向尺寸表示方法相对相对 ±0.000横向=A 绝对绝对纵向=B清 河 大 街乌兰花路高程36488.70437367.714373214.0936486.77437380.0936493.2936495.22437426.7136439.06437417.8836433.58 437370.00437323.3836431.65 437382.9836434.857#178.1008#178.00015#178.10016#177.900监理工程师:技术负责人:抄测人:(建设单位项目负责人)施工员:质检员:复测人:内质检软件登记号:64190163DB15/427—2005工程定位测量记录C01-5-01-001 工程名称佳家花园廉租房16#楼建设单位通辽市住房和城乡建设委员会制表日期2010年10月9 日施工单位通辽市鑫华建筑工程公司施测日期2010年10月9 日图纸编号建施—2、3坐标依据建施—2总平面高程依据清河大街北乌兰花路东176.289 使用仪器经纬仪JGJ2、水准仪NA724 闭合差i<1/10000 h≤±6√n ㎜定位示意图:尺寸单位:m高程单位:m水准点编号与标高设计标高纵横向尺寸表示方法相对相对±0.000 横向=A绝对绝对纵向=B监理工程师:技术负责人:抄测人:(建设单位项目负责人)施工员:质检员:复测人:内质检软件登记号:64190163DB15/427—2005基础轴线标高检查记录C01-5-03-001 工程名称佳家花园廉租房8#楼检查部位基础±0.00 检查日期2010年10月9日放线依据:依据:定位控制桩、规划测绘部门给定的控制水准点、基础平面及剖面图。
工程定位测量记录一、工程基本信息项目名称:XXX工程工程位置:XX市XX区XX路工程开始时间:XXXX年XX月XX日测量时间:XXXX年XX月XX日二、测量项目1.地理定位测量1.1测量基准点的设定及测量:使用GPS技术测定工程位置相对于全球导航卫星系统的经纬度坐标,并记录在下方表格中(表格略)。
1.2测量标志物的设置:在工程位置周围采用一定数量的地面标志物,包括里程碑、地形特征标志物等,以供后期测量使用。
2.高程定位测量2.1高程基准点的设定及测量:使用水平仪等测量工具对工程位置的高程进行测量,并记录在下方表格中。
2.2测量建筑物高度:对工程位置附近的建筑物高度进行测量,并记录在下方表格中。
3.其他定位测量3.1水平定位测量:使用光电测距仪等测量工具对工程位置内各个关键点的水平距离进行测量,并记录在下方表格中。
3.2竖直定位测量:使用水平仪等测量工具对工程位置内各个关键点的竖直距离进行测量,并记录在下方表格中。
三、测量结果1.地理定位测量结果:-经度:XXX度XX分XX秒-纬度:XXX度XX分XX秒2.高程定位测量结果:-高程:XXX米3.其他定位测量结果:-水平距离:-A点到B点:XXX米-A点到C点:XXX米-竖直距离:-A点到D点:XXX米-A点到E点:XXX米四、测量设备1.GPS测量设备2.水平仪3.光电测距仪五、测量记录人员及签名测量人员:XXX日期:XXXX年XX月XX日六、备注任何与测量过程相关的额外信息可以在此部分记录。
以上是关于工程定位测量的记录,该记录详细记录了工程位置的地理定位、高程定位以及其他定位测量结果。
这些测量结果将为工程的施工和后期维护提供重要依据,确保工程的准确性和稳定性。
工程定位测量记录范本工程定位测量是指在施工前进行的一项关键步骤,主要目的是确保建筑物、设施等在施工过程中能够准确定位和正确定位,最终满足设计要求。
下面是工程定位测量记录范本。
第一部分:项目信息这一部分包括项目名称、委托方、施工单位、项目开始和结束日期等相关信息。
项目名称:_______________委托方:_______________施工单位:_______________项目开始日期:_______________项目结束日期:_______________第二部分:定位测量信息这一部分列出了定位测量的每个步骤和结果,以便后续查询和验证。
1. 建筑位置及它的标高建筑位置:北纬:东经:建筑标高:________m2. 标识点的坐标所有标识点(如墙角)应进行定位并记录其坐标。
在此处精确地标记该点以便在日后建设阶段重复使用。
3. 原始数据测量人员在采用电子仪器和三角测量等技术完成后,在表格中记录数据。
4. 所有检查人员的姓名和签名。
在每行或页尾下方空白处,应列出每个测量人员的姓名和签名、日期进行认证。
5. 特殊说明如果存在任何问题或特定的注意事项,即应进行记录。
第三部分:辅助信息此部分可包含以下条目:1. 测量设备信息列出用于工程定位测量的设备名称、制造商、型号和编号,以便检查其准确性。
2. 精度与误差列出使用的精度和测量仪器,并在表格中记录误差。
3. 参考资料列出使用的参考资料,如建筑图纸或地形图等。
这些资料需要记录其来源、日期和版本。
4. 图像和照片为了方便记录,可以添加现场拍摄的相应照片和图像。
这些照片可以帮助复查、检测、审计验的正确性。
第四部分:结论以上是工程定位测量记录范本。
根据具体情况可以进行必要的调整和更改,以便满足具体项目的测量需求。
在实际操作中,应严格按照现有测量规程进行操作,并进行详细的记录和保存。
这些文件可以作为后期施工的管理依据,确保建筑物、设施的稳定性与安全性。
工程定位(竣工) 测量记录制表日期: 2007 年 11 月 19 日建设单位:特变电工沈阳变压器集团有限公司工程名称:联合厂房线圈B车间桩基础施工单位:沈阳建强岩土工程有限公司图纸编号: M745Z1G3 施测日期: 2007年 11月 18 日坐标依据:高程依据:使用仪器:闭合差:测量技术负责人:王剑复查:王夺抄测:朱光宇质量检查员:李鹏施工员:苏宏伟工程定位(竣工) 测量记录制表日期: 2007 年 3 月 1 日建设单位:葫芦岛锌业股份有限公司工程名称:焙烧制酸配套改造工程干燥厂房桩基础施工单位:中冶沈勘工程技术有限公司图纸编号: 312.T0201-1-4 施测日期: 2007年 2月 28 日坐标依据: A300,B0 高程依据: BM 6.30 使用仪器: 020B 闭合差:±0.002测量技术负责人:王剑复查:王夺抄测:汤恒质量检查员:牛闯施工员:刘锁成归档编号:C1-11工程定位(竣工) 测量记录工程名称:焙烧制酸配套改造工程净化部分桩基础施工单位:中冶沈勘工程技术有限公司图纸编号: 312.T0501-G1a 施测日期: 2007年 2月 28 日坐标依据: A300,B0 高程依据: BM 6.30 使用仪器: 020B 闭合差:±0.002测量技术负责人:王剑复查:王夺抄测:汤恒质量检查员:牛闯施工员:刘锁成归档编号:C1-11工程定位(竣工) 测量记录工程名称:焙烧制酸配套改造工程焙砂矿仓桩基础施工单位:中冶沈勘工程技术有限公司图纸编号: 312.Tg0304-02a 施测日期: 2007年 2月 28 日坐标依据: A300,B0 高程依据: BM 6.30 使用仪器: 020B 闭合差:±0.002测量技术负责人:王剑复查:王夺抄测:汤恒质量检查员:牛闯施工员:刘锁成归档编号:C1-11工程定位(竣工) 测量记录工程名称:焙烧制酸配套改造工程热工泵房桩基础施工单位:中冶沈勘工程技术有限公司图纸编号: 312.Tg0302-02 施测日期: 2007年 2月 28 日坐标依据: A300,B0 高程依据: BM 6.34 使用仪器: 020B 闭合差:±0.002测量技术负责人:王剑复查:王夺抄测:汤恒质量检查员:牛闯施工员:刘锁成归档编号:C1-11工程定位(竣工) 测量记录工程名称:焙烧制酸配套改造工程电尘厂房桩基础施工单位:中冶沈勘工程技术有限公司图纸编号: 312.Tg0303-1-02 施测日期: 2007年 2月 28 日坐标依据: A300,B0 高程依据: BM 6.34 使用仪器: 020B 闭合差:±0.002测量技术负责人:王剑复查:王夺抄测:汤恒质量检查员:牛闯施工员:刘锁成归档编号:C1-11工程定位(竣工) 测量记录工程名称:焙烧制酸配套改造工程风机厂房桩基础施工单位:中冶沈勘工程技术有限公司图纸编号: 312.Tg0303-2-02 施测日期: 2007年 2月 28 日坐标依据: A300,B0 高程依据: BM 6.34 使用仪器: 020B 闭合差:±0.002测量技术负责人:王剑复查:王夺抄测:汤恒质量检查员:牛闯施工员:刘锁成归档编号:C1-11工程定位(竣工) 测量记录工程名称:焙烧制酸配套改造工程转化工序桩基础施工单位:中冶沈勘工程技术有限公司图纸编号: 312.T0403-2 施测日期: 2007年 2月 28 日坐标依据: A300,B0 高程依据: BM 6.34 使用仪器: 020B 闭合差:±0.002测量技术负责人:王剑复查:王夺抄测:汤恒质量检查员:牛闯施工员:刘锁成归档编号:C1-11工程定位(竣工) 测量记录工程名称:焙烧制酸配套改造工程干吸工序桩基础施工单位:中冶沈勘工程技术有限公司图纸编号: 312.T0402-2 施测日期: 2007年 2月 28 日坐标依据: A300,B0 高程依据: BM 6.34 使用仪器: 020B 闭合差:±0.002测量技术负责人:王剑复查:王夺抄测:汤恒质量检查员:牛闯施工员:刘锁成归档编号:C1-11工程定位(竣工) 测量记录工程名称:焙烧制酸配套改造工程11#皮带廊桩基础施工单位:中冶沈勘工程技术有限公司图纸编号: 312.T0302-1-02 施测日期: 2007年 2月 28 日坐标依据: A300,B0 高程依据: BM 6.34 使用仪器: 020B 闭合差:±0.002测量技术负责人:王剑复查:王夺抄测:汤恒质量检查员:牛闯施工员:刘锁成归档编号:C1-11工程定位(竣工) 测量记录制表日期: 2007 年 3 月 1 日建设单位:葫芦岛锌业股份有限公司工程名称:焙烧制酸配套改造工程空压机站桩基础施工单位:中冶沈勘工程技术有限公司图纸编号: 312.T0501-04 施测日期: 2007年 2月 28 日坐标依据: A300,B0 高程依据: BM 6.36 使用仪器: 020B 闭合差:±0.002测量技术负责人:王剑复查:王夺抄测:汤恒质量检查员:牛闯施工员:刘锁成归档编号:C1-11工程定位(竣工) 测量记录制表日期: 2007 年 3 月 1 日建设单位:葫芦岛锌业股份有限公司图纸编号: 312.TG0406-02 施测日期: 2007年 2月 28 日坐标依据: A300,B0 高程依据: BM 6.36 使用仪器: 020B 闭合差:±0.002测量技术负责人:王剑复查:王夺抄测:汤恒质量检查员:牛闯施工员:刘锁成工程定位(竣工) 测量记录制表日期: 2007 年 3 月 1 日建设单位:葫芦岛锌业股份有限公司图纸编号:施测日期: 2007年 2月 28 日坐标依据: A300,B0 高程依据: BM 6.36 使用仪器: 020B 闭合差:±0.002测量技术负责人:王剑复查:王夺抄测:汤恒质量检查员:牛闯施工员:刘锁成工程定位(竣工) 测量记录制表日期: 2007 年 3 月 1 日建设单位:葫芦岛锌业股份有限公司图纸编号: 312.Tg0303-2-02 施测日期: 2007年 2月 28 日坐标依据: A300,B0 高程依据: BM 6.36 使用仪器: 020B 闭合差:±0.002测量技术负责人:王剑复查:王夺抄测:汤恒质量检查员:牛闯施工员:刘锁成。
工程定位丈量报验申请表之答禄夫天创作编号 C1工程名称吉森·北纬18度温泉山庄118#楼建设单元万宁润达实业有限公司图纸编号总平面图施测日期年月日平面坐标依据规划局提供复测日期年月日高层依据 规划局提供丈量仪器科力达:经纬仪、水平仪允许误差5mm仪器检定日期年 月 日定位抄测示意图:根据规划局提供的118#楼房定位坐标点A 轴交1轴,1#(x=70008.795,y=187033.115)、N 轴交轴1轴,2#(x=70022.324,y=187060.051)、N 轴交17轴3#(x=70013.162,y=187063.185)、A 轴交17轴4#(x=70000.274,y=187037.715). A N ○11# 2# ○1○174# 3# ○17A N复查结果:符合设计图纸和规范限差要求介入人员签字施测单元监理(建设)单元施测人 复测人 项目技术负责人年 月 日工程定位丈量 报验申请表工程名称:吉森·北纬18度温泉山庄112#楼编号 C1工程名称吉森·北纬18度温泉山庄112#楼建设单元万宁润达实业有限公司图纸编号总平面图施测日期年月日平面坐标依据规划局提供复测日期年月日高层依据规划局提供丈量仪器科力达:经纬仪、水平仪允许误差5mm 仪器检定日期年月日定位抄测示意图:根据规划局提供的112#楼房定位坐标点A 轴交1轴,1#(x=69986.293,y=186990.968)、N 轴交轴1轴,2#(x=70000.430,y=187017.589)、N 轴交17轴3#(x=69991.748,y=187021.876)、A 轴交17轴4#(x=69978.434,y=186996.625).A N ○1 1# 2# ○1○17 4# 3# ○17A N复查结果:符合设计图纸和规范限差要求介入人员签字施测单元监理(建设)单元施测人 复测人 项目技术负责人年 月 日工程定位丈量 报验申请表工程名称:吉森·北纬18度温泉山庄101#楼编号 C1工程名称吉森·北纬18度温泉山庄101#楼建设单元万宁润达实业有限公司图纸编号总平面图施测日期年月日平面坐标依据规划局提供复测日期年月日高层依据规划局提供丈量仪器科力达:经纬仪、水平仪允许误差5mm 仪器检定日期年月日定位抄测示意图:根据规划局提供的101#楼房定位坐标点A 轴交1轴,1#(x=39916.310,y=186862.620)、N 轴交轴1轴,2#(x=69910.915,y=186894.366)、N 轴交17轴3#(x=69901.551,y=186891.902)、A 轴交17轴4#(x=69908.579,y=186861.257).A N ○1 1# 2# ○1○17 4# 3# ○17A N复查结果:符合设计图纸和规范限差要求介入人员签字施测单元监理(建设)单元施测人 复测人 项目技术负责人年 月 日工程定位丈量 报验申请表工程名称:吉森·北纬18度温泉山庄92#楼 编编号 C1工程名称吉森·北纬18度温泉山庄92#楼建设单元万宁润达实业有限公司图纸编号总平面图施测日期年月日平面坐标依据规划局提供复测日期年月日高层依据规划局提供丈量仪器科力达经纬仪、水平仪允许误差5mm 仪器检定日期年月日定位抄测示意图:根据规划局提供的92#楼房定位坐标点A 轴交1轴,1#(x=69886.334,y=186770.258)、K 轴交轴1轴,2#(x=69905.206,y=186798.933)、K 轴交13轴3#(x=669897.240,y=186803.72)、A 轴交13轴4#(x=69879.606,y=186774.302).A K ○1 1# 2# ○1○13 4# 3# ○13A K复查结果:符合设计图纸和规范限差要求介入人员签字施测单元监理(建设)单元施测人 复测人 项目技术负责人年 月 日工程定位丈量 报验申请表工程名称:吉森·北纬18度温泉山庄90#楼 编编号 C1工程名称吉森·北纬18度温泉山庄90#楼建设单元万宁润达实业有限公司图纸编号总平面图施测日期年月日平面坐标依据规划局提供复测日期年月日高层依据规划局提供丈量仪器科力达:经纬仪、水平仪允许误差5mm 仪器检定日期年月日定位抄测示意图:根据规划局提供的90#楼房定位坐标点A 轴交1轴,1#(x=69831.273,y=186687.793)、N 轴交轴1轴,2#(x=69830.577,y=186783.964)、N 轴交17轴3#(x=69823.424,y=186780.729)、A 轴交17轴4#(x=69837.514,y=186749.456).A N ○1 1# 2# ○1○17 4# 3# ○17A N复查结果:符合设计图纸和规范限差要求介入人员签字施测单元监理(建设)单元施测人 复测人 项目技术负责人年 月 日工程定位丈量 报验申请表工程名称:吉森·北纬18度温泉山庄88#楼 编编号 C1工程名称吉森·北纬18度温泉山庄88#楼建设单元万宁润达实业有限公司图纸编号总平面图施测日期年月日平面坐标依据规划局提供复测日期年月日高层依据规划局提供丈量仪器科力达经纬仪、水平仪允许误差5mm 仪器检定日期年月日(x=69793.232,y=186620.003)、N 轴交轴1轴,2#(x=69810.112,y=186644.976)、N 轴交17轴3#(x=69801.429,y=186649.262)、A 轴交17轴4#(x=69785.373,y=186625.661).A N ○1 1# 2# ○1○17 4# 3# ○17A N复查结果:符合设计图纸和规范限差要求介入人员签字施测单元监理(建设)单元施测人 复测人 项目技术负责人年 月 日工程定位丈量 报验申请表工程名称:吉森·北纬18度温泉山庄89#楼 编编号 C1工程名称吉森·北纬18度温泉山庄89#楼建设单元万宁润达实业有限公司图纸编号总平面图施测日期年月日平面坐标依据规划局提供复测日期年月日高层依据规划局提供丈量仪器科力达经纬仪、水平仪允许误差5mm 仪器检定日期年月日(x=69810.544,y=186653.700)、N 轴交轴1轴,2#(x=69827.306,y=186681.194)、N 轴交17轴3#(x=69818.623,y=186685.480)、A 轴交17轴4#(x=69803.816,y=186657.745).A N ○1 1# 2# ○1○17 4# 3# ○17A N复查结果:符合设计图纸和规范限差要求介入人员签字施测单元监理(建设)单元施测人 复测人 项目技术负责人年 月 日工程定位丈量 报验申请表工程名称:吉森·北纬18度温泉山庄93#楼 编编号 C1工程名称吉森·北纬18度温泉山庄93#楼建设单元万宁润达实业有限公司图纸编号总平面图施测日期年月日平面坐标依据规划局提供复测日期年月日高层依据规划局提供丈量仪器科力达:经纬仪、水平仪允许误差5mm 仪器检定日期年月日(x=69845.987,y=186753.288)、N 轴交轴1轴,2#(x=69830.577,y=186783.964)、N 轴交17轴3#(x=69823.424,y=186780.729)、A 轴交17轴4#(x=69837.514,y=186749.456).A N ○1 1# 2# ○1○17 4# 3# ○17A N复查结果:符合设计图纸和规范限差要求介入人员签字施测单元监理(建设)单元施测人 复测人 项目技术负责人年 月 日工程定位丈量 报验申请表工程名称:吉森·北纬18度温泉山庄95#楼 编编号 C1工程名称吉森·北纬18度温泉山庄95#楼建设单元万宁润达实业有限公司图纸编号总平面图施测日期年月日平面坐标依据规划局提供复测日期年月日高层依据规划局提供丈量仪器科力达:经纬仪、水平仪允许误差5mm 仪器检定日期年月日(x=69828.152,y=186793.238)、N 轴交轴1轴,2#(x=69808.290,y=186818.580)、N 轴交17轴3#(x=69802.081,y=186813.778)、A 轴交17轴4#(x=69820.031,y=186787.965).A N ○1 1# 2# ○1○17 4# 3# ○17A N复查结果:符合设计图纸和规范限差要求介入人员签字施测单元监理(建设)单元施测人 复测人 项目技术负责人年 月 日工程定位丈量 报验申请表工程名称:吉森·北纬18度温泉山庄97#楼 编编号 C1工程名称吉森·北纬18度温泉山庄97#楼建设单元万宁润达实业有限公司图纸编号总平面图施测日期年月日平面坐标依据规划局提供复测日期年月日高层依据规划局提供丈量仪器科力达:经纬仪、水平仪允许误差5mm 仪器检定日期年月日(x=69851.290,y=186822.610)、N 轴交轴1轴,2#(x=69835.634,y=186848.371)、N 轴交17轴3#(x=69828.116,y=186842.268)、A 轴交17轴4#(x=69842.868,y=186817.830).A N ○1 1# 2# ○1○17 4# 3# ○17A N复查结果:符合设计图纸和规范限差要求介入人员签字施测单元监理(建设)单元施测人 复测人 项目技术负责人年 月 日工程定位丈量 报验申请表工程名称:吉森·北纬18度温泉山庄96#楼 编编号 C1工程名称吉森·北纬18度温泉山庄96#楼建设单元万宁润达实业有限公司图纸编号总平面图施测日期年月日平面坐标依据规划局提供复测日期年月日高层依据规划局提供丈量仪器科力达:经纬仪、水平仪允许误差5mm 仪器检定日期年月日(x=69865.579,y=186779.867)、N 轴交轴1轴,2#(x=69860.685,y=186809.609)、N 轴交17轴3#(x=69851.432,y=186806.758)、A 轴交17轴4#(x=69855.982,y=16778.578).A N ○1 1# 2# ○1○17 4# 3# ○17A N复查结果:符合设计图纸和规范限差要求介入人员签字施测单元监理(建设)单元施测人 复测人 项目技术负责人年 月 日工程定位丈量 报验申请表工程名称:吉森·北纬18度温泉山庄91#楼 编编号 C1工程名称吉森·北纬18度温泉山庄91#楼建设单元万宁润达实业有限公司图纸编号总平面图施测日期年月日平面坐标依据规划局提供复测日期年月日高层依据规划局提供丈量仪器科力达:经纬仪、水平仪允许误差5mm 仪器检定日期年月日(x=69866.975,y=186739.488)、L 轴交轴1轴,2#(x=69882.457,y=186762.231)、L 轴交13轴3#(x=69872.045,y=186768.317)、A 轴交13轴4#(x=69856.916,y=186746.058).A L ○1 1# 2# ○1○13 4# 3# ○13A L复查结果:符合设计图纸和规范限差要求介入人员签字施测单元监理(建设)单元施测人 复测人 项目技术负责人年 月 日工程定位丈量 报验申请表工程名称:吉森·北纬18度温泉山庄105#楼。
定位测量记录填写范例嘿,大家好!今天咱们来聊聊定位测量记录。
这听上去有点枯燥,但这可是一项特别有趣的工作呢。
想象一下,咱们站在一个全新的地方,四周都是陌生的景象,心里那种兴奋感,简直就像是探险家发现新大陆一样。
不过啊,想要把这个地方记录下来,让后来的小伙伴们也能找到这儿,就得靠我们这些定位测量的小能手了。
测量的时候,咱们得搞清楚周围的环境。
你想啊,假如咱们在山顶测量,那风可真是呼呼的,简直比家里的风扇还猛。
可这时候可不能只顾着享受风的“洗礼”,得认真记录下坐标。
你知道的,记录的每一个数字,都是咱们下次找到这个地方的关键呀!真是像在解开一个神秘的谜题呢。
说到记录,这可是个讲究的活儿!咱们得准备好各种工具,像是测量仪器、手册、笔等等。
记得有一次,我带着一堆设备上山,走了个七拐八弯,最后才找到个合适的测量点。
结果一开始没找到,就在那儿东瞅西望,简直像个迷路的小猫,哈哈!这时候可真要考验咱们的耐心,绝对不能因为一点小麻烦就气馁。
大家都知道嘛,耐心是成功的钥匙,这话可真没错。
当咱们开始测量的时候,心里那个小激动啊,简直像是拿到了藏宝图。
每次按下测量仪器的按钮,心里都在默默祈祷,希望数据能完美无缺。
等到数据出来时,那种成就感,真是无与伦比!感觉自己就像个科学家,正在揭开大自然的秘密。
就这每一条坐标,都是咱们努力的结果。
再说了,记录下来的东西可不光是数字哦。
咱们还得写一些环境描述,比如风速、天气、周围的地形等等。
想象一下,如果以后有人翻到这份记录,看到咱们写的“今天阳光明媚,鸟儿在树上欢唱”,心里肯定会感到温暖。
这就像给后来的朋友留下一封信,告诉他们这里的美好,真是充满温情啊!填完记录后,咱们得认真检查一遍。
你知道,细节决定成败,这句话可不是空话。
一次,我就因为没有认真检查,记录错了一个数字,结果让后来的同事白跑了一趟,唉,真是给自己丢了脸。
哈哈,后来我发誓,再也不让这种事发生了。
每次检查的时候,我就像个严师,时刻提醒自己要认真。
独立基础工程测量方案一、前言独立基础工程是指单独建筑的地基工程,是建筑物承受整个荷载的基础结构。
其测量工作是保证工程施工质量和安全的重要环节。
本文将对独立基础工程测量方案进行详细介绍,包括测量前的准备工作、测量过程中的技术要点和测量结果的处理与分析,以及一些常见的测量错误和应对方法。
二、测量前的准备工作1. 确定测量控制点在进行独立基础工程测量前,需要确定好测量控制点的位置。
测量控制点是进行测量的起点和基准点,它的准确性直接影响到整个测量工作的质量。
因此,需要在施工前对独立基础工程的控制点进行仔细的测定和标示。
2. 编制测量方案在确定了测量控制点之后,需要根据实际情况编制测量方案。
测量方案应包括测量流程、测量仪器和设备的选择、测量数据的处理与分析等内容。
在编制测量方案时,要考虑到工程的具体要求和现场环境,确保测量工作的顺利进行。
3. 确保测量仪器的准确性在进行独立基础工程测量前,需要对测量仪器进行校准和检查,确保其准确性。
如果发现仪器有损坏或者不准确的情况,需要及时进行维修和更换,以保证测量数据的准确性。
4. 现场检查和清理在进行测量前,需要对工地进行现场检查和清理。
现场检查可以确保施工环境的安全和整洁,减少测量误差的发生。
清理工地可以让测量工作更加顺利进行,避免测量仪器受到不必要的干扰。
5. 制定安全计划在进行独立基础工程测量前,需要制定良好的安全计划。
安全计划应包括对施工现场的安全检查和风险评估,确保测量工作的安全进行。
同时,也要对测量人员进行安全教育和培训,避免发生意外。
三、测量过程中的技术要点1. 测量基准点的选取在进行独立基础工程测量时,需要选取合适的基准点进行测量。
基准点应该具有良好的稳定性和精度,以确保测量数据的准确性。
同时,还要考虑到基准点的周围环境和现场条件,最大限度地减少测量误差。
2. 测量控制点的设置在选取好基准点之后,需要设置测量控制点进行实际的测量工作。
测量控制点的设置应该符合工程的实际要求,能够反映出工程结构的真实情况。
工程定位测量记录云南省住房和城乡建设厅印制工程定位测量记录云南省住房和城乡建设厅印制工程定位测量记录云南省住房和城乡建设厅印制残阳渐逝,血红冲天。
半是夕阳余光,半是狰狞血雨。
是的,血,到处都是冷腥的鲜血。
整个皇宫之内,血流成河,白玉理石全被洗涮成黑红之色,到处是断壁残肢,尸横一片,到处是厮杀后的痕迹。
“为什么?”百里冰左手紧捂着胸口,瞪大着眼睛看着对面十米敌对方处,挥手点兵之人。
那是她的未婚夫,她倾尽一生所爱之人。
亦是绝杀她百里一族,将她迫入绝境之人。
她不懂,为何倾尽所有的爱,换来的是百里一族的灭顶之灾。
台下之人仍是一身儒雅白衣,清俊的脸上,就连平日里对她宠溺的笑容都没有变过。
冷逸辰就这样含笑相对,却不肯多说只字片语。
权利?利益?她虽是寒月帝国唯一的继承人,可是她早已与身为寒月帝国帝皇的外公达成协议,她与冷逸辰成婚后,冷逸辰为帝,她为后,她会做好他的贤内助,她从来不是他成功之路上的绊脚石,他为何要如此对她?冷逸辰仍是气定神闲的坐在不远处,手中的白羽扇仍旧轻摇着,完全不惧百里冰眼中的怒意,只是仿佛没有听到她的问话般,仍一派温和之笑,却坚定的吐出一个字,“杀!”百里冰怒上心头。
手中剑气如虹,眼看便要破势而出,却听到远处传来震天动地,撕心裂肺的愤然吼声,“冷逸辰,我百里一族与你不死不休!”“噗!”百里冰同一时刻,一口鲜血狂喷而出,心脏之处传来剧痛。
她突的单腿倒下。
是皇帝外公的声音。
百里冰痛苦的闭上眼睛。
果然,冷逸辰在派人围杀她的同时,也对她的皇帝外公与其他族人动手了,看来百里一族今日恐怕难逃灭族之祸了。
她看着惜日对她呵护倍至的爱人,指甲恨得深入掌心,却感觉不到半丝痛意。
血阳残光,打在百里冰的脸上,映红了她的眼,也血洗了她的心。
“冷逸辰,你借我生辰之名,将我百里一族全部聚此,竟是为了灭我全族。
你可知欺我百里者,杀无赦。
”明明落在下风,却仍是气度非凡,那轩昂之姿,百分不输男儿。
百里冰冷面肃目,冷冷怒视着冷逸辰。
建筑工程工程定位测量检查记录建筑工程施工过程中,工程定位测量是非常重要的环节,它直接关系到建筑的位置准确性和整体施工质量。
为了确保工程定位测量的准确性,必须对每次测量进行严格的监督和检查记录。
下面是一份建筑工程工程定位测量检查记录的示范,供参考。
项目名称:XXX建筑项目测量单位:XXX建筑测量公司日期:XXXX年XX月XX日检查人:XXX项目经理序号,检查内容,检查标准,实际情况,结果---,---,---,---,---1,测量设备,检查测量设备是否齐全、完好且校准合格,所有测量设备齐全且校准合格,合格2,测量控制点,检查测量控制点是否设置正确、清晰可读,所有测量控制点设置正确、清晰可读,合格3,标志牌设置,检查标志牌设置是否正确、固定可靠,所有标志牌设置正确、固定可靠,合格4,测量操作,检查测量操作是否规范、准确,测量操作遵循规范且准确无误,合格5,测量数据记录,检查测量数据是否准确、完整,测量数据准确、完整无缺漏,合格6,报告和图纸,检查测量报告和图纸是否规范、完整,测量报告和图纸规范、完整无误,合格7,质量问题,检查是否存在质量问题,并记录,如有质量问题,在下方详细记录,不合格,存在以下质量问题:(详细记录质量问题,包括具体问题、位置、原因等)备注:以上内容为本次工程定位测量检查记录,经检查所有项目均合格,无质量问题。
检查人签名:__________施工单位负责人签名:__________建设单位负责人签名:__________以上为建筑工程工程定位测量检查记录,供参考。
在实际操作中,可以根据具体项目的需求进行适当的修改和完善。
同时,建议在每次检查后将该记录归档,作为施工质量控制的重要依据。
工程编号:6T040430501010101-02
施测工程定位及原场所高程丈量
施测部位原烟气烟道支架根基A~D列1~5轴
室外温度30℃
仪器型号全站仪SOKKIASET210 31518
计量编号水平仪SOKKIAC32Ⅱ 132263
引测控制点TD21 A=B=.
广东台山发电厂二期〔首两台1000MW级机组〕扩建工程
工程施工丈量记录
分项工程名称:定位及高程控制TDJL/088
一、表示图及说明:
见附图
坐标引测水平点
点名及高程建设单位TD27A=B=
TD21 H=-0.0913m(相对标高) 监理单位
复核结论:复测建议:
工程部〔署名〕:监理部〔署名〕:
年月日年月日
建设单位工程部〔章〕监理工程部〔章〕
二、施测说明:
依据业主供给
厂区控制点TD27、TD21〔,,〕而后在TD21点架设全站仪,
放样原烟气烟道
支架根基A~D列1~5轴根基
设计坐标实测坐标同意误
差误差值〔mm〕
实测标
高〔m〕(mm)
设计标高
(m)
A B A B A B
-22
±5
-13
-1-2
12
施测
施
测人
施工单位
单位
〔章〕施
负责人
日.
.。
工程定位测量记录
表C3-1
资料编号00-00-C3-001
工程名称贵州七星关经济开发区公租房二期工
程(三标段)
委托单位贵州建工集团第三建筑工程有限责任公司
图纸编号总平面图、、基础平面布置图施测日期年月日平面坐标依据深圳市勘察研究院有限公司复测日期年月日
高程依据根据建设单位提供GPS5、GPS6控制
桩转点
使用仪器全站仪
允许误差i﹤1/10000;h=±6mm仪器校验日期年月日定位抄测意图:
5#楼主楼定位测量记录
复测结果:
经核对:上述楼座坐标与规划总图、施工图一致。
签字栏施工单位
贵州建工集团第三建
筑工程有限责任公司
专业技术负
责人
测量负责人复测人施测人
监理(建
设)单位
重庆新鲁班工程监理
有限责任公司
专业工程师。