工程量收方签证单
- 格式:doc
- 大小:103.50 KB
- 文档页数:5
签证单与收方单的区别一、区分原因:1.在外行人眼里变更、签证是推断企业治理优劣的标准。
有些人认为完全按图施工没有变更洽商说明图纸设计完善,设计治理到位;没有签证说明现场没有做错撤除、停工抢工等治理问题,工程治理到位。
因此给集团审计提供精确的数据是必要的。
2.变更和洽商、签证和收方在解决经济纠纷时的意义是不同的,当然纠纷很少发生但不能预防。
当然,我的解读不肯定全面,还望各位领导指正。
二、收方单与签证单的区别——建议稿:1.收方的内容是多是施工图上有的、或依据零星委派等增加的,最终是会反响在竣工图上的。
举例如下:1)土石方:交场标高;2)土建:挖孔桩桩孔、独基基坑、条基基槽、根底梁基槽、隔墙根底基槽、塔吊根底基坑、3)市政:挡墙根底基槽,道路4)安装:管沟沟槽等;5)景观:苗木、硬质铺装等。
〔注:很多现场调整增加的苗木,其实都属收方,最终都要反响在竣工图上;而依据现场情况新增硬质铺装等,收方后,也要反响在图纸上,或怕表述不清楚,采纳收方的方法补充完善〕;6)装饰:与景观相似。
2.签证是纯的经济资料,记录的是最终不能或无法反响在竣工图上的内容,举例如下:1)土石方:已按交场标高完成平基,但总包进场后,有些地方微调的挖填,在竣工图是上无法反响土石方的,所以用签证的方法〔签字证实〕记录下来,作为结算的依据;2)土建:a)按原图已经施工,后变更发出,需要撤除,撤除局部是无法在竣工图上表达的,竣工图上表达的是变更后的内容;b)抢停类签证:由于各种原因,现场发生的停抢工,是双方依据实际情况发生的,原施工图没有、竣工图上也不可能有,用签证的方法记录;c)临时特别情况最终不能或无法反响在竣工图上的内容:比方二期缺水,临时修建的存水箱体〔二期因停水修建1.5*4*6米的存水临时设施等〕;比方由于栏杆公司的栏杆放在现场影响了总包的施工,栏杆公司又不来移动,那么委派首建实施形成签证,再给栏杆公司发违约扣款单,等等类似情况;3)市政:已按图施工道路发生变更的撤除等;4)安装:已对管沟沟槽收方甚至已经铺设管线,但由于设计变更,需要撤除原来铺设的管线、掩埋已经开挖的沟槽,就需要签证记录对方已经实施的工作;5)景观:已栽苗木更换位置签证;已按图施工完成后变更对之前图纸内容的签证等综上:签证表达主要是几个方面:已按原施工图施工后发生变更,对已按原图施工局部实在认签证——需记录好被撤除特的再次利用情况;◆依据我司的要求抢工、停工的补偿签证——做好事实记录,在开会商量前无效;◆总包、分包之间发生的争议、违约签证:如为总包实施事项,但又没及时完成,影响到分包,委派分包协助实施再从总包扣除等等类似签证;◆其它:如现场材料特别情况下的转运〔一般情况材料的二次及屡次转运已经含在合同价中〕◆特别说明:如遇工程施工图上原本没有,后来增加的,应以变更或洽商形式反响出来,而不是签证。
xxx有限公司xxx工程
工程签证单(正式)
备注:(正式签证单必须电脑打印,不得手写或涂改;须以草签单及后附图表资料作为附件。
)
1.本单由施工单位填报,经三方签字及盖章后生效,签证单一式四份(甲方两份、乙方及监理各执一份)。
2.工程名称须和施工单/图纸名称一致,名称不符及各项内容填写不完整的单据甲方有权拒收。
3.对于事由和工程量填写不清晰(有歧义),甲方有将按照最低(量)价进行计算。
4.本份签证单包干价格,指本份签证单所有内容的包干总价,是建设单位与施工单位谈判形成的“核定价”;此包干总价包括但不限于完成本签证单所有内容的人工费、机械费、材料费、利润、税金等一切费用。
(金额超过2000.00元须经过建设单位分管领导签字)。
XXXXXXXXXXXXXXXXX北侧道路改造工程原始工程量收方单注:1.本表为现场手写页,记录要清晰、工整,不得涂改,参加收方人员现场签字确认。
2.本表仅一份原件,作为项目成本负责人整理《工程量签证单》的依据,是《工程量签证单》的有效附件。
施工单位可以复印。
XXXXXXXXXXX地块北侧道路改造工程原始工程量收方单注:1.本表为现场手写页,记录要清晰、工整,不得涂改,参加收方人员现场签字确认。
2.本表仅一份原件,作为项目成本负责人整理《工程量签证单》的依据,是《工程量签证单》的有效附件。
施工单位可以复印。
XXXXXXXXXXX地块北侧道路改造工程XXXXXXXXXXX地块北侧道路改造工程原始工程量收方单注:1.本表为现场手写页,记录要清晰、工整,不得涂改,参加收方人员现场签字确认。
3.本表仅一份原件,作为项目成本负责人整理《工程量签证单》的依据,是《工程量签证单》的有效附件。
施工单位可以复印。
XXXXXXXXX金三角地块北侧道路改造工程原始工程量收方单注:1.本表为现场手写页,记录要清晰、工整,不得涂改,参加收方人员现场签字确认。
2.本表仅一份原件,作为项目成本负责人整理《工程量签证单》的依据,是《工程量签证单》的有效附件。
施工单位可以复印。
XXXXXXXX金三角地块北侧道路改造工程原始工程量收方单二、计算式:1、C35混凝土:3m×2m×0.15m-3.14m×0.375²m×0.15m=0.83m³2、C12钢筋:40×3m+60×2m=240m×0.888m/kg=213.12kg3、.附图:业主单位:监理单位:施工单位:注:1.本表为现场手写页,记录要清晰、工整,不得涂改,参加收方人员现场签字确认。
2.本表仅一份原件,作为项目成本负责人整理《工程量签证单》的依据,是《工程量签证单》的有效附件。
施工单位可以复印。
签证单与收方单的区别一、区分原因:1.在外行人眼里变更、签证是判断企业管理优劣的标准。
有些人认为完全按图施工没有变更洽商说明图纸设计完善,设计管理到位;没有签证说明现场没有做错拆除、停工抢工等管理问题,工程管理到位。
因此给集团审计提供准确的数据是必要的。
2.变更和洽商、签证和收方在解决经济纠纷时的意义是不同的,当然纠纷很少发生但不能避免。
当然,我的解读不一定全面,还望各位领导指正。
二、收方单与签证单的区别——建议稿:1.收方的内容是多是施工图上有的、或根据零星委派等增加的,最终是会反应在竣工图上的。
举例如下:1)土石方:交场标高;2)土建:挖孔桩桩孔、独基基坑、条基基槽、基础梁基槽、隔墙基础基槽、塔吊基础基坑、3)市政:挡墙基础基槽,道路4)安装:管沟沟槽等;5)景观:苗木、硬质铺装等。
(注:很多现场调整增加的苗木,其实都属收方,最终都要反应在竣工图上;而根据现场情况新增硬质铺装等,收方后,也要反应在图纸上,或怕表述不清楚,采用收方的方式补充完善);6)装饰:与景观相似。
2.签证是纯的经济资料,记录的是最终不能或无法反应在竣工图上的内容,举例如下:1)土石方:已按交场标高完成平基,但总包进场后,有些地方微调的挖填,在竣工图是上无法反应土石方的,所以用签证的方式(签字证实)记录下来,作为结算的依据;2)土建:a)按原图已经施工,后变更发出,需要拆除,拆除部分是无法在竣工图上表达的,竣工图上表达的是变更后的内容;b)抢停类签证:由于各种原因,现场发生的停抢工,是双方根据实际情况发生的,原施工图没有、竣工图上也不可能有,用签证的方式记录;c)临时特殊情况最终不能或无法反应在竣工图上的内容:比如二期缺水,临时修建的存水箱体(二期因停水修筑1.5*4*6米的存水临时设施等);比如由于栏杆公司的栏杆放在现场影响了总包的施工,栏杆公司又不来移动,那么委派首建实施形成签证,再给栏杆公司发违约扣款单,等等类似情况;3)市政:已按图施工道路发生变更的拆除等;4)安装:已对管沟沟槽收方甚至已经铺设管线,但由于设计变更,需要拆除原来铺设的管线、掩埋已经开挖的沟槽,就需要签证记录对方已经实施的工作;5)景观:已栽苗木更换位置签证;已按图施工完成后变更对之前图纸内容的签证等综上:签证体现主要是几个方面:已按原施工图施工后发生变更,对已按原图施工部分的确认签证——需记录好被拆除特的再次利用情况;◆根据我司的要求抢工、停工的补偿签证——做好事实记录,在开会讨论前无效;◆总包、分包之间发生的争议、违约签证:如为总包实施事项,但又没及时完成,影响到分包,委派分包协助实施再从总包扣除等等类似签证;◆其它:如现场材料特殊情况下的转运(一般情况材料的二次及多次转运已经含在合同价中)◆特别说明:如遇工程施工图上原本没有,后来增加的,应以变更或洽商形式反应出来,而不是签证。
XXXXXX 金三角购物中心建设项目(景观部分)原始工程量收方单工程收方时间:2020 年 9 月 19 日编号:01效附件。
施工单位可以复印。
分部分项名称 围墙拆除工程量发生部位场地内部施工单位XXXXXX 建筑工程有限责任公司一.收方内容及说明:拆除施工现场原砖砌围墙并外运至渣场。
二.计算式:1、拆除页岩实心砖:长 475 米 × 高 2.5 米 × 厚 0.24 米 = 285 立方米2、建筑垃圾外运至江北火车站附近渣场:285 立方米(运距:15.7 公里)业主单位: 监理单位: 施工单位:年 月 日 年 月 日 年 月 日注:1.本表为现场手写页,记录要清晰、工整,不得涂改,参加收方人员现场签字确认。
2. 本表仅一份原件,作为项目成本负责人整理《工程量签证单》的依据,是《工程量签证单》的有金三角购物中心建设项目(景观部分)原始工程量收方单工程收方时间:2020 年 9 月 29 日编号:02注:1.本表为现场手写页,记录要清晰、工整,不得涂改,参加收方人员现场签字确认。
2.本表仅一份原件,作为项目成本负责人整理《工程量签证单》的依据,是《工程量签证单》的有效 附件。
施工单位可以复印。
分部分项名称 路面拆除工程量发生 部位场地内部施工单位XXXXX 建筑工程有限责任公司一.收方内容及说明:拆除施工现场原混凝土路面并外运至渣场。
二、计算式:1、拆除混凝土路面:面积 1243 平方米 × 厚 0.3 米 = 372.9 立方米 (附件:路面拆除坐标签证单)2、建筑垃圾外运至江北火车站附近渣场:372.9 立方米(运距:15.7 公里)业主单位: 监理单位: 施工单位:年 月 日 年 月 日 年 月 日原始工程量收方单工程收方时间:2020 年 10 月 3 日编号:03注:1.本表为现场手写页,记录要清晰、工整,不得涂改,参加收方人员现场签字确认。
2.本表仅一份原件,作为项目成本负责人整理《工程量签证单》的依据,是《工程量签证单》的有效 附件。
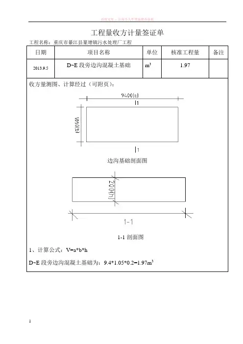
工程量收方计量签证单
日期项目名称单位核准工程量备注D~E段旁边沟混凝土基础m3 1.97
2013.9.5
收方量测图、计算经过(可附页):
边沟基础剖面图
1-1剖面图
1、计算公式:V=a*b*h
D~E段旁边沟混凝土基础为:9.4*1.05*0.2=1.97m3
施工单位:
(施工单位负责人)
年月日
监理单位:
(监理工程师)
年月日
建设单位
(现场代表)
年月日工程量收方计量签证单
日期
项目名称
单位核准工程量备注2013.9.5
D~E段旁浆砌条石边沟墙身m3 1.18
收方量测图、计算经过(可附页):
1、计算公式:V=a*b*h
D~E段旁浆砌条石边沟墙身为:9.4*0.25*0.25*2=1.18m3
施工单位:
(施工单位负责人)
年月日监理单位:
(监理工程师)
年月日
建设单位
(现场代表)
年月日。
第1篇一、工程名称:本项目工程名称为:(此处填写工程名称)二、工程地点:本项目工程地点为:(此处填写工程地点)三、签证原因:1. 施工过程中,由于以下原因导致工程量发生变化:(1)施工图纸与现场实际情况不符;(2)甲方要求进行设计变更;(3)施工过程中遇到特殊情况,如地质条件、材料供应等;(4)其他原因。
2. 签证内容:(1)变更部分工程量;(2)变更部分工程量的预算;(3)变更部分工程量的施工方案。
四、签证单位及人员:1. 施工单位:(此处填写施工单位名称)2. 甲方代表:(此处填写甲方代表姓名及职务)3. 监理单位:(此处填写监理单位名称)4. 监理人员:(此处填写监理人员姓名及职务)5. 设计单位:(此处填写设计单位名称)6. 设计人员:(此处填写设计人员姓名及职务)五、签证日期:(此处填写签证日期)六、签证附件:1. 施工图纸变更通知单;2. 设计变更通知书;3. 施工现场照片;4. 施工记录;5. 其他相关资料。
七、签证内容:1. 变更部分工程量:(1)变更项目名称及编号;(2)变更前工程量;(3)变更后工程量;(4)变更原因。
2. 变更部分工程量的预算:(1)变更项目名称及编号;(2)变更前工程量预算;(3)变更后工程量预算;(4)变更原因。
3. 变更部分工程量的施工方案:(1)变更项目名称及编号;(2)变更前施工方案;(3)变更后施工方案;(4)变更原因。
八、备注:1. 本签证单由施工单位填写,经甲方、监理、设计单位确认后生效;2. 本签证单一式四份,甲乙双方、监理单位、设计单位各执一份;3. 本签证单自签字之日起生效,如有未尽事宜,可另行协商解决。
施工单位:(盖章)甲方代表:(签字)监理单位:(盖章)监理人员:(签字)设计单位:(盖章)设计人员:(签字)年月日第2篇一、签证单基本信息1. 工程名称:____________________2. 施工单位:____________________3. 监理单位:____________________4. 甲方单位:____________________5. 签证日期:____________________二、签证事项1. 工程部位:____________________2. 工程内容:____________________3. 工程量变更原因:____________________4. 变更前工程量:____________________5. 变更后工程量:____________________6. 变更原因及依据:____________________三、签证单附件1. 施工图纸及相关资料2. 施工现场照片3. 施工部位横截面图4. 工程量计算书5. 相关合同、协议及会议纪要四、签证单内容1. 根据现场实际情况,经施工单位、监理单位、甲方单位共同确认,对工程部位:____________________进行工程量变更。
签证单与收方单的区别一、区分原因:1.在外行人眼里变更、签证是判断企业管理优劣的标准。
有些人认为完全按图施工没有变更洽商说明图纸设计完善,设计管理到位;没有签证说明现场没有做错拆除、停工抢工等管理问题,工程管理到位。
因此给集团审计提供准确的数据是必要的。
2.变更和洽商、签证和收方在解决经济纠纷时的意义是不同的,当然纠纷很少发生但不能避免。
当然,我的解读不一定全面,还望各位领导指正。
二、收方单与签证单的区别——建议稿:1.收方的内容是多是施工图上有的、或根据零星委派等增加的,最终是会反应在竣工图上的。
举例如下:1)土石方:交场标高;2)土建:挖孔桩桩孔、独基基坑、条基基槽、基础梁基槽、隔墙基础基槽、塔吊基础基坑、3)市政:挡墙基础基槽,道路4)安装:管沟沟槽等;5)景观:苗木、硬质铺装等。
(注:很多现场调整增加的苗木,其实都属收方,最终都要反应在竣工图上;而根据现场情况新增硬质铺装等,收方后,也要反应在图纸上,或怕表述不清楚,采用收方的方式补充完善);6)装饰:与景观相似。
2.签证是纯的经济资料,记录的是最终不能或无法反应在竣工图上的内容,举例如下:1)土石方:已按交场标高完成平基,但总包进场后,有些地方微调的挖填,在竣工图是上无法反应土石方的,所以用签证的方式(签字证实)记录下来,作为结算的依据;2)土建:a)按原图已经施工,后变更发出,需要拆除,拆除部分是无法在竣工图上表达的,竣工图上表达的是变更后的内容;b)抢停类签证:由于各种原因,现场发生的停抢工,是双方根据实际情况发生的,原施工图没有、竣工图上也不可能有,用签证的方式记录;c)临时特殊情况最终不能或无法反应在竣工图上的内容:比如二期缺水,临时修建的存水箱体(二期因停水修筑1.5*4*6米的存水临时设施等);比如由于栏杆公司的栏杆放在现场影响了总包的施工,栏杆公司又不来移动,那么委派首建实施形成签证,再给栏杆公司发违约扣款单,等等类似情况;3)市政:已按图施工道路发生变更的拆除等;4)安装:已对管沟沟槽收方甚至已经铺设管线,但由于设计变更,需要拆除原来铺设的管线、掩埋已经开挖的沟槽,就需要签证记录对方已经实施的工作;5)景观:已栽苗木更换位置签证;已按图施工完成后变更对之前图纸内容的签证等综上:签证体现主要是几个方面:已按原施工图施工后发生变更,对已按原图施工部分的确认签证——需记录好被拆除特的再次利用情况;根据我司的要求抢工、停工的补偿签证——做好事实记录,在开会讨论前无效;总包、分包之间发生的争议、违约签证:如为总包实施事项,但又没及时完成,影响到分包,委派分包协助实施再从总包扣除等等类似签证;其它:如现场材料特殊情况下的转运(一般情况材料的二次及多次转运已经含在合同价中)特别说明:如遇工程施工图上原本没有,后来增加的,应以变更或洽商形式反应出来,而不是签证。
签证单与收方单的区别(总3页)--本页仅作为文档封面,使用时请直接删除即可----内页可以根据需求调整合适字体及大小--签证单与收方单的区别一、区分原因:1.在外行人眼里变更、签证是判断企业管理优劣的标准。
有些人认为完全按图施工没有变更洽商说明图纸设计完善,设计管理到位;没有签证说明现场没有做错拆除、停工抢工等管理问题,工程管理到位。
因此给集团审计提供准确的数据是必要的。
2.变更和洽商、签证和收方在解决经济纠纷时的意义是不同的,当然纠纷很少发生但不能避免。
当然,我的解读不一定全面,还望各位领导指正。
二、收方单与签证单的区别——建议稿:1.收方的内容是多是施工图上有的、或根据零星委派等增加的,最终是会反应在竣工图上的。
举例如下:1)土石方:交场标高;2)土建:挖孔桩桩孔、独基基坑、条基基槽、基础梁基槽、隔墙基础基槽、塔吊基础基坑、3)市政:挡墙基础基槽,道路4)安装:管沟沟槽等;5)景观:苗木、硬质铺装等。
(注:很多现场调整增加的苗木,其实都属收方,最终都要反应在竣工图上;而根据现场情况新增硬质铺装等,收方后,也要反应在图纸上,或怕表述不清楚,采用收方的方式补充完善);6)装饰:与景观相似。
2.签证是纯的经济资料,记录的是最终不能或无法反应在竣工图上的内容,举例如下:1)土石方:已按交场标高完成平基,但总包进场后,有些地方微调的挖填,在竣工图是上无法反应土石方的,所以用签证的方式(签字证实)记录下来,作为结算的依据;2)土建:a)按原图已经施工,后变更发出,需要拆除,拆除部分是无法在竣工图上表达的,竣工图上表达的是变更后的内容;b)抢停类签证:由于各种原因,现场发生的停抢工,是双方根据实际情况发生的,原施工图没有、竣工图上也不可能有,用签证的方式记录;c)临时特殊情况最终不能或无法反应在竣工图上的内容:比如二期缺水,临时修建的存水箱体(二期因停水修筑*4*6米的存水临时设施等);比如由于栏杆公司的栏杆放在现场影响了总包的施工,栏杆公司又不来移动,那么委派首建实施形成签证,再给栏杆公司发违约扣款单,等等类似情况;3)市政:已按图施工道路发生变更的拆除等;4)安装:已对管沟沟槽收方甚至已经铺设管线,但由于设计变更,需要拆除原来铺设的管线、掩埋已经开挖的沟槽,就需要签证记录对方已经实施的工作;5)景观:已栽苗木更换位置签证;已按图施工完成后变更对之前图纸内容的签证等综上:签证体现主要是几个方面:已按原施工图施工后发生变更,对已按原图施工部分的确认签证——需记录好被拆除特的再次利用情况;根据我司的要求抢工、停工的补偿签证——做好事实记录,在开会讨论前无效;总包、分包之间发生的争议、违约签证:如为总包实施事项,但又没及时完成,影响到分包,委派分包协助实施再从总包扣除等等类似签证;其它:如现场材料特殊情况下的转运(一般情况材料的二次及多次转运已经含在合同价中)特别说明:如遇工程施工图上原本没有,后来增加的,应以变更或洽商形式反应出来,而不是签证。
签证单与收方单的区别之答禄夫天创作一、区分原因:1.在外行人眼里变动、签证是判断企业管理优劣的尺度。
有些人认为完全按图施工没有变动洽商说明图纸设计完善,设计管理到位;没有签证说明现场没有做错裁撤、停工抢工等管理问题,工程管理到位。
因此给集团审计提供准确的数据是需要的。
2.变动和洽商、签证和收方在解决经济纠纷时的意义是分歧的,当然纠纷很少发生但不克不及防止。
当然,我的解读纷歧定全面,还望各位领导指正。
二、收方单与签证单的区别——建议稿:1.收方的内容是多是施工图上有的、或根据零星委派等增加的,最终是会反应在竣工图上的。
举例如下:1)土石方:交场标高;2)土建:挖孔桩桩孔、独基基坑、条基基槽、基础梁基槽、隔墙基础基槽、塔吊基础基坑、3)市政:挡墙基础基槽,道路4)装置:管沟沟槽等;5)景观:苗木、硬质铺装等。
(注:很多现场调整增加的苗木,其实都属收方,最终都要反应在竣工图上;而根据现场情况新增硬质铺装等,收方后,也要反应在图纸上,或怕表述不清楚,采取收方的方式弥补完善);6)装饰:与景观相似。
2.签证是纯的经济资料,记录的是最终不克不及或无法反应在竣工图上的内容,举例如下:1)土石方:已按交场标高完成平基,但总包进场后,有些地方微调的挖填,在竣工图是上无法反应土石方的,所以用签证的方式(签字证实)记录下来,作为结算的依据;2)土建:a)按原图已经施工,后变动发出,需要裁撤,裁撤部分是无法在竣工图上表达的,竣工图上表达的是变动后的内容;b)抢停类签证:由于各种原因,现场发生的停抢工,是双方根据实际情况发生的,原施工图没有、竣工图上也不成能有,用签证的方式记录;c)临时特殊情况最终不克不及或无法反应在竣工图上的内容:比方二期缺水,临时修建的存水箱体(二期因停水修筑1.5*4*6米的存水临时设施等);比方由于栏杆公司的栏杆放在现场影响了总包的施工,栏杆公司又不来移动,那么委派首建实施形成签证,再给栏杆公司发违约扣款单,等等类似情况;3)市政:已按图施工道路发生变动的裁撤等;4)装置:已对管沟沟槽收方甚至已经铺设管线,但由于设计变动,需要裁撤原来铺设的管线、掩埋已经开挖的沟槽,就需要签证记录对方已经实施的工作;5)景观:已栽苗木更换位置签证;已按图施工完成后变动对之前图纸内容的签证等综上:签证体现主要是几个方面:◆已按原施工图施工后发生变动,对已按原图施工部分的确认签证——需记录好被裁撤特的再次利用情况;◆根据我司的要求抢工、停工的抵偿签证——做好事实记录,在开会讨论前无效;◆总包、分包之间发生的争议、违约签证:如为总包实施事项,但又没及时完成,影响到分包,委派分包协助实施再从总包扣除等等类似签证;◆其它:如现场资料特殊情况下的转运(一般情况资料的二次及多次转运已经含在合同价中)◆特别说明:如遇工程施工图上原本没有,后来增加的,应以变动或洽商形式反应出来,而不是签证。