工程一切险费率表
- 格式:pdf
- 大小:718.56 KB
- 文档页数:7
建筑工程一切险如何计算费率计算/建筑工程一切险。
那么建筑工程一切险如何计算的呢?以下带来关于建筑工程一切险如何计算,具体费率计算内容供以参考。
一、费率1)建筑工程部分住宅大楼1.4-1.8综合性大楼1.6-2.2商场、办公大楼1.7-2.2旅馆、医院、学校大楼2.1-2.8厘定上述费率范围的基点是:无特种巨灾风险区保险金额为UD$1500以下的项目施工期限为1-1年半楼高在20层以下免赔额UD$2500左右若超过以上范围,承保公司需要在此费率基础上加费30%-50%仓库及普通工厂厂房2.4-2.8道路2.6-3码头3-3.5水坝隧道、桥梁、管道的工建部分3.2-4.52)建筑用施工机器、设备部分A.各类起重机、升降机、传送设备9-14B.各类挖掘机、推土机、压路机、铲车、特种车辆8-10C.其他各种施工机具6-83)加保第三者责任有累计赔偿限额者为累计赔偿限额的2.8-3.2无累计赔偿限额者为每次事故赔偿限额的3.5-5加保“交叉责任”,视危险大小加收第三者责任保险费的10-254)加保保证期保险有限的保证期责任按建筑工程部分费率的10%-15%加收。
扩大的保证期责任按建筑工程部分费率的15%-25%加收。
5)附加保障部分附加保障的费率应视具体危险程度来确定在一般情况下,如无特别风险,每增加一项附加保障,应加收0.2%。
二、免赔额1)物质损失部分的免赔额有两类:各保险项目的免赔额和特种危险的免赔额。
免赔额的高低,工地自然地理条件,工期长短因素等,与被保险人协商确定。
现将各项免赔额的掌握幅度规定如下:建筑工程部分:一般为US$2000-US$50000。
也可以分别规定自然灾害的免赔额与其他损失的免赔额。
自然灾害免赔额一般比较大些,其他损失免赔额一般比较小些。
建筑用机器,装置及设备:一般为US$500-US$1000,或同时再规定损失金额的15%-20%,以高者为准。
其他保险项目:一般为US$500-US$2000。
中国人民财产保险股份有限公司
风电企业建筑、安装工程一切险附加险费率表
一、扩展类
1、“建筑、安装施工机具、设备扩展条款”的年费率不得低于0.6%。
2、“清除残骸费用扩展条款”的费率以物质损失部分费率为准,该项费用赔偿限额为保险金额的10%或RMB100万,以低者为准。
3、“特别费用扩展条款”的费率以物质损失部分费率为准,同时按照如下调整因子调整。
该项费用赔偿限额为保险金额的5% 或损失金额的20%,以低者为准。
4、“扩展责任保证期扩展条款”的保险费不低于主险保险费的5%,可以根据具体情况上浮,但不得下浮。
5、“设计师风险扩展条款”的保险费不低于主险保险费的2%,可以根据具体情况上浮,但不得下浮。
6、其他扩展类附加条款最低收费为主险保费的0.5%,具体数值可由承保人酌情确定。
二、限制类
使用地震、海啸除外条款、暴雨洪水除外条款、风灾除外条款时,扣减相应的表定费率;使用其他限制类条款时,每条最多可以按主险保费减少0.5%,具体数值可由承保人酌情确定。
除地震、海啸、暴雨洪水、风灾除外条款外,其他无论使用多少条限制性扩展条款,所有限制类附加条款的最大减费幅度不得超过主险保费的5%。
三、规范类
此类条款的目的是为了规范主险条款,避免争议,因此不需收费。
1。
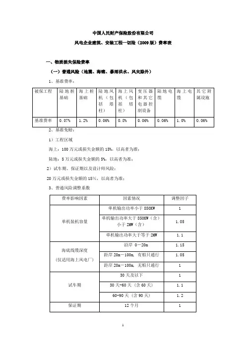
中国人民财产保险股份有限公司风电企业建筑、安装工程一切险(2009版)费率表一、物质损失保险费率(一)普通风险(地震、海啸、暴雨洪水、风灾除外)1、基准费率:被保工程陆地桩基础海上桩基础陆地风机(包括塔柱)海上风机(包括塔柱)变压器和其它电器控制设备陆地电缆海上电缆其它附属设施基准费率0.07% 1.2% 0.06% 0.8% 0.06% 0.06% 1.0% 0.06%2、基准免赔:1)工程区域海上:100万元或损失金额的15%,以高者为准;陆地:5万元或损失金额的5%,以高者为准;2)试车期、保证期以及设计师风险:20万元或损失金额的15%,以高者为准;3、普通风险调整系数费率影响因素因素情况调整因子单机装机容量单机输出功率小于850KW 1单机输出功率大于850KW(含)小于2MW(含)1.05单机输出功率大于等于2MW 1.1海底线缆深度(仅适用海上风电厂)沿岸 0-20m 1.15 距岸20m-100m, 有船只通行 1.05 距岸20m-100m, 无船只通行 1试车期30天及以下 1 30天-60天 (含60天) 1.1 60-90天 (含90天) 1.2保证期12个月 124个月 1.2安装方式设备供应商安装且提供保障 1设备供应商安装但不提供保障 1.05 其他承保商安装 1.1(二)特殊风险1、地震、海啸1)基准费率:普通风险费率的10%或0.02%,以高者为准2)基准免赔:海上:100万元或损失金额的20%,以高者为准陆地:50万元或损失金额的10%,以高者为准3)地震、海啸调整系数:费率影响因素因素情况调整因子电厂所在地区新疆西藏云南 1.4 北京天津河北宁夏甘肃青海四川 1.3 山西陕西辽宁海南 1.2 内蒙古山东河南安徽福建江苏上海重庆 1.1 黑龙江吉林贵州湖北湖南江西浙江广东广西 1所在区域100公里范围内历史上曾发生5级及以上地震 3 历史上曾发生5级以下地震 1.1赔偿限额赔偿限额为保险金额的50% 1 赔偿限额为保险金额的60% 1.1 赔偿限额为保险金额的70% 1.2 赔偿限额为保险金额的80% 1.32、暴雨、洪水1)基准费率:普通风险费率的10%或0.01%,以高者为准2)基准免赔:海上:100万元或损失金额的20%,以高者为准陆地:50万元或损失金额的10%,以高者为准3)暴雨、洪水调整系数:调整因素因素情况调整因子施工所在地区安徽、湖南、广西、江西、浙江、福建 1.25江苏、湖北、河北、贵州、云南、四川、广东 1.2陕西、山西、内蒙古、辽宁、吉林、黑龙江、上海、山东、河南、海南、重庆、西藏、甘肃、新疆1.15 北京、青海、宁夏、天津 1施工经过地区近20年日最大降雨量400毫米以上 1.5 100-400毫米 1.3 100毫米以下 1施工经过河流情况施工经过地区情况经过滞洪区、泄洪区 1.2 不经过滞洪区、泄洪区 13、风灾此处风灾是指暴风、龙卷风、台风、飓风等造成的灾害。
建筑工程一切险及团体意外伤害保险费率标准建筑工程一切险及团体意外伤害保险是为建筑工程项目和相关人员提供全面保障的一种保险产品。
该保险涵盖了建筑工程项目在施工过程中可能遭受的各类意外损失,同时也保护参与项目的相关人员在工作中可能发生的意外伤害。
以下是建筑工程一切险及团体意外伤害保险费率标准的详细内容:一、建筑工程一切险费率标准建筑工程一切险费率标准根据建筑项目的性质、规模和施工风险等因素进行确定。
一般而言,该保险的费率以建筑项目的总造价为基础,通常为0.3%至1%之间。
具体费率的确定还会对不同的风险因素进行评估,如土建工程的风险较低,而钢结构工程的风险较高,费率可能根据这些因素进行调整。
二、团体意外伤害保险费率标准团体意外伤害保险费率标准主要根据参保人员的职业、工作环境和工作性质等因素进行确定。
不同职业的风险程度不同,费率也会有所差异。
一般而言,团体意外伤害保险费率一般为每人每年100元至1000元不等。
同时,也可以根据参保人员的具体需求,对保险金额、保险责任进行个性化定制,费率将根据个性化需求进行调整。
三、费率调整依据费率的调整通常会根据市场供需关系、历史赔付情况以及行业发展态势等因素进行。
如果某一段时间内,建筑工程一切险和团体意外伤害保险的赔付情况较为严重,费率有可能会相应上涨,以保证保险公司的良性运营。
相反,如果过去一段时间内赔付情况较好,那么费率有可能会下降,以吸引更多的投保者。
四、险种多样性建筑工程一切险及团体意外伤害保险费率标准还受到险种多样性的影响。
在保险中,包含的险种越多,风险的覆盖范围就越广,费率相应会有所上升。
常见的险种包括工程财产险、第三者责任险、个人意外伤害险等。
费率会根据所选择的险种数量和保险金额进行调整。
总之,建筑工程一切险及团体意外伤害保险费率标准是根据建筑项目的特性和风险、参保人员的职业和工作环境等因素进行确定的。
合理的费率标准能够确保保险公司的良性运营,同时也能够为建筑工程项目和参与项目的相关人员提供全面保障。
建筑(安装)工程一切险费率表说明:1、保险费=工程中标金额×保险费率+第三者责任保险金额×第三者责任保险费率2、一项工程中总承包资质与专业承包资质均可投标时,按专业承包工程性质确定费率。
当有两种资质同时具备投标时,以为主的工程性质确定费率。
3、第三者责任保险必须在投保工程险的基础上才能投保,不能单保第三者责任险4、如保险监管部门要求调整保险费率时,将提前10天书面通知5、本费率表只适用于余姚市政策性“以险养险”的险种,不适用商业保险。
如工程在此表中无相应费率,请向共保体办公室咨询。
专业承包说明:1、保险费=工程中标金额×保险费率+第三者责任保险金额×第三者责任保险费率2、一项工程中总承包资质与专业承包资质均可投标时,按专业承包工程性质确定费率。
当有两种资质同时具备投标时,以为主的工程性质确定费率。
3、第三者责任保险必须在投保工程险的基础上才能投保,不能单保第三者责任险4、如保险监管部门要求调整保险费率时,将提前10天书面通知5、本费率表只适用于余姚市政策性“以险养险”的险种,不适用商业保险。
如工程在此表中无相应费率,请向共保体办公室咨询。
说明:1、保险费=工程中标金额×保险费率+第三者责任保险金额×第三者责任保险费率2、一项工程中总承包资质与专业承包资质均可投标时,按专业承包工程性质确定费率。
当有两种资质同时具备投标时,以为主的工程性质确定费率。
3、第三者责任保险必须在投保工程险的基础上才能投保,不能单保第三者责任险4、如保险监管部门要求调整保险费率时,将提前10天书面通知5、本费率表只适用于余姚市政策性“以险养险”的险种,不适用商业保险。
如工程在此表中无相应费率,请向共保体办公室咨询。
说明:1、保险费=工程中标金额×保险费率+第三者责任保险金额×第三者责任保险费率2、一项工程中总承包资质与专业承包资质均可投标时,按专业承包工程性质确定费率。
安装工程一切险费率标准
安装工程一切险费率标准是指对安装工程一切险保险费的计算标准。
具体费率标准会因保险公司、地区和具体项目的不同而有所不同。
一般来说,安装工程一切险费率标准会考虑以下因素:
1. 工程项目的类型和规模:不同类型和规模的工程项目风险程度不同,费率标准也不同。
2. 工程项目的价值:项目价值越高,风险越大,费率相应会较高。
3. 工程项目的施工期限:施工期限越长,保险风险越高,费率相应会较高。
4. 工程项目的地理位置和环境条件:地理位置和环境条件对工程项目的风险产生影响,因此也会影响费率标准。
需要注意的是,具体的安装工程一切险费率标准最好向保险公司咨询,以确保保险费的准确计算。
中国人民财产保险股份有限公司道路工程建筑工程一切险费率表一、物质损失保险费率物质损失费率=列明灾因费率+其他灾因费率列明灾因费率=火灾及爆炸费率+塌方及地面下沉下陷费率+人工疏忽及失误费率+地震费率+暴风雨及洪水费率+风灾费率各灾因费率按照本费率表对应灾因的基础费率及其调整因子确定,如:火灾及爆炸费率=火灾及爆炸基础费率×调整因子1×调整因子2×……×调整因子n(一)火灾及爆炸费率1、火灾及爆炸基础费率包商”调整因子中第一项和其他三项是并列关系,可同时使用。
下同。
(二)塌方及地面下沉下陷费率1、塌方及地面下沉下陷基础费率2、塌方及地面下沉下陷费率调整因子——塌方及地面下沉下陷费率调整因子表一——塌方及地面下沉下陷费率调整因子表二(三)人工疏忽及失误费率1、人工疏忽及失误基础费率2、人工疏忽及失误费率调整因子(四)地震费率使用。
(五)暴风雨及洪水费率1、暴风雨及洪水基础费率此处风灾是指暴风、龙卷风、台风、飓风等造成灾害,但不包括沙尘暴。
(七)其他灾因费率其他灾因是指六类列明灾因以外的灾因。
其他灾因费率=列明灾因费率×RR值不低于0.05,具体数值由承保人根据经验确定。
其他灾因的绝对免赔额不得低于六类列明灾因绝对免赔额中的低者。
二、第三者责任保险费率第三者责任保险费率=物质损失费率×T其中,T的取值不低于0.05, 由承保人根据累计责任限额大小、累计责任限额与工程合同总价、每次事故责任限额等情况确定。
三、保费计算公式保险费=保险金额×(物质损失保险费率+第三者责任保险费率)四、其他说明道路工程是指各种道路建设工程,包括道路包含的桥梁、隧道、挡土墙、高架桥等构筑物建设工程。
但桥梁、隧道、挡土墙、高架桥等构筑物的工程价值不超过工程合同总价的20%,否则应对这些项目单独承保。
建筑工程一切险费率简介建筑工程一切险是一种为建筑工程施工中可能发生的意外事故提供保障的保险产品。
它的费率是指根据保险公司的评估和风险分析,按照一定的比例决定保险费的计算规则。
本文将就建筑工程一切险费率的相关内容进行详细介绍。
建筑工程一切险费率的计算方法建筑工程一切险费率的计算方法是保险公司根据建筑工程的风险评估和预期损失进行制定的。
一般来说,建筑工程一切险费率由以下几个方面的因素决定:1. 建筑工程的性质和规模建筑工程的性质和规模是决定一切险费率的重要因素之一。
不同类型的建筑工程和不同的工程规模都会有不同的风险程度,因此其费率也会不同。
2. 施工过程中的风险建筑工程在施工过程中存在着各种各样的风险,如施工设备故障、人员意外伤亡、自然灾害等。
保险公司会根据这些风险因素的发生概率和可能带来的损失大小,对风险进行评估并制定相应的费率。
3. 建筑工程所在地的风险建筑工程所在地的地理和气象条件也会对费率产生影响。
一些地区可能存在地震、台风等自然灾害的风险,这些因素都会增加保险公司承担风险的成本,进而导致费率的增加。
4. 保险公司的承保能力和盈利要求保险公司的承保能力和盈利要求也是决定建筑工程一切险费率的因素之一。
如果保险公司的承保能力较强,盈利要求较低,那么建筑工程一切险费率相对较低;反之,如果保险公司的承保能力较弱,盈利要求较高,费率则可能较高。
建筑工程一切险费率的影响因素建筑工程一切险费率的影响因素主要包括前述提到的建筑工程的性质和规模、施工过程中的风险、建筑工程所在地的风险和保险公司的承保能力和盈利要求等因素。
这些因素之间相互作用,最终决定了建筑工程一切险费率的高低。
此外,建筑工程的历史损失数据和保险公司的风险管理能力也会对费率产生影响。
如果某个建筑工程历史上发生过较多的意外事故和损失,那么保险公司可能会提高其费率,以适当补偿可能发生的损失。
建筑工程一切险费率的调整建筑工程一切险费率并不是固定不变的,保险公司会根据实际情况对费率进行调整。
建筑工程一切险的费率
建筑工程一切险是指在工程施工及其保护期间,针对工程项目可能发生的各种意外损失提供保险保障的一种保险产品。
它主要包括工程物资、机械设备、工程整体及第三者责任等方面的风险。
建筑工程一切险的费率是根据工程项目的具体情况进行测算的,主要考虑以下几个因素:
1. 工程规模:费率与工程项目的规模直接相关,一般来说,工程规模越大,费率就越高。
2. 工程类型:不同类型的工程所面临的风险程度也不同,比如住宅建筑、商业建筑、工业建筑等,费率也会有所差异。
3. 工期长短:根据工程项目的工期长短,费率也会有所调整,一般来说,工期越长,费率就越高。
4. 工程地点:不同地区的自然环境、气候条件等都会对工程项目带来不同程度的风险,因此,工程地点将影响费率的确定。
5. 建筑公司实力:保险公司会综合考虑承包商的信用等级、历史记录等因素,以评估工程项目的风险,费率也会有所调整。
在购买建筑工程一切险时,建议工程业主根据实际情况与保险公司进行沟通,详细说明工程项目的各项情况,以便保险公司能够提供合理的费率,并为工程项目提供全面的保险保障。
中国人民财产保险股份有限公司建筑工程一切险费率表(本费率表适用道路工程项目)目录一、总则二、纯风险损失率表构成三、使用原则和方法四、纯风险损失率表五、保险费计算一、总则为准确识别道路建筑工程的风险,合理确定承保条件,在测算行业经营数据,研究道路建筑工程风险特征的基础上,特制定本损失率表。
道路工程是指各种道路建设工程,包括道路包含的桥梁、隧道、挡土墙、高架桥等构筑物建设工程。
但桥梁、隧道、挡土墙、高架桥等构筑物的工程价值不超过工程合同总价的20%,否则应根据桥梁隧道占比对损失率进行调整。
在开展实际业务时,应在纯风险损失率的基础上附加合理的费用率(费用率主要包括经营管理费用比率、保险保障基金比率、手续费及佣金比率、营业税金及附加比率、利润及风险附加比率等),得到实际费率。
二、纯风险损失率表构成道路建筑工程纯风险损失率表包括:火灾及爆炸损失率表、塌方及地面下沉下陷损失率表、人工疏忽及失误损失率表、地震损失率表、暴风雨及洪水损失率表、风灾损失率表。
每项风险损失率表中均包括损失率与损失率调整因子两部分,此外,还有一个各灾因损失率共同调整因子。
三、使用原则和方法1、损失率及损失率调整因子的应用对于既定风险,其估计的风险损失率采用下面的公式计算:既定风险损失率=表定损失率×损失率调整因子1×损失率调整因子2 ×损失率调整因子3 ×……×各灾因损失率共同调整因子。
调整因子根据道路建筑工程的实际情况而定,存在多种损失率影响因子的,应该选取多个因子;多个因子与表定损失率相乘,即为该道路建筑工程可能遭受风险的估计损失率。
对于多种风险,各个风险的估计损失率相加即得到既定风险组合下的总损失率。
计算公式如下:既定风险组合下的总损失率=∑既定风险估计损失率。
对于第三者责任险的纯风险损失率,其计算公式为:既定风险组合下的总损失率×0.01。
2、基准免赔额的应用使用基准免赔额作为免赔额时,其损失率为表定损失率;使用其他较大的数额作为免赔额时,应该使用相应的损失率调整因子进行调整。
建筑工程一切险及第三者责任险投保单
NO :
投 保 人: 工程关系方 名称及地址
资质
是否被保险人 所有人 设计商 总承包商 监理商 其它关系方
工程名称及地址: 占地面积: 其它投保财产地址:
物质损失部分
保险项目
保险金额
每次事故绝对免赔额
建筑工程(包括永久和临时工程及材料)
所有人提供的物料及项目
安装工程项目 建筑用机器、装置及设备
场地清理费 工地内原有的建筑物 其它财产(请注明)
总保险金额: 费率: 物质损失部分保险费:
特种风险
赔偿限额
免赔额
地震、海啸 洪水、暴雨、风暴
第三者责任部分
每次事故赔偿限额 其中 人身伤害赔偿限额
每人赔偿限额
每次事故财产损失赔偿限额
免赔说明:
保险期限内累计赔偿限额: 费率: 第三者责任部分保险费:
工程用途:
高度及层数: 米高共 层,其中地下 层 地基深度: 米 工程为 级防火建筑, 设计抗震烈度为: 度
中华联合财产保险公司北京分公司
CHINA UNITED PROPERTY INSURANCE COMPANY BEIJING BRANCH
投保工程建筑类型及周围环境:
A)建筑类型
□钢筋混凝土/ □砖混/ □砖木/ □木结构
B)临近有无易燃、易爆等危险单位?
□无/ □有请说明情况:
C)施工现场与邻近建筑物的最近距离为:米
D)地理位置:□安全地区/ □沿江、湖、海/
□低洼地区/ □泻洪区/ □其他请指明:
申明:
除书面另有约定外,投保人未按保险单中列明的付费日期缴付保险费,本保险合同自逾约定付费日期之日自动解除,本公司不承担保险责任。
核保:经办:。
铁路建筑工程一切险、安装工程一切险纯风险损失率表铁路建筑工程一切险/安装工程一切险纯风险损失率表目录一、总则二、纯风险损失率表构成三、使用原则和方法四、纯风险损失率表一、总则为准确识别铁路建筑安装工程的风险,合理确定承保条件,在测算行业经营数据,研究铁路建筑安装工程风险特征的基础上,特制定本损失率表。
本损失率表仅适用传统轮轨,不适用磁悬浮,高速轮轨使用中国保险行业协会2008年发布的《高速铁路建筑安装工程一切险纯风险损失率表行业指导性标准》。
二、纯风险损失率表构成铁路建筑安装工程纯风险损失率表包括三大部分:物质损失部分损失率表、第三者责任损失率表和总体情况因素调整表。
其中,物质损失部分损失率表又包括三大部分:一般风险损失率表、特殊风险损失率表和扩展条款因素调整表。
一般风险损失率表针对桥梁工程、隧道工程、车站工程、机电工程、路基及其它土建工程共五类工程分别制定基准损失率表和损失率调整因子。
特殊风险损失率表针对地震、暴雨及洪水、风灾三项特殊灾因分别制定基准损失率表和损失率调整因子表。
三、使用原则和方法1、使用本损失率表时,对于一般风险损失率表,应根据铁路工程涉及到的项目,逐项查表确定损失率,乘以分项保额,得到各项纯风险损失,加总后为该项纯风险损失;对于特殊风险损失率表,则采用分项保额加总后的总保额与对应风险的损失率相乘得到各项风险纯风险损失,加总后为该项纯风险损失;对于第三者责任险,用物质损失部分的保险金额与适用损失率相乘得到纯风险损失,最后将这几项损失相加即得到整个工程的纯风险损失。
即:一般风险纯风险损失,?(各部分投保金额×相应部分纯风险损失率×该部分调整因子)特殊风险纯风险损失,?(总投保金额×相应风险纯风险损失率×该部分调整因子)第三者责任纯风险损失,总投保金额×第三者责任基准损失率如:地震纯风险损失,总投保金额×地震纯风险损失率×调整因子12、在同一区间采用不同的施工方法或所处位置的地质水文情况相差较大或工程经过多个地区时,应按照各自比例(工程额比例)加权确定损失率,如无法区分各自比例,则取值以高者为准。
建筑工程一切险费率是多少建筑工程一切险是指为保障建筑工程项目在施工、维护和使用过程中可能发生的各类意外风险而购买的综合性保险。
建筑工程一切险费率是根据风险评估和保险需求而确定的,其具体费率因素包括项目类型、工程规模、施工过程、地理位置、安全措施、历史事故经验等多个因素。
一、项目类型建筑工程一切险的费率会根据项目的不同类型进行调整。
一般而言,住宅类项目费率相对较低,商业、工业类项目费率较高。
因为商业、工业类项目通常涉及更多的潜在风险,例如商业场所的公共人员聚集、大型机器设备等。
二、工程规模建筑工程一切险费率还与工程规模相关。
通常情况下,工程规模越大,费率越高。
这是因为大型工程往往涉及更多的工人、更多的设备和更多的施工过程,从而增加了风险的可能性。
三、施工过程建筑工程一切险费率还与施工过程的复杂程度和风险程度相关。
例如,高难度的施工工艺或需要进行大规模搬运等工程,其费率会相对较高。
这是因为在施工过程中存在更多的意外事故风险,保险公司需要相应提高费率来提供充足的保障。
四、地理位置建筑工程一切险费率还可能根据地理位置进行调整。
地质条件不良、气候恶劣或地震活跃地区的工程项目,其费率一般会相对较高。
这是因为这些地区存在更多的自然灾害风险,保险公司需要相应提高费率以应对潜在的损失。
五、安全措施建筑工程一切险费率还与项目安全措施的严谨程度相关。
如果工程项目采取了科学有效的安全措施,如安装了监控系统、采取了高标准的防火措施等,保险公司会认为潜在风险较低,费率可能会相对较低。
六、历史事故经验建筑工程一切险费率也会考虑历史事故经验。
如果一个地区或项目在过去有过频繁的事故发生,那么保险公司可能会对该地区或项目采取较高的费率,以应对潜在的损失。
综合而言,建筑工程一切险费率是根据多种因素综合计算得出的。
在购买保险时,建议项目业主或投保方与保险公司充分沟通,提供准确的项目信息,以确保获得合理的费率和充足的保险保障。
此外,定期评估项目的风险情况,并与保险公司进行及时的沟通和调整,也是保证保险费率合理性的重要手段。
《建筑工程一切险》费率表1页道路工程第三着责任险费率一般为工程总造价的0.05%。
名词解释:(人寿财保)建筑工程一切险本保险承保的责任包括物质损失和第三者责任险两部分。
其中物质损失部分的保险责任在本保险期限内,若本保险单明细表中分项列明的保险财产在列明的工地范围内,因本保险单除外责任以外的任何自然灾害或意外事故造成的物质损坏或灭失或有关费用,保险人按本保险单的规定负责赔偿。
第三者责任险的责任范围是在本保险期限内,因发生与本保险单所承保工程直接相关的意外事故引起工地内及邻近区域的第三者人身伤亡、疾病或财产损失或相关费用,依法应由被保险人承担的经济赔偿责任,保险人按条款的规定负责赔偿。
第一部分物质损失保险部分保险标的第二条本保险合同的保险标的为:本保险合同明细表中分项列明的在列明工地范围内的与实施工程合同相关的财产或费用,属于本保险合同的保险标的。
第三条下列财产未经保险合同双方特别约定并在保险合同中载明保险金额的,不属于本保险合同的保险标的:(一)施工用机具、设备、机械装置;2页(二)在保险工程开始以前已经存在或形成的位于工地范围内或其周围的属于被保险人的财产;(三)在本保险合同保险期间终止前,已经投入商业运行或业主已经接受、实际占有的财产或其中的任何一部分财产,或已经签发工程竣工证书或工程承包人已经正式提出申请验收并经业主代表验收合格的财产或其中任何一部分财产;(四)清除残骸费用。
该费用指发生保险事故后,被保险人为修复保险标的而清理施工现场所发生的必要、合理的费用。
第四条下列财产不属于本保险合同的保险标的:(一)文件、账册、图表、技术资料、计算机软件、计算机数据资料等无法鉴定价值的财产;(二)便携式通讯装置、便携式计算机设备、便携式照相摄像器材以及其他便携式装置、设备;(三)土地、海床、矿藏、水资源、动物、植物、农作物;(四)领有公共运输行驶执照的,或已由其他保险予以保障的车辆、船舶、航空器;(五)违章建筑、危险建筑、非法占用的财产。
建筑(安装)工程一切险费率表2、一项工程中总承包资质与专业承包资质均可投标时,按专业承包工程性质确定费率。
当有两种资质同时具备投标时,以为主的工程性质确定费率。
3、第三者责任保险必须在投保工程险的基础上才能投保,不能单保第三者责任险4、如保险监管部门要求调整保险费率时,将提前10天书面通知5、本费率表只适用于余姚市政策性“以险养险”的险种,不适用商业保险。
如工程在此表中无相应费率,请向共保体办公室咨询。
专业承包2、一项工程中总承包资质与专业承包资质均可投标时,按专业承包工程性质确定费率。
当有两种资质同时具备投标时,以为主的工程性质确定费率。
3、第三者责任保险必须在投保工程险的基础上才能投保,不能单保第三者责任险4、如保险监管部门要求调整保险费率时,将提前10天书面通知5、本费率表只适用于余姚市政策性“以险养险”的险种,不适用商业保险。
如工程在此表中无相应费率,请向共保体办公室咨询。
2、一项工程中总承包资质与专业承包资质均可投标时,按专业承包工程性质确定费率。
当有两种资质同时具备投标时,以为主的工程性质确定费率。
3、第三者责任保险必须在投保工程险的基础上才能投保,不能单保第三者责任险4、如保险监管部门要求调整保险费率时,将提前10天书面通知5、本费率表只适用于余姚市政策性“以险养险”的险种,不适用商业保险。
如工程在此表中无相应费率,请向共保体办公室咨询。
说明:1、保险费=工程中标金额×保险费率+第三者责任保险金额×第三者责任保险费率2、一项工程中总承包资质与专业承包资质均可投标时,按专业承包工程性质确定费率。
当有两种资质同时具备投标时,以为主的工程性质确定费率。
3、第三者责任保险必须在投保工程险的基础上才能投保,不能单保第三者责任险4、如保险监管部门要求调整保险费率时,将提前10天书面通知5、本费率表只适用于余姚市政策性“以险养险”的险种,不适用商业保险。
如工程在此表中无相应费率,请向共保体办公室咨询。
建筑(安装)工程一切险费率表说明:1、保险费=工程中标金额×保险费率+第三者责任保险金额×第三者责任保险费率2、一项工程中总承包资质与专业承包资质均可投标时,按专业承包工程性质确定费率。
当有两种资质同时具备投标时,以为主的工程性质确定费率。
3、第三者责任保险必须在投保工程险的基础上才能投保,不能单保第三者责任险4、如保险监管部门要求调整保险费率时,将提前10天书面通知5、本费率表只适用于余姚市政策性“以险养险”的险种,不适用商业保险。
如工程在此表中无相应费率,请向共保体办公室咨询。
专业承包说明:1、保险费=工程中标金额×保险费率+第三者责任保险金额×第三者责任保险费率2、一项工程中总承包资质与专业承包资质均可投标时,按专业承包工程性质确定费率。
当有两种资质同时具备投标时,以为主的工程性质确定费率。
3、第三者责任保险必须在投保工程险的基础上才能投保,不能单保第三者责任险4、如保险监管部门要求调整保险费率时,将提前10天书面通知5、本费率表只适用于余姚市政策性“以险养险”的险种,不适用商业保险。
如工程在此表中无相应费率,请向共保体办公室咨询。
说明:1、保险费=工程中标金额×保险费率+第三者责任保险金额×第三者责任保险费率2、一项工程中总承包资质与专业承包资质均可投标时,按专业承包工程性质确定费率。
当有两种资质同时具备投标时,以为主的工程性质确定费率。
3、第三者责任保险必须在投保工程险的基础上才能投保,不能单保第三者责任险4、如保险监管部门要求调整保险费率时,将提前10天书面通知5、本费率表只适用于余姚市政策性“以险养险”的险种,不适用商业保险。
如工程在此表中无相应费率,请向共保体办公室咨询。
说明:1、保险费=工程中标金额×保险费率+第三者责任保险金额×第三者责任保险费率2、一项工程中总承包资质与专业承包资质均可投标时,按专业承包工程性质确定费率。