JG20150427轻触开关H15mm卧式支架规格书
- 格式:pdf
- 大小:127.82 KB
- 文档页数:1
90度轻触开关规格尺寸参数一、尺寸参数的重要性在电子设备制造过程中,尺寸参数是非常重要的。
无论是设计、生产还是安装,准确的尺寸参数都能保证设备的正常运行和使用。
对于90度轻触开关来说,尺寸参数的准确性更是至关重要的。
二、外观尺寸参数1. 外观尺寸:90度轻触开关通常是一个方形或矩形的装置,其外观尺寸一般为10mm×10mm×5mm。
2. 安装孔尺寸:为了方便安装,90度轻触开关通常具有两个安装孔。
安装孔的尺寸一般为3mm×3mm,安装孔之间的距离为8mm。
三、电气参数1. 额定电压:90度轻触开关的额定电压通常为12V DC。
这意味着,在正常工作条件下,该开关可以承受12V直流电压。
2. 额定电流:90度轻触开关的额定电流通常为50mA。
这意味着,在正常工作条件下,该开关可以承受50mA的电流。
3. 绝缘电阻:90度轻触开关的绝缘电阻通常为100MΩ。
这意味着,在正常工作条件下,该开关之间的绝缘电阻应大于100MΩ,以确保电气安全。
四、使用环境参数1. 工作温度:90度轻触开关的工作温度通常为-25℃至+85℃。
这意味着,在这个温度范围内,该开关可以正常工作。
2. 使用湿度:90度轻触开关的使用湿度通常为10%至90%RH。
这意味着,在这个湿度范围内,该开关可以正常工作。
3. 防护等级:90度轻触开关通常具有IP40的防护等级,可以防止固体物体直径大于1mm的进入。
五、其他参数1. 使用寿命:90度轻触开关的使用寿命通常为10万次以上。
这意味着,在正常使用条件下,该开关的寿命应大于10万次。
2. 开关力:90度轻触开关的开关力通常为1.5N。
这意味着,在使用该开关时,需要施加1.5N的力来触发开关。
六、总结90度轻触开关是一种常见的电子开关装置,其尺寸参数对于设备的正常使用至关重要。
准确的外观尺寸、电气参数和使用环境参数可以保证开关的可靠性和稳定性。
在选择和使用90度轻触开关时,我们应该注意这些参数的准确性,以确保设备的正常运行。
Middle Stroke T actile Switch B3SL251Surface-mount Sealed Tactile Switch with Mid-length Pretravel and Crisp Clicking Action.•90°C Maximum operating T emperature•Sealed construction conforming to IP67 (IEC 60529) provides high contact reliability in dusty environments.•Crisp click feeling and middle stroke with rubber plunger.•Two heights available, 3.4 mm and 5.1 mm •Tape packing is available •RoHS CompliantOrdering InformationNote:Order in multiples of the quantities given. Switches are not sold individually.Specifications■CharacteristicsNote:Data shown are of initial value■Operating CharacteristicsContact form SPST -NOSwitching capacity 1 to 50 mA at 5 to 12 VDC (resistive load)Contact resistance 100 m Ω max. (rated: 1 mA at 5 VDC)Insulation resistance 100 M Ω min. (at 250 VDC)Dielectric strength 250 VAC, 50/60 Hz for 1 min.Bounce time 5 ms max.Vibration resistance Destruction: 10 to 55 Hz, 1.5-mm double amplitude Shock resistanceDestruction: 1,000 m/s 2 (approx. 100 G) max.Ambient operating temperature −25 to 90°C (at 60% RH max.) with no icing or condensation Ambient operating humidity 35% to 85% (at 5 to 35°C)Service Life100,000 operations min.Characteristics B3SL-1002PB3SL-1022POperating force (OF)200 ± 50 gf (1.96 ± 0.49 N)Release force (RF) min.35 gf (0.35 N)Pretravel (PT)0.3 ± 0.2 mm 0.5 ± 0.2 mm252Middle Stroke Tactile Switch B3SLDimensionsNote:Unless otherwise specified, all units are in millimeters and a tolerance of ±0.2mm applies to all dimensions.B3SL-1002PB3SL-1022PPrecautions■Precautions for Correct UseStorageStorage EnvironmentT o prevent degradation, such as discoloration of the terminals during storage, do not store the Switch in locations that are subject to the following conditions;•High temperature or humidity •Corrosive gases •Direct sunlightStorage conditionStore the Switches in the packaging box.After the packaging box is opened, use the contents as quickly as possible. When storing leftover parts, make sure that appropriate measures are taken against humidity and corrosive gases.HandlingUsage EnvironmentBefore installing the Switch, make sure that the area of installation is not subject to corrosive gases emitted from surrounding parts.1.Do not use in areas subject to high temperatures, high humid-ity, or toxic gases such as sulfuric gas (H 2S, SO 2), ammonia gas (NH 3), nitric gas (HNO 3), or chlorine gas (CI 2). I t can cause corrosive damage to the contacts and result in mal-function.2.If there is silicon in the atmosphere, it may stop the contactsfrom functioning properly. I f silicon products, such as silicon oil, silicon filler, or silicon wires, are used in the surrounding area, install a contact protection circuit to prevent arching or remove the silicon source. The Switch is not completely sealed. The following situations may cause water to enter inside the Switch, resulting in a malfunction due to contact failure or corrosion.•Using the Switch in an outdoor environment where it is exposed to water drops for an extended period of time•Using the Switch in an underwater setting where it is sub-ject to strong water pressure.Operation•Do not repeatedly operate the Switch with excessive force.Applying excessive pressure or applying additional force after the plunger has stopped may deform the disk spring of the Switch,resulting in malfunction. (Maximum force = 30N)•Be sure to set up the Switch so that the plunger will operate in a straight vertical line. If the plunger is pressed off-center or from an angle it may cause deformation or damage to some parts. This mayresult in deterioration of life expectancy or malfunction.Middle Stroke T actile Switch B3SL253Electrical OperationUse the Switch within the rated voltage and current ranges, other-wise the Switch may have a shortened life expectancy, radiate heat,or burn out. This particularly applies to the instantaneous voltages and currents when switching.SolderingSoldering Precautions1.Before any kind of soldering, test to confirm that soldering canbe performed properly. Otherwise the Switch may be deformed by the soldering heat depending on the type of PCB, pattern, or lands of the PCB.2.Do not solder the Switch more than twice, including rectifica-tion soldering. Wait for at least five minutes between the first and second soldering to allow the temperature to return to normal. Continuous soldering may cause the casing to melt or deteriorate the Switch characteristics.Reflow Soldering ConditionsFirmly attach a thermocouple to the surface of the terminals with sol-der that has a high melting point and set the reflow oven so that the peak temperature of the terminals is 260°C or less.The following figure shows the temperature profile.Manual Soldering1.Soldering temperature: 350°C max. at the tip of the solderingiron2.Soldering time: 3 s max. for a 1.6-mm thick, single-side PCBWashingStandard Switches are not sealed, and cannot be washed. Doing so will cause the washing agent, together with flux or dust particles on the PCB, to enter the Switch, resulting in malfunction.Applicable Printed Circuit BoardThe Switch is designed for a 1.6-mm thick, single-side ing PCBs with a different thickness or using double-sided,through-hole PCBs may result in loose mounting, improper insertion,or poor heat resistance in soldering. These effects will occur,depending on the type of holes and patterns of the PCB. Therefore, it is recommended that a verification test is conducted before use.RoHS CompliantThe "RoHS Compliant" designation indicates that the listed models do not contain the six hazardous substances covered by the RoHS Directive.Reference:The following standards are used to determine compliance for the six substances.Lead: 1,000 ppm max.Mercury: 1,000 ppm max.Cadmium:100 ppm max.Hexavalent chromium: 1,000 ppm max.PBB: 1,000 ppm max.PBDE:1,000 ppm max.Packaging SpecificationsThe packaging specifications for B3SL Switches in embossed taping are given below.B3SL-1002PB3SL-1022PCommon PrecautionsBe sure to read the precautions common to all T actile Switches, con-tained in the T echnical User’s Guide, “T actile Switches, T echnicalInformation” for correct use.Standards Conforms to JIS.Package 2,000 Switches (B3SL-1002P)1,400 Switches (B3SL-1022P)Heat resistance60°C for 24 hours (without deformation)Tape drawing directionMiddle Stroke Tactile Switch B3SLOMRON ON-LINEGlobal - USA - Cat. No. X303-E-1Printed in USAOMRON ELECTRONIC COMPONENTS LLC55 E. Commerce Drive, Suite B Schaumburg, IL 60173847-882-228811/10 Specifications subject to change without noticeAll sales are subject to Omron Electronic Components LLC standard terms and conditions of sale, which can be found at /components/web/webfiles.nsf/sales_terms.html ALL DIMENSIONS SHOWN ARE IN MILLIMETERS.T o convert millimeters into inches, multiply by 0.03937. T o convert grams into ounces, multiply by 0.03527.。
86型智能开关面板规格书深圳市启明云端科技有限公司版权所有深圳市启明云端科技有限公司版本V1.0.1文档修订记录目录1简介 (3)1.1目的 (3)1.2范围 (3)1.3术语和缩略语 (3)1.3.1术语 (3)1.3.2缩略语 (3)1.4参考文档 (3)2产品介绍 (4)2.1简介 (4)2.2产品外观 (4)2.3产品定义 (5)2.4产品规格 (5)2.5产品功能 (8)2.6无线功能 (8)3参数配置 (9)3.1模组特性 (9)3.2接口说明 (10)3.2.1扬声器接口 (10)3.2.2LCD/TCP接口 (10)3.2.3MIC接口(离线语音版本选配) (12)3.2.4电源/扩展接口 (13)3.2.5接线柱定义 (13)3.2.6WIFI天线 (14)3.2.7离线语音模块【选配】 (14)3.2.8PCBA尺寸 (14)3.2.9包装与物理尺寸 (15)4软件开发 (16)5开发文档 (18)6免责声明 (19)1简介1.1目的本产品说明书目的是充分叙述所实现的功能,方便使用者了解产品的使用范围和使用方法,并为产品的维护和更新提供必要的信息。
本章节主要介绍产品的一些外观参考图、硬件配置图。
1.2范围目前适用的市场范围有:中央空调、热水器控制器等各类智能家电的智能控制面板。
1.3术语和缩略语1.3.1术语86盒是一种接线盒的规格,也是在电力装修方面的一个行业标准。
比如家里灯的开关,在墙里的一个盒就是接线盒,分为底盒和面板。
底盒基本上都是一样的,面板因不同品牌和不同的型号各有不同,但都可以装在同一规格的86盒里。
1.3.2缩略语GUI,图形用户界面(Graphical User Interface,简称GUI,又称图形用户接口)是指采用图形方式显示的计算机操作用户界面。
1.4参考文档表1参考文档清单名称编号作者发布日期备注2产品介绍2.1简介WT-86-32-3ZW1是一款多接口可视触控86型智能开关面板,配备esp32-S2处理器,支持高达240MHz的时钟频率。
侧按轻触开关参数侧按轻触开关目前使用的人越来越多导致于种类尺寸大小不同也越来越多,那么我们在使用侧按轻触开关需要了解它的哪些特性呢?需要了解侧按开关的种类以及特性的不妨往下看。
在介绍侧按轻触开关特性前我们先来介绍下侧按开关的种类,侧按开关是轻触开关中比较小型的按键开关,最少尺寸有2x4小侧按键,最大的一般是2x4侧按。
基座和柄高在3.5-3.75mm 之间。
小侧按有带支架和不带支架两种,有带定位置全包脚等几种样式。
下面我们从侧按轻触开关的种类来介绍其特性:侧按轻触开关带支架的好处能够很好的与产品内部固定,这不代表不带支架的就没有很好的固定,根据产品的设计而定,有些产品留了带支架位置,有些产品直接焊接在pcb板上也会有很好的固定效果。
带定位柱对于侧按开关而言也是起到一个很好的固定做用。
侧按开关的优势是比较轻巧,占用地方更小,使用非常方便,固定性能非常好等优势。
使用频率高于其它轻触开关,在生活中都会有它的影子,比如说现在的汽车遥控也用上了侧按轻触开关,在质量安全方面更为可靠,侧按轻触开关是继轻触开关后慢慢兴起的一款按键开关。
使用侧按键轻触开关应该注意:侧按轻触开关使用内部的金属弹片一般属于椭圆形锅仔片,金属弹片在使用过程中有一个特别要注意的,不能超过它的承受压力,要么很有可能会损坏,也不能连续一直按击,要么也可能会失灵或者损害使用寿命,而且金属弹片表面不能覆盖一层绝缘物质(氧化物质),不然会影响导电性能,而侧按轻触开关密封性不是特别好,一般不能起到长期防水作用,所以长期在水中使用很容易被损坏。
侧按轻触开关性能属性:1.2 适用范围APPLICATION1.3 工作温度范围Operating Temperature Range-20℃~70℃(在标准大气压、标准湿度条件下)-20℃~70℃(Normal humidity, normal air pressure)1.4 贮藏温度范围Storage Temperature Range-30℃~80℃(在标准大气压、标准湿度条件下)-30℃~80℃(Normal humidity, normal air pressure)1.5 测试条件Test Conditions在没有其它特定的条件下,应该在以下的条件下进行测试和测量:Unless otherwise specified, tests and measurement shall be made in the following standard conditions:常温…………………………………5℃~35℃Normal temperature………………5℃~35℃标准湿度……………………………相对湿度25%~85%Normal humidity…………………relative humidity 25%~85%标准大气压…………………………86KPa~106KpaNormal air pressure…………………86Kpa~106Kpa在制造过程中,测试和测量应该在以下的条件下进行:If any doubt arise from the judgment, tests shall be conducted at the following conditions:温度…………………………………20℃±2℃Temperature………………………20℃±2℃相对湿度……………………………65%±5%Relative humidity………………65%±5%环境气压…………………………86KPa~106KpaAir pressure…………………………86KPa~106Kpa2、详细说明Detailed specification2.1 外观:应无影响、降低产品性能的缺陷;Appearance: There should be no defects that affect the serviceability of product.2.2 结构尺寸和安装尺寸:应符合装配图要求;Style and dimension: shall conform to the assemble drawings.2.3 操作形式:有触觉反应的操作Type of actuating: Tactile feedback.2.4 开关结构:单回路单输出(具体的触点结构在装配图中已绘出);Contact arrangement: 1 pole, 1 throw(Details of contact arrangement are given in the assembly drawings.)2.5 开关工作额定值:DC 12V,50mA(有效值)Ratings: 12V DC, 50mA (effective value侧按轻触开关运用范围:1.影音产品:MP3、MP4、DVD.音响;2.数码产品:数码相机、数码摄像机等;3.遥控器:车辆、点卷门、家庭防盗产品之遥控器;4.通讯产品:手机、车载话机、电话机、楼宇设备、PDA等;5.家用电器:电视机、微波炉、电饭煲、电风、电子人体秤、电子脂肪秤、电子厨房秤等;6.安防产品:可视对讲机、监视器等;7.玩具:电子玩具等;8.电脑产品:摄像头、录音笔等;9.健身器材:跑度机、按摩椅等;10.医疗器材:血压计、体温计、医院呼叫系统等。
G4025-1B型卧式带锯床说明书G4025-1B型卧式带锯床(连封页共21页)保定向阳航空精密机械有限公司共21页第 2 页使用说明书 G4025-1B图一, G4025-1B卧式带锯床外形图共21页第 3 页使用说明书 G4025-1B前言1、用户在安装、使用前必须认真熟悉使用说明书的有关内容,如有疑问,请与我厂联系;2、用户在遵守机床的运输、保管规程的前提下,开箱时如发现所供产品与装箱单不符,请与我厂联系;3、本机床应放在无明显震源的环境下验收和使用;4、环境空气温度:5,40?;5、相对湿度:30,,95,;6、海拔高度:1000m以下;7、用户在使用前必须将连接床身与锯头的连接板(图一中2)拆除,将固定滑杆的内六角螺钉(图一中1)松开,以免影响机床的性能; 8、产品在生产过程中有技术参数变更,恕不通知,请谅解。
共21页第 4 页使用说明书 G4025-1B目录, 主要用途 5 , 主要参数和性能 5 , 运输和安装 5 , 主要部件和用途 7 , 传动系统 9, 液压系统 11, 电气控制系统 11 , 润滑及冷却 18 , 机床的调整 19 , 操作步骤及安全注意事项 20共21页第 5 页使用说明书 G4025-1B一、主要用途G4025-1B型金属带锯床是我厂系列锯割设备之一,主要用于锯切碳素结构钢、低合金钢、高合金钢和不锈钢等各种金属材料。
更换适当的锯带还可以锯切有色金属、非金属材料以及HRC45以下的金属材料。
二、主要参数和性能1.主要技术参数锯切最大直径: ,250 mm锯带长度(长*宽*厚): 3505*27*0.95 mm锯轮直径: ,400 mm锯带速度: 27、40、54、68、80 (m/min)进给速度:液压无机调整电机功率:主电机 2.2 KW油泵电机 0.55 KW冷却泵 0.040 KW机床主机外形尺寸(长*宽*高):1820*1110*1225 mm2.性能本机床是一种适合切断各种金属材料的下料设备。
右倾豪华木工圆锯机产品型号: HW11OR-30 HW110R- 50产品操作说明书目 录1. 安全注意事项 ——————————————————————-1.1 大型电动工具安全1.2 木工圆锯机安全2. 了解产品组成 ——————————————————————-3. 产品规格 ————————————————————————4. 电力需求及电磁开关操作 —————————————————5. 安装 —————————————————————————— 5.1 拆除电机运输吊带5.2 安装电机罩5.3 安装延伸副台板5.4 安装高度调整手轮5.5 安装前导轨和导向管组件5.6 安装后导轨5.7 安装延伸木台板5.8 安装标尺5.9 安装支撑腿5.10安装电磁开关到前导轨5.11安装透明护罩5.12安装/更换锯片5.13调整保护板6. 调试 —————————————————————————— 6.1 定位和调整横截靠尺6.2 横截靠尺快速停止器6.3 锯片高度和角度调整机构6.4 直靠尺调整6.5 主台板T型槽与锯片的平行度6.6 45°和90°限位螺钉调整7. 操作 —————————————————————————— 7.1 横切7.2 直切7.3 使用开槽锯片和开槽保护板8. 维护 —————————————————————————— 8.1 润滑8.2 清洁8.3 更换皮带补充: 产品保修卡 23345-78-9 10-11 12安全注意事项 大型电动工具安全1.认识您的产品阅读并掌握“产品说明书”及机器标贴的说明,以避免可能的伤害.2.接地本机器属于CLASSⅠ工具,带有接地的插头,必须确保可靠接地.绿或绿滚黄颜色线为接地线,绝不能搞错.3.使用防护罩4.移走扳手等调整工具养成良好习惯:确保在开机前移走所有扳手等调整工具.5.始终保持工作区域干净及时清洁地面以确保地面不湿滑.6.避免危险工作环境不能将机器在潮湿的环境下使用,也不能将机器暴露在雨水中.7.原离小孩所有的旁观者都应与工作区域保持一段安全距离.. 8.禁止小孩进入操作间9.采用合适的机器转速10.使用合适的工具11.穿合适的工作装不能穿过大过松的衣服,手套,领带或戴首饰12.总是戴防护眼镜总是戴防护眼镜(ANSI Z87.1)13.不要过于接近工作区14.仔细维护机器始终保持机器清洁,以保证最佳最好的性能,及时按照说明书要求进行润滑和更换附件.15.断开机器在进行维护前,应确保断开电源.16.避免意外启动在接入电源前,确保开关处于“OFF”状态.17.使用指定的附件18.绝不站在机器上19.定期检查破损部件20.机器未完全停止前绝不离开机器木工圆锯机安全1.总是使用锯片护罩当进行完全切断操作时,总是使用锯片护罩,跟刀板和防反弹棘爪,不论是使用直靠尺还是使用横截靠尺. 2.总是握持被加工件总是握持被加工木料靠住直靠尺或横截靠尺.3.总是使用推拔器使用直靠尺切窄小木料时,使用推拔器.4.绝不能绝不能“空手”操作.“空手”指不借助直靠尺或横截靠尺.5.绝不能绝不能让身体的任何部位位于锯切线上.6.绝不接触机器后面.7.移开直靠尺当使用横截靠尺时应移开直靠尺. 8.送料方向送料方向总是与锯片旋转方向相反.9.绝不能当使用直靠尺时应移开横截靠尺.10.绝不能在锯片未停下时,绝不能尝试接触锯片.11.提供足够支撑裁切宽长的木料时,应在机器侧面或后面提供足够的支撑.12.避免反弹避免反弹(木料回弹向操作者),可以通过保持锯片尖锐,保持锯片与直靠尺平行,保持锯片护罩、跟刀板、反弹棘爪处于正确位置,保持锯切过程不松开握持木料,保持不直切无笔直导向边的木料等来实现.13.避免困难的操作.避免困难的操作,防止突然滑动导致手进入旋转的锯片中.了解产品组成123 4 56789101112 1314 151. 4”出尘口2. 急停按钮3. 电磁开关(带热过载保护)4. 透明锯片防护罩5. 标准保护板6. 横截靠尺7. 直靠尺8. 导轨(含前、后导轨)9. 电机罩10. 高度调整手轮 11. 高度手轮锁紧杆 12. 角度标尺 13. 开槽保护板 14. 角度手轮锁紧杆 15. 角度调整手轮产 品 规 格锯片直径(mm ) 250锯片倾斜方向右倾 45°时最大切深(mm ) 57 90°时最大切深(mm )80 带副台板后台面尺寸(mm ) 1410 * 686 主轴直径(mm )30 开槽刀直径/内孔尺寸(mm ) 203 / 30 电参数220V,单相,50HZ,2.2Kw ,4300RPM电力需求及电磁开关操作警告!确保按照要求使用电源,否则将导致严重安全事故!针对机器的任何调整,请确保在断开电源的情况下再操作,违背此原则将导致严重后果!电源提供警告: 此豪华木工圆锯机预设为220V 工作电压,因此必须在220V 的带接地的插头上使用,如图1.图 1接地插片电流输入插片接 地警告: 如果插座没有正确接地,此木工圆锯机将可能发生电击,尤其在潮湿的环境下.为避免可能的电击或火花,请确保良好接地.并时刻确保电源线无破损,否则必须立即更换!并非所有型号的插座都可靠接地,如果您不能确信插座接地,请安排专业电工进行检查!此豪华木工圆锯机属于Ⅰ类设备,必须进行接地,如果出现电路破损引起的电气失效,接地端能提供保护,避免电击风险!电源连接线使用任何电源线都会损失电能, 使用图 2 列表的电源连接线规格将使电能损失降到最小!连接线长度(mm )0-635 635-1270 1270-2540线规(截面积/mm 22..5 2..5 1..5图 2电磁开关的使用电磁开关,如图 3所示,应安装在前导轨左下侧,具体的安装说明请见后续的章节.在所有的安装与调试都完成前,请不要启动开关!启动开关时,按下绿色启动按钮(A); 停止时,则按下红色紧急停止按钮B. 如图 3所示.图 3拆除电机运输吊带出于运输的目的, 采用了一个电机运输吊带(A) 图4,来将电机与箱体连接,以确保电机牢固无窜动.在安装、调试或使用机器前必须首先拆除此电机运输吊带,您应该保留此电机运输吊带以备将来的运输!图 4图 5图 6安装电机罩安装延伸副台板安装高度调整手轮为避免空气扰动箱体内木屑和粉尘, 必须将电机罩(A)图5,安装在箱体上.提起电机罩,让电机罩插销(B)从上往下插入箱体的销孔内,然后转动电机罩关闭箱体,并将电机旋钮(C)旋进箱体对应孔内!重要提示: 随货有两块延伸副台板,并且每块延伸副台板都有一边倒角,请确保倒角的斜面一边面向台板正面!采用三套螺栓、弹垫、平垫将延伸副台板连接到主台板上,为了方便调整,不要完全锁死螺栓,并确保主台板的斜面与延伸副台板斜面对齐!使用一直尺,来确保主台板面与延伸副台板面水平,然后再锁紧螺栓,如图 6.将附件包内的键放在键槽内,再将高度调整手轮(A)推入轴上,然后锁紧高度手轮上的紧定螺钉,再将高度手轮锁紧杆插进手轮中心的轴孔内并顺时针旋转来锁紧,然后再将高度手轮把手(C)旋进高度手轮中.角度调整手轮的安装与此相同!图 7安装前导轨和导向管组件将前导轨和导向管组件(A)的连接螺孔对准主台板(C)和延伸副台板(D 、E)的螺孔,并用所附的六角头螺栓、平垫、弹垫连接起来,在锁紧螺栓前,应确保前导轨上缘低于台板斜面下边缘5mm ,然后锁进螺栓!如图 8.图 8图 9图 10安装后导轨安装标尺安装支撑腿(针对50″导轨,30″导轨无此步骤)按照“直靠尺调试”完成后,同时确保圆锯片处于90°,将直靠尺贴紧圆锯片,将标尺放在导向管(A) 图 8上,确保标尺护罩窗口(A)图 9在直靠尺右侧,并且标尺护罩窗口(A)图 9中的下红线对准标尺的“0”刻度线,然后锁紧标尺护罩螺钉(B),再将标尺沿导向管右侧贴附在导向管上.如果标尺护罩窗口(A)图9的下红线没有对齐标尺“0”刻度线,则可松开(B)左右调整以对齐!将两支撑腿上面的两连接孔对准延伸木台板背面的螺孔,然后4颗六角头螺栓,8个平垫,4个弹垫和4个六角螺母连接起来,然后调整支撑腿底部螺杆使牢固支撑!!安装电磁开关到前导轨电磁开关(A)通过开关支架(B)上的螺钉与前导轨(C)的左下侧连接! 图10.安装延伸木台板(如果需要)将后导轨(B)的连接螺孔对准主台板(C)和延伸副台板(D 、E)的螺孔,并用所附的六角头螺栓、平垫、弹垫连接起来,在锁紧螺栓前,应确保后导轨上缘低于台板T 型槽下边缘,然后锁进螺栓!如图 8.安装完前后导轨后,将延伸木台板(F),如图 8.放在前、后导轨之间,并使延伸木台板的螺孔对准前后导轨上的孔,调整使延伸木台板面与延伸副台板面水平,再锁紧.安装透明锯片护罩警告: 当透明锯片护罩没在正确的位置或尚为安装时,千万不要使用此机器,否则可能导致机械伤害!图 11图 12图 13安装 / 更换锯片调整保护板警告:请确保机器电源已经断开!1. 如果需要更换锯片,首先将锯片升到最大切深位置,并且锯片角度为90°,将透明锯片护罩提起,并取出保护板.2.用一大块木头在前面顶住锯片前齿,图13.3.将开口扳手(A)套在主轴螺母(B)上,并顺时针旋转(瞬时针方向为松),然后取出主轴螺母,外法兰(C)和锯片.4.将新的锯片或另外型号的锯片套入主轴,必须确保向下齿尖对着机器正面,然后依次放上外法兰.5.同样用一大块木头在后面顶住锯齿,手不能接触锯齿.6.使用提供的开口扳手(A)套住主轴螺母(B),并向后旋转(逆时针为紧),锁紧后拿走开口扳手(A),并重新放上保护板,再放下透明锯片护罩.保护板(A),图14,应该放在锯片的开口处,并应确保保护板平面与主台面保持水平,将直尺横跨在主台板与保护板上,调整4颗紧定螺钉(B)来实现水平.图 141.将劈刀板安装轴(A),图11,旋入箱体后面的孔内,将螺丝刀插入将劈刀板安装轴(A)尾部孔内,顺时针旋转以锁紧在箱体内的铸件上.2.在劈刀板安装轴(A)上滑动支撑块(B),预紧支撑块(B)一侧的两颗紧定螺钉.3.用两颗六角头螺钉和弹垫,将劈刀板安装支架©,图11,预紧在支撑块(B)上.4.将跟刀板(A),图12,跨过台板,并将跟刀板前端放在跟刀板压紧块(C)和铸件间,并预紧螺母(B).5.调整使跟刀板支架与锯片中心对齐,并确保跟刀板下边缘与主台板面平行并高出主台板面约3mm,然后锁紧所有的跟刀板支架固定螺钉.警告: 某些操作(如开槽锯片)不允许使用锯片护罩,此时旋转锯片外露,尤其注意防止机械伤害!!定位和调整横截靠尺横截靠尺,如图15,通常通过滑动导杆(A)放在锯片右侧的T 型槽内,重要的是,需要确保滑动导杆与T 型槽两侧没有间隙,可以调整滑动导杆(A)上的调整块(B)来实现,调整块(B)上的两颗螺钉专门用于调整间隙.使用横截靠尺时,松开把手(C), 图15,拔出指针定位旋钮(D),转动横截靠尺本体(E)到所需要的角度后,松开指针定位旋钮(D),就得到您需要的角度,然后锁紧把手(C).图 15图 16图 17横截靠尺快速停止器(如提供)锯片高度和角度调整机构直靠尺调整豪华横截靠尺带有快速停止器,如图15, F,它安装在靠尺G 上面的T 型槽内,要移动快速停止器,只需要松掉六角螺栓H,在T 型槽内滑动到需要的位置后,再锁紧六角螺栓H 即可.当不需要快速停止器时,可以提起快速停止器F 或直接取下即可.为调整锯片高度,松开高度锁紧杆A,转动手轮把手B,转动到需要的高度后再锁紧高度锁紧杆A.锯片应该高出被拆切木头3-6.35mm 为宜.图16为调整锯切角度,松开角度锁紧杆C,转动手轮把手D,转动到需要的高度后再锁紧高度锁紧杆C 即可.图16.直靠尺必须确保与台板T 型槽对齐,为完成此调整,将直靠尺边缘对齐T 型槽,然后锁紧把手A,图17;检查看是否直靠尺边缘已对齐T 型槽,如果没有对齐,松开把手A,翻转直靠尺,调整两侧的紧定螺钉A,图18,直到完成调整所需调整.锁紧把手锁紧力可以通过松开螺母B 并均匀调整两侧紧定螺钉C ,以保证直靠尺边缘已对齐T 型槽.为设置直靠尺对台面的垂直度,将一直角尺放在台面上,另一直角边靠住直靠尺一侧,松开上面两侧的锁紧螺母D 并调整两侧紧定螺钉E,直到直靠尺垂直度得到确保,然后再锁紧两侧螺母D.标尺护罩F,图17的位置可以调整,只要松掉盘头螺钉G,重新调整位置后再锁紧盘头螺钉G.图 188主台板T 型槽与锯片的平行度台板T 型槽必须与锯片保持平行,使用图19的组合角尺(A)来测量.先用组合角尺测量T 型槽到锯片最后端的距离,然后将锯片旋转180°来到最前端,然后再用组合角尺(A)测量同一点,此两次测量的差异应该小于0.4mm .如果满足要求,需要调整,松掉箱体与台板连接的四颗螺钉(A),图20,进行需要的调整,直到平行度小于0.4mm ,然后再锁紧连接螺母(A).图 19图 20图 2145°和90°限位螺钉调整锯片倾斜机构设置了45°、90°限位,通过检查和调整限位螺钉来实现,步骤如下:1.通过高度调整手轮将锯片升到最大切高处.2.通过角度调整手轮将角度调整到90°,然后用直角尺检查锯片与台面的角度,看是否90°.3.如果锯片角度不是90°,则松掉锁紧螺母(A),图21,并调整螺钉(B),确保当锯片与台面的角度为90°时,调整螺钉(B)顶住前支架上,仔细检查和调整,确保刚好在90°时,然后锁紧螺母(A).4.同样如果锯片角度不是45°,则松掉锁紧螺母(A),图22,并调整螺钉(B),确保当锯片与台面的角度为45°时,调整螺钉(B)顶住前支架上,仔细检查和调整,确保刚好在45°时,然后锁紧螺母(A).图 229安全注意事项!!本机器的使用涉及到某些风险,在正式操作前建议您仔细阅读本产品说明书并掌握操作要领,并且在大量操作前先用几小段木头作操作测试,并总是规范操作以避免可能的伤害!!图 23图 24横 切直切是对木头的长边进行的裁切,图24.直靠尺则是用于直切时的定位和导向.待切木头紧贴直靠尺和主台面,并应确保紧贴直靠尺的一边是笔直的,裁切过程中,必须使用透明锯片护罩,并且锯片护罩后面的反弹棘爪和跟刀板可以避免锯片被夹住和防止木头反弹.启动电机,将裁切木板放在台面,一边紧靠直靠尺,注意:裁切时千万不要站在裁切方向线上.双手按操作直 切本机器的操作包括横切、直切和一些基本的操作,后面的说明专门讲解这些操作的安全使用,请严格按照操作要求进行操作,并总是在开始大量操作前先用几小段木头作操作测试,以避免可能的人横切需要使用横截靠尺来定位和导向,将待切木头靠住横截靠尺,并朝向锯片,如图23,横截靠尺必须放在台板的T 型槽内使用,T 型槽左右各一道,多数操作者习惯使用左面的T 型槽;当斜切时(此时锯片倾斜),使用左面的T 型槽更安全.开始横切时,应缓慢移动,并在移动过程中,握紧待切木头,使紧贴靠尺和主台面,必须提醒的是,在裁切过程中,不能直接松开裁切的木头或去拿已经切掉的木料,一直等到木头被切为2截,再将横截靠尺和留下的木头一起推回原位,注意在回推时,尽量使木头与横截靠尺远离锯片.当裁切进行时,绝不能去拣任何已经裁切下来的短小木块,理智的操作者应清楚,操作过程绝不去拣小于25mm 长度的小木块.绝不使用直靠尺做横切,也绝不用横截靠尺和直靠尺组合来做横切.住木板,沿直靠尺推动并进入锯片,如图24.一直到木板被完全裁切开后再松开双手.当开始裁切时,可能有少量木块还残留在台板靠护罩后侧,不用理会,继续裁切,直到完成所有裁切并关机后,再去清除台面上残留的木块.10图 25图 26使用开槽锯片和开槽保护板开槽是指在木料上开槽或开较宽的沟,大多数开槽组合锯包括,两边的两块锯片和中间四到五片开槽刀,如图25.不同的锯片和开槽刀组合形成不同的开槽宽度,宽度范围3.175—21mm 不等.开槽刀应该均匀对称分布,以确保重心均匀居中,如图26.锯片与开槽刀重叠的部分如图26, (A)是外面的锯片,(B)是里面的开槽刀,而(C)则是纸垫片.通过调整纸垫片( C ), 可以调整开槽的准确宽度,6.35mm 宽度的开槽则只需要两块锯片就可以实现了,但摆放时应注意两块锯片的齿相互错开.开槽刀组合安装到主轴上的方法与圆锯片的方法一样.但注意,当使用开槽刀组合时,应取掉锯片护罩和跟刀板,同时应更换保护板为开槽保护板.注意:使用开槽刀组合时锯片不能倾斜使用! 在完成开槽操作后应总是将锯片护罩装上!AB C11维 护图 27图 28润滑此款豪华木工圆锯,需要少量的维护工作,如适当润滑和及时的清洁.接下来的章节详细讲解如何进行维护来确保您的机器总是处于良好状态!清洁更换皮带此款豪华木工圆锯的轴承为密封润滑轴承,包括电机轴承和主轴轴承,他们不需要任何的润滑. 使用一把钢刷,首先清除掉蜗轮和蜗杆上的木屑,然后在蜗轮和蜗杆上注入优质油脂来实现润滑.及时将箱体内的灰尘和木屑清除出来.旋转旋钮(B)90度, 然后移出出尘口(A) 图27,使用戏尘器或采用气枪都可以将箱体内灰尘和木屑清除.台板上面不需要维护,在正常工作环境下,镀钛台板不容易生锈,当您采购的机器台面为金黄色时,就意味着表面防锈性能和耐腐蚀性能更好.更换批带前请确保电源已经断开!为了拆下三根V 型皮带(A),图28, 首先需要将锯片降到最低点,然后松开螺母(B), 并抬起电机,然后将V 型皮带从主轴皮带轮和电机皮带轮上取下,并换上新的V 型皮带,然后松开电机,靠电机自重将皮带涨紧,然后再套上并锁紧螺母(B),使用几小时后需要重新检查皮带的涨紧力,方法与上相同.12我们信奉品质海威木工机器客户售后服务卡机器出厂编号:机器型号:制造日期:售后服务电话:************Email:*****************尊敬的海威木工机器用户:感谢您购买海威木工机器,使我们有机会为您服务。
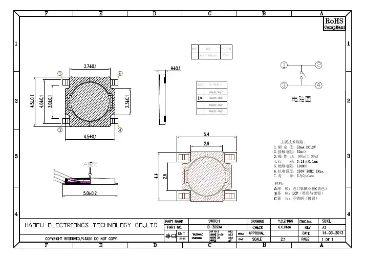
1.General specification 基本说明1.1Scope 范围This specification covers the requirements for single key switches which have no keytop(TACT SWITCHES:MECHANICAL CONTACT ). 此规范含盖单推柄和无推柄的轻触开关要求。
1.2Operating Temperature Range 使用温度范围-55 to 125 ℃(normal humidity, normal press).正常湿度,标准压力1.3Storage Temperature Rang 保存温度范围-25 to 85 ℃(normal humidity, normal press).1.4Test Conditions 测试条件Tests and measurements shall be made in the following standard clnditions unless otherwise specified:测试和计量按下列标准条件除非特殊说明Normal temperature (temperature 5 to 35℃) 标准温度Normal humidity (relative humidity 45 to 85%) 正常湿气Normal pressure (pressure860 to 1060 mbars ) 标准压力In case any question arises from the judgement made, tests shall be conducted in the following conditions:Temperature (20±2℃) 温度Relative humidity (65±5%) 相对湿度Pressure (860 to 1060 mbars) 压力2. APPEARNCE, STYLE, AND DIMENSIONS 外形,类型和尺寸2.1Appearance 外形There shall be no defects that affect the serviceability of the product 外形必须无缺陷才不影响产品适用性2.2 Style and Dimensions 类型和尺寸Shall conform to the assembly drawings. 符合装配图3.TYPE OF ACTUATION 动作类型Tactile feedback 轻触返回4. CONTACT ARRANGEMENT 1 poles 1 throws 接触形式1接点1 回路(Details of contact arrangement are given in the assembly drawings).细接点形式在装配图中5. MAXOMUM RATINGS DC 12 V 50 mA 最大额定值APPD CHKD DSGDTD-309XA1/7ZONE SYMB DATE APPD CHKD DSGD6.2Mechanical机械特性Item 项目Test Condition试验条件Requirements规格6.2.1. Actuating Force 动作力Placing the switch such that the direction of switchoperation is vertical and then gradually increasing theload applied to the center of the stem, the maximum loadrequired for the stem to come to a stop shall bemeasured.开关的动作方向为垂直放置开关向推柄中心逐渐增加负荷直到推柄停止时所测量的最大负荷160±30gf6.2.2. Travel 行程Place the switch such that the direction of switch operation isvertical and then apply a static load twice the actuating force tothe center of the stem, the travel distance for the stem to come toa stop shall be measured.开关的动作方向为垂直放置开关,并以双倍动作力的静负荷作用推柄中心,测量推柄从开始到停止的行程距离0.15±0.1mm6.2.3.Return Force 返回力The sample switch is installed such that the direction ofswitch operation is vertical and, upon depression of thestem in its center the whole travel distance ,the force ofthe stem to return to its free position shall be measured.开关的动作方向垂直放置开关,在已有行程的推柄中心向上减小压力,推柄回到自由位置时所测量到的力40gf min6.2.4. Stop Strength 静止强度Placing the switch such that the direction of switchoperation is vertical, a static load of 3 kgf shall beapplied in the direction of stem operation for a period of60 seconds.开关的动作方向为垂直放置开关,在推柄动作方向施加3 KG的静负荷,60秒时间There shall be no sign ofdamage mechanically andelectrically无机械的和电气的损伤迹象6.2.5. Stem Strength 推柄的强度Placing the switch such that the direction of switchoperation is vertical, the maximum force to withstand apull applied oppsite to the direction of stem operationshall be measured.开关的动作方向为垂直放置开关从推柄动作方向反方向施加拉力所测量到的最大承受力3 kgfAPPD CHKD DSGDTD-309XA2/7ZONE SYMB DATE APPD CHKD DSGDTACT SWITCH SPECIFICATION( 轻触开关说明书)6.PERFORMANCE 性能6.1 Electrical 电气Item 项目Test Condition试验条件Requirements 要求6.1.1.Contact Resistance 接触电阻Applying a static load twice the actuating force to thecenter of the stem, measurements shall be made witha 1 kHz small-currentcontact resistance meter.用两倍的动作力作静负载施加于按钮的中心,并用1 千赫小电流接触电阻仪测量100 mΩmax.6.1.2. Insulation Resistance绝缘电阻Measurements shall be made following application ofDC 100 V potintial across terminals and acrossterminals and frame for one minute.在端子之间,端子与外壳之间施加DC100V,一分种100 MΩmin6.1.3. Dielectric Witstanding voltage电气耐压AC250V (50Hz or 60Hz) shall be applied acrossterminals and across terminals and frame for oneminute.在端子与端子之间,端子与外壳之间施加AC250V(50Hz or60Hz)There shall be mo breakdown没有击穿6.1.4. Bounce 抖动Lightly striking the center of the stem at a rateencountered in normal use ( 3 to 4 operations persec ), Bounce shall betested at “ON” and “OFF”在正常使用中(以每秒3-4 次周期)轻轻地在手柄中心加力,在通与断瞬间测试抖动。
3*6²à°´型号
日期
1.适用范围:本说明书只适用
2.额定电流、电压值:DC
12V
50mA
3.构造:盖板、簧片、按钮、底座等;3.1.形状、尺寸依图面确定.
3.2.外观:各部分应无生锈、裂痕、电镀不良现象.
4.相对湿度:(40℃)≤95%标准状态下测试。
5.使用环境:在-30~85°C环境下使用。
6.电器性能
6.1.接触电阻:100mΩmax;6.2.绝缘电阻:100MΩmin;6.3.耐电压:AC250V 50HZ 1min;6.4.动作力:250gf±30gf;6.6.回流焊适应温度240°C ~260°C;7.电器寿命:30000次;8.材料规格表:详见外形图;9.1.可焊性试验:
方式:焊接脚被浸入锡池约2mm深,温度230±5℃时间3±0.5秒。
结果:浸入的部分80%以上将被锡覆盖方式:温度在260℃的环境下,产品存放2—3分钟取出,待散热后测试其手感、电阻结果:电阻、克力回弹、外形等;均无任何损坏迹象显示。
2010.11.28
6.5.回弹力:1/3;
9.耐焊性;9.2.耐焊性试验:
方式:焊炉焊锡的温度控制在235±5℃,过炉焊接的时间5±1秒于(基板),手焊接的时候温度控制在350±30℃,时间为3±0.5秒但不能对焊接脚施加异常压力。
结果:本体无变形,能满足于电器性能。
9.3.耐高温试验:。
轻触开关的结构和使用触摸开关又称轻触开关,在使用时能满足操作力的条件,向开关操作的方向施加压力。
当压力移除后,开关会关闭,其内部结构会因金属弹片的受力变化而开启和关闭。
轻触开关由插片、底座、弹片、按钮和盖板组成,其中在弹片上添加了聚酰亚胺薄膜,用于防水触摸开关。
轻触开关具有接触电阻负载小、操作力误差准确、规格多样化等优点,广泛应用于电子设备和白色家电中,如视听产品、数码产品、遥控器、通讯产品、家居产品、安防产品、玩具、电脑产品等。
因为触摸开关的环境条件(弹力/施加压力不到两倍的环境温湿度条件和电器),大型设备和高负荷按键直接用导电橡胶或锅开关五金件代替,如医疗器械、电视遥控器等。
轻触开关是随着电子技术的发展而发展起来的第四代的产品,开始的体积是12mm*12mm和8mm*8mm,现在是6mm*6mm o产品有垂直、水平、水平接地端子三种,现在有两种组合(3M、4M、SM、6M、SM)和电位器触摸开关组合,满足各种家用电子产品的要求。
现在有第五代-薄膜开关,功能和轻触开关一样,主要用于电子仪器和数控机床,但是电阻大,手感差。
为了克服手感不佳的现象,薄膜开关中也有接触簧片代替银层。
使用轻触开关时的注意事项:1当焊接接触开关端子时,如果向端子施加负载,由于不同的条件,可能会出现松动、变形和电气特性恶化。
使用时请注意。
2.使用通孔印刷电路板和推荐以外的电路板时,热应力的影响会发生变化,请提前充分确认焊接条件。
3.两次焊接时,请在首次焊接部位恢复常温后进行。
持续加热可能会使外围部件变形、端子松动和脱落,并降低电气特性。
4.关于焊接条件的设定,需要确认实际的批量生产条件。
5.产品以直流的电阻负载为前提设计制造的。
使用其它负荷[感应性负荷,电容性负荷]时,请另行确认。
6.关于印刷电路板的安装孔和图案,请参考产品图纸中记录的推荐尺寸。
7.应采用由人直接操作的按钮开关结构。
请不要将其用于机械检测功能。
8.当轻触开关工作时,如果施加指定的负载,开关可能会损坏。
PAGE 2 / 63.1 Auto soldering conditions1) After switches were soldered, please be careful not to clean switches with solvent.2) In the case of using soldering iron, soldering conditions shall be 280℃ max. and 3 sec max.3) After switches were soldered, please be careful not to load the knobs of switchs.3.2 Manual soldering conditionsTemperature : 350 ± 5℃Time : 3 sec max.1) Please keep the received products under conditions of not high temperature, no high humidity and no direct-rays of the and no corrosive gases.2) Our products are strongly recommended to use off within 3 months and are guaranteed the quality for 6 months of maximum period after receiving the products.3) Please put some desiccants after opening off a vinyl pack in order not to enter the damp air and keep the products at the same place of the above-mentioned4) Please be cautious not to give excessive load on the products.5) Please be cautious not to keep the products with high pressure on the push buttons.Single sided copper-clad laminates.Time of immersion Within 5 secSoldering number Within 2 time (But should bring down heat of the first soldering)CONDITIONTACT SWITCH SPECIFICATIONTemperature of solder 255℃ max.Printed wiring board3. SolderingPreheat time60 sec max.Area of flux1/2 max. of P.W.B thickness ITEMDSN CHK APP PAGE 6 / 6Preheat temperature 110℃ max. (Environmental temperature of soldering surface of P.W.B)MODEL No.DJT 1102PAGE4 OF 4K.M.SM.K.JDATE 2006.08.07 4. Safety Keeping ConditionK.Y.IMODEL。
轻触开关规格型号参数轻触开关是一种常见的电子元件,广泛应用于各种电子设备和家电中。
它的作用是控制电路的通断,通过触摸开关来实现设备的启动和停止。
轻触开关有许多不同的规格型号和参数,下面将介绍其中几种常见的规格型号。
1. 规格型号:单通道轻触开关这种轻触开关只有一个通道,用于控制单个电路的通断。
它通常由一个触摸面板和一个开关组成,触摸面板上有一个按钮,通过触摸按钮来控制电路的开关状态。
这种轻触开关适用于只需控制一个电路的场景,如灯光的开关控制。
2. 规格型号:双通道轻触开关这种轻触开关有两个通道,可以同时控制两个电路的通断。
它通常由一个触摸面板和两个按钮组成,每个按钮分别控制一个电路的开关状态。
这种轻触开关适用于需要同时控制多个电路的场景,如电视机的开关和音量调节。
3. 规格型号:带指示灯的轻触开关这种轻触开关在触摸面板上还配备了一个指示灯,用于显示电路的开关状态。
当电路通电时,指示灯会亮起;当电路断电时,指示灯会熄灭。
这种轻触开关适用于需要直观显示电路状态的场景,如电源开关。
4. 规格型号:防水防尘轻触开关这种轻触开关具有防水和防尘的特性,适用于户外或潮湿环境中的电子设备。
它采用特殊的材料和结构设计,能够有效阻止水和灰尘进入开关内部,保证开关的正常工作。
这种轻触开关适用于需要在恶劣环境中使用的场景,如汽车的内部控制开关。
轻触开关是现代电子设备不可或缺的元件,不同规格型号的轻触开关可以满足各种不同的需求。
无论是单通道还是双通道,带指示灯还是防水防尘,都能够提供方便、安全、可靠的控制方式。
在选购轻触开关时,需要根据具体的使用场景和需求来选择合适的规格型号,以确保设备的正常运行和长久使用。