夏普液晶电视机解除保护
- 格式:doc
- 大小:32.50 KB
- 文档页数:2
创作编号:GB8878185555334563BT9125XW创作者:凤呜大王*液晶电视维修去除保护电路大全TL4941和16 对地短路TL5001 5 对地短路TL1451 15 对地短路TL5451 15 对地短路TA9687CN 1脚吸空Ta9687gn 12脚对地MB3775 15 对地短路INL837GN 14脚对地IT3713 15脚空AZ7500BM-E1第4脚接地AT1741 15 对地短路AT1380 2 对地短路KA75001和16 对地短路FA362915和16 将外接电容短路FA3630 7和10对地短路FAN7318 1脚对地FAN7311 1脚接地MP1008ES 4 对地短路MP1009ES 5脚对地MP1038EY6脚对地..取消保护,灯管老化造成保护, MP1038EY 用导线11脚连接2脚MP1048EY 1、5接地mps1012 5脚接地ozl68gn 8去保护OZ960gn 4、7脚短接或2脚对地OZ960 OZ962 2对地短路OZ965 4对地短路OZ9RR 8对地短路OZ9933gn 12脚接地OZ9937 14接地OZ9938去掉保护电路方法1.把3脚直接对地短路,2.把6脚直接对地短路3.把7脚接地电阻取下不用OZ9910GN 6脚接地OZ9976 8脚去保护对地OZT1060GN 1脚对地st 324 5脚接地BA9741 15对地短路BA9743 15对地短路BD9215F 23欠压保护17过压保护18过流保护BD9893: 10脚接地BD9893F 7脚对地;BD9897FS BIT3101 2和15吸空引脚BIT3102 5 吸空引脚BIT3105 4 吸空引脚BIT3106 4和27吸空引脚BIT3107 4 吸空引脚BIT3193 15吸空引脚BIT3195G 15脚吸空BIT3713 15脚吸空去保护BIT3715 12脚对地BIT7313 15吸空BIT3501 4J脚悬空或连接4、7脚经证实1和5脚短接去保护成功创作编号:GB8878185555334563BT9125XW创作者:凤呜大王*OB3306QP OB3328UNQP 0B3316NQP 5脚对地OB3316QP功能1;ON/OF电压输入2;比较端电容。
部分电视机解锁大全1. 什么是电视机解锁?电视机解锁是指通过特定的方法绕过电视机的限制,以获得更多功能或访问未经授权的内容。
通常情况下,电视机会有一些限制,如不能更改设置、无法安装第三方应用或访问特定的网站等。
通过解锁电视机,用户可以解除这些限制,并获得更多的自由。
2. 为什么需要解锁电视机?解锁电视机可以给用户带来以下几个好处:•安装第三方应用:通常情况下,电视机只允许安装官方应用商店提供的应用。
通过解锁,用户可以自由地安装第三方应用,如视频播放器、游戏等。
•访问未经授权的内容:一些电视机限制了对特定网站或内容的访问。
解锁电视机可以打破这些限制,让用户可以自由地访问所需的内容。
•自定义设置:解锁电视机后,用户可以更改电视机的设置,如画质、声音等,以获得更好的观看体验。
虽然解锁电视机有一些好处,但也需要注意,解锁电视机可能违反制造商的使用条款,可能导致失去保修权益,并且存在一定的风险。
所以,在进行解锁操作之前,请确保了解相关风险和法律规定。
3. 常见电视机解锁方法方法一:使用遥控器输入特定命令有些电视机在工程模式下,可以通过特定的遥控器命令进入解锁模式。
以下是一些常见电视机的解锁方法:•品牌A:–点击遥控器上的“菜单”按钮。
–在弹出的菜单中,依次按下1、1、4、7,然后按“返回”或“确认”按钮。
–进入工程模式后,在相应选项中进行解锁设置。
•品牌B:–按下遥控器上的“设置”按钮。
–在设置菜单中,找到“关于”或“系统信息”选项。
–在关于或系统信息页面,输入特定的遥控器命令,进入工程模式后进行解锁设置。
方法二:使用专业解锁工具有些电视机需要使用专业的解锁工具才能进行解锁。
这些工具通常需要连接到电视机的USB接口,并在电脑上运行相应的软件。
通过这些工具,可以更深入地控制电视机的设置,并进行解锁操作。
对于不同品牌和型号的电视机,可能需要使用不同的解锁工具。
可以在相关的技术论坛或社区上寻求帮助,获得适用于自己电视机的解锁工具和教程。
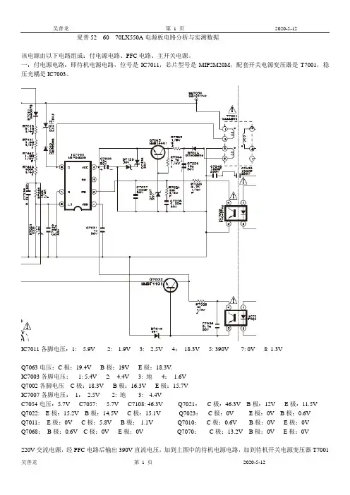
夏普52 60 70LX550A电源板电路分析与实测数据该电源由以下电路组成:付电源电路、PFC电路、主开关电源。
一:付电源电路:即待机电源电路,位号是IC7011,芯片型号是MIP2M20M,配套开关电源变压器是T7001,稳压光耦是IC7003。
IC7011各脚电压:1: 5.9V 2: 1.9V 3: 2.5V 4:18.3V 5: 390V 7: 0V 8: 1.3VQ7063电压:C极:19.4V B极:19V E极:18.3V.IC7003各脚电压:1: 5.4V 2: 4.4V 3: 地4:1.6VQ7002各脚电压C极:18.3V B极:16.3V E极:15.7VIC7007各脚电压:1:2.5V 2: 地3: 4.4VC7054电压:5.7V C7057: 5.7V C7108: 46.3V Q7021:C极:46.3V B极:12V E极:11.5VQ7022: E极:15.2V B极:14.5V C极:15.1V Q7023:C极:0V E极:0V B极:0.6VQ7011:E极:0V C极:5.8V B极:-1.1V Q7010:C极:0.6V B极:0V E极:0VQ7068:B极:0.6V C极:0V E极:0V Q7070:C极:13.2V B极:0V E极:0V的初级1脚,通过变压器3脚加到待机电源芯片IC7011内MOS型开关管的D极,D7012、D7013并联在开关变压器初级线圈两端,用于吸引尖峰脉冲,防止击穿待机电源块内的MOS型开关管,该IC的7脚是内部MOS开关管的S极,7脚接地。
进入机内的220V电源电压,经D7011整流-------R7019-------R7441-------R7442--------R7443-----R7020------R7021,把R7021上分得的电压,加到待机电源块的8脚,用于检测市电的高低,当市电过低时,8脚的电压降低,待机电源IC就会进入保护停止工作状态,市电正常时,该脚电压在1.3V。
电视机按键锁了解决方法:需要重新设置和电视相匹配的密码就可以,密码在说明书上,.如果没有说明书,就按住设置健加关机健,然后输入电视机的型号就可以了,电视的型号可以在电视上的注意说明或后面找,如果没有就翻看电视的说明书.现在的机器童锁功能有如下几种解锁方式:1.用菜单键解锁按“MENU”键(或“FUNC”键),选择功能显示菜单(系统设定菜单),在子菜单里有童锁一项,按P+/-来移动光标移动到“童锁”字样处,按V+/-键将童锁设置为“关”,即将童锁功能关闭;2.按屏显键解锁此类机器童锁后屏幕上无锁定标志,但是按屏显键节目号是红色:此类机器的解锁方法很简单:按遥控器上的“DISPLAY”键(频道号显示键),持续3秒钟(或5秒钟)以上,屏幕显示的节目号由红色变成绿色即可解锁。
3.密码解锁按“LOCK”键或童锁键然后输入4位您设定的密码按P+/-来移动光标移动到“童锁”字样处,按V+/-键将童锁设置为“关”,即将童锁功能关闭。
工厂的初始密码为0000。
4.组合锁解锁同时按下遥控器的静音键和屏显键,屏幕显示的锁头(电视童锁功能)就可以解开,当电视的童锁功能打开后,电视的本机键与遥控器单键都被锁定,关机后再次开机仍保持童锁状态。
不同的电视机型号、不同的有不同的解锁方式。
延伸:1.每天都要打开电视看一会儿。
电视要经常看,这样能保证电视各个部件工作正常,如果经常不看电视,容易把电视放坏了,因为电视内部需要保持干燥,如果长时间不看,电视机会出现各种问题的。
2.把电视放好位置。
电视应该放在比较稳固的电视柜上面,而且要避免被无意间碰到。
如果是液晶电视,最好挂在墙上就更牢固了,注意一定要把膨胀螺丝打结实,再安装电视就比较保险了。
3.避免电视受潮。
电视最害怕受潮了,我家的电视就是受潮导致坏掉了。
所以要特别注意这一点,电视机应该远离卫生间放置,尤其是不要挂在靠近卫生间的`墙上,以免受潮。
电视机也不要放在离窗户很近的地方,一到雨季也容易受潮。
各品牌电视机解锁(童锁)方法详解海尔电视解童锁,海尔童锁功能有如下几种解锁方式:(1)用菜单键解锁:按“MENU”键(或“FUNC”键),选择功能显示菜单(系统设定菜单),在子菜单里有童锁一项,按P+/-来移动光标移动到“童锁”字样处,按V+/-键将童锁设置为“关”,即将童锁功能关闭;(2)按屏显键解锁:此类机器童锁后屏幕上无锁定标志,但是按屏显键节目号是红色:此类机器的解锁方法很简单:按遥控器上的“DISPLAY”键(频道号显示键),持续3秒钟(或5秒钟)以上,屏幕显示的节目号由红色变成绿色即可解锁;(3)密码解锁:按“LOCK”键或童锁键然后输入4位您设定的密码按P+/-来移动光标移动到“童锁”字样处,按V+/-键将童锁设置为“关”,即将童锁功能关闭。
工厂的初始密码为0000;(4)组合锁解锁:同时按下遥控器的静音键和屏显键,屏幕显示的锁头(电视童锁功能)就可以解开,当电视的童锁功能打开后,电视的本机键与遥控器单键都被锁定,关机后再次开机仍保持童锁状态;(5)1269万能码解锁:如:CPU:LC863320A,小信号是LA76810的机型,用户输入密码锁后又把密码忘了,或用户先输入定时关机后再按密码锁,这时就可输入1269万能码即可解决。
长虹21K32解除童锁方法:同时按遥控器上的“F”和“静音”键;长虹G2136k解除童锁方法:先按住F键不放,再按静音键就OK了;长虹B2116童锁:(1)同时按下屏幕键和消音键,电视显示童锁符号,电视进入童锁状态。
这时,除遥控器电源开关和面板电源开关外,其余任何键都不起作用;(2)设定童锁功能后,若按面板或遥控器开关键关机,再按电源开关键开机,屏幕显示童锁符号并且屏幕变黑;(3)若要解除童锁状态(开锁),必须在屏幕显示童锁符号时,同时按下屏幕显示键;和消音键即可,此时屏幕童锁符号消失,屏幕恢复正常显示。
长虹C2152童锁解除:(1)按住遥控的F键之后按静音键;(2)按住遥控的静音键之后按屏显键;(3)用K5系列的遥控板,如K5D,同时按静音和状态鍵或同时按静音和屏显鍵,此法如不行,最笨的办法就是开机后换存储器,百分之百排除。
常见P W M芯片和高压板专用芯片去保护的方法芯片型号保护脚说明芯片型号保护脚说明TL5001 5 对地短路OZ960 OZ962 2 对地短路TL1451 15 对地短路OZ965 4 对地短路TL5451 15 对地短路OZ9RR 8 对地短路BA9741 15 对地短路BIT3101 2和15 吸空引脚BA9743 15 对地短路BIT3102 5 吸空引脚MB3775 15 对地短路BIT3105 4 吸空引脚AT1741 15 对地短路BIT3106 4和27 吸空引脚AT1380 2 对地短路BIT3107 4 吸空引脚KA7500 1和16 对地短路BIT3193 15 吸空引脚TL494 1和16 对地短路AAT1100 8 对地短路FA3629 15和16 AAT1107 15 对地短路FA3630 7和10 对地短路MP1038EY 搞好了,6脚对地.........................取消保护,灯管老化造成保护,在维修中通常会碰到一些显示器只有一根灯管坏和保护电路异常引起的黑屏故障,为做到快修我们通常会去把芯片的保护电路去掉。
以下是在维修中碰到和网上查到的一些芯片的去保护方法,希望能对大家有些帮助OZ9938去掉保护电路方法:1.把3脚直接对地短路, 2.把6脚直接对地短路3.把7脚接地电阻取下不用MP1038EY 用导线11脚连接2脚TL5001 5 脚对地短路.TL1451 15 对地短路TL5451 15 对地短路BA9741 15 对地短路BA9743 15 对地短路MB3775 15 对地短路T1741 15 对地短路AT1380 2 对地短路KA7500 1和16 对地短路TL494 1和16 对地短路FA3629 15和16 将外接电容短路FA3630 7和10 对地短路OZ960 OZ962 2 对地短路OZ965 4 对地短路OZ9RR 8 对地短路BIT3101 2和15 吸空引脚BIT3102 5 吸空引脚BIT3105 4 吸空引脚BIT3106 4和27 吸空引脚BIT3107 4 吸空引脚BIT3193 15 吸空引脚AA T1100 8 对地短路AA T1107 15 对地短路BIT7313 15 吸空。
如何设置智能电视的屏幕保护功能智能电视已经成为现代家庭的主流娱乐设备之一。
然而,由于长时间播放电视节目或图像可能会对屏幕造成损害,因此设置屏幕保护功能是非常重要的。
本文将介绍如何正确设置智能电视的屏幕保护功能,以保护电视屏幕并延长其使用寿命。
一、了解屏幕保护功能的作用和好处屏幕保护功能是智能电视所提供的一项重要功能,其作用是在电视连续运行一段时间后,自动启动屏幕保护模式,以防止静态图像在屏幕上停留过久而导致“烧屏”现象的发生。
这个功能可以有效保护电视屏幕,并延长其使用寿命。
二、查找和开启屏幕保护功能的方法不同型号的智能电视可能有不同的操作方式,但大体上可以按照以下步骤进行查找和开启屏幕保护功能:1. 点击智能电视遥控器上的“菜单”按钮,进入智能电视操作界面。
2. 使用遥控器上的方向键,选择“设置”或者“系统设置”选项,并点击“确定”键进入设置界面。
3. 在设置界面中,查找和点击“屏幕保护”选项。
4. 根据个人喜好和需求,选择适当的屏幕保护模式,如滚动文字、图片幻灯片等。
5. 在选择完屏幕保护模式后,点击“确认”或“保存”按钮,使设置生效。
三、自定义屏幕保护功能的设置除了选择预设的屏幕保护模式之外,智能电视通常还允许用户自定义屏幕保护功能的设置。
1. 在屏幕保护设置界面,查找和点击“自定义”或“高级设置”选项。
2. 根据个人喜好和需求,选择自定义的屏幕保护模式。
如选择文字滚动的方式,可以输入自己想显示的文字内容。
3. 调整屏保时间设置。
根据自己的电视使用时间,合理设置屏幕保护的触发时间,一般建议在15分钟到60分钟之间。
4. 设置其他屏保选项。
有些智能电视可能还允许用户设置屏保的亮度、颜色和速度等参数,根据个人需要进行相应调整。
5. 最后,点击“确认”或“保存”按钮,使自定义的屏幕保护设置生效。
四、其他屏幕保护注意事项除了正确设置屏幕保护功能之外,还有以下注意事项需要牢记:1. 避免长时间播放静态图像。
现象描述:通电后,电视机处于保护状态,前面板正中部位的照明灯周期性的闪烁一下、黑屏、背光不亮。
原因分析:按常规,指示灯周期性的闪烁一下,是背光故障,可能的故障部位包括:LED背光灯条、背光灯驱动电路、电源板不良。
检修过程:LCD-46FF1A机型与X50A机型的操作与其它夏普机型差别很大,这两款机型本机操作是触摸式操作,LCD液晶面板前面有一张前置玻璃,覆盖了整机的前面,前面板触摸式操作及工作指示照明灯、夏普商标照明灯、液晶屏幕都被前置玻璃罩盖在后面,因而只能用感应触摸式操作。
而其它绝大多数夏普机型的操作键是轻触开关式按键,按键操作柄露出机壳表面,以利于按压操作。
因为通电后还没有进行任操作就灯闪一下,说明机器一通电就处于保护关机状态,电视机处于故障保护锁死状态,在这种情况下不能用常规的操作方法正常的开机,因此只能采用强制开机或是强制升级的方法打开机器,用这两种方法开机实际上是解除微处理器的开机保护锁死状态。
强制开机的操作方法是:通电后,在前面板照明灯周期性闪烁一下的状态下,长按住本机面板上的POWER键不放-----持续大约5秒时间------松开POWER键------同时按住本机前面板VOL-键和INPUT键不放--------再按住POWER键-------直到照明灯长亮(不再闪烁)------松开各键--------屏幕出现光栅-------观察屏幕左上角出现K字符表明电视机已时入K模式------同时按下本机前面板的CH-V键和VOL-键------机器进入维修调整模式------屏幕上显示共计20页的调整菜单文本。
用以上方法强制开机后,这台电视机屏幕点亮,电视机处于维修调整模式下,此时字符显示正常,照明灯一直亮,但不定时黑屏,过一会又自动重启屏亮,如此反复几次后,保护关机,照明灯周期性闪烁一次。
强制开机后,在屏幕亮显示维修模式的文本字符时,看到了背光灯保护LAMP ERROR 5次的灯保护记录,据此确认电视机已进入灯保护5次锁死状态。
液晶高压板芯片解保护方法文章出处:LCDHOME论坛网原文地址:/read-htm-tid-66215.html液晶屏背光原理及维修以下是我亲自试机成功的芯片资料。
时间控制对地短路,电压检测对地短路,过压保护吸空引脚.OZ9939GN 去保护3脚接地。
OZ9938GN 3或6脚对地短路,把7脚接地电阻取下不用TL494 去保护2到14脚接10K电阻。
mp1008es 去保护,把4脚接地就可以。
OZ964GN 在①脚的2.2U的电容上并联一个4148二极管MP1038EY 用导线11脚连接2脚OZ960GN OZ964GN.用6.8K的电阻把2脚对地DMB8110D 11 过载保护输入15 过压保护输入MSC1691AI 13 过压保护输入14 过流保护输入OZ9925 11 过压保护基准电压OZ9976 8 VSEN –过压过流检测LX6501 13 14 15 对地短路BIT3713 15 吸空引脚MP1048EM 1,6脚接地后去保护BIT3193G 将15脚挑起悬空,或接3.3V电源pin14测试工作点位大于2V则保护,pin15不能小于1.3VOZ9939GN,OZ964GN,mp1008es,OZ9938CN,CTL5001TL1451TL5451BA9741BA9743MB3775AT1741AT1380KA7500TL494FA3629LFA3630OZ960OZ962OZ965OZ9RRBIT3101BIT3102BIT3105BIT3106BIT3107BIT3193AA T1100AA T1107高压板专用芯片去保护的方法不断更新中:以下是网上收集。
芯片型号保护脚说明CTL5001 5 对地短路TL1451 15 对地短路TL5451 15 对地短路BA9741 15 对地短路BA9743 15 对地短路MB3775 15 对地短路AT1741 15 对地短路AT1380 2 对地短路KA7500 1和16 对地短路TL494 1和16 对地短路FA3629 15和16 将外接电容短路LFA3630 7和10 对地短路OZ960 OZ962 2 对地短路OZ965 4 对地短路OZ9RR 8 对地短路BIT3101 2和15 吸空引脚BIT3102 5 吸空引脚BIT3105 4 吸空引脚BIT3106 4和27 吸空引脚BIT3107 4 吸空引脚BIT3193 15 吸空引脚AA T1100 8 对地短路AA T1107 15 对地短路这是我收集的几个高压芯片的,大家要先确定灯管不坏的情况下去保护。
夏普液晶电视常见故障通病维修27例1、开机后红灯闪,红灯一个周期闪一次(背光灯保护);红灯一个周期闪二次(主板或其它问题)。
2、46G100A 开机一分钟左右后黑屏有声音,反复两三次后关机(红灯亮),将高压板上的18个瓷片电容全部换掉 5P/6KV。
3、SMT板坏的几种现象:(1)反复弹出正在系统恢复,请不要断开电源;(2)开机后进不了SMTA界面,更换SMT板需要重新设定数据。
4、089WJSA遥控器配对方法:菜单键+智能设置键5、夏普灯管常坏的几种型号:37A33、37GH3、37Z330A、32D30、32A33、32GH3、32Z330A;故障现象一般是:(1)屏幕亮一下黑掉,之后变红灯(2)有规律的开机几分钟或一段时间关机,变红灯(3)46FF1A无法开机(灯闪),LED灯坏6、37BX5 开机屏幕亮一下后黑屏,有声音,换逆变器7、70LX732A 不开机(红灯闪),强行开机屏幕亮一下后马上黑屏,一般为电源板坏。
8、40DS40A、40DS20A 开机绿灯亮过后两秒变红色,灯闪,强行开机后有时屏幕一亮一暗闪,一般为电源板坏。
9、40LE700A屏幕分成三部分:过总线调整数据。
10、42PX5 37BX5 不开机,1740三极管拆下来刮一下就行了,D108 D105 D106 201稳压管换掉。
11、52E77A不开机(绿灯亮一下灭掉):DFCIC出来的三个5113的电阻处理一下。
12、52FF1A开机一段时间自动关机,更换电源析;52F1A 无法开机,换电源板后不行的话,LED灯条坏。
13、40G120A 40GE220A 电源板测试方法:13.5V BL-ON ON/OFF 三个脚连接,背光亮。
14、TNY264副电源IC损坏:1)引起自动开关机 2)引起三无,R7914限流电阻也会烧坏,D7905 15V稳压管也可能损坏。
3)TNY264 引脚电压:1. 6.25V、 2. 0V、 3. 0V、 4. 0.86V、 5.394V、7/8. 0V15、46LX840 52LX840 电源板无5V输出:Q7006 6脚IC GBB R7192 R7201 12欧 R7205 2.2K R7104 22欧坏16、(1)747WJQE电源板烧保险丝:PFC MOS管Q470122N60NT击穿。
电视机按键锁了怎么办电视机按键锁了怎么办看电视的时候想换台,发现电视机按键不小心锁了怎么办?以下是小编整理的电视机按键锁的解决方法,希望对你有帮助。
电视机按键锁了解决方法:需要重新设置和电视相匹配的密码就可以,密码在说明书上,.如果没有说明书,就按住设置健加关机健,然后输入电视机的型号就可以了,电视的型号可以在电视上的注意说明或后面找,如果没有就翻看电视的说明书.现在的机器童锁功能有如下几种解锁方式:1.用菜单键解锁按“MENU”键(或“FUNC”键),选择功能显示菜单(系统设定菜单),在子菜单里有童锁一项,按P+/-来移动光标移动到“童锁”字样处,按V+/-键将童锁设置为“关”,即将童锁功能关闭;2.按屏显键解锁此类机器童锁后屏幕上无锁定标志,但是按屏显键节目号是红色:此类机器的解锁方法很简单:按遥控器上的“DISPLAY”键(频道号显示键),持续3秒钟(或5秒钟)以上,屏幕显示的节目号由红色变成绿色即可解锁。
3.密码解锁按“LOCK”键或童锁键然后输入4位您设定的密码按P+/-来移动光标移动到“童锁”字样处,按V+/-键将童锁设置为“关”,即将童锁功能关闭。
工厂的初始密码为0000。
4.组合锁解锁同时按下遥控器的静音键和屏显键,屏幕显示的锁头(电视童锁功能)就可以解开,当电视的童锁功能打开后,电视的本机键与遥控器单键都被锁定,关机后再次开机仍保持童锁状态。
不同的'电视机型号、不同的有不同的解锁方式。
延伸:1.每天都要打开电视看一会儿。
电视要经常看,这样能保证电视各个部件工作正常,如果经常不看电视,容易把电视放坏了,因为电视内部需要保持干燥,如果长时间不看,电视机会出现各种问题的。
2.把电视放好位置。
电视应该放在比较稳固的电视柜上面,而且要避免被无意间碰到。
如果是液晶电视,最好挂在墙上就更牢固了,注意一定要把膨胀螺丝打结实,再安装电视就比较保险了。
3.避免电视受潮。
电视最害怕受潮了,我家的电视就是受潮导致坏掉了。
电视机保护电路怎么办电视机保护电路怎么办电视机保护电路怎么办呢?下面随小编一起看看相关解决办法吧~1.观察故障现象判定是否保护从开机到保护,机器有一个从电压建立到消失(保护动作)的过程。
因此,彩电依然有所反映,如指示灯颜色变化或发生闪烁现象:在开机瞬间能听到显像管有高压建立的“沙”声响或开机瞬间手触摸荧屏有一种轻微触电的感觉,然后消失。
另外,可从保护执行电路是与彩电的哪部分相连来判断,比如彩电保护电路与电源待机电路相连,机器进入保护状态后其表现与待机情况相l司:保护执行电路与行振荡或行推动级相连,机器进入保护状态后会与行振荡、行推动级故障相同,即荧屏无光。
同理,若保护执行电路与亮度通道相连。
则保护后会出现亮度通道的故障。
比如黑屏有伴音。
这极有町能是行逆程脉冲丢失造成沙堡脉冲不正常或ABl.电路动作(束过流保护)所致。
还有。
若开机后发现行幅不足且荧胖很亮,然后自动关机的话,可判定是过压(X射线过量)保护,且故障源很可能是+B电压过高或行逆程电容1)开路反之,若开机Ji发现行幅扩大且荧屏昏暗,然后自动关机。
可基本确定是+B电压不足或过流保护。
2.检查关键点电压。
确定保护范围当确定彩电故障是由保护电路引起后,就要进一步测量关键点电压,关键点是指保护执行、保护检测或取样电路电压,如可控硅的控制极电压是否高于O.7v(未保护时通常为0.3V以下)。
若是,则肯定是保护电路动作,然后从电路图上找出这个控制电压是由哪个控制电路引起(即是过压、欠压或过流保护,可逐一断开各检测支路予以确定)。
若是采用三极管检测,而NPN管的b、e极之问电压(即发射结电压)≥7V,P]NP管≥-O.7V,则说明是控制三极管电压的有关电路出现问题同样,利于采用小信号处理芯片的保护端子、IIC总线、电源厚膜块保护端予的检测情况,也应对保护端子、12C总线电压作认真检测,比如测量发现12C总线电压不对,可分别断开总线上所挂接的IC.若断开某个IC总线端口后12C总线电压恢复正常,则说明故障是由该Ic或它的外围元件不良所引起顺便说明:测量关键点电压是指要测这些关键点在开机后、保护前的电压,接下来测保护电路动作后的电压。
夏普液晶电视5次主板保护去除记忆夏普液晶电视,很多机型有主板5次记忆保护,当背光或者电源发生故障时候,只要开机5次以上,就形成保护记忆,然后,即使你换了背光板,灯管,电源板等几乎所有板子,面板指示灯依然是红闪绿再闪红,这时候,就让很多维修者进入了误区。
因为夏普公司在网上资料绝密,所以关于主板5次记忆保护你是无论如何找不到答案的。
(同时按频道-和音量- 再开总电源)或下边方法第一步:拔掉电源插头,同时按住信号源键(AVTV)和音量减键不放。
第二步:插上电源插头(再这之前别放开前面的键)第三步:静等画面出现,当然会出现。
第四步:画面出现以后,放开信号源键和音量减键。
这时候的画面上有个K字,这是工厂调试模式了,这时候你会发现音量加减只有两个等级:15和30.第五步:再同时按住音量减和节目减,这时候会出现英文菜单。
之上,全部是电视机面板按钮操作。
第六步:用电视机遥控器的方向键向下切换到第二页第七步:你会发现第二页的第一栏就是英文的工厂字样第八步:方向键左右切换到:CHINA,然后确定第九步:拔掉电源插头第十部:再插电源插头,并按面板开机键,到此全部收工!B 利用普通遥控器和电视机本体按键1. 将电视机按本体“电源”键关机2. 按住电视机本体按键“音量-”和“电视/视频”不放,再按下“电源”,直至指示灯三个亮起后松开3. 同时按下电视机本体按键“音量-”和“频道-”进入“调整工程”菜单4. 同时按下电视机本体按键“音量-”和“频道+”进入尺寸选择项5. 利用普通遥控器上数字键选择尺寸LE700A为例:“7”为40寸;“4”为46寸;“5”为52寸尺寸数据写入时,尺寸标志为粉红色,请耐心等待6. 针对LE700A系列,在尺寸更改后10秒内对RC PATTERN数值进行相应更改:40/46/52LE700序列号在909921112之前的----RC PATTERN设定为“140/46/52LE700序列号在909921112之后的----RC PATTERN设定为“2”(设定前确认BE软件版本为1.17或者更新的版本)具体操作:在尺寸更改完成后,下拉菜单至第二页,进入“OTHERS”菜单,光标选择到“RC PATTERN”,方位键“左”、“右”可对该值进行选择。
夏普全系列电视机进入维修模式的四大分类:第一种就是夏普传统的、自主研发的机型,称之纯夏普机型。
包含的各型号,除46/52FF1A外,都是同时按本机视频和音量减键-----交流上电----进入K模式,然后同时按住本机频道减和音量减进入维修模式。
纯夏普机型中有一个型号进入维修模式的方法例外:46/52FF1A,见技术科通告:T1-LCD11004,46FF1进入维修模式及强制升级.pdf维修调整模式的进入方法1. 在正常收看状态下长按本机面板上的POWER键不放,直到ICON灯(照明灯)闪烁一下(大约5S时间)(该过程中照明灯的状态是:常亮-----熄灭-----持续按键5秒-----闪烁1次----熄灭。
2. 松开POWER键3. 同时按住本机前面板上的VOL - 键和INPUT键不放,再按一下POWER键,直到照明灯点亮后松开各键4. 等到屏幕出现光栅,观察屏幕左上侧出现K字符,表明机器进入了K模式5. 在K模式下同时按下本机前面板的CH V键和VOL- 键机器进入调整模式强制升级方法(USB)1. 在正常收看状态下长按本机面板上的POWER键不放,直到照明灯闪烁一下(大约5S时间)2. 松开电源键3. 将拷好升级软件的U盘插入机器侧面的USB端口4. 同时按住本机前面板上的CH UP键和POWER键不放, 直到照明灯开始闪烁后松开各键5. 大约6S钟后黑色屏幕上将出现“SOFTWARE UPDATE”提示字符,机器进入升级状态,同时显示升级进度。
此时电视机屏幕上出现的升级对话框上下边缘为灰色6. 当MAIN.SUB MICOM项升级进度均到100%时候,电视屏幕升级对话框的上下边缘将由灰色变为暗绿色,表明升级结束,此时照明灯闪烁的频率与升级过程是不同的7. 拔掉电源插头,稍后重新插入电源,机器自动开启,进入用户操作菜单“设置—信息”项检查软件版本已更新完毕第二种就是14年以后生产的部份机型方法是依次按遥控器信源键----2 ---5--- 8--- 0,进入维修模式。
夏普液晶电视红灯不开机自动关机通病绝杀
夏普大寸数大部分机:
红灯一下是背光,可以强制开机,但无法入总线;红灯两下是主板。
红灯一下,背光灯条用检测仪点正常情况下,按以下处理:
1、焊接灯条到灯条插座;
2、翻转所有大阻值和落地PFC电阻刮胶清洗;
3、把背光故障信号线接地(老款机接逻辑板3.3伏);
4、装好外壳入总线背光故障次数清零。
红灯两下,可以强制开机变绿灯不亮背光。
清洗LVDS屏线甚至更换。
自动关机按以下处理:
1、不用换待机集成,改待机电路为300V供电;
2、去掉市电检测集成,主板市电检测信号反馈接到逻辑板3.3伏;
3、主板芯片加散热小风扇。
以上夏普52寸60寸机通病绝杀。
谢谢大家!。
夏普LCD电视机维修模式进⼊⽅法是家电维修同⾏就会将您加进群,我们有多个维修群,制冷电器⾏业群,电器销售商群,净⽔器⾏业群,计算机⾏业群,⼿机⾏业群,电器配件商群,夏普LCD电视机维修模式进⼊⽅法及强制启动的操作关于夏普液晶电视维修模式进⼊⽅法及出荷设定、强制启动的操作事宜夏普电视机有很全⾯保护功能,当电视机背光驱动电路、背光灯条、电源板、主板不良,T-CON板、LCD屏幕不良时,都会引发保护电路动作,导致电视机不能开机,电源板⾃动转⼊到待机状态。
在这样情况下就⽆法观察电视机的故障现象,⽆法检测故障电压及波形,为此,夏普LCD电视机设置了K模式(也叫强制启动)、维修调整模式。
当电视机进⼊K模式或调整模式后,主板微处理器不再受保护信号的控制,即使电视机某块电路板或LCD屏幕存在故障,按照进⼊K模式的操作⽅法,电视机仍然可以执⾏开机动作,此时维修⼈员就可以观察故障现象,检测关键点的电压值,以判断故障部位。
当然,因为背光驱动电路、电源板本⾝有保护电路,如果故障没有消除,开机后过⼀会仍然会⾃动关机。
即使这样也为维修⼈员赢得了检测故障的时间。
按照进⼊K模式的操作⽅法给电视机通电时,若屏幕的背光闪⼀下即灭,屏幕左或右半边发暗(亮暗界线不明显、慢慢过渡)、屏幕上部或下部发暗(亮暗界线不明显、慢慢过渡)、刚开机时背光正常热机后背光灭、屏幕⾥边偶尔发出啪啪声,这都是屏幕内LED灯条不良的表现。
⼤多是屏幕内LED灯条虚焊、灯珠发热后焊锡开裂、LED灯条引线破⽪与屏幕⾦属壳相碰、LED灯条电路板⼀端的引线插座因运输振动移位受到撞击虚脱、每个LED灯条是由20多个LED 灯珠串联⽽成,在某个灯珠的串联点与屏幕⾦属壳相碰。
所有这些关于灯条的故障,都可以通过测量灯条的正反向电阻、灯条与铁壳间的漏电电阻来找到故障点。
也可以⽤维修电源给灯条加直流电压的⽅法,看灯条发光情况来判断故障。
背光驱动电路如果有故障,也会出现背光⼀闪即灭的现象。
解除各种液晶高压板保护(一亮就灭)的方法发帖者:玩电疯子 ()家电维修论坛高压板专用芯片去保护的方法芯片型号 保护脚 说明TL5001 5 对地短路TL1451 15 对地短路TL5451 15 对地短路BA9741 15 对地短路BA9743 15 对地短路MB3775 15 对地短路AT1741 15 对地短路AT1380 2 对地短路KA7500 1和16 对地短路TL494 1和16 对地短路FA3629 15和16 将外接电容短路FA3630 7和10 对地短路OZ960 OZ962 2 对地短路OZ965 4 对地短路OZ9RR 8 对地短路BIT3101 2和15 吸空引脚BIT3102 5 吸空引脚BIT3105 4 吸空引脚BIT3106 4和27 吸空引脚1 / 3BIT3107 4 吸空引脚BIT3193 15 吸空引脚AAT1100 8 对地短路AAT1107 15 对地短路三星显示器943NW高压板维修技巧这款显示器用的大都是TMS92903CT,TMS92920CT这两种高压线圈,这两种线圈损坏率很高,通病问题,它是罪魁祸首。
用的是OZ9938 或OZ9939,OZ9938去保护:1、完全不亮时,断开第6脚;亮一下就灭时,断开第7脚或者从第三脚接3个1N4148到地即可。
OZ9939芯片的从一脚接1个4148到地,去保护。
去保护以后外接四个灯管,看那两个灯管发暗,就你哪一组高压线圈坏了,把它吸空,然后直接点两根灯管,上下各一个,OZ9938 OZ9939 PDF资料引脚功能介绍①驱动输出端1。
该脚输出方波激励信号,可以外接场效应管的栅极。
②电源供电端。
该脚电压超过欠压闭锁阈值(4.5V),芯片内部电路就可以正常启动。
③定时器设定。
该脚通过外接的阻容元件设定一个定时时间,供内部停机和保护电路采用。
④亮度控制端。
该脚根据⑾脚的设定,可以输入PWM脉冲调宽信号或者直流电压信号来控制灯管亮度。
夏普液晶电视5次主板保护去除记忆
夏普液晶电视,很多机型有主板5次记忆保护,当背光或者电源发生故障时候,只要开机5次以上,就形成保护记忆,然后,即使你换了背光板,灯管,电源板等几乎所有板子,面板指示灯依然是红闪绿再闪红,这时候,就让很多维修者进入了误区。
因为夏普公司在网上资料绝密,所以关于主板5次记忆保护你是无论如何找不到答案的。
(同时按频道-和音量- 再开总电源)
或下边方法
第一步:拔掉电源插头,同时按住信号源键(AVTV)和音量减键不放。
第二步:插上电源插头(再这之前别放开前面的键)
第三步:静等画面出现,当然会出现。
第四步:画面出现以后,放开信号源键和音量减键。
这时候的画面上有个K字,这是工厂调试模式了,这时候你会发现音量加减只有两个等级:15和30.
第五步:再同时按住音量减和节目减,这时候会出现英文菜单。
之上,全部是电视机面板按钮操作。
第六步:用电视机遥控器的方向键向下切换到第二页
第七步:你会发现第二页的第一栏就是英文的工厂字样
第八步:方向键左右切换到:CHINA,然后确定
第九步:拔掉电源插头
第十部:再插电源插头,并按面板开机键,到此全部收工!
B 利用普通遥控器和电视机本体按键
1. 将电视机按本体“电源”键关机
2. 按住电视机本体按键“音量-”和“电视/视频”不放,
再按下“电源”,直至指示灯三个亮起后松开
3. 同时按下电视机本体按键“音量-”和“频道-”进入“调整工程”菜单
4. 同时按下电视机本体按键“音量-”和“频道+”进入尺寸选择项
5. 利用普通遥控器上数字键选择尺寸
LE700A为例:“7”为40寸;“4”为46寸;“5”为52寸
尺寸数据写入时,尺寸标志为粉红色,请耐心等待
6. 针对LE700A系列,在尺寸更改后10秒内对RC PATTERN数值进行相应更改:
40/46/52LE700序列号在909921112之前的----RC PATTERN设定为“1
40/46/52LE700序列号在909921112之后的----RC PATTERN设定为“2”(设定前确认BE软件版本为1.17或者更新的版本)
具体操作:在尺寸更改完成后,下拉菜单至第二页,进入“OTHERS”菜单,光标选择到“RC PATTERN”,方位键“左”、“右”可对该值进行选择。
7. 断电,开机
8. 重复1-3步
9. 利用普通遥控器上方位键下拉菜单至第二
页,第一项“12C DATA”
通过遥控器上“音量+/-”来控制光标左右移动,“频道+/-”来选择数值,进行如下操作:
输入代码“A00000001400”,按下“确定”键
输入代码“A00000001500”,按下“确定”键
输入代码“A000000016AA”,按下“确定”键
10.上拉调整工程菜单至第一页,第一项“MODEL”
按住方位键“右”不放,直至屏幕变暗,左上角出现黄色“A”
如果出现非”A”字符,请在第12步操作出荷完成后开机选择“否”,再通过1-3步进入调整菜单,按住“右”不放,反复如此,直至出现“A”为止
11.松开按键,等待屏幕上出现绿色出荷成功界面
12.断电,出荷完成
如:32G100A电源板DUNTKF185FM01,根据T/R报告该电源板有倾向性故障:瞬间高压导致压敏电阻VA7001烧坏,只要订一个更改后的压敏电阻RH-VXA235WJZZ即可修复,而网店仍然有大量订单订购电源板,附件是此电源板缺货清单,请通知辖下网店立即取消订单,按T/R要求改订压敏电阻进行对应。
以下再举例几种(订技改零件,不必要订基板):
1、40G100A控制板-CPWBX4224TPZN:
故障原因:图像左右倒置
对应方法:拆除R104(10KΩ),贴附R100(10KΩ)
2、40G100A主板-DUNTKF393FM01:
故障原因:温度保护
对应方法:①电阻R2835阻值:4.3KΩ->5.6KΩ(部品编码:VRS-CZ1JF562FY),②位号R807处增加电容,规格:1μ/10V(编码:VCKYCZ1AB105KY)。
3、46E66A电源板-RDENCA342WJQZ:
故障原因:压敏电阻高温脱落
对应方法:变更电路前端的压敏电阻Z7000(部品编码:TVR14561KSUQW)。